|
, мм , м , м
|
|
|
|
|
4,0
|
2,55
|
2,66
|
666,19
|
|
4,5
|
2,41
|
2,56
|
569,37
|
|
5,0
|
2,28
|
2,47
|
494,75
|
|
5,5
|
2,18
|
2,40
|
435,71
|
|
6,0
|
2,08
|
2,33
|
387,98
|
|
6,5
|
2,00
|
2,27
|
348,71
|
|
7,0
|
1,93
|
2,21
|
315,90
|
|
7,5
|
1,86
|
2,16
|
288,14
|
|
8,0
|
1,80
|
2,12
|
264,38
|
|
8,5
|
1,75
|
2,07
|
243,85
|
|
9,0
|
1,70
|
2,03
|
225,96
|
|
9,5
|
1,66
|
2,00
|
210,24
|
Результаты расчетов приведенных в таблице оформляем в виде графика,
представленного на рисунке 1.1.
График строим в следующей последовательности:
¾ построим
оси координат (вертикальная ось- высота стенки h, гибкость S и
площадь поперечного сечения балки F; горизонтальная ось- толщина
стенки
);
¾ задаемся
диапазоном толщины стенки
¾ строим
график зависимости высоты стенки
(кривая
1) и
(кривая 2) от ее толщины
(формулы 5.26 и 5.30);
¾ сопоставив
кривые 1 и 2 между собой, устанавливаем, что определяющей будет высота стенки
при соблюдении требований прочности, так как
;
¾ построим
график зависимости гибкости стенки
с
высотой
от ее толщины;
¾ поскольку
гибкость стенки по рекомендациям ВНИИПТМАШ составляет
, то проектируем эту область на кривую 3, а затем на
горизонтальную ось и находим оптимальный диапазон толщины стенки
;
¾ из
полученного диапазона принимаем для дальнейших расчетов толщину стенки
верхнего и нижнего
поясов
по стандарту проката (ГОСТ 19903-74¾ Приложение
1), приняв 
¾ на
основании выбранной толщины
определяем
высоту балки
и окончательно принимаем по стандартному размеру
проката;
¾ рассчитываем
общую высоту балки 
¾ строим
графики зависимости площади поперечного сечения балки для
; B=H·0,4 =2116·0,4=840 мм. На основании анализа графиков
(рис. 1.1) можно заключить, что наиболее рациональной, по условию минимума
веса, будет балка с размерами 
,
, B=0,85м.
¾ определяем
ширину балки B и окончательно округляем по стандартному размеру проката. Таким
образом, в дальнейших расчетах используем значения
согласованных по стандартным размерам проката («Сталь
горячекатаная листовая». Сортамент ГОСТ19903-74¾
Приложение 1).
¾ Площадь
поперечного сечения балки в этом случае равна
Критерием
рациональности принятого решения должно быть получение сечения минимальной
площади при приемлемых по конструктивным соображениям габаритах.
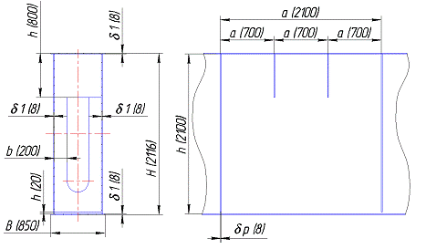
Схема поперечного сечения показана на рис. 1.2
Главная балка.

Рисунок 1.2 Схема принятого поперечного сечения главной балки.
Геометрические характеристики сечения.
момент инерции относительно X:
Осевой момент инерции X-X:
Момент инерции относительно Y:
Осевой момент инерции Y-Y:
Площадь поперечного сечения:
Площадь
поперечного сечения уменьшилась по сравнению с оптимальной менее чем на1%.
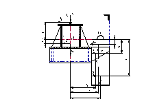
Опорная часть пролетной балки.
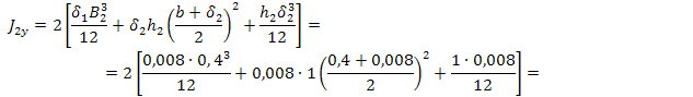
Основные
размеры определились при компоновке опорного узла (см. рис. 6.2). Используя
опыт завода «Сибтяжмаш», увеличим толщину стенки в опорной части до δ2 =0,008
м, а толщину нижнего пояса (гнутого листа) примем δ3 = 0,01
м,
, B=2,5В=2,1м
Принятое
поперечное сечение показано на рис. 1.3.
Рисунок
1.3 Схема принятого поперечного сечения опорной части главной балки.
Геометрические
характеристики сечения:
Момент инерции X-X
Статический момент инерции
Момент инерции Y-Y
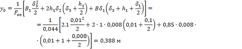
Торцевая балка.
Высоту торцевой балки назначают обычно из конструктивных соображений и,
как правило:

; 
где
Н- высота главной балки.
Толщину
поясов принимают для обеих балок одинаковой, равной толщине пояса пролетной
балки. Расчетная длина балки (расстояние между осями балансиров) равно Lб =
4,5 м. Поперечное сечение показано на рис. 6.5. Геометрические характеристики
сечения:

Рисунок
6.5 Схема принятого поперечного сечения торцевой балки.
Геометрические
характеристики сечения
Площадь
сечения
Момент
инерции X-X
Момент
сопротивления X-X
Статический момент сечения
Момент инерции Y-Y
Осевой момент сопротивления Y-Y
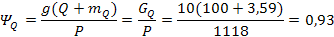
3. Проверочный расчет на прочность и конструктивная проработка балок
моста
Проверочный (уточненный) расчет отдельных элементов конструкции главной
балки включает следующие прочностные расчеты:
1. Проверка прочности балки в средней части пролета при общем изгибе в двух
плоскостях (формула 5.36);
2. Проверка прочности поперечного ребра по условиям работы верхней кромки на
сжатие от местного давления колеса тележки (формула 5.39);
3. Проверка прочности верхнего пояса балки (формула 5.43);
. Проверка местной устойчивости стенки (формула 5.50);
. Проверка прочности опорного сечения в зоне начала закругления
при «этажном» сопряжении (формула 5.63…5.65);
. Проверка прочности сварных швов (шов соединяющий пояс со стенкой
(формула 5.61) и монтажный шов узла соединения балок (формула 5.66)).
Средняя часть пролетной балки
Прочность балки при ее общем изгибе в двух плоскостях проверяем на
действие нагрузок комбинации 1.1.Б (см. табл. 5.1).
Для определения расчетных вертикальных нагрузок по формулам (5.3), (5.4)
и рис. 5.4 находим коэффициенты толчков с учетом схемы моста и наличия
балансирных тележек ходовых колес.
Вес пролетной части моста в качестве первого приближения ранее определяли
по графикам (рис 5.1). Уточняем вес пролетной части моста:
где q2н- нормативная интенсивность
распределенной нагрузки:
где F=0,0252м2 - площадь первоначального поперечного сечения
главной балки (размеры δ, В, h-
получены по графику); 1=0,0254м2 - площадь поперечного
сечения окончательно спроектированной главной балки (размеры приняты с учетом
ГОСТа).
где qб- погонный вес окончательно спроектированной балки:
где
γ=7,85
-
плотность материала,=9,807
- ускорение силы тяжести,
q0- погонный вес остальных элементов балки (рельс и его
крепление, балконы, ограждения и т.д.):
где
q1Н- ранее рассчитанная нормативная вертикальная распределенная
нагрузка в первом приближении;
Рисунок
6.6 Расчетная схема приложения вертикальных нагрузок.
Приведенная
масса моста и тележки:
фактический
коэффициент жесткости моста, по формуле (5.29):
парциальная
частота поперечных колебаний моста
При
ωм=25с-1 и Vк=1,25м/с находим
а=0,035 (рис. 5.3);
для
тележки крана
для
груза
Коэффициент
толчков для моста крана

для тележки крана:

для груза:

Тогда
вертикальные нагрузки будут равны:




По
формулам (5.11), (5.12), и рис. 5.4,а,


Горизонтальные инерционные нагрузки при движении крана
При
среднем ускорении крана во время разгона jк=0,1 м/с2, т.е. при
горизонтальные инерционные нагрузки будут равны:
По
формулам (5.15) и (5.17) находим:
При
определении коэффициента неполноты расчета принимаем m3= 0,85, тогда 
и
Схему приложения горизонтальных
нагрузок (рисунок 6.7) принимаем по рис. 5.5.
Рисунок 6.7 Расчетная схема приложения горизонтальных нагрузок на мост
крана
Проверку производим по условию (5.36):
Прочность средней части балки при общем изгибе в двух плоскостях
обеспечена.
Ребра жесткости
Фактическая гибкость стенки пролетной балки в ее средней части:
т. е. стенка может укрепляться только поперечными основными и
дополнительными ребрами жесткости (большими и малыми диафрагмами.)
Рисунок 6.8 Схема размещение ребер жесткости
Диафрагмы будем выполнять из листового проката; в больших диафрагмах
выполним вырезы в средней части. Ширину выступающей части ребра определяем по
условию (5.37):
толщина ребра должна быть не менее:
Момент инерции ребра относительно плоскости стенки должен быть не менее:
Принимаем

Тогда
его момент инерции относительно плоскости стенки:
Проверку прочности ребра по условиям работы его верхней кромки на сжатие
по формулам (5.39) и (5.40):
По таблице П.9.2 [1] для рельса КР-70 находим:
Расчетная зона распределения давления колеса по ребру (для сварных
балок):
При расположении рельса по оси пояса поперечное ребро проверяется по
условиям работы верхней кромки на сжатие от местного давления колеса по формуле
(5.39):
где
длина
линии контакта рельса и пояса над ребром;
где
bрс=130мм -
ширина подошвы рельса.
Дmax=Д1- давление колеса тележки.
При m3=0,85, m0=0,85 и

следовательно, прочность верхней кромки диафрагмы обеспечена.
Шаг ребер
Из условия прочности рельса по формуле (5.41) определим шаг
дополнительных поперечных ребер:
где Wxmin= 240.65м3- наименьший
момент сопротивления рельса при изгибе [9];
предел
прочности материала рельса.
Учитывая,
что пояс балки достаточно тонкий, для обеспечения его прочности при действии
местных напряжений от давления колес тележки принимаем конструктивно шаг малых
диафрагм в средней части балки а1 = 0,88мм, а шаг больших диафрагм
а=3а1=2,64 м. В концевых частях балки ребра ставим в соответствии с
необходимостью приварки фундаментов под привод механизма передвижения крана.
Расстановка диафрагм показана на чертеже пролетной балки.
Прочность верхнего пояса
При контакте подошвы рельса с поясом балки пояс находится в плоском
напряженном состоянии и его прочность нужно проверять по условию (формула
5.43):
,
где
,
-
напряжение в балке от ее общего изгиба в продольном направлении, МПа;
- местные
нормальные напряжения в поясе соответственно вдоль и поперек продольной оси
балки.
При
где hр- высота рельса, принимаем по табл. 5.5... 5.7
коэффициенты k1; k2; k3, соответственно равны:
0,138; 0,176; 0,161.
Напряжение в балке от общего изгиба в продольном направлении:
Местное нормальное напряжение в полке поперек продольной оси балки
(формула 5.44):
Местное нормальное напряжение в поясе вдоль продольной оси балки:
Суммарное напряжение в балке:
Проверка прочности верхнего пояса:
Прочность верхнего пояса обеспечена.
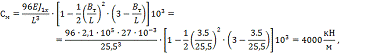
Проверка местной устойчивости стенок
Проверка местной устойчивости стенки зависит от выбранного варианта
размещения ребер жесткости:
при подкреплении стенок только поперечными основными ребрами жесткости
формула (5.50)
при использовании продольных ребер жесткости формулы (5.54 и 5.56).
В
данном виде расчета местную устойчивость стенки, укрепленной только поперечными
основными и дополнительными ребрами жесткости в средней части балки, где
проверяем по формуле (5.50):
;
Предварительно
определяем γ:
где
- ширина и толщина сжатого пояса,
- высота
и толщина стенки,
с-коэф.
принимаемый по табл. 5.10.
В
зависимости от полученного значения γ по табл 5.9 принимается коэффициент k0=6,3.
Критическое
напряжение находим по формуле:
Максимальное
расчетное напряжение:
Запас
местной устойчивости:
Местная
устойчивость стенок в средней части балки обеспечена.
Опорное сечение пролетной балки
Прочность опорного сечения пролетной балки проверяем для случаев действия
нагрузок комбинаций I.2.A и 1.2.Б (табл. 5.1).
Как видно из предыдущих расчетов, вертикальные нагрузки комбинации I.2.A
будут такими же, как и для комбинации I.1.А, а для комбинации I.2.
Б- как для комбинации I.1.
Б; при этом вертикальные нагрузки комбинаций Б оказались больше, чем комбинаций
А. В связи с этим опорное сечение пролетной балки проверяем только на действие
более опасного случая-комбинации нагрузок I.2.Б. Как отмечено выше, вертикальные и горизонтальные
инерционные нагрузки комбинации I.2.Б
равны соответствующим нагрузкам комбинаций I.1.Б.
Определим более опасное с точки зрения максимальной поперечной силы в
опорном сечении положение тележки на мосту.
При положении тележки с грузом у опоры А (рис. 5.4а и рис. 5.6) реакции
опор приводной пролетной балки:
При положении тележки у опоры В:
Более опасным будет случай положения тележки у опоры А.
Силу перекоса моста определяем по формуле (6.18):
где
при работе крана в помещении;
Наибольший
вертикальный изгибающий момент в точке
(см.
рис. 6.22) соответствии с размерами балки (см. рис. 12.7 и 12.11) равен:
где
l- плечо силы
от точки
(см.
рис. 6.22).
Горизонтальные
изгибающие моменты в узлах сопряжения балок определяем по формулам (6.27…6.29):
Тогда:
Эксцентриситеты
скручивающих нагрузок (рисунок 6.9) в соответствии со схемой рис. 5.9 и рис.
6.2…6.5.
принимаем:
Рисунок 6.9 Схема эксцентричного приложения нагрузок на пролетную балку
Скручивающий момент для опорного узла приводной пролетной балки:
где
распределенная нагрузку от веса балкона.
для
неприводной пролетной балки:
Напряжения
в стенке опорной части приводной пролетной балки в точке находим по формулам:
где
- ширина и высота замкнутого контура поперечного
сечения по осям стенок и поясов.
Для
соотношений:
где
площадь нижнего пояса и стенок;
при
а = 90° по графикам (рис. 5.16 ) находим: КR = 1;
= 1,2;
= 0,8;
= 1,25; коэффициент формы сварного шва
= 1,0;
Тогда
Принимаем
, тогда:
и

следовательно,
прочность сечения обеспечена.
Сварной шов
Прочность сварных швов, соединяющих пояс со стенкой балки проверяем на
прочность по формуле:
где Q - наибольшая поперечная сила в рассматриваемом сечении (Аmax);н -
статический момент брутто пояса балки относительно ее общей нейтральной оси:
Β - коэффициент, для однопроходной
автоматической сварки β= 1,0;ш - толщина углового шва, принимаемая равная
катету, вписанного в сечение шва равнобедренного треугольника (hш=10мм);бр. -
момент брутто сечения балки:
Принимаем
и

прочность
шва обеспечена.
Монтажный
сварной шов узла соединения балок
Проверку
прочности шва на действие нагрузок комбинации I.2.Б производим по формуле(5.66):
Проверяем
шов в соответствии со схемой (рисунок 6.9) на действие горизонтального
изгибающего момента Мв.г. Принимаем катет шва равным толщине
пояса
торцевой балки, т.е. h = 0,008 м.
Координату
центра тяжести шва по отношению к оси лобового шва (параллельного оси торцевой
балки) находим в соответствии с рисунком 6.10.e=0.286м
Расстояние
от центра тяжести шва до наиболее удаленной его точки:
Полярный
момент инерции шва:
где
Jz, Jy- моменты инерции площади поперечного сечения шва относительно осей z и
y.
Для
монтажного шва примем m = 0,8 , тогда:
и

Прочность
шва обеспечена
Торцевая
балка
Проверку
прочности балки в опасном сечении - в узле сопряжения с пролетной приводной
балкой - производим для случая действия нагрузок комбинации I.2.Б. Расчетную
схему нагружения принимаем в соответствии с рисунками 5.6 и 5.10.
Максимальный
изгибающий момент:
Горизонтальный
момент равен:
Нормальное
напряжение от изгиба в двух плоскостях:
и

Максимальное касательное напряжение среза в стенке:
Прочность торцевой балки обеспечена.
Проверка динамической жесткости моста
Проверку динамической жесткости моста проводим по времени затухания колебаний
порожнего крана.
В соответствии с формулой (5.84) время затухания колебаний при их
периоде, равном:
= 540 × 0,251 = 8,5с < t = 12...15c.
Предельное время затухания колебаний не должно
превышать 12…15с.
Динамическая жесткость моста удовлетворительна.
Список использованной литературы
1. Учебное пособие по дисциплине «Проектирование
металлоконструкций ПТМ»/ В.П. Лаврик, Ю.Г. Сагиров, О.М. Щеглов, В.П. Четверня-
Мариуполь, 2002. - 142с.
. Учебное пособие по дисциплине «Проектирование
металлоконструкций ПТМ»/ В.П. Лаврик, И.И. Пирч, Ю.Г. Сагиров, А.Н. Кузьмин-
Мариуполь, 2008. - 83с.
. Иванченко Ф.К. и др. Расчеты грузоподъемных и
транспортирующих машин.- К.: Вища школа, 1978.