Обладнання для ущільнення ґрунтів в галузі дорожнього будівництва
Завдання
Вступ
1. Загальна частина
1.1 Техніко-економічне обґрунтування теми
1.2 Короткий історичний екскурс
1.3 Процеси ущільнення дорожньо-будівельних матеріалів
1.5 Сучасні котки країн СНД та світових виробників
1.6 Обгрунтування теми дипломного проекту
2. Основна частина
2.1 Розрахунок та вибір основних параметрів котка
2.2 Визначення параметрів вібровальця
2.2.1 Визначення діаметра вальця
2.2.2 Максимальне контактне навантаження
2.2.3 Визначення ширини вальця
2.2.4 Визначення параметрів вібратора
2.2.5 Розрахунок віброізоляції
2.3 Визначення площі контакту шини
2.4 Розрахунок маси котка
2.5 Тяговий розрахунок та визначення потужності двигуна котка
2.6 Системи зміни тиску повітря в шинах
2.6.1 Схема зміни тиску в шинах
2.6.2 Вибір компресора та трубопроводів
2.7 Визначення стійкості котка
3. Гідравлічний розрахунок
3.1 Вибір гідромоторів пересування
3.1.1 Вибір гідронасосів
4. Розрахунки на міцність
4.1 Розрахунок зусиль в механізмі керування
4.2 Розрахунок на міцність деталей підвіски
4.3 Розрахунок проушини кріплення гідроциліндра рульового керування
до рами
4.5 Розрахунок гальм котка
5. Контроль якості ущільнення
5.1 Норми ущільнення ґрунтів
5.2 Методи контролю щільності ґрунтів
5.2.1 Стандартний метод ущільнення
5.2.2 Метод лунок
5.2.3 Метод динамічної пенетрації
7. Техніка безпеки та охорона праці
7.1 Загальні відомості експлуатації котка
7.2 Аналіз умов праці оператора
7.3 Аналіз шкідливих і небезпечних виробничих факторів
7.4 Розрахунок віброізоляції
7.5 Протипожежні заходи
7.6 Основи організації і проведення рятувальних і інших
невідкладних робіт на зараженій місцевості
Література
Вступ
Велике будівництво, що здійснюється в нашій
країні, викликає необхідність створювати за короткий термін дуже відповідальні
земляні споруди великого об’єму. Тому питання ущільнення ґрунтів набувають
виключно важливого значення.
Ріст інтенсивності та швидкості руху автомобілів
висуває до дорожнього будівництва високі вимоги. Зокрема, великого значення
набуває рівність поверхонь дорожніх покриттів. В даний час дорожнє будівництво
розвивається в напрямку збільшення міцності та довговічності доріг, що
обумовлює застосування для влаштування дорожніх одягів дорогих матеріалів та
ускладнює технологію. Проте вкладені кошти і витрачені зусилля виявляється
марними, якщо земельне полотно недостатньо стійке. В цих випадках швидко
втрачається також і надана в процесі будівництва рівність дорожнього покриття.
Тому в умовах сучасного будівництва влаштуванню міцного та стійкого земельного
полотна, що є фундаментом споруди, приділяється особливо велика увага.
Ущільнення відноситься до числа найбільш дешевих
способів підвищення та стійкості і тому широко застосовується при всіх видах
дорожнього будівництва. Для ущільнення ґрунтів нашою промисловістю випускається
різне обладнання і машини. Номенклатура цих машин безперервно поширюється.
Ростуть також і їх потужності. При цих умовах дуже важливим є питання
підвищення продуктивності та якості роботи, що можливе лише при правильному
виборі загальних конструктивних схем машин та їх параметрів. Такий вибір
повинен здійснюватись у повній відповідності з фізико-механічними властивостями
ущільнювальних ґрунтів.
1.
Загальна частина
1.1
Техніко-економічне обґрунтування теми
Висока якість ущільнення основи і покриття дороги
є однією з актуальних задач дорожнього будівництва, тому що від результатів
процесу ущільнення залежать довговічність і вантажопідйомність дороги. Практика
експлуатації доріг показує, що в основному руйнування доріг під дією великих
навантажень і зростаючої інтенсивності руху відбувається внаслідок
недостатнього і нерівномірного ущільнення основи чи покриття дороги. Звідси
випливають наступні основні вимоги до властивостей машин, що ущільнюють:
машина повинна забезпечувати достатній ступінь
ущільнення; ущільнення, створене машиною, повинне бути рівномірним. Крім того,
при ущільненні покриття повинні бути цілком закриті пори на його поверхні, щоб
запобігти проникнення води і пилу, тобто поверхня покриття повинна бути
водонепроникною. Водонепроникність покриття, чи водостійкість асфальтобетону,
залежить від того, наскільки рівномірно поверхня мінеральних часток покрита
бітумом.
В процесі ущільнення каркасний матеріал не
повинен дробитися, тому що при цьому порушується одна з основних вимог
водостійкості і міцності.
Продуктивність котків визначається глибиною
ущільнення, шириною смуги, що ущільнюється, швидкістю укочування та кількістю
проходів, необхідних для досягнення потрібної щільності коефіцієнта матеріалу.
Техніко-економічні дослідження показують, що для
одержання коефіцієнта ущільнення ґрунту, рівного 0,98-1,0, найбільш дешевим
засобом ущільнення є котки на пневматичних шинах. Котками з гладкими вальцями
такий ступінь ущільнений може бути отриманий тільки при значному збільшенні
числа проходів.
ущільнення ґрунт дорожнє будівництво
З огляду на зростаючу вантажопідйомність
автотранспортних засобів і необхідний у зв'язку з цим більш високий ступінь
ущільнення, котки на пневматичних шинах є більш перспективними машинами. Крім
того, котки на пневматичних шинах дозволяють вести ущільнення більш товстих
шарів при більшій ширині смуги, яка ущільнюється, ніж котки з гладкими
вальцями.
Експериментальні дані показують, що глибина
ущільнення ґрунтів котками з гладкими вальцями і котками на пневматичних шинах
істотно відрізняється. Якщо гладкі вальці забезпечують глибину ущільнення
200-250 мм, то для котків на пневматичних шинах ця величина досягає
350-500 мм. Навіть при збільшенні діаметра гладкого вальця котка до 2 м
і значному збільшенні його ваги товщина шару, що ущільнюється, не може
перевищити 300 мм. При використанні пневматичних шин розміром 27,00-32
чи 30,00-20 на котках відповідної ваги товщина шару, що ущільнюється, може бути
доведена до 750-850 мм.
Ширина смуги, що ущільнюється, в існуючих
конструкціях самохідних котків знаходиться в наступних межах: котки з гладкими
вальцями - 1,0-1,8 м; котки на пневматичних шинах - 1,7-2,5 м.
Одним з важливих параметрів процесу ущільнення є
фактор часу. При збільшенні часу дії котка на матеріал, що ущільнюється,
поліпшуються умови утворення структури шару, що укочується, і досягається його
найбільша міцність.
Необхідне число проходів котка визначається
сумарним часом, протягом якого матеріал повинен знаходитися в напруженому стані
для досягнення необхідного ступеня ущільнення. Відомо, що при одній і тій же
швидкості руху вальця і шини матеріал знаходиться в напруженому стані більш
тривалий час при роботі шини. Отже, за інших рівних умов, необхідне число
проходів котка на пневматичних шинах менше, ніж для гладких вальців, що
підтверджується вітчизняними і зарубіжними дослідниками (рис. 1).
Для одержання високої якості ущільнення необхідно
дотримуватись основного правила виконання процесу ущільнення: поступово, від
проходу до проходу, підвищувати тиск на матеріал, що ущільнюється. Тиск
робочого органа повинен бути трохи нижчим чи дорівнювати межі міцності
матеріалу на відповідній стадії ущільнення.
Рис. 1.1 Залежність коефіцієнта ущільнення ґрунту від числа
проходів котка: 1 - на пневматичних шинах: 2 - з гладкими вальцями
Можливості котків з гладкими вальцями і на пневматичних
шинах по зміні тиску на матеріал, що ущільнюється, в процесі укочування істотно
відрізняються. Так, тиск на котках з гладкими вальцями змінюється з
довантаженням котка і при укоченні практично не зменшується. Тиск котків на
пневматичних шинах в процесі укочування регулюється зміною тиску повітря в
шинах, що може бути легко і швидко виконане при наявності централізованої
системи підкачування шин.
Рівномірність ущільнення забезпечується відповідною
пристосованістю коліс до поверхні, що ущільнюється, при збереженні постійного
навантаження і площі контакту з опорною поверхнею на даному етапі ущільнення.
При наїзді твердого корпуса вальця на незначно підвищені чи попередньо
ущільнені місця проміжні ділянки опиняються під меншим тиском, в результаті
чого ущільнення відбувається нерівномірно. У більшості конструкцій котків на
пневматичних шинах цей недолік усунуто шляхом застосування в ходовій частині
спеціальних зрівняльних систем, що забезпечують пристосовуваність коліс до
опорної поверхні і їх рівномірне навантаження.
Вітчизняними шляховиками ущільнення покриття здійснюється
головним чином котками з гладкими вальцями статичної і вібраційної дії.
За результатами досліджень вітчизняних і закордонних фахівців
котки з гладкими вальцями не забезпечують в даний час достатнього ступеня
ущільнення. Це можна пояснити тим що котки з гладкими вальцями почали
застосовуватися для ущільнення покриттів, призначених для порівняно легких
автотранспортних засобів. У той же час такі котки забезпечували достатній
ступінь ущільнення покриття. Зараз, коли стали широко застосовуватися
автомобілі високої вантажопідйомності і значно зросла інтенсивність руху на
дорогах щільність, забезпечувана гладкими вальцями, виявляється вже недостатньою.
Підвищити ефективність ущільнення ґрунту котками з гладкими
вальцями можна, але при цьому неминуче руйнування структури ґрунту і, крім
того, потрібно буде збільшити вагу і розміри котків, що створить певні труднощі
при експлуатації котків.
Котки з гладкими вальцями не забезпечують не тільки
достатнього ступеня ущільнення, але й інших вимог до покриття: рівномірності
ущільнення, водонепроникності; у ряді випадків спостерігається руйнування
структури ґрунту. Ці негативні властивості котків із гладкими вальцями
підтверджуються нашими і закордонними дослідниками. Велика робота по виявленню
властивостей ущільнюючих котків з гладкими вальцями та на пневматичних шинах
була проведена в СоюздорНДІ та його Ленінградській філії, а також в МАДІ,
ВНДІБудшляхмаші.
У штаті Огайо (США) були проведені порівняльні іспити
важкого самохідного котка на пневматичних шинах і самохідній котку на металевих
вальцях при ущільненні ґрунтових покрить. Результати показали, що ущільнення
самохідним котком на пневматичних шинах набагато ефективніше. Після проходів
котка ушкоджень поверхні покриття не спостерігалося. За рахунок еластичності
пневматичних шин виключався зсув ґрунту в напрямку руху котка. Щільність ґрунту
по краях смуг, що укочуються, не відрізнялася від щільності іншої частини
покриття.
У ФРН в минулому здійснені порівняльні іспити самохідних
котків на пневматичних шинах, вібро- і статичних котків із гладкими вальцями по
економічності та ефективності їхнього застосування для ущільнення ґрунту.
Іспити проводилися в однакових умовах. Результати іспитів показали істотні
переваги котків на пневматичних шинах перед котками з гладкими вальцями:
) котками на пневматичних шинах досягається максимальне і
найбільш однорідне ущільнення. Поверхня покриття рівна, характеризується
замкнутою однорідною структурою. Після ущільнення віброкотком на поверхні
покриття залишається безліч хвиль, хоча і не так чітко виражених, як при
ущільненні статичним трьохвальцевим котком;
) покриття, ущільнене котками на пневматичних шинах, мало
мінімальну водопроникність. В середньому через покриття фільтрувалося близько
10,5 см3 води за годину. У двох точках виміру після 1 год
іспитів вода не фільтрувалася. Таким чином, ділянку, ущільнену котком на
пневматичних шинах, можна вважати водонепроникною. На ділянці роботи віброкотка
водопроникність в середньому складала 66 см3/год, а на
ділянці іспитів статичного котка - 644 см3/год;
3) продуктивність котка на пневматичних шинах у кілька
разів вище, ніж віброкотка, і в 2 рази вище продуктивності статичного котка.
Причини отримання водонепроникного покриття при його
ущільненні котками на пневматичних шинах у даний час ще не виявлені. Приблизно
це явище може бути пояснено характером розподілу нормальних і дотичних сил по
площі контакту пружного тіла (шини) з пружнов'язкопластичним матеріалом, яким є
грунт. Ймовірно, напрямок і характер зміни дотичних сил сприяють більш
компактному розподілу складових ґрунту.
Ефективність застосування самохідних котків на пневматичних
шинах при ущільненні ґрунтів відображена в результатах польових досвідів
проведених у ВНДІБудшляхмаші та МАДІ в 1963-1966 р. На рис.1 показана
залежність коефіцієнта ущільнення грунту від числа проходів котка на
пневматичних шинах VR-920Р вагою 22 т (крива 1) і на металевих вальцях
вагою 10 т (крива 2). Отримані криві коефіцієнта ущільнення від
числа проходів котка добре показують ефективність процесу ущільнення ґрунту
самохідними котками на пневматичних шинах:
) котком на пневматичних шинах досягається більший ступінь
ущільнення, ніж гладкими вальцями;
) можливе одержання коефіцієнта ущільнення більше одиниці;
) для одержання коефіцієнта ущільнення, рівного одиниці,
потрібно 8-10 проходів котка на пневматичних шинах.
Криві на рис. 1 підтверджують думку про недостатню
ефективність котків з гладкими вальцями для ущільнення асфальтобетонних
покриттів, як з погляду щільності, що досягається, так і по числу проходів.
Викладене дозволяє коротко сформулювати основні позитивні
властивості самохідних комбінованих котків:
) висока продуктивність і економічна ефективність за
рахунок великої глибини і ширини ущільнення, а також порівняно малого числа
проходів, необхідного для досягнення необхідної щільності;
) висока якість виконуваних робіт, тобто досягнення ступеня
ущільнення більше одиниці, одержання рівномірного ущільнення, що забезпечується
властивостями шини й умовами її взаємодії з матеріалом, що ущільнюється, часом
дії навантаження на матеріал, що ущільнюється, можливістю досить широкого
регулювання тиску повітря в шинах, конструкцій ходової частини;
) можливість працювати човниковим способом, висока
транспортна швидкість, маневреність і універсальність.
1.2
Короткий історичний екскурс
Ущільнення - це найдешевший та найдійовіший
спосіб підвищити несучу здатність ґрунтів. Відомий він з давніх-давен, його знали
ще римляни. Так, римські дороги мали спеціальні прошарки з глини, що захищали
дорожній одяг від шкідливої дії вологи. Ці прошарки ретельно ущільнювалися
укочуванням та трамбуванням.
Ще за 2-3 тис. років до нашої ери дороги
ущільнювалися головним чином кінськими копитами та колесами возів. Спеціальні
засоби для ущільнення були примітивні й звичайно являли собою дерев'яні, або
кам'яні причіпні котки з ручною тягою масою до 5 т, у другій половині XIX ст.
замінилися металевими котками з кінною тягою рис. 1.2.
Рис. 1.2 Металевий коток з кінною тягою
Наприкінці XIX ст. почалося виробництво парових
котків масою 10 т при потужності 15-25 к. с. на Коломенському заводі (рис.
1.3).
Рис. 1.3 Коток масою 10 т Коломенського заводу
Дослідження руху колісних візків були розпочаті в
Російській Академії наук в 1801 р. М.І. Фуссом, потім продовжені чехом
Герстнером в 1813-1831 рр. В 20х роках XX ст. дослідження поновилися М.Н.
Летошневим, М.І. Івановим, пізніше А.К. Біруля, В.Ф. Бабковим, Я.А. Калужським.
1.3
Процеси ущільнення дорожньо-будівельних матеріалів
Елементи дорожнього полотна будуються із крихких
матеріалів - щебеню, піску і різних сумішей. При будівництві дороги вони
потребують штучного ущільнення для отримання необхідної щільності.
Експлуатаційні якості дорожнього одягу визначаються як вибором матеріалу так і
технологією будівельного процесу, в якому операція ущільнення являється
завершальною. Від якості ущільнення залежать такі основні характеристики
дорожнього покриття, як рівність поверхні, несуча здатність, стійкість проти
зношування під дією навантажень руху автомобільного транспорту і атмосферних
явищ (зволоження, температурних перепадів).
Процес ущільнення матеріалів зводиться до
прикладання тим чи іншим способом до поверхні конструктивного шару дороги
навантаження, під дією якого проходить зближення мінеральних частинок, їх більш
компактне розміщення і зменшення пор. Ступінь ущільнення прийнято розцінювати
щільністю і пористістю. Ці показники штучно виготовлених бетонів інколи
наближуються до показників природних скальних порід.
В робочих органах ущільнюючих машин
використовуються слідуючі основні методи: укочування, трамбування, вібрації.
При укочуванні по поверхні ущільнюючого шару
перекочується валець, під дією сили тяжіння якого шар матеріалу набуває
остаточної деформації h (рис. 1.4, а). Ця деформація по мірі
підвищення щільності буде зменшуватись і при кінці укочування буде наближатися
до нуля. Наступне підвищення щільності матеріалу може бути досягнуто тільки
підвищенням навантаження на валець.
Трамбування здійснюється періодичним підняттям
якоїсь маси m на висоту H і її наступним вільним падінням на
поверхню ущільнюючого шару (рис. 1.4, б).
а) - укочування; б) - трамбування; в)
- вібрація.
Рис. 1.4 Методи ущільнення дорожньо-будівельних
матеріалів
Суть віброущільнення полягає в тому, що маса m,
яка коливається із великою частотою (мал. 4, в) передає кінетичну
енергію частинкам матеріалу, що розташовані в зоні дії вібратора, і приводить
їх в стан коливання. Різні по габаритам і масі частинки отримують різні
прискорення, взаємно переміщаються, і пори між крупними частинками заповнюються
більш мілкішими, при цьому досягається підвищення щільності матеріалу.
Перечисленні методи ущільнення застосовуються як
роздільно, так і в сукупності один з другим. Наприклад катки статичної дії,
робота яких характеризується невеликими швидкостями зміни напруженого стану,
застосовують при ущільненні пластичних матеріалів, таких як асфальтобетонні
суміші. Крім того, їх застосовують для ущільнення щебеню, гравію та інших
подібних матеріалів. При трамбуванні можуть бути досягненні високі навантаження
в ущільнюючому шарі, і цей метод може бути ефективним при ущільненні зв'язних
матеріалів.
Вібраційний метод використовується для ущільнення
малозв'язних матеріалів. Особливо цей метод ефективний при ущільненні таких
матеріалів, як цементобетонні суміші, в склад яких входять фракції піску і
щебеню, що відрізняються за розмірами і по масі. При дії високочастотних
коливань в суміші спостерігається явище тиксотропії, яке полягає в розжиженні
суміші при струшуванні. Процес тиксотропії являється зворотнім, тому після
припинення коливань золи переходять в більш стабільний стан - гелі; вільної
води практично не залишається, і суміш набуває якостей моноліта.
При ущільненні щебеневих матеріалів проявляється
взаємне заклинювання між суміжними частинками, що сприяє кращому утримуванню їх
в дорожньому покритті. Однак при цьому необхідно враховувати, що утворена
достатньо міцна корка в верхній частині шару, що ущільнюється, обмежує
розповсюдження деформацій в глибину шару. Цього можна запобігти, якщо статичні
навантаження від маси котка будуть супроводжуватися динамічною дією вібрації.
Одним із важливих показників якості ущільнення асфальтобетонного покриття
являється стійкість до проникнення води в шар. Оцінка цього показника
проводиться по вмісту пустот і по кількості води, що проникає через одиничну
поверхню площею 1 дм2. Вода, що проникає в дорожній одяг сприяє його
здуттю, утворенню тріщин і загальній деформації.
Наведені вище фактори обумовили появу і широке
застосування котків комбінованої дії, в яких присутні позитивні якості різних
методів ущільнення. Так, для ущільнення окремих шарів дорожніх одягів найбільш
універсальними і ефективними є комбінування вібровальця із пневмошинами.
Класифікація катків
При створенні дорожнього покриття дуже важливо,
щоб дорожньо-будівельний матеріал досяг певної міцності і пружності. Для цього
його треба добре ущільнити. У дорожньому будівництві виділяють три способи
ущільнення:
укочування;
ущільнення;
віброущільнення.
Основною машиною, що здійснює ущільнення
дорожнього покриття, є дорожні катки. Безліч фірм випускають катки різного
виду, потужності і ваги. Серед характеристик, що впливають на якість
ущільнення, варто відмітити наступні:
маса катка;
площа контакту валу з ущільнюваним шаром;
швидкість укочування;
число проходів.
Якщо розглядати дорожні катки з різних сторін, то
і класифікацію можна дати різну, залежно від даних особливостей.
По виду робочого органу виділяють катки:
з гладкими вальцями;
гратчасті;
кулачкові;
пневмоколісні;
комбіновані.
Гратчастий каток має оббивку у вигляді грат з
литих металевих елементів. Він створений для ущільнення ґрунту, як зв'язного,
так і незв'язного. Наявність грат допомагає розбивати грудки і інші щільні
утворення.
Котки кулачкових катків (Рис. 1.5.) оббиті
металевими пластинами із закріпленими на них кулачками. Основне їх застосування
- рихлі зв'язні грунти товщиною не більше 22-30 см Особливість проходу
кулачковим катком полягає в тому, що спочатку кулачки йдуть в грунт цілком і
навіть валець може в нього зануритися. Але при подальшому ущільненні цього не
відбувається.
Рис.1.5 Самохідний кулачковий каток
Пневмоколісні катки (Рис.1.3.) призначені для
тривалого прикладання навантаження до ущільнювальної поверхні. Самохідні котки
на пневматичних шинах виконують як правило двохвісними на шинах з гладким
протектором. Загальна маса таких котків коливається в межах 15 - 35 т і
залежить від маси баласту.
Рис.1.6. Пневмоколісний каток
За принципом дії існує два види катків: статичні
і вібраційні. Статичний каток рухається по ущільнювальному матеріалу, діючи на
прохідні поверхні стандартним тиском. А вібраційний каток впливає на
ущільнювальний шар як за рахунок сили тяжіння, так і впливаючи на нього силою
періодичних коливань. Використання вібраційного катка зменшує кількість
проходів катка по сліду в 1,5-3 рази, залежно від грунту.
За способом пересування. виділяють: причіпні
(маса повністю передається на ущільнювальний матеріал); напівпричіпні (частина
маси передається на тягач); самохідні.
Котки з гладкими вальцями класифікують по
кількості осей і вальців:
одновісні одновальцеві з підтримуючими вальцями
чи колесами або без них (Рис.1.7, а, б, в);
Рис.1.7 Схеми катків з гладкими металевими
вальцями: а) - одновісний одновальцевий; б) - одновісний
одновальцевий з підтримуючими вальцями; в) - одновісний одновальцевий з
підтримуючими колесами; г) - двохвісний двохвальцевий; д) - двохвісний
трьохвальцевий; е) - двохвісний трьохвальцевий з додатковим вальцем
малого діаметра; ж) - трьохвісний трьохвальцевий, двохвісні двохвальцеві
з одним або двома ведучими вальцями (мал.1.4, г); двохвісні трьох
вальцеві (Рис.1.7, д); двохвісні трьох вальцеві з допоміжним вальцем
малого діаметра (Рис.1.4, е); трьохвісні трьохвальцеві з одним чи трьома
ведучими вальцями двохвісні трьох вальцеві (Рис.1.7, ж).
Рис.1.8 Двохвісний двохвальцевий каток
Рис.1.9 Двохвісний трьохвальцевий каток
По питомому лінійному навантаженню котки
поділяють:
на легкі з лінійним навантаженням менше
400 Н/см (маса до 5 т, потужність до 25 кВт);
- середні з лінійним навантаженням 350…600
Н/см (маса до 6…10 т, потужність до 25…30 кВт);
важкі з лінійним навантаженням 600 Н/см
і більше (маса 10 т, потужність більше 35 кВт).
- По основним признакам, що впливають на
ущільнення матеріалів, і експлуатаційним якостям самохідні катки на
пневматичних шинах можна класифікувати наступним чином:
. По завантаженості коліс, яке може бути
загальним, індивідуальним і комбінованим;
2. По встановленню коліс на осях, під якими
розуміються умовні осі, що проходять через центри передніх і задніх коліс.
Розрізняють осі індивідуальні, блочні і комбіновані;
. По виду врівноважувальної системи, яка
призначена для вирівнювання навантажування по колесах котка в процесі його
роботи: ричажна (механічна), гідравлічна, пневматична і комбінована
зрівнювальні системи. Гідравлічна і пневматична системи забезпечують
горизонтальне положення корпусу і кабіни катка при роботі на уклонах;
. По установці коліс на осях розрізняють
схему з шаховим розташуванням коліс (мал.1.10, а); схему з рядною
(мал.1.10, б) і схему з комбінованим розташуванням коліс на осях
(мал.1.10, в). У сучасних катках найбільш поширеною розташування коліс
за схемою, показаною мал.1.10, а;
. За системою повороту розрізняють катки з
поворотом коліс на керованих осях, з поворотом самих керованих осей і поворотом
шарнірної рами.
а) - шахова; б) - рядна; в) - комбінована.
Рис.1.10 Схеми розташування коліс пневмокотків
У комбінованому катку встановлюються різні
вальці, що посилює якість його роботи. Найчастіше комбінують пневмоколісний
варіант з вібровальцевим. Така машина стає більш універсальною і добре ущільнює
фактично будь-який грунт.
Самохідні катки на пневматичних шинах при
ущільненні асфальтобетонних сумішей, як показують дані їх випробувань,
ефективніші і продуктивніші в порівнянні з катками з гладкими металевими
вальцями. Це досягається, по-перше, тим, що при одній і тій же швидкості руху
жорсткого вальця і пневматичної шини ущільнюваний матеріал знаходиться в
напруженому стані триваліший час при роботі шини. Отже, за інших рівних умов необхідне
число проходів катка на пневматичних шинах менше числа проходів катка з
гладкими металевими вальцями. По-друге, питомий тиск катків на пневматичних
шинах регулюється до необхідного значення зміною тиску повітря в шинах, що
легко і швидко виконується за наявності централізованої системи підкачки шин.
Це дозволяє строгіше витримувати основну умову ведення процесу ущільнення: від
проходу до проходу підвищувати питомий тиск робочого органу і забезпечувати
його значення. По-третє, забезпечується велика рівномірність ущільнення
внаслідок наявності в катках на пневматичних шинах врівноважувальних систем, що
забезпечують пристосовуваність коліс до опорної поверхні і їх рівномірне
завантаження.
Негативним чинником при роботі катків на
пневматичних: шинах є недостатня рівність поверхні як в поздовжньому, так і в
поперечному напрямі. Тому остаточні проходи при ущільненні асфальтобетонних
сумішей повинні виконувати катками з гладкими металевими вальцями.
Для ущільнення асфальтобетонних дорожніх
покриттів зазвичай застосовують катки, обладнані шинами з гладким протектором,
масою 18.20 т. Тиск в шинах змінюється від 0,25.0,36 до 0,55.0,60 МПа.
Тиск повітря в шинах повинен змінюватися залежно
від вигляду ущільнюваного матеріалу, його фізико-механічних властивостей і щільності.
Для охолоджування і оберігання шин від налипання
гарячої асфальтобетонної суміші рекомендується змочувати їх підігрітою до 80°С
водою, розпилюючи її повітрям.
Для здобуття максимальної продуктивності і
здобуття рівного шару ущільнюваної асфальтобетонної суміші каток з пневмошинами
на перших проходах повинен мати швидкість 2.3 км/год, а інші - 8.9 км/год.
1.5
Сучасні котки країн СНД та світових виробників
Зважаючи на те, що процес укладання дорожнього
полотна неможливий без участі в ньому грунтових катків, вітчизняні і китайські
виробники прагнуть зайняти цю нішу на ринку дорожньої техніки, поряд з такими
іменитими компаніями як ABG, Hamm, Dynapac, Bomag і Caterpillar. Вивчивши
грунтові катки деяких виробників, можна прийти до висновку, що в маловідомих
компаній досить і сил і ідей, щоб конкурувати з авторитетними марками.
З початку цього року компанія Caterpillar
поповнила клас грунтових катків машинами нового покоління. На нових грунтових
катках Caterpillar, із-за збільшеної площі заднього скла і зміненої форми як
заднього бампера, так і капота, значно покращала видимість. На моделях
грунтових катків, оснащених кулачковим вальцем, тепер передбачено використання
вальців з кулачками, круглого і квадратного поперечного перетину. Система
охолоджування і вентиляції підкапотного простору на всіх модернізованих катках
виконана відповідно до норм технології ACERT.
Все повітря, що поступає через верхню і бічні
грати в середині капота, згодом викидається через задні грати, розташовані
зверху і в стороні від крісла машиніста. Всі нові моделі Caterpillar обладнані
двигунами, що відповідають нормам Stage 3А/ Tier 3. Так, нові катки Caterpillar
CS/CP56, 64 і 74 (Рис.1.8.) оснащені 6-циліндровим турбодизелем C6.6 - ACERT
потужністю 116кВт.
Рис.1.8 Віброкаток CS 74 (Caterpillar)
У свою чергу, 4-циліндровий дизелем 4.4С - ACERT
потужністю 97 кВт оснащена модель CS/CP 54.
Німецький виробник Bomag має в своєму арсеналі 11
моделей грунтових катків. Маса катків, що випускаються компанією Bomag,
коливається від 3 до 36 тонн. Найважчий 36-тонний грунтовий каток BW236 DI-4
BVC був представлений на минулій виставці Bauma. Bomag першим з виробників
дорожньої техніки розвернув силовий агрегат грунтового катка на 180 градусів
радіатором до кабіни, а маховиком до корми. Завдяки цьому рішенню, радіатори на
грунтових катках Bomag розміщені в менш запиленій зоні, що значно поліпшило
розподіл ваги машини. А отриманий в результаті скошений капот збільшив площу
огляду назад.
Але на особливу увагу заслуговують грунтові катки
Bomag, укомплектовані складним механізмом Variocontrol. До них відносяться
грунтові катки BW177DH-4, BW213DH-4 (Рис.1.9.), BW226DH-4 і BW236DI-4. Цей
складний механізм працює за рахунок поміщеного на центральну вісь вальця ексцентрикового
блоку. Кожен з екцентриків не лише розташований на своїй осі, але і обертається
в певну сторону. Управління вібраційним механізмом повністю автоматизоване.
У лінійці грунтових катків Bomag, окрім катків з
кулачковим вальцем (вони маркуються буквою Р), присутні також катки із
скельними, полігональними вальцями і з навісною віброплитою. Грунтові катки
перерахованих моделей і катки, оснащені вібромеханізмом Variocontrol, проходят
як окремі моделі.
Рис. 1.9 Каток BW 213 DH-4/P з віброплитою
(Bomag)
Шведський виробник техніки Dynapac може
похвалитися найчисленнішим парком грунтових катків.
Всі моделі грунтових катків обладнані бортовим
комп'ютером. Свого роду візитна картка компанії Dynapac - система контролю
ущільнення DCA (Dynapac Compaction Analyzer) (Рис.1.10.), забезпечена великим
ЖК-монітором. Основна особливість, властива всім грунтовим каткам Dynapac,
криється в модульному вібромеханізмі. Завдяки ньому двочастотний
двохамплітудний вібромеханізм можна швидко і легко розібрати як для поточного
обслуговування, так і для заміни спрацьованих деталей.
Відсутність пробуксовування ведучих коліс
грунтового катка стала можливою не із-за диференціала підвищеного тертя, а
завдяки регулюванню подачі на гідромотор ходу, що контролюється бортовим
комп'ютером, який встановлений на задньому мосту.
Рис.1.10 Грунтовий вібраційний каток CA600 D
(Dynapac)
Лінійка грунтових катків Hamm, що включає 10
основних моделей, маса яких варіюється від 5 до 25 тонн, містить і декілька
дійсно унікальних моделей.
На особливу увагу заслуговують грунтові катки
Hamm, оснащені як вібромеханізмом з осциляцією (позначаються VIO), так і
електронною системою Hammtronic (маркуються абревіатурою HT). До грунтових катків,
оснащеним вібромеханізмом з осциляцією, відносяться моделі 3307, 3412 і 3414.
(Рис.1.11.) Ці машини Hamm можуть працювати як в режимі осциляції, так і
вібрації. Приводи ходу і віброзбудника управляються за допомогою саме
мікропроцесорної системи. Економічність цих машин на 30 % більше, ніж в
грунтових катків Hamm базової версії. Така економія стає можливою завдяки
автоматичному регулюванню не лише швидкості руху, амплітуди і частоти обертання
ексцентриків і обертів двигуна, але і автоматичного розподілу палива між
гідромоторами вальця і моста. Всі грунтові катки Hamm випускаються як мінімум в
двох версіях - як з кулачковим, так і гладким вальцем. Всім машинам властива
традиційна компоновка, з розташованим на кормі радіатором і маховика з двигуном
в передній частині машини.
Рис.1.11 Віброкоток 3414 HT (Hamm)
Серед вітчизняних виробників голосніше за всіх
зумів заявити про себе, починаючи ще з 1997 року, завод-виробник дорожньої
техніки "Раскат". Зараз основним завданням для заводу
"Раскат" стає налагодження випуску грунтових катків масою 13, 15,
17,19 і 21 тонн.
В даний час конструктори особливу увагу
приділяють комфорту машиніста. Завдяки гумовим подушкам, які грають роль вузлів
кріплення осі вальця, коливання, що передаються на раму, знизилися до 0,02 мм,
що значно поліпшило умови праці водія. Для збільшення огляду на грунтових
катках, що випускаються Раскатом, встановлена не лише простора скляна кабіна з
дзеркалами і спроектований скошений капот, але також відсутні виступаючі над
капотом вузли. А в парі з вузькою рульовою колонкою все це сприяє більшій площі
огляду. Слідуючи тенденціям сучасного машинобудування, розробники заводу
"Раскат" розвернули вперед двигун з насосом, а радіатори помістили в
самій незапиленій зоні грунтового катка - між двигуном і кабіною.
Окрім випуску нових моделей грунтових катків,
завод "Раскат" не зняв з виробництва і свою стару 13-тонну модель
ДУ-85 (Рис.1.12.), оснащену двигуном ЯМЗ-236Г2-1, потужність якого складає 110
кВт.
Рис.1.12 Вітчизняний вібраційний каток Раскат ДУ
- 85
Сповна конкурентоздатна і продукція мінського
підприємства Амкодор. Новина компації - вдосконалений грунтовий каток 6712А.
(Рис.1.13.) Маса цього катка складає 11,5 тонн. Від серійної моделі 6712
новинка відрізняється округлішим дизайном капота, а під вібромеханізм вальця
грунтового катка спроектована нова передня рама. Модифікація торкнулася і
технічної начинки грунтового катка 6712А. Так, наприклад, все той же двигун
Д-245 вже оснащений гідронасосом Poclain, а вібромеханізм вальця на цій моделі
вже двочастотний (28/32 Гц).
Рис.1.13. Вібраційний коток Амкодор 6712А
Ще одним досить-таки перспективним новачком на
нашому ринку можна рахувати і компанію-виробника JCB. Ця компанія вже поставляє
грунтові катки JCB-Vibromax. (Рис.1.14.) Всі грунтові катки JCB в базовій
комплектації оснащені диференціалом підвищеного тертя заднього моста. Насосний
блок встановлений ззаду і капот скошеної форми грунтових катків JCB
забезпечують хороші оглядовість.
Лінійка грунтових катків JCB складається з семи
моделей, маса яких варіюється від 4 до 19,8 тонн. Оскільки в комплектації
грунтових катків цього виробника відсутній бортовий комп'ютер, а також вся
пов'язана з ним електроніка, ці функції здійснюються гідроприводом.
Рис.1.14. Гладковальцевий вібраційний каток
JCB-Vibromax


Рис.1.15 Пневмокотки: GRW 10,GRW 15 и в - GRW 18
По 4 колеса спереду и ззаду
Спарене рульове керування
Рівномірний розподіл тиску на всі колеса
Колії коліс з кожного боку перекриваються на 50 мм Нахил и
коливання по висоті передніх коліс
Хороша маневреність, легке керування, просте технічне
обслуговування
Гідродинамічна трансмісія
Плавний, без поштовхів, рух
Без цепної передачі
Висока надійність
Обидва ведучих мости
Дизельний двигун великої потужності з турбонаддувом
Бічне зміщення задньої напіврами 100 мм
Вільний огляд робочої поверхні і бічних кромок бандажів
Переднє та заднє стекла 1х1 м
Регульоване крісло машиніста, рульове колесо, панель
приладу
Поворотне крісло машиніста
Багатофункціональні ручки керування з обох сторін крісла
Аварійний останов
гальмівні системи Система зрошення з двома водяними
насосами
2 пластмасові водяні бака
Хороший огляд з крісла всіх сопел системи зрошення
Ергономічний пульт керування






Рис.1.16 Комбіновані зчленовані тандемні котки HD 70/HD
75K та 90K / HD 110K
1.6
Обгрунтування теми дипломного проекту
Сучасні дорожні катки для всіх видів робіт по
ущільненню грунтів і матеріалів користуються дуже великим попитом на ринку
дорожньо-будівельних машин. Сьогодні дорожній каток - це техніка, без якої
будівництво доріг важко собі представити. Як би не засмучувала якість
українських доріг, але останнім часом в цій області намітилися явні поліпшення,
про що можна судити по збільшених об'ємах продажів дорожніх катків як
вітчизняного виробництва, так і імпортного.
Ще років п'ятнадцять тому багато дорожно-будівельних
організацій не могли не те що каток дорожній купити, але і зарплату своїм
працівникам вчасно виплачувати. Заводи, що займалися виробництвом дорожніх
катків, вимушені були переходити на випуск іншої продукції, оскільки попит на
дорожні катки був вкрай низьким. Звичайно, і сьогодні можна побачити старі, ще
радянських часів дорожні катки, що укладають асфальт, але це говорить не
стільки про брак коштів, скільки про виняткову надійність вітчизняних дорожніх
катків, які до цих пір не вимагають заміни.
Проте, займаючись продажем дорожніх катків, ми
можемо відзначити збільшення попиту саме на нову продукцію, як вітчизняну так і
імпортну, яка відрізняється набагато більшою ефективністю, як в плані
продуктивності, так і в плані якості та економічності. Сучасний вібраційний
дорожній каток забезпечує надійне ущільнення матеріалів навіть на значній
глибині, а це дуже важливо при виконанні асфальтування доріг і майданчиків.
Навіть якщо ви не займаєтеся будівництвом доріг,
але вам доводиться періодично ремонтувати чималі ділянки асфальту користуючись
послугою оренда дорожнього катка (автостоянки і парковки, під'їзди, доріжки між
будівлями і так далі), то інколи каток дорожній купити простіше, ніж кожного
разу звертатися до послуг сторонніх фірм.
Звичайно, для цього не обов'язково купувати
спеціальний самохідний дорожній каток - існує досить багато моделей дорожніх
катків, виконаних у вигляді причіпного пристрою, який кріпиться до автомобіля
або трактора. Такий дорожній каток недорогий і простий в експлуатації, він може
бути корисний тим, хто не бачить сенсу вкладати великі гроші в покупку дорогого
дорожньо-будівельного устаткування. Та все ж, основний об'єм продажів дорожніх
катків доводиться саме на спеціалізовані будівельні компанії, зайняті
будівництвом і обслуговуванням доріг.
2.
Основна частина
2.1
Розрахунок та вибір основних параметрів котка
Передумови до розрахунку
Вибір і розрахунок параметрів пневмоколісних
котків виконується виходячи з властивостей ґрунту, який ущільнюється. З числа
основних параметрів котків виокремлюється головний - маса котка з баластом.
Головний параметр найбільш повно відображає споживчі властивості машини,
визначає економічні показники виробництва і експлуатації та протягом найбільш
тривалого часу зберігає актуальність. Головний параметр визначає типорозмір
котка в параметричному ряду.
Маса котка є еквівалентом матеріальних та
трудових витрат, здійснених в даній машині. Чим більше маса, тим вище вартість
котка. Практика виробництва котків показує, що вартість їх росте приблизно лінеарно
зі збільшенням маси.
Тому вибір маси котка потребує особливо
ретельного підходу і повинен бути іншим, ніж це прийнято в конструкторській
практиці, коли маса котка приймається в якості головного і разом з тим
первинного - визначаючого параметра.
Вивчення даного питання показало, що при виборі
маси котка основними факторами, є обґрунтовані контактні параметри їх робочих
органів, що визначають ущільнюючу здатність машини. В цьому зв’язку вибір маси
котка не може бути здійснений без знання параметрів робочих органів котка і
властивостей ущільнювального матеріалу.
Виходячи з вищесказаного, першим етапом для
розрахунку маси котка є встановлення для ущільнювальних матеріалів необхідних
контактних параметрів робочих органів Ак та σк, що забезпечують задану товщину
ущільнювального шару і ступінь ущільнення.
Визначення необхідних контактних зусиль
Виходячи з виду матеріалу, що підлягає
ущільненню, а найбільш поширені ґрунтові умови в Україні - це суглинок,
визначимо необхідні контактні тиски для забезпечення необхідного коефіцієнта
ущільнення матеріалу: контактний тиск на шинах повинен бути
sк = sz,
де sz - нормальні
напруження в ущільнювальному матеріалі.
Визначення мінімальної величини sz аналітичним
шляхом, при якому ще може бути досягнено потрібний коефіцієнт ущільнення Кg даного матеріалу,
є досить складним завданням. В цьому зв’язку доцільно виявити залежність Кg = f (sz)
експериментальним шляхом. При цьому матеріал ущільнюють в стандартному кільці
приладу попереднього ущільнення ґрунту за методикою, запропонованою О.Т.
Батраковим. Отримана за цією методикою залежність для суглинка представлена на
рис.23 (крива 1). Тут коефіцієнт ущільнення Кg підрахований за
результатами ущільнення того ж ґрунту.
Отримана залежність не враховує бічного тертя
ґрунту по стінкам стандартного кільця. Цей недолік можна усунути з врахуванням
коефіцієнтів бічного тиску і тертя ґрунту зі сталлю, що визначається за
формулою Ю.А. Вєтрова:
.
Після розрахунку кривої 1 отримана крива 2 залежності Кg = f (sz) (рис.2.1, за допомогою якої легко
визначається sz для потрібних щільностей.
Наприклад, Кg =
1,00 забезпечується мінімальним значенням sz = 0,45 МПа.
Рис. 2.1 Залежність Кg = f (sz)
2.2
Визначення параметрів вібровальця
2.2.1
Визначення діаметра вальця
Діаметр вальця визначається типом і конструкцією
котка і може бути визначений за формулою:

м (1)
де: q - лінійне навантаження. Лінійне навантаження можна
прийняти для важких комбінованих двовісних катків 60…80 кН/м, q = 68 кН/м.

м, приймаємо 1600 мм
При виборі діаметра вальця віброкотка слід вважати, що зі
збільшенням діаметра вальця котка ущільнююча здатність котка збільшується. Про
це свідчить виведена Н.Я. Хархутою на основі теорії Герца-Беляєва залежність
для визначення глибини активної зони ущільнення при укочуванні:
для середньо-зв'язних ґрунтів:

, м (3)

м
де: 
- вологість ґрунту, W = 10 %;

- оптимальна вологість ґрунту, Wo = 19 %;

- радіус вальця котка, R = 0,7 м.
Однак потрібно відмітити, що надмірне збільшення діаметра
вальця недоцільне, так як воно веде до збільшення металоємкості котка і
збільшення висоти центра маси, а звідси і погіршення його стійкості. З другої
сторони, збільшення діаметра вальця призводить до зменшення контактних
навантажень.
Максимальне контактне навантаження з точністю до 7…10 %
можна визначити за формулою:

, (4)
де: 
- лінійне навантаження, яке повинно бути визначено з урахуванням
дії збуджуючої сили, кгс/см2;

- модуль деформації ґрунтів, кгс/см2;

- радіус вальця катка, см.
2.2.2
Максимальне контактне навантаження
Максимальне контактне навантаження не повинно
перевищувати границю міцності, тому повинна виконуватись нерівність:

(5)
де: 
- границя міцності грунту,
кгс/см2.
Кращий ефект досягається, коли:

(6)
При розрахунках можна рахувати, що в кінці ущільнювання
зв'язні грунти оптимальної вологості мають модуль 
= 150…200 кгс/см2, а не зв'язних - 100…150 кгс/см2.
Приймаємо 
= 0,15 кН/см2.
Лінійне навантаження може бути визначено:

Н/м (7)
де: P - амплітудне значення збуджуючої сили, P = 70000 H =
70 кН;- сила ваги катка, що діє на валець, Q = 95000 Н = 95 кН;
В - ширина вальця;

- коефіцієнт перевищення.

кН/м
Максимальне контактне навантаження тоді буде:

кН/м2
кгс/см2
Н.Л. Хархута рекомендує лінійний тиск вибирати рівним 15…30
кН/м при ущільненні піщаних ґрунтів і 50…70 кН/с при ущільненні суглинків.
2.2.3
Визначення ширини вальця
Ширина вальців встановлюється в залежності від
маневреності катка, поперечної стійкості катка, рівномірного ущільнення по
ширині сліду, і безпосередньо впливає на якість ущільнення.
Ширина вальця визначається по формулі:

, м (8)

м
Наведена формула була встановлена на основі аналізу
існуючих конструкцій вітчизняних і іноземних котків.
2.2.4
Визначення параметрів вібратора
Відносну величину збуджуючої сили визначаємо з
урахуванням рівності

(9)
де: Р - вага частин катка, що коливаються, Н.
Принімаємо масу частин катка, що коливаються m = 2000 Н,
тоді вага буде:

, кН (10)

кН

кН
З другої сторони значення збуджуючої сили центробіжного
вібратора визначають по формулі:

(11)
де: 
- ексцентриситет, тобто відстань від осі обертання до центра ваги
дебаланса, r = 0,0808 м;

- маса дебалансів, кг;

- кутова швидкість обертання дебалансів, с-1.

, с-1 (12)
де: 
- частота обертання дебалансів вібратора, n = 2200 об/хв.

с-1
Звідси знайдемо масу дебалансів:

, кг (13)

, кг
Статичний момент дебаланса визначають по формулі:

, кг
/м (14)

кг/м
В якості матеріалу для дебаланса вибираємо Сталь 3.
Технічна характеристика Сталі 3:
Густина сталі - 
= 7,7…7,9 
кг/м3;
Границя міцності сталі при розтягу - 38-42 кг/мм2
Знаючи щільність и масу, можемо найти об'єм дебаланса.

, м3 (15)

м3
Ширину дебаланса b також приймаємо конструктивно: b = 400
мм.
Діаметр дебаланса знаходимо, користуючись формулой, об'єма
цилиндра:

, м3 (16)
Звідки:

, мм (17)
Тоді діаметр буде:

, мм (18)

мм
2.2.5
Розрахунок віброізоляції
При розрахунку резинових ізоляторів визначають
висоту резинової ізоляції, поперечні розміри і кількість віброізоляторів.
Висоту резинового шару приймаємо рівною h = 25 мм
Для прямокутних амортизаторів:
відношення довжини до висоти буде:

відношення ширини до довжини:

Тоді:

мм 
мм
Площа поперечного перерізу амортизатора буде:

см2 (19)
Сумарна площа поперечного перерізу амортизаторів:

см2 (20)
де: m - маса підресорної частини, m = 1000 кг

см2
Кількість амортизаторів:

шт (21)
2.3
Визначення площі контакту шини
Для ущільнення матеріалів з різними
фізико-механічними властивостями потрібні різні тиски в плямі контакту з
опорною поверхнею. Тому діапазон можливої зміни навантаження на колесо та тиску
повітря в шинах характеризує як універсальність, так і ущільнюючу здатність
котка, що визначаються ступенем, глибиною та рівномірністю ущільнення.
Регулювання тиску в шинах повинно бути централізованим та в межах 0,2.1,0 МПа
(рис. 2.2).
Рис. 2.2 Зміна плями контакту при різних тисках в шині
Площа контакту при укочуванні ущільнених грантів з
урахуванням заданої товщини шару
м2 (22)
0,W - відповідно оптимальна і дійсна
вологість повітря;
Кg, К0 - відповідно потрібний і початковий
коефіцієнт ущільнення матеріалу;
Кр - багатофакторний коефіцієнт, який залежить
від sz/sκ, а/b,. При орієнтовних
розрахунках можна прийняти Кр = 1,2.1,4; причому менше значення
відповідає більшим відстаням між шинами еґ.
при укочуванні ущільнених грантів Н0 = 0,15 м,
м2.
При ущільненні розрихлених ґрунтів Нр = 0,30 м.
м2,
2.4
Розрахунок маси котка
Маючи розрахункові значення Ак та sκ визначають мінімальні значення Q, що
забезпечують розрахункові Ак та sκ.
Значення Q можуть бути встановлені і
розрахунковим шляхом, використовуючи залежність:
= Ак · sκ, (23)
Тоді
= 0,04·0,45·106 = 18 кН.
Слід мати на увазі, що Q з найбільшим його
значенням, визначене по номограмі чи розрахунковим шляхом, містить в собі
частину металоємкості і баласту машини на контактну поверхню колеса.
Знаючи власну вагу колеса Q, можна з урахуванням
отриманого значення Q встановити навантаження на вісь колеса котка:
0 = Q - Qк, (24) тоді Q0
= 18·103 - 1·103 = 17 кН.
(25) тоді
т.
Розрахунок маси котка за вищенаведеною методикою забезпечує
мінімальні енергетичні та трудові витрати як при створенні, так і при
експлуатації котків.
Вибір шин для котків
На котках застосовують шини загального
призначення (автомобільні) та спеціальні.
Шини з дорожнім чи універсальним рисунком
протектора, призначені для ущільнення переважно дорожніх основ. Шини з глибоким
рисунком протектора, призначені для ущільнення переважно земельного полотна доріг.
На відміну від шин автомобілів високої
прохідності шини котків зі змінним тиском мають максимальний тиск в 2 - 2,8
разів більше. Порівняння поперечних перерізів шин показано на рис. 2.3.
Рис. 2.3 Схема до вибору шин
Шини для котків можуть бути вибрані з кількості тих, що
виробляються автотракторною промисловістю, а при відсутності необхідних -
повинні створюватись спеціальні, нові шини.
При виборі шин задаються, насамперед, кількістю коліс на
одній з осей (наприклад, при самохідних котках, на задній - широкій осі) та
коефіцієнтом відстані між шинами Кш. Кількість коліс моста на одній
осі Zк = 4 шт. Кш = 1,25.
Визначаємо необхідну ширину бігової доріжки за формулою:
мм (26) тоді
мм,
де В - ширина ущільнювальної смуги котка;3 -
кількість коліс на осі;
Кш - коефіцієнт відстані між шинами.
Приймаємо 260 мм.
Отримане за цією формулою В0, як і
вантажопідйомність та інші параметри шини, є вихідним параметром для
попереднього вибору шин котка.
Шини звичайного виконання для котків мають відношення
висоти профілю Н до ширини шини В0, рівне 0,9 - 1,1; у широко
профільних шин відношення Н/ В0 < 0,9. Проте така ширина, маючи
низький тиск повітря, не може забезпечити високої щільності матеріалу і
ефективна тільки для покращення керованості котка та підвищення маневреності.
Н = 1,1·В0 = 1,1·260 = 290 мм (27)
Згідно стандартного ряду типорозмірів шин приймаємо: шину
моделі Ф-55 320-508 (12,00-12).
Параметри вибраної шини:
зовнішній діаметр - 1092 мм;
ширина профілю (по центру перерізу) - 290 мм;
ширина бігової доріжки - 260 мм;
позначення обода - 216В - 508 мм (дюйм);
норма пошаровості - 16;
максимальне навантаження - 23000 Н;
тиск повітря в шині, що відповідає максимальному
навантаженню - 0,3 - 0,8 МПа;
максимальна швидкість - 20 км/год;
маса - 90 кг.
В цьому випадку величина нормальної деформації пневматичної
шини на жорсткій поверхні звичайно складає
, (28) тоді λ = 0,13·290 = 37,7 мм,
де Вш - ширина профілю шини.
Якщо відомий модуль жорсткості пневматичної шини та її
геометричні розміри, то вага може бути визначена за формулою:
, (29) тоді
т,
де значення Еш потрібно підставляти в кгс/см, а λ - в
см.
Враховуючи, що радіальна деформація на пневматичні шини на
ґрунті, що деформується, менше, ніж на жорсткій поверхні, при виконанні
розрахунків по наведеній формулі треба приймати
λ = 0,15· Вш = 0,15·290 = 4,35.
Якщо модуль жорсткості шин невідомий, то раціональну вагу
котка у відсотках від її максимального значення можна визначити, користуючись
слідуючими даними:
тиск повітря в шині в Н/см2........60 50 403020
вага котка у % від максимального значення 100 90 806550
Мінімальне число коліс котка приймають з умов забезпечення
поперечної стійкості і звичайно рівне чотирьом.
Найбільша допустима величина зазорів е обмежується
умовами рівномірного ущільнення ґрунту котком по ширині і може бути знайдена з
експериментальної залежності:
, (30) тоді
мм.
При відомій плямі контакту шин АКу = 0,04 м2
(при укочуванні щільних покриттів) та АКу = 0,16 м2 (при
укочуванні рихлих покриттів) див. розділ 2.1.3, визначимо можливі прогини шин:
, (31)
тоді отримаємо
мм;
, отже
мм,
де Rн - зовнішній радіус шини.
Довжину площі контакту визначимо за формулою:
м (32)
м
де
- радіус кривизни протектора.
Навантаження на шину, прогин і тиск повітря зв’язані
залежністю:
, (33)
де с1, с2 - постійні коефіцієнти, що
визначаються дослідним шляхом. Для спеціальних шин с1=0,0002.0,0003
см2/Н, с2=0,006 см-1;
Рш - тиск в МПа;
δт - прогин в см.
При відомому навантаженні на шину та прогин визначимо
необхідний тиск в системі
(34)
при укочуванні щільних шарів:
МПа,
при укочуванні розрихлених шарів:
МПа.
Визначення продуктивності
Продуктивність котків визначається за формулою:
, (35)
де L - довжина укочуваної смуги в м;
В - ширина укочуваної смуги в м;
А = 0,22 м - величина перекриття суміжних проходів;
Н0 - глибина ущільнення в м;
кв - коефіцієнт використання робочого часу;-
швидкість руху котка в м/год;= 0,02 год - час розвороту тягача з котком
на кінці ділянки;- необхідне число проходів по одному місцю.
Число проходів котка при тиску повітря в шинах 20 Н/см2
при ущільненні різних видів ґрунтів таке:
на піщаних ґрунтах - 2 - 3;
на супіщаних - 3 - 4;
на глинистих - 5 - 6.
При ущільненні піщаних ґрунтів:
Щільних
м3/год;
Розрихлених
м3/год.
При ущільненні супіщаних ґрунтів: щільних
м3/год;
Розрихлених
м3/год.
При ущільненні глинистих ґрунтів: щільних
м3/год;
Розрихлених
м3/год.
Вибір параметрів колісної схеми
Запропоновані наступні формули для розрахунку
кількості коліс на осях (шахова схема) залежно від прийнятого типорозміру шин,
коефіцієнта відстані між шинами Кш та ширини ущільнювальної смуги В:
а) загальна кількість коліс котка
к = Zз + Zп, (36)
тоді к = 4 + 4 = 8 шт;
б) кількість коліс на задній - широкій осі
, (37)
з формули отримаємо
= 4 шт;
в) кількість коліс на передній - вузькій осі
шт.
Для аналітичної оцінки питання схеми розстановки коліс
достатньо використати один з методів механіки ґрунтів та вирішити просторове
завдання про розподіл напружень під колесами котка. Ця задача вирішена за
наступних передумов:
а) дотикання коліс з ущільнювальним матеріалом
розглядається в кінці процесу укочування, коли матеріал працює як лінійно
деформоване тіло;
б) вертикальні напруження σz вважаються пропорційними залишковими
деформаціями ущільнювального матеріалу, тобто під розподілом вертикальних
напружень розуміють розподіл залишкових деформацій.
З механіки ґрунтів відомо, що якщо до поверхні масиву
прикладено кілька навантажень, то стискуючі напруження в будь-якій точці масиву
визначаються шляхом сумування напружень, що виникають від навантаження більш
простої форми.
Отже, для отримання реальної картини про закономірності
розподілу напружень під колесами котка, необхідно сумувати відносні вертикальні
напруження σz /σк від кожного колеса котка як при рядному,
так і при шаховому розташуванні їх на осях.
Таке сумування здійснювалось за допомогою ЄОМ при різних
відстанях між шинами, а за допомогою графіків інтерполяції були побудовані
діаграми рівних напружень σz
/σк, з яких деякі наведено на рис.2.4
і 2.5 На представлених графіках діаметр рівновеликого кола D прийнято рівним
ширині бігової доріжки шин В0. Як доведено вище, це припущення не
доводить впливу на глибину розташування напружень σz
/σк.
Рис. 2.4 Діаграма рівних напружень σz
/σк під колесами котка при е' = 0,4В0
(рядна схема)
З наведених діаграм видно, що рівномірне ущільнення по
ширині на всіх горизонтальних перерізах і по всій глибині ущільнювального шару
не може бути отримано (особливо на поверхні шару), а може бути забезпечено лише
на певній глибині Z та при малому значенні Кш. Видно також, що лінії
рівних напружень σz /σк під колесами котка, при малих відстанях
між шинами захвачують значно більшу глибину ніж при одному колесі, причому при
шаховій схемі навантаження (рис.28) розподіл напружень σz
/σк відбувається більш рівномірно.
Рис. 2.5 Діаграма рівних напружень σz
/σк під колесами котка при е' = 0,9В0
(шахова схема)
2.5
Тяговий розрахунок та визначення потужності двигуна котка
Тяговий розрахунок
При роботі котка виникають наступні опори руху:
опір коченню Ff, підйому Fi та подоланню сил інерції Fj.
Аналіз результатів тягових випробувань пневмоколісних
котків дозволив зробити висновок про необхідність врахування додаткового опору
Fпр, що виникає при зустрічі коліс котка з перепоною, особливо при
роботі на ущільненні рихлих, грудкуватих ґрунтів, лінійні розміри грудок яких
досягають 0,2 м. Ці нерівності ущільнювального шару викликають поштовхи,
підвищуючи цим загальний опір котка.
З врахуванням вищесказаного рівняння тягового
(силового) балансу котка має вигляд:
0 = ∑ F = Ff ± Fj
+ Fпр. (38)
Сила опору коченню визначається по
загальновідомій формулі:
f = Gк · fcosα0, (39) тодіf = 147·103·0,12·cos10°
= 17,3 кН,
де Gк - вага (сила тяжіння) котка,
к = G·g = 15,3·103·9,81
= 147·103 Н; (40)
- коефіцієнт опору коченню коліс котка; α0 - кут підйому дороги.
При русі котка на підйом додається опір підйому:
i = Gк · sinα0, (41) отже Fi = 147·103
· sin10° = 25,5 кН.
При розгоні та гальмуванні котка виникає опір сил
інерції:
(42)
де j - прискорення.
Якщо вважати рух рівноприскореним
(43)
тоді отримаємо
кн.
Для визначення додаткового опору Fпр пропонується
наступна формула:
, (44) за якою
кН,
де hпр - висота перепони;к - радіус
кочення колеса.
Слід відмітити, що сила Fпр, необхідна для
подолання перепон (нерівностей) може значно збільшити загальний опір руху
котка. Так, якщо нерівність має висоту hпр = 10 мм, а радіус колеса
rк = 500 мм, то Fпр = 0,2 Q; при hпр = 100 мм
- Fпр = 0,75 Q.
У випадку подолання перепони всіма колесами, встановленими
на даній осі, навантаження Q повинно бути помножене на Z0.
З формули опору подолання перешкоди слідує, що Fпр→∞
при hпр = rк, тобто при наїзді ведених коліс на перепону
висотою hпр = rк коток не може її подолати, яке б не було
велике тягове зусилля F0 на ведучих колесах. Сила Fпр
обмежена з одного боку потужністю двигуна, а з другого - умовами зчеплення шин
з опорною поверхнею. Практично максимальна висота порогу, що долається веденими
колесами складає (0,35.0,65) rк.
Порівняння експериментальних даних з розрахунковими
показало, що при максимальних швидкостях котка (v ≥3,0 км/год) сила Fпр
може бути визначена з достатньою точністю за попередньою формулою.
При подоланні перешкоди всіма колесами сила опору буде:
кн, (45) тоді
∑F = 17,3+25,5+9,0+4,9 = 56,7 кН.
Щоб рух котка став можливим, повинна дотримуватись умова Т0
≥ ∑F, де ∑F - сума всіх виникаючих опорів. Дотримання
цієї умови необхідне, але недостатнє. Сила тяги Т0 може бути
реалізована тільки тоді, коли між ведучими колесами та опорною поверхнею буде
достатнє зчеплення. Сила зчеплення Тφ пропорційна навантаженню на
ведучі колеса Gb і виражається формулою:
Тφ = Gb · φ′,
(46) за якою Тφ = 68 · 0,9 = 61,2 кН,
де φ′ - коефіцієнт зчеплення;b
- навантаження на контактну поверхню ведучих коліс (зчеплю вальна вага котка).
b = Q · Zb, (47) звідкиb
= 17·103 · 4 = 68 кН,
де Zb - кількість ведучих коліс.
Умовою, що забезпечує можливість руху самохідного
пневмоколісного котка буде:
Тφ ≥ ∑F, 61,2 кН ≥
56,7 кН.
Умова руху виконується.
Визначення потужності двигуна
Потужність встановлюваних двигунів характеризує
енергомісткість даного котка, від неї залежать експлуатаційні якості та
витрати. Правильний вибір потужності двигуна пневмоколісних котків є одним з
найбільш важливих факторів, що впливає на економічну ефективність їх роботи.
Необхідна (ефективна) потужність двигуна N
знаходиться в прямій лінійній залежності від потужності на ведучих колесах N0
при певних значеннях коефіцієнта корисної дії η силової передачі котка.
Загальноприйнятим методом розрахунку потужності
двигуна дорожніх котків є вибір двигуна по найбільшому значенню потужності, яка
необхідна для подолання опорів при роботі котка в найбільш важких умовах.
Аналіз сучасних методів вибору потужності двигуна для автомобілів, тракторів,
будівельних та дорожніх машин, а також процесу роботи дорожніх котків з
урахуванням експлуатаційного фону та сил інерції прискореного руху машини
дозволяє рекомендувати метод розрахунку потужності двигуна самохідних котків,
що розглядає три випадки їх експлуатації:
робота на граничному підйомі на початку
укочування рихлого ґрунту (піску, щебеню, гравію);
транспортування котка з максимальною швидкістю по
ущільненому матеріалу на горизонтальній ділянці дороги;
наїзд котка на перепону (каміння, грудки землі,
щебінь крупної фракції та ін.) з малою швидкістю на граничному підйомі.
Для визначення потужності двигуна користуються
такими формулами:
; (48)
; (49)
, (50)
де fр - коефіцієнт опору коченню коліс котка по
рихлому матеріалу;
іпр - граничний ухил місцевості, іпр = sinα°.
При роботі на найбільшому підйомі:
кВт.
При транспортуванні котка з максимальною швидкістю на
горизонтальній дільниці дороги:
кВт.
При наїзді котка на перешкоду з малою швидкістю на
найбільшому ухилу:
кВт.
Вибираємо двигун СМД-17Н з потужністю двигуна N = 70 кВт.
2.6
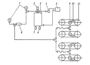
Системи зміни тиску повітря в шинах
2.6.1
Схема зміни тиску в шинах
Система зміни тиску повітря в шинах призначена
для забезпечення необхідних параметрів шин в зоні контакту їх з матеріалом з
метою отримання високої якості ущільнення цього матеріалу та підвищення
продуктивності машини.
Система включає групу апаратів для виробництва,
накопичення, контролю та споживання стисненого повітря, поєднаних один з одним
повітропроводами в суворій послідовності залежно від їх функціонального
призначення.
Характерна схема зміни тиску повітря в шинах
показана на рис.30. Апаратура пневмосистем залежно від її призначення ділиться
на наступні групи:
живляча апаратура, що включає обладнання
подавання стисненого повітря в пневмосистему під певним тиском; до неї
відносяться компресори, регулятори тиску та повітряні балони;
споживачі стисненого повітря - шини;
апаратура керування, що включає крани і клапани
керування;
контрольно-запобіжна апаратура, що включає
манометри, датчики аварійного тиску, запобіжні клапани та ін.;
повітропроводи, до яких відносяться трубопроводи,
з’єднувальна арматура та пристрій підводу повітря до колеса, що обертається.
Для пневмосистем, що забезпечують централізоване
підведення повітря до коліс, характерна наявність всіх вказаних груп апаратури.
Рис. 2.6 Схема поєднання елементів та пристроїв в
пневматичній системі котка:
- манометри; 2 - запобіжний клапан; 3 - ресивер;
4 - регулятор тиску; 5 - компресор; 6 - кран відбору повітря; 7 - зливний кран;
8 - кран керування тиском повітря в шинах; 9 - гнучкий шланг; 10 - пристрій
підводу повітря до колеса, що обертається; 11 - клапан зазору повітря в шині;
12 - камера шини.
2.6.2
Вибір компресора та трубопроводів
Основним завданням розрахунку системи зміни тиску
повітря в шинах котка є вибір компресора та шин для сумісної роботи. Звичайно
для розрахунку задано кілька типорозмірів чи моделей шин, що задовольняють
потрібні вимоги по якості ущільнення матеріалу, і час наповнення чи випускання
повітря з шин. Для сумісної роботи приймають компресор і шини, загальна робота
яких забезпечує найменші втрати.
При відсутності даних в технічній документації
об’єм шини Vш визначають яку об’єм тора, тобто
ш = 1,9·В02· (d0 +
В0), (51) тодіш = 1,9·0,262· (0,572 + 0,26) =
0,107 м3,
де В0 - поперечний габаритний розмір
шини, м; d0 - діаметр обода шини, м. Загальний об’єм шин складає:
'ш = n·V ш, (52) отже'ш
= 8·0,107 = 0,855 м3,де n - кількість шин.
Нормальна робота компресорів забезпечується, якщо
об’єм ресиверів
р = (0,01.0,05) · V'ш, (53) тоді
Vр = 0,035·0,855 = 0,03 м3.
Загальний об’єм магістралі, яку потрібно
заповнити стисненим повітрям, складає:
м = V'ш + Vр, (54)
тоді отримаємо Vм = 0,855 + 0,03 = 0,86 м3.
Масове подавання Gк повітря в шини від
компресора (кг/с)
, (55) Отже
кг/с,
де R0 = 287 Н·м - газова постійна для повітря;
Тш - температура повітря в шинах, К;
τн - час в секундах для зміни тиску повітря
в шинах на ΔРш,
Па.
Об’ємне подавання GV компресора при всисанні, м3/год:
, (56) тоді
м3/год,
де Pа, Та - відповідно тиск (Па) і
температура (К) атмосферного повітря; kп = 1,01.1,20 - коефіцієнт
витоку повітря в системі.
По величині GV обирають компресор з більшою
частотою обертання колінчатого вала, оскільки габаритні розміри машини виходять
менші.
При впусканні повітря в шину діаметр dт (м)
трубопроводу
, (57)
тоді отримаємо
,
де Sп - хід поршня, т;- частота обертання
колінчатого вала компресора, с-1;
ηк = 0,6.0,8 - коефіцієнт подавання
компресора;
і - число циліндрів.
При випускання повітря з шини оптимальний діаметр
трубопроводу та вентилю шини відповідно dт ≥ 0,008 м; dв
≥ 0,5·dт = 0,004 м.
Зменшення діаметра трубопроводу пов’язано з різким
зростанням часу зниження тиску повітря в допустимому діапазоні.
Тепловий розрахунок трубопроводів
Тепловий розрахунок трубопроводів пов’язаний з
визначенням нерівномірності температури повітря, що подається в різні шини.
Нерівномірність температури викликає необхідність вирівнювання тиску повітря в
шинах.
Коефіцієнт теплопередачі від повітря, що
рухається в трубопроводі, до повітря, що оточує трубопровід, визначається за
формулою:
, (58) за якою
,
,
де αв - коефіцієнт тепловіддачі від повітря, що
рухається в трубопроводі, до внутрішньої поверхні трубопроводу, Вт/ (м2·К);
αн - коефіцієнт тепловіддачі від зовнішньої
поверхні трубопроводу до зовнішнього повітря, Вт/ (м2·К);
αкн - коефіцієнт тепловіддачі при перенесенні
тепла конвекцією, Вт/ (м2·К);
αлн - коефіцієнт тепловіддачі при тепловому
випромінені, Вт/ (м2·К).
При теплообміні конвекцією в зоні турбулентного режиму
критеріальне рівняння має вигляд:
, (59)
де Nu - критерій Нуссельта;- критерій Грасгофа;- критерій
Прандтля.
Представляючи значення критеріїв подібності, отримаємо
вираз для коефіцієнта тепловіддачі при переносі тепла конвекцією:
, тоді
,
де ТТ - температура зовнішньої поверхні
трубопроводу;
Та - температура зовнішнього повітря.
Для пофарбованих масляною фарбою трубопроводів коефіцієнт
тепловіддачі при тепловому випромінені визначається формулою:
(60) за якою
.
При розрахунку тепловіддачі від повітря, що рухається в
трубопроводі, до внутрішньої поверхні трубопроводу використовується критеріальне
рівняння Nu = 0,018·Re0,8, де Re = критерій Рейнольдса.
З цього рівняння отримаємо формулу для визначення
коефіцієнта тепловіддачі:
, (61) звідки
,
де λ - коефіцієнт теплопровідності, Вт/ (м2·К);
Рш1, Рш2 - початковий і кінцевий тиск
повітря в шинах, Па;
μ - динамічна в’язкість, Н·с·м/кг.
Значення коефіцієнтів αн,
αв і κтр для шини великого розміру і часу зміни
тиску на 0,1 МПа за 120 - 390 с наведені в таблиці 1.
Таблиця 1
Коефіцієнти, що характеризують теплопередачу від
повітря, яке рухається в трубопроводі, до зовнішнього повітря
|
Рш1, МПа
|
Рш2, МПа
|
τн, с
|
αв, Вт/ (м2·К)
|
αн, Вт/ (м2·К)
|
κтр, Вт/ (м2·К)
|
|
0
|
0,1
|
120
|
75,4-77,5
|
10,4-8,4
|
9,2-8,8
|
|
0,2
|
0,3
|
156
|
58,0-61,0
|
12,8-10,4
|
10,6-9,0
|
|
0,4
|
0,5
|
198
|
48,5-50,2
|
12,3-10,7
|
9,8-8,8
|
|
0,6
|
0,7
|
264
|
38,8-40,4
|
11,9-10,2
|
9,1-8,2
|
|
0,8
|
0,9
|
390
|
28,5-29,5
|
11,9-10,2
|
8,4-7,6
|
Температура повітря в кінці трубопроводу
визначається за формулою:
, (62)
де Тк - температура повітря на виході з
компресора, тобто на початку трубопроводу, К;
с = 1012 Дж/ (кг·К) - питома тепломісткість повітря;
ρ = Рш/R0·Тш
- щільність повітря, кг/м3;= Gк/ρ
- швидкість повітря,
м/с;Т - довжина трубопроводу, м.
Температуру Тт·в розраховують для ближньої і
найбільш віддаленої від компресора шини.
Щільність повітря визначається за формулою:
, (63) тоді
кг/м3.
Швидкість повітря розраховуємо за такою формулою:
, (64) отже
м/с.
Тоді температура повітря в кінці трубопроводу:
К.
2.7
Визначення стійкості котка
Основною характеристикою стійкості котка є граничний
кут поперечного крана, при якому коток може стояти, не перекидаючись і не
зсковзуючись донизу.
Перекидання котка можливе навкруги осей О1О2
та ОО3 (рис.2.7). Осі О1О2 поєднують
бічні колеса передньої і задньої осі. Осі ОО3 поєднують шарніри
підвіски переднього і задніх мостів котка.
Рис. 2.7 Схема пневмоколісного самохідного котка
до розрахунку поперечної стійкості
Граничний статичний кут поперечного ухилу
визначають з відношення
, (65) звідки
де lП - плече стійкості;- висота центра тяжіння
котка.
Вісі перекидання О1О2 та ОО3
розташовуються відповідно на відстані h і hш від центра тяжіння.
Звичайно hшскладає не більше 0,5 h. Тому граничний кут перекидання
відповідно осі ОО3 істотно більше кута перекидання відповідно осі О1О2.
Плече стійкості виражається формулою
, (66) тоді
м.
Граничні кути поперечної стійкості котків складають 24 -
34є.
Статичний кут поперечного ухилу βφ, на якому можливе сковзання котка
визначається з виразу: tg βφ =
φ, де φ - коефіцієнт
зчеплення шин з матеріалом. tg βφ = 0,89.
3.
Гідравлічний розрахунок
3.1
Вибір гідромоторів пересування
Оскільки гідромотори встановлюються безпосередньо
на ведучих колесах та між гідромотором і колесами встановлюється тільки простий
редуктор, розраховуємо потужність гідромотора необхідну для транспортного та
робочого пересування.
При двох блоках ведучих коліс потужність приводу
одного блока буде рівна половині потужності приводу котка:
(67)
При транспортному пересуванні потужність гідромотора рівна
, (68) тоді
кВт,
де Ν2 - потужність, необхідна для транспортного
режиму
При робочому пересуванні
, (69) звідки
кВт.
Для приводу пересування вибираємо аксіально-поршневий
гідродвигун 210.20, у якого робочий об’єм V0 = 54,8 см3;
номінальний крутний момент М = 208 Н·м; потужність N = 36 кВт; номінальний тиск
Р = 25 МПа; номінальна частота обертання nн = 1500 об/хв.,
максимальна - nmax = 2240 об/хв.; ККД y = 0,85; маса
гідромотора - 28 кг.
Для визначення передаточного числа редуктора знайдемо
частоту обертання гідромотора, при якій він розвиває необхідну для подолання
максимального сумарного опору потужність. Враховуючи, що максимальний опір в
процесі роботи котка зустрічається рідко, то визначення частоти обертання
виконуємо при максимальному тиску в гідросистемі. Тоді
, (70)
де Рmax - максимальний тиск в системі, МПа;0
- робочий об’єм гідромотора, м3;
η - загальний ККД, η = 0,85;
η0 - об'ємний ККД, η0 = 0,96.
Н·м.
Частота обертання при цьому:
, (71)
де N - потрібна потужність, Вт;
ηр - ККД редуктора, ηр = 0,95.
об/хв.
Визначимо передаточне число редуктора за формулою
:
, (72)
де D - діаметр колеса, м;- частота обертання колеса,
об/хв.;- робоча швидкість котка, м/с;- час, t = 60 с.
.
Сила тяги на колесі:
, (73)
де UТР - передаточне відношення, UТР
= і;
ηтр - ККД трансмісії, ηтр =
ηр;
ηв - радіус колеса, м.
Н.
Визначимо максимальну швидкість котка за формулою при nmax:
, (74) тоді
м/с = 14,5 км/год.
При транспортному і робочому русі котка визначимо витрату
рідини гідромотором за формулою:
. (75)
При робочому русі котка:
см3/с = 1,71 л/с.
При транспортному русі котка:
см3/с = 2,13 л/с.
Для двох гідромоторів витрата рідини при робочих рухах
котка рівний 3,42 л/с; при транспортному пересування максимальна витрата рідини
складає 4,26 л/с.
3.1.1
Вибір гідронасосів
Для подавання робочої рідини до гідромоторів
пересування котка вибираємо об’ємний гідропривід ГСТ-90, що має насос змінного
подавання по величині та напрямку потоку, механічним перемиканням напрямку
потоку, гідравлічним регулюванням величини потоку.
Максимальний робочий об’єм насосу НП-90
гідроприводу V0 = 90 см3, номінальний тиск - 16 МПа,
максимальний - 25 МПа, коефіцієнт корисної дії насосу η = 0,95.
При робочих рухах котка насос повністю забезпечує
величину витрати рідини двома гідромоторами приводу пересування за формулою:
м3/с = 4,275 л/с. (76)
Тоді дійсна швидкість транспортного пересування:
хв. - 1;
м/с = 14,7 км/год.
4.
Розрахунки на міцність
4.1
Розрахунок зусиль в механізмі керування
При повороті ведучого блоку коліс котка між ним і
поверхнею ущільнюваного матеріалу виникають сили тертя, які повинні долатися
механізмом керування (рис.4.1). Сили тертя обумовлені різною швидкістю по
ширині коліс при повороті, що викликає їх проковзування.
Рис.4.1 Схема сил, діючих при повороті котка
Нехай Р1 - сила тяжіння котка, що
приходиться на ведучу вісь.
, тоді
кН,
де Gк - вага котка (див. підрозд.2.1.4).
При повороті відносно керованої осі виникає момент, що
заважає повороту:
, (77)
Тоді
кн.,
Момент на шворні, створюваний поворотним механізмом, Мпов
= Мтр = 18 кН·м.
Визначення параметрів рульового механізму і розрахунок його
деталей на міцність виконуються відповідно з обраним видом (ручне, гідравлічне)
і конструкцією. При ручному керуванні момент на штурвалі
Мшт = Мтр/
(u·η), (78)
де u - передаточне число механізму ручного керування;
η - ККД механізму ручного керування.
Зусилля на штурвалі
Ршт = Мшт/
(r·η), (79)
де r - радіус штурвала.
По нормам економічних показників, зусилля на штурвалі не
повинно перевищувати Ршт = 225 Н, тоді визначимо момент на штурвалі
та передаточне число механізму керування:
Мшт = Ршт
·r·η, (80) отже
Мшт = 0,225·0,6·0,95 = 0,128 кН·м, тоді
.
4.2
Розрахунок на міцність деталей підвіски
Цей розрахунок виконується по найбільшим
зусиллям, що виникають при наїзді коліс на перепону. Штовхаючи зусилля, що
передається на колеса від рами котка, приймають рівним зусиллю, яке
розвивається двигуном котка при русі на першій передачі, кН.
Зусилля на колесо при швидкості руху 1 м/с:
Н ≈ 33 кН. (81)
Реакція перепони на вісь колеса:
, (82)
де r1 - радіус колеса; hпр - висота
перепони; k - коефіцієнт динамічності, який вводиться для врахування динамічної
дії зусиль при наїзді на перепону.
Щоб визначити граничну висоту перепони, що долається котком
на робочій швидкості, з умови рівноваги колеса навкруги точки А знаходимо:
. (83)
Виразивши довжину плечей сил за допомогою кута φ отримаємо:
; (84)
де Т1 - зусилля на колеса з урахуванням
коефіцієнта динамічності, Н;1 - вага колеса разом з вагою котка, яка
приходиться на валець,
1 = Gк/4 = 147/4 = - 36,8 кН.
(85) Звідси
, (86) тоді
;

м;
м;
кН.
Шкворень підлягає сумісній дії стискання зі згином.
Небезпечним перерізом буде місце замурування шворня в раму, переріз І-І
(рис.33).
Рис. 4.2 Схема до розрахунку шкворня
Тут згинаючий момент дорівнює:
, (87)
де Т1 - зусилля на колесо з урахуванням
динамічності;шк - висота розташування небезпечного перерізу шворня
від поверхні пересування, hшк = 1,35 м;пр - висота
перепони, hпр = 0,221 м.
кН·м.
Крутний момент дорівнює:
Мкр = R·c, (88)
де с - відстань від лінії центра обертання шворня до
перепони:
Мкр = 122,3·0,6 = 73,4 кН·м.
Крутний момент передається на шкворень через важіль
керування вальцем. Сумарний момент, що діє в небезпечному перерізі шворня
знаходимо за формулою:
кН·м. (89)
З умови пружності по напруженням згину знаходимо момент
опору небезпечного перерізу шворня:
, (90)
де
- допустима напруження, що обирається
залежно від матеріалу шворня (для сталі 30ХН3А
= 550 - 700 МПа).
м3.
Діаметр шворня знаходимо за формулою:
, (91) тоді
м.
Приймаємо D = 140 мм.
Перевірка шворня на зріз силою Т1.
Умова міцності при зрізі:
, (92)
де Fср - площа перерізу шворня, м2;
; (93)
- допустима дотична напруження для сталі 30ХН3А,
= 320 - 400 МПа;
Па = 3,3 МПа ≤
.
Умова міцності виконується, отже діаметр і матеріал шворня
вибрані вірно. Вилка ведучого колеса підлягає згину. Небезпечним перерізом тут
буде переріз ІІ - ІІ. Згинаючий момент в цьому перерізі:
, (94)
де hв - висота небезпечного перерізу вилки.
кН·м.
Площа поперечного перерізу вилки і момент опору будемо
знаходити виходячи з того, що кінець шворня, який входить у вилку, не змінює
своїх розмірів і являє в перерізі квадрат зі стороною 0,13 м. Тоді момент опору
вилки буде дорівнювати:
. (95)
Знайшовши потрібний момент опору перерізу вилки, що
виготовлена із сталі 40, у якої
= 240 МПа за формулою:
м3. (96)
Підставивши відому величину в рівняння і прирівнявши його
знайденому значенню, отримаємо:
.
Прирівнявши рівняння в чисельнику нулю і розв’язавши його
відносно h, наближеним методом дотичних отримаємо чисельне значення h = 0,175
м.
Перевіряємо знайдений переріз із урахуванням напруження
стискання від ваги котка, що приходиться на вилку за формулою:
; (97)
де Fb - площа поперечного перерізу спрямовуючої
вилки котка.
кН; (98)
м2; (99)
МПа <
.
4.3
Розрахунок проушини кріплення гідроциліндра рульового керування до рами
Цей розрахунок слід вести виходячи з того, що при
наїзді на перепону краєм колеса крутний момент, створюваний при цьому
перепоною, урівноважується моментом на важелі шворня і сила, що урівноважує цей
момент, відриває проушини від рами.
Сила Р діє на плече важеля b = 0,28 м; Мкр
= 18 кН·м. Тоді F дорівнює:
кН. (100)
Визначимо діаметр пальця, зо вставляється в проушину через
площу зрізу для сталі 45, з якої виготовлений палець
= 150 МПа.
, (101) тоді
м2.
, (102) звідки
м.
Приймаємо d = 0,02 м.
Визначимо товщину проушини, що виготовляється із Ст.3 з
розрахунку проушини на зріз, прийнявши R = 0,03 м.
Тоді наближено можна прийняти довжину ділянки, що
зрізається:
, (103) звідки
;
, (104)
де S - товщина проушини, м;
[τ] - напруження зрізу для сталі 3, [τ] = 100 МПа.
м.
Приймаємо Ś΄= 0,01 м.
Визначимо розмір l проушини, привареної до рами
котка Т-подібним швом. Сила Р, розкладена на складові, не співпадає з центром
симетрії швів, тому в перерізах швів будуть мати місце напруження від зрізу,
розриву та згинаючого моменту рис. 4.3.
Рис. 4.3 Схема до розрахунку кріплення гідроциліндра
рульового керування
Напруження розриву для швів обох сторін буде дорівнювати:
. (105)
Напруження зрізу також для обох сторін:
. (106)
Напруження від згинаючого моменту:
, (107)
де k - катет звареного шву, м; k = 0,008 м.
При сумісній дії розривних зусиль, зусилля зрізу і
згинаючого моменту, сумарне напруження в швах
.
При ручному зварювані електродами з товстим шаром обмазки і
автоматичному зварюванні
= 110 МПа.
Розрахуємо точку з найбільшою сумарною напруженням, де
складаються напруження зрізу і розриву. Напруження від зношування в цій точці
взаємно знищується, оскільки чисельно вони рівні і спрямовані протилежно.
На основі формул:
, (108) звідки
, (109) тоді отримаємо
м.
4.5
Розрахунок гальм котка
При розрахунку гальм самохідних котків необхідно,
щоб значення гальмівного зусилля, яке може бути реалізоване, обмежувалось
умовою відсутності буксування коліс по покриттю.
Сили зчеплення ведучих коліс з покриттям:
, (110)
де φ - коефіцієнт зчеплення коліс з покриттям,
рівний 1,5.0,6;- відстань від осі направляючого колеса до центра тяжіння котка,
м;- база котка, м;- вага котка, Н;
α - кут підйому.
Гальмівне зусилля визначається за формулою:
. (111)
Граничне значення гальмівного зусилля:
РТ ≤ РЗЧ, (112) чи
, (113) звідки
; (114)
.
Тоді сила зчеплення ведучих коліс дорівнює:
кН.
Знайдемо гальмівне зусилля:
кН.
5.
Контроль якості ущільнення
5.1
Норми ущільнення ґрунтів
Ґрунти усіх видів, за винятком скельних із
гірських порід необхідно ущільнювати.
За якістю ущільнення земляного полотна слідкують
контрольні пости та польові лабораторії. Контрольні пости визначають щільність
ґрунтів в процесі зведення земляного полотна і ведуть спостереження за
пошаровим відсипанням ґрунту по всій ширині насипу, за оптимальної товщини
ущільнюваного шару, числом проходів машин по одному сліду, а також за вологістю
ґрунту. Польові лабораторії встановлюють раціональний режим роботи ущільнюючих
машин, визначають потрібну щільність ґрунту і контролюють зміни щільності
ґрунтів в земляному полотні.
Контрольні пости і польові лабораторії працюють під
загальним керівництвом центральної лабораторії. Центральна лабораторія, крім
методичного керівництва і контролю за діяльністю підвідомчих лабораторій та
постів, напередодні визначає оптимальну вологість і максимальну стандартну
щільність характерних ґрунтів в резервах чи кар’єрах, встановлює раціональний
режим роботи ущільнюючих машин, а також здійснює загальний контроль за
визначенням щільності ґрунту в земляному полотні.
Якість ущільнення визначають порівнянням
отриманих значень щільності скелету ґрунту з тими значеннями, які відповідають
потрібній щільності.
Ґрунти для нижніх та верхніх шарів основ і
покриттів повинні мати коефіцієнт ущільнення не менше 0,95. Мінімальні значення
коефіцієнта ущільнення d для насипів доріг
(табл.2).
Таблиця 2
|
Частина насипу
|
Глибина шару від поверхні покриття, м
|
Покриття вдосконалені капітального типу
|
Покриття вдосконалені полегшеного і
перехідного типу
|
|
|
північні райони
|
південні райони
|
північні райони
|
південні райони
|
|
|
коефіцієнт ущільнення
|
|
Верхня
|
До 1,5
|
1,00-0,98
|
0.98-0,95
|
0.98-0,95
|
0.95
|
|
Нижня не підтоплювана
|
1,5-6,0 Більше 6,0
|
0,95 0,98
|
0,95
|
0,95
|
0.95-0,90
|
|
Нижня підтоплювана
|
1,5-6,0 Більше 6,0
|
0,98-0,95 0,98
|
0,95 0,98
|
0,95
|
0,95
|
Якість ущільнення вважають відмінною, якщо 90%
зразків мають коефіцієнт ущільнення земляного полотна не нижче потрібних
значень, а 10% зразків показали відхилення в бік зниження не більше 0,02;
гарним, якщо у 90% зразків коефіцієнт ущільнення ґрунту не нижче необхідних, у
5% зразків відхилення в бік зниження не перевищує 0,02 і у 5% зразків
відхилення не перевищує 0,04. Ущільнення вважають задовільним, якщо у 90%
випробуваних зразків коефіцієнти ущільнення ґрунту не нижче потрібних, а у 10%
зразків відхилення в бік зниження не перевищує 0,04.
Кількість визначень щільності ґрунту назначають
залежно від ширини ущільнюваного шару, його товщини і висоти насипу. В шарах,
що мають ширину менше 20 м, виконують три виміри щільності на кожному
поперечнику - один по осі проїжджої частини і два на узбіччях на відстані 1,5 -
2 м від брівки.
Коефіцієнт ущільнення визначають як відношення
об'ємної маси проби ущільненого ґрунту до максимальної стандартної щільності
даного ґрунту:
d = р/рmах, (115)
де р - щільність ґрунту
рmах - максимальна стандартна
щільність ґрунту.
Причому максимальної стандартної щільності
можливо досягти при оптимальній вологості ґрунту. Оптимальну вологість досить
наближено можна визначити через межу текучості такою залежністю:
0 = KWT, (116)
де К = 0,70.0,75 для супісків; 0,55.0,60
для суглинків; 0,45.0,50 для глин.
WТ - вологість межі текучості
Таким чином, наведені в літературі границі
оптимальної вологості також є наближеними /орієнтовними/ - піски дрібні і
пиловидні - 8-13%; супіски легкі і важкі - 9-15%; суглинки легкі - 12-18%;
важкі і пылеватые суглинки - 14-20%; глини - 16-30%.
.2
Методи контролю щільності ґрунтів
5.2.1
Стандартний метод ущільнення
Метод стандартного ущільнення був запропонований
Проктором. Його суть полягає в тому, що ґрунт за різної вологості ущільнюється
пошаровим трамбуванням ударами гирі вагою 2,5 кг, що падає з висоти 30 см
рис.5.1 Спочатку при постійній вологості ущільнюють ґрунт зростаючим числом
ударів. При цьому визначають значення d у залежності від числа
ударів п. Починаючи з деякого значення п подальше збільшення
числа ударів призводить до порівняно невеличкої зміни щільності ґрунту, тобто
ущільнення стає малоефективним рис.5.2 Така кількість ударів називається ефективною.
Для піщаних і супіщаних ґрунтів ефективне число ударів 75, для суглинистих
- 120.
Рис. 5.1 Залежність ефективної кількості ударів
Рис. 5.2 Прилад стандартного ущільнення
Ґрунт ущільнюють ефективною кількістю ударів при
різноманітній вологості. На основі отриманих даних будують залежність
щільність-вологість рис. 5.3.
Рис. 5.3 Залежність щільності від вологості
Вологість, при якій спостерігається максимальна
щільність, називається оптимальною по ущільненню, а відповідна їй щільність
ґрунту максимальною стандартною щільністю.
Значення стандартної щільності dСТ можуть бути
визначені також розрахунком по формулі
(117)
де D - питома вага скелета ґрунту D = 2,66-2,74 г/см3;
Wo - оптимальна вологість у частках одиниці, Wo=0,6WТ
по наближеній формулі В.І. Біруля; y - вміст повітря в ґрунті при стандартній
щільності в частках одиниці; y = 8-10% для супісків, y = 4-5% для суглинків, y = 3-4% для важких суглинків, y = 4-6% для глин.
Рис. 5.4 Схема методу лунок
5.2.2
Метод лунок
На рівному ущільненому шарі викопують лунку
глибиною 3/4 товщини шару об'ємом 6-10 л (рис.5.4). Ґрунт із лунки зважують.
Над лункою встановлюють лійку Æ 25 см. Через горловину
насипають сухий пісок фракцією 0,5-2 мм (об'єм вимірюють з точністю до 5 см3).
Різниця загального об'єму піску та піску в лійці дає об'єм лунки. Відношення
маси лунки до його об'єму визначає об'ємну масу вологого ґрунту. Потім
висушують ґрунт та за відомими формулами визначають вологість та щільність
ґрунту.
Визначення вологоміром-щільноміром системи Ковальова
Прилад працює на принципі гідростатичного
зважування і складається з латунного поплавка з трубкою, латунної посудини,
відра-футляра та ріжучого кільця. На трубці поплавка нанесені чотири шкали
показників щільності ґрунтів. Шкала з позначкою ВЛ для визначення щільності
вологого ґрунту, шкала з позначками Ч, П, Г для визначення щільності сухого
ґрунту: відповідно чорнозему, піску та глинистих ґрунтів.
5.2.3
Метод динамічної пенетрації
Застосовується тільки як доповнення до основного
методу контролю, здійснюється шляхом добору проб і визначення по ним щільності
і вологості. При пенетрації щільність ґрунтів оцінюють по опору ґрунту,
зануренню в нього стрижня з конічним наконечником (кут загострення 30°). Опір ґрунту
від його виду, щільності і вологості і характеризується числом ударів вантажу,
необхідних для заглиблення стрижня на кожні 10 см.
Радіаційні методи контролю
Дозволяють в короткий час визначати щільність і
вологість ґрунту. Існують два методи радіаційного контролю:
·
гамаскопічний: заснований на поглинанні
гамма-випромінювання. Ґрунт, що знаходиться між джерелом і детектором
випромінювання, просвічують широким пучком гамма-квантів. Детектором
реєструється як пряме, так і розсіяне випромінювання.
·
метод розсіяного гамма-випромінювання: детектор і джерело
розділені свинцевим екраном, що поглинає пряме випромінювання, і реєструється
тільки розсіяне випромінювання. Величина зареєстрованого гамма-випромінювання
залежить від щільності матеріалу, активності джерела випромінювання, а також
від довжини бази між джерелом та детектором. Метод застосовують для визначення
щільності поверхневих прошарків ґрунту (до 15 см).
Нейтронний метод
Гаммащільномірами визначають щільність ґрунту і
його вологість заснованим на уповільненні швидких нейтронів, джерелами яких
служать полоній, плутоній чи радій + берилій.
ЕКОНОМІЧНИЙ РОЗРАХУНОК
Річний режим роботи вібраційного катка прийнятоТр
= 1500 год/рік.
Найбільш об’єктивним та універсальним показником
ефективності катка є приведені питомі витрати на одиницю виконаної роботи).
Враховуючи капітальні вкладення у вартість катка, експлуатаційні витрати
залежно від об’ємів робіт та технічних характеристик машини:
, (118)
де Sк - капітальні вкладення, грн.;Е
- експлуатаційні витрати, грн;З - заробітна плата машиніста, грн.;
П - продуктивність катка, м3/год;
Тр - річний режим роботи машини, год.
Капітальні вкладення розраховуються за наступною формулою:
, (119)
де А0 - амортизаційні відрахування прямим
методом, грн.;
Зрс - витрати на поточний ремонт та інструмент,
що швидко зношується, грн. /рік;
См - вартість машини, грн.;м -
кількість машин, шт.;
Рм - строк служби машини, років.
Приймаємо для усіх машин Рм = 10 років.
Тоді:
грн.
Експлуатаційні витрати визначаються залежністю:
, (120)
де
- витрати на паливо, грн.;
- витрати на моторне масло, грн.;
- витрати на трансмісійне масло, грн.;
- витрати на консистентну змазку, грн.;
- витрати на гідравлічну рідину, грн.
Визначимо витрати на паливо:
грн., (121)
де Спал - вартість палива, Спал =
4грн/л;пал - кількість палива, л/рік.
л/рік, (122)
де yпал - питомі витрати палива, кг·кВт/год;дв
- потужність двигуна, кВт;загр - коефіцієнт завантаження двигуна, kзагр=
0,5;
ρпал - густина палива, кг/л, ρпал
= 0,863 кг/л.
Визначимо витрати на моторне масло:
грн., (123)
де Смм - вартість моторного масла, Смм
= 10,6 грн/л.
Визначимо витрати на трансмісійне масло:
грн., (124)
де Стм - вартість трансмісійного масла, Стм
= 37,1 грн/л.
Визначимо витрати на консистентну змазку:
грн., (125)
де Скс - вартість консистентної змазки, Скс
= 26,5 грн/л.
Визначимо витрати на гідравлічну рідину:
грн., (126)
де Сгр - вартість гідравлічної рідини, Сгр
= 10,6 грн/л.
Витрати на заробітну плату машиніста визначаються
залежністю:
грн., (127)
де Сст - заробітна плата машиніста, Сст
= 1500 грн/міс;
Ем - екіпаж машини, Ем = 1 чол.
Для існуючої машини розрахунок проводиться аналогічно.
Вихідні дані для обох варіантів представлені у табл.6.1, результати розрахунків
- у табл.6.2.
Таблиця 6.1 Вихідні дані
|
Вихідні дані
|
Одиниця виміру
|
Нова машини
|
Існуюча машина
|
|
Строк служби
|
років
|
10
|
10
|
|
Екіпаж
|
чол.
|
1
|
1
|
|
Заробітна плата машиніста
|
грн.
|
1500
|
1500
|
|
Питома витрата палива
|
кг·кВт/год
|
0,21
|
0,24
|
|
Вартість дизельного палива
|
грн.
|
4
|
4
|
|
Вартість моторного масла
|
грн.
|
10,6
|
10,6
|
|
Вартість трансмісійного масла
|
грн.
|
37,1
|
37,1
|
|
Вартість консистентної змазки
|
грн.
|
26,5
|
26,5
|
|
Вартість гідравлічної рідини
|
грн.
|
10,6
|
10,6
|
|
Річний режим роботи
|
год/рік
|
1500
|
1500
|
Таблиця 6.2 Показники витрат за рік роботи
|
Показники
|
Одиниця виміру
|
Назва машини
|
Існуюча машина
|
|
Час роботи
|
год.
|
1500
|
1500
|
|
Кількість машин
|
шт.
|
1
|
1
|
|
Амортизаційні відрахування
|
грн. /рік
|
38800
|
39700
|
|
Витрати на поточний ремонт
|
грн. /рік
|
7760
|
7640
|
|
Кількість палива
|
л
|
8030
|
9180
|
|
Вартість палива
|
грн.
|
32120
|
36720
|
|
Вартість моторного масла
|
грн.
|
2724
|
3114
|
|
Вартість консистентної змазки
|
грн.
|
638
|
730
|
|
Вартість трансмісійного масла
|
грн.
|
1192
|
1362
|
|
Вартість гідравлічної рідини
|
грн.
|
3405
|
3892
|
|
|
|
|
|
Капітальні вкладення
|
грн.
|
46560
|
47640
|
|
Експлуатаційні витрати
|
грн.
|
40079
|
45818
|
|
Заробітна плата
|
грн.
|
18000
|
18000
|
|
Сумарні витрати
|
грн.
|
104639
|
111158
|
Визначаємо економічний ефект:
грн/рік (128)
Визначаємо наведені питомі витрати на одиницю виконаної
роботи:
грн/м3;
грн/м3.
Вартість ущільнення наведена в умовних одиницях. При цьому
за одиницю прийнята вартість ущільнення ґрунтів причіпними котками на
пневматичних шинах, які в даний час мають найбільше поширення. Прийнято, що
легкі кулачкові причіпні котки працюють в зчіпці з двох-трьох котків.
Продуктивність машин залежить від організації робіт, а також від виду ґрунту.
Цим пояснюється, що для деяких видів машин вона знаходиться в широких межах.
З таблиці видно, що найбільш продуктивними машинами є
котки. Їм же відповідає і найменша вартість. Це і є основною причиною їх
більшого поширення. До позитивних якостей цих машин слід віднести простоту
будови та догляду за ними в процесі експлуатації, а також високу надійність і
довговічність. Проте котками можуть ущільнюватись ґрунти порівняно невеликої
товщини, і їх робота рентабельна, а в багатьох випадках і можлива тільки при
наявності значного фронту робіт. Так, котки слід застосовувати при довжині
ділянок не більше 10 - 12 м. Це обмежує, а іноді і виключає можливість
застосування котків. Самохідні котки на пневматичних шинах рентабельні при
ущільненні ґрунтових основ та конструктивних шарів дорожніх одягів, що
влаштовуються з ґрунтів, укріпленими органічними та неорганічними в’язкими
матеріалами.
Слід відмітити, що у всіх відношеннях універсальними є
котки на пневматичних шинах. Решітчаті котки повинні застосовуватись головним
чином при ущільненні ґрунтів, що включає крупні частки. Ці котки дуже рентабельні
в зимовий час, коли ґрунт включає мерзлі грудки. Останні успішно дробляться при
укочуванні, що покращує якість земляного полотна. Кулачкові котки слід
застосовувати тільки при ущільненні зв’язних ґрунтів і наявності великого
фронту робіт.
Трамбуючи машини здатні ущільнювати ґрунти шарами великих
товщин. Вони придатні для ущільнення як зв’язних, так і незв’язних ґрунтів.
Проте їх робота коштує дорожче, ніж робота котків. Це особливо стосується до
трамбуючихплит на екскаваторах. Плити повинні застосовуватися тільки у
виключних випадках, коли через велику товщину ущільнюваного шару інші механізми
виявляються непридатними. Трамбуючи машини типу Д 471 при умові вдосконалення
їх конструкції можуть стати масовою машиною, застосовуваною при виконанні лінійних
робіт.
При ущільненні незв’язних ґрунтів, в тому числі гравелистих
та маючих крупні включення, широке застосування знайшли вібраційні котки. Їх
техніко-економічні показники близькі до показників інших котків. Слід
відмітити, що мають місце такі види робіт та ґрунтів, на яких застосування
невібраційних котків є досить ускладненим, а вібраційні котки в цих умовах
успішно працюють. До таких видів робіт відносяться насипи, що створюються з
сухих мілко зернистих і особливо одномірних пісків, з крупноуламкових порід і
т.п. Природно, що вібраційні котки особливо рентабельні саме на таких роботах.
Вібраційні плити рентабельні при невеликих об’ємах робіт з
порівняно невеликим їх фронтом. Прикладом таких робіт можуть слугувати зворотні
засипання траншей. Ці машини виявляються рентабельними при пошаровому
ущільненні ґрунту цих траншей. Вони можуть працювати на незв’язних ґрунтах.
Важкі моделі цих машин застосовуються і на лінійних роботах, тобто при
ущільненні ґрунтів насипів.
Наведений короткий огляд показує, що всі види машин
знаходять своє застосування в практиці будівництва, при цьому є ряд видів
робіт, яким відповідає певний економічно вигідний і технічно доцільний вид
машини. Тому неправомірним є питання скорочення вже встановленої номенклатури
машин і як крайність цього - заміна всіх машин яким-небудь одним їх видом.
7.
Техніка безпеки та охорона праці
7.1
Загальні відомості експлуатації котка
При одночасній роботі двох чи кількох самохідних
машин, що йдуть одна за одною, необхідно дотримуватись між ними дистанції,
величина якої залежить від швидкості руху останніх. Наприклад, при швидкості
руху 50 м/хв. і вище дистанція складає не менше 20 м. При менших швидкостях
(наприклад, у котків) ця величина, при необхідності, може бути зменшена до 10
м.
На свіжевідсипаних насипах відстань від краю
гусениці чи колеса (для ущільнюючих механізмів) до краю насипу не повинно бути
менше 1 м. Інакше можливе сковзання насипу і перекидання машини під схил.
Високий насип слід відсипати по краям трохи більше, ніж по осі. Це попередить
сповзання машини чи агрегату вниз по схилу насипу в процесі пошарового його
відсипання.
При роботі машин з ходовою частиною у вигляді
здвоєних пневмошин забороняється знаходитись ззаду ведучих коліс машини,
оскільки при їх обертанні можливе викидання каміння, грудок, ґрунту та інших
твердих предметів, які попадуть між здвоєних пневмошин. Тому, при кожній
зупинці машини необхідно переглядати шини і видаляти застряглі предмети.
Робота машин з тиском в шинах меншим, ніж
встановлено заводом, а також з пошкодженими покришками не допускається.
При роботі в нічний час самохідні і причіпні
агрегати обладнуються освітленням, що забезпечують можливість нормальної роботи
та її безпечне переміщення.
7.2
Аналіз умов праці оператора
Умови праці оператора машини аналізують на
початковій стадії проектування. При цьому виявляють рівні потенціальних
шкідливих дій і небезпек. В ході аналізу розглядають такі шкідливі чинники:
відхилення параметрів мікроклімату від норми; проникнення на робоче місце пилу
і вихлопних газів двигуна, підвищений шум і вібрацію. Оцінюють достатність
освітлення і обзорність робочої площадки з кабіни, витрати мускульної енергії
оператора. Дають кількісну оцінку вірогідних значень шкідливих дій. На підставі
цього ухвалюють рішення про те, якими системами, поліпшуючими умови праці,
необхідно вкомплектувати машину. Результати аналізу потенційних шкідливих дій і
рішення, що приймаються, рекомендується оформляти у вигляді таблиці.
Характеризуючи умови використання машини,
встановлюють можливу кліматичну зону її експлуатації. При цьому слід мати на
увазі, що вітчизняною промисловістю випускаються машини трьох кліматичних
виконань:
. Звичайного виконання, призначені для роботи в
районах з помірним кліматом, де температура навколишнього повітря змінюється
від - 40°С взимку до 30°С влітку, а відносна вологість повітря становить
60.95%.
. Північного виконання, придатні для суворих
кліматичних умов з можливою негативною температурою повітря 1 до - 60°С
. Тропічного і тропічного вологого виконання,
призначені для
роботи в умовах високих температур довкілля
(більше 35°С) і 100% -ной вологості повітря.
Для украй суворих умов з мінімальною температурою
повітря нижче
°С створюють спеціальні машини.
Залежно від передбачуваної кліматичної зони
експлуатації призначають такі способи забезпечення заданого мікроклімату в
кабіні, як опалювання, вентиляцію, кондиціонування повітря. Передбачають заходи
по поліпшенню умов запуску двигуна.
Робота операторів машин для земляних робіт
характеризується підвищеною витратою мускульної енергії. При виконанні робочих
процесів мускульна енергія витрачається на переміщення важелів і педалей.
Управляючи екскаватором, оператор проводить 2000.6800 включень механізмів
протягом 1 год. Це відповідає витраті енергії за 1с більше 290 Вт. Умови роботи
на екскаваторі через необхідність постійної концентрації уваги відносять до
категорії важких. Таким чином, при оцінці мікроклімату в кабіні управління
машиною слід враховувати виділення людиною теплоти у вказаній кількості.
Проектовані машини можуть розробляти сильно
пильні ґрунти і матеріали, що володіють підвищеною токсичністю, неприємними
запахами, при своїй взаємодії з оброблюваним середовищем створюють головним
чином підвищену запиленість атмосферного повітря. У середніх умовах при
розробці суглинних і супіщаних ґрунтів на відкритих майданчиках зміст пилу в
повітрі біля працюючої землерийної машини складає 40.50 мг/м3.
Правильно відрегульований і справний двигун
внутрішнього згорання зазвичай дає зміст оксиду вуглецю СО у вихлопних газах не
більше 0,2 %. Тому при роботі на відкритих майданчиках зважаючи на природне їх
провітрювання рівень концентрації СО і інших речовин в повітрі не перевищує
ПДК. Проте робота машини в глибоких вузьких котлованах, в довгих тунелях, в
приміщеннях випробувальних станцій може привести до надмірного скупчення в
повітрі токсичних речовин. Зважаючи на це при проектуванні машини спеціального
призначення слід обумовити умови, що забезпечують вентилювання закритих робочих
майданчиків.
Ступінь освітленості робочих майданчиків в темний
час доби залежить від наявності освітлювальних приладів на самій машині і від
спільного (прожекторного) освітлення території, в межах якої переміщається
машина. Установка на тягачах землерийно-транспортних машин робочого
устаткування зазвичай погіршує освітлення простору перед машиною. Тому
необхідно з'ясувати ефективність використання фар серійних базових тягачів і,
якщо це потрібно, встановити додаткові джерела світла або змінити
місцезнаходження наявних джерел добитися якнайкращого освітлення робочої зони.
Оптичні осі фар направляють так, щоб на відстані 10 м попереду машини
освітленість дороги була не менше 0,5 лк. В разі проектування машин на
спеціальних шасі розташування точок установки освітлювальних приладів
обґрунтовується і призначається проектантом. На всіх самохідних машинах
освітлювальні прилади повинні відповідати вимогам ДАІ, а на тих, що
переміщаються з швидкістю понад 20 км/ч - забезпечувати максимальну безпечність
руху.
Обзорність робочого майданчика з кабіни оператора
машини визначається конструкцією самої кабіни, місцем розташування останньої
щодо робочих органів і елементів конструкції тягача. Хороша обзорность не
викликає додаткових рухів оператора, забезпечує зручність пози. Це знижує
стомлюваність, підвищує ступінь безпеки праці і продуктивність. Якщо установка
робочих органів на тягачах, що випускаються серійно, веде до скорочення площі
видимої частки робочої зони, зменшує коефіцієнт оглядовості, то насамперед слід
розглянути можливості змінити конструкцію устаткування і розташувати його без
збитку для експлуатаційних властивостей машини. Проектуючи машину на
спеціальному шасі, місце розташування кабіни встановлюють з умови забезпечення
якнайкращої оглядовості. Конструкції кабіни і її елементів повинні відповідати
цій же вимозі. Зазвичай коефіцієнт оглядовості в екскаваторів - 0,9.
Шум і вібрація з несприятливими параметрами украй
негативно впливають на самопочуття людини. Основним джерелом шуму є дизельні
двигуни. Якщо відсутні глушники і двері кабіни відкриті, рівень інтенсивності
звуку в ній досягає 105.115 дБ. У зв'язку з цим необхідно встановлювати на
двигунах глушники і передбачити звукоізоляцію кабіни.
Зазвичай спостережувані коливання (вібрація), що
з'являються на робочому місці оператора, збуджуються в основному двома групами
джерел. Високочастотні коливання (f>10 Гц) виникають унаслідок нерівномірної
роботи двигуна, карданних передач, гусеничного ланцюга ходового устаткування.
Віброізолятори і правильно спроектовані системи підвіски двигуна обмежують
віброшвидкість високочастотних коливанні в межах норми.
Низькочастотні коливання, що впливають на
оператора з'являються із-за нерівностей поверхні руху, гальмувань і розгонів
машини, в результаті прикладання до робочих органів змінних в часі навантажень.
У вказаних випадках прискорення на робочому місці досягають 75% (інколи і
більше) прискорення вільного падіння. Санітарними
нормами допускаються значно нижчі рівні прискорень. Тому слід передбачати
заходи захисту оператора від коливань і струсів.
Окрім шкідливих чинників, що розглядались, в ході
виконання робочих операцій, при транспортуванні машини, в процесі її технічного
обслуговування і ремонту виникають небезпеки, які можуть привести до нещасного
випадку. Щоб забезпечити максимальну безпеку експлуатації проектованої машини,
аналізують можливі небезпеки і наслідки їх виникнення. Результати
рекомендується оформляти у вигляді таблиці.
Відмови в роботі гідроприводів, фрикційних муфт,
гальм, канатних систем, що ведуть до аварій, спостерігаються при обриві шланг,
канатів, руйнуванні кронштейнів кріплення циліндрів і унаслідок значного зносу
деталей муфт і гальм, а також в результаті дії надмірних динамічних
навантажень. У названих випадках може статися падіння робочого устаткування.
Інколи виникає неможливість гальмування машини або її агрегатів. Перераховане
може привести до аварій і до травмування осіб, обслуговуючих машину.
Наслідки аварій залежать від функції зруйнованого
елементу і від типу машини. Так, обрив шланга гідросистеми бульдозера з тиском
до 10 МПа у гіршому разі веде до стопоріння машини. В той же час обрив шланга
гідропривода управління робочими органами навантажувача або екскаватора може
викликати тяжчі наслідки - падіння вантажу або робочого устаткування на
транспортний засіб, розліт шматків перевантаженого матеріалу; через це не
виключено травмування людей. Відмови в роботі рульового управління, гальм,
втрата машиною стійкості, обвалення ґрунтового укосу або козирка завжди украй
небезпечні.
На підставі аналізу приймаються вирішення про
установку приладів і пристроїв безпеки, а також вносяться відповідні
рекомендації.
7.3
Аналіз шкідливих і небезпечних виробничих факторів
В нашій країні справою особливої важливості
являється створення здорових і безпечних умов праці. Тому дуже велику роль в
поліпшенні цих умов, зокрема у будівництві, відіграє ефективне використання
техніки, застосування сучасних методів ведення будівельно-монтажних робіт, які
потребують глибокого інженерного підходу до рішення задач по забезпеченню
безпеки праці людей на будівельних майданчиках.
Робота механізмів машин, на жаль, досить
небезпечно впливає на людину, тому що часто супроводжується вібрацією і шумом.
Функціональні порушення, пов’язані з дією
вібрації та шуму на машиніста, полягають в погіршенні зору, збільшеній
втомлюваності, зміні реакції вестибулярного апарату, головний біль та
запаморочення.
Для зменшення впливу вібрації, яка
передаватиметься на базову машину, а значить і на водія, передбачається
встановлення віброізоляційних амортизаторів. Віброізоляція також встановлюється
в місцях кріплення провушин обладнання до рами. Пропонується встановлення
віброізоляційних листів нової форми, що покращить гасіння вібрації за рахунок
зменшення площі контактуючих поверхонь.
Успішне вирішення проблеми віброзахисту і
зниження шуму можливе тільки на основі комплексного всебічного підходу до цього
питання.
Аналіз шкідливих і небезпечних виробничих
факторів, які пов’язані з певними станами об’єкту, наприклад, експлуатація,
виготовлення, ремонт, зведемо в таблицю.
Таблиця 7.1 Аналіз шкідливих і небезпечних
виробничих факторів
|
№ п/п
|
Фактор
|
Джерело
|
Кількісна оцінка
|
Норматив
|
|
1.
|
Вплив вібрації
|
Коливання
|
f= 20Гц, А=5·10-3м
|
СТ СЕВ 1932-79 СТ СЕВ 2602-80
|
|
2.
|
Вплив шуму
|
Робота машини
|
80 Дб
|
ГОСТ 12.1.018-76
|
|
3.
|
Недостатня освітленість
|
Слабкість природного чи штучного
освітлення
|
2 Лк
|
СНіП П4-79
|
|
4.
|
Опромінювання зварювальною дугою
|
Зварювальна дуга при виконанні
зварювальних робіт
|
|
ГОСТ12.2.03-75 ГОСТ17779-72
ГОСТ12.02.010-75
|
|
5.
|
Враження електрострумом
|
При електрозварювальних роботах
|
36 В
|
ГОСТ12.1.013-78
|
|
6.
|
Опіки від розбризкування гарячого металу
|
Газо - або електрозварювання корпусу
|
|
СНіП ІІІ-4-80
|
|
7.
|
Отруєння шкідливими газами
|
Газо-, електрозварювання
|
|
СНіП ІІІ-4-80
|
|
8.
|
Пожежна небезпечність
|
Базова машина є потенційним джерелом
пожежі
|
|
СНіП ІІІ-4-80
|
7.4
Розрахунок віброізоляції
В інженерній практиці часто приходиться
розробляти заходи по зменшенню вібрації на шляхах її розповсюдження від джерела
вібрації. Послаблення шкідливих вібрацій можливе: віброізоляцією. Застосуванням
віброгасячих основ, динамічних гасників вібрації та вібропоглинанням.
Ефективним способом “боротьби" з вібрацією ж віброізоляція разом із
віброгасячими основами. Показником ефективності пасивної віброізоляції є
коефіцієнт передачі μ, який показує, яка
частка динамічної сили, яка збуджується машиною, передається через амортизатори
на основу. Тож спробуємо розрахувати віброізоляцію машини, яка діє на ґрунт, що
ущільнюється, з частотою від 20 до 50 Гц. Відповідно, з такою ж самою частотою
ці коливання передаються на базовий трактор і на водія. Тому без застосування
віброізолюючий амортизаторів не можна обійтись. На даній машині застосована
віброізоляція: в місцях кріплення балок механізму підйому робочого обладнання
до провушин, між пальцем і провушиною, в місці кріплення нижньої балки
механізму підйому до робочого обладнання, між пальцем та балкою. В середині
робочого обладнання, між рамою та провушинами встановлені три квадратні гумові
листи спеціального профілю для поліпшення віброізоляції. Припустима
середньоквадратична швидкість робочого місця Vд = 0,0015 м/с для частоти
коливань f = 20 Гц. Швидкість робочого обладнання після удару за розрахунком
пл = 0,528 м/с
Визначимо коефіцієнт передачі для створення на
віброізольованій плиті задовільних вібраційних умов
μ =
м/с, (129)
де Vд - допустима середньоквадратична
швидкість, м/с;- швидкість робочого обладнання після удару, м/с
μ =
(130)
= 30 Гц
Визначаємо необхідну власну частоту рами робочого
обладнання і базової машини
= 6,98 Гц (131)
За СТ СЕВ 2602-80 для власної частоти 6,98 Гц
максимальна амплітуда коливань рами базової машини 6,25· 10-4
м.
Визначаємо динамічну жорсткість амортизаторів у
вертикальному напрямку
, (132)
де m = 3811,5 кг - маса робочого обладнання;
ω =
2π·f - колова частота коливань, с-1
Н/м (133)
Знаходимо фактор форми амортизатора
=0,5.0,8 (134)
де Sн - навантажена площа
амортизатора, м2;в - вільна площа амортизатора, м2;-
діаметр циліндричного амортизатора, м;- товщина гумового шару, м
Статична жорсткість амортизаторів
, (135)
де α - коефіцієнт, α = 1,3;
Н/м
Амортизатор на направляючій та сума чотирьох
амортизаторів - два в провушинах зверху і два у нижніх балках механізму
підйому, - працюють послідовно при гасінні коливань.
Зробимо так, що жорсткість перших дорівнює С1,
а інших - С2/1,5,тоді
(136)
Н/м (137)
Н/м
Розраховуємо основні розміри амортизатора на
направляючій: знайдемо спочатку деформацію амортизатора під впливом ваги машини
, (138)
де m = 3811,5 кг - маса робочого обладнання;=
9,81 м/с2 - прискорення вільного падіння;
С2 = 3566958 Н/м - жорсткість
амортизаторів у провушинах і балках.
= 0,01048 м
Визначимо мінімальну висоту амортизатора
(139)
м = 0,07 м
Площа поперечного перерізу амортизатора
, (140)
де h = 0,07 м - мінімальна товщина амортизатора;=
5·105 Па - твердість гуми;
Ф = 0,8 - фактор форми амортизатора
м2
Амортизатор має форму квадрата, тому сторона буде
дорівнювати
(141)
м
Приймаємо розміри амортизатора: 1100х1100, висота
одного амортизатора 0,05 м.
Рисунок 7.1 Схема розмірів розрахованого
амортизатора.
Визначимо розміри амортизаторів у провушинах: С1
= 5508848 Н/м
На один амортизатор виходить
С = С1/4 (142)
С =
Н/м
Деформація одного амортизатора під дією сили ваги
, (143)
де n = 4 - кількість амортизаторів
м
Мінімальна висота амортизатора
(144)
м
Рис. 7.2 Схема амортизатора в провушині.
Ширину гумового циліндру приймаємо: b = 45 мм
Таким чином, на основі зроблених розрахунків,
можна зробити висновок, що:
впровадження розрахованих гумових амортизаторів
(на каучуковій гумовій основі №3311 з твердістю 5· 105 Па за
ГОСТ263-75) забезпечить необхідну межу частоти, амплітуди та віброшвидкості.
Для ефективної віброізоляції в межах частот
близько 20 Гц власна частота коливань пасивної системи повинна бути близько 1
Гц, статичне переміщення сидіння водія досягає 25 мм. Для забезпечення
додаткової віброізоляції я пропоную встановити на базову машину віброізоляційне
сидіння з дисипативним амортизатором.
7.5
Протипожежні заходи
При роботі машин пожежі у більшості випадків
виникають через перевантаження електродвигунів, електропроводів і електромереж,
в результаті чого дроти нагріваються вище допустимих норм чи іскрять. Машини чи
приміщення, в яких знаходяться електричні пристрої, забезпечують
вуглекислотними вогнегасниками, у яких вогнегасна речовина не є
електропровідною. Крім того, в приміщеннях, де розташовані машини, необхідно
мати протипожежне водопостачання.
При виникненні пожежі слід негайно повідомити в
пожежну охорону. Якщо передбачена електрична пожежна сигналізація, необхідно
нею скористатися. До прибуття пожежної охорони тушити пожежу слід первинними
засобами. Перш за все треба закрими вікна і двері в приміщеннях, оскільки при
протягах посилюється надходження свіжого повітря і вогнище пожежі поширюється.
Одночасно з гасінням пожежі надають допомогу
людям для виходу назовні. Пересуватися в запиленому приміщенні слід вздовж
стіни і зігнувшись, оскільки знизу вздовж стіни і зігнувшись, оскільки знизу
диму менше. Для полегшення дихання рот і ніс прикривають хусткою, що змочена
водою. Одежу, що загорілася, на людині необхідно тушити, накриваючи її одежею
чи тканиною, яка збиває полум’я і перекриває доступ повітря.
Виникає полум’я гасять засобами пожежотушіння з
врахуванням властивостей палаючих матеріалів.
При горіння електропроводів чи електроустаткувань
перш за все їх слід знеструмити і тушити вуглекислотним вогнегасником чи
піском. Електропроводку можна гасити водою лише при умові, якщо вода подається
не компактним струменем, а бризками. В цьому випадку людина не опиняється під
напругою струму.
Гарячі стіни поливають водою зверху, щоб стікаюча
вода охолоджувала всю поверхню стіни.
Керівник гасіння пожежі спочатку організую
розвідку вогнищ пожежі, шляхи евакуації людей і матеріальних цінностей, шляхи
поширення вогню. В залежності від отриманих свідчень приймають рішення по
прокламуванню рукавних ліній від найближчих джерел води, вибору по u її стволів
і застосуванню інших видів пожежної техніки.
Щоб попередити враження електричним струмом при
гасінні електроустаткувань, людям, що працюють зі стволами, слід надівати на
рукавиці електротехнічні рукавиці з латунної сітки. Останні поєднують проводом,
який проходить під спецодягом, з підошвами з лутуні і міді.
7.6
Основи організації і проведення рятувальних і інших невідкладних робіт на
зараженій місцевості
Сутність рятувальних та інших невідкладних робіт
- це усунення безпосередньої загрози життю та здоров'ю людей, відновлення
життєзабезпечення населення, запобігання або значне зменшення матеріальних
збитків. Рятувальні та інші невідкладні роботи включають також усунення
пошкоджень, які заважають проведенню рятувальних робіт, створення умов для
наступного проведення відновлювальних робіт. РІНР поділяють на рятувальні
роботи і невідкладні роботи.
До рятувальних робіт відносяться:
·
розвідка маршруту руху сил, визначення обсягу та ступеня
руйнувань,
розмірів зон зараження, швидкості і напрямку
розповсюдження зараженої хмари чи пожежі;
·
локалізація та гасіння пожеж на маршруті руху сил та ділянках
робіт;
·
визначення об'єктів і населених пунктів, яким безпосередньо
загрожує небезпека;
·
визначення потрібного угрупування сил і засобів запобігання і
локалізації небезпеки;
·
пошук уражених та звільнення їх з-під завалів, пошкоджених та
палаючих будинків, із загазованих та задимлених приміщень;
·
розкриття завалених захисних споруд та рятування з них людей;
·
надання потерпілим першої допомоги та евакуація їх (при
необхідності) у лікувальних закладах;
·
вивіз або вивід населення із небезпечних місць у безпечні райони;
·
організація комендантської служби, охорона матеріальних цінностей
і громадського порядку;
·
відновлення життєздатності населених пунктів і об'єктів;
·
пошук, розпізнавання і поховання загиблих;.
·
санітарна обробка уражених;
·
знезараження одягу, взуття, засобів індивідуального захисту,
територій, споруд, а також техніки;
·
соціально-психологічна реабілітація населення.
До невідкладних робіт відкосяться:
·
прокладання колонних шляхів та улаштування проїздів (проходів) у
завалах та на зараженій території;
·
локалізація аварій на водопровідних, енергетичних, газових і технологічних
мережах;
·
ремонт та тимчасове відновлення роботи комунально-енергетичних
систем і мереж зв'язку для забезпечення рятувальних робіт;
·
зміцнення або руйнування конструкцій, які загрожують обвалом і
безпечному веденню робіт.
Рятувальні та інші невідкладні роботи
здійснюються утри етапи.
На першому етапі вирішуються завдання:
·
щодо екстреного захисту населення;
·
запобігання розвитку чи зменшення впливу наслідків;
·
з підготовки до виконання РІНР.
Основними заходами щодо екстреного захисту
населення є:
·
оповіщення про небезпеку;
·
використання засобів захисту;
·
додержання режимів поведінки;
·
евакуація з небезпечних у безпечні райони;
·
здійснення санітарно-гігієнічної, протиепідемічної профілактики і
надання медичної допомоги;
·
локалізація аварій;
·
зупинка чи зміна технологічного процесу виробництва;
·
попередження (запобігання) і гасіння пожеж.
На другому етапі проводяться:
·
пошук потерпілих;
·
витягання потерпілих з-під завалів, з палаючих будинків,
пошкоджених транспортних засобів;
·
евакуація людей із-зони лиха, аварії, осередку ураження;
·
надання медичної допомоги;
·
санітарна обробка людей;
·
знезараження одягу, майна, техніки, території;
·
проведення інших невідкладних робіт, що сприяють і забезпечують
здійснення рятувальних робіт.
На третьому етапі вирішуються завдання щодо
забезпечення життєдіяльності населення у районах, які потерпіли від
наслідків НС:
·
відновлення чи будівництво житла;
·
відновлення енерго-, тепло-, водо-, газопостачання, ліній зв'язку;
·
організація медичного обслуговування;
·
забезпечення продовольством і предметами першої необхідності;
·
знезараження харчів, води, фуражу, техніки, майна, території;
·
соціально-психологічна реабілітація; відшкодування збитків;
·
знезараження майна, території, техніки.
Відновлювальні роботи здійснюють спеціально
створені підрозділи (бригади). Залежно від рівня надзвичайної ситуації
(загальнодержавного, регіонального, місцевого чи об'єктового) для проведення
РІНР залучаються сили і засоби ЦЗ центрального, регіонального або об'єктового
підпорядкування.
Література
1. Абрамов Л.Т., и др. Исследование распределения деформации в
грунтах под штампом. - Основания, фундаменты, механика грунтов, 1973, № 1, с.37
- 39.
. Алексеева Т.В., и др. Машины для земляных работ, теория и
расчет. - М.: Машиностроение, 1964, 467 с.
. Антипова Л.А. Исследование колесных схем катков на
пневматических шинах. - М.: Автореферат диссертации канд. техн. наук, 1968. -
26 с.
. Бабков В.Ф., и др. Проходимость колесных машин по грунту. - М.:
Автотрансиздат, 1959. - 188 с.
. Моделирование процессов взаимодействия со средой рабочих органов
дорожно-строительных машин. - М.: Высшая школа, 1981. - 335 с.
. Закин Я.Х., Донской В.М. Анализ маневренности строительных
машин. - Механизация строительства, 1968, № 3, с.4 - 8.
. Зеленин А.Н. и др. Машины для земляных работ. - М.:
Машиностроение, 1975. - 422 с.
. Казарновский В.Д. Учет сопротивляемости грунтов сдвигу при
проектировании дорожной конструкции. - М.: Автортансиздат, 1962. - 36 с.
. Калужский Я.А., Батраков О.Т. Уплотнение земляного полотна и
дорожных одежд. - М.: Транспорт, 1971. - 160 с.
. Каюмов А.Д. Исследование оптимальных условий связных грунтов при
сооружении насыпей автомобильных дорог. - М.: Автореферат диссерт. канд. техн.
наук, МАДИИ, 1978. - 15 с.
. Путк.А.И. Пневмоколесные катки. - Таллин: Валгус, 1985. - 144 с.
. Путк А.И., Сюрье П.Л. Расчет вертикальных нормальных напряжений
в грунтовом основании в условиях пространственной задачи. - Тр. Таллинского
политехн. ин-та, 1981. № 508, с.17 - 27.
. Смоленцева В.А. Исследование влияния основных параметров рабочих
органов катков - пневматических шин - на эффективность процессов уплотнения
дорожно-строительных материалов. - М.: Автореферат диссерт. канд. техн. наук,
1974. - 27 с.
. Ульянов Н.А. Основы теории и расчета колесного движителя
землеройных машин. - М.: Машгиз, 1962. - 205 с.
. Флорин В.А. Основы механики грунтов. - М. - Л.: Госстройиздат,
1959. - 357 с.
. Хархута Н.Я. Машины для уплотнения грунтов. - М. - Л.: Машгиз,
1953. - 164 с.
. Хархута Н.Я., Васильев Ю.М. Прочность, устойчивость и уплотнение
грунтов земляного полотна автомобильных дорог. - М.: Транспорт, 1975. - 283 с.
. Хархута Н.Я., Васильев Ю.М. Устойчивость и уплотнение грунтов
дорожных насыпей. - М.: Автотрансиздат, 1964. - 216 с.
. Цытович Н.А. Механика грунтов. - М.: Высшая школа, 1973. - 280
с.
. Черкасов И.И. Механические свойства грунтовых оснований. - М.:
Автотрансиздат, 1958. - 156 с.