Кран консольний

  • Вид работы:
    Курсовая работа (т)
  • Предмет:
    Другое
  • Язык:
    Украинский
    ,
    Формат файла:
    MS Word
    99,41 Кб
  • Опубликовано:
    2013-12-12
Вы можете узнать стоимость помощи в написании студенческой работы.
Помощь в написании работы, которую точно примут!

Кран консольний













РОЗРАХУНКОВО-ПОЯСНЮВАЛЬНА ЗАПИСКА

до курсового проекту з дисципліни

"Основи теорії та розрахунок засобів механізації переміщення вантажів"

Кран консольний











Зміст

Вступ

. Розрахунок механізму підйому

.1 Вибір кінематичної схеми

.2 Вибір поліспаста, каната

.3 Розрахунок діаметра барабана і блоків

.5 Перевірка електродвигуна за тривалістю часу пуску

.6 Перевірка електродвигуна на нагрівання за еквівалентним навантаженням

.7 Перевірка двигуна за пусковим моментом

.8 Розрахунок гальмівного моменту та вибір гальма

. Розрахунок деталей механізму підйому

.1 Визначення геометричних розмірів барабана

.2 Визначення товщини стінки барабана

. Розрахунок механізму повороту

.1 Вибір кінематичної схеми

.2 Побудова розрахункової схеми крана

.3 Визначення моменту опору повороту крана

.4 Розрахунок потужності двигуна і вибір редуктора

.5 Перевірка електродвигуна за тривалістю часу пуску

.6 Перевірка двигуна на нагрівання

.7 Перевірка двигуна за моментом

.8 Визначення гальмівного моменту та вибір гальма

. Розрахунки деталей механізму повороту

.1 Визначення передавальних чисел відкритих зубчастих передач

.2 Визначення основних параметрів відкритої конічної передачі

.3 Визначення основних параметрів відкритої циліндричної передачі

Висновок

Література

Вступ


Вантажопідйомні машини призначені для підйому, переміщення по горизонталі й утримання в заданому положенні будівельних конструкцій, виробів і вантажів. Піднімання перерахованих матеріалів на деяку висоту супроводжує більшу частину будівельних робіт. При монтажі обладнання промислових будівель і електростанцій об’єкт установлення спочатку закріплюють для транспортування, потім підіймають, переносять на фундамент та утримують до повного закріплення тощо.

Вантажопідйомні машини застосовують також для виконання складських робіт, у цехах діючих промислових підприємств, на заводах по виготовленню залізобетонних і будівельних виробів, на підприємствах по випуску санітарно-технічних виробів, для навантажувально-розвантажувальних робіт у портах, на морських та річкових причалах. Однією з обов'язкових умов успішної експлуатації вантажопідйомних машин є суворе дотримування правил техніки безпеки, обов’язкове виконання всіх регламентних робіт з обслуговування машин, використання автоматизації керування.

Вантажопідйомні крани є най розповсюдженими машинами, що служать для механізації робіт пов’язаних із переміщенням вантажів. Це машини циклічної дії і використовуються для підйому та переміщення у просторі вантажу захопленого за допомогою вантажозахватного пристрою. Консольні крани є різновидом вантажопідйомних кранів. Конструктивно ці механізми складаються із металевої ферми, верхнього та нижнього опорно-поворотного пристроїв, механізму підйому та механізму повороту.

Ферма може бути виконана у вигляді трикутної стріли з постійним вильотом або у вигляді решітчастої конструкції з горизонтальним поясом вздовж якого переміщується вантажний візок з канатною тягою або таль. Кран, як правило, обладнується механізмом підйому і може мати також механізми повороту та пересування візка.

Опори крана можуть бути виконані на підшипниках ковзання або кочення. Верхня опора сприймає лише горизонтальне навантаження і прикріплюється до елементів будівлі. Нижня опора сприймає горизонтальне і вертикальне навантаження. Вона встановлюється на конструкціях будівлі або на фундаменті.

У кранах цього типу застосовують електропривод, що має наступні переваги:

·        постійну готовність до роботи;

·        можливість встановлення самостійного двигуна у кожному механізмі вантажопідйомної машини, що значно спрощує конструкцію і керування механізмами;

·        високу економічність; можливість регулювання швидкостей у широких межах, особливо у приводах постійного струму;

·        реверсування механізмів;

·        безпечність роботи;

·        простоту та надійність роботи різноманітних запобіжних пристроїв;

·        можливість роботи із значними короткочасними перевантаженнями.

1. Розрахунок механізму підйому


1.1 Вибір кінематичної схеми


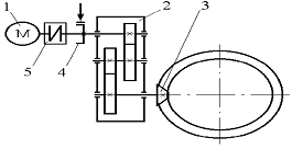
Приймаємо механізм підйому який складається з електродвигуна 1, муфти 2, гальма 3, редуктора 4, барабана 5, вантажного поліспаста 6 та гакової підвіски 7 (рис. 1)

Рисунок 1 - Кінематична схема механізму підйому

1.2 Вибір поліспаста, каната


У механізмі підйому консольного крана застосовуємо одинарний поліспаст. Для крана вантажопідйомністю 10 кН, за таблицею 1 [1] приймаємо кратність поліспаста u = 2.

Максимальне зусилля в гілці канаті, що навивається на барабан,

 Н,

де п ККД поліспаста з урахуванням направляючих блоків

,

 ККД блока з урахуванням жорсткості каната; для блока на підшипниках кочення =0,97...0,98, для подальшого розрахунку приймаємо =0,98.

Розривне зусилля в канаті

 Н

де  коефіцієнт запасу міцності каната залежить від режиму роботи механізмів, тому приймаємо рівним  =5,5.

Із таблиць каталогу (додаток VI [3]) вибираємо канат сталевий подвійної звивки, типу ЛК-Р, конструкції 6х19 (1+6+6/6)+1о.с. ГОСТ 2688-80, діаметром =8,3 мм при розрахунковій межі міцності дротинок =1568 МПа і розривним зусиллям Sр= 34800Н. (Канат 8,3-В-І-Н-1568 ГОСТ 2688-80).

1.3 Розрахунок діаметра барабана і блоків


Визначаємо мінімальний діаметр барабана та блоків

 мм,

де е мінімальне співвідношення діаметра барабана чи блока до діаметра каната приймаємо е=25.

Отримане значення Dmin приводимо до стандартного ряду розмірів Dmin=220 мм.

Діаметр барабана і блоків по центру витків навитого каната

 мм.

1.4 Розрахунок потужності двигуна і вибір редуктора

Потужність двигуна при підйомі номінального вантажу

 кВт,

де  ККД механізма підйому, приймаємо =0,85.

З каталогу (додаток XI [3]) приймаємо найближчий двигун меншої потужності. Вибираємо електродвигун змінного струму з фазовим ротором типу MTF 112-6 потужністю N= 5,0 кВт, частотою обертання n = 875 об/хв ( рад/с), максимальним моментом = 140 Н м, моментом інерції ротора =0,0294 кг м.

Номінальний момент на валу двигуна


Співвідношення максимального момента до номінального

.

Розрахункове передаточне число редуктора

,

де  частота обертання барабана,

 об/хв.

Редуктор механізму підйому вибираємо виходячи із розрахункової потужності, частоти обертання ротора двигуна, передаточного числа та режиму роботи.

За каталогом (додаток XXII...XXV [3]) вибираємо редуктор типу Ц2-500-16,3-4М (сумарна міжосьова відстань А = 500 мм, передаточне число =16,3, схема складання 4, вал тихохідний із кінцем під зубчасту муфту) здатний передавати потужність 7,9 кВт при 1000 об/хв швидкохідного вала.

Фактична швидкість підйому вантажу

 м/с.

1.5 Перевірка електродвигуна за тривалістю часу пуску


Час пуску приводу при підйомі вантажу, с,

,

де  момент інерції рухомих мас механізму приведений до вала двигуна;

кутова швидкість обертання ротора електродвигуна;

Мп.ср - середній пусковий момент електродвигуна;

 статичний момент на валу двигуна при підйомі вантажу;

Момент інерції, кг м, рухомих мас механізму приведений до вала двигуна

 кг м,

де  момент інерції ротора електродвигуна,  = 0,0294 кг м2;

 момент інерції зубчастої муфти з гальмівним шківом, яка вибрана попередньо із додатка XXVIII [3],=0,0765 кг м; коефіцієнт, що враховує моменти інерції мас деталей, які обертаються повільніше ніж вал двигуна, =1,05...1,25; m маса вантажу, що підіймається, m  1000 кг;

 = 0,104 м радіус барабана по центру навитого каната;

 загальне передаточне число механізму,

.

Середній пусковий момент електродвигуна

 Н м,

де  кратність мінімального пускового моменту, =1,1...1,4, приймаємо =1,1.

Статичний момент на валу двигуна при підйомі вантажу

 Н м.

Тоді час пуску при підйомі вантажу

 c.

Прискорення при пуску під час підйому вантажу

 м/с.

Таке прискорення є допустимим для механізмів підйому кранів загального призначення (табл. 4 [2]), ап ≤1.

1.6 Перевірка електродвигуна на нагрівання за еквівалентним навантаженням


У випадку, коли відсутній достовірний графік роботи крана, перевірку двигуна на нагрівання здійснюють із використанням методу номінального режиму роботи.

Потужність двигуна при підйомі номінального вантажу

 кВт.

Крутний момент на валу двигуна при підйомі номінального вантажу

 Н м.

Номінальний момент вибраного двигуна = 55,7 Н м.

Коефіцієнт перевантаження двигуна при підйомі номінального вантажу

.

Використовуючи величину здатності двигуна витримувати перевантаження і користуючись графіком (рис.2 а [1]), по кривій =250%, так як max = 2,51 знаходимо відносний час пуску = 1,7 c.

Визначаємо час розгону при підйомі номінального вантажу

 c.

Середній час робочої операції

 с,

де  середній робочий шлях; .

Приймаємо

 м.

Відношення часу пуску до середнього часу робочої операції

.

Користуючись графіком (рис. 3[1]), визначаємо допоміжний коефіцієнт = 1,37.

Еквівалентна потужність циклу

 кВт.

Визначаємо необхідну потужність циклу за умови нагрівання при ПВ =25%

 кВт.

де К=0,75 (табл. 5 [1]).

Отже вибраний двигун MTF 112-6 потужністю N = 5 кВт задовольняє умовам перевірки на нагрівання.

1.7 Перевірка двигуна за пусковим моментом


При перевантаженні електродвигуна повинна виконуватись умова

,

де Мп та Мnom - відповідно пусковий та номінальний моменти двигуна;

[y] - допустиме значення коефіцієнта перевантаження двигуна, яке приймаємо рівним ymax.

Пусковий момент

 Н×м,

де  - відповідно динамічні моменти від мас механізма які рухаються поступально та обертаються

 Нм,

e - кутове прискорення у механізмі при пуску

 рад/с2.

Коефіцієнт перевантаження двигуна при пуску

.

Розрахунковий гальмівний момент

 Н м,

де  коефіцієнт запасу гальмування (табл. 6 [1]), =1,75.

 статичний момент на валу двигуна при гальмуванні,

 Н м.

За каталогом (додаток XXXIV [3]) вибираємо двоколодкове гальмо типу ТКГ-200 з найбільшим гальмівним моментом  = 245 Н м і регулюємо його на розрахунковий гальмівний момент.

Час гальмування механізма підйому при опусканні вантажу

,

де  момент інерції рухомих мас механізму, приведений до вала двигуна при гальмуванні,

 кг м,

Тоді час гальмування

 c.

Час гальмування наближено дорівнює часу пуску, отже при пусках та гальмуванні на валах механізму будуть виникати майже однакові динамічні моменти.

2. Розрахунок деталей механізму підйому


.1 Визначення геометричних розмірів барабана

Барабан приймаємо нарізним, з нарізкою з одного боку.

Довжина каната, що навивається на барабан

м.

Число витків нарізки на барабані

,

де число запасних витків.

Довжина нарізної частини барабана

,

де tн - крок нарізки, який обчислюємо за формулою

мм.

Повна довжина барабану


де l3 - довжина ділянки барабана, яка використовується для закріплення каната

мм.

.2 Визначення товщини стінки барабана

Товщину стінки барабана визначаємо за формулами:

для сталевого барабана ;

для чавунного .

У нашому випадку, для групи режиму роботи 4М барабан приймаємо відлитим із чавуну [1].

Тоді

мм.

Перевіряємо товщину стінки барабана за допустимими напруженнями на стискання

,

де - розрахункове напруження стискання


 - допустимі напруження на стискання, які для чавунного барабана


k - коефіцієнт запасу міцності, для гакових кранів k = 4,25.

Оскільки 34,4 МПа < 165 МПа, то товщина стінки барабана задовольняє умову перевірки барабана на стискання.

3. Розрахунок механізму повороту


3.1 Вибір кінематичної схеми

По аналогії з існуючими механізмами повороту для крана що проектується приймаємо механізм повороту, який складається із двигуна 1, редуктора 2, відкритої конічної зубчастої передачі 3, гальма 4 і муфти 5.

Рисунок 2 - Кінематична схема механізму повороту

.2 Побудова розрахункової схеми крана

Для визначення параметрів, необхідних для подальшого розрахунку будуємо розрахункову схему крана (рис. 3)

Рисунок 3 - Схема до розрахунку навантажень на опори крана

Відстань між верхньою та нижньою опорами

механізм підйом електродвигун поворот

 м.

Відстань від осі обертання до центра мас поворотної частини крана

 м.

Діаметри цапф під підшипниками верхньої та нижньої опор (рис. 4) попередньо приймаємо рівними

 м.

 м.

Рисунок 4 - Схеми опор: а - верхньої; б - нижньої

Маса поворотної частини крана

 т,

де mпит = 0,25 т/(тм) - питома металомісткість для кранів даного типу; - вантажопідйомність крана в т; Q = 1 т.

Вага поворотної частини крана

 кН.

Горизонтальні навантаження на опори

 кН.

Вертикальне навантаження на нижню опору


.3 Визначення моменту опору повороту крана

Загальний статичний момент опору повороту крана

,

де Мтр - момент сил тертя в опорно-поворотному пристрої;

Мв - момент вітрового навантаження робочого стану;

Му - момент від ухилу крана;

Момент сил тертя в опорно-поворотному пристрої

 кНм,

де f = 0,015 - приведений коефіцієнт тертя ковзання в підшипнику.

Момент вітрового навантаження робочого стану

,

де Wпов, Wвант - відповідно вітрове навантаження робочого стану на поворотну частину крана та вантаж.

Вітрове навантаження на поворотну частину крана

 кН,

де Fпов навітряна площа поворотної частини крана, яку у даному випадку визначимо як площу прямокутного трикутника із сторонами при прямому куті h та L

 м2,

= 0,2...0,5 коефіцієнт заповнення площі контура поворотної частини крана;- динамічний тиск вітру робочого стану; q = 125 Па [2];- коефіцієнт, що враховує зміну динамічного тиску залежно від висоти розташування елемента крана над поверхнею землі (табл. 1 [2]);

с - аеродинамічний коефіцієнт, який приймають для трубчастих конструкцій с = 0,8...1,2.- коефіцієнт перевантаження, який приймають рівним n = 1 при розрахунках за допустимими напруженнями і n = 1,5 - при розрахунках за допустимими станами.

Сила вітру на вантаж у його верхньому положенні,

 кН,

де  - навітряна площа вантажу, м (табл. 2 [2]);

Тоді момент вітрового навантаження робочого стану

 кНм.

Момент від ухилу крана

 кНм,

- розрахунковий ухил осі повороту крана, який для даного розрахунку можна прийняти рівним = 0,01.

Тоді загальний статичний момент опору повороту крана


Момент сил інерції мас при пуску привода

 кНм,

де J - сумарний момент інерції маси вантажу та поворотної частини крана приведений до осі обертання крана,

 тм2;

 тм2;

 тм2;

wк - кутова швидкість повороту крана,п - рекомендований час пуску, який попередньо приймаємо за умови, що лінійне прискорення кінця консолі не повинно перевищувати [a] = 1 м/с2. Мінімально допустимий час пуску обчислюємо за формулою

 c.

.4 Розрахунок потужності двигуна і вибір редуктора

Розрахункова потужність двигуна

 кВт.

де hм = 0,85 - ККД механізму

yср = 1,5...1,8 - середній коефіцієнт перевантаження електродвигуна; приймаємо yср = 1,8.

За каталогом (додаток XI [3]) вибираємо електродвигун змінного струму з фазовим ротором типу MTF012-6 потужністю N = 2,7 кВт, частотою обертання ротора nд = 830 об/хв ( рад/с), максимальним моментом = 57 Н м, моментом інерції ротора =0,028 кг м.

Номінальний момент на валу двигуна

 Н м.

Відношення максимального моменту до номінального

.

Загальне передавальне число механізму повороту

.

Розбиваємо загальне передавальне число механізму повороту на ступені, оскільки привід має відкриту зубчасту передачу (конічну). Передавальне число відкритої зубчастої передачі приймаємо в межах uз = 1,0...10.

Тоді розрахункове передаточне число редуктора

,

За каталогом (додаток XXII...XXV [3]) вибираємо редуктор типу Ц2-250-50,94-4К (сумарна міжосьова відстань А = 250 мм, передавальне число  = 50,94, схема складання 1, з конічним тихохідним валом), здатний передавати потужність 3,7 кВт при режимі роботи 4М.

Розрахункове передавальне число відкритої зубчастої передачі

.

Отримане значення приводимо до стандартного ряду передавальних чисел [2].

Приймаємо Uз.ф = 8,0.

Визначаємо фактичне передаточне число приводу

.

Фактична частота обертання крана

 об/хв.

3.5 Перевірка електродвигуна за тривалістю часу пуску

Середній час пуску привода

 с,

де  момент інерції механізму повороту, маси поворотної частини крана та вантажу, приведений до вала двигуна

 кгм2;

д кутова швидкість обертання ротора електродвигуна, д = 86,9рад/с;

Мп.ср - середній пусковий момент електродвигуна, Нм,

 Н м,

Мст.пр статичний момент на валу двигуна при обертанні крана Нм.


Прискорення кінця консолі при обертанні крана

 м/с2,

ще не перевищує рекомендованого значення [a] = 1 м/с2.

.6 Перевірка двигуна на нагрівання

Перевірку двигуна на нагрівання проводимо з використанням методу номінального режиму роботи.

Коефіцієнт завантаження двигуна при сталому рухові

.

Користуючись графіком (рис. 4 [2]) знаходимо відносний час пуску

=1 с.

Визначаємо час розгону приводу при повороті крана з номінальним вантажем

 c.

Тривалість робочої операції при середньому куті повороту  = 90 (1/4 оберту)

 с.

Відношення часу пуску до середнього часу робочої операції

.

Користуючись графіком (рис. 5 [2]), визначаємо допоміжний коефіцієнт =1,2.

Необхідна потужність циклу

 кВт.

Еквівалентна потужність циклу

 кВт.

Визначаємо необхідну потужність циклу за умови нагрівання при ПВ=25%

 кВт.

де К=0,75 - коефіцієнт, який приймаємо за таблицею5 [2].

Отже вибраний двигун MTF 012-6 потужністю N=2,7 кВт задовольняє умови перевірки на нагрівання.

.7 Перевірка двигуна за моментом

При перевантаженні електродвигуна повинна виконуватись умова

,

де Мп та Мн - відповідно пусковий та номінальний моменти двигуна;

[y] - допустиме значення коефіцієнта перевантаження двигуна, яке приймаємо рівним ymax.

Пусковий момент

 Нм,

де  - динамічний момнент від мас механізма і крана, що обертаються;

 - динамічний момент від маси вантажу, що обертається,

 Нм.

Коефіцієнт перевантаження двигуна при пуску

.

3.8 Визначення гальмівного моменту та вибір гальма

Приймаємо час гальмування рівним tг = 5 с (час гальмування не повинен бути меншим за час пуску привода); лінійне прискорення кінця консолі при гальмуванні

 м/с2.

Гальмівний момент


де  - відповідно моменти опору від вітрового навантаження, ухилу крана та динамічні моменти від мас механізму, крана і вантажу при гальмуванні:

 Нм;

 Нм;

 кгм2;

Мтр.пр - момент опору від сил тертя при гальмуванні приведений до вала двигуна

 Нм.

Тоді  Нм.

Із каталога (ХХХІV [3]) вибираємо двоколодкове гальмо ТКГ 200 з найбільшим гальмівним моментом Мг = 245 Нм, діаметром гальмівного шківа 200 мм і регулюємо його на необхідний гальмівний момент.

4. Розрахунки деталей механізму повороту


.1 Визначення передавальних чисел відкритих зубчастих передач

Для забезпечення необхідного напрямку передачі крутного моменту та отримання необхідного передаточного числа в кінематичну схему механізма повороту введено відкриті конічну та циліндричну зубчасті передачі із загальним передавальним відношенням Uз.ф = 8,0. Приймаємо передавальне відношення відкритої конічної передачі Uк = 2. Тоді передавальне відношення відкритої циліндричної передачі Uц = 8/2= 4.

.2 Визначення основних параметрів відкритої конічної передачі

Крутний момент, що передає передача

 Нм,

де Мст. пр. - статичний момент приведений до вала електродвигуна (див. "Розрахунок механізма підйому");

hр - ККД редуктора. Для двохступінчастого редуктора приймають р = 0,94

hм = 0,98 - ККД муфти, що з’єднує вали електродвигуна та редуктора.

Зовнішній ділильний діаметр колеса

 мм

де Кd = 1000 МПа - допоміжний коефіцієнт;Hb - коефіцієнт нерівномірності навантаження по ширині зубчастих вінців (таблиця 4.1), який приймають залежно від Kbd - коефіцієнта ширини вінця,


Kbe= 0,285 (рекомендоване значення);Hb = 1,14 (кулькові опори);

[н] - допустимі контактні напруження, які приймають для сталі 45 [sн] = 400 МПа.

Мінімальну кількість зубців конічної шестерні для силових передач рекомендується брати в межах Z1 = 17...20 при Uк = 1,0...1,5; Z1 = 13...18 при Uк = 2,0...4,0

Приймаємо кількість зубців конічної шестерні

Z1 = 13 при Uк = 2.

Число зубців конічного колеса:

Z2 = Uê×Z1 = 2×13 = 26.

Фактичне передаточне відношення:


Зовнішній коловий модуль

me = De2min/Z2 = 398/26 = 15мм.

Зовнішні ділильні діаметри шестерні та колеса (мм):

De1= me ×Z1 = 15×13 = 195 ìì; De2= me ×Z2 = 15×26 = 390 ìì.

Зовнішня конусна відстань

Re= 0,5×me×Zc =0,5×15×29,06 = 218 ìì,

де

Ширина зубчастих вінців

b=b1=b2= Kbe×Re= 0,285×218= 62 ìì.

Cередня конусна відстань

Rm = Re- 0,5×b = 218 - 0,5×62 = 186 мм.

Середній модуль зубців

 мм.

Середні ділильні діаметри шестерні та колеса:

Dm1= m × Z1 = 12,8×13 = 166,4 мм;m2= m × Z2 = 12,8× 26 = 332,7 мм

Кути при вершинах ділильних конусів


Кут головки зубця

,

де hae = me - зовнішня висота головки зубця, мм.

Кут ніжки зубця

де hfe - зовнішня висота ніжки зубця

hfe = 1,2×me = 1,2×15 = 18 мм.

Кути конуса вершин зубців шестерні та колеса:

dà1 = d1+Qà = 26,6 + 3,94 = 30,54°à2 = d2+Qa = 63,4 + 3,94 = 67,34 °

Кути конуса впадин зубців шестерні та колеса:

df1 = d1–Qf = 26,6 – 4,72 = 21,88°f2 = d2–Qf = 63,4 – 4,72 = 58,68°

Колова швидкість зубчастих коліс:

V = 0,5×w1×Dm1= 0,5×1,71×166,4×10-3= 0,14 ì/ñ,

де w1 - кутова швидкість обертання шестерні

 рад/с;

wд, Uр - відповідно кутова швидкість обертання ротора електродвигуна, та передаточне число редуктора, що визначені раніше (див. "Розрахунок механізму повороту").

.3 Визначення основних параметрів відкритої циліндричної передачі

Крутний момент, що передає передача

 Н×м,

де Uк - передавальне число конічної передачі (див. п.4.1);

hк = 0,95...0,97 - ККД конічної передачі.

Необхідна міжосьова відстань

мм

де Ка = 495 для прямозубих передач;- передавальне число передачі (див п.4.1);Hb - коефіцієнт нерівномірності навантаження по ширині зубчастих вінців який приймають залежно від Kbd - відносної ширини шестерні,

Kbd = 0,5×K×(U+1) = 0,5×0,2×(4+1) = 0,5;

K = 0,2 - при консольному розміщенні колеса відносно опор вала;

[sн] - допустимі контактні напруження (див. п.4.1)

Приймаємо міжосьову відстань відкритої циліндричної передачі Аw = 560 мм.

Визначаємо модуль зубчастої передачі

m = (0,01...0,02) × Аw = (0,01...0,02) × 560 = 5,6...11,2 мм.

Приймаємо m = 10 мм.

Обчислюємо загальну кількість зубців передачі

.

Визначаємо кількість зубців шестерні та колеса

;

.

Ділильні діаметри шестерні та колеса

 мм;

 мм.

Діаметри вершин зубів

 мм;

 мм.

Діаметри западин шестерні та колеса

 мм;

 мм;

Уточнюємо міжосьову відстань

 мм.

Визначаємо ширину зубчастих коліс

 мм;

 мм.

Колова швидкість зубчастих коліс

 м/с,

де w1 - кутова швидкість обертання шестерні


wд, Uр, Uк - відповідно кутова швидкість обертання ротора електродвигуна, та передаточні числа редуктора і конічної передачі, що визначені раніше.

 

Висновок


У цьому проекті розроблено стаціонарний поворотний консольний кран з постійним вильотом вантажопідйомністю 10 кН, який конструктивно складається із стріли, механізму підйому та механізму повороту. Кран встановлено на фундаменті.

Стріла виконана у вигляді трикутної ферми з постійним вильотом, що опирається на один упорний та два радіальних підшипника і може обертатись за допомогою механізму повороту.

Механізм повороту виконано з відкритими зубчастими конічною та циліндричною передачами і встановлено на неповоротній частині крана.

Механізм підйому обладнано гаковою підвіскою, що дозволяє використовувати кран для підйому як одиничних вантажів, а також сипких або рідких у тарі. Поліспаст механізму підйому простий, кратністю u = 2.

Механізми мають індивідуальний привід від кранових електродвигунів зміного струму з фазовим ротором:

·        механізм підйому - MTF 112-6 потужністю N = 5 кВт, частотою обертання n = 875 об/хв ;

·        механізм повороту - MTF 012-6 потужністю N = 2,7 кВт, частотою обертання n = 830 об/хв.

Таким чином встановлена потужність 7,7 кВт.

Література


Нестеренко М.П., Орисенко О.В. Розрахунок механізму підйому./Методичні вказівки до практичних робіт й курсового проектування. - Полтава: ПолтНТУ, 2003. - 12 с.

. Нестеренко М.П., Орисенко О.В. Розрахунок механізму повороту./Методичні вказівки до практичних робіт й курсового проектування. - Полтава: ПолтНТУ, 2003. - 12 с.

. Колесник Н.П. Расчеты строительных кранов. К.: Вища шк., 1985. 240 с.

. Иванченко Ф.К. и др. Расчеты грузоподъемных и транспортирующих машин. К.: Вища шк., 1978. 576 с.

. Александров М.П. Подъемно-транспортные машины: Учебник для машиностроительных спец. вузов. М.: Высш. шк., 1985. 520 с.5. Вайнсон А.А. Подъемно-транспортные машины строительной промышленности: Атлас конструкций. М.: Машиностроение, 1976. 152 с.

. Вайнсон А.А. Подъемно-транспортные машины: Учебник для вузов по спец. "Подъемно-транспортные, строительные, дорожные машины и оборудование". М.: Машиностроение, 1989. 586 с.

. Гайдамака В.Ф. Грузоподъемные машини: Учебник для вузов по спец. "Подъемно-транспортные, строительные, дорожные машины и оборудование". К.: Вища шк., 1989. 328 с.

. Вайнсон А.А. Подъемно-транспортные машины строительной прмышленности. Атлас конструкций. - М.: Машиностроение, 1976. - 152 с.

Похожие работы на - Кран консольний

 

Не нашли материал для своей работы?
Поможем написать уникальную работу
Без плагиата!
Без нейросетей!