Універсальний терморегулятор

  • Вид работы:
    Курсовая работа (т)
  • Предмет:
    Физика
  • Язык:
    Украинский
    ,
    Формат файла:
    MS Word
    678,02 Кб
  • Опубликовано:
    2014-03-26
Вы можете узнать стоимость помощи в написании студенческой работы.
Помощь в написании работы, которую точно примут!

Універсальний терморегулятор

Зміст

Вступ

1. Вибір та обґрунтування проектованого пристрою

2. Розрахункова частина

3. Конструкторсько-технологічна частина

3.1 Конструкторська частина

3.2 Технологічна частина

3.3 Охорона праці та навколишнього середовища

3.3.1 Аналіз умов праці

3.3.1.1 Організація робочого місця

3.3.1.2 Мікроклімат

3.3.1.3 Шкідливі речовини в повітрі робочої зони

3.3.1.4 Шум, вібрація, ультразвук, інфразвук

3.3.1.5 Електромагнітні випромінювання

3.3.1.6 Небезпека ураження електричним струмом

3.3.2 Розробка заходів з охорони праці

3.3.2.1 Нормалізація повітря робочої зони

3.3.2.2 Виробниче освітлення

3.3.2.3 Захист від виробничого шуму, вібрацій, ультразвуку та інфразвуку

3.3.2.4 Захист від електромагнітних випромінювань

3.3.2.5 Електробезпека

3.3 Пожежна безпека

3.4 Охорона навколишнього середовища

Висновок

Перелік посилань

Вступ


У сучасному світі терморегулятори відіграють важливу роль. Він застосовується для підтримки температури повітря у приміщеннях, в ящику для зберігання продуктів на балконі, для підтримки заданої температури рідини, може бути використаний у пристроях противопожежної сигналізації, теплового контролю і захисту машин та механізмів, в схемах температурної компенсації ряду елементів електричних кіл.

Терморегулятори розрізняються:

.        В залежності від конструкції - електромеханічні (використовують принцип роботи біметалевих пластин) і електронні терморегулятори, які характеризуються підвищеною точністю регулювання;

2.      За контролем температури - повітряний, напольний, комбінований спосіб контролю;

.        За функціональними властивостями - прості, програмовані, двухзонні;

.        За способом монтажу - накладні і врізні.

Слабке місце усіх компресорних холодильників - перенавантаження електродвигуна, який приводить до дії компресор, при його повторному через короткий проміжок часу після зупинки включенні. Причина перенавантаження - достатньо довге збереження в конденсаторі холодильного агрегату високого тиску хладоагенту.

Керівництво з експлуатації сучасного холодильника вимагає, щоб тривалість витримки між виключенням і повторним включенням компресора була не менше 3 хвилин. Але при характерних сьогодні несподіваних відключеннях і повторних включеннях електроенергії виконати ці вимоги, не "викликав на допомогу" електроніку, неможливо.

Універсальний терморегулятор виконує наступні функції:

.        Вмикаючи та вимикаючи компресор, підтримує у холодильній камері задану температуру, заміняючи штатний терморегулятор, причому є можливість регулювання гістерезису - різницю температури включення і відключення компресора;

2.      Примусово вимикає компресор при значному відхиленні напруги в мережі від норми;

.        Не допускає повторного включення компресора раніше 5 хвилин після виключення з любої причини, в тому числі після викликаного відхиленням мережевої напруги від норми або ініційованого терморегулятором.

Останнє особливо важливо, тому що небезпечну ситуацію легко спровокувати, одразу ж після вимикання компресора різко повернувши регулятор температури в бік її зниження або відкривши двері холодильної камери.

універсальний терморегулятор схема електричний

1. Вибір та обґрунтування проектованого пристрою


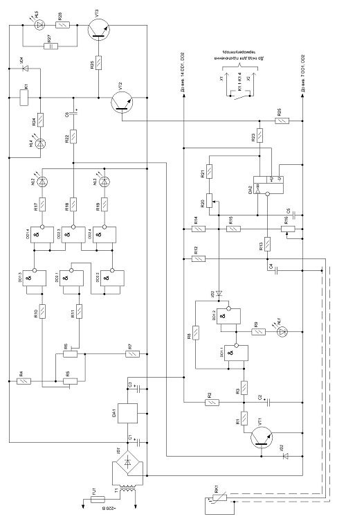
Принципова схема універсального терморегулятора зображена на рисунку 1.1 Він складається з вузла терморегулятора на мікросхемі DA2, таймера затримки включення на транзисторі VT1 і елементах DD1.1, DD1.2, вузла контролю напруги мережі на елементах DD1.3, DD1.4 та мікросхемі DD2, виконавчого механізму на транзисторах VT2, VT3.

З’єднані паралельно контакти реле K1 включені в коло двигуна компресора замість контактів штатного терморегулятора холодильника.

Вузол живлення пристрою складається з трансформатора Т1, випрямляча (діодний міст VD1) та інтегрального стабілізатору DA1 на напрузі 9 В.

Щоб зміна навантаження на випрямляч при спрацьовуванні і відпусканні реле К1 не впливало на роботу вузла контролю напруги, передбачений резистор R27, який підключено транзистором VT3 до випрямляча, коли обмотка реле знеструмлена. Опір резистора дорівнює опору обмотки реле, тому споживаний від випрямляча струм залишається незмінним.

Припустимо, прилад увімкнено в мережу при номінальній напрузі 220 В і вузел контролю напруги не чинить впливу на його роботу. Транзистор VT1 закрито, конденсатор С2 розряджений, логічний рівень на виході елемента DD1.2 низький, діод VD3 відкритий, тому терморегулятор на ОП DA2 заблокований у стані, відповідному низькій температурі в холодильній камері, отже, вимкнутому компресору. Транзистор VT2 закрито, реле К1 знеструмлено. Горять світлодіоди HL1 "Блокування" та HL5 "Пауза".

Через 5 хвилин після зарядки конденсатора С2 через резистор R2 до порога перемикання трігера Шмітта на елементах DD1.1, DD1.2 рівень на виході останнього стане високим, діод VD3 закритий і терморегулятор отримає можливість працювати. Світлодіод HL1 гасне.

З підвищенням температури у холодильній камері опір терморезистора RK1 і падіння напруги на ньому зменшується. Якщо температура така, що напруга на інверсному вході ОП DA2 меньше, ніж на неінверсному, рівень на виході ОП - високий, що призводить до відкривання транзистора VT2 і спрацьовування реле К1, яке включає компресор. Світлодіод HL4 буде світитися, HL5 - ні.

З пониженням температури у холодильній камері напруга на інверсному вході ОП зростає, що призводить до змін стану ОП і виключенню компресора. Світлодіод HL4 гасне, HL5 - буде світитися.

Перепад напруг на колекторі транзистора VT2 в момент відпускання реле визиває зарядку конденсатору С6 і короткочасне (на 20 мс) відкривання транзистору VT1 імпульсом зарядного струму. Розряджений через відкрившийся транзистор конденсатор С2 знову, як після підключення пристрою до мережі, починає повільно заряджатися, що призводить до п’ятихвилинної заборони включення компресора. Діод VD2 захищає еміттерний перехід транзистора VT1 від негативного імпульсу при розрядці кондерсатора С6 через відкрившийся в момент включення реле К1 транзистор VT2.

Необхідну температуру в холодильній камері встановлюють за допомогою змінного резистору R16. Широта петлі гістерезиса терморегулятора регулюють змінним резистором R20. Необхідність зміни гістерезиса в процесі експлуатації суперечлива, проте при первинному регулюванні без цього не обійтись. Гістерезис повинен бути достатнім для того, щоб компресор не вимикався дуже часто, а в перервах його роботи температура стінок холодильної камери досягала позитивного значення та утворившийся на них іній танув, не накопичуючись.

Розглянемо роботу вузла контролю мережевої напруги. Якщо вона знаходиться в допустимих межах, напруга на входах елемента DD1.3 нижче, а на входах елемента DD2.1 вище порога їх переключення. Рівні на обох входах елемента DD2.3 високі, а на його виході - низький, який дає змогу всім іншим вузлам пристрою працювати зазначеним вище способом.

При напрузі в мережі менше припущеної елемент DD2.1 змінить свій стан. Логічний рівень на його виході стане високим, такий же буде і на виходах елементів DD2.3, DD2.4 Світлодіод HL3 засвітиться, а транзисор VT1, відкритий напругою, поступаючою на його базу через резистор R19, розрядить конденсатор С2, чим заблокує компресор. З відновленням нормальної напруги світлодіод HL3 погасає, транзистор VT1 буде закритий і через необхідний для зарядки конденсатору С2 час буде дозволена робота терморегулятора.

При напрузі в мережі, перевищуючій припустиме, низький рівень на виході елемента DD1.3 призведе до встановлення високого на виходах елементів DD1.4 і DD2.3 Далі все проходить так, як і при зниженні напруги, тільки замість світлодіода HL3 буде світитися HL2.

Значення напруги в мережі, при якій спрацьовує захист, рекомендовано встановити рівним 242 (змінним резистором R5) і 187 В (змінним резистором R6).

Перерву в подачі електроенергії пристрій буде сприймати, як неприпустиме зниження напруги. Важливо, щоб повторне включення компресора було заборонено, якщо тривалість перерв перевищила необхідну для його зупинки. Проте реакція не повинна бути дуже швидкою - виросте вірогідність помилкових спрацьовувань (наприклад, викликаних включенням в ту саму мережу потужних електроприладів).

Час спрацьовування описуваного приладу при стрибкоподібному зменшенні напруги в мережі - приблизно 65 мс - складається з необхідного на розрядку конденсатора С1 до напруги, відповідній допустимому мінімуму, і часу розрядки конденсатора С2 через відкрившийся транзистор VT1. Час реакції на стрибкоподібне підвищення напруги в мережі менше - 25.40 мс. Воно витрачається на дозарядку конденсатора С1 до встановленого порога і розрядку конденсатора С2.

 


2. Розрахункова частина


Відповідно до завдання на дипломне проектування я виконав розрахунок понижуючого трансформатора [4]. Це трансформатор малої потужності і на частоті 50 Гц магнітопровід в ньому, як правило, використовується броньового типу.

Основним елементом конструкції трансформатора є магнітопровід (осердя) і обмотки.

Магнітопроводи трансформаторів залежно від технології виготовлення діляться на пластинчасті, стрічкові і пресовані. Найбільш вживаними останнім часом є пластинчасті.

Електричний розрахунок трансформатора можна підрозділити на декілька етапів:

вибір конструктивного виконання;

вибір типу магнітопровода;

вибір розрахункових критеріїв;

розрахунок габаритної потужності;

визначення типорозміру магнітопровода;

вибір електромагнітних навантажень - індукції, щільності струму;

конструктивний розрахунок трансформатора;

тепловий розрахунок.

Електрична принципова схема трансформатора приведена на рис.2.1

Рисунок 2.1 - Електрична схема трансформатора

Вихідні дані для розрахунку:

. Напруга живлячої мережі Uм = 220 В;

. Частота живлячої мережі Fм = 50 Гц;

. Значення напруги вторинної обмотки при навантаженні U2 = 12 В;

. Діюче значення струму вторинної обмотки I2 = 0,3 A;

. Температура навколишнього середовища від - 10оС до +40оС.

Конструкцію трансформатора вибираємо виходячи з умов роботи, терміну служби (експлуатації) і монтажу його в корпусі проектованого пристрою. У зв'язку з цим можна обрати відкриту конструкцію. На частоті 50 Гц застосовується броньова конструкція магнітопровода.

Виходячи з умов і вихідних даних проводимо електричний розрахунок трансформатора.

. Розрахуємо потужність Р2, яку повинен віддавати трансформатор

2 = U2×I2 [BA] (2.1), P2 = 12 × 0,3 = 3,6 BA

. Визначаємо типорозмір магнітопроводу з довідника [4] і ряд відповідних йому розрахункових даних трансформатора. Магнітопровід повинен бути пластинчастий броньовий, при цьому потрібно зважати на те, що Р1 > Р2.m визначаємо з довідника [4]. При Р2 = 3,6 BA Bm = 17850 (гс)

. Щільність струму j2 у вторинній обмотці при Р2 = 3,6 BA буде дорівнювати 3,9 А/мм2 [4].

. Коефіцієнт корисної дії трансформатора знаходимо з довідника [4].

Для даного трансформатора η = 0,8 = 80 %

. Визначаємо типорозмір магнітопровода

 [см2], (2.2)

де SСТ - перетин магнітопровода;ОК - площа вікна;M - частота мережі;m - магнітна індукція;- щільність струму;M - коефіцієнт заповнення вікна міддю;CT - коефіцієнта заповнення магнітопровода сталлю.

см2,

 

Розглянемо тепер формулу для визначення типорозміру магнітопроводу з урахуванням ККД

 [см2], (2.3)

де Qc - перетин стрижня магнітопровода;o - площа вікна магнітопровода;

Кф - коефіцієнт форми кривої напруги, для синусоїдальної форми Кф = 1,11;

Кc для сталі Э-320 завтовшки 0,35 мм рівний 0,9.

 см 2

. На основі розрахункових даних з довідника [4] вибираємо типорозмір пластин, габаритні розміри та розміри вікна

типорозмір пластин Ш-16;

габаритні розміри - довжина L=64 мм, висота H=64 мм, ширина B=32 мм;

розміри вікна - довжина = =16 мм, висота h=40 мм.

Питому вагу при підрахунку ваги магнітопровода приймаємо 7,65 г/см3 для сталі Э-320.

. Обчислимо діюче значення ЕРС первинної обмотки

 [В], (2.4)

де  - напруга первинної обмотки;

 - вибирається з довідника [4] залежно від споживаної потужності трансформатора.


. Обчислимо діюче значення ЕРС вторинної обмотки

 [В], (2.5)

де  - напруга вторинної обмотки


. Розрахуємо число витків у первинній обмотці трансформатору

 [Витків], (2.6)

Витків.

. Визначаємо число витків у вторинній обмотці трансформатору

 [Витків], (2.7)

Витків.

. Обчислюємо діюче значення струму  первинної обмотки

 [А], (2.8)

А.

. Розрахуємо діаметр проводу  первинної обмотки трансформатора

 [мм], (2.9)

 мм.

. Визначаємо діаметр проводу  вторинної обмотки трансформатора

 [мм], (2.10)

 мм.

Для обмотки вибираємо провод ПЭЛ діаметром 0,075 і 0,31 мм.

. Розрахуємо втрати в магнітопроводі

 [Вт], (2.11),  Вт.

де  - питомні втрати (Вт/кг), котрі залежать від марки сталі, магнітної індукції та частоти мережі.  обирається за таблицею і в даному випадку

. Визначаємо середню довжину витків обмоток ,

 [м], (2.12)

де =  - довжина вікна магнітопроводу,  - номер обмотки

= 0,1186 м,

= 0,1198 м.

. Маса міді кожної обмотки  дорівнює

 [кг], (2.13)

де  - номер обмотки, Wi - число витків в обмотці, gi - маса одного метру дроту, г, li - середня довжина витка обмотки, м.

Маса міді первинної обмотки  дорівнює

 [кг], (2.14)

 кг.

Маса міді вторинної обмотки  дорівнює

 [кг], (2.15)

кг.

. Визначаємо втрати в міді  кожної обмотки за температури проводу (100.105) оС

 [Вт], (2.16)

Визначаємо втрати в міді  первинної обмотки

 [Вт], (2.17)

Вт.

Визначаємо втрати в міді  вторинної обмотки

 [Вт], (2.18)

Вт.

Сума втрат в міді усіх обмоток

 [Вт], (2.19)

 Вт.

. Визначаємо температуру перегріву обмоток  відносно оточуючого середовища

, (2.20)

де  - коефіцієнт тепловіддачі трансформатора, його приймають ;

 - поверхня охолодження обмотки, м2;

 - поверхня охолодження магнітопроводу, м2.

Знаходимо  для броньового трансформатору

 (2.21)

де hb - висота обмотки.

Знаходимо

 мм, (2.22)

 м2.

Розраховуємо  для броньового трансформатору

 (2.23)

 м2.

оС

. Визначаємо робочу температуру обмоток

 [oC], (2.24)

 oC.

Отже, в розрахунковій частині було приведено розрахунок понижуючого трансформатору, який містить в собі дві обмотки. Магнітопровід використано броньового типу Ш-16. Кількість витків в обмотках підрахована за формулами 3.6,3.7, а діаметри відповідних проводів взято з довідника [4]. Температурний розрахунок показав, що даний трансформатор розраховано вірно.

3. Конструкторсько-технологічна частина


3.1 Конструкторська частина


Всі елементи пристрою, за винятком реле К1 і плавкої вставки FU1, розміщені на однобічній друкованій платі.

Конденсатори С4, С5 - КМ-6 або інші керамічні, причому конденсатор С2 - серії LL (з малим струмом витоку). Допустима напруга конденсаторів С1 і С6 (25 В) обрано із запасом на випадок аварійного підвищення напруги в мережі.

Змінні резистори R5 і R6 - СП4-1, постійні - МЛТ. Змінні резистори R16 і R20 - СП3-12 з лінійною (А) залежністю опору від кута повороту вала.

Світлодіоди HL1-HL3 - червоного, а HL4 і HL5 - зеленого кольору світіння. Окрім вказаних на схемі, підійдуть і інші світлодіоди, в тому числі і вітчизняного виробництва, підходящих розмірів і кольору світіння. Мікросхему КР140УД6081 можно замінити на КР140УД608Б або на КР140УД708.

Необхідно враховувати, що в аварійному режимі напруга в мережі іноді збільшується до 380 В. Так буває, наприклад, при обриві нульового проводу магістрального кабелю. Якщо трансформатор Т1, не витримав такої напруги, вийде з ладу, це не призведе до небажаного в даній ситуації включення дорогокоштуючого компресора. Зберегти трансформатор від загоряння призвана плавка вставка FU1 (ВП1-1). На її якість слід звернути увагу та ні в якому разі не заміняти сурогатною.

Терморезистор - ММТ-1 або ММТ-4. Якщо його номінальний опір відрізняється від вказаного на схемі, необхідно на стільки ж разів змінити номінал резистору R12. Проте застосовувати терморезистор опором більше 3…4 кОм не варто, це погіршить перешкодозахищеність терморегулятору.

Змонтовану друковану плату і реле К1 розміщують всередині службового відсіку у верхній частині холодильника. З’єднані паралельно контакти реле підключають замість основної контактної групи штатного терморегулятора. Його другу контактну групу, призначену для виключення холодильника на тривалий час, замінюють перемичкою.

3.2 Технологічна частина


Для вибору методу виготовлення друкованої плати проведемо огляд деяких методів, розглядаючи їхні переваги і недоліки.

В даний час нараховується біля двохсот методів виготовлення друкованих плат. Однак більшість з них застаріло. Усі вони поділяються на два основних види: аддитивний і субтрактивний. У сучасному виробництві найпоширенішим і технологічно освоєним методом є субтрактивний, незважаючи на те, що головний його недолік - значна втрата матеріалу при витравлюванні. У свою чергу субтрактивний метод поділяється на: хімічний, електрохімічний і комбінований методи одержання друкованих плат.

Хімічний метод, чи метод травлення фольгованого діелектрика полягає в тому, що на фольгований діелектрик кислотостійкою фарбою наносять позитивний малюнок схеми з наступним травленням фольги з пробільних ділянок плати. Цей метод не дозволяє одержати металізовані отвори, тому застосовується, в основному, для виготовлення однобічних друкованих плат.

Технологічний процес виготовлення друкованих плат хімічним методом складається з наступних етапів:

. Нарізка заготівель з фольгованого діелектрика з обліком технологічного поля;

. Очищення поверхні фольги. Очищення може проводитися механічним методом з використанням абразивної суспензії чи металевими щітками, після такої обробки проводяться ретельне промивання поверхні фольги і сушіння. Крім механічного способу очищення поверхні може використовуватися хімічний спосіб, що виконується двома операціями: обезжирюванням і декапіруванням з наступним промиванням і сушінням. Знежирення засновується в обробці поверхні фольги розчином CMЗ чи різними розчинами, що видаляють з поверхні фольги всі можливі забруднення. Декапірування це травлення поверхні фольги в слабких (5 - 10%) розчинах кислот і лугів, для видалення з поверхні фольги окісного шару;

. Нанесення захисного малюнка провідників;

. Травлення фольги на пробільних ділянках;

. Видалення захисного малюнка провідників;

. Нанесення захисного шару лаку ХВЛ, лак наноситися для того щоб уникнути відшарування фольги при наступному свердлінні монтажних отворів;

. Свердління монтажних отворів;

. Зняття захисного лаку ХВЛ;

. Обрізка плати по контурі;

. Контроль ВТК.

До переваг цього методу можна віднести відносну простоту технологічного процесу виготовлення плати і дешевину в порівнянні з іншими методами.

Недоліки - значна втрата частини міді при травленні, необхідність наявності на підприємстві пристроїв для регенерації травильного розчину, вплив травильного розчину на діелектричну підставу плати.

У свою чергу нанесення захисного малюнку розділяють на: метод фотолітографії, офсетного і трафаретного друку.

Метод фотолітографії передбачає одержання на поверхні плати захисного малюнка (чи трафарету маски) зі світлочутливого матеріалу (фоторезисту) для виконання виборчого травлення. Фоторезисти - це світлочутливі матеріали, що під впливом світлового опромінення перетворюються в неплавкий, нерозчинний стан що цілком розчиняються (змиваються) спеціальним проявником чи водою. Фоторезисти бувають негативні і позитивні, рідкі і плівкові. При виготовленні друкованих плат з використанням методом фотолітографії використовується в основному плівковий фоторезист. Фотохімічний друк у виробництві друкованих плат знаходить широке застосування у наслідок високої вирішальної здатності, що дозволяє з високою точністю відтворювати малюнок схеми. Недоліком даного методу є висока трудомісткість і собівартість технологічного процесу.

Офсетний метод полягає в тім, що на спеціально виготовлену матрицю з дзеркальним зображенням малюнка наноситься кислотостійка фарба, потім ця матриця придавлюється до поверхні заготівлі плати, фарба при цьому переноситься на заготівлю. Потім проводять сушіння фарби, і виборче травлення міді з місць незахищених фарбою. Даний метод використовується в основному тільки в масовому виробництві, тому що дуже трудомісткий процес виготовлення матриці. Недоліком офсетного методу також є низька вирішальна здатність.

Метод трафаретного друку полягає в протисканні ракелем спеціальної фарби через вікна сітчастого трафарету. Трафарет виготовляється, як правило, з алюмінієвої рамки, на яку натягається сітка з нержавіючої сталі, потім методом фотолітографії на сітці виконуються отвори майбутнього трафарету з фоторезисту (фотоемульсії). Для нанесення малюнка трафарет сполучають із заготівлею плати й одним рухом ракеля фарба наноситься на заготівлю. Після нанесення проводиться сушіння фарби в спеціальних сушильних камерах. Цей метод має високу продуктивність і низьку собівартість, а також дозволяє наносити малюнок шириною до десятків мікрометрів.

Електрохімічний чи аддитивний метод полягає в нанесенні на діелектричну підставу негативного малюнка схеми кислотостійкою фарбою чи фоторезистом. Незахищені ділянки плати, що відповідають майбутнім струмоведучим провідникам, металізуються хімічним, а потім електрохімічним способом.

При цьому металізуються всі монтажні отвори, призначені для установки начіпних елементів. Процес хімічного міднення заснований на відновленні іонів двовалентної міді з її солей. Таким способом на діелектричній підставі, на незахищених ділянках одержують шар міді товщиною 5-7 мкм, але такого шару ще не досить для виконання функції друкованого провідника, тому шар міді нарощують до необхідної товщини електрохімічним методом.

Якщо ж хімічне нарощування вироблялося на всю поверхню підстави, то його витравлюють методом, розглянутим вище, але при цьому витравлюється дуже тонкий шар, тому зменшується вплив травників на діелектричну підставу і зводиться до мінімуму ефект бічного підтравлювання.

Якщо вироблялося травлення, то перед електрохімічним нарощуванням видаляють фоторезист чи фарбу, потім плату промивають і сушать. Для проведення процесу електрохімічного нарощування всі друковані провідники плати з'єднують між собою технологічними перемичками, що згодом видаляють.

Цим методом можна одержати вузькі друковані провідники й елементи, що скорочує витрату міді. Друковані плати, виготовлені цим методом, допускають багаторазові перепайки.

Технологічний процес виготовлення друкованих плат електрохімічним методом складається з наступних етапів:

. Нарізка заготовок з фольгованого діелектрика з урахуванням технологічного поля;

. Очищення поверхні фольги;

. Нанесення захисного малюнка провідників;

. Контроль ВТК, проводитися на установках візуального контролю УВК із ціллю перевірки якості виконання захисного малюнка провідників;

. Нанесення захисного кулі лаку ХВЛ;

. Свердління монтажних отворів;

. Видалення захисного лаку ХВЛ;

. Травлення фольги на пробільних ділянках;

. Хімічне міднення поверхні контактних отворів, що проводиться в три етапи:

активізація хімічного розчину для міднення, під годину якого виділяє іони олова й свинцю;

сенсибілізація - процес впровадження отриманих раніше іонів олова й

свинцю в поверхні отвору для збільшення адгезії нанесеної на поверхню

отворів міді методом хімічного осадження;

хімічне осадження міді, товщина шаруючи обложеної міді складає 2-3 мкм;

гальванічне осадження міді на контактні площадки й поверхню отворів до товщини фольги 35 мкм;

. Видалення захисного малюнка провідників;

. Обрізка плати по контурі;

. Контроль ВТК;

. Перевірка цілісності провідників і іспит провідників на електричний пробій і коротке замикання;

. Контроль ВТК.

До достоїнств цього методу можна віднести виготовлені цим методом плати, допускають багаторазові перепайки, металізація контактних отворів значно збільшує надійність монтажу.

До недоліків цього методу відноситься велика трудомісткість операцій по підготовці поверхні заготівель для нанесення хімічного покриття.

Самостійного застосування в промисловому виробництві друкованих плат цей метод не знаходить, але широко застосовується в сполученні з іншими методами. Так, хімічний метод травлення двостороннього фольгованого діелектрика електрохімічний метод металізації отворів складають комбінований метод, що є основним при виготовленні двосторонніх друкованих плат.

Комбінований метод заснований на виготовленні плати з фольгованого діелектрика, при цьому провідний малюнок одержують, як правило, хімічним методом, а металізацію проводять хімічним чи електрохімічним осадженням.

Цей спосіб, у залежності від того, на якому етапі виробляється травлення, поділяється на негативний, (травлення здійснюється до металізації) і позитивний (травлення здійснюється після металізації). Технологічний процес виготовлення друкованих плат негативним комбінованим методом складається з наступних етапів:

. Нарізка заготівель з фольгованого діелектрика з обліком технологічного полючи;

. Очищення поверхні фольги;

. Нанесення захисного малюнка провідників;

. Контроль ВТК, проводитися на установках візуального контролю УВК із ціллю перевірки якості виконаного захисного малюнка провідників;

. Хімічне травлення міді;

. Видалення захисного малюнка провідників;

. Контроль ВТК;

. Нанесення захисного кулі лаку ХВЛ;

. Свердління монтажних отворів;

. Хімічне міднення отворів;

. Видалення захисного лаку ХВЛ;

. Гальванічне осадження міді, при цьому мідь буде осаджуватися як в отворів так і на провідники забезпечуючи надійний електричний і механічний контакт провідників з металевим покриттям отвору, при необхідності на провідники й контактні відчини методом гальванічного осадження можна нанести захисне покриття типу ПОС, що одночасно буде захищати про-водники й контактні відчини від окислювання й поліпшувати спаювання при монтажі;

. Обрізка плати по контурі;

. Електричний контроль;

. Контроль ВТК.

Технологічний процес виготовлення друкованих плат позитивним комбінованим методом складається з наступних етапів:

. Нарізка заготівель з фольгованого діелектрика з обліком технологічного полючи;

. Очищення поверхні фольги;

. Нанесення захисного малюнка проміжків між провідниками;

. Контроль ВТК, проводитися на установках візуального контролю УВК із ціллю перевірки якості виконаного захисного малюнка провідників;

. Нанесення захисного кулі лаку ХВЛ;

. Свердління монтажних отворів;

. Хімічне міднення отворів;

. Видалення захисного лаку ХВЛ;

. Гальванічне осадження міді, і захисного покриття типу ПОС;

. Контроль ВТК;

. Видалення захисного малюнка проміжків між провідниками;

. Хімічне травлення міді;

. Контроль ВТК;

. Обрізка по контурі;

. Електричний контроль;

. Контроль ВТК.

Недоліком позитивного методу є те, що при травленні фольги металізація отворів покривається шаром окислів, що погіршує процес їхнього лудіння.

Однак позитивний метод володіє і поруч переваг, наприклад: зменшується час впливу електролітів на діелектрик, виключається можливість зриву контактних площадок при свердлінні монтажних отворів, і не потрібно спеціальне оснащення для проведення металізації.

В цьому курсовому проекті більшість деталей пристрою змонтована на друкованій платі.

Для виготовлення друкованої плати я обрав хімічний метод виготовлення друкованої плати у зв'язку з простотою технологічного процесу виготовлення плати і дешевизною в порівнянні з іншими методами.

Мною розроблена маршрутна карта (таблиця 3.1) для технологічного процесу виготовлення плати, де були виділені основні операції та устаткування до маршрутного технологічного процесу.

Таблиця 3.1 - Маршрутна карта

№ операції

Найменування операції

Необхідне устаткування

Розряд

Норма часу

1

Нарізка заготівок

Ножиці гильотині ОА 805

2

1.2

2

Свердління базових отворів

Свердлильний верстат із програмним керуванням 62-005 "Мультифор"

2

1.1

3

Очищення поверхні заготівок

Установка гідроабразивної очистки Ю.108626

2

2.5

4

Декопіювання

Установка промивання й декопіювання Ю.108620

3

2.0

5

Сушіння

Шафа сушильна ФКШ-50

3

11.2

6

Нанесення фоторезисту

Установка нанесення фоторезисту "Ламинатор" КМ 3289.00

3

1.5

7

Сполучення й експонування

Установка сполучення й експонування УПЭ-901-М

3

2.5

8

Зняття лавсанової плівки

Стіл робочий ГОСТ 11.603-84 бенкетує ГОСТ 4.585-83

3

1.0

9

Прояв фоторезисту

Установка прояву "Процесор"

3

1.9

10

Задублення фоторезисту

Шафа термодубления ФСШ-50

3

1.5

11

Контроль ВТК

Стіл робочий ГОСТ 11.603-84, мікроскоп МБС-9-100Х ГОСТ 7.728-85

4

1.3

12

Нанесення лаку ХВЛ

Установка для нанесення й сушіння лаку Д.92.51.41.08

3

1.5

13

Сушіння лаку ХВЛ

Установка для нанесення й сушіння лаку Д.92.51.41.08

3

7.2

14

Свердління монтажних отворів

Свердлильний верстат із програмним керуванням 62-085 "Мультифор"

3

2.5

15

Видалення лаку ХВЛ

Установка для видалення лаку ХВЛ

3

1.8

Травлення міді

Установка для травлення друкованих плат ТАУ2М

3

1.4

17

Видалення фоторезисту

Установка для зняття фоторезисту

3

1.9

18

Обрізка плати по контурі

Ножиці Гильотинні ОА 805

2

1.9

19

Промивання

Ванна для промивання

3

1.6

20

Сушіння

Шафа сушильна

3

12.7

21

Контроль електротехнічних параметрів

Стіл монтажний СМ-3, тестер

3

1.7

22

Контроль ВТК

Стіл робочий ГОСТ 11.603-84, мікроскоп МБС-9-100Х ГОСТ 7.728-85

4

1.3

23

Формування виводів елементів

Напівавтомат формування виводів ПАФ-1

3

1.1

24

Лудіння виводів елементів

Автомат лудіння АЛ-1

3

1.0

25

Установка елементів

Напівавтомат установки елементів

3

1.4

26

Монтаж елементів

Установка пайки хвилею припою УП-2М НГО.054.21

3

1.2

27

Видалення флюсу

Автоматизована установка для видалення флюсу

3

1.4

28

Контроль

Стіл робочий ГОСТ 11.603-84

4

1.3

29

Налагодження й регулювання

Стіл монтажний СМ-3, тестер, осцилограф З1-64, латр 2М

4

4.0

30

Нанесення захисного лаку

Установка для нанесення й сушіння лаку Д.92.51.41.08

3

1.5

31

Установка й монтаж пристрою в корпус

Стіл робочий ГОСТ 11.603-84

3

3.6

32

Контроль на функціонування

Стіл монтажний СМ-3, блок живлення, спеціальний стенд

4

3.0

33

Контроль ВТК

Стіл робочий ГОСТ 11.603-84

4

1.1

34

Упакування

Пакувальний автомат

2

1.2



3.3 Охорона праці та навколишнього середовища


3.3.1 Аналіз умов праці

Для організації виробничого процесу необхідно цехове приміщення загальною площею 100 м2 та висотою не менше 3м. Дана площа виділена під радіомонтажну дільницю.

Для виконання монтажу та контролю виробленої продукції, приміщення обладнане механічними та електричними інструментами (пасатижі, паяльник та ін.), ВТК та монтажними столами, контрольно-вимірювальною апаратурою. Згідно із технологічними процесами, для виробництва радіоелектронної апаратури (РЕА) необхідно застосовувати наступні хімічні речовини: флюси, каніфоль, паяльні сплави, кислотні та соляні травники, луги, лако-фарбні вироби, розчинники та ін.

3.3.1.1 Організація робочого місця

Одним з найважливіших етапів виробництва є правильна організація та обладнання робочого місця.

Робоче місце - це обмежена територія виробництва, призначена для виконання певного роду робіт в виробничому процесі, одним або групою працівників, укомплектоване необхідними матеріалами та обладнанням:

         основне технологічне;

-        допоміжне.

При досконало організованому робочому місці слід мати на увазі не тільки зони прикладання праці а й сам трудовий процес. Вірна організація трудового процесу включає в себе знаходження самих вимог до праці, щоб рухи та прийоми робіт були найбільш продуктивні та найменш утомляючи, щоб досягти мінімального числа робочих прийомів та рухів, при важких або монотонних роботах.

Завдяки використанню засобів механізації та автоматизації обладнання робочого місця, обстановка зручними меблями, загальними та допоміжними пристроями, досягається економія робочого часу і сприяє зменшенню психологічного та фізичного навантаження. Планування та облаштування робочого місця розробляється з урахуванням забезпечення зручного виконання робіт. Тому всі предмети (інструмент), якими користується працівник під час виконання тих чи інших робіт, повинні бути розташовані в зоні оптимальної діяльності, що забезпечує короткий шлях руху.

До складу обладнання та розміщення робочих місць належать:

·  верстати та робочі столи;

·  комплект технологічного обладнання постійного виробництва;

·  полиці, столики та підставки для збирання готової продукції;

·  механізація, інструмент постійного використання;

спеціальне обладнання для виконання певного роду робіт;

·  універсальне технологічне обладнання (паяльник, витяжка та ін.);

·  інструмент електромонтажника з ізольованими ручками та інші інструменти спеціалізація яких використовується для проведення певного роду робіт.

3.3.1.2 Мікроклімат

Метеорологiчнi умови середовища та характер виконуваної роботи створюють мiкроклiмат, який впливає на процес теплового обмiну людського органiзму iз зовнiшнiм середовищем. Мiкроклiмат визначається температурою, відносною вологiстю та швидкiстю руху повiтря, що діють на людину. Згiдно ГОСТ 12.1.005-88. ССБТ [9.5] мiкроклiмат робочої зони нормується залежно вiд періоду року та категорiї робiт за енерговитратами.

Слід відмітити, що відносна вологість допускається не більше 75%. За енерговитратами роботи, що виконуються в процесi виробництва радіостан-ції, належать до легких (витрати менше 150 кКал/год). Для таких робiт опти-мальними є метеорологiчнi умови згiдно ГОСТ 12.1.005-88.

Для пiдтримання оптимальних метеорологiчних умов в холодну пору ро-ку використовується водяне опалення примiщення та механiчна вентиляцiя, а в теплу пору року - природна вентиляцiя або кондицiонери, які нормуються згідно СНиП 2.04.05-88.

3.3.1.3 Шкідливі речовини в повітрі робочої зони

Відомо, що паяльні роботи, які повинен виконувати монтажник, пов’язані із виділенням шкідливих для здоров’я речовин. До найбільш небезпечних компонентів паяльного диму відносять частки абієтинової кислоти (каніфолі), яка викликає астматичну реакцію навіть у здорової людини. Крім того, частки каніфолі або продуктів розпаду без каніфольного флюсу, як правило, сильно забруднені свинцем, про шкідливість якого відомо багатьом. Паяльний дим має у своєму складі не лише тверді мікрочастки, але і гази, які утворюються в результаті обробляння флюсу. Найшкідливіший із них - формальдегід. Він є одночасно не лише дуже сильним алергеном, а й канцерогеном, тобто призводить до розвитку як алергічних, так і онкологічних захворювань.

Шкода для здоров’я - це лише одна із чисельних проблем, які утворює паяльний дим. Він погіршує видимість на паяльному місці, що призводить до підвищеного втомлення оператора і зниження якості роботи.

3.3.1.4 Шум, вібрація, ультразвук, інфразвук

Шум та вібрація негативно впливають на людину, викликаючи різні зміни в організмі. Шум та вібрацію на виробництві створюють різні механізми та машини (електродвигуни, вентилятори, насоси, компресори). Рівень звукового тиску у приміщеннях на робочих місцях не повинен перевищувати 95 дБ при частоті 8 кГц.

Інфразвук (f<16 Гц) справляє руйнівні дії на організм людини. Згідно діючим нормативним документам, рівні звукового тиску у відставних голосах із середньогеометричними частотами 2, 4, 8,16 Гц повинно бути не більше 105дБ, а для смуги з частотою 32 Гц - не більше 102 дБ. Ультразвук викликає функціональні порушення нервової системи, інші негативні наслідки для організму людини. Припустимі рівні звукового тиску на робочих місцях не повинні перевищувати значень, приведених в таблиці 3.2.

Таблиця 3.2 - Припустимі рівні ультразвуку

Середні геометричні частоти 1/3 октавних смуги, кГц

12,5

16,0

20,0

26,0

31,5-100

Рівні звукового тиску, дБ

80

90

100

106

110


3.3.1.5 Електромагнітні випромінювання

Джерелами випромінювання електромагнітної енергії являються різноманітні установки, починаючи від потужних телевізійних, радіомовних станцій, промислових установок високочастотного нагріву і закінчуючи вимірювальними, контрольними та лабораторними пристроями різного призначення. Джерелами випромінювання можуть бути будь-які елементи, ввімкнені в високочастотне коло.

Первинним проявом дії електромагнітної енергії являється нагрів, який може призвести до змін і навіть до пошкоджень тканин та органів. Під впливом магнітного поля частотою 50 Гц з'являється "магнітний фосфен" (відчуття мигання). В результаті довготривалого перебування в зоні дії електромагнітних полів настає передчасна стомленість, сонливість або порушення сну, з'являються головні болі, настає розлад нервової системи і т.д. При систематичному опроміненні спостерігаються зміни кров'яного тиску, уповільнення пульсу, нервово-психічні захворювання і трофічні явища (випадання волосся, ломкість нігтів і т.д.).

3.3.1.6 Небезпека ураження електричним струмом

Небезпека ураження електричним струмом виникає в момент дотику до неізольованих струмопровідних частин з такою швидкістю, що людина, яка перебуває під напругою, часто позбавляється можливості відірватися від них. Виникає електротравма, важкість якої переважно значна. Організм людини можна розглядати як увімкнутий в електричне поле провідник з певним електричним опором. Будова організму людини з розмаїтих клітин та розчинів солей визначає його різний електричний опір.

Електричний струм порушує нормальні біоструми, спричиняє їх параліч. Має місце місцеве пошкодження тканин тіла та вплив на нервову систему.

Під впливом електричного струму відбувається пробиття шкіряного покриву і різке зниження електричного опору тіла. Небезпечною може видатись низька напруга, а вплив високої може завершитися сприятливо. У промисловості найчастіші випадки ураження електричним струмом напругою 127,220 та 380 В. Електричний струм може проходити через тіло людини в тому випадку, якщо людина включилася у замкнене електричне коло (паралельне вмикання) або замкнула це коло (послідовне вмикання).

Діючі електроустановки - це електроустановки, підключені до джерел живлення, які знаходяться під напругою, або ті електроустановки, що в даний момент знеструмлені, але можуть опинитись під напругою через комутаційні апарати.

Поразка електричним струмом може відбутися як від окремих частин електроустановок, неізольованих, з пошкодженням чи вологою ізоляцією, так і через сторонні предмети, які випадково опинилося в зіткненні з ними. Токи високого напруги можуть вражати розрядом через повітря на відстані, або через землю, наприклад при падінні на неї дроти високовольтної мережі. Найбільш небезпечним вважається змінний струм частотою до 50 Гц, силою починаючи з 0,1 А або 100 мА та напругою понад 250 В.

Можна виділити наступні основні причини уражень електрострумом:

дотик до струмопровідних або неструмопровідних частин, що опинились під напругою;

користування несправним електрообладнанням, електроінструментом, вимірювальними приладами, лампами і побутовими електроприладами.

Рефлекторна реакція організму на дію електричного струму зі сторони центральної і периферійної нервової систем призводить до порушення нормального ритму роботи серця, що викликає фібриляцію серця, внаслідок чого кровообіг припиняється.

3.3.2 Розробка заходів з охорони праці


3.3.2.1 Нормалізація повітря робочої зони

У системі законодавства відносно гігієни праці головне місце займає Закон: "Про забезпечення санітарного та епідемічного благополуччя населення".

Значного впливу на стан організму людини, його працездатність, завдає мікроклімат (метеорологічні умови) у промислових приміщеннях. Параметри мікроклімату також завдають значного впливу на виробництво та на травматизм.

Для усунення загазованості та запилення повітряної середи промислових приміщень, а також підтримки температурно-вологого режиму необхідні наступні заходи:

використання технологічних процесів та обладнання, які виключають можливість утворення шкідливих речовин або потрапляння їх у робочу зону;

пристрої витяжної вентиляції.

Електропаяльник з обдувом забезпечує відхилення від зони дихання конвективного потоку, забрудненого аерозолями свинцю, олова, вісмуту, які утворюються при паянні олов'яно-свинцевими припоями, а також продуктами сублімації флюсу.

Оздоровлення повітряного середовища досягається завдяки вдосконаленню технологічних процесів, герметизації обладнання і апаратури, ізоляції дільниць і процесів з інтенсивним утворенням пилу і виділенням отруйних речовин, застосування агрегатів, що вловлюють і виводять шкідливі речовини, використанню дистанційного управління виробничими процесами, забезпеченню працівників засобами індивідуального захисту.

3.3.2.2 Виробниче освітлення

Серед факторів зовнішнього середовища, котрі впливають на організм людини у процесі праці, світло займає одне з перших місць. Залежно від джерела світла, воно може бути природним, штучним та комбінованим.

1. Природнє світло визначається за коефіцієнтом природної освітленості (КПО). Природнє освітлення здійснюється через вікна.

2. Штучне освітлення виробничого приміщення здійснюється за допомогою люмінісцентних ламп типу ЛБ.

3. Комбіноване освітлення використовується для виконання точних робіт, воно являє собою сукупність природнього і штучного освітлення.

Найменша освітленість робочих поверхонь у промислових приміщеннях регламентується ДБН В.2.5-28-2006 та визначається, майже, характеристикою зорової роботи. Наприклад, для зорової роботи середньої точності (0,5-1мм) при штучному освітленні Е=300-150 лк, КПО=1,5% (при боковому освітленні).

3.3.2.3 Захист від виробничого шуму, вібрацій, ультразвуку та інфразвуку

Заходи, які знижують шум безпосередньо в самому джерелі, є найбільш раціональними, оскільки не призводять до збільшення малогабаритних даних радіоелектронної апаратури та не призводять до її ускладнення.

Магнітний шум в PEA можна зменшити наступними методами:

· покращення технології і якості виготовлення трансформаторів вибір;

· оптимальних габаритних розмірів;

· застосування звукоізоляції.

Для боротьби з вентиляційним шумом PEA рекомендують застосовувати малошумні вентилятори, установити на вході вентилятора колектор та облицювати внутрішні поверхні обшивки звукопоглинаючими матеріалами. Колектори знижують вентиляційний шум приблизно на 10 дБ.

Основним засобом зниження вентиляційного шуму являється установка різноманітних глушників з застосуванням звукопоглинаючих матеріалів. Також можна використовувати звукопоглинаючі кожухи та застосовувати екрани. Для зменшення вібрації можна застосовувати пружині, резинові або інші амортизатори.

Якщо конструктивними, технологічними та будівельно-планувальними заходами неможливо знизити рівень шуму та вібрації до гранично допустимих значень, застосовують індивідуальні засоби захисту (ГОСТ 15762 - 70, ГОСТ 12.4.024 - 76, ГОСТ 12.4.002 - 74). Засобами індивідуального захисту від шуму є вкладиші, навушники та шлемофони. Для шумів з загальним рівнем 120 дБ і більше рекомендують застосовувати шлемофони, герметично закриваючі всю білявушну область.

Знизити рівень ультразвуку можна шляхом зниження його в джерелі, поглинання і звукоізоляції. Найбільш ефективне - звукоізоляція.

Безпосередній контакт робочих з джерелами ультразвуку можна усунути наступними методами:

механізація і автоматизація процесів при паянні, очищенні та обезжирюванні деталей і т.д.;

застосування індивідуальних заходів захисту в виді подвійних рукавиць (бавовняних і резинових), які відбивають ультразвук шаром повітря.

3.3.2.4 Захист від електромагнітних випромінювань

Електромагнітне випромінювання буває природне (ЕМП Землі, космічне випромінювання) та штучне, яке утворюється в результаті переміщення зарядів, протікання електричного струму. При потраплянні людини в зону випромінювання енергія ЕМП частково поглинається тілом людини. Під дією високочастотних (ВЧ) полів у тканинах виникають ВЧ струми, що супроводжуються тепловим ефектом. Електромагнітні поля при тривалому впливі можуть викликати підвищену стомлюваність, головний біль, зниження кров'яного тиску, зміну температури тіла і т. ін., пов'язаних з розладом центральної нервової і серцево-судинної систем. Поля надвисокої частоти (НВЧ), особливо сантиметрового і міліметрового діапазонів, викликають також зміни в крові, помутніння кришталика (катаракта), погіршення нюху, а в окремих випадках - трофічні явища: випадіння волосся, ламкість нігтів і т. ін.

Штучні ЕМП випромінюються від контрольно-вимірювальної апаратури, орг-техніки та, зачастіш, від їхніх кінескопів. Таке ЕМП може містити у собі α-, β-, γ - радіацію. Захиститись від α-, β - радіації можна відстанню або за допомогою одягу. Рівень γ - радіації, яку випромінює кінескоп, має допустиме значення і не впливає на людину.

Отже, для захисту від ЕМП слід вживати наступні заходи:

1. Екранувати джерело випромінювання.

2. Користуватись індивідуальними засобами захисту:

використовується одяг із металізованих тканин та радіопоглинаючих матеріалів, який послаблює випромінювання не меньш, як на 20-30дБ;

очі захищають спеціальними окулярами зі скла з нанесеною на внутрішній бік провідною плівкою двоокису олова; гумова оправа окулярів має запресовану металеву сітку або обклеєна металізованою тканиною. Такі окуляри послабляють випромінювання НВЧ на 20-30дБ.

3.3.2.5 Електробезпека

При монтажі радіоелектронного обладнання треба дотримуватися вимог електробезпеки та працювати тільки робочим електропристроєм (електродриль, електропаяльник).

При монтажі радіосхем треба вимкнути напругу живлення, забороняється: перевіряти руками наявність струму та нагрів струмоведучих частин пристрою; використовувати для з'єднання блоків та пристроїв проводу з ушкодженою ізоляцією; виконувати пайку та встановлення деталей у обладнання, котре знаходиться під струмом; працювати на високовольтних установках без захисних засобів; змінювати запобіжники при ввімкненому обладнанні.

Для наладки обладнання необхідно організувати робоче місце: спеціально обладнаний робочий стіл (верстат) та вільна частина площі коло нього, призначена для розміщення обладнання, яке налагоджується (стійок із вставними блоками та обладнання, змонтованого на візках), контрольно-вимірювальної апаратури. Наладку виконує висококваліфікований наладчик.

Якщо у обладнанні, котре налагоджується, містяться електролітичні конденсатори напругою вище 100 В, то таке обладнання необхідно розмістити так, щоб конденсатори не знаходились навпроти обличчя наладчика та не були повернуті у напрямку робочих місць. Усе це захищає наладчика від опіків електролітом, електролітичного конденсатора, який вибухнув.

По закінченню наладки обладнання повинно бути приведено у робочий стан (зняті закоротки з захисних блокувань, введені у дію механічні заземлення, поставлені на місце зняті обшивки, прибрані огорожі та екрани). Працездатність дії блокування та механічних заземлень повинна перевірятися трьохкратним вмиканням обладнання та відчиненням заблокованих дверей (зняттям огорожі). До управління обладнанням персонал приступає лише після огляду обладнання та перевірки справності захисних пристроїв (блокувань та механічних заземлень) робочої камери. Справність їх дії визначається по показникам вимірювальних пристроїв та сигнальних ламп.

При вимірюванні параметрів режимів роботи обладнання та оброблення виробу необхідно дотримуватися наступних вимог:

· не проникати до пристроїв, вмонтованих під захисне скло та сітки, не знімати пристроїв, які їх загороджують;

· до включення в електричну мережу заземлювати металеві корпуси переносних вимірювальних пристроїв;

· при відключенні пристроїв дріт захисного заземлення відключити в останню чергу.

3.3 Пожежна безпека


Правила пожежної безпеки докладно викладені у "Правилах пожежної безпеки в Україні", а також ДНАОП 0.00-1.31-99. Основні їх засади буде приведено нижче.

Споруди і ті їх частини, в яких розташовуються РЕА, повинні бути не нижче другого ступеню вогненебезпечності. Над і під приміщенням, де розташовуються РЕА, так само в суміжних з ним приміщеннях забороняється розташування приміщень категорії А і Б за вибухонебезпечністю. Приміщення категорії В слід відокремлювати від приміщень з РЕА протипожежними стінами. Для промивання деталей необхідно застосовувати негорючі миючі засоби. Промивання горючими рідинами дозволяється тільки в спеціальних приміщеннях, обладнаних припливно-витяжною вентиляцією. Засоби для забезпечення безпеки людей визначаються в залежності від пожежонебезпечних властивостей та кількості речовин та матеріалів згідно з ГОСТом 12.1.004-91.

Приміщення, в яких розташовуються персональні комп'ютери і машинні зали повинні бути оснащені системою автоматичної пожежної сигналізації з димовим пожежним сповіщенням, переносними вуглекислотними вогнегасниками з розрахунку 2 одиниці на кожні 20 квадратних метрів площі приміщення. Евакуаційних виходів з приміщень кожного поверху повинно бути не менше двох.

Первинні засоби пожежогасіння використовуються для боротьби з первинним вогнем. До них належать вогнегасники, пожежні крани, ручні насоси, ємності з водою, ящики з піском тощо. Для гасіння пожежі використовують вогнегасники хімічно - пінні (ВХП - 10), вуглекислотні (ВВК-2, ВВК-5) та порошкові (ВП-1, ВП-1В і т.д.). Ручні вуглекислотні вогнегасники можуть бути використані для гасіння пожежі в електроустановках під напругою до 1000 В. За ефективністю пожежогасіння та ємності перспективним є порошковий вогнегасник.

Прилади, які виділяють тепло (електропаяльники, електрообпалювачки, радіоапаратура великої потужності та ін.) необхідно тримати якнайдалі від легкозаймистих речей. Щоб уникнути пожежи, електропаяльники і електрообпалювачки повинні забезпечуватися спеціальними термостійкими діелектричними корпусами та підставками. Кінці монтажних дротів слід обпалювати в термостійких негорючих шафах.

3.4 Охорона навколишнього середовища


Охорона навколишнього середовища представляє систему державних і суспільних заходів, що забезпечують збереження природного середовища, придатного до життєдіяльності нинішніх і майбутніх поколінь. Охорона природи в цій системі займає номер 17, регулюється ДСТ 17.0.005-93.

Для очищення стічних вод, що поступають у відкриті водоймища, будуються очисні споруди, а для очищення повітря, що викидається в атмосферу, - газопилоутримуючі установки. Для локального очищення стічних промислових вод застосовуються наступні устаткування: установка очищення промстоків ОПС-У застосовується для очищення стічних вод від хрому та іонів важких металів; УР-1 - для регенерації розчину, використаного при труїнні міді.

З метою охорони навколишнього природного середовища від шкідливих хімічних дій в ДСТ 12.1.005-88 ("Повітря робочої зони. Загальні санітарно - гігієнічні вимоги") вказано, що необхідно поєднувати методи уловлювання газів, що відходять від технологічних процесів, з одночасною їх утилізацією.

Для очищення повітря від органічних розчинників широко застосовуються адсорбери типу А-1 і А-6, в яких сорбентом є поліакрилонітрильне полотно, модифіковане активованим вугіллям АГ-3. Для очищення повітря від пари кислот застосовується фільтри типу УИФ-2, де фільтруючим матеріалом служить іоно-обмінний волокнистий матеріал.

Висновок


Згідно до завдання на курсове проектування розроблено та обґрунтовано "Універсальний терморегулятор”.

У розрахунковій частині був проведений розрахунок трансформатора.

Для вибору методу виготовляння друкованої плати було розглянуто декілька найпоширеніших методів виготовлення двобічних, однобічних та багатошарових плат, з яких обрано хімічний метод, так як він найдешевший і найпростіший у виконанні.

Відповідно до завдання, був розроблений технологічний процес виготовлення друкованої плати обраним методом.

Перелік посилань


1.      Белинський В.Т., Гондюл В.П., и др. Практическое пособие по ученому конструирования РЭА. - К.: Вища школа, 1992.

2.      Ванін В.В., Блібок А.В., Гнітецька Г.О. Оформлення конструкторської документації. Навчальний посібник. - К.: Каравела, 2003.

.        Вершини О.Е., Мироненко И.Г. Монтаж радиоэлектронной аппаратуры. - М.: Высш. шк., 1991.

.        Гершунский Б.С. Справочник по расчету электронных схем, - Київ: Вища школа, 1983.

.        Методичний посібник для виконання курсової та дипломної роботи, ХРТТ 2006.

.        Методичний посібник на тему: "Охорона праці и навколишнього середовища” ХРТТ, 2005.

.        Москвин А.Н. Блок управления холодильником / А.Н. Москвин // Радио. - 2003. - №10. - С.36-38.

.        Павлов С.П. Охрана труда в радио - и электронной промышленности. - М.: Радио и связь, 1985.

.        Федулова А.А. Технология изготовления печатных плат, М.: Вища школа, 1998.

.        Хакє Х.І., Фабіан Х.І. Технологія виготовлення радіоелектронної апаратури. - М.: Енергія, 1980.

Похожие работы на - Універсальний терморегулятор

 

Не нашли материал для своей работы?
Поможем написать уникальную работу
Без плагиата!
Без нейросетей!