Модернизация схемы осциллографа Xminilab-B на микроконтроллере Atmel
Курсовой проект
по дисциплине
Микропроцессоры и микропроцессорные
системы
На тему:
Модернизация схемы осциллографа Xminilab-B на микроконтроллере Atmel
Разработал:
Бабарин Д.А.
Введение
осциллограф микроконтроллер схема
За время своего развития средства ЭВТ прошли ряд этапов, которые принято
называть поколениями развития ЭВМ.
Первые ЭВМ на основе вакуумных электроламп разработаны в 1946 году.
Машины были крупных размеров, использовали перфокарты, были построены на
принципе «нависного масштаба», из-за чего часто выходили из строя. Примерамы:
машин 1-го поколения могут служить МЭСМ, БЭСМ (СССР); Mark 1 (IBM), ENIAC, UNIVAC (Remington Rand - позже Unisys).
Второе поколение появилось в 1953 году. Вместо вакуумных ламп пришли
полупроводниковые транзисторы, изобретённых в 1948 году, и диоды, ФТЯ и ФДЯ.
Принцип построения - печатная плата. Компьютеры имели до 32 Кбайт оперативной
памяти, а скорость вычислений от 200000 до 300000 в секунду. Машины второго
поколения - IBM 1401, Алгом, ЭВМ «Весна» и «Снег».
С 1964г, элементная база у компьютеров 3го поколения - интегральная схема
(ИС), используется полупроводниковая память - появляются ЭВМ общего назначения.
ЦП стали способны управленть многочисленными периферийными устройствами - это
принцип «параллелизма», принцип мультипрограммирования и режим разделения
реального времени, первые операционные системы и языки программирования
высокого уровня. Производительность - 2млн операций в секунду, началось
промышленное производство компьютеров. Представителями 3го поколения являются
компьютеры IBM 360 и линейка ЕС ЭВМ, разработанная
странами СЭВ.
За счёт сокращения многих параметров (длины слова, количества команд,
использование общей шины) появляются системы малых ЭВМ, а дальнейшее их
развитие - 4е поколение компьютеров (71 год - настоящее время), система микро
или персональных ЭВМ. Их элементная база - БИС и СБИС. Появился коммунальный
режим использования мощностей компьютеров (сразу нескольких). Первым
микропроцессором стал Intel-4004 созданный в 1971 году, предназначенный для
только вышедших калькуляторов.Универсальный микропроцессор Intel-8080,
явившийся стандартом микрокомпьютерной технологии и созданный в 1974 г.,
содержал уже 4500 элементов и послужил основой для создания первых ПК.
В 1979 г. выпускается один из самых мощных и универсальных 16-битный
микропроцессор Motorolla-68000 c 70.000 элементами, а в 1981 г.- первый
32-битный микропроцессор Hewlett-Packard с 450 тыс. элементами.
Одним из первых персональных компьютеров четвертого поколения считается
Altair-8800. Созданный на базе микропроцессора Intel-8080. Его появление
стимулировало рост периферийных устройств, компиляторов высокого уровня. Весной
1983 г. фирма IBM выпускает модель PC XT с жестким диском, а также объявляет о
создании нового поколения микропроцессоров 80286. Первые 32-разрядные
микропроцессоры появились на мировом рынке в 1983-1984 гг., но их широкое
использование в высокопроизводительных ПК началось с 1985 г. после выпуска
фирмами Intel и Motorola микропроцессоров 80386 и М68020 соответственно. Эти
БИС открыли новое микропроцессорное поколение, реализующее обработку данных на
уровне "больших" ЭВМ. В 1989 г. был начат выпуск более мощного МП
80486 с быстродействием более 50 млн. операций в
В 1991 году появился процессор Intel80486SX, который не имел сопроцессора
и не мог сам обрабатывать все операции, но появляется аналог - Am486DX,
содержащий пятиступенчатый целочисленный конвейер и встроенный математический
сопроцессор.
В 1993 году появились первые процессоры Pentium с частотой 60 и 66 Мгц -
это были 32-разрядные процессоры с 64-битной шиной данных и суперскалярной
архитектурой - способность за один такт выпускать с конвейеров до двух
инструкций. В начале 1997 года появились процессоры Pentium MMХ. Её объединение
с архитектурой Pentium
Pro привели к появлению процессора
Pentium II. 26 февраля 1999 года анонсирован Pentium III, добавлен набор инструкций SSE. В 2000м Intel
представила Pentium 4 с архитектура седьмого поколения - NetBurst.
июля 2006 года был представлен Core 2 Duo, которые делятся на Solo
(одноядерные), Duo (двухъядерные), Quad (четырехъядерные) и Extreme (двух - или
четырехъядерные с повышенной частотой и разблокированным множителем), а позже -
Core i7, в 2008 году.
С появлением однокристальных микро-ЭВМ связывают начало эры массового
применения компьютерной автоматизации в области управления. По-видимому, это
обстоятельство и определило термин «контроллер» (англ. controller - регулятор,
управляющее устройство).
Первый патент на однокристальную микро-ЭВМ был выдан в 1971 году
инженерам М. Кочрену и Г. Буну, сотрудникам американской TexasInstruments.
Именно они предложили на одном кристалле разместить не только процессор, но и
память с устройствами ввода-вывода, что и характеризует микроконтроллер в
общем.
В 1976 году американская фирма Intel выпускает микроконтроллер i8048. В
1978 году фирма Motorola выпустила свой первый микроконтроллер MC6801,
совместимый по системе команд с выпущенным ранее микропроцессором MC6800. Через
4 года, в 1980 году, Intel выпускает следующий микроконтроллер: i8051. Удачный
набор периферийных устройств, возможность гибкого выбора внешней или внутренней
программной памяти и приемлемая цена обеспечили этому микроконтроллеру успех на
рынке. В 80-х годах в нашей стране сложилась ситуация компьютерной безграмотности,
это было связано с тем, что уровень практического применения ЭВМ был низок. В
связи с этим была начата реформа профессионального образования для борьбы с
этой безграмотностью. Были выделены средства на оснащение вычислительных
центров, компьютерных классов, учебных лабораторий средствами ЭВМ, а предметы
«Основы информатики», «Программирование» были введены во все учебные планы
школ, колледжей, вузов, даже на непрофилирующие специальности.
В свете вышеизложенного, в данном курсовом проекте производится
модернизация схемы осциллографа XminiLab-B на МК ATXMega32A4 с
целью повышения производительности и точности преобразования
1.
Обоснование выбора схемы XminiLab-B
Осциллограф на микроконтроллере от Atmel AVR ATXMEGA32A4 -
это отладачная плата, представляющая собой многофункциональный осциллограф
смешанных сигналов и анализатор спектра с генератором сигналов произвольной
формы. Кроме этого, дополнительно имеются два цифровых канала, что позволяет
использовать прибор в качестве логического анализатора, выводя данные на
небольшой графический ЖК дисплей с разрешением 128*128 точек. Сравнение
параметров приведено в таблице ниже.
результате
сравнения очевидно, что выбранная схема осциллографа XminiLab обладает следующими достоинствами:
более удобный и функциональный ЖК экран, управление МК (наличие двух энкодеров
и 7-кнопочной клавиатуры), звуковое оповещение. Сравнивая спецификации
измерительного прибора, то выбранная схема имеет меньше количество каналов, за
счёт чего увеличен целый ряд характеристик (полоса пропускания, максимальная
скорость выборки - более чем в 8 раз), что и обусловило выбор данной схемы.
. Описание работы XminiLab-B по схеме электрической структурной
Схема электрическая структурная XminiLab-b, представленная
на листе, состоит из следующих функционально-законченных частей:
Микроконтроллера
Аналого-цифровго преобразователя
8 канального мультиплексора
Интерфейса МК
Кварцевого резонатора
Блоков усилителей
Регулятора напряжения
Интегрированного AC/DC преобразователя
Стабилизатора
Дисплея
Драйвера
Основой схемы XminiLab является
МК, реализованный на БИС ATXmega32A4, такт работы определяется кварцевым
генератором CS325 c 16МГц, обеспечивающий выполнений всех операций. Питание
подаётся через стабилизатор ИМС LM404D25, задающий требуемые 3.5В.
Управление, навигация по меню, настройка параметров осуществляются с помощью
клавиатуры K1-K7 и двух энкодеров, а для отображения информации - LSD дисплей БИС DMF5008N и
буззер ИМС CMT-1603. Подсветка ЖК дисплея является
электролюминесцентной, поэтому для управления применяется специальный драйвер
ИМС MIC4832.
Кроме того, по шине подключён 8 канальный мультиплексор ИМС 74HC4051 и аналого-цифровой
преобразователь БИС ADS931.
Входная
аналоговая часть выполнена на широкополосных операционных усилителях ИМС
OPA2889 <#"722623.files/image003.gif">
. Необходимость модернизации схемы XminiLab-b
Поставлена задача: повысить производительность и улучшить
точность преобразования осциллографа XminiLab-B на МК Atmel.
С этой целью необходимо заменить исходный МК БИС ATXMega32A4 на
новый МК БИС PIC18F452-I/PT <#"722623.files/image004.gif">
Из
представленных параметров видно, что при совпадении разрядности исходного и
нового микроконтроллеров, тактовая частота новой БИС на 8 МГц превосходит
тактовую частоту исходного, что позволит повысить производительность
Из
представленных параметров видно, что новый АЦП обладает лучшей точность
преобразования за счёт большего разрешения на 2 бита.
4.
Обоснование выбора элементной базы модернизированной схемы XminiLab
Схема
осциллографа XminiLab построена на следующих БИС:
Рис.1.
Условно-графическое обозначение БИС МК PIC18F452-I/PT
Разрядность
канала данных и каналов обмена 8 бит
Тактовая
частота: 40МГц
Flash память
32Кб
SRAM: 1.5Кб
EEPROM: 256Б
Рабочее
напряжение питания2-5.5В
Уровень
логической единицы 2.4В
Уровень
логического нуля 0.4В
Тип
корпуса: TQFP-44
Температурный
диапазон -40°С - 85°С
Рис.2. Условно-графическое обозначение БИС АЦП ADS-900
Разрешение10бит
Частота дискретизации30Мгц
Входное напряжение1-2В
Полоса частот аналоговой части100
Напряжение питания2.7-3.7В
Уровень логической единицы 2.4В
Уровень логического нуля 0.4В
Потребляемая мощность 54мВт
Температурный диапазон -40° - 85°С
Рис.3. Условно-графическое обозначение БИС LSD дисплей DMF5008N
Разрешение экрана 128х128
Интегрирован контроллер
входное напряжение 2-6В
Уровень логической единицы 2.4В
Уровень логического нуля 0.4В
Память 8КБ
Параллельный интерфейс
Тип корпуса 8080-kompatibel
Температурный диапозон -20°С - 75°С
Рис.4. Условно-графическое обозначение 8и канального мультиплексора ИМС
74HC4051
Напряжение питания (Аналоговый) 2-12В
Напряжение питания (Цифровой контроль) 2-6В
Уровень логической единицы 2.4В
Уровень логического нуля 0.4В
Потребляемый ток 2мА
Температурный диапазон -40° - 85°С
Рис.5. Условно-графическое
обозначение операционного усилителя ИМС
OPA 2889
Количество каналов 2
Напряжение питания 2.6-12В
Потребляемый ток 460мкА
Количество каналов: 2
Напряжение питания 3-15В
Потребляемый ток 1.5мА
Рис.6. Условно-графическое обозначение операционного усилителя ИМС AD 8039
Рис.7. Условно-графическое обозначение лампового драйвера ИМС MIC 4832
Напряжение питания 1.8-5.5В
Потребляемый ток 45мА
Тип корпуса 8-pin MSOP
Температурный диапазон -40°С - +85°С
Напряжение питания 3.3В (Фиксировано)
Контроллер логического уровня - есть
Температурный диапазон -40С° - +85С°
Тип корпуса SOIC-8
Рис. 7. Условно-графическое обозначение регулятора напряжения ИС MC33375D
Из приведённых параметров микросхем видно, что данная элементная база
обладает следующими достоинствами: высокое быстродействие, совместимость
уровней входных и выходных сигналов, низкое потребление тока, все элементы
являются доступными и дешевыми, что и обусловило выбор данной элементной базы.
. Описание работы осциллографа XminiLab по схеме электрической принципиальной модернизированной
Рассмотрим работу схемы осциллографа XminiLab в положительной логике (уровень
логической единицы =2,4В, уровень логического нуля = 0,45В).
Кварцевый резонатор задаёт частоту работы МК DD3, используя канал PR0 (вывод 36) и PR1
(Вывод 37) с частотой 16 МГц.
Инициализация (сброс) МК DD2
осуществляется подачей на вход RESET
(вывод 35) сигнала высокого уровня.
Выходной каскад генератора сигналов произвольной формы выполнен на
двуканальном операционном усилителе DA9, подключаемый к каналам PB2 МК
DD2(Вывод 6).
-канальный мультиплексор\демультиплексор DD5, при подаче комбинации управляющих сигналов S0,S1,S2 (Выводы
9,10,11) с портов МК DD2 PE0,PE1,PE2 (Выводы
28,29,32) передаёт сигнал на вход АЦП DD4 IN (Вывод 27). Входная аналоговая часть
выполнена на широкополосных операционных усилителях DA10, которые могут регулировать смещение уровня и компенсация
сигнала, подаваемого на вход Х0-Х7 (Выводы 4,2,5,1,12-15) мультиплексора DD5.
При подаче сигнала OE
(Вывод 16 DD4) на порт OE (вывод 15) МК DD2,
последний передаёт тактовый импульс (CLK) с вывода 33 PIC на 15й вывод
АЦП DD4, после чего через шину к
двунаправленным портам I-O PD0-7 (Выводы 20-27 DD3) подаются данные, которые в дальнейшем, через эти же порты и шину
данных, передаётся непосредственно в дисплей DD1.
Для питания микроконтроллера напряжение 3.5В поступает с микромощного
стабилизатора DA4, передающего сигнал PWR на вход PA5 (вывод 1) МК DD3.
Для питания операционных усилителей в схеме используется регулятор
напряжения DA5 и интегральный AC\DC преобразователь DA6.
Драйвер DD2 управляет подстветкой дисплея DD1, «разрешая» отправку информации с
МК передачей сигнала BKL с
каналов RSW (Вывод 2) и REL (Вывод 3) на вход МК DD3 PA4 (Вывод 44),
после чего с МК DD3, с каналов PA3 (Вывод 43), PA2 (Вывод 42), PA0 (Вывод 41) передаются сигналы RD,WR, A0 на вход дисплея
DD1 (Вывод 21,22,23).
Таблица 1.
|
Входы
|
|
Клавиатура
|
Регулятор напряжения
|
Драйвер
|
Аналого-цифровой преобразователь
|
Цифровой вход
|
Аналоговый вход
|
|
K7IN
|
KEY
|
PWR
|
BKL
|
CLK
|
OE
|
PB
|
|
x
|
x
|
x
|
x
|
x
|
x
|
x
|
x
|
|
1
|
1
|
1
|
1
|
0
|
0
|
1
|
1
|
|
0
|
0
|
1
|
0
|
1
|
1
|
0
|
0
|
|
1
|
1
|
1
|
1
|
1
|
1
|
0
|
0
|
|
0
|
0
|
0
|
0
|
0
|
0
|
0
|
0
|
|
Выходы
|
|
Дисплей
|
MX
|
|
RD
|
WR
|
A0
|
S0
|
S1
|
S2
|
|
X
|
X
|
X
|
X
|
X
|
X
|
|
1
|
1
|
1
|
0
|
0
|
0
|
|
0
|
0
|
0
|
0
|
1
|
1
|
|
1
|
1
|
1
|
1
|
1
|
|
0
|
0
|
0
|
0
|
0
|
0
|
|
|
|
|
|
|
|
|
|
|
|
|
|
. Описание работы МК БИС PIC18F452I-PT по схеме
электрической функциональной
Рассмотрим работу МК БИС PIC18F452-I/PT в положительной логике (уровень
логической единицы =2,4В, уровень логического нуля = 0,45В).F452-I/PT -
низкопотребляющий, быстродействующий 8-ми битный CMOS микроконтроллер с 10 -
разрядным АЦП. Компании Microchip Technology Incorporated с 32к FLASH памяти.
Однокристальную Flash память можно программировать как изнутри, так и извне
(используя программатор). Благодаря размещению на одном кристалле с
процессором, достигнута максимальная производительность. F452-I/PT обеспечивает
следующие стандартные характеристики: 32 кБ Flash памяти, 16 тыс. команд для
программирования; 256 байт ОЗУ (SRAM) и 1.5Кб ПЗУ (EEPROM); 32 линии
ввода-вывода, сторожевой таймер (Далее, СТ) (WDT); 3х8 и 1х16 разрядные
счётчики; 5-векторная 2-уровневая система прерываний и сброс (По включению
питания - POR; таймер включения питания - PWRT; таймер запуска генератора OSC;
сброс по снижению напряжения питания - BOR); встроенный генератор и возможность
выбора другого. PIC18F452-I/PT разработан со статической логикой для работы на
частоте вплоть до 0 Гц и поддерживает энергосберегающий режим (SLEEP). Кроме
того, в основные достоинства так же входят: защита кода программы; область
памяти для идентификатора и внутрисхемное программирование по последовательному
порту (ICSP).
Биты конфигурации могут быть запрограммированы (Читаются как 0) или не
запрограммированными (читается как 1) для указания режима работы
микроконтроллера, таких как: переключение источника тактового сигнала, сброс по
снижению напряжения питания (BOR), работа таймера включения питания (PWRT),
включение СТ WDT и указание его постделителя и др.
Режим SLEEP предназначен для обеспечения сверхнизкого энергопотребления.
В этом режиме тактовый генератор МК выключен, порты I-O (выводы 10-27) остаются
в том же состоянии, что и до выполнения команды SLEEP (0,1 или третье
состояние). МК может выйти из этого режима по сигналу внешнего сброса,
переполнения СТ или при возникновении прерывания.
Тактовый генератор может работать в 8 режимах: LP низкочастотный
кварцевый резонатор (малое энергопотреблене); XT кварцевый резонатор; HS
высокочастотный кварцевый резонатор (+ с включённым PPl модулем); RC как
внешний резистор (+ с включенным каналом порта I-O); EC как внешний тактовый
сигнал (+ с включённым каналом порта I-O). Для формирования тактового сигнала в
XT, LP, HS режимах к выводам OSC1 (PR0), OSC2 (PR1) подключается
кварцевый резонатор. Включаемая при программировании МК схема PPL (Plase Locked
Loop) позволяет умножить тактовую частоту на 4, до 40МГц. Два таймера управляют
задержкой старта выполнения программы МК после включения питания, что позволяет
напряжению питания и частоте тактового генератора стабилизироваться. Первый
таймер - таймер включения питания (PWRT), устанавливает задержку 72мс (типовое
значение) при сбросе по включению питания (POR) или снижению напряжения питания
(BOR). Второй - таймер запуска тактового генератора (OST).
Вход MCLR - это сброс мк (при подаче активного низкого логического
уровня) или напряжение программирования через Детектор пониженного напряжения
(LVD) или активации внутрисхемного отладчика (ICD)
В PIC18F452 реализовано три типа памяти: Память программ (Flash), память
данных (SRAM), EEPROM память данных). Доступ осуществляется через защёлки
(D-триггеры), куда информация помещается и передаётся в память и обратно при
подаче соответствующих сигналов. Стек позволяет сохранить до 31 адреса возрата
из подпрограммы или обработки прерываний.
При указании 21-разрядным счётчиком команд РС адреса выполняемой команды,
младший счётчик команд (PCL) доступен для забиси и чтения. Регистры PHC и PCU
содержат недоступные для записи и чтения биты, для их обновления используется
регистр PCLATH и PCLATU соответственно. Содержимое регистров PCLATH, PCLATU
передаётся в СК при выполнении команды, выполняющей запись в регистр PCL.
Значение регистров PCH, PCU помещается в регистры PCLATH, PCLATU при выполнении
чтения регистра PCL, что может быть полезно при вычислении смещений счётчика
команд РС.
Таблица в памяти программ реализуется двумя методами: вычисленный переход
(добавляя смещение к счётчику команд (ADDWF PCL)) и чтением\записью таблиц. Её
данные могут быть сохранены и прочтены в памяти программ, используя функцию
табличной записи или чтения. Указатель таблицы (TBLPTR) содержит адрес байта в
памяти программ, а защёлка TABLAT - данные, которые прочитаны или должны быть
сохранены в памяти программ. Память данных реализована как статическое ОЗУ и
разделена на 16 банков, каждый из которых содержит по 256 байт. Младшие 4 бита
регистра BSR используются для выбора текущего банка памяти, а старшие 4 бита
регистра BSR не реализованы. Память данных содержит регистры специального (SFR)
и общего (GPR) назначения. Первые используются для управления ядром и
перефирийными модулями МК, в то время как GPR используется для хранения данных
пользователя. При подаче опр. Кода сигнала, BSR игнорируется и используется
банк быстрого доступа (ББД). ББД - архитектурное решение, особенно полезное для
оптимизации кода.
АЛУ микроконтроллера содержит модуль аппаратного умножения 8х8.
Результатом является беззнаковое 16-разрядное число, сохраняющееся в спаренном
регистре PRODH:PRODL. Преимущества использования аппаратного умножения 8х8:
более высокая вычислительная мощность, а значит возможность использования МК в
приложениях, где применяются DSP, и уменьшение кода программы на алгоритмы
умножения. При этом регистр -WREG - это регистр-накопитель данных и команд.
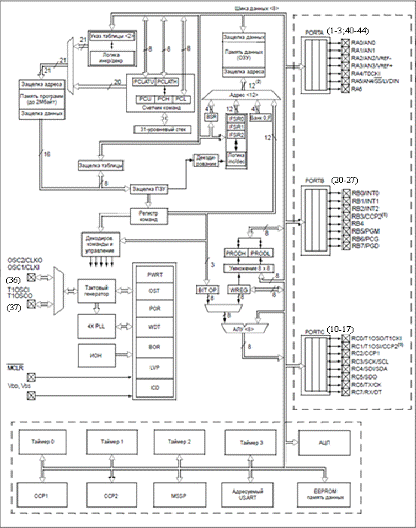
В зависимости от типа микроконтроллера, реализовано 3 или 5 порта I-O.
Некоторые каналы портов мультиплексированы с дополнительными функциями
периферийных модулей микроконтроллера. Когда используется периферийная функция,
вывод не может использоваться как канал порта I-O. Каждому порту соответствует
три управляющих регистра: TRIS - регистр выбора направления данных в каналах
порта I-O; PORT - регистр порта, результатом чтения которого является
логический уровень сигнала на выводах; LAT - защелка порта I-O, особенно
полезная при использовании команд со структурой «чтение-модификация-запись»
х3 и 16х1 разрядные таймеры используются как таймеры или
синхронные\асинхронные счётчик, задающие прерывание при переполнении.
Модули ССР содержит 16-разрядный регистр, используемый в качестве
регистра захвата данных, регистра сравнения или двух 8-разрядных (ведущий и
ведомый) регистров ШИМ. Работа модулей ССР1 и ССР2 идентична.
Модуль ведущего синхронного последовательного порта (MSSP) может
использоваться для связи с периферийными микросхемами или другими
микроконтроллерами. С этим модулем связаны три регистра: регистр статуса
SSPSTAT и два регистра управления SSPCON1 SSPCO2. Модуль работает в двух
режимах - l2С (Inter-Integrated Circuit) и SPI (последовательный периферийный
интерфейс). В режиме SPI возможен одновременный синхронный приём и передача
8-разрядных данных. В режиме l2С модуль MSSP полностью поддерживает все функции
ведущих и ведомых устройств, включая поддержку общего вызова, аппаратные
прерывания. В MSSP модуле реализована поддержка стандартного режима 7,
10-рарзядной адресации с возможность автоматического удержания тактового
сигнала при передаче данных.- адресуемый универсальный синхронно-асинхронный
приемопередатчик - это один из модулей последовательного порта I-O, который
может работать в полнодуплексном асинхронном режиме для связи с терминалами, ПК
или синхронном полудуплексном режиме для связи с микросхемами ЦАП, АЦП,
последовательными EEPROM и т.д. USART может работать в следующих режимах:
асинхронный, полный дуплекс, ведущий или ведомый синхронный, полудуплекс.
Таблица 2
|
RES
|
1
|
0
|
0
|
0
|
0
|
|
DAT
|
0
|
1
|
1
|
1
|
1
|
|
RD/WR
|
0
|
0
|
1
|
0
|
1
|
|
AN
|
0
|
1
|
1
|
0
|
0
|
|
PD0-7
|
0
|
0
|
0
|
1
|
1
|
7. Описание работы АЦП БИС ADS900
по схеме электрической функциональной
Рассмотрим работу АЦП БИС ADS900 в положительной логике (уровень
логической единицы = 2.4В, уровень логического нуля = 0.4В)- это
высокоскоростной аналогово-цифровой конвертер (ADC), построенный на конвейерном
типе преобразования. Полная дифференциальная топология и цифровой корректор
ошибок гарантирует 10битное разрешение.
АЦП состоит из следующих блоков: Ограничиватель (Отслежка и задержание),
предназначенный для ограничение подаваемого напряжения до 2В путём постоянного
отслеживания текущего сигнала (IN) (вывод 27); сам АЦП конвейерного
преобразования, напрямую соединённый с цифровым корректором ошибок; схемы
тактирования, на которую подаются тактовые сигналы (CLK) (вывод 15); модуль
задания опорного напряжения, на который подаётся отрицательный (Lnby) и
позитивный (LpBy) пропускающие, а так же задаётся средняя точка напряжения (CM)
(вывод 26), это напряжение участвует в преобразовании; порты трёх состояний
служат для задания режима работы АЦП, генерации управляющего сигнала OE и
передающего преобразованный цифровой код на внешнюю шину данных.
АЦП работает в следующих режимах:
Режим высокого импеданса и режим нормальных операций (подачей логического
сигнала на 16 вывод). Функция предназначена для проверки и отладки и не
рекомендуется к периодическому использованию.
Дифференциальный режим операций наилучший режим для однократного
дифференциального конвертирования. В качестве пассивного компонента, преобразователь
может быть использован для повышения амплитуды сигнала без добавления шума или
искажения, в тоже время, это электрическая изоляций конца фронта сигнала от
конвертера и защита от помех. Активируется, если вывод СМ (Вывод 26) соединить
со средней точкой трансформатора.
Режим низкого энергопотребления. В этом режиме цифровые выход установлены
в 3м состоянии и преобразование выбранного сигнала происходит не очень точно,
но сокращает ток, потребляемый от источника питания на 70%.
Процесс преобразования занимает 9 стадий. Во время каждой стадии
аналоговый сигнал повторяется на АЦП с логических элементов, где преобразуется
в цифровой код и сравниваются два бита кода с 2 битами опорного напряжения, так
же преобразованном в цифровой код. Если два бита flash больше битов опорного
напряжения, то в блок цифровой задержки отправляется “1”, иначе “0”. Кроме
того, логических результат отправляется в блок ЦАП, где в зависимости от
результата, flash биты преобразуются обратно в аналоговую величину,
инвертируются и подаются на сумматор первоначальной аналоговой величины, где
происходит (если “1”) вычитание. Последующие стадии повторяют первую.
Таблица 3
|
Режим работы
|
in
|
CLK
|
PDN
|
D0-7
|
|
Режим высокого импеданса
|
0
|
1
|
0
|
0
|
0
|
|
Стандартный режим
|
1
|
0
|
1
|
0
|
1
|
|
Низкого энергопотребления
|
1
|
0
|
1
|
1
|
1
|
. Расчёт временных соотношений командного цикла МК БИС PIC18F452-I/PT
Произведем расчет временных соотношений командного цикла МК БИС
Тактовая частота работы МК задается кварцевым резонатором (CS325) = 16 Мгц.
Найдем период следования импульсов сигнала (TCS325):
При
расчёте были использованы следующие справочные данные:
1) Время выборки команды из памяти
выб=Tcs325-30=32,5 нс
) Время обработки и исполнения команды
Тисп=4*Тcs325=250 нс
Длительность командного цикла (Ткц) МК будет равна сумме времени выборки
команды из памяти (Твыб) и времени исполнения (Тисп)
Ткц=Tвыб+Тисп=32.5+167.5=282.5 нс
В результате расчёта временных соотношений командного цикла, общая
длительность составила 282.5 нс, что удовлетворяет техническим требованиям на
данную БИС.
. Расчёт точности и погрешности преобразования АЦП БИС ADS900
Произведем расчет точности и погрешности АЦП БИС ADS900.
Данные взяты из справочной литературы и даташита на данный АЦП
Класс точности определяется из расчёта приведённых погрешностей
квантования АЦП по формуле:
дкв=
=
*100%=0,1
Полученный
результат соответствует минимальному классу точности 0,1.
В
АЦП различают 4 типа погрешностей по постоянному току: погрешность смещения,
погрешность усиления, интегральная и дифференциальная нелинейность. Первые две
аналогичны погрешностям смещения и усиления усилителей. Интегральная или
дифференциальная нелинейность АЦП выражается в процентах или в значениях
младших разрядов (наименьше измеримое напряжение) и находится по формуле
LSB=
,
где
Uоп - значение источника опорного напряжения, а N -
разрядность АЦП.
LSB=
=0.0019*103=0.2
LSBs RMS
В
результате расчёта точности и погрешности преобразования, результат составил
0.1% (точность) и 0.2 LSB RMS, что соответствует
техническим спецификациям на данную БИС и показано в графиках работы АЦП.
.
Расчёт надёжности модернизированной схемы осциллографа XminiLab-B
Надёжность
- свойство изделия или отдельных его элементов выполнять заданные функции,
сохраняя во времени значения установленных эксплуатационных показателей в
необходимых пределах, соответствующих данным режимам и условиям использования
технического обслуживания, ремонта, хранения и транспортировки. На показатель
надёжности влияют следующие характеристики схемы: элементная база, количество
паек, условия эксплуатации, долговечность, ремонтопригодность, безотказность.
Долговечность
- свойство объекта сохранять работоспособность до наступления предельного
состояния при установленной системе технического обслуживания и ремонтных
работ.
Ремонтопригодность
- свойство объекта, заключающееся в приспособлении к предупреждению и
обнаружению отказов, повреждений и устранению их последствий путём проведения
ремонтных работ и технического обслуживания.
Безотказность
- свойство объекта непрерывно сохранять работоспособность в течении
определённого промежутка времени или определённой наработки.
Расчёт
надёжности - суть определение качественных характеристик надёжности с целью
выявления ненадёжных мест в электрических схемах и поиск путей повышения
надёжности. Данные, полученные в расчёте, должны соответствовать необходимым
техническим условиям. В случае получения надёжности ниже требуемой, должны быть
приняты меры для её повышения.
В
данном курсовом проекте применяется приближённый метод расчёта надёжности
осциллографа XminiLab-B по экспоненциальному закону
(t)=
ср
- ожидаемая наработка объекта до первого отказа и статически определяются
отношением суммы наработки испытуемых объектов до отказа к количеству
наблюдаемых объектов, если они все отказали за время испытаний. Вероятность
безотказной работы P(t) - вероятность того, что в пределах заданной наработке,
т.е. заданного интервала времени, не возникает отказа изделия. Произведём
расчёт надёжности схемы осциллографа XminiLab-B по схеме
электрической принципиальной модернизированной. Исходные данные для расчёта
представлены в таблице 4.
Таблица
4
Исходные
данные для расчёта представлены в таблице 12.
1) Общее значение интенсивности отказов схемы осциллографа XminiLab-B:
=(0,000003+0,00021+0,000017+0,0027+0,00022+0,0001+0,00001+0,00006+0,0007+0,01+0,0086+0,0001+2,064+0,310+0,075+0,084+1,457+0,14+0,02*10-6=4,16472*10-6
2) Наработка на отказ:
Т0=
)
Вероятность безотказной работы P(t)=
P (0) = 
1(10)
=
(100)
= 
(1000)
= 
(10000)
= 
P
(100000) =
(1000000)
= 
4) Наряду с вероятностью безотказной работы P(t), вычислим
показатель вероятности отказов Q(t), который определяется по формуле:
Q(t)=1-P(t)
Q(0)=1-1=0
Q(10)=1-0.999958=0,000041
Q(1000)=1-0.995844=0,004156
Q(10000)=1-0.959208=0,040792
Q(100000)=1-0.659369=0,340631
Q(1000000=1-0.015534=0,984466
При расчёте было установлено, что при малом времени эксплуатации
вероятность безотказной работы большая - близка к 1 (P(100)= 0.999583). При
увеличении времени эксплуатации, вероятность безотказной работы стремится к 0 (P(1000000)= 0.015534), а вероятность
отказа, наоборот, возрастает и стремится к 1. Данные закономерности можно
проследить по графику 1. (стр)
В результате расчета надежности было установлено, что схема осциллографа XminiLab-B является достаточно надежной и обеспечивает безотказную
работу в течении 27.4 лет.
Масштабы:
По оси P, Q: в 1см 0,2 P(t), Q(t);
По оси времени t: в 1,1см 10n(час), где n=1…6;
Заключение
В данном курсовом проекте модернизируется схема осциллографа XminiLab-B, построенного на элементах 4го поколения.
В схему электрическую структурную входят следующие блоки: MPU, АЦП, драйвер и различные
преобразователи и стабилизаторы напряжения.
Работа осциллографа XminiLab-B рассмотрена в положительной логике
(Уровень логической 1 соответствует 2.4В, а логического нуля 0.4В), были
рассмотрены основные режимы работы, а так же построены временные диаграммы и
таблицы истинности, иллюстрирующие их режимы.
МК БИС PIC18F452-I/PT состоит из следующих функциональных
узлов: блока управления, арифметико - логического устройства, блока памяти,
блоков таймеров, блоков последовательного интерфейса и прерываний.
Двухсторонний обмен информацией между функциональными блоками осуществляется с
помощью внутренней магистрали данных. Работу МК иллюстрирует таблица истинности
и временные диаграммы.
АЦП БИС ADS900 состоит из следующих
функциональных блоков: блок-ограничитель, сам АЦП конвеерного типа, блок
цифровой коррекции, блок эталонных напряжений и схема тактирования. Работу АЦП
иллюстрирует таблица истинности и временная диаграмма.
Длительность командного цикла МП, состоящая из суммарного времени выборки
команды из памяти и времени исполнения, составила 285,5нс, что соответствует
условиям на данную БИС.
Был проведён расчёт надежности приближённым методом, который показал, что
схема является надежной и обеспечивает безотказную работу в течении 11.8 лет,
все расчёты произведены на основе справочных данных.
В графической части выполнены: схема электрическая принципиальная
модернизированная, УГО и временные диаграммы работы МК БИС PIC18F452-I/PT, УГО и временные диаграммы работы
АЦП БИС ADS900.
Список используемой литературы
1. Пехотник Н.Р. Конспект лекций по курсу: «Микропроцессоры и
микропроцессорные системы», Москва 2012 - 2013г.
. Г. Шрайбер «Справочник по микросхемам. Том 1» ДМК Пресс
2002г
. Г. Шрайбер «Справочник по микросхемам. Том 2» ДМК Пресс
2002г
. Партала О.Н. «Цифровые КМОП микросхемы. Справочник» Наука и
техника 2001г
Приложение
Перечень элементов
|
Позиционное обозначение
|
Наименование
|
Количество
|
|
Микросхемы
|
|
DD3
|
PIC18F452-I/PT
|
1
|
|
DD4
|
ADS900
|
1
|
|
DD5
|
74HC4051
|
1
|
|
DD1
|
DMF5008N
|
1
|
|
DD2
|
MIC4832
|
1
|
|
Конденсаторы
|
|
С41,С24,С1,С34,С57..
|
0.1мкФ
|
20
|
|
С38,С32,С36,С20,С21..
|
1мкФ
|
10
|
|
С33,С6,С16,С2,С3,С31..
|
10
|
11
|
|
Диоды
|
|
VD1-VD7
|
1N4148
|
7
|
|
Катушка индуктивности
|
|
L1
|
CB2518T221K
|
1
|
|
Резисторы
|
|
R43,R60
|
300кOм
|
2
|
|
R42
|
750кOм
|
1
|
100кOм
|
13
|
|
R10,R54,R52,R17,R34..
|
3кOм
|
23
|
|
R55
|
75кОм
|
1
|
|
R59,R32,R15
|
150кОм
|
3
|
|
R53
|
20кОм
|
1
|
|
R16,R81
|
1кОм
|
1
|
|
R71,R34,R63,R31
|
10кОм
|
4
|
|
Прочее
|
|
DA4
|
LP29851M5-3.5
|
1
|
|
DA5
|
MC33375D-5.0
|
1
|
|
DA6
|
TPS60403
|
1
|
|
DA10
|
AD8039
|
1
|
|
DA12
|
OPA2889
|
1
|
|
DA15
|
LM4040D25
|
1
|
|
CS325
|
Кварцевый резонатор
|
1
|
|
K1-6, K7/IN
|
Клавиатура
|
7
|
|
DA7,DA8,DA16,DA17
|
Цифровые входы
|
4
|
|
DA11
|
Входы аналогого сигнала
|
1
|
|
DA17
|
Входы последовательного интерфейса
|
1
|