Расчет нагрузок на элементы конструкции докового типа

  • Вид работы:
    Курсовая работа (т)
  • Предмет:
    Физика
  • Язык:
    Русский
    ,
    Формат файла:
    MS Word
    185,2 Кб
  • Опубликовано:
    2014-04-15
Вы можете узнать стоимость помощи в написании студенческой работы.
Помощь в написании работы, которую точно примут!

Расчет нагрузок на элементы конструкции докового типа

План

Раздел 1. Определение нагрузок на рабочую секцию дока

1.1 Определяем длину одной рабочей секции дока

1.2 Определяем давление на рабочие секции дока и строим эпюры

.3 Определение силы гидростатического давления

. Определение нагрузок на переходную секцию дока

. Определение нагрузок на носовую секцию дока

.1 Определение нагрузки, действующие на боковую плоскую, сложную поверхность носовой секции дока

.2 Определение нагрузки на носовую поверхность

. Расчет кормовой секции дока

. Определение грузоподъёмности дока


Раздел 1. Определение нагрузок на рабочую секцию дока

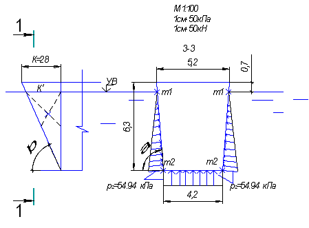
Рабочая секция дока состоит из трёх поверхностей, две из которых боковые наклонные имеют одинаковые площади и одинаковые заглубления, и одна донная горизонтальная.

.1 Определяем длину одной рабочей секции дока

Длина рабочей секции дока определяется по формуле [1]:

, (1.1)

где: L - длина дока по днищу, L=63 м m-число секций, m=8

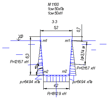
Разрез по рабочей секции дока:

Рис. 1. - Расчетная схема к определению гидростатических нагрузок на отдельную секцию дока.

1.2 Определяем давление на рабочие секции дока и строим эпюры

Давление, действующее на стенки и дно, определяем по формуле [1]:

, Па (1.2)

где: r - плотность воды, r=103 кг/м3

g - ускорение свободного падения, g=9,81 м/с2

h - заглубление точки под уровнем воды, м


где: h1-вертикальное заглубление верхней точки боковой поверхности рабочей секции дока.

h1=0; p1=0


где: h2-вертикальное заглубление нижней точки боковой поверхности рабочей секции дока, h2=a-z1

а - высота дока (а=63 м),

z1 - расстояние по высоте от верхней части дока до уровня воды, (z1=0,7 м).

h2=6,3-0,7=5,6 м; p2=103*9,81*5,6=54,94 кПа

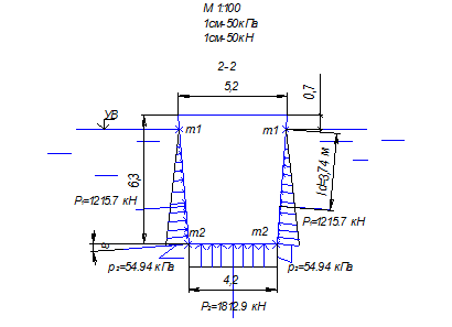
.3 Определение силы гидростатического давления

Определяем силу гидростатического давления, действующую на наклонную стенку рабочей секции дока по формуле [1]:

 (1.3)

Где: hc - заглубление центра тяжести рассматриваемой поверхности под уровень воды, м

S - площадь рассматриваемой поверхности, м2

hc=м

sin a=

Где: Т- ширина верхней части дока, м

То- ширина нижней части дока, м

sin a=6.3/=0.997=(6.3-0.7)*7.88/0.997=44.26 м2

1000*9.81*2.8*44.26=1215,7 кН

Определение центра тяжести силы Р1

Определяем центр тяжести силы Р1 по формуле: (см. рис. 1)

, м (1.4)

LD=2/3*(6.3-0.7)/0.997=3.74 м

Определяем силу гидростатического давления, действующую на дно рабочей секции дока по формуле (1.3)

S=Lc*To

S=7.88*4.2=33 м2

Р2=1000*9,81*5,6*33=1812,9 кН

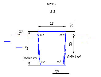
2. Определение нагрузок на переходную секцию дока

Для определения нагрузок на элементы переходной секции дока расчет упрощается:

1. Определяем давление в точках на переходной секции дока по формуле (1.2)

р1=ρgh

где: h-высота заглубления точки на переходной секции дока.1=0; р1=0.

2=а-z1

h2=6,3-0,7=5,6м;

p2=103*9,81*5,6=54,94кПа

Рис. 2 - Расчетная схема к определению гидростатических нагрузок на переходную секцию дока.

2. Определяем силу гидростатического давления, действующую на наклонную стенку переходной секции дока по формуле (1.3):

hc=м


sin a=0.997=(6.3-0.7)*7.88/0.997=44.26 м2

1000*9.81*2.8*44.26=1215,7 кН

LD=2/3*(6.3-0.7)/0.997=3.74 м

. Определяем силу гидростатического давления, действующую на дно переходной секции дока по формуле (1.3):

S=7.88*4.2=33 м2

Р2=1000*9,81*5,6*33=1812,9 кН

. Определяем точку приложения силы Р2

Т.к. поверхность расположена горизонтально под уровнем воды, давление в каждой точке одинаково, поэтому центр тяжести эпюры совпадает с центром тяжести поверхности.

6. Определяем силу, действующую на треугольную часть передней поверхности переходной секции дока по формуле (1.3):

Рис. 3 - Расчетная схема к определению гидростатических нагрузок на треугольную часть переходной секции дока.

, Н

где: S - площадь треугольной поверхности передней части переходной секции дока (см. рис. 3).

S= ½*а*(Т-Т0)/2,м2 (1.5)

S=0,5*6,3*(5,2-4,2)/2=1,575 м2

. Определяем точку приложения силы, действующую на треугольную часть передней поверхности переходной секции дока (см. рис.3).

, м (1.6)

 

,м

где: hс3- центр тяжести треугольной поверхности передней части переходной секции дока.

3. Определение нагрузок на носовую секцию дока

Носовая секция дока делится на три плоскости, 2 боковые плоские сложные и носовая криволинейная.

.1 Определение нагрузки, действующие на боковую плоскую, сложную поверхность носовой секции дока

Нагрузки определяем приближенным методом. Для этого поверхность АВС разбивают на 4 простых элемента. Погружённую под уровень воды поверхность (рис. 4) аппроксимируем, т.е. заменяем на ряд прямоугольных эпюр. Для этого поверхность на рисунке 4 делим на 4 элемента, высота каждого из которых равна (см. рис. 4):

h (1.7)

Полученная поверхность каждого элемента аппроксимируется - заменяется на прямоугольную эпюру, т.е. чтобы величина площадей сохранилась.

Затем для каждого элемента вычисляется сила гидростатического давления Pi по формуле (1.8) из [2]:, а центр давления lDi по (1.9) из [2]:, т. к элементы приняли прямоугольную форму. Величина заглубления каждого элемента hi вычисляется нарастающим итогом h1; h2=2h1…; hn=nh1. Длина каждого элемента Вi снимается с рисунка выполненного в масштабе. Расчёт сводится в таблицу 2.

hi==1,4 м

P=ρgв*sin а*, кН (1.8)

, м (1.9)

К расчёту гидростатических нагрузок приближенным способом на боковую поверхность носовой секции дока.

Таблица 2

№ элемента от УВ

Глубина погружения верхней кромки элемента h1, м

Глубина погружения нижней кромки элемента h2, м

Ширина элемента в, м

Сила гидростатического давления Pi, кН

Центр давления lDi, м

1

0

1,4

3,5

33,6

0,93

2

1,4

2,8

3,0

86,5

2,18

3

2,8

4,2

2,8

134,6

3,55

4

4,2

5,6

1,8

121,1

4,93


Рис. 4 - Расчетная схема к определению гидростатических нагрузок на боковую часть носовой секции дока.

Определяем результатирующая сила [1]:

R=P1+P2+P3+P4 (1.10)

R=33,6+86,5+134,6+121,1=375,8 кН

Определяем положение равнодействующей по теореме Вариньона

с помощью формул [1]:

ΣМА-А=R*lDR=P1lD1+ P2lD2+ P3lD3+ P4lD4 (1.11)

lDR=(P1lD1+ P2lD2+ P3lD3+ P4lD4)/R (1.12)


ΣМВ-В=R*BDR=P1+ P2+ P3+ P4

BDR=(P1+ P2+ P3+ P4)/R

BDR=(33,6*3.5/2+86,5*3.0/2+134,6*2.8/2+121,1*1.8/2)/375,8=1.29 м

.2 Определение нагрузки на носовую поверхность

Определяем нагрузку на носовую поверхность [1]:

 (1.13)

где: Px - горизонтальная составляющая силы P

Py - вертикальная составляющая силы P

Cоставляющая Рх определяется по формуле (1.3):

S=(a-z1)T,м2 (см. рис.1) (1.14)

S=(6,3-0,7)*5,2=29,12 м2

Рх=1000* 9.81* 2,8* 29,12=799,87 кН

Cоставляющая Рy определяется по формуле :

*Vт.д,кН (1.15)

Где: Vт.д - объём тела давления, м3

Vт.д=(в1234)*h*T,м3 (см. рис.4) (1.16)

Vт.д=(1,8+2,8+3,0+3,5)*1,4*5,2=80,8 м3

Рy=1000 *9.81 *80,8=792,7кН

Р6==1126,1кН

Сила P проходит через центр кривизны под углом a (рис.4)

Угол наклона силы P к горизонтали определяем по формуле [1]:

 (1.17)

; α=440451

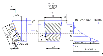
4. Расчет кормовой секции дока

Кормовая секция дока состоит из трех поверхностей, две из которых боковые треугольные, одна кормовая наклонная плоская.

. Распределение горизонтальных ригелей на кормовую стенку дока

Графический способ.

Определяем гидростатическое давление р у дна и строим эпюру давления на торцевую стенку (рис. 5). По условию равной загруженности каждого ригеля необходимо площадь эпюры разделить на равновеликие части, центры тяжести которых определят положение ригелей.

Задача решается графически: строится интегральная кривая (рис. 5), для чего определяется сила давления Р от воды на стенку при разной глубине hi, по формуле (1.3). Затем отрезок KL равный величине общей нагрузки Р на всю торцевую стенку делится на заданное число ригелей n, т. е. на 1 ригель приходится нагрузка равная P1=P/n. Из полученных точек проводим вертикальные линии до пересечения с кривой P=f(h). Эпюра гидростатического давления на стенку (рис. 5) делится на равновеликие части. Это означает, что силы давления равные объёму эпюр полученных равновеликих площадей, между собой равны и составляют: P1=P/n=P/3.

Центры тяжести равновеликих эпюр гидростатического давления определят искомое положение каждого ригеля.

Рис. 5 - К расчету ригелей графическим способом.

Угол наклона стенки определяется по формуле (см. рис.5):

Sinβ= (2.1)

Sinβ=; β=660

Давление, действующее на наклонную стенку, определяем по формуле:

p1=0; т.к. h1=0

р2=ρg(а-z1)

р2= 103*9,81*5,6=54,94 кПа

Определяем силу гидростатического давления Р по формуле:

Р=ρghс*S

Где: S - площадь трапеции

S=тр2 (см. рис. 5)

Где: а - верхнее основание трапеции

в- нижнее основание трапеции

hтр - высота трапеции

hтр=,м (см. рис. 5)

Где: h - высота сечения кормовой секции

hc=,м (см. рис. 5)

Где: hc - центр тяжести трапеции

Все расчеты сводятся в таблицу 3.

К расчёту ригелей графическим способом

Таблица 3

h,м

1,4

2,8

4,2

5,6

hc

0,69

1,38

2,05

2,71

S,м2

7,62

14,9

21,79

28,45

P,кН

51,6

438,2

756,3


Определяем силу гидростатического давления Рриг, действующую на один ригель (исходя из условия равной загруженности ригелей)

Определяется по формуле :

Рриг,кН

Где: n - число ригелей (n=3)

Рmax - наибольшая нагрузка на наклонную поверхность кормовой секции дока,кН

Рриг=

Величина заглубления lDi снимается с рисунка 5, выполненного в масштабе.

lD1=2,31 м

lD2=4,3 м

lD3=5,6 м

. Расчёт нагрузки на боковые поверхности и дно кормовой секции дока.

Рассчитываем нагрузку от воды на боковую стенку дока по формуле:

,м (см. рис. 6)


S=2 (см. рис. 6)

К'=,м (см. рис. 6)

Рис. 6 - К определению нагрузки на боковые стенки кормовой секции дока.

К'=2,8*(6,3-0,7)/6,3=2,489 м

S=

P=103*9.81*1,87*6,99=128,23 кН

Центр давления определяем по формуле :


где: lc - координаты погружения центра тяжести фигуры, м

J0 - момент инерции фигуры

Момент инерции фигуры J0,рассчитывается по формуле [1]:

J0=4 (см. рис. 6)

J0= м4

lc=,м (см. рис. 6)

lc=1.87/0.997=1.876 м2

 м2

Нагрузка на днище кормовой секции Рд равна нулю, т.к. Sд=0.

5. Определение грузоподъёмности дока

В расчёте определяем вес поднимаемого груза по формуле [1]:


где:G - собственный вес дока, т

Рарх - выталкивающая (Архимедова) сила, Н

 (из [1])

Где V- объём дока, погруженный под воду, м3

G=m*g  (из [1])

где: m-масса дока, кг

Рис. 7 - К расчёту грузоподъёмности дока

G=950*103*9.81=9319,5 кН

V=S*l

где: S-площадь трапеции, м2

l - длина дока, м

S=

где z2 - расстояние по высоте от нижней части дока до уровня воды, м

Т'=Т-, м (см. рис. 7)

Т'=5,2-(5,2-4,2)*0,7/6,3=5,09 м

Т0'=Т0+, м (см. рис. 8)

Т0'=5,2-(5,2-4,2)*0,5/6,3=5,28 м

S==26,44 м2

V=26,44*68,35=1807 м3

Рарх=1000* 9.81 *1807=17726,7 кН

Ргр=17726,7-9319,5=8407,2 кН

Ргр=qg (из [1])

где q - грузоподъёмность, т

q =(см. выше)

док гидравлический давление грузоподъемность

q ==857 т

Литература

1. Расчёт нагрузок на элементы конструкции докового типа / Методические указания к выполнению курсовой работы под ред. В.В. Агеевой. - Н-Новгород 2001. - 20с.

2. Справочник по гидравлическим расчётам/ Под ред. П.Г. Киселёва. - М.: Энергия, 1972. - 312с.

3. СТП ННГАСУ 1-1-98. Основные надписи.

4. СТК Г 1 -00. Курсовая работа. Расчёт нагрузок на элементы конструкции докового типа

5. СТП ННГАСУ 1-2-98. Титульный лист;

7. СТП ННГАСУ 1-6-98. Расчёт.

8. Чугаев Р.Р. Гидравлика. - Л.: Энергоиздат, 1982. - 578с.

Похожие работы на - Расчет нагрузок на элементы конструкции докового типа

 

Не нашли материал для своей работы?
Поможем написать уникальную работу
Без плагиата!
Без нейросетей!