Исследование элекропривода шнекового питателя сырого угля
Министерство
образования и науки Российской Федерации
Федеральное
государственное бюджетное образовательное
учреждение
высшего профессионального образования
"Национальный
исследовательский Томский политехнический университет"
Энергетический
институт Томского политехнического университета
Направление
140600 -"Электротехника, электроэнергетика и электротехнологии"
Кафедра
- Электропривод и электрооборудование
Выпускная
квалификационная работа
(на
соискание степени бакалавр)
Исследование
элекропривода шнекового питателя сырого угля
Томск
- 2013
Задание на выполнение выпускной квалификационной
работы
. Тема выпускной квалификационной работы
Исследование
элекропривода шнекового питателя сырого угля
2. Срок сдачи студентом готовой работы
3. Содержание текстового документа (перечень
подлежащих разработке вопросов)
.1 Асинхронный электропривод
.2 Разработка асинхронного электропривода с
векторным управлением
.3 Расчет параметров оптимальной настройки
системы
3.4 Оптимизация контуров регулирования системы
асинхронного электропривода с векторным управлением с классическим регулятором
скорости
3.5 Сравнительный анализ систем
. Перечень графического материала
.1 Структурная схема векторного управления при
использовании вращающейся системы координат ориентированной по потокосцеплению
ротора в относительных единицах
.2 Функциональная схема электропривода
. Дата выдачи задания на выполнение выпускной
квалификационной работы
Реферат
Выпускная квалификационная работа (ВКР) содержит
91 страниц, 69 рисунков, 12 источников, 22 таблицы.
Ключевые слова: регулируемой электропривод,
шнековый питатель сырого угля, преобразователь частоты, векторное управление,
контур регулирования, оптимизация, статические характеристики, динамические
характеристики, линеаризованная САУ, нелинейная САУ.
Объектом исследования является электропривод
шнекового питателя сырого угля на базе системы "Преобразователь частоты -
асинхронный электропривод".
Цель работы: выбрать силовую схему
электропривода, рассчитать параметры электродвигателя, выбрать преобразователь
частоты, провести оптимизацию контуров регулирования и исследовать их
динамические и статические свойства, исследовать нелинейную систему
регулирования.
ВКР выполнена в текстовом редакторе Microsoft
Word 2007 на белой бумаге формата А4 с использование программ MathCAD 14, пакет
MATLAB 7.1 Simulink 6.3., Microsoft Visio 2007.
Содержание
Введение
.
Электропривод ПСУ. Основные положения
.1
Описание электропривода ПСУ
.2
Обоснование применения частотно-регулируемого электропривода для питателя
сырого угля
.3
Особенности выбора частотно-регулируемого привода
1.4
Технические требования к электроприводу
.
Расчёт параметров элементов силовой цепи
.1
Кинематическая схема механизма питателя
.2
Выбор приводного двигателя питателя
.3
Механическая система электропривода и её параметры
.4
Определение дополнительных параметров двигателя и параметров схемы замещения
2.5
Выбор преобразователя частоты. Расчет параметров
.6
Структурная схема силового канала ЭП. Расчет параметров
2.7
Расчет предельных характеристик разомкнутой системы ПЧ-АД. Векторное управление
2.8
Проверка обеспечения заданной области работы электропривода
3.
Синтез и анализ линеаризованной САУ РЭП
3.1
Структурная схема линеаризованной системы автоматического управления регулируемого
электропривода (САУ РЭП)
3.2
Оптимизация контура тока
.2.1
Структурная схема и параметры элементов контура
.3
Оптимизация контура потокосцепления
.4
Оптимизация контура скорости
3.5
Статические характеристики регулируемого асинхронного электропривода с
векторным управлением
4.
Нелинейная САУ электропривода
.1
Структурная схема нелинейной САУ РЭП асинхронного электропривода с векторным
управлением
.2
Имитационные исследования частотно-регулируемого асинхронного электропривода
питателя
Заключение
Список
литературы
Введение
В настоящее время энергетическую основу
производства составляет электрический привод, технический уровень которого
определяет эффективность функционирования технологического оборудования.
Расширение и усложнение выполняемых электроприводом функций, применение новых
средств, требуют высокого уровня подготовки специалистов, занятых монтажом,
наладкой и эксплуатацией.
В связи с ростом требований к качеству
продукции, повышением производительности технологических агрегатов большое
распространение получили регулируемые электроприводы.
В таких приводах предлагается использование
асинхронных электроприводов с частотным регулированием, которые по
функциональным возможностям и эксплуатационным характеристикам отвечают
техническим требованиям и условиям поставленной задачи. Наиболее значимые
экономические предпосылки перехода к асинхронному электроприводу:
. Низкая стоимость асинхронной
короткозамкнутой машины по отношению к машине постоянного тока. Связано это с
ее более простой конструкцией и высокой технологичностью изготовления.
Асинхронные двигатели распространены гораздо шире, чем любые другие виды
электрических машин;
2. Низкие эксплуатационные затраты -
асинхронная короткозамкнутая машина практически не требует обслуживания в
течение всего времени эксплуатации, в то время как машина постоянного тока
нуждается в регулярном обслуживании коллекторного узла;
3. Затраты на ремонт электрической машины и
двигателей постоянного тока зачастую оказываются соизмеримыми (а для данного
применения - превышает) со стоимостью новой асинхронной короткозамкнутой
машины;
4. Степень защиты - исполнения асинхронных
короткозамкнутых машин имеют широкий ряд степеней защиты. Это имеет важное
значение для рассматриваемого применения (в окружающей среде высока концентрация
угольной пыли). Изготовление машины с коллектором на высокую степень защиты
вызывает ее существенное удорожание и осложняет обслуживание. Иногда прибегают
к созданию локальных условий установки с более благоприятной окружающей средой,
что требует еще больших затрат.
1. Электропривод ПСУ. Основные положения
.1 Описание электропривода ПСУ
Шнековый питатель сырого угля (ПСУ) осуществляет
подачу угля из бункера сырого угля в систему пылеприготовления котла. Общий вид
питателя приведен на рис. 1.1.
Рисунок 1.1- Общий вид шнекового питателя сырого
угля: 1-электродвигатель; 2-редуктор; 3-бункер сырого угля; 4-шнек; 5-течка
сырого угля
Шнековый питатель сырого угля [1]
относится к группе механизмов длительного режима работы с постоянной нагрузкой
и небольшим диапазоном регулирования скорости. Для целей модернизации
существующих нерегулируемых асинхронных или регулируемых постоянного тока
электроприводов шнековых питателей целесообразно применение частотно-регулируемого
асинхронного электропривода. При этом необходимо обеспечить повышенный пусковой
момент, плавность протекания пуско-тормозных режимов и защиту двигателя и
преобразователя по току, а механизма по моменту при больших перегрузках.
В качестве электропривода шнекового питателя
применён частотно-регулируемый электропривод с асинхронным электродвигателем с
короткозамкнутым ротором типа АД (АИР)160М4 и преобразователем частоты VLT5027
компании "Danfoss". Плавность протекания пуско-тормозных режимов достигается
установкой задатчика интенсивности скорости с S-образной выходной
характеристикой на входе системы управления электропривода. Задатчик скорости
такого типа формирует изменения скорости двигателя в пуско-тормозных режимах с
ограниченными значениями ускорения и рывка. Это значит, что в пуско-тормозных
режимах электропривода будет ограничиваться значение тока двигателя и скорости
его изменения. Однако фактическое значение тока двигателя будет зависеть от
величины статического момента и характера нагрузки, а также от конкретного вида
пуско-тормозного режима.
При больших статических нагрузках
значение максимального тока электродвигателя будет определяться значением
статического момента нагрузки. Большие перегрузки для шнекового питателя
являются аварийными режимами. В аварийных режимах производственного механизма
необходимо ограничить величину максимального тока двигателя на время
срабатывания защиты. В электроприводах со скалярным управлением для ограничения
тока на допустимом уровне предусматривается система ограничения тока,
представляющая собой контур регулирования тока с датчиком тока и регулятором
ограничения тока.
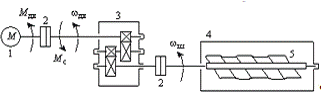
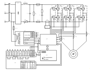
Функциональная схема
частотно-регулируемого асинхронного электропривода шнекового питателя с
ограничением тока приведена на рис. 1.2. Ограничение тока электропривода на
уровне допустимого Iэпмакс достигается с помощью отрицательной
обратной связи по фазному току статора двигателя Iф1 , действующей
на вход управления напряжением инвертора.
Рисунок 1.2 - Функциональная электрическая схема
асинхронного ЭП с ПЧ
Преобразователь частоты наиболее
распространенный для управления короткозамкнутым АД имеет АИН и ШИМ напряжения
на выходе, неуправляемый выпрямитель на входе силовой части схемы и
микропроцессорное управление.
Основные элементы, входящие в функциональную
схему:
· UZ - неуправляемый выпрямитель;
·
- фильтр;
· RT - термистор, ограничивающий ток заряда
конденсатора
;
·
- разрядное
сопротивление для конденсатора
;
· FU1,FU2,FU3 - предохранители;
· R,C - снаббер: цепь защиты от
перенапряжений на транзисторах IGBT;
· RS - датчик тока для организации
защиты (FA) от сквозных и недопустимых токов перегрузки через IGBT ;
· VT -
VD - трехфазный
инвертор на IGBT с обратным диодным мостом.
Основные блоки в
системе управления:
· Блок
питания БП, состоящий из восьми гальванически развязанных источников
постоянного напряжения;
· Микроконтроллер
AD на базе сигнального процессора TMS 320 F2812 из
серии С2000 "Motor Control" фирмы Texas Instruments;
· Плата
индикации DS с переключателем способа управления: местное или дистанционное;
· Блок
сопряжения ТВ для работы с внешними сигналами или командами;
· Согласующие
усилители UD - драйверы IGBT.
Электропривод
работает следующим образом [1]:
При подаче
напряжения 380 В на силовой вход ПЧ в звене постоянного тока происходит процесс
заряда конденсатора фильтра Со, который определяется значениями RT, Lо, Cо. Одновременно
с этим в информационную часть схемы подается питание (напряжения U1 - U8). В процессе выдержки времени на
установление напряжений стабилизированных источников питания U1 -
U4 аппаратная защита FA блокирует
открывание ключей инвертора и происходит запуск программы управления
процессором по аппаратно формируемой команде "Рестарт".
Выполняется
инициализация. Производится запись начальных условий в ячейки ОЗУ процессора и
определяется способ управления -
местное или дистанционное. Если с датчиков тока фаз двигателя ТАА,
ТАВ, ТАС, аппаратной защиты FA, напряжения сети Uc,
а также от всех каналов вторичного источника питания поступает информация о
нормальных параметрах, то ЭП готов к работе и на цифровой индикатор выводятся
нули, светится светоизлучающий диод "Подача". В противном случае
загорается светоизлучающий диод "Авария" и на цифровом индикаторе
появляется код срабатывания той или иной защиты.
Для управления
двигателем процессор формирует систему трехфазных синусоидальных напряжений,
изменяемых по частоте и амплитуде, и передает их в модулятор, в котором
синусоидальные сигналы управления фазами - "стойками" инвертора, состоящими из
последовательно включенных ключей IGBT,
преобразуются в дискретные команды включения и отключения транзисторов. Несущая
частота ШИМ составляет от 5 до 15 кГц. Одновременное замыкание двух ключей в
"стойке" инвертора блокируется, для учета реального времени запирания
транзисторов в процесс переключения вводится "мертвое" время,
составляющее единицы микросекунд, в течение которого оба ключа разомкнуты.
Микропроцессор TMS
320 2812 позволяет реализовать векторное управление
координатами двигателя. Структура системы автоматического управления
технологическим объектом, в которую включен данный ПЧ, может быть самой
разнообразной - от разомкнутой системы до
замкнутой обратными связями по нескольким сигналам. Алгоритм управления также
зависит от требований технологического объекта. Структура и алгоритм могут быть
перепрограммированы.
Силовая часть ПЧ
неизменна и пригодна для других способов управления координатами электродвигателя
с применением других микропроцессорных средств.
1.2 Обоснование применения
частотно-регулируемого электропривода для питателя сырого угля
Рабочая скорость вращения двигателей ПСУ
изменяется в относительно узком диапазоне регулирования от 500 до 1900 об/мин
[2]. В зависимости от требуемой производительности работа может производиться
на любой скорости указанного диапазона в течение длительного времени. По
отношению к электроприводу ПСУ можно рассматривать как нагрузку, статический
момент которой не зависит от скорости. Режим работы является длительным, не
предусматривающий частых пусков и остановок. Жестких требований к динамике
электропривода не предъявляется, не накладывается также ограничений на характер
переходных процессов при пуске, торможении и переходе с одной скорости на
другую, однако, переходные процессы желательно должны быть плавными. При
эксплуатации не исключены кратковременные перегрузки, сопровождающиеся
существенным ростом статического момента, вплоть до стопорения механизма. Электрические
машины эксплуатируются в окружающей среде, насыщенной угольной пылью.
Представляется перспективным перейти к
использованию асинхронных электроприводов ПСУ с частотным регулированием,
которые по функциональным возможностям и эксплуатационным характеристикам могут
отвечать предъявленным техническим требованиям:
диапазон регулирования современных асинхронных
электроприводов с преобразователями частоты при простейшем скалярном управлении
может быть получен не менее 1:(5-10), что является вполне достаточным для ПСУ.
асинхронные короткозамкнутые электродвигатели
имеют широкий ряд степеней защиты.
1.3 Особенности выбора
частотно-регулируемого привода
Выбор частотно-регулируемого привода для ПСУ
имеет ряд особенностей. Укажем те из них, которые наиболее характерны для
данного типа объектов автоматизации[2].
Диапазон регулирования современных асинхронных
электроприводов при вольт/частотном методе управления, как правило, составляет
1:40, что является вполне достаточным для ПСУ. Помимо того, вольт/частотное
управление при соблюдении закона U/f=Const обеспечивает постоянство
критического момента, необходимое для данного типа нагрузки. Однако, само
расположение нижней (500 об/мин) и верхней (1900 об/мин) скоростей является
несколько "неудобным" для стандартного ряда асинхронных машин.
Наиболее близкими к данному применению являются асинхронные двигатели с
синхронными скоростями 1500 и 3000 об/мин. Первый из них будет работать со
значительным превышением частоты тока статора (по отношению к номинальной) в
верхней части диапазона, а второй с более значительным снижением - в нижней
части диапазона. В том и другом варианте потребуется создание запаса по
моменту. В первом случае это объясняется тем, что при увеличении частоты при
постоянстве первичного напряжения будет уменьшаться магнитный поток, а,
следовательно, и максимальный момент двигателя. При этом отвод тепла у
самовентилируемого двигателя будет эффективнее, а КПД и Cosф претерпят лишь
незначительные изменения. На нижних частотах диапазона, наоборот, охлаждение
двигателей собственным вентилятором будет недостаточным для продолжительной
работы с полным моментом. На рис. 1.3 приведены скорости n (об/мин) для
двигателя с числом пар полюсов 2Р=2 (синхронная скорость 1500 об/мин).
Необходимо также помнить, что механизмы подобного класса требуют достаточно
высоких коэффициентов кратности по пусковому ks и максимальному km
моментам. В типовых применениях, в зависимости от конкретного исполнения, ks
=(1 ... 3,5) и km =(2 ... 3,5).
Рисунок 1.3- Зависимость момента
(М) от частоты (f) для асинхронного двигателя с номинальной скоростью вращения
1500 об./мин (на графике показаны границы диапазона скоростей привода ПСУ - 500
и 1900 об./мин)
Рисунок 1.4- Зависимость момента
(М) от частоты (f) для асинхронного двигателя с номинальной скоростью вращения
3000 об./мин.
Сами по себе асинхронные короткозамкнутые
двигатели стандартного исполнения не обладают столь высокими пусковыми
свойствами и перегрузочной способностью [2]. На практике это достигается
увеличением мощности двигателя и настройкой параметров преобразователя частоты.
К этим параметрам относятся те, которые определяют: функцию компенсации
момента; вольт/частотную характеристику; время разгона/торможения.
Функция компенсации момента позволяет увеличить
выходной момент при старте и работе двигателя на низких скоростях. При ее
выполнении осуществляется корректировка выходного напряжения инвертора в
соответствии с устанавливаемым коэффициентом компенсации.
Определяя параметры вольт/частотной
характеристики, нижним частотам ставят в соответствие значения напряжений выше
чем при линейной пропорциональной зависимости (рис. 1.5). Такой вид
характеристики предназначен для нагрузок, требующих большого стартового
момента.
Рисунок 1.5- Пример
вольт-частотной характеристики для нагрузок, требующих большого стартового
момента
При выборе преобразователей частоты для таких
электроприводов следует обращать внимание на такие характеристики (наиболее
критичные для ПСУ), как высокая перегрузочная способность, организация системы
защит и предупреждений, возможность настройки вольт/частотной характеристики.
Другие характеристики менее критичны, но они соответствуют уровню современных
частотно-регулируемых асинхронных электроприводов.
.4 Технические требования к
электроприводу
Регулируемый электропривод шнекового питателя
должен удовлетворять следующим техническим требованиям:
. Электропривод нереверсивный.
. Режим работы - продолжительный, нагрузка реактивная.
. Диапазон рабочих скоростей приводного
двигателя от минимальной рабочей скорости
до
максимальной скорости
.
4. Электропривод должен обеспечивать
кратность пускового момента не менее
, кратность максимального момента не
менее
.
. Погрешность поддержания заданной
скорости не более 10% на нижней рабочей характеристике.
. Управление электроприводом -
ручное с перспективой обеспечения возможности интеграции в систему управления
более высокого уровня.
. Электродвигатель работает в
условиях повышенной температуры и запыленности, должен иметь закрытое
исполнение со степенью защиты не ниже IP44.
. Преобразователь устанавливается в
шкафу с температурой окружающего воздуха от 5° до 45°С при относительной
влажности не более 80%.
. Сеть трёхфазная, 380
10% В,
Гц.
2. Расчёт параметров элементов силовой цепи
2.1 Кинематическая схема механизма питателя
Кинематическая схема механизма приведена на рис.
2.1.
Рисунок-2.1.
Кинематическая схема механизма питателя: 1 - электродвигатель; 2 - жёсткая
муфта; 3 - редуктор; 4 - бункер; 5 - шнек;
- момент приводного двигателя;
- момент
сопротивления механизма;
и
- угловые
скорости двигателя и шнека
Максимальная производительность
питателя
= 50 кг/с.
Передаточное число редуктора
=16.
Эквивалентный коэффициент полезного
действия механизма и редуктора при работе питателя с максимальной
производительностью
.
Момент инерции шнека
.
Момент инерции шнека, приведенный к
валу двигателя
.
.2 Выбор приводного двигателя
питателя
Электропривод питателя сырого угля
работает в режиме S1 - продолжительная работа с постоянной нагрузкой.
Поэтому двигатель для питателя по
мощности выбирается из условия работы механизма с максимальной
производительностью.
Максимальная статическая мощность
питателя
Где
- ускорение свободного падения;
Q = 50 кг/с - максимальная производительность
питателя;= 3,6 м - горизонтальная проекция пути;
- коэффициент
сопротивления перемещения угля в корпусе;
- коэффициент,
учитывающий потери в механизме.
Максимальная производительность питателя
достигается при максимальной скорости вращения. Тогда приведенный к валу
двигателя максимальный момент сопротивления нагрузки с учётом потерь в
механизме и редукторе.
,
Где
.
Возможны два варианта выбора
электродвигателя:
на синхронную скорость вращения
с
регулированием скорости выше синхронной за счет повышения частоты свыше 50 Гц;
на синхронную скорость вращения
с
регулированием скорости вниз от основной за счет уменьшения частоты менее 50
Гц.
Для выбора конкретного варианта
воспользуемся приведенными в [1] кривыми допустимого момента для двигателей
серии АИР (рис. 1.3 и рис. 1.4).
Исходя из выше сказанного в
соответствии с рис. 1.3 и 1.4 электродвигатель для питателя в обоих вариантах
необходимо выбирать по моменту для минимальной скорости
. Тогда
условия выбора электродвигателя по моменту и мощности в первом случае в
соответствии с рис. 1.3:
;
,
а во втором случае в соответствии с рис. 1.4:
;
.
Анализ полученных результатов
показывает, что целесообразным является первый вариант выбора двигателя с
синхронной скоростью
. Выбираем
электродвигатель типа АИР160М4, технические параметры которого приведены в
табл. 2.1 [3].
Таблица 2.1
|
Типоразмер
|
   При номинальной
нагрузке
|
|
|
|
|
|
|
|
|
|
|
,% ,%
|
|
|
|
|
АД
(АИРМ)160 М4
|
1460
|
380
|
362,670,8789,50,065
|
|
|
|
|
|


Степень
- число пар полюсов.
2.3 Механическая система электропривода и её
параметры
Расчетная схема замещения механической системы
электропривода питателя может быть представлена в виде одномассовой системы
(рис. 2.2).
Рисунок 2.2- Расчетная схема механической
системы привода
На схеме рис. 2.2 приняты следующие обозначения:
- вращающий момент, развиваемый на
валу электродвигателя,
;
- момент нагрузки с учетом потерь в
механизме, приведенный к валу двигателя,
;
- угловая скорость,
;
- эквивалентный момент инерции
привода, приведенный к валу двигателя,
.
Эквивалентный момент инерции
,
Где
- коэффициент, учитывающий момент
инерции соединительной муфты и первой шестерни редуктора.
.4 Определение дополнительных параметров
двигателя и параметров схемы замещения
Синхронная угловая частота вращения
двигателя
.
Номинальная частота вращения
двигателя
.
Номинальный момент двигателя
.
Максимальный потребляемый ток
двигателя при прямом пуске
.
Критический момент двигателя на
естественной характеристике
.
Пусковой момент двигателя при прямом
пуске
.
Требуемый максимальный момент
электропривода при заданном значении коэффициента перегрузки привода
Т - образная схема замещения
асинхронного двигателя для одной фазы приведена на рисунке 2.3.
Рисунок 2.3 - Схема замещения
асинхронного двигателя
Ток холостого хода асинхронного
двигателя можно найти по следующему выражению:
,
Где
- номинальное скольжение
- номинальный ток
статора двигателя;
электропривод питатель
уголь электродвигатель
- ток статора двигателя
при частичной загрузке;
Коэффициент загрузки двигателя
.
Коэффициент мощности и КПД при
частичной загрузке в технической литературе приводятся редко, а для целого ряда
серий электрических машин такие данные в справочной литературе отсутствуют. Эти
параметры можно определить, руководствуясь следующими соображениями [4]:
Современные асинхронные двигатели
проектируются таким образом, что наибольший КПД достигается при загрузке на
10-15% меньше номинальной. Двигатели рассчитываются так потому, что большинство
из них в силу стандартной дискретной шкалы мощностей работают с некоторой
недогрузкой. Поэтому КПД при номинальной нагрузке и нагрузке
практически
равны между собой, т.е.
Коэффициент мощности при той же
нагрузке
значительно
отличается от коэффициента мощности при номинальной нагрузке, причем это
отличие в значительной степени зависит от мощности двигателя и для известных
серий АД с достаточной для практически точностью подчиняется зависимости,
приведенной на рис. 2.3.
Согласно этой зависимости
, т.е.
Рис. 2.3 Зависимость коэффициента
от мощности
Ток холостого хода асинхронного
двигателя
Из формулы Клосса определяем
соотношение, которое необходимо для расчета критического скольжения:
где
- значение коэффициента b находится в диапазоне 0,6 -
2,5, поэтому в первом приближении принимаем b
=1.
;
Определяем коэффициент:
Тогда активное сопротивление ротора, приведенное
к обмотке статора асинхронного двигателя
;
Активное сопротивление статорной
обмотки можно определить по следующему выражению
Определим параметр g, который позволит найти
индуктивное сопротивление короткого замыкания
:
.
Тогда
,
Для того чтобы выделить из
индуктивного сопротивления ХКH сопротивления рассеяния фаз статора и
ротора, необходимо воспользоваться соотношениями, которые справедливы для
серийных асинхронных двигателей.
Индуктивное сопротивление роторной
обмотки, приведенное к статорной, может быть рассчитано
,
Индуктивное сопротивление статорной обмотки
может быть определено по следующему выражению
,
По найденным значениям переменных С1,
, R1
и
определим
критическое скольжение
.
Согласно векторной диаграмме ЭДС
ветви намагничивания
, наведенная
потоком воздушного зазора в обмотке статора в номинальном режиме, равна
,
Тогда индуктивное сопротивление
намагничивания
.
Индуктивность обмотки статора, обусловленная
потоком рассеяния
.
Приведенная индуктивность обмотки
ротора, обусловленная потоком рассеяния
.
Результирующая индуктивность,
обусловленная магнитным потоком в воздушном зазоре, создаваемым суммарным
действием полюсов статора (индуктивность контура намагничивания)
.
Параметры схемы замещения
электродвигателя сведены в таблицу 3.3.
Таблица 2.2 - Параметры схемы замещения
электродвигателя
|
       
|
|
|
|
|
|
|
|
|
|
0,185
|
0,488
|
21,945
|
0,07
|
0,181
|
0,661
|
1,162
|
|
|
2.5 Выбор преобразователя частоты. Расчет
параметров
1. Параметры питающей сети: 3-х фазная сеть
380/220 В, 50 Гц.
. Выходные параметры преобразователя частоты
[1]:
· фазы;
· максимальное выходное (линейное) напряжение
380 В;
· максимальная выходная частота
преобразователя
.
· минимальная выходная частота
преобразователя
.
. Выбираем преобразователь по
номинальному (длительно допустимому) току
и максимальному (кратковременно
допустимому) току
, где
-
коэффициент допустимой перегрузки инвертора по току, по следующим условиям:
· в однозонном электроприводе
;
.
. Преобразователь должен
обеспечивать требуемый диапазон регулирования выходной частоты:
.
Выбор способа управления скоростью
двигателя в системе преобразователь частоты - асинхронный двигатель (ПЧ-АД)
Основные способы управления
асинхронным частотно-регулируемым электроприводом и их показатели приведены в
таблице 2.4 [1].
Таблица 2.4 - Способы управления в
системе ПЧ-АД и их показатели
|
Способ
управления
|
Диапазон
регулирования скорости
|
Скалярное
управление, закон управления
:
разомкнутая
система, в том числе с коррекцией вольт-частотной характеристики;
замкнутая
система с обратной связью по току статора и компенсацией падения напряжения на
активном сопротивлении обмоток статора (IR-компенсация или компенсация
нагрузки);
замкнутая
система с обратной связью по току статора и компенсацией падения напряжения на
активном сопротивлении обмоток статора и повышением жесткости статических
характеристик (IR-компенсация и компенсация скольжения);
замкнутая
система с обратной связью по скорости;
менее
10
более
10
|
до
120
|
|
|
Векторное
управление: - без датчика скорости (с внутренней моделью) - с датчиком
скорости
|
100-120
1000
|
Принимаем способ управления - векторное
управление без датчика скорости, диапазон регулирования 20. Согласно выбранному
способу управления выбираем преобразователь с возможностью векторного
управления.
Параметры преобразователя частоты
Параметры выбранного преобразователя частоты
приведены в таблице 2.5.
Таблица 2.5 - Параметры
преобразователя частоты
Тип Параметры питающей
сети Выходное напряжение
, ВВыходная частота
Выходной токРекомендуемая мощность
|
|
|
|
|
|
|
  
|
|
|
|
|
|
|
|
VLT5027
"Danfoss"
|
3Ч380
|
50
|
380
|
(0,2-132)
|
37,5
|
60
|
18,5
|
Рисунок 2.4 - Зависимость допустимого
длительного тока преобразователей VLT5001-5011 от частоты коммутации
Для определения диапазона в котором
можно выбирать
для нашего
инвертора, рассчитаем на сколько процентов он загружен.
В результате, как видно из графика,
частоту
можно
выбирать в интервале от 5 до 10 кГц.
Принимаем несущую частоту инвертора
.
2.6 Структурная схема силового канала ЭП. Расчет
параметров
В силовой канал электропривода входят [1]:
· преобразователь частоты, выполняющий
функцию электрического преобразователя;
· электродвигатель, который выполняет
функцию электромеханического преобразователя;
· механическая система, которая
выполняет функцию механического преобразователя.
При решении задач анализа и синтеза
регулируемых асинхронных электроприводов обычно применяются модели
электродвигателя, составленные на базе обобщенной электрической машины и
выполненные в неподвижной или вращающейся двухфазной системе координат (x, y).
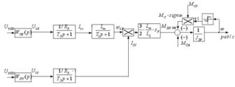
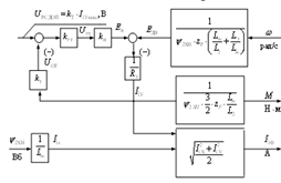
На рисунке 2.5 приведена структурная схема силового канала непрерывной
линеаризованной системы преобразователь - асинхронный электродвигатель во
вращающейся системе координат, ориентированной по результирующему вектору
потокосцепления ротора. Входными величинами структурной схемы являются
составляющие напряжения управления преобразователя
и
, а выходной
величиной - угловая скорость двигателя
. Данная структурная схема
характеризуется следующими промежуточными координатами:
-
составляющие напряжения, тока статора и потокосцепления ротора в ортогональной
системе координат (x, y);
-
электромагнитный момент двигателя, Н·м.
Рисунок 2.5 - Структурная схема
силового канала системы преобразователь - АД в неподвижной двухфазной системе
координат, ориентированной по результирующему вектору потокосцепления ротора
В структурной схеме присутствуют
внутренние обратные связи, в том числе нелинейные перекрестные. Если они
скомпенсированы или не учитываются, то структурная схема системы
преобразователь частоты - асинхронный электродвигатель во вращающейся
двухфазной системе координат приводится к виду, показанному на рисунке 2.6.
Рисунок 2.6 - Структурная схема силового канала
системы преобразователь - АД в неподвижной двухфазной системе координат,
ориентированной по результирующему вектору потокосцепления ротора, при
компенсации внутренних обратных связей
Расчет параметров элементов структурной схемы
силового канала электропривода
Расчет параметров преобразователя
Максимальное значение коэффициента усиления
преобразователя
,
где
=10 В, - максимальное значение
напряжения управления.
Эквивалентная постоянная времени
преобразователя
,
где
- несущая частота инвертора, Гц.
Расчет параметров двигателя
Эквивалентная индуктивность обмоток:
· статора
;
· ротора
.
.
Эквивалентное сопротивление
.
Электромагнитные постоянные времени
;
.
Расчет параметров механической
системы
Момент инерции механизма
.
Эквивалентный момент инерции привода
.
2.7 Расчет предельных характеристик разомкнутой
системы ПЧ-АД. Векторное управление
При векторном управлении магнитный поток
поддерживается: в первой зоне постоянным
,
а во второй зоне ослабляется в
соответствии с зависимостью
,
где
- начальная скорость ослабления
поля.
Расчет механических характеристик
Механическая характеристика
системы ПЧ -
АД рассчитывается для частоты
по выражению
.
Задаемся скольжением в пределах
и
рассчитываем характеристику М=f(s) (рисунок 2.7), где
Рисунок 2.7 - Естественная механическая
характеристика АД
Номинальный электромагнитный момент двигателя
Момент трения на валу двигателя
.
Расчет электромеханических
характеристик
Электромеханическая характеристика
разомкнутой
системы ПЧ-АД рассчитывается для значения частоты
по выражению
Где
По результатам расчета строится
электромеханическая характеристика
(рисунок 2.8).
Рисунок 2.8 - Естественная электромеханическая
характеристика АД
Определение заданной области работы
1. В плоскости механических
характеристик
(рисунок
2.8) наносятся граничные характеристики для длительного и кратковременного
режимов работы [1]:
2. Рассчитывается и строится
зависимость длительно допустимого момента электродвигателя
:
в зоне работы с номинальным потоком
при (
)
;
;
.
Результаты расчета сведены в таблице
2.6.
Таблица 2.6 - Результаты расчета
зависимости
3. Рассчитывается и строится
зависимость максимально допустимого момента
:
в зоне работы с номинальным потоком
при
и
Результаты расчета сведены в таблице
2.7
Таблица 2.7 - Результаты расчета
зависимости
4. В плоскости электромеханических
характеристик
(рисунок
2.8) рассчитывается и строится зависимость длительно допустимого тока
электродвигателя
:
в зоне работы с номинальным потоком
при
;
при
;
при
.
Результаты расчета сведены в таблице
2.8
Таблица 2.8 - Результаты расчета
зависимости
5. Рассчитывается и строится
зависимость
,
соответствующая длительной максимальной нагрузке
. Для этого необходимо на
естественной характеристике
определить соответствующее
значение
скольжения
, решив относительно
S уравнение
,
и далее рассчитать значение тока
и скорости
.
Зависимость
рассчитывается
по выражениям:
при
;
при
.
Решив уравнение относительно s,
получаем
.
Тогда
Результаты расчета сведены в таблице
2.9.
Таблица 2.9 - Результаты расчета
зависимости
6. Рассчитывается и строится
зависимость
,
соответствующая кратковременной максимальной нагрузке
. Для этого
необходимо на естественной характеристике
определить соответствующее
значение
скольжения
, решив
относительно S уравнение
,
и далее рассчитать значение тока
,
и значение скорости
при
;
при
Решив уравнение относительно S,
получаем
.
Тогда
Результаты расчета сведены в таблице
2.10.
Таблица 2.10 - Результаты расчета
зависимости
Рисунок 2.9 - Механические характеристики
электропривода и нагрузки при векторном управлении
Рисунок 2.10 - Электромеханическая
характеристика электропривода и нагрузки при векторном управлении
2.8 Проверка обеспечения заданной области работы
электропривода
Проверка правильности выбора двигателя
По результатам построения
механических характеристик электропривода
и нагрузки
(рисунок
2.9) проверяется правильность выбора двигателя по моменту:
имеем
Следовательно, двигатель по моменту
выбран правильно.
По результатам построения
электромеханических характеристик электропривода
(рисунок 2.10) проверяется
правильность выбора двигателя по току
имеем
Следовательно, двигатель по току
выбран правильно.
Проверка правильности выбора
преобразователя
По результатам построения
электромеханических характеристик электропривода
(рисунок 2.11)
Рисунок 2.11 - электромеханических
характеристик электропривода и преобразователя
проверяется правильность выбора
преобразователя. Во всем диапазоне регулирования скорости должны выполняться
условия:
имеем
Общие выводы по анализу полученных
характеристик:
система ПЧ - АД может обеспечить
длительную работу в интервале изменения момента нагрузки от
до
и заданный
кратковременный момент
во всем
диапазоне регулирования скорости от
рад/с до
рад/с;
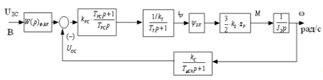
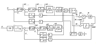
3. Синтез и анализ линеаризованной САУ РЭП
.1 Структурная схема линеаризованной системы
автоматического управления регулируемого электропривода (САУ РЭП)
Рисунок 3.1 - Структурная схема
линеаризованной непрерывной САУ ЭП частотно-регулируемого асинхронного
электропривода с векторным управлением
На схеме приняты следующие
обозначения:
- передаточные функции регуляторов
тока, потокосцепления и скорости соответственно;
Имеем
.
Коэффициент обратной связи по току
.
Максимально допустимое значение тока
Период сглаживания результатов измерения тока
,
где
количество измерений.
Малая постоянная времени цепи
обратной связи по току
.
Имеем
.
Значение номинального
потокосцепления двигателя
Вб.
Коэффициент обратной связи по
потокосцеплению ротора
.
Период расчета потокосцепления:
имеем
с;
Малая постоянная времени цепи
обратной связи по потокосцеплению
.
Имеем
.
Коэффициент обратной связи по
скорости
.
Период расчета скорости:
Имеем
с.
Малая постоянная времени цепи
обратной связи по скорости
.
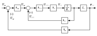
.2 Оптимизация контура тока
.2.1 Структурная схема и параметры элементов
контура
Контур регулирования тока имеет относительно
большую инерционность в цепи обратной связи.
Структурная схема контура тока с инерционной
обратной связью и полной компенсацией внутренней отрицательной обратной связи
по ЭДС двигателя приведена на рисунке 3.2 контуры токов I1x и I1y
идентичные.
Рисунок 3.2 - Структурная схема
контура тока
На схеме рисунке 3.2 приняты
следующие обозначения:
- напряжение задания на ток, В;
- малая постоянная времени в прямом
канале, с;
.
- малая постоянная времени в цепи
обратной связи, c.
Передаточная функция ПИ-регулятора
тока
.
Коэффициент усиления регулятора тока
Где
;
;
- коэффициент оптимизации.
Постоянная времени регулятора тока
;
Контур тока имеет следующие
передаточные функции:
· разомкнутого контура
· замкнутого контура
Где
- эквивалентная малая
постоянная времени оптимизированного контура.
Настройка контура близка к настройке
на модульный оптимум (МО) системы 2-го порядка. Контур является астатической
системой 1-го порядка по управлению.
Рисунок 3.3 - Имитационная модель
контура тока в среде Simulink (без фильтра на входе)
Рисунок 3.4 - Имитационная модель
контура тока в среде Simulink (с фильтром на входе)
Рисунок 3.5- Переходная
характеристика
контура
тока по имитационной модели рисунков 3.3 и 3.4
Рисунок 3.6 - Логарифмические частотные
характеристики замкнутого контура тока, настроенного на МО (без фильтра на
входе)
Рисунок 3.7 - Логарифмические частотные
характеристики разомкнутого контура тока, настроенного на МО (без фильтра на
входе)
При
ожидаемые показатели качества работы
замкнутого контура тока по управлению без фильтра на входе:
· установившаяся ошибка
;
· полоса пропускания по модулю
;
· полоса пропускания по фазе
;
· перерегулирование
;
· время первого и окончательного
вхождения в 5%-ю зону при отработке ступенчатого задания
;
.
Таблица 3.1 - Показатели переходных
процессов контура тока с ПИ - регулятором (без фильтра на входе)
|
Показатели
переходных процессов
|
|
По
управлению
|
|
,
с ,
с
|
|
|
|
|
Ожидаемые
показатели (без фильтра на входе)
|
|
0,00109
|
0,002375
|
6,7
|
0
|
|
Результаты
моделирования (без фильтра на входе)
|
|
0,00113
|
0,0022
|
6
|
0
|
· запас устойчивости по модулю
;
· запас устойчивости по фазе
.
Рисунок 3.8 - Логарифмические частотные
характеристики замкнутого контура тока, настроенного на МО (с фильтром на
входе)
Рисунок 3.9 - Логарифмические частотные
характеристики разомкнутого контура тока, настроенного на МО (без фильтра на
входе)
При
ожидаемые
показатели качества работы замкнутого контура тока по управлению с фильтром на
входе:
· установившаяся ошибка
;
· перерегулирование
;
· время первого и окончательного
вхождения в 5%-ю зону при отработке ступенчатого задания
;
· полоса пропускания по модулю и фазе
;
· запас устойчивости по модулю
· запас устойчивости по фазе
Таблица 3.2 - Показатели переходных
процессов контура тока с ПИ - регулятором (с фильтром на входе)
|
Показатели
переходных процессов
|
|
По
управлению
|
|
,
с ,
с
|
|
|
|
|
Ожидаемые
показатели (с фильтром на входе)
|
|
0,001623
|
0,001623
|
4,3
|
0
|
|
Результаты
моделирования (с фильтром на входе)
|
|
0,0018
|
0,0018
|
4,8
|
0
|
Вывод: в таблицах 3.1 и 3.2 сведены
теоретические и экспериментальные показатели качества линеаризованного контура
тока без фильтра и с фильтром на входе соответственно. Настройка контура близка
к настройке на модульный оптимум (МО) системы 2-го порядка, вследствие этого
полученные данные немного отличаются от ожидаемых показателей. Незначительная
величина полученных отклонений позволяет нам сказать, что контур оптимизирован
верно Контур является астатической системой 1-го порядка по управлению.
При установке на вход контура тока фильтра уменьшаются
запасы устойчивости по модулю и по фазе, также уменьшаются полосы пропускания
по модулю и по фазе, уменьшается перерегулирование, быстродействие системы
увеличивается.
Качество переходных процессов в контуре тока с
фильтром на входе лучше, чем без него (малое перерегулирование).
.3 Оптимизация контура потокосцепления
Контур регулирования потокосцепления имеет
относительно большую инерционность в цепи обратной связи.
При оптимизации контура потокосцепления
внутренний оптимизированный замкнутый контур тока представлен усеченной
передаточной функцией 1-го порядка
,
Где
- эквивалентная постоянная времени
оптимизированного контура тока.
Структурная схема контура
потокосцепления с инерционной обратной связью и ПИ - регулятором приведена на
рисунке 4.11.
Рисунок 3.10 - Структурная схема
контура потокосцепления с ПИ-регулятором
Передаточная функция ПИ-регулятора
потокосцепления
Коэффициент усиления и постоянная
времени регулятора потокосцепления определяются по выражениям
,
Где
;
- коэффициент оптимизации.
Контур потокосцепления с ПИ -
регулятором настроенный таким образом имеет следующие передаточные функции:
разомкнутого контура
замкнутого контура
Где
- эквивалентная малая постоянная
времени оптимизированного контура.
Рисунок 3.11 - Имитационная модель
контура потокосцепления в среде Simulink
Рисунок 3.12 - Переходная
характеристика
контура
потокосцепления по имитационной модели рисунка 3.11
Рисунок 3.13 - Логарифмические частотные
характеристики замкнутого контура потокосцепления, настроенного на МО (без
фильтра на входе)
Разомкнутый контур
Рисунок 3.14 - Логарифмические
частотные характеристики разомкнутого контура потокосцепления, настроенного на
МО (без фильтра на входе)
Настройка контура близка к настройке
на модульный оптимум системы второго порядка. Контур является астатической
системой регулирования первого порядка по управлению и обеспечивает нулевую
установившуюся ошибку
. В
зависимости от соотношения малых постоянных времени
и
контур имеет
следующие динамические показатели качества работы:
показатели отработки скачка задания
перерегулирование
время вхождения в 5%-ю зону
.
Для замкнутого контура
полоса пропускания по модулю
;
из характеристик видно, что:
полоса пропускания по модулю
;
полоса пропускания по фазе
;
Для разомкнутого контура
запас устойчивости по модулю
;
запас устойчивости по фазе
;
Таблица 4.3 - Показатели переходных
процессов по управлению оптимизированного контура потокосцепления с ПИ -
регулятором
|
Показатели
переходных процессов
|
|
По
управлению
|
|
,
с ,
с
|
|
|
|
|
Ожидаемые
показатели
|
|
0,007677
|
-
|
0
|
|
|
Результаты
моделирования
|
|
0,008735
|
0,0083
|
6,14
|
0
|
Вывод: Так как настройка контура потокосцепления
производилась приближенно на модульный оптимум второго порядка, передаточная
функция замкнутого контура имеет третий порядок, причем в знаменателе
присутствует форсирующее звено то, вследствие этого полученные данные немного
отличаются от ожидаемых показателей. Незначительная величина полученных
отклонений позволяет нам сказать, что контур оптимизирован, верно.
3.4 Оптимизация контура скорости
Контур регулирования тока имеет относительно
большую инерционность в цепи обратной связи.
При оптимизации контура скорости внутренний
оптимизированный замкнутый контур тока представлен усеченной передаточной
функцией 1-го порядка
Где
- эквивалентная постоянная времени
оптимизированного контура тока.
Оптимизация контура скорости с П-
регулятором
Структурная схема контура скорости с
инерционной обратной связью и П- регулятором приведена на рисунке 4.16.
Рисунок 3.15 - Структурная схема
контура скорости с П-регулятором
Передаточная функция П-регулятора
скорости
Коэффициент усиления регулятора скорости
Где
- коэффициент обратной связи по
скорости.
Принимаем
- коэффициент оптимизации;
- проекция вектора потокосцепления
ротора на ось x ортогональной системы координат x, y. В однозонном
электроприводе
.
Контур скорости с П-регулятором в
однозонном электроприводе имеет следующие передаточные функции:
разомкнутого контура
замкнутого контура по управлению
Где
- эквивалентная малая постоянная
времени оптимизированного контура.
Рисунок 3.16 - Имитационная модель
контура скорости с П - регулятором в среде Simulink
Рисунок 3.17- Переходная
характеристика контура скорости с П - регулятором по имитационной модели
рисунка 3.16
Рисунок 3.18 - Логарифмические
частотные характеристики замкнутого контура скорости, настроенного на МО (без
фильтра на входе)
Разомкнутый контур
Рисунок 3.19 - Логарифмические
частотные характеристики разомкнутого контура скорости, настроенного на МО (без
фильтра на входе)
Настройка контура близка к настройке
на МО системы 2-го порядка. Контур является астатической системой 1-го порядка
по управлению и обеспечивает нулевую установившуюся ошибку по управлению
.
И, соответственно, показатели
отработки скачка задания:
перерегулирование
, что входит
в пределы
время первого вхождения в 5%-ю зону
Из графика переходного процесса
(рисунок 4.18) видно, что время первого вхождения в 5%-ю зону
с, а время
второго вхождения в 5%-ю зону -
Для замкнутого контура
.
Из графиков видно, что
полоса пропускания по модулю
;
полоса пропускания по фазе
.
Для разомкнутого контура
запас устойчивости по модулю
;
запас устойчивости по фазе
.
При полученных значениях
перерегулирования в контуре скорости установка на входе контура фильтра
нецелесообразна.
Теоретические и экспериментальные
показатели качества линеаризованного контура скорости сведены в таблицу 3.4
Таблица 3.4 - Показатели переходных
процессов контура скорости с П-регулятором
|
Показатели
переходных процессов
|
|
По
управлению
|
|
,
с ,
с
|
|
|
|
|
Ожидаемые
показатели
|
|
0,00768
|
-
|
0
|
|
|
Результаты
моделирования
|
|
0,0084
|
0,016
|
5,71
|
0
|
Вывод: Так как контур скорости,
оптимизированный приближенно по МО с П-регулятором, является контуром третьего
порядка, с форсирующим звеном, поэтому полученные показатели оптимизации на
модульный оптимум отличаются от предполагаемых. Полученные отклонения не
значительны и входят в допустимый диапазон, следовательно контур оптимизирован
верно.
Оптимизация контура скорости с ПИ-регулятором
Структурная схема контура скорости с инерционной
обратной связью и ПИ- регулятором приведена на рисунке 3.20.
Рисунок 4.20 - Структурная схема
контура скорости с ПИ-регулятором
Передаточная функция ПИ-регулятора
Коэффициент усиления и постоянная времени
регулятора скорости определяются по выражениям
,
Где
- эквивалентная малая
постоянная времени оптимизированного контура.
Оптимизированный контур скорости с
ПИ-регулятором имеет следующие передаточные функции:
· разомкнутого контура
· замкнутого контура по управлению
Где
- эквивалентная малая постоянная
времени оптимизированного контура.
Оптимизированный контур при отработке
ступенчатых управляющих воздействий обеспечивает высокое быстродействие при
перерегулировании в общем случае более 43%. Настройка контура без фильтров на
входе близка к настройке на СО.
Рисунок 3.21 - Имитационная модель
контура скорости с ПИ-регулятором (без фильтра на входе)
Рисунок 3.22 - Имитационная модель
контура скорости с ПИ-регулятором в среде Simulink (с двумя фильтрами на входе)
Рисунок 3.23 - Переходная
характеристика контура скорости по имитационной модели рисунков 3.21 и 3.22
Рисунок 3.24 - Логарифмические
частотные характеристики замкнутого контура скорости, настроенного на СО (без
фильтра на входе)
Рисунок 3.25 - Логарифмические
частотные характеристики разомкнутого контура скорости, настроенного на СО (без
фильтра на входе)
Из графиков видно, что
полоса пропускания по модулю
;
полоса пропускания по фазе
.
Для разомкнутого контура
запас устойчивости по модулю
;
запас устойчивости по фазе
.
Экспериментальные показатели
качества линеаризованного контура скорости сведены в таблицу 3.5.
Таблица 3.5 - Показатели переходных
процессов контура скорости с ПИ-регулятором (без фильтра на входе)
|
Показатели
переходных процессов
|
|
По
управлению
|
|
,
с ,
с
|
|
|
|
|
Результаты
моделирования
|
|
0,00576
|
0,0376
|
50
|
0
|
Для ограничения перерегулирования на уровне 8,1
% на входе контура скорости должны быть включены два одинаковых фильтра,
соответственно с постоянными времени:
;
Передаточная функция замкнутого
контура скорости по управлению с двумя фильтрами на входе имеет вид
замкнутого контура
Где
- эквивалентная малая постоянная
времени оптимизированного контура.
Настройка контура без фильтров на
входе близка к настройке на СО, а с фильтрами на МО для системы 3-го порядка.
Контур скорости с фильтрами на входе
представляет собой астатическую систему 1-го порядка и обеспечивает нулевую
статическую ошибку по управлению. Динамические показатели качества работы
контура зависят от соотношения малых постоянных времени
и
предварительно могут быть определены по выражениям:
перерегулирование, время первого и
окончательного вхождения в 5%-ю зону при отработке скачка задания
;
;
.
Для замкнутого контура
полоса пропускания контура по модулю
и по фазе изменяются в пределах
;
;
Рисунок 3.26 - Логарифмические
частотные характеристики замкнутого контура скорости, настроенного на МО (с
двумя фильтрами на входе)
Рисунок 3.27 - Логарифмические
частотные характеристики разомкнутого контура скорости, настроенного на МО (с
двумя фильтрами на входе)
Из графиков видно, что
полоса пропускания по модулю
;
полоса пропускания по фазе
Для разомкнутого контура
запас устойчивости по модулю
;
запас устойчивости по фазе
.
Теоретические и экспериментальные
показатели качества линеаризованного контура скорости сведены в таблицу 3.6.
Таблица 3.6 - Показатели переходных
процессов контура скорости (ПИ-регулятор)
|
Показатели
переходных процессов
|
|
По
управлению
|
|
,
с ,
с
|
|
|
|
|
Ожидаемые
показатели
|
|
  0
|
|
|
|
|
Результаты
моделирования
|
|
0,02151
|
0,02151
|
3
|
0
|
Вывод: Так как контур скорости, оптимизированный
приближенно по МО с ПИ-регулятором, является контуром четвертого порядка, с
двумя входными фильтрами, поэтому полученные показатели оптимизации на
модульный оптимум отличаются от предполагаемых. Полученные отклонения не
значительны и входят в допустимый диапазон, следовательно контур оптимизирован
верно.
Отработка контуром скорости возмущающих
воздействий
Контур скорости с П-регулятором
Структурная схема линеаризованного контура
скорости с инерционной обратной связью и П-регулятором для режима отработки
возмущающего воздействия приведена на рисунке 3.30.
Рисунок 3.28 - Структурная схема
линеаризованного контура скорости с П-регулятором при отработке возмущения
Передаточная функция замкнутого контура скорости
по возмущению
Оптимизированный замкнутый контур
скорости с П-регулятором представляет собой статическую систему регулирования
по возмущению. Ожидаемые показатели качества работы контура при отработке
ступенчатого возмущающего воздействия:
установившаяся ошибка по возмущению
;
динамический провал (всплеск) скорости
при набросе (сбросе) нагрузки
;
время отработки возмущающего воздействия
;
Рисунок 3.29 - Имитационная модель
линеаризованного контура скорости с П - регулятором при отработке возмущения в
среде Simulink П- регулятором
Рисунок 3.30 - Переходная
характеристика контура скорости по имитационной модели рисунка 3.31
Рисунок 3.31 - ЛАЧХ и ЛФЧХ
замкнутого контура скорости при отработке возмущающего воздействия
Теоретические и экспериментальные
показатели качества сведены в таблицу 3.7. Время переходного процесса по
возмущению
оценивается
по окончательному вхождению в зону допустимых отклонений
, где
Таблица 4.7 - Показатели переходных
процессов по возмущению оптимизированного контура скорости с П-регулятором при ∆МС=57
Н∙м
|
 
|
|
|
|
Ожидаемые
показатели качества
|
|
-1,68
|
0,01
|
-1,575
|
|
Результаты
моделирования
|
|
-1,49
|
0.013
|
-1,139
|
Вывод: Система хорошо подавляет возмущающее
воздействие во всем диапазоне частот, так как ЛАЧХ расположена в нижней
полуплоскости.
Показатели переходных процессов по возмущению
оптимизированного контура скорости с П-регулятором при ∆МС=55
Н∙м сведены в таблицу 4.7, из которой видно, что ожидаемые показатели
качества и результаты моделирования практически не отличаются. Значит,
оптимизированный замкнутый контур скорости с П-регулятором, представляющий
собой статическую систему регулирования по возмущению, настроен верно.
Контур скорости с ПИ-регулятором
Структурная схема линеаризованного контура
скорости с инерционной обратной связью и ПИ-регулятором, при отработке
возмущающего воздействия приведена на рис. 3.34.
Рисунок 3.32 - Структурная схема
линеаризованного контура скорости с ПИ-регулятором при отработке возмущающих
воздействий
Передаточная функция замкнутого контура скорости
по возмущению
Оптимизированный замкнутый контур
скорости с ПИ-регулятором представляет собой астатическую систему регулирования
1-го порядка по возмущению. Ожидаемые показатели качества работы контура при
отработке ступенчатого возмущающего воздействия:
· установившаяся ошибка по возмущению
;
динамический провал (всплеск)
скорости при набросе (сбросе) нагрузки
;
· время отработки возмущающего
воздействия
.
Рисунок 3.33 - Имитационная модель
линеаризованного контура скорости с ПИ-регулятором при отработке возмущения в
среде Simulink
Рисунок 3.34 - Переходная
характеристика контура скорости по имитационной модели рисунка 4.35
Рисунок 3.35 - ЛАЧХ и ЛФЧХ
замкнутого контура скорости при отработке возмущающего воздействия
Теоретические и экспериментальные
показатели качества сведены в таблицу 3.8. Время переходного процесса по
возмущению
оценивается
по окончательному вхождению в зону допустимых отклонений
, где
Таблица 3.8 - Показатели переходных
процессов контура скорости с ПИ-регулятором
|
 
|
|
|
|
Ожидаемые
показатели качества
|
|
-2,896
|
0,035ч0,03
|
0
|
|
Результаты
моделирования
|
|
-1,01
|
0,034
|
0
|
Вывод: Логарифмические частотные характеристики
замкнутого и разомкнутого контуров одинаковы. Поскольку ЛАЧХ замкнутого контура
скорости по возмущению располагается в нижней полуплоскости, значит, система
эффективно подавляет возмущение. Следовательно, контур настроен, верно.
3.5 Статические характеристики регулируемого
асинхронного электропривода с векторным управлением
Под статическим режимом работы электропривода
понимается режим, в котором значение основной координаты электропривода (для
регулируемого электропривода - скорости) неизменно. Статическими
характеристиками электропривода являются механические ω(М)
и электромеханические характеристики ω(I) [1].
САУ электропривода состоит из двух независимых
двухконтурных систем регулирования:
системы стабилизации потокосцепления
;
системы стабилизации скорости
вращения двигателя в области изменения рабочих нагрузок и стабилизации
(ограничения) момента двигателя на заданном максимальном уровне в режиме
больших перегрузок.
Фактически же системы регулирования
потокосцепления
и скорости ω взаимосвязаны
и влияют друг на друга. Поэтому точный расчет статических характеристик
представляет собой весьма сложную задачу. Ограничимся оценкой статических
показателей работы контуров регулирования потокосцепления и скорости,
рассматривая их как независимые системы. Такой подход является приближенным, но
он дает возможность оценить статические характеристики электропривода с
качественной стороны. Для получения количественной оценки статических
показателей качества работы электропривода следует использовать динамические
имитационные модели, учитывающие взаимное влияние систем регулирования
потокосцепления и скорости.
САР потокосцепления
Структурная схема САР
потокосцепления электропривода с полностью компенсированными внутренними
обратными связями двигателя для статического режима приведена на рисунке 4.38.
Рисунок 3.36 - Структурная схема САР
(стабилизации) потокосцепления в статическом режиме
Структурная схема рисунка 3.38 описывается
следующей системой уравнений:
Где
;
.
При ПИ регуляторах тока и
потокосцепления коэффициенты усиления регуляторов следует принять
принимаем
принимаем
При ПИ регуляторах тока и
потокосцепления коэффициенты усиления регуляторов следует принять
принимаем
принимаем
Решив совместно приведенную выше
систему уравнений, найдем фактическое значение потокосцепления
при
заданном значении управления
на входе контура
Где
;
- заданное значение
потокосцепления, Вб.
Абсолютная погрешность контуром
заданного значения потокосцепления
Таким образом, в общем случае
а в первой
зоне
В соответствии с полученным
выражением погрешность отработки контуром заданного значения потокосцепления не
зависит от скорости вращения и нагрузки двигателя. Фактически такая зависимость
есть.
Учитывая, что погрешность
мала, при
расчете статических характеристик САР скорости в общем случае можно принять
, а в первой
зоне регулирования -
.
Расчет статических характеристик однозонного
асинхронного электропривода с векторным управлением
Режим стабилизации скорости
Структурная схема САР однозонного
электропривода в режиме стабилизации скорости [1] при допущении, что САР
потокосцепления точно поддерживает заданное номинальное значение
потокосцепления
, приведена
на рисунке 3.37. Регулятор скорости в режиме стабилизации скорости ненасыщен
.
Рисунок 3.37 - Структурная схема САР
скорости однозонного электропривода для статического режима стабилизации
скорости
Структурная схема рисунке 3.39
описывается следующей системой уравнений:
;
;
;
,
где при ПИ-регуляторах тока и скорости следует
принять
принимаем
принимаем
Решив совместно приведенную систему
уравнений относительно скорости ω, найдем выражения для
электромеханической
и
механической
характеристик
электропривода в режиме стабилизации скорости.
Выражение для электромеханической
характеристики
САР
электропривода
Где
- скорость идеального холостого хода
при управляющем напряжении
, рад/с;
- заданное значение скорости, рад/с;
абсолютная погрешность скорости
электропривода в замкнутой системе по возмущению при изменении тока
(нагрузка
электропривода), рад/с.
Абсолютная погрешность скорости
электропривода в замкнутой системе по управлению
Характеристика
поясняет
принцип работы САР скорости в соответствии со структурной схемой рисунка 3.37 и
косвенно характеризует статические характеристики частотно-регулируемого
асинхронного электропривода с векторным управлением.
Для построения электромеханической
характеристики
необходимо
для выбранных значений тока
определить соответствующие им
значения действующего тока
двигателя по выражению
Выражение для механической
характеристики
электропривода
где М - момент нагрузки с учетом
момента трения на валу двигателя, Н∙м;
абсолютная погрешность скорости электропривода в
замкнутой системе по возмущению (при изменении момента нагрузки), рад/с.
Относительная погрешность скорости
электропривода по возмущению (при изменении момента нагрузки) находится по
выражению
где минимальное и максимальное
значение момента нагрузки соответствуют предельным значениям заданного
диапазона изменения нагрузки электропривода и принимаются равными:
;
при определении погрешности
электропривода производственного механизма.
Результаты расчетов
электромеханических
и
и
механических
характеристик
и погрешности скорости
по
выражениям представленных выше для нескольких значений задающего напряжения
в заданном
диапазоне регулирования сведены в таблицу 3.9.
Режим стабилизации тока. В
однозонном электроприводе с постоянным токоограничением при условии, что
потокосцепление поддерживается постоянным
, при больших перегрузках ток и
момент двигателя будут ограничиваться на постоянном уровне вследствие насыщения
регулятора скорости. Структурная схема САР скорости однозонного электропривода
с постоянным токоограничением для статического режима стабилизации тока
приведена на рисунке 4.40.
Рисунок 3.38 - Структурная схема САР скорости
однозонного электропривода с постоянным токоограничением для статического
режима стабилизации тока
Схема рисунка 3.38 описывается следующей
системой уравнений:
Решив совместно приведенную систему
уравнений относительно тока
и электромагнитного момента М,
найдем соответственно выражение для электромеханических
и
механической
характеристик
электропривода в режиме стабилизации тока (ограничения момента) двигателя.
Выражение для электромеханической
характеристики
САР
электропривода в режиме стабилизации тока
Где
- заданное значение максимального
тока, А;
фактическое значение максимального
тока
при
(в режиме
стопорения);
абсолютная погрешность тока при
скорости
.
Характеристика
поясняет
принцип работы САР скорости в соответствии со структурной схемой и косвенно
характеризует статические характеристики электропривода в режиме стабилизации
тока. Для получения электромеханической характеристики
в режиме
стабилизации тока необходимо для полученных значений тока
по выражению
указанного выше определить соответствующие им значения тока двигателя
.
Выражение для механической характеристики
электропривода в режиме стабилизации (ограничения) тока
где
заданное значение максимального
электромагнитного момента двигателя;
фактическое значение максимального
электромагнитного момента двигателя при
( в режиме стопорения двигателя);
- абсолютная погрешность
электромагнитного момента двигателя при скорости
.
Результаты расчета
электромеханических
и
и
механической
характеристик
электропривода в режиме стабилизации тока по выражениям указанных выше свести в
таблицу 3.9. На основании данных таблицы 4.9 построим характеристики привода в
режиме стабилизации скорости и тока.
Электромеханические
и
и
механические
характеристики
электропривода в режиме стабилизации скорости и, соответственно
,
и
в области
ограничения тока идентичны по форме и представляют собой жесткие характеристики
в первом режиме работы.
Таблица 3.9 - Статические
характеристики однозонного электропривода с постоянным токоограничением

11,222,4
=
|
3657,9
|
|
|
|
|
|
|
|
|
0  68,25
|
|
|
|
|
|
|
|
10
|
198,9198,78197,8197,6198,150,279
|
|
|
|
|
|
|
|
5
|
|
99,44
|
99,334
|
98,344
|
98,144
|
98,7
|
0,562
|
|
2
|
|
39,78
|
39,67
|
38,678
|
38,478
|
39,044
|
1,42
|
|
9,949,838,8458,6459,2216,038
|
|
|
|
|
|
|
|
|
 0
|
|
|
|
|
|
37,22637,01236,8
|
|
|
|
|
27,7827,6427,49
|
|
|
|
|
95,15294,6194,06
|
|
|
|
Статические характеристики однозонного
электропривода
Рисунок 3.39 - Электромеханические
статические характеристики однозонного электропривода
Рисунок 3.40 - Электромеханические
статические характеристики однозонного электропривода
Рисунок 3.41 - Механические
статические характеристики однозонного электропривода
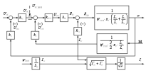
4. Нелинейная САУ электропривода
.1 Структурная схема нелинейной САУ РЭП
асинхронного электропривода с векторным управлением
Структурная схема нелинейной САУ
частотно-регулируемого электропривода с векторным управлением приведена на
рисунке 5.1. Структурная схема рисунка 4.1 составлена на основании структурной
схемы линеаризованной САУ электропривода (рисунок 4.1) и учитывая следующие основные
нелинейности элементов системы управления электропривода:
насыщение регулятора тока, потокосцепления и
скорости
;
постоянное по величине ограничение
максимального тока электропривода в переходных режимах и кратковременных
нагрузках, которое достигается ограничением выходного напряжения регулятора
скорости на уровне
ограничение выходного напряжения
инвертора
;
реактивный характер нагрузки
где величина момента изменяется от
до
;
нелинейная зависимость задания
потокосцепления
во второй
зоне регулирования скорости от величины задания скорости
.
Исследование на имитационной модели
нелинейной САУ электропривода (рисунок 4.2) проводятся с целью оценки влияния
величины задания скорости
и момента
на характер
переходных процессов и динамические показатели качества работы электропривода с
учетом ограничения выходных напряжений регуляторов и преобразователя частоты.
По результатам имитационных исследований могут
быть внесены изменения в настройку контуров регулирования САУ электропривода,
введены корректирующие цепи или выбраны компромиссные настройки с учетом
изменяющихся параметров силовой части электропривода, например, момента
инерции, потокосцепления и т. д.
Рисунок 4.1 - Структурная схема
нелинейной непрерывной САУ частотно- регулируемого асинхронного электропривода
при векторном управлении
Рисунок 4.2 - Имитационная модель
нелинейной непрерывной САУ частотно-регулируемого асинхронного электропривода
при векторном управлении
4.2 Имитационные исследования
частотно-регулируемого асинхронного электропривода питателя
Цель имитационных исследований электропривода
питателя заключалась в проверке работоспособности электропривода во всех
основных технологических режимах работы:
пуск электропривода при разных значениях
управления и нагрузки;
наброс и сброс нагрузки;
торможение электропривода при разных значениях
управления и нагрузки.
Имитационный полный цикл работы электропривода
питателя показан на рис. 4.3. и рис. 4.4. Торможение электропривода происходит
под действием момента сопротивления на валу механизма, а момент двигателя в
этом случае направлен встречно моменту сопротивления и поддерживает требуемое
значение динамического момента.
Полученные результаты имитационных исследований
подтверждают способность частотно-регулируемого асинхронного электропривода
питателя обеспечить технические требования по диапазону регулирования скорости
и по перегрузочной способности.
Рисунок 4.3 - Переходная
характеристика нелинейной непрерывной САУ на холостом ходу
Рисунок 4.4 - Переходная
характеристика нелинейной непрерывной САУ при отработке возмущающих воздействий
(Мс=35 Нм)
Заключение
В данной работе был рассмотрен и рассчитан
регулируемый электропривод переменного тока с учетом нелинейностей. ЭП питается
от 3х - фазной промышленной сети переменного тока с линейным напряжением 380 В
частотой 50 Гц.
Был проведен расчет параметров механической
части, элементов силового канала построена область существования
электромеханических характеристик, рассчитаны области непрерывного и
прерывистого токов, электромеханические характеристики.
Синтез параметров оптимальной настройки выполнен
в предположении линейности системы. Определены ожидаемые показатели качества
переходных процессов.
Полученные при моделировании результаты работы
САУ не всегда совпадали с теоретическими из-за упрощения контуров регулирования
при оптимизации, что обусловлено, в первую очередь наличием насыщения
регуляторов и ограничения тока в реальном электроприводе.. Но в целом
разработанный РЭП переменного тока с векторным управлением отвечает большей
части требований технического задания.
Список литературы
1. Мальцева
О.П., Удут Л.С., Кояин Н.В. Системы управления электроприводов: Учебное
пособие. - Томск: Изд. ТПУ, 2007. - 151 с.
2. Петров
А.В., Татаринцев Н.И. Применение частотно-регулируемых приводов на питателях
сырого угля // Автоматизация и современные технологии. - 2005. - №6.
. Асинхронные
электродвигатели. Каталог www.sibelektromotor.ru/docs
. Дементьев
Ю.Н., Чернышев А.Ю., Чернышев И.А. Электрический привод: учебное пособие. -
Томск: Изд-во ТПУ, 2008. - 244 с.
. Преобразователи
частоты для одно- и многодвигательных электроприводов мощностью от 2.2 кВт до
230 кВт. www.danfoss.com/Russia/BusinessAreas/DrivesSolutions/
. Дементьев
Ю.Н., Семенов С.М., Боровиков Ю.С. Исследование систем частотного управления
асинхронным двигателем. Методические указания к выполнению лабораторной работы
по курсу "Теория электропривода" для студентов направления 551300
"Электротехника, электромеханика и электротехнологии" - Томск: Изд.
ТПУ, 2003. - 30 с.
. Электротехнический
справочник: В 4 т. Т. 4. Использование электрической энергии / под общей
редакцией профессора МЭИ Герасимова В.Г. и др. (гл. ред. Попов А.И.). - 8-е
изд., испр. и доп. - М.: издательство МЭИ, 2002. - 696 с.
. Чернышев
А.Ю., Кояин Н.В. Проектирование электрических приводов: Учебно-методическое
пособие. - Томск: Изд-во ТПУ, 2005. - 120 с.
. Терехов
В.М., Осипов О.И. Системы управления электроприводов: Учебник для студ. высш.
учеб. заведений. - М.: Издательский центр "Академия", 2005. - 304 с.
. Денисов
В.А. Электропривод переменного тока с частотным управлением: Учеб. пособие /
В.А. Денисов. - Тольятти: ТГУ, 2009. - 156 с.
12. 2.
Чиликин М.Г., Сандлер А.С. Общий курс электропривода: Учебник для вузов - 6-е
изд., доп. и перераб. - М.: Энергоиздат, 1981. - 576 с., ил.