Исследование силовых параметров механизма наклона дуговой электропечи
Исследование силовых
параметров механизма наклона дуговой электропечи
Цель работы: ознакомиться с
устройством электропечи и научиться рассчитывать мощности электродвигателя
механизма наклона печи.
Оборудование: лабораторная установка
«Электропечь», измерительные приборы.
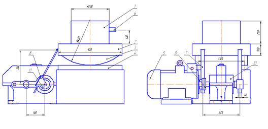
Конструкция электропечи
Конструкция печи представлена на
рисунке 1. Корпус печи 1 установлен на люльке 2, опирающейся своими сегментами
3 на фундаментные балки 4. В корпусе печи для слива металла предусмотрен носок
6. Для предупреждения проскальзывания люльки на опорных поверхностях сегментов
в шахматном порядке закреплены шипы, а в фундаментных балках высверлены
соответствующие отверстия.
Механизм наклона печи включает в
себя привод, состоящий из двигателя 5, муфты 9, редуктора 10. На конце
тихоходного вала насажена реечная шестерня 11, которая соединена с рейкой 7 при
помощи качающей обоймы 8.
Принцип работы.
Входной вал редуктора через муфту
получает вращающий момент от электродвигателя. Тихоходный вал редуктора
передает вращение реечной шестерне, которая входит в зацепление с зубчатой
рейкой. Так как рейка шарнирно закреплена к люльке печи, то при перемещении
рейки печь опрокидывается, тем самым сливая жидкий металл через носок в
сталеразливочный ковш.
электродвигатель мощность опрокидывающий
усилие
Рисунок 1 - Механизм наклона печи
Методика расчета по Целикову
Основой правильного расчета
механизма наклона является точное определение общих координат центра тяжести
электропечи x, y. Для определения находим координаты центров тяжести отдельных
узлов и элементов печи: цилиндрической и нижней частей кожуха с футеровкой,
сливного носка и других элементов.
Рисунок 2 - Расчетная схема к
определению опрокидывающего момента
На основании размеров и
веса отдельных деталей и механизмов определяют их центры тяжести и координаты,
а затем находят координату 
для общего веса печи 
:

вес отдельных деталей
печи,
где 
масса отдельных деталей,
кг;

плотность деталей,
принимаем для стали 
;

объем деталей,
.
Угол наклона радиус
вектора к оси печи для начального положения печи 
. Угол наклона
радиус-вектора к вертикали при повороте печи на угол 
будет 
.
Опрокидывающий момент от
веса печи
Момент от сил трения
качения вследствие упругого сжатия опорных сегментов печи определим по формуле:
где 
вес металла в печи, 
0;

плечо деформации,
где 
нагрузка, приходящаяся
на единицу длины образующей сегмента, Н/м;

диаметр сегмента,
0,8 м;

модуль упругости материала,

Величина 
определяется как

Полный опрокидывающий
момент
Для определения усилия 
, действующего на рейки,
необходимо найти плечо действия этой силы s.
Направление рейки определяется прямой линией, проходящей через точки M и N. Тогда N вместе с люлькой совершает вращательные и поступательные движения
и ее координаты устанавливаются параметрическими уравнениями удлиненной
циклоиды, которые в общем виде запишутся как:
где 
угол поворота
образующего круга циклоиды при его качении по прямой без скольжения.
где 
радиус опорного сегмента
люльки, 
=0,8 м; 
угол наклона линии NO к оси печи; 
угол поворота печи; 
расстояние от центра
люльки до шарнира рейки N,

м.
Уравнение прямой,
проходящей через две точки M
и N
Вводим обозначения


; 
Получим уравнение прямой
в общем виде
Плечо S найдем как отрезок перпендикуляра, опущенного из точки С на ось
рейки

Подставляя значения B, C,
и
в формулу, получим для
рассматриваемого случая
Усилие на рейки от
действия опрокидывающего момента

Полное усилие на рейки
Крутящий момент на оси
одной реечной шестерни
Мощность двигателя
Вывод: в результате
выполнения лабораторной работы было установлено, что усилие в рейках полностью
зависит от точного определения общих координат центра тяжести электропечи.