Исследование разделителя падающих и отраженных волн для векторного анализатора цепей диапазона СВЧ
Введение
За последние 10-15 лет в области измерения параметров
многополюсников на СВЧ достигнуты значительные успехи. Существенно возросла
скорость и точность измерений, появилась возможность измерять такие параметры
СВЧ трактов, которые ранее были недоступны для измерений. Основой этих успехов
послужили разработка новых способов измерений, создание измерительной
аппаратуры с использованием микропроцессоров, предназначенной для работы с ЭВМ.
Одними из наиболее точных приборов для измерения СВЧ трактов
являются векторные анализаторы цепей (ВАЦ). Цепи, которые могут быть
проанализированы с помощью ВАЦ, имеют широкий диапазон применений, начиная от
простых устройств, таких как фильтры и усилители, и заканчивая сложными
модулями, используемыми в системах телекоммуникации. Векторный анализатор цепей
представляет собой одну из наиболее сложных частей многоцелевого испытательного
оборудования в области высокочастотной (ВЧ) и сверхвысокочастотной (СВЧ)
радиотехники. [1,2]
Целью данной работы является разработка и исследование модели
разделителя падающих и отражённых волн на основе направленного моста.
1. Аналитический обзор
литературы
1.1 Теоретические
основы измерения комплексных коэффициентов отражения и передачи
Различные типы СВЧ устройств можно описать с помощью падающих
и отражённых волн, которые распространяются в подключенных к ним линиях
передач. В этом случае одним из основных способов описания СВЧ цепей является
волновая теория, которая связывает между собой падающие и отраженные волны с
помощью комплексной матрицы рассеяния, что описывается обобщенным уравнением:
, (1.1)
где b - вектор отраженной волны;
S - матрица S-параметров N-полюсника;
a - вектор падающей волны.
В случае однопортового устройства измерение коэффициента отражения
не вызывает существенных проблем.
Рисунок 1.1 - Однопортовое устройство с падающей и отраженной
волнами
Рассмотрим способы измерения коэффициента отражения применительно
к однопортовому устройству с двумя подводящими линиями (рис. 1.1). Мы будем
различать в подводящих линиях передачи падающие волны
и отраженные волны
. Падающая волна распространяется от
анализатора к испытуемому устройству. Отраженная волна распространяется в
противоположном направлении: от испытуемого устройства обратно в анализатор.
Величина отраженной волны зависит от значения коэффициента
отражения исследуемого устройства. Коэффициент отражения Г обычно является
комплексной величиной и представляет собой отношение отраженной волны к
падающей волне:
(1.2)
Также возможно вычисление через комплексный импеданс z исследуемого устройства. При опорном (волновом) импедансе,
обычно равном
, безразмерный нормированный импеданс
определяется формулой
. Нормированный импеданс используется для
определения комплексного коэффициента отражения по формуле [3]:
(1.3)
Однако в многопортовых устройствах, кроме отражения от каждого
порта, существует прохождение сигнала между портами в прямом и обратном
направлениях. В случае четырехполюсника матрица S-параметров имеет вид:
,
где s11 и s22 - коэффициенты отражения входа и выхода;
s12 и s21 - комплексные
коэффициенты передачи в прямом и обратном направлениях. [2]
Измерение S-параметров представляет собой достаточно трудоемкий процесс,
во многом упрощающийся за счет использования автоматизированных анализаторов
цепей (ААЦ), таких как: скалярные (САЦ) и векторные анализаторы цепей (ВАЦ).
Измерение значений только главной диагонали матрицы S-параметров можно
провести с помощью рефлектометра.
Схема рефлектометра основана на двух встречно соединенных
направленных ответвителях, использующихся для определения амплитуд падающей и
отраженной волн. Если направленные ответвители являются электрически
идеальными, то по амплитуде отраженной и падающей волн можно непосредственно
определить модуль коэффициента отражения.
Принципиально, так же как и практически, это наиболее простой путь
измерения коэффициента отражения. Устройством, использующим этот способ,
является рефлектометр, показанный на рис. 1.2 (1 - аттенюатор, 2 - направленный
ответвитель падающей волны, 3,4 - индикаторное устройство, 5 - направленный
ответвитель отраженной волны, 6 - измеряемое полное сопротивление).
Рисунок 1.2 - Рефлектометр
1.2 Виды
и основы работы направленных устройств
Рассмотрим принципы работы направленных устройств,
использующихся для выделения падающих и отраженных волн.
В общем случае НУ можно представить как трехпортовое устройство.
На рис. 1.3 показаны два основных сигнальных направления устройства. Волна
, создаваемая генератором, направляется на
порт 1 с коэффициентом передачи s21, и после отражения от этого порта
возвращается как волна
. В случае однопортового испытуемого устройства
(ИУ) волна
возникает из-за отражения падающей волны
с коэффициентом отражения
:
(1.4)
Относительно ИУ волна
соответствует падающей волне
, а волна
соответствует отражённой волне
. Поэтому формула (1.4) может быть
переписана через величины
и
в виде:
(1.5)
Рисунок 1.3 - Измерительная цепь с направленным устройством
Волна
ответвляется на порт 3 с коэффициентом
ответвления s32. К этому порту подключен измерительный приемник.
Существует альтернативный путь сигнала из порта 1 в порт 3. Просачивание
сигнала по этому пути создает помеху измерениям, что является нежелательным.
Поэтому на практике в направленном устройстве необходимо обеспечить как можно
более высокую изоляцию портов 1 и 3 (развязку), при которой в идеале
.
Еще необходимо не забывать о нежелательном обратном отражении от
порта 2 в направлении к ИУ. В идеале хотелось бы, чтобы это отражение
отсутствовало. Если, при справедливости перечисленных выше предположений об
идеальности выделяющего элемента, еще обеспечить постоянство волны генератора
, то волновая величина
будет прямо пропорциональной коэффициенту
отражения
от ИУ. Разумеется, в реальности
предположения об идеальности выделяющего элемента не справедливы.
Направленное устройство обычно строится на основе направленного
ответвителя или моста. Принципы работы этих устройств будут рассмотрены ниже.
Использование
направленных ответвителей
Направленные ответвители предназначены для направленного отбора
мощности из основного (первичного) канала (линии) во вспомогательный
(вторичный) канал (линию). В зависимости от расположения выходного плеча
вспомогательного канала по отношению к входному плечу основного канала НО могут
быть противонаправленными (рис. 1.4, а) и сонаправленными (рис. 1.4, б).
Разделение линий на первичную и вторичную условно и используется для упрощения
описания процессов, происходящих в НО.
Чаще всего, НО это четырехпортовое устройство, обычно с нагрузкой
на четвертом порте, но на практике элемент нагрузки почти всегда жестко
закреплен и не может быть снят.
Рисунок 1.4 - Разновидности направленных ответвителей:
а) противонаправленный, б) сонаправленный
Направленный ответвитель имеет четыре основные характеристики (на
примере рис. 1.4, а): вносимые потери (s23,
дБ), ответвление (s21, дБ), развязка (s13, дБ) и направленность (D). Фактически, направленность зависит от трех других параметров и
определяется соотношением:
(1.6)
Фактически, лучше всего определять направленность как способность
энергии на ответвленном порте отражать изменения коэффициента отражения на
тестовом порте. [5]
В идеальном случае, НО может быть описан волновой матрицей
рассеяния:
Элементы, стоящие на главной диагонали, имеют смысл коэффициентов
отражения по напряжению от соответствующих входов, а вне ее - коэффициентов
передачи между двумя входами. При этом все остальные входы, кроме одного, на
котором измеряется напряжение, предполагаются согласованными. В случае полного
согласования всех входов в матрице рассеяния элементы главной диагонали будут
равны нулю:
Если предположить полную развязку соответствующих входов, то
дополнительно должны также выполняться соотношения:
В реальных устройствах, работающих в полосе частот, приведенные
соотношения, естественно, не выполняются. Поэтому развязка имеет конечное
значение, т.е. в развязанный порт поступает некоторая, хотя и весьма
незначительная, часть входной мощности. Это может быть связано с несколькими
причинами:
1. наличие тепловых потерь в проводниках и диэлектрике,
хотя на практике этими потерями часто можно пренебречь;
. неидеальность согласования входов НО, которая
особенно проявляется при работе в широкой полосе.
Направленные ответвители могут реализовываться как на
распределенных, так и на комбинированных элементах. [1]
Большинство ответвителей имеют структуру практически без потерь,
так что направленность практически определяется выражением
(для s13 и s21 в разах), но для структур с потерями, таких как
направленные мосты, определение выше обеспечивает надлежащее описание. [5]
Рисунок 1.5 - Направленные ответвители
Использование
направленных мостов
Направленный мост необходим для выделения падающих и
отраженных волн и может являться составной частью векторного анализатора цепей.
Направленный мост может быть построен на основе комбинации сосредоточенных и
распределенных элементов. Это делает выгодным его применение по сравнению с
направленным ответвителем на связанных линиях, если необходимо включить область
рабочих частот ниже 500 МГц
Мост для измерения КСВН состоит из резисторов R1, R2
и импеданса Z0 (рис. 1.6). Однако здесь не предусматривается, как в
обычных мостах, регулировка на нуль диагонального напряжения (Vab - напряжение измерительной диагонали).
Если отношение сопротивлений
равно отношению сопротивлений
, то разность потенциалов между точками AB будет равна нулю и ток
между ними не будет протекать, т.е. мост будет сбалансирован, и тогда
выполняется условие R1Zx =R2Z0. Если Zx будет отличаться от сопротивления, при
котором мост сбалансирован, то в диагонали АВ возникнет разность потенциалов,
характеризующая это отличие.
Рисунок 1.6 - Варианты изображения схемы КСВН моста
На СВЧ схема, приведенная на рис. 1.6, представляет собой восьмиполюсник
или направленный ответвитель, у которого диагональ питания CD есть входной порт (номер 1), плечо BD - тестовый порт (номер 2), плечо AD - нагрузочный порт (номер 4), а диагональ
AB - измерительный порт (номер 3). То есть
сопротивление Z0 в плече AD будет равно
волновому сопротивлению портов, а как следствие, и волновому сопротивлению
генератора. Тогда с помощью сопротивлений R2, R1 из условия балансировки моста можно устанавливать необходимый
коэффициент деления мощности между выходным и измерительным портами. В случае,
когда R1=R2, мощность будет делиться между ними в отношении 1:1.
Рассогласование измерительного порта может быть найдено по
следующей формуле:
(1.7)
Для достижения идеального согласования измерительного порта
, необходимо выполнение условия:
(1.8)
При выполнении этого условия, элементы S-матрицы КСВН моста даются формулами:
(1.9)
(1.10)
Из-за неизбежных механических и электрических неточностей условие S31=0 не может быть выполнено точно. Это приводит к
необходимости учета поправки на направленность |D| > 0.
Недостаток схемы на рис. 1.6 заключается в том, что по принципу
действия диагональ моста, с которой снимается сигнал (АВ), не может быть
заземлена, так как нарушается баланс моста. В то же время преобразующее устройство
(детекторная или смесительная головка) обязательно имеет заземленный проводник.
С помощью симметрирующего трансформатора (рис.1.7) симметричное диагональное
напряжение может быть преобразовано в несимметричное, т.е. в потенциал
относительно земли. Симметрирующий трансформатор, обеспечивающий переход от
симметрично возбужденной диагонали к несимметричной коаксиальной линии, в
значительной степени определяет диапазонные свойства моста.
Существуют симметрирующие трансформаторы на распределённых и на сосредоточенных
параметрах. Конструкция симметрирующего трансформатора на сосредоточенных
параметрах представляет собой две катушки, каркасом для которых служит
ферритовый сердечник. Конструкция симметрирующего трансформатора на
распределённых параметрах представляет собой коаксиальный кабель с надетыми на
внешний проводник ферритовыми кольцами. Известная нам максимальная рабочая
частота трансформаторов на сосредоточенных параметрах не превышает 3 ГГц. В
основном это связано с полосой рабочих частот ферритового сердечника. [6]
Рисунок 1.7 - КСВН мост с отводом выходного напряжения через
трансформатор
Физически направленный мост объединяет в себе такие
устройства, как измерительный мост с высокой направленностью, основной частью
которого является делитель, находящийся между точками 1,2 и 3 (резисторы R1
и R2), симметрирующий трансформатор (Тр1) и эталонную
прецизионную нагрузку (Z0). [1,3]
1.3 Принцип
работы векторных анализаторов цепей
Скалярные анализаторы цепей являются наиболее распространенными
приборами для проведения измерений «воздействие-отклик». Функциональные
возможности САЦ (на примере продукции компании Agilent) включают:
. широкий диапазон частот: от 10 МГц до 110 ГГц (в
зависимости от используемого детектора);
. высокая скорость развертки: от 40 мс до 400 мс на
развертку;
. несколько входных портов позволяют проводить
одновременное измерение параметров передачи и отражения, исключая необходимость
перекалибровки и реконфигурирования прибора;
. сравнительно невысокая стоимость по сравнению с ВАЦ.
[4]
Однако, по сравнению с ВАЦ, САЦ имеют ряд недостатков,
снижающих их возможности при анализе СВЧ устройств:
. использование амплитудного детектора не дает полного
представления о состоянии фазы сигнала, что приводит к образованию неопределенности
измерений;
. САЦ измеряет только разницу в амплитудах между
волновыми величинами.
Векторный анализатор цепей, в отличие от скалярного
анализатора, измеряет не только амплитуды, но и фазы волновых величин, что
позволяет получить более точные значения комплексных S-параметров. Также
векторные анализаторы имеют следующие преимущества:
. только векторный анализатор цепей может выполнять
полную коррекцию систематических ошибок измерительной системы. Такая коррекция
компенсирует систематические аппаратурные ошибки измерительных приборов с
максимально возможной точностью.
. Только векторные измерительные данные могут быть
недвусмысленно трансформированы во временную область. Это открывает много
возможностей для интерпретации и для дальнейшей обработки данных.
. Удаление и внедрение виртуальных цепей является
специальной техникой обработки данных. С помощью данной техники возможно
математически рассчитать испытательные приспособления на основе измерительных
данных, либо математически учитывать при условии их физического отсутствия. Обе
эти возможности могут быть реализованы только при наличии векторных
измерительных данных.
. Для представления результатов измерений на диаграмме
Смита необходимо иметь коэффициенты отражения в векторной форме.
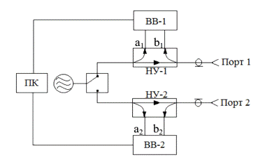
Структурная схема измерительного блока двухпортового векторного
анализатора цепей представлена на рис. 1.8.
Рисунок 1.8 - Структурная схема измерительного блока ВАЦ
Функциональные возможности ВАЦ:
. Широкий диапазон рабочих частот;
. Широкий динамический диапазон системы;
. Векторные калибровки с механическими эталонами или
электронным калибратором;
. Измерение полной матрицы S-параметров;
. Измерение параметров частотно-преобразующих
устройств;
. Измерение интермодуляционных составляющих;
. Возможность сканирования как по частоте, так и по
мощности зондирующего сигнала;
. Импульсные измерения;
. Математическое встраивание и исключение цепей;
. Анализ и фильтрация во временной области;
. Антенные измерения.
Изображённая на рис. 1.8 структурная схема измерительного блока
ВАЦ, работает следующим образом. Зондирующий сигнал вырабатывается панорамным
(по частоте) генератором, в качестве которого чаще всего выступает синтезатор
частот. В положении переключателя, как изображено на рисунке, зондирующий
сигнал с эталонного порта направленного устройства (НУ-1) поступает на
векторный вольтметр (ВВ-1) и на первый порт испытываемого устройства (ИУ).
Отраженный от ИУ сигнал b1, несущий информацию о коэффициенте
отражения первого порта ИУ (о параметре s11), поступает на
НУ-1 и через его ответвлённый порт - на ВВ-1. Прошедший через ИУ сигнал,
несущий информацию о коэффициентах передачи ИУ (о параметре s21),
поступает на НУ-2 и через его ответвленный порт на приемник отраженного сигнала
b2 - ВВ-2. После этого сигналы с обоих векторных вольтметров
подаются на ПК для дальнейшей обработки. Для оставшихся положений переключателя
ситуация будет аналогичной. [1]
2. Расчетно-аналитическая
часть
2.1 Исследование
особенностей конструкции существующих экспериментальных образцов разделителей
падающих и отраженных волн
Модель разделителя падающих и отраженных волн строилась на основе
уже существующих экспериментальных образцов, работающих в диапазоне от 300 кГц
до 13.5 ГГц (рис. 2.1).
Рисунок 2.1 - Тестовый образец направленного моста
Плата моста изготовлена из СВЧ материала Rogers4350B с
диэлектрической проницаемостью ℰ=3,66 и толщиной 0,254
мм, нанесенного на стеклотекстолит для повышения механической прочности
изделия. Общая толщина печатной платы составляет 1.644 мм.
В качестве линии передачи на печатной плате используется
частично экранированная копланарная линия. С помощью отверстий по краям линий
передач экранирующая металлизация и части копланарных линий соединяются между
собой для обеспечения заземления сосредоточенных элементов моста.
В качестве коаксиальных соединителей используются разъемы
Johnson типа SMA 142-0761-861.
В качестве трансформатора с распределенными параметрами
используется коаксиальный кабель производства HUBER+SUHNER EZ_47_TP_M17 с
надетыми на него ферритовыми шайбами.
Параметры коаксиального кабеля:
. центральный проводник - медь с серебряным
напылением;
. диэлектрик - политетрафторэтилен;
. внешний проводник - медь;
. импеданс - 50 Ом;
. максимальная рабочая частота - 107 ГГц;
. погонная емкость - 105 пФ/м
. сопротивление изоляции - 108 Мом;
Длина кабеля выбрана из конструктивных соображений и
составляет 35 мм.
В качестве сопротивлений делителя используются чип-резисторы
типоразмера 0402 номиналами 49.9 Ом и 270 Ом.
Эталонная нагрузка выполнена из шести чип-резисторов
типоразмера 0603 номиналами 62 Ом соединенных параллельно и имеет общее
сопротивление Z0= 10.33 Ом.
2.1.1 Характеристики экспериментальных образцов
Измерение электрических характеристик экспериментальных
образцов проводилось с использованием следующих приборов:
. в полосе частот от 300 кГц до 3,2 ГГц - ВАЦ Obzor 304/1;
. в полосе частот от 10 МГц до 13,5 ГГц - САЦ Р2М-40.
Ниже приведены частотные зависимости электрических характеристик
для двух тестовых образцов направленного моста, в соответствие к которым будут
приводиться характеристики разрабатываемой модели (рис. 2.2 - 2.7).
Рисунок 2.2 - Частотные зависимости коэффициентов отражения
первого порта экспериментальных образцов
Рисунок 2.3 - Частотные зависимости коэффициентов отражения
второго порта экспериментальных образцов
Рисунок 2.4 - Частотные зависимости коэффициентов отражения
третьего порта экспериментальных образцов
Рисунок 2.5 - Частотные зависимости коэффициентов ответвления
экспериментальных образцов
Рисунок 2.6 - Частотные зависимости коэффициентов передачи
экспериментальных образцов
Рисунок 2.7 - Частотные зависимости развязки экспериментальных
образцов
Рисунок 2.8 - Частотные зависимости направленности
экспериментальных образцов
Исходя из приведенных выше электрических параметров
экспериментальных образцов, в процессе моделирования необходимо получить
частотные зависимости характеристик, которые должны иметь следующую
неравномерность: для коэффициента ответвления - минус 3 дБ, для коэффициента передачи
- минус 2,5 дБ. Частотные зависимости коэффициентов отражения портов во всей
полосе частот должны быть ниже уровня в минус 15 дБ. Частотная зависимость
направленности во всей полосе частот должна быть не ниже уровня в 20 дБ.
Сравнительные графики частотных зависимостей (рис. 2.9 - 2.13) в
полосе частот от 300 кГц до 100 МГц приведены ниже.
Рисунок 2.9 - Частотные зависимости коэффициентов отражения
первого экспериментального образца
Рисунок 2.10 - Частотные зависимости коэффициентов отражения
второго экспериментального образца
Рисунок 2.11 - Частотные зависимости коэффициентов передачи
Рисунок 2.12 - Частотные зависимости коэффициентов ответвления
Рисунок 2.13 - Частотные зависимости развязки
Полученные частотные зависимости удовлетворяют требованиям ТЗ
только на частотах свыше 1 МГц.
2.2 Моделирование
разделителя на основе эквивалентных схем элементов
Для приближения электрических характеристик модели направленного
моста к электрическим характеристикам тестового образца было решено ввести в
нее эквивалентные схемы элементов, использующихся в конструкции моста.
Основными элементами являются чип-резисторы (рис. 2.14) двух типоразмеров (0402
и 0603).
На основе конструкции используемых чип-резисторов была составлена
эквивалентная схема, учитывающая их паразитные параметры (рис. 2.15). [7]
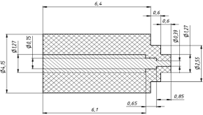
Рисунок 2.14 - Габаритные размеры чип-резистора
Рисунок 2.15 - Эквивалентная схема резистора с учётом паразитных
параметров
Ниже приведены выражения для определения паразитных параметров
резисторов в соответствии со схемой на рисунке рис. 2.15.
, (2.1)
где Lr - длина резистивного слоя;
wr - ширина резистивного слоя.
, (2.2)
где
- диэлектрическая проницаемость материала
подложки платы;
- эффективная ширина;
- толщина платы подложки.
, (2.3)
где
- диэлектрическая проницаемость материала
подложки резистора;
w - ширина резистора;
h - толщина резистора;
l - длина резистора.
Для резисторов типоразмера 0402 были взяты следующие параметры:
1. длина - 1 мм;
. площадь резистивного слоя - 0.22710 мм;
. ширина резистивного слоя - 0.38 мм;
. длина резистивного слоя - 0.6 мм;
. толщина резистора - 0.254 мм;
. диэлектрическая проницаемость подложки резистора -
9.8;
. диэлектрическая проницаемость подложки платы - 3.66.
Для резисторов типоразмера 0603 были взяты следующие
параметры:
. длина - 1.5 мм;
. площадь резистивного слоя - 0.52645 мм;
. ширина резистивного слоя - 0.554 мм;
. длина резистивного слоя - 0.95 мм;
. толщина резистора - 0.254 мм;
. диэлектрическая проницаемость подложки резистора -
9.8;
. диэлектрическая проницаемость подложки платы - 3.66.
С помощью формул 2.1 - 2.3 были рассчитаны значения паразитных
параметров резисторов:
для 0402:
;
;
;
Для 0603:
;
;
;
Полученные при расчете паразитных параметров значения были
использованы в модели в качестве начальных параметров модели.
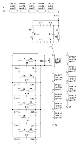
Были составлены две модели направленного моста:
1. включающая в себя только резисторы с учетом их
паразитных параметров и трансформатор на основе коаксиальной линии;
. дополнительно включающая в себя модели коаксиальных
разъемов для более полного учета потерь мощности при распространении сигнала.
Эквивалентная схема моста с учётом паразитных параметров
резисторов без учета коаксиальных разъемов изображена на рис. 2.16.
Рисунок 2.16 - Эквивалентная схема направленного моста с учетом
паразитных параметров
Полученные результаты моделирования для эквивалентной схемы
приведены на рисунках 2.17 - 2.20.
Рисунок 2.17 - Частотные зависимости коэффициентов отражения
портов схемы без коаксиальных разъемов
Рисунок 2.18 - Частотная зависимость коэффициента передачи схемы
без коаксиальных разъемов
Рисунок 2.19 - Частотная зависимость коэффициента ответвления
схемы без коаксиальных разъемов
Рисунок 2.20 - Частотная зависимость развязки схемы без
коаксиальных разъемов
Полученные при моделировании частотные зависимости
коэффициентов отражения портов отличаются от измеренных у экспериментального
образца в среднем на 10 дБ.
Частотные зависимости коэффициентов передачи и ответвления
повторяют измеренные у экспериментальных образцов, однако отличаются меньшей
неравномерностью.
Частотная зависимость развязки не совпадает с измеренной.
Для уточнения схемы было решено добавить в нее модель SMA-разъема, использующегося в конструкции
моста (рис. 2.21).
Рисунок 2.21 - Чертеж смоделированного SMA-разъема
Так же для приближенного описания заужений линий передач в
отдельных местах топологии направленного моста (рис. 2.22) были добавлены
индуктивности L10 и L11.
Рисунок 2.22 - Заужения линий передач
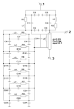
Эквивалентная схема моста с учётом паразитных параметров
резисторов и коаксиальных разъемов изображена на рис. 2.23.
Рисунок 2.23 - Эквивалентная схема моста с учетом паразитных
параметров и коаксиальных разъемов
Полученные при моделировании схемы направленного моста частотные
зависимости характеристик изображены на рис. 2.24 - 2.30.
Рисунок 2.24 - Частотные зависимости коэффициентов отражения
первого порта схемы с коаксиальными разъемами
Рисунок 2.25 - Частотные зависимости коэффициентов отражения
второго порта схемы с коаксиальными разъемами
Рисунок 2.27 - Частотные зависимости коэффициентов ответвления
Рисунок 2.28 - Частотные зависимости коэффициентов передачи
Рисунок 2.29 - Частотные зависимости развязки
Рисунок 2.30 - Частотные зависимости направленности
Из полученных частотных зависимостей можно сделать вывод о
том, что:
. после введения коаксиальных разъемов в модель
частотные зависимости коэффициентов отражения второго и третьего портов
ухудшились в среднем на 5-10 дБ из-за рассогласования, вносимого коаксиальными
разъемами;
. неравномерность частотной зависимости коэффициента
ответвления ухудшилась (по сравнению с моделью без учета коаксиальных разъемов)
и приобрела большее отличие от экспериментальной;
. неравномерность частотной зависимости коэффициента
передачи по-прежнему отличается от экспериментальной;
. частотная зависимость развязки ухудшилась и
по-прежнему отличается от экспериментальной;
. частотная зависимость направленности ухудшилась и
отличается от экспериментально полученной.
Основное влияние оказывают паразитные параметры резисторов,
так как с увеличением частоты изменяется сопротивление паразитных емкостей и
индуктивности, включенных в одну цепь с идеальным резистором, что влечет за
собой уменьшение общего сопротивления цепи и, следовательно, нарушение условия
баланса моста. Так же ухудшение неравномерности коэффициента ответвления,
коэффициентов отражения второго и третьего портов и общего уровня развязки в
области высоких частот вызвано вносимым рассогласованием коаксиальных разъемов
и потерями в линии передачи.
Так как формулы 1.9 - 1.10 частотнонезависимы и не позволяют
оценить величину неравномерности коэффициентов передачи и ответвления при изменении
частоты теоретически, то на основе метода узловых потенциалов было получено
выражение для определения эквивалентного сопротивления резистора с учетом его
паразитных параметров:
(2.4)
Подставляя выражение 2.4 в формулы 1.9 - 1.10, можно получить
расчетные значения неравномерности:
1. для коэффициента передачи - 1 дБ;
. для коэффициента ответвления - 3,4 дБ.
Рассчитанные величины неравномерности коэффициентов
ответвления и передачи соответствуют неравномерности, полученной при
моделировании эквивалентной схемы моста с идеальным трансформатором, не
учитывающим потери в коаксиальной линии.
2.3 Исследование
влияния паразитных параметров элементов разделителя на основные электрические
характеристики модели
Изменение паразитных параметров элементов схемы моста может
привести к значительному изменению основных электрических характеристик схемы.
Это происходит из-за нарушения условия баланса моста при изменении частоты, так
как сопротивления паразитных параметров элементов моста частотно-зависимы и
влияют на общее сопротивление элементов.
Изменять возможно только паразитную емкость (Cр) резистора, увеличивая ее, путём экранирования. В этом случае
появляется дополнительная емкость Сэ, включенная параллельно емкости
Сp (рис. 2.31). Так как изменять паразитную
индуктивность (Ls) и емкость (Сs) резисторов невозможно, то в модели
использованы рассчитанные величины (2.1, 2.3) и данные от производителя с
учетом возможного колебания значений. [8]
Рисунок 2.31 - Эквивалентная схема резистора с учётом паразитных
параметров и емкости экрана
Исходя из того, что во всем диапазоне рабочих частот необходимо
выполнение условия баланса моста, то паразитные индуктивности (L3 - L8) и емкости (C8, C9, C11, C12, C14, C15, C17, C18, C20, C21, C23, C24) резисторов эталонной нагрузки, резистора делителя R2, искусственно созданная емкость (С25) и индуктивность
(L9) трансформатора (рис. 2.23) и индуктивность, образующаяся при
сужении линии передачи на печатной плате, могут оказывать наибольшее влияние на
основные электрические характеристики моста.
Влияние
индуктивности симметрирующего трансформатора
В экспериментальном образце на внешний проводник кабеля
установлен ряд ферритовых шайб со следующими параметрами:
. Типоразмер К; 3,5х1,78х1,78 мм;
. Материал H10K с начальной магнитной проницаемостью µ=10000. [9]
На эквивалентной схеме (рис. 2.23) ферритовые шайбы представляют
собой индуктивность L9, которая подключена параллельно к внешнему проводнику
коаксиального кабеля. На рисунках 2.32 - 2.34 приведены частотные зависимости
электрических характеристик модели направленного моста при различных значениях
индуктивности L9:
1. 100 нГн;
. 8,9 мкГн.
Рисунок 2.32 - Частотные зависимости коэффициента передачи
Рисунок 2.33 - Частотные зависимости коэффициента ответвления
Рисунок 2.34 - Частотные зависимости развязки
Исходя из полученных частотных зависимостей, можно сделать
вывод о том, что:
. увеличение паразитной индуктивности трансформатора
приводит к значительному уменьшению неравномерности коэффициентов передачи и
ответвления в полосе частот от 300 кГц до 50 Мгц;
. наибольшее влияние индуктивность L9 оказывает на развязку:
а) при значении индуктивности 100 нГн необходимый
уровень развязки не достигается;
б) при значении номинала индуктивности 8,9 мкГн
необходимый уровень развязки достигается уже на частотах выше 2 МГц.
Влияние
паразитной индуктивности нагрузки и паразитной емкости делителя
Значения номиналов паразитных индуктивностей (Ls) резисторов эталонной
нагрузки могут значительно отличаться от значений, при которых выполняется
условие баланса. В этом случае необходимо проводить компенсацию их влияния на
получаемые частотные зависимости характеристик путем изменения величины
паразитной емкости резистора делителя R2.
На рисунках 2.35 - 2.37 приведены полученные электрические
характеристики при разных значениях паразитных индуктивностей резисторов
нагрузки Ln (L3 - L8) и емкости резистора делителя R2 Cd (С2).
Величина паразитной емкости резисторов нагрузки составляет Cn=0,04699 пФ; паразитной индуктивности
резистора делителя составляет Ld=0,1346
нГн и не изменяется.
Были использованы следующие значения паразитных параметров:
1. Ln=0,4 нГн, Cd=0,02587 пФ;
. Ln=0,56 нГн, Cd=0,02667 пФ;
. Ln=0,686 нГн, Cd=0,02827 пФ;
. Ln=0,286 нГн, Cd=0,03267 пФ;
5. Ln=0,486 нГн, Cd=0,02787 пФ - начальные
значения.
Рисунок 2.35 - Частотные зависимости коэффициента передачи
Рисунок 2.36 - Частотные зависимости коэффициента ответвления
Рисунок 2.37 - Частотные зависимости развязки
Исходя из полученных частотных зависимостей, можно сделать
вывод, о том что:
. незначительное уменьшение паразитной индуктивности
нагрузки приводит к уменьшению неравномерности коэффициентов передачи и
ответвления, однако ухудшает развязку; дополнительная коррекция паразитной
емкостью резистора делителя уменьшает неравномерность коэффициентов передачи и
ответвления и улучшает развязку;
. незначительное увеличение паразитной индуктивности
нагрузки увеличивает неравномерность коэффициентов передачи и ответвления и
ухудшает развязку; коррекция паразитной емкостью приводит к уменьшению
неравномерности коэффициентов передачи и ответвления, однако практически не
влияет на развязку;
. резкое увеличение паразитной индуктивности приводит
к значительному увеличению неравномерности коэффициентов передачи и ответвления
и ухудшению развязки; коррекция паразитной емкостью практически не оказывает
влияния на исследуемые характеристики;
. резкое уменьшение паразитной индуктивности приводит
к незначительному уменьшению неравномерности коэффициента передачи, значительному
уменьшению неравномерности коэффициента ответвления и ухудшению развязки;
коррекция паразитной емкостью приводит к увеличению неравномерности
коэффициентов ответвления и передачи и не влияет на развязку.
В случае, когда изменение паразитной индуктивности резисторов
эталонной нагрузки не может быть компенсировано изменением паразитной емкости
резистора делителя R2, компенсация возможна изменением емкости
симметрирующего трансформатора С25 (рис. 2.23).
Были использованы следующие значения паразитных параметров:
1. Ln=0,686 нГн, Cd=0,02827 пФ, C25=0,165
пФ;
. Ln=0,286 нГн, Cd=0,03267 пФ, C25=0,0315
пФ;
. Ln=0,686 нГн, Cd=0,02827 пФ (используется
для сравнения);
. Ln=0,286 нГн, Cd=0,03267 пФ
(используется для сравнения).
На рисунках 2.38 - 2.40 представлены сравнительные графики
полученных электрических характеристик.
Рисунок 2.38 - Частотные зависимости коэффициента передачи
Рисунок 2.39 - Частотные зависимости коэффициента ответвления
Рисунок 2.40 - Частотные зависимости развязки
Исходя из полученных частотных зависимостей, можно сделать
вывод о том, что применение емкости С25 для дополнительной
компенсации практически не оказывает влияния на неравномерность коэффициентов
передачи и ответвления, но позволяет получить незначительное улучшение развязки
для случаев резкого уменьшения и увеличения паразитной индуктивности, однако
необходимый уровень развязки не достигается.
Влияние
паразитной емкости нагрузки и паразитной индуктивности делителя
Рассмотрим случай, противоположный разобранному в п.2.3.2.
Рассматриваться будет влияние на электрические характеристики схемы паразитной
индуктивности L2 резистора делителя и его компенсация паразитной емкостью
резисторов нагрузки.
На рисунках 2.41 - 2.43 приведены полученные частотные зависимости
электрических характеристик при разных значениях паразитной индуктивности
резистора делителя Ld (L2) и
емкостей резисторов эталонной нагрузки Cn (C8, C9, C11, C12, C14, C15, C17, C18, C20, C21, C23, C24). Величина паразитной емкости резистора делителя
составляет Cd=0,02787 пФ; паразитной индуктивности
резисторов нагрузки составляет Ld=0,486
нГн и не изменяется.
Были использованы следующие значения паразитных параметров:
1. Ld=0,1 нГн, Cn=0,04559 пФ;
2. Ld=0,2686 нГн, Cn=0,057 пФ;
3. Ld=0,04 нГн, Cn= 0,04419пФ;
. Ld=0,636 нГн, Cn=0,077 пФ;
. Ld=0,1346 нГн, Cn=0,04699 пФ -
начальные значения.
Рисунок 2.41 - Частотные зависимости коэффициента передачи
Рисунок 2.42 - Частотные зависимости коэффициента ответвления
Рисунок 2.43 - Частотные зависимости развязки
Исходя из полученных частотных зависимостей коэффициентов
передачи и ответвления, можно сделать вывод, о том что:
. незначительное уменьшение паразитной индуктивности
резистора делителя практически не оказывает влияния на частотные зависимости
коэффициентов передачи и ответвления и незначительно улучшает развязку;
дополнительная коррекция изменением паразитной емкости резисторов эталонной
нагрузки не оказывает влияния на частотные зависимости коэффициентов передачи и
ответвления и улучшает развязку;
. увеличение индуктивности почти в два раза, по
сравнению с номинальной, приводит к незначительному уменьшению неравномерности
частотных зависимостей передачи и ответвления и ухудшению развязки; коррекция
паразитной емкостью не оказывает влияния на неравномерность коэффициентов
передачи и ответвления, однако значительно улучшает развязку;
. значительное уменьшение паразитной индуктивности
резистора делителя практически не оказывает влияния на частотные зависимости
коэффициентов передачи и ответвления и незначительно ухудшает развязку;
дополнительная коррекция изменением паразитной емкости резисторов эталонной
нагрузки не оказывает влияния на частотные зависимости коэффициентов передачи и
ответвления и улучшает развязку;
. значительное увеличение индуктивности, по сравнению
с номинальным значением, приводит к уменьшению неравномерности частотных
зависимостей коэффициентов передачи и ответвления и ухудшению развязки;
коррекция паразитной емкостью нагрузки уменьшает неравномерность коэффициентов
передачи и ответвления и позволяет добиться приемлемого уровня развязки.
В случае, когда изменение паразитной индуктивности резистора
делителя R2 не может быть компенсировано изменением паразитных емкостей
резисторов эталонной нагрузки, компенсация возможна изменением
емкости симметрирующего трансформатора С25 (рис. 2.23).
Были использованы следующие значения паразитных параметров:
1. Ld=0.2686 нГн, Cn=0.057 пФ, C25=0,074 пФ;
2. Ld=0.636 нГн, Cn=0.077 пФ, C25=0,02125 пФ;
3. Ld=0.2686 нГн, Cn=0.057 пФ - используется
для сравнения;
. Ld=0.636 нГн, Cn=0.077 пФ -
используется для сравнения.
Исходя из полученных частотных зависимостей развязки, можно
сделать вывод о том что:
. дополнительная компенсация с помощью емкости C25 приводит к незначительным
изменениям неравномерности коэффициентов передачи и ответвления;
. незначительное увеличение паразитной индуктивности L2 резистора делителя R2 может быть компенсировано
емкостью С25, что позволяет получить требуемый уровень развязки;
. значительно увеличенное значение паразитной
индуктивности также может быть компенсировано емкостью C25, что приводит к
улучшению развязки в области высоких частот и позволяет привести ее к
требуемому уровню.
Влияние
заужений линий передач
Индуктивности L10 и L11 используются в эквивалентной схеме для описания
сужений линий передачи на печатной плате.
1. L10=0,142 нГн;
2. L10=0,01 нГн;
3. L10=0,0277 нГн - номинальные значения.
Из полученных частотных зависимостей коэффициента отражения
первого порта и развязки можно сделать вывод о том, что:
. значительное увеличение индуктивности L10 приводит к улучшению
развязки и значительному ухудшению коэффициента отражения первого порта;
. значительное уменьшение индуктивности приводит к
улучшению развязки и незначительному улучшению коэффициента отражения первого
порта.
Из полученных частотных зависимостей можно сделать вывод о
том, что:
. любое изменение величины номинала индуктивности L11 приводит к ухудшению
общего уровня коэффициента отражения от первого порта;
. увеличение индуктивности приводит к увеличению
неравномерности коэффициентов передачи и ответвления и значительному ухудшению
развязки;
. уменьшенная индуктивность приводит к уменьшению
неравномерности коэффициентов передачи и ответвления, однако приводит развязку
к минимально допустимому уровню;
. уменьшением величины паразитной индуктивности можно
добиться соблюдения условий ТЗ.
2.4 Моделирование
разделителя на основе электромагнитного анализа топологии
Модель, основанная на эквивалентных схемах, не позволяет
полностью учесть особенности топологии разделителя падающих и отраженных волн.
Также в ней используются рассчитанные величины паразитных параметров, которые
могут значительно отличаться от реальных значений. Исходя из этого, было решено
провести электромагнитное моделирование топологии делителя, с целью создания
более точной модели разделителя и изучения способов упрощения его настройки.
В процессе электромагнитного моделирования топологии делителя
были созданы:
. модель подложки платы моста с использованием
параметров материалов подложки;
Можно сделать вывод о том, что:
. частотные зависимости коэффициентов отражения портов
модели удовлетворяют значению, заданному в ТЗ;
. частотная зависимость коэффициента передачи модели
повторяет зависимости, полученные у экспериментальных образцов; величина его
неравномерности составляет 2 дБ, что удовлетворяет значению, заданному в ТЗ;
. частотная зависимость коэффициента ответвления
отличается по уровню от экспериментальных образцов в среднем на 1 дБ; в полосе
частот от 300 кГц до 13,5 ГГц его неравномерность принимает значение, равное
3,2 дБ, что незначительно отличается от условий, заданных в ТЗ;
. частотная зависимость направленности модели
удовлетворяет ТЗ во всей полосе частот;
Исходя из этого, можно сделать вывод: электромагнитная модель
делителя отображает поведение экспериментального образца, что позволяет
использовать ее для определения зависимостей основных характеристик разделителя
от паразитных параметров элементов, использующихся в конструкции.
3. Технико-экономическое
обоснование работы
3.1 Резюме
проекта
Название работы: Исследование разделителя падающих и
отражённых волн для векторного анализатора цепей диапазона СВЧ.
Ключевые слова: Направленный мост, векторный анализатор
цепей, электромагнитное моделирование, электрические характеристики.
Сроки выполнения работы: 6.03.14 - 9.06.14
Стоимость работы: 90133,88 руб.
3.2 Актуальность
проекта
Одними из наиболее точных приборов для измерения СВЧ трактов
являются векторные анализаторы цепей (ВАЦ). Цепи, которые могут быть
проанализированы с помощью ВАЦ, имеют широкий диапазон применений, начиная от
простых устройств, таких как фильтры и усилители, и заканчивая сложными
модулями, используемыми в системах телекоммуникации.
Одной из наиболее важных частей ВАЦ является направленное
устройство для разделения падающих и отраженных волн, обычно представленное в
виде направленного моста или направленного ответвителя.
Выполнение данной работы вызвано необходимостью
совершенствования технологии производства и поиска способов упрощения настройки
направленного моста.
3.3 Цель
проекта
Исследование разделителя падающих и отражённых волн для
векторного анализатора цепей диапазона СВЧ.
3.4 Расчет
сметы затрат на НИР
Любая исследовательская работа связана с определенными
затратами. Затраты по статьям калькуляции для целей планирования затрат НИР
включают статьи:
) материальные затраты;
) затраты на электроэнергию (в составе материальных
затрат);
) заработная плата;
) начисления на заработную плату;
) прочие прямые расходы.
) амортизация основных фондов;
) накладные расходы.
Расчет сметы затрат на исследование разделителя падающих и
отражённых волн для векторного анализатора цепей диапазона СВЧ необходим для
того, чтобы определить общую потребность в денежных ресурсах на выполнение НИР.
Статья
«Материалы, сырье, комплектующие»
По этой статье отражаются затраты на материалы,
непосредственно связанные с выполнением данного проекта. Для выполнения данной
работы материальные затраты связаны с приобретением видов продукции,
представленных в таблице 3.1.
Таблица 3.1 - Расшифровка статьи «Материалы, сырье,
комплектующие»
|
Вид ресурса
|
Количество
|
Цена (руб.)
|
Сумма (руб.)
|
|
1. Бумага для принтера 200 л.
|
1 пач.
|
259,00
|
259,00
|
|
2. Чернила для принтера
|
1 шт.
|
100,00
|
100,00
|
|
3. Накопитель USB flash drive
|
1 шт.
|
300,00
|
300,00
|
|
4. Чип-резисторы типоразмера: а) 0402 б) 0603
|
20 шт. 60 шт.
|
0,72 0,53
|
14,4 31,8
|
|
5. Разъем JohnsonSMA 142-0761-861
|
3 шт.
|
698
|
2094
|
|
6. Коаксиальный кабель HUBER+SUHNEREZ_47_TP/M17
|
1 шт.
|
13418
|
13418
|
|
7. Материал Rogers4350B
|
1 панель
|
9692
|
9692
|
|
Итого
|
25909,2
|
Статья
«Затраты на электроэнергию»
Затраты на электроэнергию рассчитываются следующим образом:
(3.1)
где Wу - установленная мощность оборудования (0,7 кВт);
Т - время работы оборудования, час.;
Sэл - тариф за электроэнергию (2,7 руб./кВт∙ч).
- затраты на электроэнергию.
Статья
«Заработная плата»
Данная статья предполагает расчет затрат на заработную плату
работникам, непосредственно занятым при выполнении НИР.
В таблице 3.2 представлен график реализации проекта за период
выполнения работ.
Таблица 3.2 - График реализации проекта на 2014 г.
|
№№
|
Разделы
|
Сроки
|
Показатели
|
Значения
|
|
11
|
Изучение литературы касательно темы НИР
|
6.03.2014-20.03.2014
|
Количество занятых сотрудников, чел.
|
1 человек (студент)
|
|
22
|
Разработка электромагнитной модели делителя
направленного моста
|
21.03.2014-14.04.2014
|
Количество занятых сотрудников, чел.
|
1 человек (студент)
|
|
33
|
Изготовление экспериментальных образцов
направленного моста
|
15.04.2014 - 18.04.2014
|
Количество занятых сотрудников, чел.
|
2 человека (руководитель, студент)
|
|
|
|
Количество выпущенной продукции, шт.
|
1 шт.
|
|
44
|
Настройка экспериментального образца и
исследование его электрических характеристик.
|
19.04.2014 - 25.05.2014
|
Количество занятых сотрудников, чел.
|
2 человека (руководитель, студент)
|
|
55
|
Отчетный период
|
26.05.2014 - 9.06.2014
|
Количество занятых сотрудников, чел.
|
2 человека (руководитель, студент)
|
Способ расчета затрат по строке «заработная плата» может быть
грубым (на начальных этапах планирования работ), либо уточненным. При грубых
расчетах за основу берут принятые в организации средние размеры оплаты труда по
данному разряду.
При более точном методе отдельно выделяют все виды выплат по
заработной плате с учетом размеров должностных окладов, тарифных ставок,
трудоемкости работ, надбавок и доплат, оплаты ежегодных отпусков, районного
коэффициента.
В таблице 3.3 представлена расшифровка по статье «Заработная
плата».
Таблица 3.3 - Расшифровка по статье «Заработная плата»
|
Сотрудники:
|
|
|
|
Руководитель - аспирант
|
сумма
|
сумма (с учетом РК)
|
|
Четвертая профессионально-квалификационная
группа
|
|
тип начисления:
|
|
|
|
всего рабочих дней (в месяц): 25, отработано 25
|
|
1. оклад
|
7700
|
10010
|
|
2. надбавка единовременная
|
2310
|
3003
|
|
итого начислено руководителю
|
13013
|
|
студент
|
4725
|
6142,50
|
|
Третья профессионально-квалификационная группа
|
|
надбавка (до ПМ)
|
|
357,50
|
|
итого начислено студенту
|
|
6500
|
|
итого ФЗП с РК
|
|
19513
|
Произведем расчет заработной платы участников проектирования.
Дневная ставка равна месячному окладу, поделенному на 25
рабочих дней, т.е.:
, (3.2)
где ЗД - заработная плата за один день;
ОМ - месячный оклад работника.
Дневная ставка, помноженная на число рабочих дней, даст
заработную плату каждого исполнителя за период разработки.
, (3.3)
где ЗД1, ЗД2 - дневная заработная плата
первого (руководителя) и второго (студента) исполнителя соответственно;
ФЗП - фонд заработной платы;
Т1, Т2 - затраты труда
руководителя и инженера соответственно.
По формулам (5.2) и (5.3) произведем расчет:
- дневная ставка руководителя;
- дневная ставка инженера;
Исходя из того, что руководителю от ВУЗа оплачивается только 24
часа, то необходимо рассчитать размер выплат за час работы:
- часовая ставка руководителя;
.
Статья
«Начисление на заработную плату»
Данная статья предполагает отчисления на социальные нужды в
соответствии с действующим законодательством, т.е. страховые взносы, которые
составляет 30%.
Облагаемая налогом сумма равна 23661,68 руб. Расшифровка
статьи представлена в таблице 3.4.
Таблица 3.4 - Расшифровка по статье «Расчет страховых
взносов»
|
расчет страховых взносов
|
сумма
|
Сумма (с учетом РК)
|
|
облагаемая сумма:
|
|
23661,68
|
|
ПФ
|
0.22
|
5205,57
|
|
Фед.МС
|
0.051
|
1206,75
|
|
терр. МС
|
0
|
0
|
|
ФСС
|
0.029
|
686,19
|
|
итого страховые взносы
|
0.3
|
7098,5
|
Статья
«Спецоборудование»
Данная статья отражает стоимость спецоборудования и
специальной оснастки, предназначенных для использования в качестве объектов
испытаний и исследований (табл. 3.5).
Таблица 3.5 - Расчет затрат по статье «Спецоборудование»
|
Наименование оборудования
|
Балансовая стоимость
|
Срок службы, год
|
Амортизация в год, руб.
|
Время, раб. дни
|
Сумма, руб.
|
|
Компьютер
|
25000
|
4
|
6250
|
100
|
2500
|
|
Скалярный анализатор цепей Р2М-40
|
1210000
|
10
|
121000
|
20
|
20000
|
Статья
«Прочие расходы»
Статья предполагает прочие расходы, если они непосредственно
связаны с выполнением НИОКР.
К прочим прямым расходам относят расходы, связанные с
использованием Internet и других средств информации. Они составляют не более 5% от
всех затрат.
Расчет
накладных расходов
Накладные расходы определяются как 20% от суммы всех прямых
затрат на разработку научно-технического продукта.
Теперь можно составить расчет общей стоимости проекта (по форме
табл. 3.6).
Таблица 3.6 − Плановая смета затрат на НИР за 2014 г. по
источникам финансирования
|
Наименование статей затрат
|
Затрачено за время выполнения проекта (5
месяцев), руб.
|
|
Материалы, сырье, комплектующие
|
25909,2
|
|
Затраты на электроэнергию
|
378
|
|
Заработная плата
|
23661,68
|
|
Начисление на заработную плату
|
7098,5
|
|
Амортизация основных фондов
|
14500
|
|
Сумма затрат
|
71547,38
|
|
Прочие расходы
|
3577,37
|
|
Накладные расходы
|
15009,13
|
|
Итого:
|
90133,88
|
)
Заключение
В данной работе рассмотрены теоретические основы измерения
комплексных коэффициентов передачи и отражения.
На основе эквивалентных схем элементов направленного моста
была составлена его модель в среде проектирования AWR Design Environment.
Исследовано влияние паразитных параметров отдельных элементов
на электрические характеристики моста в полосе от 300 кГц до 13,5 ГГц. На
основании полученных частотных зависимостей электрических характеристик модели
были сделаны следующие выводы:
. значительное увеличение паразитной индуктивности
симметрирующего трансформатора позволяет добиться необходимого уровня развязки
(40 дБ) уже на частотах выше 2 МГц.
. незначительное отклонение значений номиналов
паразитных индуктивностей от рассчитанных не оказывает значительного воздействия
на основные характеристики и может быть компенсировано корректировкой
паразитной емкости для соблюдения условия баланса моста;
. значительное изменение величины паразитной
индуктивности чип-резисторов практически не поддается корректировке паразитными
емкостями, однако возможна компенсация путем создания и изменения искусственной
емкости, параллельной внешнему проводнику симметрирующего трансформатора;
. изменение величин индуктивностей, создающихся при
заужении линий передач, не оказывает значительного воздействия на коэффициенты
передачи, ответвления и отражения, однако приводит к резкому ухудшению
развязки;
Проведено сравнение электрических характеристик модели с
характеристиками экспериментальных образцов. Полученные в ходе настройки модели
частотные зависимости развязки, коэффициентов отражения, коэффициентов передачи
и ответвления повторяют экспериментально полученные.
Для создания более точной модели делителя направленного моста
была создана электромагнитная модель его топологии на основе экспериментальных
образцов.
Полученные в результате электромагнитного моделирования
частотные зависимости электрических характеристик соответствуют требованиям ТЗ
в полосе частот от 300 кГц до 12,5 ГГц
Серьезным недостатком модели является резонанс элементов топологии
на частоте 13,22 ГГц, что не позволяет провести полную настройку модели с целью
соответствия заданным в ТЗ параметрам. На основании этого можно сделать вывод:
полученная электромагнитная модель делителя направленного моста требует
доработки.
Список
использованных источников
1. Сверхширокополосный направленный мост для
векторного анализатора цепей диапазона СВЧ. Пояснительная записка к дипломному
проекту / Ф.А. Михеев. - М.: ТУСУР, 2011. - 152 с.: ил.
2. Измерения S-параметров на СВЧ / В.И.
Власов В.В. Карамзина, В.И. Козликова. - М.: Министерство электронной
промышленности СССР, 1986. - стр. 1-3.: ил.
. Основы векторного анализа цепей / Хибель
Михаэль. - пер. с англ. С.М. Смольского; под. ред. Филипп У. - М.: Издательский
дом МЭИ, 2009. - стр. 1-51.: ил.
. Анализаторы цепей. Руководство по
выбору. - М.: Agilent Technologies. Inc., 2007 г.. - 32 с.: ил.
. Handbook of microwave component
measurements / Dunsmore P. Joel. - М.: John Wiley & Sons, Ltd., 2012. -
стр. 44-46.: ил.
. Сверхширокополосный направленный мост
диапазона ОВЧ / Ф.А. Михеев, А.В. Фатеев. - М.: ТУСУР, 2011. - 3 с.: ил.
7. The RF and microwave handbook. Passive lumped
components / Alfy Riddle - М.: CRC Press LLC, 2001. - стр. 880-882.: ил.
8. Frequency response of thin film chip
resistors. - М.: Vishay intertechnology, Inc., 2012. - 4 с.: ил.
9. H10K - кривая характеристик [Электронный ресурс]. Режим доступа:
http://ferrite.rct.ru/curve-h10k/, свободный (дата обращения: 4.3.2014)