Електричні передачі локомотивів
Зміст
Вступ
1. Вихідні дані
. Визначення основних
параметрів передачі
3. Зовнішня вольт-амперна характеристика тягового генератора
4. Електричні параметри тягового двигуна
. Визначення
передаточного числа тягового редуктора
. Розробка силової схеми
тепловоза та схеми регулювання потужності тягового генератора
. Розрахунок приведеного
об’єму тягового електродвигуна
. Розрахунок обмотки
якоря і розмірів паза
9. Вибір числа і розмірів щіток і визначення робочої довжини колектора
10. Розрахунок магнітного кола двигуна
11. Визначення коефіцієнта корисної дії (к.к.д.) тягового двигуна
12. Розрахунок та побудова характеристик тягового двигуна
. Гальмівні
характеристики електричної передачі потужності тепловоза
Список використаних джерел
генератор тепловоз
електродвигун потужність
Вступ
В загальному випадку
передача потужності повинна допускати реалізацію сили тяги, швидкості та
дотичної потужності в притул до максимально можливих.
Із всіх видів передач
потужності в локомотивах найбільше використання отримали електричні передачі. В
свою чергу вони бувають на постійному, на змінно-постійному та
змінно-постійно-змінному струмі.
В передачі постійного
струму механічна енергія дизеля в тяговому генераторі перетворюється в
електричну енергію постійного струму і передається на тягові двигуни постійного
струму, де вона перетворюється в механічну роботу по переміщенню поїзда. В
якості тягових двигунів застосовуються колекторні електродвигуни з серієсним
(послідовним) збудженням. Останнє зумовлене тим, що тільки такий тип електродвигунів
має м’яку або транспортну характеристику - сильну залежність обертового моменту
від частоти обертання якоря, а тим самим і сили тяги від швидкості руху поїзда
В останні роки як в
нашій країні, так і за кордоном велику увагу приділяють побудові передач на
змінно-постійно-змінному струмі. В цих передачах тяговий генератор синхронний,
а тягові двигуни - асинхронні. Для регулювання сили тяги і швидкості руху між
тяговим генератором і двигунами знаходяться випрямляч та інвертор на
напівпровідниках - тиристорах.
1. Вихідні дані
1. Осьова формула - два
моторних вагони з двома рушійними осями кожний;
. Ефективна потужність
дизелів, Ne=600 к.с.(447,4 кВт);
. Зчіпна маса, Pзч=2
× 44т;
. Кількість тягових
електродвигунів, С=2×2.
. Діаметр
рушійних коліс, Дк=1050 мм;
6. Конструкційна
швидкість тепловоза Vк=170 км/год
2 Визначення основних
параметрів передачі
Електрична потужність
тягового генератора (ТГ) дорівнює величині ефективної потужності дизеля за
виключенням потужності на привід допоміжних агрегатів локомотива з урахуванням
коефіцієнта корисної дії (к.к.д.) тягового генератора
, кВт. (2.1)
кВт
де ΔNда - витрати потужності на привід допоміжних агрегатів тепловоза.
ηг - к.к.д. тягового
генератора.
Зазвичай
. (2.2)
кВт
Електрична
потужність тягового генератора рівномірно розподіляється між тяговими
електродвигунами, тобто
, (2.3)
де c - кількість тягових двигунів на
тепловозі.
кВт
Як правило всі
колісні пари локомотива обмоторені. Тому їх кількість
визначається за
колісною формулою локомотива.
Дотична
потужність тепловоза визначається з виразу
, кВт, (2.4)
де ηд - к.к.д. тягового двигуна. Звичайно к.к.д. тягових двигунів
постійного струму складає 0,91
0,92;
ηзп - к.к.д. зубчатої
передачі, ηзп=0,97
0,98.
, кВт
Розрахункова
(тривала) сила тяги тепловоза (сила тяги на розрахунковому підйомі) визначається
з умови реалізації коефіцієнта тяги на розрахунковому підйомі.
, кН, (2.5)
де Рзч
- зчіпна маса локомотива, т;
ψкр - коефіцієнт тяги:
ψкр=0,19
0,24
- для вантажних локомотивів;
ψкр=0,14
0,16
- для маневрових локомотивів;
ψкр=0,14
0,15
- для пасажирських локомотивів.
, кН,
Швидкість на
розрахунковому підйомі
, м/с. (2.6)
, м/с
, км/ч
Для тепловозів
різного роду служби значення швидкості на розрахунковому підйомі знаходяться
приблизно в приведених межах:
маневрові
тепловози - vp=10
12 км/год;
вантажні
тепловози - vp=25
32 км/год;
пасажирські
тепловози - vp=50
60 км/год.
Більш високі
значення швидкостей встановлюють для локомотивів більшої потужності.
3. Зовнішня вольт-амперна характеристика тягового генератора
Вольт-амперна
характеристика визначає залежність між напругою і струмом генератора. Оскільки
потужність дизеля на певній позиції контролера машиніста незмінна, то в першому
наближенні можна прийняти, що і потужність генератора повинна бути постійною:
. (3.1)
Тобто
вольт-амперна характеристика генератора повинна мати гіперболічний вид, її
також називають автоматичною (рисунок 3.1).
Максимальна
напруга тягових генераторів знаходиться в інтервалі 550
800
В, тоді з формули (3.1)
мінімальне значення струму, що відповідає максимальній напрузі, буде
, А. (3.2)
, А.
Номінальна
напруга генератора пов’язана з максимальною коефіцієнтом регулювання генератора
за напругою
(3.3)
Коефіцієнт кг
знаходиться в межах 1,4
1,6, тоді
-1 - обмеження
максимальної напруги;
-2-3 - робоча
частина характеристики;
-4 - обмеження
максимального струму
Рисунок 3.1 - Зовнішня
вольт-амперна характеристика генератора
, В, (3.4)
, В
а струм
генератора
, А. (3.5)
, А
Максимальний
струм генератора з номінальним пов’язаний коефіцієнтом регулювання генератора
за струмом
, (3.6)
який знаходиться
в межах 1,8
2,2, тоді
, А, (3.7)
, А
, В. (3.8)
, В.
Визначивши координати
цих трьох характерних точок (мінімального, номінального та максимального
струму), будується вольт-амперна характеристика генератора.
Ступінь регулювання
електропередачі по швидкості тепловоза характеризується коефіцієнтом
регулювання, котрий є відношенням максимальної швидкості тепловоза до швидкості
тепловоза тривалого режиму (розрахункової), тобто
. (3.9)
Для реалізації коефіцієнта
регулювання передачі по швидкості Сv>2,1 регулювання тягового генератора по напрузі в діапазоні, що
визначається коефіцієнтом регулювання кг<1,6,
недостатньо.
Для забезпечення роботи
електропередачі при постійності потужності в необхідному діапазоні швидкості
руху тепловоза при збереженні діапазону регулювання тягового генератора по
напрузі застосовують два методи: ослаблення збудження тягових електродвигунів
(ослаблення поля) та перемикання в схемі під’єднання тягових електродвигунів до
тягового генератора.
В курсовому проекті
застосовую перший спосіб (ослаблення збудження), який є найбільш поширеним і
простим методом розширення діапазону регулювання електропередачі по швидкості
тепловоза.
З урахуванням перевірки
послаблення поля обираємо максимальну швидкість 100 км/ч
Для перевірки можливості
забезпечення діапазону регулювання електропередачі по швидкості шляхом
ослаблення збудження тягових електродвигунів визначаю мінімальне значення
коефіцієнта ослаблення збудження тягових електродвигунів αmin, що є відношенням струму збудження (струму головних полюсів) до
струму якоря.
Величина цього
коефіцієнта визначається за формулою
, (3.10)
і не повинна бути меншою
0,25 за умовою забезпечення задовільної комутації тягових електродвигунів при
високих швидкостях руху.
Якщо αmin<0,5, то
застосовують два ступені ослаблення збудження, тобто вводять проміжний ступінь
ослаблення збудження, коефіцієнт якого визначають за формулою
. (3.11)
В кінцевому
результаті слід прийняти варіант, в якому забезпечується αmin=0,25
0,40
при мінімальному коефіцієнті регулювання тягового генератора по
напрузі в діапазоні кг=1,4
1,6. Зменшення діапазону регулювання тягового генератора по напрузі
дозволяє зменшити габарити та масу генератора.
4. Електричні параметри тягового двигуна
Електричні параметри
тягового електродвигуна залежать від схеми їх з’єднання. Для тепловозів малої
потужності (менше 1000 кВт) використовується послідовно-паралельна схема
з’єднання. Для шестивісних тепловозів - це послідовне з’єднання трьох двигунів
у дві паралельні гілки (рисунок 4.1).
Uд=Uг/3;
Ід=Іг/2
Рисунок 4.1 -
Послідовно-паралельна схема з’єднання тягових двигунів
Для свого варіанту
обираємо паралельно-послідовне з’єднання тягових двигунів, до складу якого
входять паралельні гілки з двома двигунами.
. Визначення передаточного
числа тягового редуктора
В курсовому проекті
приймаю опорно-осьове підвішування тягових електродвигунів. При одній і тій же
потужності двигуна можна отримати на його валу різні значення обертового
моменту в залежності від обраної частоти обертання якоря. Однак при надмірному
збільшенні обертового моменту двигун буде тихохідний, внаслідок чого його
габарити ростуть.
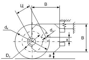
При
опорно-осьовому підвішуванні двигуна його розміри обмежуються відстанню між
внутрішніми гранями бандажів коліс колісних пар та найменшою допустимою
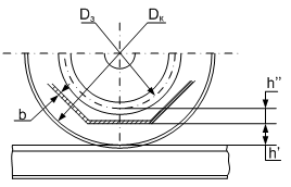
відстанню від корпуса двигуна до головки рейки, а (рисунок 5.1). Для можливості
збільшення цієї відстані (і відповідно збільшити можливі габарити двигуна),
вісь двигуна розміщують вище вісі колісної пари. Для тепловозних двигунів
розмір х (рисунок 5.1) обирають в межах 20
40 мм.
Частота обертання
тягового електродвигуна в тривалому режимі роботи nн, об/хв і
відповідна розрахункова швидкість тепловоза vp пов’язані
співвідношенням
, (5.1)
де і -
передаточне число тягового редуктора;
Dк - діаметр коліс колісної пари по колу кочення, мм.
Передаточне число
тягового редуктора
, (5.2)
де Dз,
dз - відповідно діаметри ділильних кіл зубчатого колеса та
шестерні;з, zз - відповідно їх числа зубців.
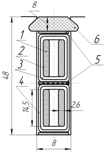
Рисунок 5.1 -
Схема опорно-вісьового підвішування тягових електродвигунів
Передаточне число
бажано вибирати якомога більшим, так як при цьому буде найбільша частота
обертання nн і при заданій потужності двигуна Рд
найменший момент Мн, а відповідно, найменші розміри і маса
двигуна.
Відповідно із
позначеннями (рисунок 5.2)
. (5.3)
мм
Необхідно, щоб
.
Величина
.
Величину dз
можна отримати, оцінивши попередньо передаточне число тягового редуктора:
і=4,2
4,9 для вантажних тепловозів при Dк=1050 мм;
і=4,7
5,3 для вантажних тепловозів при Dк=1250 мм;
і=2,3
3,5 для пасажирських тепловозів;
і=4,5
4,9 для маневрових тепловозів.
Рисунок 5.2 - Ескіз до
визначення розмірів зубчатої передачі
Визначившись із
передаточним числом тягового редуктора і в залежності від типу тепловоза
та діаметру коліс, знаходять
. (5.4)
мм
Далі обирають
модуль зачеплення m зубчатих коліс тягового редуктора в залежності від
моменту на валу тягового двигуна в тривалому режимі (при номінальному моменті)
за наступними даними:
Номінальний момент
визначають за розрахунковим значенням сили тяги і попередньо знайденому
передаточному числу тягового редуктора
, (5.5)
Нм
де с -
кількість тягових електродвигунів.
Числа зубців
і
повинні
бути цілими і по можливості взаємно простими. Подальше уточнюють величину
передаточного числа
.
При цьому число зубців шестерні повинно бути не меншим 17.
Централь, котра
при звичайно застосовуваній корекції зубців (для колеса εк=0, а для шестерні εк=+0,5) визначається з виразу
, мм. (5.6)
, мм
Централь при
опорно-осьовому підвішуванні повинна бути прив’язана до діаметра якоря двигуна
(в мм), котрий попередньо визначають за формулою
, (5.7)
, мм
де кя=650
750
для двигунів з ізоляцією класу нагрівостійкості В;
кя=600
675
для двигунів з ізоляцією класу нагрівостійкості F.
У визначеному
вище діапазоні можливих значень діаметрів якоря двигуна необхідно вибрати
нормалізовану величину, що забезпечує штамповку листів заліза якоря з
мінімальними відходами, а також вписування двигуна у визначені габарити.
Нормалізований ряд діаметрів якорів: 245, 280, 327, 368, 423, 493, 560, 660,
740, 850, 990 мм. Приймаємо 493мм.
Вписування
тягового двигуна у визначені для нього габарити під тепловозом перевіряється
умовою
Dя<1,15
Ц. (5.8)
499<1,15×475,5=547
.
Правильність прийнятого
значення Dя перевіряють за допустимим максимальним значенням
колової швидкості якоря vяmax, що досягається при
максимальній (конструкційній) швидкості руху локомотива
м/с, (5.9)
м/с
де
.
Далі визначають висоту
(ширину) корпуса двигуна в мм
, (5.10)
, мм
Відстань від корпуса
двигуна до головки рейки (рисунок 5.1) визначається
. (5.11)
мм
де х -
різниця по висоті вісі колісної пари і ТЕД, х=20
40
мм.
Ця відстань
повинна бути не меншою 120 мм.
Остаточно
визначають частоту обертання якоря в тривалому режимі в об/хв за
формулою (5.1)
. (5.12)
об/хв..
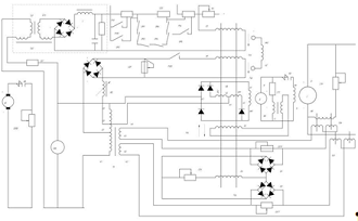
6.
Розробка силової схеми тепловоза та схеми регулювання потужності тягового
генератора
Схема 6.1 - Збудження
тягового електродвигуна
7. Розрахунок приведеного об’єму тягового електродвигуна
Приведений об’єм якоря в
см3
, (7.1)
см3
де Lя
- вісьова довжина осердя якоря, см;
Рд - потужність тягового електродвигуна, кВт;
пн - номінальна частота обертання якоря тягового двигуна, хв-1;
α - коефіцієнт полюсного перекриття;
А - лінійне навантаження якоря струмом А/см;
Вδ - розрахункова магнітна
індукція в повітряному зазорі, Тл.
Для тепловозних
тягових електродвигунів α=0,67
0,72;
А=450
550
А/см; Вδ=0,95
1,05
Тл.
Довжина осердя
якоря в см
. (7.2)
м
Для тепловозних
двигунів Lя<45,0
48,0 см. Полюсний поділ якоря в см
. (7.3)
Зазор під центром
полюса, мм
δ>(0,01
0,015)
Dя. (7.4)
δ>(0,012) 499=6.
Зазор під краєм полюса δк=2δ=2×6=12.
8. Розрахунок обмотки якоря і розмірів паза
В усіх варіантах проекту
слід застосовувати просту петльову двошарову обмотку якоря і число головних
полюсів 2р=4. В цьому випадку число паралельних гілок обмотки якоря 2а
рівне числу головних полюсів 2р, тобто 2а=4, а струм паралельної
гілки визначається за формулою
. (8.1)
Число провідників
обмотки якоря (попередньо)
. (8.2)
Так як при
двошаровій обмотці з кожною колекторною пластиною зв’язані два провідники
обмотки якоря, то число колекторних пластин
. (8.3)
Знайдене число
колекторних пластин перевіряється по допустимій середній напрузі між ними при
максимальному значенні напруги на затискачах електродвигуна
, (8.4)
де Uдmax - максимальне значення
напруги двигуна, В.
Далі попередньо
оцінюється діаметр колектора (Dкол) в мм
(8.5)
і визначають
колекторний поділ tк, котрий повинний бути не меншим 4 мм:
, мм. (8.6)
Число пазів якоря
Z=54
вибирають по кривій (рисунок 8.1).
З умови симетрії, відношення Z/p повинно бути числом цілим, а для зменшення амплітуди пульсацій
магнітного потоку в повітряному зазорі електродвигуна - непарним.
Число колекторних
пластин на паз
повинно
бути цілим (для тепловозних двигунів nк=3
4).
Число пазів
уточнюється перевіркою об’єму струму в пазу, А/см
. (8.7)
Для визначення перетину
провідника обмотки якоря слід задатися величиною фактора нагріву, котрий є
добутком лінійного навантаження на густину струму в провіднику (АΔя).
Рисунок 8.1 - Залежність числа
пазів якоря від його діаметра
Для тепловозних тягових
машин
. (8.8)
Звідки
. (8.9)
Для тягових
двигунів тепловозів Δя=(5
7)
А/мм2.
Задавшись
значенням Δя, визначається площа перетину провідника обмотки якоря в мм2
. (8.10)
мм2
Визначений перетин
приймаємо 34,8мм2 (2,4х14,5)
Розміщення
провідників в пазу якоря та їх ізоляція виконується, як показано на рисунку 8.2. Розміри міді провідників повинні бути підібрані таким чином,
щоб відношення висоти паза до ширини (hп/bп) лежало в межах 4
5. Якщо висота
провідника виходить більше 10
12 мм, то для зменшення
додаткових витрат приймається два провідники, що вкладаються по висоті один над
одним і з’єднуються з однією колекторною пластиною.
В усіх варіантах
проекту слід використовувати широко розповсюджену в сучасних двигунах ізоляцію
класу нагрівостійкості F, яка допускає максимальне перевищення температури
обмотки якоря над температурою охолоджуючого повітря 140оС. В
цьому випадку обмотка якоря виконується з проводу 1 (рисунок 8.2) марки ПЕТВСД з емалеволокнистою витковою ізоляцією 2
двосторонньої товщини 0,37
0,50
мм.
Корпусна ізоляція
3 (рисунок 8.2) є основною і товщина її залежить від напруги по відношенню до
корпуса машини, тобто від максимальної напруги тягового генератора. Ця ізоляція
виготовляється склослюдянитовою стрічкою ЛСФЧ товщиною 0,07
0,10
мм. При напрузі відносно корпуса до 750 В намотується три шари ізоляції в
напівперекриття і в цьому випадку повна двостороння товщина корпусної ізоляції
буде
.
Покривна ізоляція
4 (рисунок 8.2) служить для захисту основної корпусної ізоляції від механічних
пошкоджень. Незалежно від значення напруги її виконують із склострічки товщиною
0,10 мм одним шаром в напівперекриття або товщиною 0,15 мм встик.
Рисунок 8.2 - Розташування
провідників та їх ізоляція в пазу якоря
При визначені місця, яке
займається ізоляцією по висоті паза, враховується ще прокладка 5 із міканіту товщиною
0,5 мм, що вкладається на дно паза, між верхньою та нижньою котушками, а також
між верхньою котушкою та клином 6.
Крім того
передбачається місце для встановлення клина 6 по висоті 6
8
мм, але не менше 5 мм. Зазор на укладку по висоті паза приймається рівним 0,15
0,20
мм, по ширині 0,20
0,30
мм.
Таким чином,
знаючи розміри провідників якірної обмотки та їх кількість, з урахуванням
електричної ізоляції однин від одного та від осердя якоря, визначається висота hп та ширина bп паза.
Висота зубця
приймається рівною висоті паза, тобто hz= hп.
Ширина зубця
якірного осердя в основі
, мм. (8.11)
,мм
Ширина зубця на висоті
1/3 hz від його основи
, мм. (8.12)
,мм
Отримані розміри
вказуються на ескізі, що приводиться в проекті. Приклад показано на рисунку 8.3.
Зубцеві кроки в
мм:
а) по зовнішньому
діаметру якоря
; (8.13)
б) по дну паза
; (8.14)
в) на 1/3 висоти
паза від основи

. (8.15)
Для остаточного
висновку про правильність обраних розмірів провідника і паза якоря слід
визначити магнітну індукцію в перетині зубця, взятому на 1/3 висоти зубця,
відраховуючи від основи. Розрахунковий перетин зубців для проходження
магнітного потоку в м2
, (8.16)
де кc=0,97 - коефіцієнт, що
враховує ізоляцію листів пакету заліза якоря із електротехнічних сталей марок
Э11, Э12, Э1300, Э1300А;
α - коефіцієнт полюсного перекриття.
Основний магнітний потік
машини в Вб
, (8.17)
де Uдн
- напруга тягового двигуна в тривалому режимі (визначається відповідно до схеми з’єднання двигунів з тяговим генератором), В;
,96 Uдн=Е
- електрорушійна сила (е.р.с.) машини в тривалому режимі, В;
nн - частота обертання якоря в тривалому режимі, об/хв.
Магнітна індукція в
перетині зубця на 1/3 висоти паза в Тл
. (8.18)
Вона не повинна
перевищувати 2,3 Тл.
Рисунок 8.3 - Зубцевий шар якоря
та його розміри
Розрахунок опору обмотки
якоря при 20оС, Ом виконується за формулою
, (8.19)
де 1/57 - питомий
опір обмоточної міді при +20оС, Ом мм2/м; -
довжина провідника, м (l=Lя+1/3τ);
gя - площа перетину провідника обмотки, мм2.
Опір обмотки якоря при
+100оС
. (8.20)
9..
Вибір числа і розмірів щіток і визначення робочої довжини колектора
Число
щіткотримачів приймається рівним числу головних полюсів (2рщ=2р).
Густина струму
під щіткою у сучасних тепловозних двигунах вибирається в межах Δщ=11
15 А/см2.
Площа торкання
щітки одного щіткотримача до колектора, см2
. (9.1)
см2
Задаючись
величиною щіткового перекриття
, визначаємо ширину
щітки bщ=γ tк.
Довжина щітки в см
, (9.2)
де nщ
- кількість щіток в одному щіткотримачі.
см
Приймаємо довжину
щітки 40мм. Звичайно щітки тягових електродвигунів мають ширину 10; 12,5; 16;
20; 25 мм і довжину 32; 40 і 50 мм. Кількість щіток в одному щіткотримачі
вибирають в межах nщ=2
4.
Повна довжина
колектора в см
Lк=nщ .lщ+1,5. (9.3)
Lк=2 .4,0+1,5=9,5
Остаточно
, см2; (9.4)
, см2
, А/см2. (9.5)
, А/см2.
По вимогах
міцності колектор перевіряється на максимальну колову швидкість
, (9.6)
де nmax
- частота обертання якоря двигуна при максимальній (конструкційній) швидкості
тепловоза, об/хв.
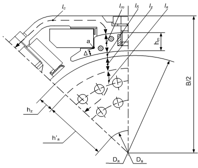
10. Розрахунок магнітного кола двигуна
Спочатку слід розробити
ескіз магнітного кола тягового двигуна. Магнітне коло складається із п’яти
ділянок, з’єднаних послідовно: осердя (ярма) якоря, зубцевого шару якоря,
повітряних зазорів, осердя головних полюсів і ярма (спинки) остова. На рисунку 10.1 приведений ескіз
магнітного кола чотириполюсного двигуна з восьмигранним остовом. Оскільки
вісьовими лінями головних і додаткових полюсів поперечний переріз машини
розбивається на абсолютно однакові сектори, ескіз приводять лише для одного
сектора. Побудова ескізу повинна виконуватись в масштабі для можливості
визначення значень довжин певних ділянок магнітного кола двигуна.
При виконанні ескізу
магнітного кола машини спочатку проводять зовнішнє коло якоря визначеного
діаметра Dя і за
визначеними параметрами nz i bп і
числом пазів Z визначають висоту зубцевого шару машини hz.
Рисунок 10.1 - Ескіз магнітного
кола тягового електродвигуна
Далі визначають активну
висоту перетину осердя (ярма) якоря в м
, (10.1)
де Вя
- магнітна індукція в осерді якоря, котра може бути прийнята рівною 1,4
1,6
Тл;
кc - коефіцієнт заповнення
осердя сталлю (кc=0,97).
Величина hя встановлена за формулою (10.1),
визначає перетин осердя в м2
, (10.2)
по котрому
замикається потік Φ/2.
Перетин Sя завантажений половинним значенням потоку полюса Φо тому, що останній в осерді якоря роздвоюється, замикаючись на
сусідні полюси протилежної полярності.
В осерді якоря,
як правило, виконують аксіальні вентиляційні канали діаметром dк,
розташовуючи їх в nк рядів, що потребує
зазначеного місця в радіальному напрямку. Оцінюють цей розмір виразом 1/2 dк
nк.
Діаметр каналів dк=20
30
мм=0,02
0,03
м.
Кількість рядів
каналів nк=2
3, при чому канали розташовують в шаховому порядку так, щоб
відстань між їх центрами становила (2,5
3,0) dк.
При вказаному
розташуванні вентиляційних каналів зв’язок між конструктивною h’я і активною hя висотами осердя якоря визначається формулою
. (10.3)
Внутрішній діаметр
осердя якоря в м
(10.4)
в той же час є зовнішнім
діаметром вала якоря, на котрий насаджують шихтоване тіло осердя.
Розміри двох ділянок
магнітного кола - повітряного зазору і зубцевого шару - були встановлені
раніше.
Осьову довжину осердя
полюса слід вибрати рівну активній довжині якоря (Lm=Lя).
Ширина полюсного
осердя bm вибирається за допустимою в полюсі індукцією, котру слід вибрати в межах Вm=1,4
1,7 Тл
де
-
коефіцієнт розсіювання магнітного потоку головних полюсів
(
=1,1);
кс- коефіцієнт заповнення осердя полюса сталлю (кc=0,97).
Перехід осердя
полюса в полюсний наконечник, що утворює заплічники на котрі опирається котушка
(точка а на рисунку 9.1)
намічають в такому місці, щоб відстань Δ=4
6
мм.
Розрахункова
полюсна дуга bδ визначається за
полюсним перекриттям αδ і полюсним поділом
якоря τ
bδ=αδ τ. (10.6)
bδ=0,78*38,7=0,302м
Висоту осердя
полюса (розмір по осьовій його лінії від повітряного зазору до внутрішньої
поверхні остова) оцінюють попередньо hm=(0,2
0,25)τ.
Остаточний розмір
hm визначається після
розміщення на осерді котушки головного полюса, коли будуть встановлені її
розміри.
Довжину станини
(корпуса) двигуна попередньо визначають із співвідношення
Lc=Lя+0,4Dя. (10.7)
Lc=37+0,4*499=57см=0,57м.
Перетин ярма остова Qc
визначають, виходячи із вибраного значення індукції Вс<1,4 Тл, в м2
. (10.8)
Розрахункова товщина
стінки в м
. (10.9)
По магнітному
потоку Фо і перетинам окремих ділянок Qi знаходять індукцію Ві.
Далі, за відповідними кривими і таблицями намагнічування, знаходять
напруженості магнітного поля Ні, множачи їх на довжини
окремих ділянок магнітного кола li, визначають магніторушійні сили (м.р.с) Fi= Ні li. Для розрахунків
рекомендується скласти таблицю, у відповідні графи котрої після формул слід
вписати отримані за ними числові значення.
Для визначення
МРС повітряного зазору необхідно визначити коефіцієнт повітряного зазору кδ, котрий враховує
збільшення шляху магнітного потоку внаслідок зубчастої будови осердя якоря
. (10.10)
Просумувавши
намагнічуючі сили всіх ділянок магнітного кола, знаходять сумарну намагнічуючу
силу, необхідну для проведення магнітного потоку при роботі машини без
навантаження.
Обмотка головних полюсів
двигуна служить для створення намагнічуючої сили (н.с.) полюсів, необхідної для
проведення магнітного потоку по магнітному колу. Ця н.с. повинна бути рівною
сумі магнітних напруг на ділянках магнітного кола і розмагнічуючої сили реакції
якоря, тобто
, А. (10.11)
Повна н.с. якоря
визначається за формулою
, А (10.12)
а розмагнічуюча
сила враховується коефіцієнтом кр, котрий в
тривалому режимі приймається рівний кр=0,125. Тоді повна н.с.
обмотки збудження головних полюсів буде
, А. (10.13)
, А
Струм, що протікає по
котушці головного полюса, А
, (10.14)
де аm - число паралельних
віток обмотки збудження головних полюсів, рекомендується приймати аm=2.
Число витків в
котушці
. (10.15)
Площа перетину
провідника визначається по допустимій густині струму
gв=ів/Δв (Δв=4,0
7,5
А/мм2).
З визначеної
площі поперечного перетину із ряду стандартних розмірів (див. вище визначення
розмірів провідника обмотки якоря) обираються розміри провідника.
Таблиця 10.1 - Визначення
магнітних напруг (намагнічуючих сил) ділянок магнітного кола машини
|
Ділянка магнітного кола
|
Довжина ділянки lі,
см
|
Перетин ділянки Qі, м2
|
Магнітна індукція Ві,
Тл
|
Питома н.с. Ні, А/см
|
Магнітна напруга (н.с.) Fі,
A
|
|
1
|
2
|
3
|
4
|
5
|
6
|
|
Повітряний зазор
|
lδ=δ кδ=
4,93*1,114=0,549
|
Qδ=α τ Lя =0,78*0,37*0,387=0,112
|
Вδ=Фо/Qδ =0,193/0,112
= 1,723
|
Нδ=0,8Вδ 104 = 13784
|
Fδ=
Нδ lδ = 13784*0,549= 7567,4
|
|
Зубці якоря
|
lz=hz=hп=0,48
|
Вz1/3=Фо/Qz1/3 =0,193/0,0831 =2,3Нz =980Fz= Нz lz =470,4
|
|
|
|
|
Осердя якоря
|
lя =0,37
|
Qя=2hя Lя кu
=0,1206
|
Вя=Фо/Qя =
0,193/0,1206 =1,6
|
Ня =49
|
Fя=
Ня lя = 1813
|
|
Полюс
|
lm=hm=9,68
|
Qm=bя Lя кu =0,108
|
Вm=σФо/Qm = 1,966
|
Нт
=256
|
Fm= Нm lm =
2478,08
|
|
Станина (корпус)
|
lс =56,72
|
Qc=hc
Lc = 0,076
|
Вc=σФо/2Qc = 1,4
|
Нс
=20,1
|
Fc= Нc lc =
1140,07
|
При розрахунку розмірів
котушки головного та додаткового полюса приймаються:
- товщина
пружинного фланця, що кріпить котушку, в середньому у головних полюсів 3 мм, у
додаткових полюсів 2 мм;
- товщина
немагнітних прокладок (як правило латунних) між осердям додаткового полюса і
остовом 3
4
мм;
товщина
зовнішньої ізоляції котушок 3 мм;
товщина
ізоляції між витками 0,35 мм.
При розрахунку
ширини котушки головного полюса враховується розпушення витків, котре досягає
5%. Розміри провідників та їх розміщення підбирається таким чином, щоб відстань
між котушками головних і додаткових полюсів було 12
15
мм. Потім за результатами компоновки котушки головного полюса уточнюється
висота осердя головного полюса hm.
Середня довжина витка
котушки головного полюса в м
, (10.16)
де
-
ширина котушки (
≈50-70
мм).
Опір обмотки
збудження (головних полюсів) по аналогії з якірною обмоткою (9.19, 9.20),
Ом:
а) при 20оС
б) при 100оС
(тобто у випадку перевищення температури +80оС)
.
Магнітний потік
додаткових полюсів повинен компенсувати реакцію якоря і відтворювати комутуючий
потік для компенсації реактивної е.р.с. комутуючих секцій обмотки якоря.
Останнє враховується коефіцієнтом, рівним 1,15.
В результаті н.с. додаткових полюсів визначається за формулою
Fдп≈1,15
Fря, А. (10.17)
Fдп≈1,15
1025.55=1179.4,A
Число витків обмотки
додаткових полюсів
, (10.18)
де ідп
- струм в котушці головного полюса, А
витка
, (10.19)
де
-
число паралельних віток обмотки (
=1).
Площа перетину
провідника котушки додаткового полюса
, (10.20)
де Δдп=4,0
8,0
А/мм2 - густина струму в провіднику котушки.
По площі перетину
із ряду стандартних розмірів вибираються розміри провідника котушки.
Середня довжина
витка котушки додаткового полюса
, (10.21)
де
≈30
мм - ширина котушки полюса;
Lд - довжина полюса, котру
слід прийняти рівну довжині активної частини якоря (Lд=Lя).
Ширина осердя
bдпm=(1,1
1,5)tz1. (10.22)
bдпm=(1,1)*23,08=25,39
Повітряний зазор
під полюсом δдп=(1,5
2,1)δ=2×4,93=0,00968м.
Опір обмотки за (9.19, 9.20), Ом
а) при 20оС
б) при 100оС
(тобто у випадку перевищення температури +80оС)
.
На рисунку 10.2 приведений ескіз
полюсного вікна двигуна.
Рисунок 10.2 - Ескіз полюсного
вікна тягового електродвигуна
11. Розрахунок та побудова
характеристик тягового двигуна
Магнітна характеристика
(характеристика холостого ходу)
Результати розрахунків
магнітної характеристики зводиться в таблицю 12.1. При розрахунку приймається,
що магнітний потік Фо визначено для тривалого режиму роботи
машини. Тому для позначення величин магнітних потоків на часткових режимів
вводиться позначення Фоч в частках від основного потоку
тривалого режиму. За даними таблиці 12.1 для кожного значення потоку і
намагнічуючих сил головних полюсів будується магнітна характеристика (характеристика холостого ходу) Фоч=f(iзб)
рисунок 12.1.
Таблиця 11.1 -
Розрахунок магнітної характеристики тягового двигуна
|
Ділянка
|
Q,
м2
|
l, м
|
Ф1оч=0,5Ф0
|
Ф2оч=0,75Ф0
|
Ф3оч=1,0Ф0
|
Ф4оч=1,15Ф0
|
Ф5оч=1,25Ф0
|
|
|
|
Ві
|
Hі
|
Fі
|
Ві
|
Hі
|
Fі
|
Ві
|
Hі
|
Fі
|
Ві
|
Hі
|
Fі
|
Ві
|
Hі
|
Fі
|
|
Зубці
|
0,0831
|
0,48
|
1,15
|
8,0
|
3,84
|
1,73
|
98
|
47
|
2,3
|
980
|
470,4
|
2,65
|
2090
|
1003,2
|
2,88
|
2090
|
1003
|
|
Якір
|
0,1206
|
0,37
|
0,8
|
4
|
1,48
|
1,2
|
9,3
|
3,44
|
1,6
|
49
|
1813
|
1,84
|
171
|
63,3
|
2
|
350
|
129,5
|
|
Повітряний проміжок
|
0,112
|
0,549
|
0,862
|
6896
|
3785,9
|
1,29
|
10320
|
5665,7
|
1,723
|
13784
|
7567,4
|
1,98
|
15840
|
8696,2
|
2,15
|
17200
|
9442,8
|
|
Полюс
|
0,108
|
9,68
|
0,983
|
5,5
|
53,24
|
1,48
|
20,1
|
194,6
|
1,97
|
256
|
2478,08
|
2,26
|
1000
|
9680
|
2,46
|
1130
|
10938,4
|
|
Станина
|
0,076
|
56,72
|
0,7
|
2,6
|
147,5
|
1,05
|
6,6
|
374,4
|
1,4
|
20,1
|
1140,07
|
1,61
|
53,5
|
3034,5
|
1,75
|
99
|
5615,3
|
|
Сумарна намагнічуюча сила
|
|
|
|
|
3991,96
|
|
|
6285,1
|
|
|
13468,95
|
|
|
22477
|
|
|
27128,6
|
|
108170364607,5733
|
|
|
|
|
|
|
|
|
|
|
|
|
|
|
|
|
|
Рисунок 12.1 - Магнітна
характеристика
Характеристика к.к.д.
тягового електродвигуна на ободі коліс
. (12.1)
Побудова
регулювальних характеристик передачі потужності
Регулювальні
характеристики передачі потужності показують зміну значення струму і напруги
тягового генератора від швидкості локомотива.
Результати
розрахунків зводяться в таблицю 12.2.
Таблиця 12.2 -
Результати розрахунків регулювальних характеристик
|
Іг, А
|
Uг, В
|
Ітд, А
|
Uтд, В
|
ПП (α=1)
|
|
|
|
|
|
Ів, А
|
Ф, Вб
|
ІтдRя,
В
|
птд, об/хв
|
v, км/год
|
М, Нм
|
Fк,кН
|
|
1
|
1000
|
373
|
1000
|
373
|
1000
|
0,24
|
41
|
203
|
13,4
|
13,9
|
38,8
|
|
2
|
898
|
420,4
|
898
|
420,4
|
898
|
0,24
|
36,8
|
235
|
15,5
|
9,8
|
32,9
|
|
3
|
796
|
468,7
|
796
|
468,7
|
796
|
0,24
|
32,6
|
267
|
17,6
|
6,3
|
28,1
|
|
4
|
646,5
|
609,4
|
646,5
|
609,4
|
646,5
|
0,23
|
26,5
|
373
|
24,5
|
4,8
|
27,5
|
|
5
|
497
|
750
|
497
|
750
|
497
|
0,212
|
20,4
|
506
|
33,3
|
3,5
|
18
|
|
ОП1
|
ОП2
|
|
Ів, А
|
Ф, Вб
|
птд, об/хв
|
v, км/год
|
М, Нм
|
Fк,кН
|
Ф, Вб
|
птд, об/хв
|
v, км/год
|
М, Нм
|
Fк,кК
|
|
1
|
500
|
0,21
|
247
|
16,3
|
6,4
|
38,2
|
250
|
0,17
|
314
|
21
|
5,6
|
33,5
|
|
2
|
449
|
0,208
|
284,2
|
18,7
|
5,3
|
31,7
|
224,5
|
0,162
|
378
|
25
|
4,7
|
28,1
|
|
3
|
398
|
0,196
|
339,4
|
22,3
|
4,2
|
25,1
|
199
|
0,154
|
451,5
|
30
|
3,1
|
18,5
|
|
4
|
323,3
|
0,184
|
476
|
31,3
|
3,5
|
23,9
|
161,7
|
0,14
|
603
|
40
|
2,7
|
14,1
|
|
5
|
248,5
|
0,17
|
640
|
42
|
2,6
|
15,5
|
124,3
|
0,093
|
1505
|
99
|
1,5
|
8,4
|
|
|
|
|
|
|
|
|
|
|
|
|
|
|
|
|
|
Значення магнітного
потоку Ф визначаються у відповідності до даних таблиці 12.1 та за магнітною
характеристикою, рисунок 12.1.
Рисунок 12.2 - Регулювальні
характеристики електропередачі
Частота обертання валу
тягового двигуна, об/хв
(12.2)
Швидкість руху,
що відповідає частоті обертання п валу ТЕД
, км/год (12.3)
Обертовий момент
на валу ТЕД визначається за формулою
, кН м.
(12.4)
Сила тяги
тепловоза, кН
. (12.5)
За даними таблиці
12.2 будується регулювальна характеристика.
За даними таблиці
12.2 необхідно побудувати електромеханічні (рисунок 12.3) та електротягові
(рисунок 12.4) характеристики тягового електродвигуна. На основі електротягових
характеристик ТЕД, враховуючи, що сила тяги локомотива являє собою сумарну силу
тягу ТЕД, а потужність - добуток сили тяги на швидкість будується тягова
характеристика (Fк=f(v)) і характеристика потужності (Nк=f(v)) тепловоза (рисунок 12.5).
Рисунок 12.3 -
Регулювальні характеристики електропередачі
Nк=Fк.v/3,6, кВт, (12.6)
За формулою (3.5) розрахувати значення сили тяги тепловоза, значення
розрахувати
для діапазону швидкості від 0 км/год до 40 км/год через кожні 10 км/год.
Рисунок 12.4 - Електромеханічні характеристики ТЕД
Рисунок 12.5 -
Електротягові характеристики ТЕД
Таблиця 12.3 -
Результати розрахунків характеристик потужності
|
V,км/ч
|
0
|
10
|
20
|
30
|
40
|
|
Ψк
|
0,33
|
0,277
|
0,266
|
0,261
|
0,259
|
|
Fксц
|
285
|
239
|
229
|
225
|
223
|
Таблиця 12.3 -
Результати розрахунків характеристик потужності
|
ПП
|
ОП1
|
ОП2
|
|
V,км/ч
|
Fкл
|
Nкл,кВт
|
V,км/ч
|
Fкл
|
Nкл,кВт
|
V,км/ч
|
Fкл
|
Nкл,кВт
|
|
0 15,5 21,7 34,3
|
0 156 112 72
|
0 667 675 686
|
23,9 29,3 39,3
|
104 82 62
|
663 668 677
|
33,1 44,3 100
|
74 56 33,6
|
680 689 705
|
13. Гальмівні
характеристики електричної передачі потужності тепловоза
При переведенні тягових
електродвигунів у гальмівний режим вони вимикаються від тягового генератора, їх
якірні обмотки під’єднуються до гальмівних резисторів, а обмотки збудження до
регульованого джерела живлення.
Такий двигун у
гальмівному режимі, так як і в тяговому режимі, має ряд обмежень, якими
визначаються межі регулювання гальмівної сили, тому гальмівні характеристики
поділяються на два види: граничні та регулювальні (часткові).
Граничні характеристики
визначаються деякими максимально допустимими параметрами системи електричного
гальмування, до яких відносяться:
) максимальний струм
збудження тягового електродвигуна, допустимий за умовою нагрівання котушок
головних полюсів;
) максимальний
гальмівний струм, який обмежений нагріванням обмотки якоря двигуна та
гальмівних резисторів;
) максимальна гальмівна
сила за умовами зчеплення коліс з рейками;
) максимальне значення
реактивної е.р.с. у секції обмотки якоря. Цей параметр, який є критерієм, може
бути визначений як добуток струму якоря тягового електродвигуна на його частоту
обертання, тобто Ія nтд.
В курсовому проекті
необхідно визначити граничні характеристики електричного гальма за першими
трьома параметрами. Максимальний струм збудження та максимальний гальмівний
струм (максимальний струм якоря) приймають рівними струму тривалого режиму
тягового двигуна:
Bmax=Fкр. (13.1)
Рисунок 13.1 - Граничні
характеристики електричного гальма
Максимальна гальмівна
потужність може бути отримана за умови
Vmin=кг Vр, (13.2)
Vmin=1,6×20=33 км/ч
де кг=1,4
1,6.
Звичайно значення
Vmin приймається дещо менше
вказаної величини:
Vmin=(0,8
0,9)
кг Vр. (13.3)
Vmin=0,9×1,6 20=30 км/ч
Тоді лінія ОА
(рисунок 13.1) описується рівнянням
(13.4)
Лінія АD, що має форму гіперболи, в усіх
точках якої гальмова потужність (добуток гальмівної сили на швидкість)
незмінна, описується рівнянням
. (13.5)
Гальмівна потужність, кВт
. (13.6)
Потужність
системи електричного гальма тепловоза на затискачах тягових електродвигунів
. (13.7)
Напруга на
гальмівному резисторі
. (13.8)
Еквівалентний
опір гальмівного резистора
. (13.9)
Крива обмеження
гальмівної сили за зчепленням коліс з рейками при електричному гальмуванні
, (13.10)
де ψкг=0,094+4/(27,5 V).
За результатами
розрахунків побудувати гальмівну характеристику передачі по аналогії з рисунком
13.1.
При розробці
силової схеми електричного гальма тепловоза взяти за зразок електричну схему
електричного гальма одного з тепловозів з електричним гальмом. У пояснювальній
записці дати короткий опис роботи силової схеми електричного гальма.
Таблиця 13.1-
Граничні характеристики електричного гальма
|
Швидкість Vкм/ч
|
|
10
|
20
|
30
|
40
|
50
|
60
|
70
|
80
|
90
|
100
|
|
40,280,4120,6160,8201241,2281,4321,6364,6402
|
|
|
|
|
|
|
|
|
|
|
|
362,1181120,790,572,460,451,745,340,236,2
|
|
|
|
|
|
|
|
|
|
|
|
ψкг=0,094+4/(27,5 V)
|
0,11
|
0,10
|
0,099
|
0,098
|
0,097
|
0,096
|
0,096
|
0,096
|
0,096
|
0,095
|
Список використаної
літератури
1. Луков Н.М., Стрекопытов В.В., Рудая К.И. Передачи мощности
тепловозов: Учебник для вузов ж.-д. транспорта/Под ред. Н.М. Лукова. - М.:
Транспорт, 1987. - 279 с.
. Колесник И.К.
Электропередачи тепловозов на переменно-постоянном токе/И.К. Колесник, Т.Ф.
Кузнецов, В.И. Липовка и др.- М.:ИКЦ "Академкнига", 2005. - 156 с.
. Гаккель Е.Я., Рудая
К.И. Проектирование и расчет электрической передачи тепловоза. - М.:Транспорт,
1972. - 152 с.
. Проектирование тяговых
электрических машин/Находкин М.Д., Василенко Г.В., Бочаров В.И., Козорезов
М.А./Под ред.. М.Д. Находкина. - М.:Транспорт, 1981. - 624 с.
. Стрекопытов В.В.,
Грищенко А.В., Кручек В.А. Электрические передачи локомотивов: Учебник для
вузов ж.-д. транспорта/Под ред. Стрекопытова В.В. - М.:Маршрут, 2003. - 310 с.