Анализ промышленной безопасности процесса хранения и доставки сжиженного углеводородного газа к котельной
ВВЕДЕНИЕ
Сжиженные углеводородные газы
(СУГ)
- смесь сжиженных под давлением легких углеводородов с температурой кипения
от -50 до 0º.Они предназначены
для применения в качестве топлива.
Сжиженный углеводородный газ, благодаря своим
свойствам-высокому КПД в отоплении и простому процессу перехода от жидкого
состояния к газообразному, широко используется в быту. Автономная газификация
сжиженным газом имеет высокую эффективность при отоплении дома по сравнению с
природным газом. Сжиженный углеводородный газ производится различных марок для
использования в зависимости от сезона и климатических районов расположения
домов и коттеджей.
Газоснабжение пропан-бутаном (СУГ) востребовано
благодаря своим явным преимуществам перед другими источниками тепла и энергии:
качественное экологически чистое топливо; стабильное давление в сети
газопровода; надежное и простое в эксплуатации газовое оборудование; полная
автономность и отсутствие зависимости от других теплоносителей; возможность
использования в любое время года; долговечность газового оборудования;
экономичность.
газ безопасность хранение котельная
АНАЛИТИЧЕСКИЙ ОБЗОР
При небольшом повышении давления СУГ переходит в
жидкое состояние. Тогда его можно легко перевозить и хранить. При снижении
давления или небольшом повышении температуры "жидкий" газ начинает
испаряться и переходит в газовую фазу. Процесс заканчивается достижением
состояния насыщения. Давление насыщенных паров зависит только от температуры
окружающей среды и не зависит от количества жидкой фазы. Из одного литра СУГ
получается около 0,25 м3 газовой фазы. Зимой давление газа снижается
и производительность подачи газовой фазы, заметно падает. Вот почему резервуары
требуется заглублять в грунт, откуда идет поток тепла, поддерживая стабильные
параметры регазификации.
Чистое горение газа (минимум продуктов сгорания)
делает его экологически чистым топливом для широкого применения в жилых домах
(отопление, горячее водоснабжение, газовые плиты, нагрев саун и воды в
бассейнах), на агропромышленных предприятиях, в производстве, в качестве
автомобильного топлива.
Смесь сжиженного газа состоит из пропана и
бутана. Пропан испаряется при более низких температурах, до -35 гр.Ц., а бутан
только при положительной температуре. Пропан устойчиво поставляет газовую фазу
даже при морозах, но относительно дорог и хорош только зимой. Летом, при жаре,
давление его паров доходит до предельного значения, допустимого для стенок
сосуда (1,6 МПа). При повышении температуры, жидкость в резервуаре очень сильно
расширяется и, поскольку она несжимаема, может даже раз герметизировать сосуд.
Именно поэтому пропан разбавляют более дешевым и не интенсивно испаряющимся
бутаном. В зависимости от сезона, пропорции частей различны: летом примерно в
равных частях: 60 : 40 или 50 : 50, а зимой пропана в смеси больше в пропорциях
70 : 30 соответственно. В емкостях с преобладанием пропана создается большее
давление, чем в "бутановых". Для того чтобы резервуар не подвергся
разгерметизации при повышении температуры, его заполнение ограничивается 85%
геометрического объема. Заправщики эту норму неукоснительно соблюдают. Такие
свойства пропан-бутановых смесей делают его более приемлемым для использования
в суровом российском климате (отопление домов, газовые плиты, газовые
генераторы, автомобильное топливо и пр.)
При использовании СУГ необходимо учитывать, что
процесс испарения обладает свойством саморегулирования. Если отбирать пары
интенсивно (например, подключить несколько котлов), то ускоренное испарение
жидкости приведет к ее охлаждению и, значит, к снижению давления газов над
зеркалом жидкости. В итоге производительность установки снизится. Чтобы
получить большие объемы газов, прибегают к дополнительному обогреву емкостей
или увеличивают их количество в одной установке. Зеркало жидкости - это площадь
поверхности жидкой фазы. Чем оно больше, тем интенсивнее происходит испарение
газа, и соответственно выше производительность газовой фазы.
СУГ легче воды в два раза, поэтому, водный
конденсат постепенно скапливается на дне сосуда, откуда его приходится
откачивать (из малых емкостей примерно раз в год, обычно это осуществляется при
заправке). В газообразном состоянии смесь тяжелее воздуха в 1,5-2 раза.
Следовательно, при утечках газы стекают в нижние точки. Учитывая, что эти газы,
хотя и нетоксичны, обладают удушающим свойством, котельные при использовании
СУГ нельзя размещать в подвалах и цокольных помещениях, если площадь окон в них
менее 1 м2. Поскольку для полного сгорания СУГ требуется много
воздуха, в котельных надо обеспечить хорошую вентиляцию - лучше принудительную.
Кроме того, в помещении необходимо организовать естественное освещение, а также
установить датчик обнаружения утечки газов и автоматический отсекающий клапан с
автономным питанием.
Сам по себе сжиженный газ не горит и не
детонирует. Однако смесь газовой фазы с воздухом в пределах 1,8-10% загорается,
если рядом есть источник тепла с температурой около 500°С и более (в пламени
спички есть участки с температурой более 1000°С).При определенных соотношениях
объема, давления и температуры -это горение может сопровождаться взрывом.
Вытекающая газовая фаза, смешавшись с воздухом,
может лишь загореться небольшим факелом, причем пламя внутрь потока газа не
распространяется и к взрыву емкости не приводит. Чтобы на 100% исключить утечки
жидкости, в установках предусматривают специальные меры безопасности.
Для потребителей пропан-бутан является отличным
топливом в местах, где не подведен природный газ (метан). И дает двукратную
экономию на отопление Вашего дома, по сравнению с дизельным топливом или
электричеством.
1.
ЦЕЛИ И ЗАДАЧИ
Основной целью данной работы является оценка
промышленной безопасности на рассматриваемом объекте.
При этом необходимо решить следующие задачи:
·
разделить
промышленный объект на технологические блоки;
·
определить энергетический потенциал;
·
определить
сценарии развития аварийных ситуаций;
·
определить вероятности реализации
сценариев;
·
рассчитать воздействия поражающих
факторов;
·
оценить
индивидуальный и коллективный риск.
После выполнения поставленных задач необходимо
разработать конкретные организационно-технические предложения по снижению
техногенного риска.
2. ТЕХНОЛОГИЧЕСКАЯ ЧАСТЬ
2.1 Характеристика опасного вещества
В данном курсовом проекте рассматривается такое
взрывопожароопасное вещество как СУГ (пропан-бутан).
Характеристики опасного вещества - сжиженный
углеводородный газ (пропан-бутан) приведены в таблице 2.
Таблица 1 - Характеристика опасного вещества -
СУГ
|
№
|
Наименование параметра
|
Параметр
|
Источник
|
|
1 1.1 1.2
|
Наименование вещества Химическое
Торговое
|
Пропан-бутановая смесь СУГ
|
[10]
|
|
2 2.1 2.2
|
Формула Эмпирическая Структурная
|
С4 Н10 Бутан С3
Н8 Пропан
|
[10]
|
|
3 3.1 3.2
|
Состав,
% вес. Основного продукта Примеси
|
|
|
|
4 4.1 4.2 4.3 4.4
|
Общие
данные: молекулярная масса температура кипения (при давлении 101кПа) плотность
газовой фазы при 20˚С плотность жидкой фазы при 0˚С при давлении
|
Пропан
Бутан 44,1 58,12 -42,1 -0,5 1,78 2,5 0,528 0,601
|
[10]
|
|
5 5.1 5.2 5.3
|
Данные
о взрывоопасности: температура вспышки температура самовоспламенения концентрационные
пределы распространения пламени, %
|
470 405
|
[10]
|
|
6 6.1 6.7
|
Данные
о токсической опасности ПДК в воздухе рабочей зоны ПДК в атмосферном воздухе
|
300мг/м3
|
|
|
7
|
Реакционная способность
|
Образует
с воздухом взрывоопасные смеси при концентрации паров пропана от 2,1 до
9,5%,бутана от1,5% до 8,5% при давлении 98066 Па (1 атм.) и температуре 15-20
°С
|
|
|
8
|
Запах
|
Специфический
характерный запах
|
|
|
9
|
Коррозионное воздействие
|
Чистый
бутан не оказывает коррозионного воздействия, однако примеси других веществ,
обычно содержащихся в бутановой фракции, разрушают металлы со скоростью более
0,5 мм /год
|
|
|
10
|
Меры предосторожности
|
Во
взрывоопасных помещениях должны быть установлены приборы, сигнализирующие об
опасной концентрации газа в помещении.
|
|
|
11
|
Информация
о воздействии на людей и окружающую среду
|
Попадая
на тело человека вызывают обморожение,напоминающее ожог.При нахождении в
атмосфере с небольшим содержанием паров сжиженного газа,человек испытывает
кислородное голодание. При значительой концентрации,может погибнуть от
удушья.
|
|
|
12
|
Средства защиты
|
В
производственных помещениях должны быть соблюдены требования санитарной
гигиены по ГОСТ 12.1.005. Помещение должно быть оборудовано приточно-вытяжной
вентиляцией. В помещениях производства, хранения, перекачки сжиженного газа
запрещается обращение с открытым огнем(инструменты не дающие искру). Защита
оборудования от статического электричества должна соответствовать правилам
защиты производств в химической, нефтехимической промышленности.
|
|
|
13
|
Меры
перевода вещества в безвредное состояние
|
При
появлении в помещении опасной концентрации газа должно быть немедленно
отключено электрооборудование и приняты меры к проветриванию загазованных
помещений, включение аварийной приточно-вытяжной вентиляции создание водяных
и водо-дисперсных завес и преград.
|
|
|
14
|
Меры
первой помощи пострадавшим от воздействия вещества
|
Удалить
пострадавшего из вредной атмосферы, освободить от стесняющей его одежды,
согреть тело, положить с приподнятыми ногами, оберегать от простуды. При
нарушении дыхания чередовать кислород с карбогеном (через каждые 15 мин). При
отсутствии дыхания немедленно (до прибытия врача) начать искусственное
дыхание (предварительно освободив полость рта и дыхательные пути от рвотных
масс и слизи). Искусственное
дыхание не прекращать до появления спонтанного дыхания.
|
|
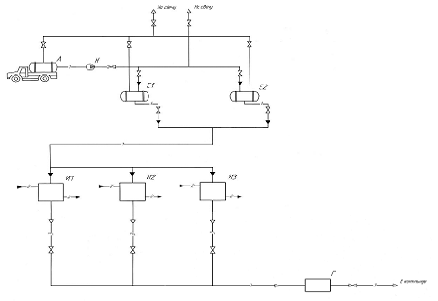
.2 Данные о технологии и
оборудовании
.2.1 Принципиальная технологическая
схема
На рисунке 1 приведена принципиальная схема
хранения и поставки в котельную СУГ. Доставка СУГ на резервуарную установку
проектом предусматривается автоцистерной емкостью 36 м3 (поз. А),
смонтированной на базе полуприцепа и седельного тягача МАЗ-6422 оборудованной
приборами учета и насосами (поз. Н) для перекачки СУГ в резервуары. Сжиженный
углеводородный газ я соответствует ГОСТ 20448-90. Из автоцистерны (поз. А), с
помощью насоса (поз. Н) СУГ перекачивается в 2 емкости подземного хранения
(поз. Е1 и Е2) объемом 25 м3 каждая. Емкости укомплектованы тремя
испарителями сжиженного газа (поз. И1, И2, и И3) производительностью 100 м3/ч
каждый. После испарителей (поз. И1, И2, и И3) газовая фаза СУГ поступает на
надземный газопровод среднего давления 0.1 МПа, максимальная длина которого 70
м. Из трубопровода СГУ поступает на шкафную газорегулирующую установку
котельной (поз. Г), откуда и поступает в
котельную.
Рис.1 - Технологическая схема хранения и
доставки СУГ к котельной
.2.2 План размещения
технологического оборудования, в котором обращается опасное вещество
План размещения технологического оборудования
представлен на рисунках 2 и 3.
Наименование и техническая
характеристика:
1) Резервуар
подземный емк. 25 м3; 2 шт.
2) Блок
испарителей сжиженного газа среднего давления: 3 шт.
3) Кран
проходной шаровой фланцевый Ру16; Ду50; 8 шт.
4) То
же, Ру16; Ду80; 5 шт.
5) То
же, Ру16; Ду100; 5 шт.
6) Кран
шаровой полупроходной фланцевый Ру25; Ду15; 3 шт.
7) То
же; Ру25; Ду32; 3 шт.
8) Клапан
обратный поворотный фланцевый Ру40; Ду100; 1 шт.
9) Клапан
предохранительный пружинный фланцевый Ру16; Ду50; 2 шт.
10)Манометр
с трубчатой пружиной, стандартное исполнение, номинальный размер 80, класс 1,6,
диапазон измерения 0…25 бар, присоединение снизу резьбовое G1/2A,
корпус стальной; 2 шт.
11)Бобышка
длиной 55 мм для установки показывающего манометра с внутренней резьбой G1/2A,
длина резьбы 30 мм; 2 шт.
12)Изолирующее
соединение Ду100; 4 шт.
13)Конденсатосборник
V=15 л; 1 шт.
14)Шкаф
габ. 1400х800х1500 на ножках высотой 400 мм
15)Клапан
предохранительный пружинный фланцевый Ру40; Ду50; 4 шт.
16)Сигнализатор
уровня; 6 шт.
16а) Клапан скоростной Ду32; 1 шт.
17)Труба
стальная бесшовная ф25х2; 22,5 м
18)То же,
ф38х2,5; 5,0 м
19)То же,
ф57х3,5; 45,0 м
20)То же,
ф89х3; 25,0 м
21)То же,
ф89х4; 70,0 м
22)То же,
ф108х4; 70, м
23)Зонт: 16 шт.
24)Липкая лента
ПХВ; 41 м
25)Грунтовка,
ФЛ-03К; 105,0 м2
26)Эмаль,
ХВ-124; 105,0 м2
27)Гильза
защитная, ГЗ-25-8-2000; 2 шт.
28)Гильза
защитная, ГЗ-6,3-10-320; 2 шт.
29)Бобышка
прямая Ру20 МПа; 6 шт.
30)Пробка
для заглушки отверстия в бобышках Ру25 МПа; 4 шт.
31)Прокладка
Ру6,4 МПа; 4 шт.
Рис.2 - План размещения технологического
оборудования
Рис.3 - План размещения технологического
оборудования. Разрезы
2.3 Перечень основного
технологического оборудования, в котором обращаются опасные вещества и данные о
распределении опасных веществ по оборудованию
Перечень основного технологического оборудования
представлен в таблице 2.
Таблица 2 - Основное технологическое
оборудование, в котором обращается опасное вещество.
|
№ поз. по схеме
|
Наименование оборудования
|
Кол-во, шт.
|
Расположение
|
Назначение
|
Техническая характеристика
|
|
Автоцистерна
|
1
|
На открытой площадке
|
Перевозка СУГ
|
V = 36 м3
|
|
Насос
|
1
|
На автоцистерне
|
Перекачка СУГ
|
|
|
1
|
Резервуар подземный
|
2
|
В резервуарной установке
|
Хранение СУГ
|
V = 25 м3
|
|
2
|
Блок
испарителей сжиженного газа среднего давления
|
3
|
На выгороженной площадке
|
Перевод
СУГ из жидкой в паровую фазу
|
Gв = 100 м3/ч
Gп = 95 м3/ч
Gж = 200
кг/ч m
= 0.92 т
|
|
Ж
|
Трубопровод
для залива жидкой фазы
|
|
На
открытой площадке и в хранилище резервуаров
|
Подача СУГ в емкости
|
Dу = 108х4 l = 5 м
|
|
Ж1
|
Трубопровод
жидкой фазы к испарителям
|
|
На выгороженной площадке
|
Подача СУГ к испарителям
|
Dу = 108х4 l = 23,3 м Dу = 57х3,5
l = 7 м
|
|
Г4
|
Трубопровод
паровой фазы высокого давления
|
|
На
открытой площадке и в хранилище резервуаров
|
Выравнивание давления
|
Dу = 38х2,5 l = 5 м Dу = 89х4 l = 23,3 м
|
|
Г2
|
Трубопровод
паровой фазы среднего давления
|
|
На открытой площадке
|
Подача СУГ к котельной
|
Dу = 89х4 l = 70 м
|
|
Газорегулирующее устройство
|
1
|
На наружной стене котельной
|
Снижение давления парогаза
|
Pвх = 1 кгс/см2 Рвых
= 300 мм.рт.ст.
|
Таблица 3 - Данные о
распределение опасного вещества по оборудованию
|
Технологический блок, оборудование
|
Количество Опасного
вещества,
кг
|
Физические
условия содержания опасного вещества
|
|
№ блока
|
Наименование оборудования
|
Кол-во ед.
Оборудования
|
В единице оборудования
|
В блоке
|
Агрегатное состояние
|
Р, МПа
|
Т, °С
|
|
1
|
Автоцистерна
|
1
|
|
|
жидкость
|
1,6
|
окр. среды
|
|
2
|
Емкость
|
2
|
|
|
жидкость
|
1,6
|
окр. среды
|
|
3
|
Трубопровод
|
1
|
|
|
жидкость
|
1,6
|
окр. среды
|
|
4
|
Газопровод
|
1
|
|
|
газ
|
0,1
|
окр. среды
|
.4 Разделение ОПО на технологические
блоки
Технологический блок - это аппарат или группа
аппаратов с системой коммуникаций между ними, которые за заданное время могут
быть выведены из технологической схемы (отключены от общей технологической
системы) без такого изменения технологического режима, которое могло бы
привести к развитию аварийной ситуации во всей системе.
Технологическая схема хранения и доставки СУГ к
котельной может быть разделена на следующие технологические блоки в
соответствии с ПБ 09-540-03[1]:
Блок № 1 -автоцистерна (поз.А);
Блок № 2 -2 емкости подземного хранения (поз.Е1
и Е2);
Блок № 3 -3 испарителя сжиженного газа (поз.
И1,И2,И3);
Блок № 4 -надземный газопровод из которого СУГ
поступает на шкафную газорегулирующую установку котельной (поз.Г).
Для каждого технологического блока определяется
расчетным путем общий энергетический потенциал взрывоопасности (Е),
относительный энергетический потенциал взрывоопасности (Qв)
и общую массу горючих газов взрывоопасного парогазового облака (m).
Рис.4 - Технологические блоки установки хранения
и доставки СУГ к кательной
2.5 Определение категорий
взрывоопасности технологических блоков
Методика расчета энергетического потенциала
взрывоопасности технологических блоков (ПБ 09-540-03)[1]
Определение категорий взрывоопасности
технологических блоков осуществляется в соответствии с [3] и Методическим
указанием «Методика количественной оценки уровня взрывоопасности
технологических блоков по величине общего энергетического потенциала
взрывоопасности. В.Б. Улыбин, И.Г. Янковский, А.С. Мазур, А.А. Козлов» [3].
Согласно ПБ 09-540-03 энергетический потенциал
взрывоопасности определяется как следующая величина:
(кДж)
1. E1-
сумма энергий адиабатического расширения А (кДж) и сгорания ПГФ,
находящейся в блоке, кДж:
(кДж)
Для практического определения энергии
адиабатического расширения ПГФ можно воспользоваться формулой
Таблица 4 - Значение коэффициента в зависимости
от показателя адиабаты среды и давления в технологическом блоке
|
Показатель
|
Давление в системе, МПа
|
|
адиабаты
|
0,07-0,5
|
0,5-1,0
|
1,0-5,0
|
5,0-10,0
|
10,0-20,0
|
20,0-30,0
|
30,0-40,0
|
40,0-50,0
|
50,0-75,0
|
75,0-100,0
|
|
k = 1,1
|
1,60
|
1,95
|
2,95
|
3,38
|
3,08
|
4,02
|
4,16
|
4,28
|
4,46
|
4,63
|
|
k = 1,2
|
1,40
|
1,53
|
2,13
|
2,68
|
2,94
|
3,07
|
3,16
|
3,23
|
3,36
|
3,42
|
|
k = 1,3
|
1,21
|
1,42
|
1,97
|
2,18
|
2,36
|
2,44
|
2,50
|
2,54
|
2,62
|
2,65
|
|
k = 1,4
|
1,08
|
1,24
|
1,68
|
1,83
|
1,95
|
2,00
|
2,05
|
2,08
|
2,12
|
2,15
|
где
,К
При избыточных значениях Р < 0,07 МПа
и PV'
<
0,02 МПа · м3 энергию адиабатического расширения ПГФ (А)
ввиду малых ее значений в расчет можно не принимать.
Для многокомпонентных сред значения массы и
объема определяются с учетом процентного содержания и физических свойств
составляющих эту смесь продуктов или по одному компоненту, составляющему
наибольшую долю в ней.
2.
- энергия сгорания ПГФ,
образующейся из пролитой на твердую поверхность (пол, поддон, грунт и т.п.) ЖФ
за счет теплоотдачи от окружающей среды (от твердой поверхности и воздуха к
жидкости по ее поверхности), кДж:
,
кДж (2)
, кг (3)
q’
-
удельная теплота сгорания соответственно ПГФ, равна 18,48 МДж/кг
G
-
суммарная масса ЖФ, испарившейся за счет теплопритока из окружающей среды.
Величины
и
определяются
из выражений:
, кг (4)
здесь Т
-
температура твердой поверхности (пола, поддона, грунта и т.п.), К;
= 3,14;
, кг (5)
кг/(с*м2) (6)
кПа (7)
Т
-
температура кипения горючей жидкости (К или °С);
F
-
площадь поверхности зеркала жидкости;
F
-
площадь контакта жидкости с твердой поверхностью розлива (площадь теплообмена
между пролитой жидкостью и твердой поверхностью);
коэффициент тепловой активности поверхности
(поддона);
коэффициент теплопроводности материала твердой
поверхности (пола, поддона, земли и т.п.);
r
-
удельная теплота парообразования горючей жидкости
(r=2034,5
кДж/кг);
с
- удельная
теплоемкость материала твердой поверхности;
- плотность
материала твердой поверхности;
т
-
интенсивность испарения;
М -
молекулярная масса;
R
-
газовая постоянная ПГФ равная 8,31 Дж/(К*моль);
- безразмерный
коэффициент;
Р
-
давление насыщенного пара при расчетной температуре;
- время контакта
жидкости с поверхностью пролива, принимаемое в расчет.
Р0 -
атмосферное (0,1МПа) давление в блоке, МПа.
Значение безразмерного коэффициента
,
учитывающего влияние скорости и температуры воздушного потока над поверхностью (зеркало
испарения) жидкости, принимается по таблице 5.
Таблица 5 - Значения коэффициента
|
Скорость
воздушного потока над зеркалом испарения, м/с
|
Значения
коэффициента при
температуре воздуха в помещении t °C
|
|
10
|
15
|
20
|
30
|
35
|
|
0
|
1,0
|
1,0
|
1,0
|
1,0
|
1,0
|
|
0,1
|
3,0
|
2,6
|
2,4
|
1,8
|
1,6
|
|
0,2
|
4,6
|
3,8
|
3,5
|
2,4
|
2,3
|
6,6
|
5,7
|
5,4
|
3,6
|
3,2
|
|
1,0
|
10,0
|
8,7
|
7,7
|
5,6
|
4,6
|
Ориентировочно значение G
"
может определяться по таблице 6.
Таблица 6 - Зависимость массы ПГФ пролитой
жидкости от температуры ее кипения при
= 180 с
|
Значение
температуры кипения жидкой фазы t , °C
|
Масса
парогазовой фазы G , кг (при F = 50 м )
|
|
Выше 60
|
<10
|
|
От 60 до 40
|
10-40
|
|
От 40 до 25
|
40-85
|
|
От 25 до 10
|
85-135
|
|
От 10 до -5
|
135-185
|
|
От -5 до -20
|
185-235
|
|
От -20 до -35
|
235-285
|
|
От -35 до -55
|
285-350
|
|
От -55 до -80
|
350-425
|
|
Ниже -80
|
>425
|
Для конкретных условий, когда площадь твердой
поверхности пролива жидкости окажется больше или меньше 50 м
(F
50), производится
пересчет массы испарившейся жидкости по формуле
, кг (8)
По значениям общих энергетических потенциалов
взрывоопасности Е определяются величины приведенной массы и
относительного энергетического потенциала, характеризующих взрывоопасность
технологических блоков.
Общая масса горючих паров (газов) взрывоопасного
парогазового облака m,
приведенная к единице удельной энергии сгорания, равной 46 000 кДж/кг:
m = E/(4,6Х104),кг
(9)
Относительный энергетический потенциал
взрывоопасности Qв
технологического блока определяется по формуле:
(10)
По значениям приведенной массы
парогазовой среды m и
относительных энергетических потенциалов Qв
осуществляется категорирование технологических блоков.
Показатели категорий взрывоопасности
технологических блоков в соответствии ПБ 09-540-03 приведены в таблице 7.
Таблица 7 - Показатели категорий
взрывоопасности технологических блоков
|
Категория взрывоопасности
|
Qв
|
m, кг
|
|
I
|
> 37
|
> 5000
|
|
II
|
27-37
|
2000-5000
|
|
III
|
< 27
|
< 2000
|
Расчет энергетического потенциала на примере
блока № 1.
,кДж
,К
τ=10 с
,кг
m = E/(4,6Х104)=72906
кг
=89
Блок №1 относится к 1 категории
взрывоопасности.
По аналогии рассчитываются и
остальные блоки. Все расчетные значения приведены в таблице 8.
По относительному энергетическому
потенциалу Qв,
представленному в таблице, был выбран блок № 1, т.к. в нём самый большой
энергетический потенциал, т.е. он является наиболее потенциально опасным.
Таблица 8 - Характеристика
взрывоопасности технологических блоков
|
№
Блока
|
Категория
взрывоопасности
|
Qв
|
m,кг
|
|
1
|
1
|
89
|
72907
|
|
2
|
1
|
71
|
36395
|
|
3
|
3
|
21,2
|
960
|
|
4
|
3
|
6,6
|
29
|
2.6 Анализ «дерева событий»
Краткое описание сценариев аварийных ситуаций
Анализ «дерева событий» - алгоритм построения
последовательности событий, исходящих из основного события (аварийной ситуации)
- используется для анализа условий аварийной ситуации (сценариев ситуации) в
том числе оценки вероятности реализации поражающих факторов.
На данном объекте возможны следующие виды
аварий:
)»Огненный шар»(мгновенное воспламенение);
)Пожар (горение) пролива;
)Факельное горение;
)Взрыв.
Инициирующими событиями аварий являются
частичная или полная разгерметизация оборудования.
Рис.5 - Дерево событий для частичной
разгерметизации выше уровня жидкости
Рис.6 - Дерево событий для частичной
разгерметизации ниже уровня жидкости
Рис.7 - Дерево событий для полной
разгерметизация автоцистерны
Рис.8 - Дерево событий для полной и частичной
разгерметизации газопровода
2.7 Выбор физико-математических
моделей и методов расчета зон воздействия поражающих факторов
.7.1 Расчет радиуса зоны разрушения
Для оценки уровня воздействия взрыва может
применяться тротиловый эквивалент. Тротиловый эквивалент взрыва парогазовой
среды WT
(кг), определяемый по условиям адекватности характера и степени разрушения при
взрывах парогазовых облаков, а также твердых и жидких химически нестабильных
соединений, рассчитывается по формулам:
W
-тротиловый
эквивалент взрыва парогазовой среды;
, (11)
где 0,4 - доля энергии взрыва
парогазовой среды, затрачиваемая непосредственно на формирование ударной волны;
,9 - доля энергии взрыва
тринитротолуола (ТНТ), затрачиваемая
непосредственно на формирование
ударной волны;
т - общая приведенная масса
парогазовой среды;
q’ - удельная
теплота сгорания парогазовой среды,(18480 кДж/кг);
q
- удельная
энергия взрыва ТНТ, (4520 кДж/кг);
Z -
коэффициент участия горючего при сгорании газопаровоздушной смеси, в таблице
9.
Таблица 9 -
Классификация зон разрушения
|
Виды
горючего вещества
|
Значение
|
|
Водород
и нагретые выше температуры вспышки высокотемпературные органические
теплоносители
|
1,0
|
|
Горючие газы
|
0,5
|
|
Легковоспламеняющиеся
и горючие жидкости, нагретые до температуры вспышки и выше
|
0,3
|
|
Легковоспламеняющиеся
и горючие жидкости, нагретые ниже температуры вспышки, при наличии
возможности образования аэрозоля
|
0,3
|
|
Легковоспламеняющиеся
и горючие жидкости, нагретые ниже температуры вспышки, при отсутствии
возможности образования аэрозоля
|
0,0
|
Зоной разрушения считается площадь с границами,
определяемыми радиусами R,
центром которой является рассматриваемый технологический блок или наиболее
вероятное место разгерметизации технологической системы. Границы каждой зоны
характеризуются значениями избыточных давлений по фронту ударной волны
Р
и соответственно безразмерным коэффициентом К. Классификация зон
разрушения приводится в таблице 10.
Таблица 10 -
Классификация зон разрушения
|
Класс зоны разрушения
|
К
|
Р,
кПа
|
|
1
|
3,8
|
100
|
|
2
|
5,6
|
70
|
|
3
|
9,6
|
28
|
|
4
|
28
|
14
|
|
5
|
56
|
2
|
Радиус зоны разрушения (м) в общем виде
определяется выражением [1]
, (12)
где К - безразмерный
коэффициент, характеризующий воздействие взрыва на объект.
Расчет:
Z=0,3; m=72907 кг;
=
(0,4*46400)/(0,9*4520)*0,3*72907=99790,1 кг;
,м
.7.2 Определение параметров ударной
волны при сгорании газовоздушных облаков
Величину избыточного давления
DР,кПа, развиваемого при сгорании газовоздушных облаков, определяют по
формуле[1]
где P0 - атмосферное давление, кПа
(допускается принимать равным 101 кПа); r - расстояние от геометрического
центра газопаровоздушного облака, м; тпр - приведенная масса газа или пара, кг,
вычисляется по формуле
mпр=(Qcг/Qo)·m·Z,
где Qcг - удельная теплота сгорания газа или пара, Дж·кг-1 (определяется по
справочным данным); Z - коэффициент участия горючего во взрыве, который
допускается принимать равным 0,1; Q0 - константа, равная 4,52·106 Дж·кг-1; m -
масса горючих газов и (или) паров, поступивших в результате аварии в окружающее
пространство, кг.
Величину импульса волны давления i,
Па·с, вычисляют по формуле
Расчет:
mпр=(4,6*107/4,528106)*(0,8*530*36)*0,1=0,16*105
кг
i=
123(0,16*105)0,66/500= 158 Па*с .
2.7.3 Методика определения
интенсивности теплового излучения при пожарах проливов СУГ
Величину интенсивности теплового
излучения q, кВт · м-2, рассчитывают по формуле[10]
=Ef·Fq·t,
где Ef - среднеповерхностная
плотность теплового излучения пламени, кВт · м-2 ; Fq - угловой коэффициент
облученности; t - коэффициент пропускания атмосферы.
Значение Ef принимается на основе
экспериментальных данных. При их отсутствии допускается принимать величину Ef
равной 100 кВт · м-2.
Рассчитывают эффективный диаметр d, м, пролива:
Где F-площадь пролива, м2.
Величину F определяют, исходя из
топографии местности и наличия обвалования. Допускается определять F из
условия, что 1 л жидкости разливается на 0,15 м2.
Вычисляют высоту пламени Н, м:
где т - удельная массовая скорость
выгорания СУГ, кг · м-2 · с-1 (допускается при отсутствии экспериментальных
данных принимать равной 0,1 кг · м-2 · с-1); rВ - плотность окружающего
воздуха, кг · м-3; g = 9,81м·с-2-ускорение свободного падения.
Определяют угловой коэффициент
облученности Fq:
где
где r - расстояние от
геометрического центра пролива до облучаемого объекта, м.
Определяют коэффициент пропускания
атмосферы:
Расчет:
для r = 85 , м
h=2*61,9/42,8=2,89
S=2*85/42,8=3,74
q = 100*
1,04*0,04=4,24 кВт*м-2
для r = 30 , м
h=2*61,9/42,8=2,89=2*30/42,8=1,40
q=100*0,21*1,006=21,1
кВт*м-2
.7.4 Методика определения параметров
ударной волны при взрыве резервуара в очаге пожара и теплового
излучения при возникновении "огненного шара"
Расчет величин избыточного давления
в положительной фазе волны и импульса положительной фазы волны.
Параметрами волны давления,
образующейся при разрушении резервуара с СУГ в очаге пожара, являются
избыточное давление в положительной фазе DР и импульс
положительной фазы волны i.
Величины DР,кПа, и i, Па·с,
вычисляют по формулам
где Р0 - атмосферное
давление. кПа. допускается принимать равным 101 кПа;
r -
расстояние до разрушающегося технологического оборудования, м;
тпр -
приведенная масса, кг, вычисляется по формуле
где Еиэ - энергия,
выделяющаяся при изэнтропическом расширении среды, находящейся в резервуаре,
Дж; Q0
-константа, равная 4,52·106 Дж · кг-1.
Величина Еиэ определяется по
формуле
Еиэ = т
· (U1 - U2)
где т - масса вещества в
резервуаре, кг; U1, U2 - удельная
внутренняя энергия вещества до и после BLEVE, Дж · кг-1.
Удельная внутренняя энергия
определяется по формуле
U = h - р
· v,
где h- удельная
энтальпия среды, Дж · кг-1; р - давление среды, Па; v- удельный
объем среды, м3 · кг-1.
Для расчета энергетических
параметров U и h будем
использовать p-h диаграммы
для пропана и н-бутана (рис. 9,10). Точка на этой диаграмме, отвечающая
начальному состоянию среды непосредственно перед возникновением BLEVE,
определяется следующим образом.
Рассчитывается удельный объем среды, находящийся в резервуаре:
v = V/m,
где V- объем
резервуара, м3.
Задается температура жидкой среды T1, при
которой происходит BLEVE, соответствующая давлению
срабатывания предохранительного клапана р1. С учетом параметров Т1и
р1 по рис. 9 определяются соответствующие значения удельных объемов
жидкой vf и паровой vg фаз
соответственно.
Точка, отвечающая начальному
состоянию среды, лежит внутри полуострова на диаграмме (рис. 9).
Степень сухости пара X определяется
по формуле
С помощью диаграммы (рис. 9,10)
находится параметр h, и по формуле вычисляется
внутренняя энергия U1.
Параметры конечного, состояния парогазовой среды определяются в точке
пересечения изэнтропы с изобарой р = 0,1 МПа (атмосферное давление).
Величина удельного объёма v2 с учетом
полученных параметров vf, vg,h2, x2определяется
по формуле
V2 = Vf + X2· (Vg - Vf).
Внутренняя энергия конечного
состояния U2 определяется
по формуле , энергия, выделяющаяся при изэнтропическом расширении, - по формуле
.
Допускается рассчитывать величины DР и i по формулам
и , вычисляя тпр с помощью выражения
mпр = m · Сэфф
(Тж - Ткип) / Q0,
где m - масса СУ
Г в резервуаре, кг; Сэфф - эффективная теплоемкость, равная 500 Дж ·
кг-1 · К-1); Тж - температура жидкой фазы в момент разрыва резервуара,
К; Ткип - нормальная температура кипения СУГ, К; Q0 -
константа, определенная в разделе 6 и равная 4,52·106 Дж·кг-1.
Величину Тж допускается вычислять, исходя из давления срабатывания
предохранительного клапана резервуара рк,полагая давление насыщенных
паров СУГ равным рк и находя отсюда с использованием справочных данных
величину Тж.
Рис.9 - Диаграмма энтальпия -
давление для пропана
Рис. 10- Диаграмма энтальпия -
давление для бутана
Расчет интенсивности теплового
излучения и времени существования "огненного шара".[10]
Интенсивность теплового излучения
"огненного шара" q, кВт · м-2, рассчитывается
по формуле
q = Ef · Fq · t
где Ef - среднеповерхностная
плотность теплового излучения пламени, кВт · м-2; Fq - угловой
коэффициент облученности; t - коэффициент пропускания
атмосферы.
Величину Ef определяют
на основе имеющихся экспериментальных данных. Допускается принимать Ef равной 450
кВт · м-2.
Значение Fq находят по
формуле
где Н - высота центра
"огненного шара", м; Ds -
эффективный диаметр "огненного шара", м; r -
расстояние от облучаемого объекта до точки на поверхности земли непосредственно
под центром "огненного шара", м.
Эффективный диаметр "огненного
шара" Ds определяют
по формуле
где т - масса горючего
вещества, кг.
Величину Н определяют в ходе
специальных исследований. Допускается принимать величину Н равной Ds/2.
Время существования "огненного шара"
ts, с,
определяют по формуле
Коэффициент пропускания атмосферы t
рассчитывают по формуле
Расчеты:
Расчет для r=30 :
Масса горючего m в «огненном
шаре» :
Эффективный диаметр «огненного шара»
:
Угловой коэффициент облученности Fq :
q=450*0,24*0,986
= 106,5 кВт*м-2
Q=
106500*21,1= 2247150
Расчет для r=150 :
q=
450*0,063*0,896= 25,4 кВт*м-2
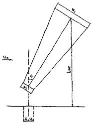
Рис.11 - Схема для расчета геометрических
параметров
.7.5 Методика определения параметров
факелов пламени СУГ[10]
Расчет геометрических параметров
факелов при истечении паровой фазы СУГ проводится на основе схемы, показанной
на рис. 11.
Приведенный метод дает
удовлетворительные результаты для угла отклонения факела от вертикали, когда
скорость ветра больше 5 м · с-1.
При меньших значениях скорости ветра
этот угол следует считать равным нулю.
Геометрические параметры газовых
факелов в случае истечения паровой фазы СУГ вычисляются по формулам (для
скорости ветра не менее 5 м · с-1):






где Ua - скорость ветра, м ·
с-1; Uj - скорость истечения паровой фазы СУГ, принимаемая равной
скорости звука, м · с-1; do - диаметр отверстия истечения, м; rj
- плотность истекающей паровой фазы за срезом сопла (при атмосферном давлении),
кг · м-3, определяемая по формуле
а - плотность
воздуха, кг · м-3; g - показатель адиабаты истекающей паровой фазы (допускается
принимать равным 1,2); P0 - атмосферное давление, Па; q - угол наклона
оси факела к вертикали, град; Mj - молярная масса истекающей паровой
фазы, кг · кмоль-1; Ма - молярная масса воздуха, кг · кмоль-1; LBV-
высота центра верхнего основания факела над горизонтом, м; W1, W2
- диаметры нижнего и верхнего оснований факела, м.
Высота и диаметр факела,
образующегося при истечении жидкой фазы СУГ, описываются формулами
где D1 - эффективный диаметр
отверстия истечения, м;
где rж - плотность жидкой
фазы, кг · м-3; G1 - расход жидкой фазы через отверстие истечения, кг ·
c-1; F - площадь отверстия истечения жидкой фазы, м2; Lф - высота
факела, м; g - ускорение свободного падения, м · с-2; b - диаметр
факела, м.
Тепловое излучение факелов на
различных расстояниях от места истечения рассчитывают в соответствии с разделом
7. При этом эффективные высота Lэфф (м) и диаметр dэфф(м) факела
при истечении паровой фазы вычисляются по формулам
Расчеты:
Скорость звука в пропане:
RV=4/292,8=0,014
Малый диаметр факела :
Большой диаметр факела :
Высота факела над срезом отверстия
истечения :
Угол наклона факела к вертикали :
Определение размеров жидкостного
факела :
G1/F =6,6*103
кг*м-3*с-1
u=6,6*103/499=13,2
м*с-1
Высота факела Lф:
Диаметр факела В :
2.8 Оценка индивидуального и
коллективного риска [3]
Индивидуальный риск - частота
поражения отдельного человека в результате воздействия исследуемых факторов
опасности аварий.
Коллективный риск - ожидаемое
количество пораженных в результате возможных аварий за определенный промежуток
времени.
Для определения уровня
индивидуального риска следует учитывать природу аварии, долю времени нахождения
в «зоне риска» и местонахождение «рискующего». В этом случае риск
рассчитывается по формуле:
Rинд=i=1nQni*Qi*Pnpi; (16)
Pnpi=τi*ni/T;
(17)кол=i=1nQi*Ni;
(18)
где Rинд
-индивидуальный риск, 1/год;
Qni-условная
вероятность поражения человека при реализации i-го сценария
аварии;
Qi-
вероятность реализации i-го сценария аварии в течении года;
Pnpi-вероятность
присутствия человека в зоне в зоне действия поражающих факторов i-го сценария
аварии;
n-число
сценариев аварии;
T-количество
часов в году;
ni-количество
рабочих смен в году;
Rкол-коллективный
риск;
Ni-количество
погибших при реализации i-го сценария аварии.
Расчет
2.8.1 Индивидуальный риск.
Блок №1
Так как водитель автоцистерны постоянно
находится в непосредственной близости от автоцистерны, то вероятность
присутствия человека в зоне действия поражающих факторов Рпрi
= 1
2.8.2 Коллективный риск.
Все операции по сливу газа из автоцистерны в
подземные резервуары осуществляет водитель автоцистерны. Слесарь по газу контролирует
этот процесс. Так как и водитель, и слесарь по газу находятся в
непосредственной близости от автоцистерны, то при всех сценариях они могут
погибнуть.
2.9.1 Перечень
наиболее значимых факторов, влияющих на показатели риска
Наиболее значимыми показателями, влияющими на
показатели риска, являются:
) количество вещества истекшего из аварийного
блока при полной или частичной разгерметизации.
) своевременность принятия мер по предупреждению
персонала о чрезвычайных ситуациях и принятия соответствующих решений
) добросовестное выполнение своих должностных
обязательств, строгое соблюдение требований техники безопасности при работе с
опасным веществом.
Указанные факторы оказывают наибольшее влияние
на величину индивидуального и коллективного рисков гибели людей и нанесения
наибольшего ущерба.
2.9.2 Предложения по внедрению мер,
направленных на уменьшение риска возникновения аварии
Реализация планируемых организационных и
технических мероприятий по повышению промышленной безопасности позволит
обеспечить необходимые условия эксплуатации помещений, зданий, сооружений,
оборудования и техники, а также ограничить уровень риска для персонала и
окружающего населения в приемлемых границах.
Меры, направленные на уменьшение риска аварий:
1) технологические
операции по эксплуатации подземных резервуаров сжиженного газа должны
выполняться в строгом соответствии с требованиями «Правил безопасности в
газовом хозяйстве», «Правил устройства и безопасной эксплуатации сосудов,
работающих под давлением»;
2) проводить
своевременные проверки и ремонт оборудования;
3) запрещение
работать с неисправным и поврежденным оборудованием;
5) не
допускать поднятия давления свыше 16 кгс/см2;
6) не
отключать действующий резервуар, предварительно не включив резервный;
7) запрещение
во время слива газа из автоцистерны находиться в районе резервуаров лицам, не
имеющим отношения к этой работе;
8) запрещение
выпускать через свечу при освобождении резервуаров;
9) запрещение
производить какие-либо ремонтные работы на действующих резервуарах и
газопроводах;
10)усиление
мер по охране ОПО от возможных диверсий;
11)проведением
профилактической и плановой работы по выявлению дефектов оборудования,
отдельных узлов и деталей, их ремонта или замены.
12) качественное обучение персонала вопросам
профессиональной деятельности и промышленной безопасности
.9.3 Основные
организационно-технические мероприятия, направленные на уменьшение риска аварий
― качественное обучение персонала вопросам
профессиональной деятельности и промышленной безопасности, организация его
допуска к работе и своевременная аттестация;
― поддержание в постоянной готовности сил
и средств аварийно-ремонтной службы к ликвидации последствий аварийных
ситуаций;
― разработка "Декларации
промышленной безопасности ОПО" и "Плана локализации и ликвидации
аварийных ситуаций";
― проведение экспертизы промышленной
безопасности (проектов, зданий, технологических устройств, декларации, иных
документов);
― разработка средств световой и звуковой
сигнализации;
― оснащение оборудования
средствами блокировок;
― оснащение производства более
современными газоанализаторами, средствами душирования и пожаротушения;
― диагностирование технических устройств
(аппаратов, трубопроводов и др.);
― организационные мероприятия.
ЗАКЛЮЧЕНИЕ И ВЫВОДЫ
В данном курсовом проекте было рассмотрено
снабжение котельной пропанобутановой смесью из резервуаров подземного
хранения,при этом схема хранения и доставки СУГ была разделена на
технологические блоки, определены возможные сценарии развития аварий и
вероятность их реализации, рассчитаны зоны поражающих факторов, оценено
количество пострадавших.
Самым опасным блоком является блок №1 -
автоцистерна, так как Qв
= 89 и m=72907 кг. Самым
вероятным сценарием является взрыв ТВС при частичной разгерметизации
газопровода до котельной . Наибольший радиус смертельного поражения наблюдается
при реализации сценария «огненный шар» при полной разгерметизации автоцистерны,
он составляет 150м.
СПИСОК ИСПОЛЬЗОВАННЫХ МЕТОДИЧЕСКИХ
МАТЕРИАЛОВ И СПРАВОЧНОЙ ЛИТЕРАТУРЫ
1.
ПБ 09-540-03. «Общие правила взрывобезопасности для взрывопожароопасных
химических, нефтехимических и нефтеперерабатывающих производств».
.
Федеральный закон «О промышленной безопасности опасных производственных объектах»
от 12. 07. 97 № 116-ФЗ
.
Методика количественной оценки взрывоопасности технологических
блоков
по величине общего энергетического потенциала взрывоопасности. Методические
указания/ Сост. А.С. Мазур, В.Б.Улыбин, И.Г. Янковский, А.А.Козлов; СПбГТИ(ТУ)
.
ГОСТ Р 12.3.047-98. Пожарная безопасность технологических процессов. Общие
требования. Методы контроля.
.
РД 09-536-03. Методические указания о порядке разработки плана локализации и
ликвидации аварийных ситуаций (ПЛАС) на химико-технологических объектах. 2003.
- 48 с.
.
ГОСТ 9-92. Аммиак водный технический. Технические условия.
.
ГОСТ 6221-90. Аммиак жидкий технический. Технические условия.
.
ГОСТ 12.1.007-76. Система стандартов безопасности труда. Вредные вещества.
Классификация и общие требования безопасности
.Бесчастнов
М.В. Промышленные взрывы. Оценка и предупреждение. 1991.-432 с.
.«Обеспечение
пожарной безопасности объектов хранения и переработки
СУГ»
Рекомендации. Авторский коллектив:
В.П.
Молчанов, А.Н. Гилетич, Ю.Н. Шебеко, И.Ф. Кимстач, И.Ф. Безродный, А.Н.
Бородкин, Л.В. Гуринович, А.Н. Егоров, В.Г. Кузьмин, И.М. Смолин, В.А. Колосов,
В.Л. Малкин, Е.В. Смирнов.