ТОО 'Мостдорпроект'
Содержание
1. Ознакомление
с рабочим процессом и особенностями работы компании
2. Обследование
и проектировка мостов на автодороге Тургень-Обсерватория
. Изучение
и выполнение типового проекта «Лестничный сход при высоте насыпи 11 и 5 м»
. Выполнение
лестницы высотой 4,7 м к проекту «Мост через реку Есиль»
. Выполнение
расчетов балок с двутовровым сечением на ПК ЛИРА
. Выполнение
лестничного чертежа высотой 7 м к проекту «Мост через реку Актасты»
. Выполнение
чертежа водосброса воды к проекту «Мост через реку Актасты»
Заключение
Введение
Прохождение производственной практики направлено
на систематизацию теоретических знаний, полученных студентом в ходе учёбы в
высшем университете. Также способствует выработке взглядов специалиста на свою
будущую работу, помогает сориентироваться в отрасли и более детально определить
личные перспективы, занять свою нишу в сфере строительства. Оно должно
поспособствовать усовершенствованию знаний, понимании в практическом смысле.
Я проходил производственную практику в ТОО «МОСТДОРПРОЕКТ»,
расположенном по адресу город Алматы, пр. Райымбека 348. Данная организация
занимается разработкой проектов мостов, путепроводов, транспортных развязок на
территории Республики Казахстан. Также фирма имеет лицензию на диагностику ныне
существующих подобных объектов.
Компания была образована в 2010 г. на базе
одного из отделов КазДорНИИ. В составе коллектива трудится два почётных
дорожника ССР. Один из них является главным инженером (ГИПом). Генеральный
директор ТОО «МОСТДОРПРОЕКТ» Головкина А. Б. является кандидатом технических
наук. В фирме работает в общей сложности 13 человек.
1. Ознакомление с рабочим процессом и
особенностями работы компании
Моим руководителям практики от компании являлся
исполнительный директор ТОО «Мостдорпроект» Белов Алексей Геннадьевич. Прибыв
на практику 20 мая 2013 года, и пройдя краткий инструктаж на тему распорядка
рабочего дня и техники безопасности в офисе компании, я получил вводное задание
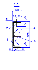
которое заключалось в вычерчивании опор путепровода, их общего вида к проекту
«Реконструкция путепроводов в городе Жезказган. План, разрез вид сбоку и узел
показаны на рис. 1-4.
Рис. 1. План опор
Рис. 2. Разрез 1-1
Рис. 3. Вид сбоку:
Рис. 4. Узел А:
2. Обследование и участие в проектировании
мостов на автодороге Тургень - Обсерватория
Пройдя краткий ознакомительный курс со
спецификой работы компании, я был определён в группу работающую над
диагностикой ныне существующих 4-х мостов на автомобильной дороге Тургень -
Обсерватория. 09.06.2013 года нами был организован выезд на автодорогу с целью
обследования существующих мостов, которое включало в себя снятие геометрических
размеров мостов, изучение дефектов и нарушений, допущенных в ходе их
строительства. Среди дефектов наиболее распространёнными являлись коррозия
опорных частей, и повреждение перильных ограждений.
На следующий день 10.06.2013 мы приступили к
обработке полученных в ходе диагностики данных, мною был выполнен замер всех
геометрических размеров моста, дороги с помощью лазерной рулетки.
. Изучение и выполнение типового проекта
«Лестничный сход при высоте насыпи 11 и 5 м»
На заранее определенное время, а именно с 25.05
по 3.06. 2013-го года, мне было выдано задание рассмотреть, изучить и выполнить
типовой проект на основе проекта 1972-го года. В ходе этого задания я узнал
много нового в сфере проектирования лестничных сооружений. Выполнил общий вид,
арматурные чертежи косоуров, опалубочный чертеж опор. После этого проекта мне
начали выдаваться задания на выполнение индивидуальных проектных чертежей к
готовящимся проектам.
На рис. 5,6 показан фасад лестниц высотой 11 и 5
м соответственно. На рис. 7 и 8 приведены одни из спецификаций.
мост путепровод диагностика развязка
Рис. 5 Фасад лестничного схода при высоте насыпи
11м:
Рис. 6 Фасад лестничного схода при высоте насыпи
5 м
Рис. 7, 8 Спецификации
. Выполнение лестницы высотой 4,7 м к проекту
«Мост через реку Есиль»
На опыте предыдущего задания я спроектировал
лестницу при высоте насыпи 4,7 м к реальному проекту «Мост через реку Есиль».
Стоить отметить, что это задание, к моей радости, прошло экспертизу и было
включено в основной проект. Так как общие виды лестниц были показаны ранее,
дабы не повторяться, покажем на рис.9 и 10 арматурный чертеж косоура и его 2
разреза.
Рис. 9. Арматурный чертеж косоура

Рис. 10. Разрезы 1-1 и 2-2
5. Выполнение расчетов балок с двутовровым
сечением на ПК ЛИРА
Главный инженер проекта (ГИП) поручил мне
перепроверить расчеты вручную балок с двутавровым сечением, с плитой и без,
через ПК ЛИРА.
Ниже приведены результаты некоторых расчетов.
|
|
ХАРАКТЕРИСТИКИ
СЕЧЕНИЯ
|
|
Наименование
|
Обозначение
|
Значение
|
Ед.
изм.
|
|
ИСХОДНЫЕ
ДАННЫЕ:
|
|
Модуль
упругости материала
|
E
|
2.1e+007
|
т/м2
|
|
Коэффициент
Пуассона материала
|
v
|
0.2
|
|
|
Модуль
сдвига материала
|
G
|
8.75e+006
|
т/м2
|
|
Плотность
материала
|
Ro
|
2.5
|
т/м3
|
|
|
Наименование
|
Обозначение
|
Ед.изм.
|
|
ГЕОМЕТРИЧЕСКИЕ
ХАРАКТЕРИСТИКИ:
|
|
Координаты
центра тяжести в системе координат UoOoVo:
|
Uoc
|
90
|
см
|
|
Voc
|
102.023
|
см
|
|
Площадь
|
F
|
8306.5
|
см2
|
|
Момент
инерции относительно оси U
|
Iu
|
2.67632e+007
|
см4
|
|
Момент
инерции относительно оси V
|
Iv
|
1.10391e+007
|
см4
|
|
Центробежный
момент инерции в системе координат UOV
|
Iuv
|
-0.131434
|
см4
|
|
Габаритная
ширина сечения
|
b
|
180
|
см
|
|
Габаритная
высота сечения
|
h
|
160
|
см
|
|
Периметр
внешнего контура
|
Pext
|
757.558
|
см
|
|
Периметр
внутренних контуров
|
Pint
|
0
|
см
|
|
Угол
поворота главных осей инерции
|
Fi
|
0
|
°
|
|
Главный
момент инерции относительно оси Y
|
Iy
|
2.67632e+007
|
см4
|
|
Статический
момент полусечения относительно оси Y
|
Sy
|
0
|
см3
|
|
Момент
сопротивления изгибу относительно оси Y (Z+)
|
Wy+
|
461619
|
см3
|
|
Момент
сопротивления изгибу относительно оси Y (Z-)
|
Wy-
|
262324
|
см3
|
|
Главный
радиус инерции относительно оси Y
|
Ry
|
56.7623
|
см
|
|
Интеграл
по площади integral[z·(y^2+z^2)/Iy·dF]
|
Yi
|
0
|
см
|
|
Максимальная
абсцисса ядрового расстояния
|
14.7663
|
см
|
|
Минимальная
абсцисса ядрового расстояния
|
Y-
|
14.7663
|
см
|
|
Главный
момент инерции относительно оси Z
|
Iz
|
1.10391e+007
|
см4
|
|
Статический
момент полусечения относительно оси Z
|
Sz
|
0
|
см3
|
|
Момент
сопротивления изгибу относительно оси Z (Y+)
|
Wz+
|
122656
|
см3
|
|
Момент
сопротивления изгибу относительно оси Z (Y-)
|
Wz-
|
122656
|
см3
|
|
Главный
радиус инерции относительно оси Z
|
Rz
|
36.455
|
см
|
|
Интеграл
по площади integral[y·(y^2+z^2)/Iz·dF]
|
Zi
|
0
|
см
|
|
Максимальная
ордината ядрового расстояния
|
Z+
|
31.5806
|
см
|
|
Минимальная
ордината ядрового расстояния
|
Z-
|
55.5733
|
см
|
|
ЖЕСТКОСТНЫЕ
ХАРАКТЕРИСТИКИ:
|
|
Осевая
жесткость
|
EF
|
1.74437e+007
|
т
|
|
Изгибная
жесткость относительно оси Y
|
EIy
|
5.62027e+006
|
т·м2
|
|
Изгибная
жесткость относительно оси Z
|
EIz
|
2.31821e+006
|
т·м2
|
|
Жесткость
на кручение
|
GIt
|
0
|
т·м2
|
|
Секториальная
жесткость
|
EIw
|
0
|
т·м4
|
|
Сдвиговая
жесткость относительно оси Y
|
GFy
|
0
|
т
|
|
Сдвиговая
жесткость относительно оси Z
|
GFz
|
0
|
т
|
|
Погонная
масса
|
g
|
2.07663
|
|
|
ХАРАКТЕРИСТИКИ
СЕЧЕНИЯ
|
|
Наименование
|
Обозначение
|
Значение
|
Ед.
изм.
|
|
ИСХОДНЫЕ
ДАННЫЕ:
|
|
Модуль
упругости материала
|
E
|
2.1e+007
|
т/м2
|
|
Коэффициент
Пуассона материала
|
v
|
0.2
|
|
|
Модуль
сдвига материала
|
G
|
8.75e+006
|
т/м2
|
|
Плотность
материала
|
Ro
|
2.5
|
т/м3
|
|
|
Наименование
|
Обозначение
|
Значение
|
Ед.изм.
|
|
ГЕОМЕТРИЧЕСКИЕ
ХАРАКТЕРИСТИКИ:
|
|
Координаты
центра тяжести в системе координат UoOoVo:
|
Uoc
|
40
|
см
|
|
Voc
|
65.3259
|
см
|
|
Площадь
|
F
|
4706.5
|
см2
|
|
Момент
инерции относительно оси U
|
Iu
|
1.20186e+007
|
см4
|
|
Момент
инерции относительно оси V
|
Iv
|
1.31907e+006
|
см4
|
|
Центробежный
момент инерции в системе координат UOV
|
Iuv
|
4.33681e-011
|
см4
|
|
Габаритная
ширина сечения
|
b
|
80
|
см
|
|
Габаритная
высота сечения
|
h
|
140
|
см
|
|
Периметр
внешнего контура
|
Pext
|
517.558
|
см
|
|
Периметр
внутренних контуров
|
Pint
|
0
|
см
|
|
Угол
поворота главных осей инерции
|
Fi
|
0
|
°
|
Iy
|
1.20186e+007
|
см4
|
|
Статический
момент полусечения относительно оси Y
|
Sy
|
0
|
см3
|
|
Момент
сопротивления изгибу относительно оси Y (Z+)
|
Wy+
|
160947
|
см3
|
|
Момент
сопротивления изгибу относительно оси Y (Z-)
|
Wy-
|
183979
|
см3
|
|
Главный
радиус инерции относительно оси Y
|
Ry
|
50.5333
|
см
|
|
Интеграл
по площади integral[z·(y^2+z^2)/Iy·dF]
|
Yi
|
0
|
см
|
|
Максимальная
абсцисса ядрового расстояния
|
Y+
|
7.00665
|
см
|
|
Минимальная
абсцисса ядрового расстояния
|
Y-
|
7.00665
|
см
|
|
Главный
момент инерции относительно оси Z
|
Iz
|
1.31907e+006
|
см4
|
|
Статический
момент полусечения относительно оси Z
|
Sz
|
0
|
см3
|
|
Момент
сопротивления изгибу относительно оси Z (Y+)
|
Wz+
|
32976.8
|
см3
|
|
Момент
сопротивления изгибу относительно оси Z (Y-)
|
Wz-
|
32976.8
|
см3
|
|
Главный
радиус инерции относительно оси Z
|
Rz
|
16.7412
|
см
|
|
Интеграл
по площади integral[y·(y^2+z^2)/Iz·dF]
|
Zi
|
0
|
см
|
|
Максимальная
ордината ядрового расстояния
|
Z+
|
39.0904
|
см
|
|
Минимальная
ордината ядрового расстояния
|
Z-
|
34.1968
|
см
|
|
ЖЕСТКОСТНЫЕ
ХАРАКТЕРИСТИКИ:
|
|
Осевая
жесткость
|
EF
|
9.88365e+006
|
т
|
|
Изгибная
жесткость относительно оси Y
|
EIy
|
т·м2
|
|
Изгибная
жесткость относительно оси Z
|
EIz
|
277005
|
т·м2
|
|
Жесткость
на кручение
|
GIt
|
0
|
т·м2
|
|
Секториальная
жесткость
|
EIw
|
0
|
т·м4
|
|
Сдвиговая
жесткость относительно оси Y
|
GFy
|
0
|
т
|
|
Сдвиговая
жесткость относительно оси Z
|
GFz
|
0
|
т
|
|
Погонная
масса
|
g
|
1.17663
|
т/м
|
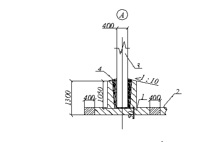
6. Выполнение лестничного чертежа высотой 7 м к
проекту «Мост через реку Актасты»
В ходе этого задания мною был выполнен
лестничный сход при высоте насыпи 7 м. На следующий рисунках, т.е. на рис. 11,
я хочу показать одну из опор лестницы и на рис. 12 ее ступень.
Рис. 11. Опора под лестницу
Рис. 12. Ступень
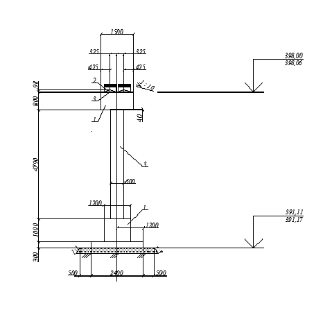
. Выполнение чертежа водосброса воды к проекту
«Мост через реку Актасты»
.07 я приступил к выполнению задания: «Водосброс
воды» к проекту «Мост через реку Актасты». Водосброс нуден для отвода воды от
моста, чтобы не мешать выполнению его функции и чтобы не создавать помех при
его эксплуатации. На рис. 13 показан план водосброса. А на рис. 14 показана его
спецификация.
Рис.13. План водосброса
Рис. 14. Спецификация к водосбросу
Заключение
С прохождения производственной практики я
почерпнул очень много знаний, усовершенствовал владение такими программами как AutoCAD
и ЛИРА. Конечно же, это не весь перечень выполненных мною работ. Также я выполнял
иные задания, к примеру, в ходе одной из повторных поездок на обследование
мостов на а/д Тургень - Обсерватория получил новые знания в гидрологии и
геодезии. Так как мы обследовали мосты вместе, всегда приятно сотрудничать с
настоящими профессионалами. После прохождения меня взяли на постоянной основе,
что не может не радовать, к тому же я буду получать еще больший опыт. А также
после получения диплома, станут неотъемлемой частью этой дружной компании и
приложу все усилия для того, чтобы стать настоящим специалистом, профессионалом
в своем деле.