Разработка технологии исследования многопластовых месторождений нефти на примере Приобского месторождения

  • Вид работы:
    Дипломная (ВКР)
  • Предмет:
    Геология
  • Язык:
    Русский
    ,
    Формат файла:
    MS Word
    2,37 Мб
  • Опубликовано:
    2014-05-13
Вы можете узнать стоимость помощи в написании студенческой работы.
Помощь в написании работы, которую точно примут!

Разработка технологии исследования многопластовых месторождений нефти на примере Приобского месторождения

Федеральное агентство по образованию

государственное образовательное учреждение высшего профессионального образования

«ТЮМЕНСКИЙ ГОСУДАРСТВЕННЫЙ НЕФТЕГАЗОВЫЙ УНИВЕРСИТЕТ»

Институт Нефти и газа

Кафедра «Разработка и эксплуатация нефтяных месторождений»




ПОЯСНИТЕЛЬНАЯ ЗАПИСКА

к дипломному проекту на тему:

Разработка технологии исследования многопластовых месторождений нефти на примере Приобского месторождения


Дипломник: Кривова Н.Р.

Руководитель: Стрекалов А.В.

Консультанты: Кугаевская Е.В.

Багабиев Р.Р.





Тюмень, 2013 г

Содержание

Задание по дипломному проектированию

Введение

1. Общая часть

1.1 Характеристика района работ

1.2 История освоения района       

2. Геологическая часть        

2.1 Литолого - стратиграфический разрез

2.2 Тектоническое строение

2.3 Нефтеносность

2.4 Характеристика продуктивных пластов

2.5 Физико-химические свойства пластовых флюидов

2.6 Геолого - физическая характеристика объекта АС10 южной части Приобского месторождения

3. Технологическая часть

3.1 Текущее состояние разработки объекта АС10 южной части Приобского месторождения по состоянию на 01.07.2005 года

3.1 Характеристика фонда скважин и показатели их эксплуатации

3.3 Энергетическое состояние южной части залежи АС10        

3.4 Оценка извлекаемых и трудноизвлекаемых запасов

4. Техническая часть

4.1 Конструкции скважин и выбор обсадных колонн

4.2 Устьевое оборудование скважин

4.3 Глубинно - насосное оборудование скважин Приобского месторождения

4.4 Характеристика системы заводнения        

4.5 Объекты подготовки

5. Специальная часть

5.1 Разработка технологии исследования многопластовых месторождений нефти

5.2 Интерпретация трассерных исследований на объектах АС10 и АС12 южной части Приобского месторождения

5.2.1 Интерпретация результатов закачки трассера тринатрийфосфата от скважины 477Р

5.2.2 Интерпретация результатов закачки трассера роданистого аммония от скважины 12277

5.2.3 Интерпретация результатов закачки трассера флуоресцеина натрия от скважины 15994

5.2.4 Интерпретация результатов закачки трассера эозина от скважины 15994

5.2.5 Интерпретация результатов закачки трассера карбамида от скважины 15961

5.2.6 Методика интерпретации индикаторных исследований

5.3 Рекомендации по совершенствованию разработки пластов южной части Приобского месторождения на основе трассерных исследований       

5.3.1 Технология для одновременно-раздельной закачки (ОРЗ) воды с возможностью регулирования расхода воды по трем объектам (пластам)

5.3.2 Принципы по воздействию на пласт      

5.3.3 Обоснование использования методов повышения нефтеотдачи

5.3.4 Технология интенсификации притока нефти из заглинизированных и низкопроницаемых коллекторов

5.3.5 Комплексная технология ограничения водопритока и интенсификации притока нефти

5.4 Обоснование выбора моделей для прогнозирования основных технологических показателей разработки      

5.5 Анализ эффективности внедрения технологии одновременно-раздельной разработки нескольких эксплуатационных объектов        

6. Технико - экономические показатели

6.1 Расчет показателей экономической эффективности ОПЗ

6.2 Анализ чувствительности проекта к риску

7. Безопасность и экологичность проекта

7.1 Основные законодательные и нормативные акты, регулирующие трудовые отношения, регламентирующие условия труда и безопасность на производстве

7.2 Основные чрезвычайные ситуации техногенного характера

7.2.1 Характеристика наиболее вероятных ЧС техногенного характера возникающих на территории предприятия

7.2.2 Чрезвычайные ситуации, вызванные террористическими актами

7.3. Чрезвычайные ситуации, вызванные природными явлениями

7.4 Мероприятия по предотвращению, ликвидации и снижению последствий чрезвычайных ситуаций техногенного и природного характера

7.4.1 Мероприятия, направленные на предотвращение, ликвидацию и снижение последствий чрезвычайных ситуаций техногенного характера

7.4.2. Мероприятия, направленные на предотвращение, ликвидацию и снижение последствий чрезвычайных ситуаций природного характера  

7.5 Влияние технологических процессов ООО «Сибнефть - Хантос» на экологическое состояние прилегающей территории     

Заключение

Литература

Введение

месторождение нефть скважина

Россия занимает одно из лидирующих в мире мест по объему запасов нефти. Предприятия нефтяного комплекса совместно с другими отраслями топливо-энергетического комплекса составляют основу жизнеобеспечения всех отраслей экономики России и располагают всеми возможностями для устойчивой и высокоэффективной деятельности на принципах самофинансирования. Имеется устойчивая тенденция к снижению объема добычи нефти и нефтепродуктов, что может привести к необратимым изменениям в энергетическом балансе страны.

Многолетняя практика разработки нефтяных месторождений показывает, что при разработке пластов со сложным геологическим строением (неоднородными нефтенасыщенными коллекторами, как по мощности, так и по площади залегания) значительные запасы не вовлекаются в разработку. Сложно-построенные коллектора месторождений неоднородны по проницаемости, разрезу и литологическому составу. Это приводит к образованию многочисленных застойных зон с запасами нефти, которые при существующей системой разработки полностью в работу не вовлекаются. Неравномерное обводнение продуктивных пластов, вызванное прорывом воды по наиболее высокопроницаемым участкам, является причиной отбора больших объемов попутной воды, которая закачивается через нагнетательные скважины и отбирается через добывающие, не производя при этом полезной работы по нефтевытеснению.

Современные требования к информативности, точности и достоверности получаемых результатов требуют применения способа, позволяющего эффективно решать задачи по контролю за перемещением нагнетаемой в пласт воды, получать информацию о продвижении жидкости не только у забоев скважин, что обеспечивается геофизическими методами, но и в межскважинном пространстве. Такую информацию можно получить

методом прослеживания (трассирования) фильтрации пластовых жидкостей с помощью индикаторов.

Целью дипломного проекта является разработка и внедрение модифицированной технологии трассерных (индикаторных) исследований фильтрационных характеристик залежи и проведение анализа разработки объекта АС10 южной части Приобского месторождения с выдачей рекомендаций по повышению нефтеотдачи данного объекта.

1. Общая часть

.1 Характеристика района работ

Лицензионная территория Приобского месторождения ("Приобский блок" или "Приобское месторождение"), занимает площадь 5446 км 2 (1,3 миллиона акров) и находится на расстоянии 65 км восточнее Ханты-Мансийска и 100 км западнее города Нефтеюганска. На рис. 1.1. приведена обзорная карта района работ.

Лицензионная территория Приобского месторождения находится в пределах административной юрисдикции Ханты-Мансийского района Ханты-Мансийского автономного округа. Наиболее крупные города вблизи месторождения - Ханты-Мансийск, Нефтеюганск и Сургут. Поселки Баяны, Добрино, Тыюли, Мануйлово и Реполово находятся в пределах Южной лицензионной территории. Вблизи Приобского месторождения расположены следующие крупные месторождения, находящиеся в стадии разработки:

Приразломное (к юго-востоку от Приобского месторождения),

Салымское (в 20 км к востоку),

Правдинское (в 57 км к юго-востоку).

Опытный эксплуатационный участок Приобского месторождения соединен двумя трубопроводами с ЦПП на месторождении Приразломное. Далее по сети трубопроводов нефть подается в трубопроводную систему "ТРАНСНЕФТЬ". Трубопроводов на ЮЛТ не имеется.

Приобское месторождение находится приблизительно на 61° северной широты; климат - резко-континентальный, характеризующийся долгими, холодными и снежными зимами и коротким, но теплым летом. Январь считается наиболее холодным месяцем со средним уровнем температуры минус 19,5°С и низким уровнем, доходящим до минус 52°С. Июль - это наиболее теплый месяц со среднемесячной температурой на уровне плюс 17°С и высоким уровнем температуры, доходящим до плюс 33°С. В среднем за год выпадает 500-550 мм осадков, в основном в летнее, теплое время года. Снег лежит с конца октября по июнь; толщина снежного покрова составляет от 0,7 до 1,5 м и глубина промерзания грунта - от 1 до 1,5 м. Вода стоит на заболоченных участках поймы весной и осенью, а лед, толщина которого является достаточной для перемещения буровых станков, устанавливается к концу января.

На Лицензионной территории Приобского месторождения вечная мерзлота не выходит на поверхность, однако, в близлежащих районах были замечены отдельные линзы вечной мерзлоты на глубинах до 220 м. Считается, что присутствие тонких захороненных линз вечной мерзлоты не потребует внесения изменений в конструкции скважин или в программу буровых работ.


 

Готовящиеся к эксплуатации

 

Месторождения газа

 

Нефтегазоносный бассейн (часть Западно-Сибирской нефтегазоносной провинции)

Начало разработки нефтегазовых месторождений (в годах)

 

Позднее 2000

 

С 1991 по 2000

 

С 1980 по 1990

 

Ранее 1980

Рис. 1.1. Обзорная карта района работ

1.2 История освоения района

Первые геолого-геофизические работы на Приобском месторождении представляли собой съемки MOB в масштабе 1:50 000. Разведочное бурение началось в 1967 году, хотя первые результаты были отрицательными. Месторождение открыто в 1982 г. скважиной 151, находящейся на расстоянии 60 км к северо-востоку от г. Ханты-Мансийска. При испытании этой скважины-первооткрывательницы на сейсмически выявленной структуре были получены притоки нефти из юрских отложений тюменской свиты (Ю2) с дебитом 14,2 м3/сут при диаметре штуцера 4 мм из интервала 2885-2977 м. С другого интервала неокомских отложений АС11, с интервала глубин 2463-2467 м был получен приток с дебитом 5,9 м /сут.

Это открытие повлекло за собой проведение бурения нескольких дополнительных скважин с целью опоискования юрских и нижнемеловых горизонтов (баженовская, тюменская, ахская и черкашинская свиты). В 1983 г. были пробурены три разведочные скважины: № 175 на юго-западе, № 171 на юго-востоке и № 174 на западе. Хотя результаты скважин №№ 174 и 175 по баженовской свите были отрицательны, скважина №175 дала приток с дебитом 3,2 м3/сут из горизонта АС10 (интервал 2419-2423 м).

В 1984-1985 годах было подтверждено, что объекты поисково-разведочных работ на Приобском месторождении находятся в основном в интервалах готеривских и барремских пород, в связи с неудачными предыдущими работами на баженовскую свиту. Скважина № 176 дала приток нефти с дебитом 2,37 м3/сут и 5,4 м3/сут из интервалов в пределах АС11 (2603-2618 м). Скважина № 179 определила восточную границу по горизонту АС и путем успешного опробования 2618-2624 м. Она также подтвердила промышленное значение и расширила продуктивную площадь горизонта АС10 путем опробования интервала 2446-2457 м, при котором был получен дебит 13,1 м3/сут.

Разведочные скважины, пробуренные в последующие годы, были в основном оконтуривающими и бурились с целью определения геометрии, пространственного распространения и связи между открытыми неокомскими залежами. В 1985 г. была пробурена и опробована скважина №180, в результате чего был получен дебит 25,9 м3/сут из горизонта АС10 (интервал 2387-2392 м). Последующие скважины №№ 239 и 230 оконтурили северную и восточную границы этой залежи. Наличие горизонта АС и было установлено в скважинах №№ 180, 185, 230, 248, 243, 236, 234, 232, 239, 244 и 261. В 1986 г. скважина № 243 открыла нефть в горизонте АС7, которая затем была подтверждена скважинами №№ 237 и 251. Позже скважина № 414 открыла нефть в горизонте АС9.

Начальная стадия разведочных работ на Приобском месторождении была успешно завершена, в результате чего получены следующие результаты:

выявлены промышленные залежи нефти в неокомских отложениях (горизонты с АС10 по АС12);

обнаружены залежи нефти в юрских отложениях тюменской свиты;

установлена невысокая перспективность трещиноватого коллектора баженовской свиты в пределах Приобского месторождения.

К 1996 г. на площади Приобского месторождения было пробурено примерно 220 разведочных и свыше 500 эксплуатационных скважин, причем все эксплуатационные скважины находятся на Северной лицензионной территории. На Южной лицензионной территории было пробурено около 90 разведочных скважин и проведено 2000 км 2-мерной сейсмосъемки.

2. Геологическая часть

Для района, на котором располагается Приобское месторождение, характерны подзолистые глинистые почвы на сравнительно возвышенных участках и торфянисто-подзолисто-иловые и торфяные почвы на заболоченных участках местности. В пределах равнин аллювиальные почвы речных терасс в основном песчанистые, местами глинистые [1].

Район находится в зоне разобщённого залегания приповерхностных и реликтовых многолетнемёрзлых пород. Приповерхностные мёрзлые грунты залегают на водоразделах под торфяниками. Толщина их контролируется уровнем грунтовых вод и достигает 10-15 м, температура постоянная и близка к 0 градусов °С.

На сопредельных территориях (на Приобском месторождении мерзлые породы не изучены) ММП залегают на глубинах от 140-180 м (Лянторское месторождение). Мощность ММП составляет 15-40 м, реже более. Мерзлыми являются чаще нижняя, более глинистая, часть новомихайловской и незначительная часть атлымской свит.

.1 Литолого - стратиграфический разрез

Геологический разрез Приобского месторождения сложен мощной толщей (более 3000м) терригенных отложений осадочного чехла мезо-кайнозойского возраста, залегающих на породах доюрского комплекса, представленных корой выветривания.

Доюрские образования (Pz)

В разрезе доюрской толщи выделяется два структурных этажа. Нижний, приуроченный к консолидированной коре, представлен сильно дислоцированными графит-порфиритами, гравелитами и метаморфизованными известняками. Верхний этаж, выделяемый как промежуточный комплекс, составляют менее дислоцированные эффузивно-осадочные отложения пермо-триасового возраста толщиной до 650м.

Юрская система (J)

Юрская система представлена всеми тремя отделами: нижним, средним и верхним. В ее составе выделяются тюменская (J1+2), абалакская и баженовская свиты (J3).

Отложения тюменской свиты залегают в основании осадочного чехла на породах коры выветривания с угловым и стратиграфическим несогласием и представлены комплексом терригенных пород глинисто-песчано-алевролитового состава.

Толщина отложений тюменской свиты изменяется от 40 до 450м. В пределах месторождения они вскрыты на глубинах 2806-2973м. Отложения тюменской свиты согласно перекрываются верхнеюрскими отложениями абалакской и баженовской свит. Абалакская свита сложена темно-серыми до черного цвета, участками известковистыми, глауконитовыми аргиллитами с прослоями алевролитов в верхней части разреза. Толщина свиты колеблется от 17 до 32 м.

Отложения баженовской свиты представлены темно-серыми, почти черными, битуминозными аргиллитами с прослоями слабоалевритистых аргиллитов и органогенно-глинисто-карбонатных пород. Толщина свиты составляет 26-38 м.

Меловая система (K)

Отложения меловой системы развиты повсеместно представлены верхним и нижним отделами.

В составе нижнего отдела снизу вверх выделяются ахская, черкашинская, алымская, викуловская и ханты-мансийская свиты, а в верхнем ханты-мансийская, уватская, кузнецовская, березовская и ганькинская свиты.

Нижняя часть ахской свиты (K1g) представлена в основном аргиллитами с подчиненными маломощными прослоями алевролитов и песчаников, объединенных в ачимовскую толщу.

В верхней части ахской свиты выделяется выдержанная пачка тонкоотмученных, темно-серых, приближающихся к серым пимских глин.

Общая толщина свиты изменяется с запада на восток от 35 до 415м. В разрезах расположенных восточнее к этой толще приурочены группа пластов БС1-БС12.

Разрез черкашинской свиты (K1g-br) представлен ритмичным чередованием серых глин, алевролитов и алевритистых песчаников. Последние, в пределах месторождения, так же как и песчаники, являются промышленно нефтеносными и выделяются в пласты АС7,АС9,АС10,АС11,АС12. Толщина свиты изменяется от 290 до 600 м.

Выше залегают темно-серые до черных глины алымской свиты (K1a), в верхней части с прослоями битуминозных аргиллитов, в нижней - алевролитов и песчаников. Толщина свиты изменяется от 190 до 240м. Глины являются региональной покрышкой для залежей углеводородов всей Среднеобской нефтегазоносной области.

Викуловская свита (K1a-al) состоит из двух подсвит.

Нижняя - преимущественно глинистая, верхняя - песчано-глинистая с преобладанием песчаников и алевролитов. Для свиты характерно присутствие растительного детрита. Толщина свиты колеблется от 264 м на западе до 296 м на северо-востоке.

Ханты-Мансийская свита (K1a-2s) представлена неравномерным переслаиванием песчано-глинистых пород с преобладанием первых в верхней части разреза. Породы свиты характеризуются обилием углистого детрита. Толщина свиты варьирует от 292 до 306 м.

Уватская свита (K2s) представлена неравномерным переславиванием песков, алевролитов, песчаников. Для свиты характерно наличие обугленных и ожелезненных растительных остатков, углистого детрита, янтаря. Толщина свиты 283-301 м.

Берцовская свита (K2k-st-km) подразделяется на две подсвиты. Нижнюю, состоящую из глин, серых монтмореллонитовых, прослоями опоковидных толщиной от 45 до 94 м, и верхнюю, представленную глинами серыми, темно-серыми, кремнистыми, песчанистыми, толщиной 87-133 м.

Ганькинская свита (K2mP1d) состоит из глин серых, зеленовато-серых переходящих в мергели с зернами глауконита и конкрециями сидерита. Ее толщина - 55-82м.

Палеогеновая система (P2)

Палеогеновая система включает в себя породы талицкой, люлинворской, атлымской, новомихайловской и туртасской свит. Первые три представлены морскими отложениями, остальные - континентальными.

Талицкая свита сложена толщей глин темно-серых, участками алевритистых. Встречаются перитизированные растительные остатки и чешуйки рыб. Толщина свиты 125-146 м.

Люлинворская свита представлена глинами желтовато-зелеными, в нижней части разреза часто опокоидные с прослоями опок. Толщина свиты 200-363 м.

Тавдинская свита завершающая разрез морского палеогена выполнена глинами серыми, голубовато-серыми с прослоями алевролита. Толщина свиты 160-180 м.

Атлымская свита сложена континентальными аллювиально-морскими отложениями, состоящими из песков, серых до белых, преимущественно кварцевыми с прослоями бурого угля, глин и алевролитов. Толщина свиты 50-60 м.

Новомихайловская свита - представлена неравномерным переслаиванием песков, серых, мелкозернистых, кварцево-полевошпатовыми с глинами и алевролитами серыми и коричневато-серыми с прослоями песков и бурых углей. Толщина свиты не превышает 80 м.

Туртасская свита состоит из глин и алевролитов зеленовато-серых, тонкослоистых с прослоями диатомитов и кварцево-глауконитовых песков. Толщина свиты 40-70 м.

Четвертичная система (Q)

Присутствует повсеместно и представлена в нижней части чередованием песков, глин, суглинками и супесями, в верхней - болотными и озерными фациями - илами, суглинками и супесями. Общая толщина составляет 70-100 м. Литолого - стратиграфический разрез представлен на рисунке 2.1

Рис. 2.1. Стратиграфическая колонка Приобского месторождения

.2 Тектоническое строение

Приобская структура располагается в зоне сочленения Ханты-Мансийской впадины, Ляминского мегапрогиба, Салымской и Западно-Лемпинской групп поднятий. Структуры первого порядка осложнены валообразными и куполовидными поднятиями второго порядка и отдельными локальными антиклинальными структурами, являющимися объектами проведения поисковых и разведочных работ на нефть и газ.

Современный структурный план доюрского основания изучен по отражающему горизонту «А». На структурной карте по отражающему горизонту «А» находят отображение все структурные элементы. В юго-западной части района - Селияровское, Западно-Сахалинское, Светлое поднятия. В северо-западной части - Восточно-Селияровское, Крестовое, Западно-Горшковское, Южно-Горшковское, осложняющие восточный склон Западно-Лемпинской зоны поднятия. В центральной части - Западно-Сахалинский прогиб, восточнее его Горшковское и Сахалинское поднятия, осложняющие соответственно Средне-Ляминский вал и Сахалинский структурный нос.

По отражающему горизонту «Дб», приуроченному к кровле быстринской пачки прослеживаются Приобское куполовидное поднятие, Западно-Приобское малоамплитудное поднятие, Западно-Сахалинская, Новообская структуры. На западе площади оконтуривается Ханты-Манийское поднятие. Севернее Приобского поднятия выделяется Светлое локальное поднятие. В южной части месторождения в районе скв. 291 условно выделяется Безымянное поднятие. Восточно-Селияровская приподнятая зона в исследуемом районе оконтуривается не замкнутой сейсмоизогипсой - 2280 м. Вблизи скв.606 прослеживается малоамплитудная изометричная структура. Селияровская площадь покрыта редкой сетью сейсмических профилей, на основе которой можно условно прогнозировать положительную структуру. Селияровское поднятие подтверждается структурным планом по отражающему горизонту «Б». В связи со слабой изученностью западной части площади, сейсморазведкой, севернее Селияровской структуры, условно, выделяется куполовидное безымянное поднятие.      

2.3 Нефтеносность

На Приобском месторождении этаж нефтеносности охватывает значительные по толщине отложения осадочного чехла от среднеюрского до аптского возраста и составляет более 2,5км.

Непромышленные притоки нефти и керн с признаками углеводородов получены из отложений тюменской (пласты Ю1 и Ю2) и баженовской (пласт Ю0) свит. Из-за ограниченного числа имеющихся геолого-геофизических материалов, строение залежей к настоящему времени не достаточно обосновано.

Промышленная нефтеносность установлена в неокомских пластах группы АС, где сосредоточено 90% разведанных запасов. Основные продуктивные пласты заключены между пимской и быстринской пачками глин. Залежи приурочены к линзовидным песчаным телам, сформировавшихся в шельфовых и клиноформных отложениях неокома, продуктивность которых не контролируется современным структурным планом и определяется практически только наличием в разрезе продуктивных пластов-коллекторов. Отсутствие при многочисленных испытаниях в продуктивной части разреза пластовой воды доказывает, что залежи нефти, связанные с пластами этих пачек, представляют собой замкнутые линзовидные тела, полностью заполненные нефтью, а контуры залежей для каждого песчаного пласта определяются границами его распространения. Исключение составляет пласт АС7, где получены притоки пластовой воды из песчаных линз, заполненных водой.

В составе продуктивных неокомских отложений выделено 9 подсчетных объектов: АС123, АС122, АС112-4, АС111, АС110, АС101-2, АС100, АС9, АС7.

Залежи пластов АС7, АС9 промышленного интереса не представляют.

Геологический профиль представлен на рис. 2.2.

Рис. 2.2. Геологический профиль Приобского месторождения

.4 Характеристика продуктивных пластов

Основные запасы нефти на Приобском месторождении сосредоточены в отложения неокомского возраста. Особенностью геологического строения залежей, связанных с неокомскими породами является то, что они имеют мегакосослоистое строение, обусловленное формированием их в условиях бокового заполнения достаточно глубоководного морского бассейна (300-400м) за счёт выноса обломочного терригенного материала с востока и юго-востока. Формирование неокомского мегакомплекса осадочных пород происходило в целой серии палеогеографических условий: котинентального осадконакопления, прибрежно-морского, шельфового и очень замедленного осаждения осадков в открытом глубоком море.

По мере продвижения с востока на запад происходит наклон (по отношению к баженовской свите, являющейся региональным репером) как глинистых выдержанных пачек (зонального репера), так и содержащихся между ними песчано-алевролитных пород.

Согласно определениям, выполненным специалистами ЗапСибНИГНИ по фауне и споропыльце, отобранным из глин в интервале залегания пимской пачки, возраст этих отложений оказался готеривским. Все пласты, что находятся выше пимской пачки. Проиндексированы как группа АС, поэтому и на Приобском месторождении пласты БС1-5 были переиндексированы на АС7-12.

При подсчёте запасов в составе мегакомплекса продуктивных неокомских отложений выделено 11 продуктивных пластов: АС12/3, АС12/1-2, АС12/0, АС11/2-4, АС11/1, АС11/0,АС10/2-3, АС10/1, АС10/0, АС9, АС7.

Пачка продуктивных пластов АС12 залегает в основании мегакомплекса и является наиболее, с точки зрения формирования, глубоководной частью. В составе выделено три пласта АС12/3, АС12/1-2, АС12/0, которые разделяются между собой относительно выдержанными на большей части площади глинами, мощность которых колеблется от 4 до 10 м.

Залежи пласта АС12/3 приурочены к моноклинальному элементу (структурному носу), в пределах которого отмечаются малоамплитудные поднятия и впадины с зонами перехода между ними.

Основная залежь АС12/3 вскрыта на глубинах 2620-2755м и является литологически экранированной со всех сторон. По площади она занимает центральную терассовидную, наиболее приподнятую часть структурного носа и ориентирована с юго-запада на северо-восток. Нефтенасыщенные толщины изменяются от 12,8м до 1,4м. Дебиты нефти составляют от 1,02 м3/сут, Нд=1239м до 7,5 м3/сут при Нд=1327м. Размеры литологически экранированной залежи составляют 25,5км на 7,5 км, высота 126 м.

Залежь АС12/3 вскрыта на глубинах 2640 - 2707 м и приурочена к Ханты-Мансийскому локальному поднятию и зоне его восточного погружения. Залежь контролируется со всех сторон зонами замещения коллекторов. Дебиты нефти невелики и составляют при различных динамических уровнях 0,4-8,5 м3/сут. Наиболее высокая отметка в сводовой части фиксируется на -2640 м, а наиболее низкая в (-2716 м). Размеры залежи 18 на 8,5 км, высота 76м. Тип литологически экранированный.

Основная залежь АС12/1-2 является самой крупной на месторождении. Вскрыта на глубинах 2536-2728 м. Приурочена к моноклинали, осложнённой небольшими по амплитуде локальными поднятиями с зонами перехода между ними. С трёх сторон структура ограничена литологическими экранами и лишь на юге (к Восточно-Фроловской площади) коллектора имеют тенденцию к развитию. Нефтенасыщенные толщины изменяются в широком диапазоне от 0,8 до 40,6 м, при этом зона максимальных толщин (более 12 м) охватывает центральную часть залежи, а также восточную. Размеры литологически экранированной залежи 45 км на 25 км, высота 176 м.

В пласте АС12/1-2 вскрыты залежи 7,5 на 7 км, высотой 7 м и 11 на 4,5 км, высотой 9 м. Обе залежи литологически экранированного типа.

Пласт АС12/0 имеет меньшую по размерам зону развития. Основная залежь АС12/0 представляет собой линзообразное тело, ориентированное с юго-запада на северо-восток. Размеры ее 41 на 14 км, высота 187 м. Дебиты нефти изменяются от первых единиц м3/сут при динамических уровнях до 48 м3/сут.

Покрышка горизонта АС12 образована мощной (до 60 м) толщей глинистых пород.

Выше по разрезу залегает пачка продуктивных пластов АС11, в состав которой входят АС11/0, АС11/1, АС11/2, АС11/3, АС11/4. Три последних соединены в единый подсчетный объект, имеющий очень сложное строение как по разрезу, так и по площади. В зонах развития коллекторов, тяготеющих к присводным участкам, наблюдаются наиболее значительные толщины горизонта с тенденцией увеличения на северо-восток (до 78,6 м). На юго-востоке этот горизонт представлен лишь пластом АС11/2, в центральной части - пластом АС11/3, на севере - пластом АС11/2-4.

Основная залежь АС11/1 является второй по значению в пределах Приобского месторождения. Пласт АС11/1 развит в присводной части валообразного поднятия субмеридионального простирания, осложняющего моноклиналь. С трёх сторон залежь ограничена зонами глинизации, а на юге граница проведена условно. Размеры основной залежи 48 на 15 км, высота 112 м. Дебиты нефти изменяются от 2,46 м3/сут при динамическом уровне 1195 м до 11,8 м3/сут.

Пласт АС11/0 выявлен в виде изолированных линзовидных тел на северо-востоке и на юге. Толщина его от 8,6 м до 22,8 м. Первая залежь имеет размеры 10,8 на 5,5 км, вторая 4,7 на 4,1 км. Обе залежи литологически экранированного типа. Характеризуются притоками нефти от 4 до 14 м3/сут при динамическом уровне. Горизонт АС10 вскрыт почти всеми скважинами и состоит из трех пластов АС10/2-3, АС10/1, АС10/0.

Основная залежь АС10/2-3 вскрыта на глубинах 2427-2721 м и расположена в южной части месторождения. Тип залежи - литологически экранированный, размеры 31 на 11 км, высота до 292 м. Нефтенасыщенные толщины колеблются от 15,6 м до 0,8 м.

Основная залежь АС10/1 вскрыта на глубинах 2374-2492 м. Размеры залежи 38 на 13 км, высота до 120 м. Южная граница проводится условно. Нефтенасыщенные толщины изменяются от 0,4 до 11,8 м. Безводные притоки нефти составили от 2,9 м3/сут при динамическом уровне 1064 м до 6,4м3/сут.

Завершает разрез пачки пластов АС10 продуктивный пласт АС10/0, в пределах которого выявлено три залежи, расположенные в виде цепочки субмеридиального простирания.

Горизонт АС9 имеет ограниченное распространение и представлен в виде отдельных фациальных зон, располагающихся на северо-восточном и восточном участках структуры, а также в районе юго-западного погружения.

Завершает неокомские продуктивные отложения пласт АС7, который имеет мозаичную картину в размещении нефтеносных и водоносных полей.

Наибольшая по площади Восточная залежь вскрыта на глубинах 2291-2382 м. Ориентирована с юго-запада на северо-восток. Притоки нефти 4,9-6,7 м3/сут при динамических уровнях 1359 - 875 м. Нефтенасыщенные толщины изменяются от 0,8 до 67,8 м. Размеры залежи 46 на 8,5 км, высота 91 м.

Всего в пределах месторождения открыто 42 залежи. Максимальную площадь имеет основная залежь в пласте АС12/1-2 (1018 км2), минимальную (10 км2) - залежь в пласте АС10/1.Параметры продуктивных пластов в пределах эксплуатационного участка приведены в таблице 2.1

Таблица 2.1.

Параметры продуктивных пластов

Пласт

Средняя глубина, м

Средняя толщина

Открытая Пористость. %

Нефтенасыщенн.%

Коэффициент песчанистости

Расчлененност



Общая, м

Эффект, м





АС100

2529

10,2

1,9

17,6

60,4

0,183

1,8

АС101-2

2593

66,1

13,4

18,1

71,1

0,200

10,5

АС110

2597

20,3

1,9

17,2

57,0

0,091

2,0

АС111

2672

47,3

6,4

17,6

66,6

0,191

6,1

АС112-4

2716

235,3

4,9

17,6

67,2

0,183

4,5

АС122

2752

26,7

4,0

17,7

67,5

0,164

3,3

АС123-4

2795

72,8

12,8

18,0

69,8

0,185

9,3


.5 Физико-химические свойства пластовых флюидов

Пластовые нефти по продуктивным пластам АС10, АС11 и АС12 не имеют значительных различий по своим свойствам. Характер изменения физических свойств нефтей является типичным для залежей, не имеющих выхода на поверхность и окружённых краевой водой. В пластовых условиях нефти средней газонасыщенности, давление насыщения в 1,5 -2 раза ниже пластового (высокая степень пережатия).

Экспериментальные данные об изменчивости нефтей по разрезу эксплуатационных объектов месторождения свидетельствуют о незначительной неоднородности нефти в пределах залежей.

Нефти пластов АС10, АС11, и АС12 близки между собой, более лёгкая нефть в пласте АС11, молярная доля метана в ней 24,56 %, суммарное содержание углеводородов С2Н6 - С5Н12 - 19,85%. Для нефтей всех пластов характерно преобладание нормальных бутана и пентана над изомерами.

Количество лёгких углеводородов СН4 - С5Н12, растворённых в разгазированных нефтях, составляет 8,2-9,2%.

Нефтяной газ стандартной сепарации высокожирный (коэффициент жирности более 50), молярная доля метана в нём составляет 56,19 (пласт АС10)- 64,29 (пластАС12). Количество этана намного меньше, чем пропана, отношение С2Н6 /С3Н8 равно 0,6, что характерно для газов нефтяных залежей. Суммарное содержание бутанов 8,1-9,6%, пентанов 2,7-3,2%, тяжелых углеводородов С6Н14 + высшие 0,95-1,28%. Количество диоксида углерода и азота невелико, около 1%.

Разгазированные нефти всех пластов сернистые, парафинистые, малосмолистые, средней плотности.

Нефть пласта АС10 средней вязкости , с содержанием фракций до 350 С больше 55%, нефти пластов АС11 и АС12 вязкие, с содержанием фракций до 350 С от 45% до 54,9%.

Оценка параметров, обусловленных индивидуальными характеристиками нефтей и газов, выполнена в соответствии с наиболее вероятными условиями сбора, подготовки и транспорта нефти на месторождении.

Таблица 2.2.

Сопоставление средних значений пористости и проницаемости коллекторов пластов АС10-АС12 по керну и ГИС

Пласт

ГИС

Керн


Кол-во скважин

Кно, %

Кпр, мД

Кол-во скважин

Кол-во образцов

Кно, %

Кпр, мД

АС100

21

17.7

6.2

5

16

17.4

2.1

АС101-2

58

18.7

21.2

21

297

19.3

13.9

АС110

12

16.5

9.4

33

15

18.1

16.8

АС111

47

18.7

51.8

23

329

20.1

31.9

АС112-4

19

18.1

5.7

9

16

18.5

8.1

АС122

64

18.2

4.7

34

744

17.6

3.4

АС123-4

73

18.1

4.1

31

427

17.5

1.8


.6 Геолого - физическая характеристика объекта АС10 южной части Приобского месторождения

Основные геолого - физические параметры южной части объекта АС10 Приобского месторождения систематизированы по скважинам и приведены в таблице 2.3.

Пласт АС10 залегает равномерно на глубине абсолютной отметки - 2413,1 м и колеблется в интервале абсолютной отметки - 2330 - 2420 м. Он характеризуется четырьмя небольшими локальными поднятиями в районе скважин 15978, 12248, 477Р, 15962. Толщина пласта варьирует в диапазоне 2,6 - 23,6 м при среднем значении 11,0. На рис. 2.3 показана структурная карта по кровле.

Значение эффективной пористости достаточно высокое и составляет в среднем 17,1 % при минимальном и максимальном значениях соответственно 15,5 и 20,1 %.

Проницаемость коллектора относительно низкая по сравнению с другими разрабатываемыми объектами месторождений среднего Приобья и составляет в среднем 6,6 мД с существенным разбросом от 1 до 26,5 мД.

Нефтегазонасыщение на уровне 69,7 % сопоставим с аналогичными объектами.

Песчанистость прослеживается на уровне 0,24. Среднее число пропластков составляет 11, которое варьируется от 2 до 22. Пласт характеризуется высокой заглинизированностью, которая колеблется от 4,5 до 14 % при среднем значении 7,6 %.

На рис. 2.4. показана карта эффективных толщин.

Таким образом, пласт АС10 характеризуется ухудшенными фильтрационно-емкостными свойствами коллектора:

низкая проницаемость;

низкая гидропроводность;

высокая степень заглинизированности.

    Таблица 2.3.  Основные геолого - физические параметры южной части объекта АС10 Приобского месторождения

п/п

№ скв.

Значение параметров



Кпр, мД

h, м

Кнг, %

Nпр, шт

Кпесч, д.е.

Кглин, %

А.О., м

Кгп, д.е.

Рпл, атм.

1

12180

13,5

23,6

17

65

13

0,23

4,7

2384

0,160

410

2

12174

25

11,2

20,1

77,9

9

0,25

4,8

2387,7

0,141

139

3

12173

9

8,8

18,5

72

11

0,25

4,7

2384,3

0,040

192

4

15906

4,5

20

17

70,3

22

0,29

7

2377,6

0,045

208

5

15908

12

7,1

18,7

72,7

9

0,16

6,1

2385

0,043

410

6

12204

3,4

12,6

17

64,4

17

0,23

9,9

2390

0,022

415

7

12205

9

18

17

68

15

0,2

8

2376,7

0,081

155

8

12206

4

10,2

16,9

72

10

0,2

7,4

2382,2

0,021

144

9

15943

5

12,4

17,1

71,5

17

0,27

8,8

2398,6

0,031

127

10

15942

3

17,2

16,7

65,7

22

0,28

10

2384,2

0,026

182

11

15944

13

10,6

18,9

72,4

12

0,24

6,3

2403,1

0,069

186

12

12247

3

11,6

16,2

63

17

0,27

10,8

2381,2

0,017

176

13

12248

3

14,4

16,4

68

22

0,24

9,9

2377,3

0,022

171

14

12249

4

5,5

17,6

68

13

0,14

8

2394,9

0,011

410

15

15961

1

5,6

15,5

63,5

10

0,12

11,7

2383

0,003

380

16

15962

3

6,2

18,1

74,1

8

0,16

6,3

2400,4

0,009

160

17

12267

7

11,6

17,7

74,1

10

0,23

6,6

2378,6

0,041

162

18

12268

2,3

9

16,1

66,2

13

0,25

12,1

2412

0,010

86

19

12275

3

5,4

16,1

68

8

0,15

7

2400

0,008

188

20

12277

2,3

11,2

16,4

67,9

12

0,28

7,7

2402

0,013

320

21

12278

9

13,2

16,3

68,7

14

0,24

6,8

2402

0,060

184

22

15977

4

19,6

16,7

69,4

17

0,46

6,2

2407,6

0,039

172

23

15978

1,9

12,9

17,6

62,3

13

0,37

7,4

2382,3

0,012

173

24

15979

5

8,4

17,1

66

12

0,2

8,3

2319,5

0,021

170

25

12297

26,5

17,2

20

79,1

4

0,42

5,6

2400,1

0,229

134

26

12313

12

14

18,2

77,5

7

0,36

7,1

2398,9

0,084


27

12298

7

5,4

17,9

72

7

0,13

6,6

2391,5

0,019

180

28

12312

8,7

23

17,7

74,2

13

0,57

8,6

2410,8

0,101

131

29

12314

3,7

2,6

16,1

47,3

2

0,19

2383,3

0,005

84

30

12315

6

6,8

18,1

71,1

7

0,19

6,5

2378,9

0,021

160

31

477

7

20,5

17,9

72,1

10

0,2

7

2380

0,072

385

32

12326

1

10,2

17,9

73,1

13

0,22

7,5

2385

0,005

410

п/п

№ скв.

Значение параметров

 



Кпр, мД

h, м

m эф., %

Кнг, %

Nпр, шт

Кпесч, д.е.

Кглин, %

А.О., м

Кгп, д.е.

Рпл, атм.

 

33

12327

8,6

14

17,7

74

20

0,24

8,5

2413,1

0,061

207

 

34

15994

5

8,6

15,9

67

9

0,21

14

2389,5

0,022


 

35

12330

8

7,2

17,4

77

5

0,17

4,5

2381,2

0,029

101

 

36

12328

4,2

10,2

16,7

66,9

10

0,34

9,2

2402,1

0,022

134

 

37

12344

14

12

18,8

75,2

15

0,22

6,2

2410,6

0,084

311

 

38

12347

6,1

9

18,5

80,9

4

0,08

7,7

2388,1

0,028

407

 

39

16011

1,3

1,4

16,8

67,6

11

0,28

8,6

2405,2

0,001

116

 

40

16013

9,4

10

18,1

72,5

11

0,25

6,9

2392,7

0,047

169

 

41

16014

1

12,2

18

71,1

6

0,34

7,5

2385,9

0,006

120

 

42

472

2

10,5

2

68,9

5

0,33

8

2384

0,011

230

 

43

12378

6

9

17,2

67,7

5

0,31

8,4

2383,7

0,027

173

 

44

12391

3

12,2

16,9

64,8

13

0,24

7,4

2406,7

0,018

142

 

45

12393

9

4,6

17,3

72,8

5

0,12

6

2397,9

0,021

113

 

46

16044

6

7,8

16,8

69,3

9

0,21

6,9

2409,5

0,024

88

 

47

478

6,5

7,3

17,1

64

8

0,2

6,6

2420

0,024

131

 

48

12436

7

6,8

17,4

67,8

5

0,17

6,3

2430,5

0,024

107

 

Среднее значение

6,6

11,0

17,1

69,7

11,0

0,24

7,6

2392,2

0,040

167

 

Минимальное значение

1

2,6

15,5

47,3

2

0,12

4,5

2376,7

0,001

86

 

Максимальное значение

26,5

23,6

20,1

80,9

22

0,57

14

2413,1

0,229

410

 

Примечание: Кнг - нефтегазонасыщение;пр - количество пропластков;

Кпесч - коэффициент песчанистости;

Кглин - коэффициент глинистости;

А.О. - абсолютные отметки;

Кгп - коэффициент гидропроводности;

Кнг - нефтегазонасыщение.

Рис. 2.3.

Рис. 2.4.

3. Технологическая часть

.1 Текущее состояние разработки объекта АС10 южной части Приобского месторождения по состоянию на 01.07.2005 года

Объект АС10 находится в начальной стадии разработки и интенсивно разрабатывается:

происходит нарастание добычи нефти, этот показатель достиг 120,8 тыс. т/ месяц;

низкая обводненность продукции (28,7 % на 01.03.05 г., 19,4 % на 01.07.05 г.).

По состоянию на 01.07.05 г. из объекта добыто 2189,3 тыс.т нефти и 2549,3 тыс. т жидкости. Закачано 2456,3 тыс. т воды. Компенсация текущая и накопленная составила соответственно 67,9 % и 78,5 %. Динамика основных технологических показателей разработки представлена рис. 3.1. - 3.3.

Дебиты нефти и жидкости варьируют в довольно широком диапазоне соответственно 2,5 - 72 т/сут и 2,5 - 73,4 т/сут при средних значениях 38 т/сут и 42,5 т/сут.

Темпы отбора нефти (отношение текущей добычи нефти к разнице извлекаемых запасов и накопленной добычи нефти) от начальных извлекаемых и геологических запасов составляют соответственно 0,29 % и 0,067 %.

Текущее значение коэффициента нефтеизвлечения составляет 1,32 %.

На основе промыслового материала построены карты накопленной добычи по скважинам (рис. 3.4).

На рис. 3.5. показано распределение обводненности добывающей продукции по пласту. Не смотря на то, что среднее обводнение пласта достигло 19,4 %, прослеживаются высокообводненые зоны, особенно эта тенденция на уровне 80 - 90 % отмечается по линии скважин 12327 - 12313 - 15978 -12298 -16013 и в районе скважин 15962 и 12328. Очевидно, это обводнение сопряжено с фильтрацией закачиваемой воды по каналам НФС, которые образовываются за счет раскрытия динамо - напряженных зон пласта из - за высоких градиентов давления между нагнетательными и добывающими скважинами и массового применения ГРП. При этом отмечается вынос мех. примесей и образование устойчивых водо - нефтяных эмульсий..

Единственным методом снижения влияния каналов НФС на образование эмульсий и стабилизации (снижения) обводнения является тампонирование каналов НФС, т.е. создание в каналах НФС фильтрационного сопротивления.

Этот метод одновременно является способом повышения коэффициентов охвата и, соответственно, нефтеизвлечения.

Несмотряна интнсивное трещинообразование в пласте разработка южной части объекта АС10 ведется в более экономичном режиме, чем по проекту. На рис. 3.6. показана критериальная зависимость коэффициента нефтеизвлечения от обводненности продукции.

Рис. 3.1. Текущие показатели разработки объекта АС10 южной части Приобского месторождения

Рис. 3.2. Накопленные показатели разработки объекта АС10

Рис. 3.3. Динамика среднесуточных показателей разработки объекта АС10

Рис. 3.4. Карта накопленной добычи нефти объекта АС10

Рис. 3.5. Карта обводнения объекта АС10

Рис. 3.6. Критериальная зависимость коэффициента нефтеизвлечения от текущей обводненности объекта АС10

.1 Характеристика фонда скважин и показатели их эксплуатации

С начала разработки на объекте АС10 южной части Приобского месторождения было пробурено 164 скважины, из них 109 добывающих и 20 нагнетательных. Динамика эксплуатационного фонда скважин показана на рис. 3.7.

Рис. 3.7. Динамика эксплуатационного фонда скважин объекта АС10

На 1.07.2005 г. фонд добывающих скважин составил 117 единиц, в том числе 109 действующих, из них 2 фонтанных, 107 оборудованы установками электроцентробежных насосов (ЭЦН).

В добывающем фонде на 1.07.2005 г. числятся 117 скважин. Из них 109 действующих, 8 бездействующих, 7 в освоении, 12 ликвидировано, 6 скважин находится в консервации рис. 3.8.

Рис. 3.8. Характеристика добывающего фонда скважин 1.07.2005 г.

В нагнетательном фонде на 1.07.2005 г. числятся 47 скважин. Из них 20 действующих, 3 бездействующих и 4 находятся в освоении (см. рис. 3.9).

Рис. 3.9. Характеристика нагнетательного фонда скважин на 1.07.2005 г.

В нагнетательном фонде на 1.07.2005 г. числятся 47 скважин. Из них 20 действующих, 3 бездействующих и 4 находятся в освоении.

Распределение фонда добывающих скважин по текущим дебитам нефти следующее (рис. 3.10):

менее 10т/сут - 15% (16 скв.); от 10 до 30т/сут - 40% (41 скв.); от 30 до 50т/сут - 25% (26 скв.); от 50 до 100 /сут - 11% (12 скв.), более 100 т/сут - 5% (6 скв.). Средний дебит нефти - 41,6 т/сут.

Рис. 3.10. Распределение действующих добывающих скважин по текущим дебитам жидкости по состоянию на 1.07.2005 г.

Распределение действующих добывающих скважин по обводненности рис. 3.11:

менее 2% - 28% (30 скв.); от 2 до 20% - 50% (59 скв.); от 20 до 50% - 7% (8 скв.); от 50 до 90% - 6% (7 скв.); более 90 % - 2% (3 скв.). Средняя обводненность скважин составляет 19,4 %.

Рис. 3.11. Распределение действующих добывающих скважин по обводненности по состоянию на 1.07.2005 г.

Таким образом, на 01.07.2005 г. на южной части Приобского месторождения пробурено 164 скважины, из них действующий фонд: 109 добывающих и 20 нагнетательных скважин. Средний дебит скважин по нефти составляет 41,6 т/сут, средний дебит скважин по жидкости - 51,7 т/сут. Средняя обводненность продукции составляет 19,4 %.

.3 Энергетическое состояние южной части залежи АС10

С апреля 2002 г. залежь разрабатывалась на естественном режиме. С июня 2003 года для поддержания пластового давления в пласт закачивается сеноманская вода. Система заводнения - пятиточечная.

Для разработки продуктивных пластов Южной лицензионной территории Приобского месторождения выбран метод заводнения с целью достижения наиболее высоких уровней добычи нефти и коэффициента нефтеотдачи. Метод заводнения зарекомендовал себя особенно хорошо при разработке коллекторов с низкой проницаемостью, соответствующей диапазонам изменения проницаемостей, характерным для коллекторов Приобского месторождения. Используется пятиточечная схема расположения скважин, максимальная депрессия на забоях эксплуатационных скважин, закачка под давлением ниже или немного превышающим давление разрыва пласта, закачка обработанной воды, свойства которой совместимы с характеристиками пласта.

Не смотря на то, что месячная текущая компенсация колеблется от 77 до 114 %, накопленная компенсация достигла всего лишь 79,3 %. Вследствие этого произошло существенное снижение пластового давления с 26,0 МПа до 20,3 МПа. Если в зоне нагнетания пластовое давление в среднем составляет 36,0 МПа, то в зоне отбора оно составляет 15,7 МПа. Распределение пластового давления приведено на рис. 3.12.

Необходимо отметить, что в ряде скважин забойное и пластовое давление снизилось до критического (8,9 МПа) и ниже (скважины 12268, 12314, 16044). Снижение пластового и забойного давлений может привести к ряду осложнений:

разгазировании нефти в ПЗП, и соответственно, к её охлаждению за счет эффекта Джоуля - Томсона (дроссельный - эффект);

охлаждение ПЗП может привести к выпадению в ПЗП и стволе скважины тяжелых фракций нефти (смолы, асфальтены, высокотемпературокипящие парафины и т. д.);

выпадение в ПЗП тяжелых фракций нефти приводит к сужению каналов фильтрационных потоков и повышению турбулентности движущихся потоков нефти и воды, что в свою очередь обуславливает образование устойчивых эмульсий в ПЗП;

разгазирование нефти в ПЗП может привести к «срыву подачи» насосного оборудования и, соответственно, к уменьшению межремонтного периода насосного оборудования.

Рис. 3.12. Карта изобар объекта АС10 на 01.07.2005г.

.4 Оценка извлекаемых и трудноизвлекаемых запасов

Геологические запасы на объекте АС10 южной части Приобского месторождения оцениваются в размере 185450 тыс. т. Проектный КИН составляет 0,24, начальные извлекаемые запасы нефти оцениваются в размере 44440 [1].

В работе произведена оценка начальных извлекаемых запасов по характеристикам вытеснения Казакова А.А. (ΣQн=A+C·(ΣQж)^D, где А, С, D определяемые параметры) [2], Леонова В.А. (ΣQн= А + В × (Qж+C)^D +E × (Qж+F)^G, где: А, В, С, D, E, F, G - коэффициенты, определяемые по накопленным статистическим данным методом наименьших квадратов) и Вашуркина - Ревенко [2] на основе фактических показателей разработки. На рис. 3.13. приведены характеристики вытеснения (построенные по фактическим данным) и фактическая добыча нефти.

По характеристике вытеснения Казакова КИН оценивается в размере 0,152 (НИЗ = 28033 тыс. т, абсолютная погрешность при расчетах составила 5,7 %), по характеристике Леонова КИН = 0,137 (НИЗ = 25697 тыс. т, абсолютная погрешность при расчетах составила 1 %). Таким образом, проектный коэффициент нефтеотдачи в размере 0,24 не будет достигнут при существующей системе разработки и не превысит 0,14. При этом существенная часть извлекаемых запасов переходит в категорию трудноизвлекаемых (14874 тыс.т).

Проектные и расчетные параметры по КИН приведены в таблице 3.1, из которых можно сделать вывод, что проектные показатели могут быть не достигнуты и 9 % от проектных начальных извлекаемых запасов перейдут в категорию трудно извлекаемых.

На рис. 3.14 приведено сравнение структуры запасов по проекту и по фактическим показателям разработки объекта АС10 южной части Приобского месторождения.

Основные параметры по оценке запасов нефти объекта АС10 Приобского месторождения

Параметры

Проект

Значение по моделям

Среднее значение



Казакова ΣQн=A+C·(ΣQж)^D

Леонова ΣQн= А + В × (Qж+C)^D +E × (Qж+F)^G


Геологические запасы, тыс. т

184450




КИН проектный, %

24,0




НИЗ проектный, %

44440




Расчетные значения по факту, тыс. т


28033

25697

26865,4

КИН расчетный, %


15,2

13,7

14,45

Погрешность, %


5,7

1


Текущие фактические показатели

Накопленная добыча нефти, тыс. т

2189,3




Текущий КИН, %

1,32





Рис. 3.13. Характеристики вытеснения объекта АС10 южной части Приобского месторождения

Проект

Геологические запасы - 184450 тыс.т

НИЗ - 44440 тыс.т

КИН - 0,24

Рис. 3.14. Структура запасов объекта АС10 южной части Приобского месторождения

Выводы

Объект АС10 южной части Приобского месторождения находится в начальной стадии разработки;

По состоянию на 01.07.05 г. из объекта АС10 добыто 2189,3 тыс.т нефти и 2549,3 тыс. т жидкости;

Закачано 2456,3 тыс. т воды;

Компенсация текущая и накопленная составила соответственно 67,9 % и 78,5 %.

Обводненность продукции составила 19,4 %.

Текущее значение коэффициента нефтеизвлечения составляет 1,32 %;

На месторождения пробурено 164 скважины, из них действующий фонд: 109 добывающих и 20 нагнетательных скважин. Средний дебит скважин по нефти составляет 41,6 т/сут, средний дебит скважин по жидкости - 51,7 т/сут.

Пластовое давление с начала разработки залежи снизилось с 26,0 МПа до 20,3 МПа. В зоне нагнетания пластовое давление в среднем составляет 36,0 МПа, в зоне отбора оно составляет 15,7 МПа.

Оценка извлекаемых запасов показала, что 9 % от НИЗ перейдут в категорию трудноизвлекаемых запасов, что свидетельствует о необходимости применения геолого - технических мероприятий.

4. Техническая часть

.1 Конструкции скважин и выбор обсадных колонн

Основные технические характеристики и глубины спуска обсадных колонн в эксплуатационные скважины, бурение которых производится на Лицензионной территории Приобского месторождения:

•        Направление диаметром 340 мм (13 3/8") устанавливается с применением забивного метода (его башмак располагается на глубине 15-30 м) в целях предотвращения размывов рыхлых пород под основанием буровой, а также для обеспечения поступления восходящего потока бурового раствора в систему замкнутой циркуляции при бурении интервала под кондуктор.       

•        Кондуктор диаметром 245 мм (9 5/8"), глубина установки которого составляет примерно 800 м, предназначен для изоляции и предохранения залегающих на незначительной глубине водоносных горизонтов, являющихся источниками пресной воды, а также для использования в качестве основания для подвески обсадных колонн меньшего диаметра и НКТ. Кондуктор также служит для монтажа компоновки противовыбросового превентора.

•        Спуск эксплуатационной колонны диаметром 178 мм (7") осуществляется на полную фактическую глубину скважины.

Определение нагрузок, действующих на обсадные колонны при строительстве и эксплуатации скважин, производиться в соответствии с действующей в России "Инструкцией по расчету нагрузок на обсадные колонны для нефтяных и газовых скважин" (РД-39-7/1-0001-89).

Расчет, выбор конструкции и испытания устьевого оборудования скважин и фонтанной арматуры выполнены применительно к арктическим условиям (наиболее низкая наружная температура принимается равной -60°С).

Конструкция скважин графически представлена на рис. 4.1.

На рис. 4.2. приводится схема компоновки скважин (при наличии двух эксплуатационных объектов). После проведения перфорации предусматривается осуществление воздействия на оба пласта с применением метода гидроразрыва и последующей отработкой в свободном режиме для очистки призабойной зоны. Затем производится глушение скважины с применением чистого раствора, совместимого с пластовым флюидом, после чего осуществляется подъем перфораторов и извлекаемого пакера и спуск погружного центробежного электронасоса (ЭЦН).

Предусматривается, что в качестве водонагнетательных используются переведенные на этот режим добывающие скважины после периода эксплуатации продолжительностью от одного года до двух лет для получения преимуществ высокодебитной добычи, характерной для вновь пробуренных скважин. На рис. 4.3. отражена типовая схема подземной компоновки одновременно - раздельной закачки нагнетательной скважины № 15961 куст 7 Приобского месторождения. Для разобщения горизонтов АС11 и АС10 устанавливается пакер. С целью создания большего по сравнению с горизонтом АС10 давления нагнетания в горизонте АС11 применяется (в случае необходимости) вариант заканчивания скважин в двух горизонтах. Если оценка месторождения подтвердит, что отсутствует необходимость использования более высокого давления нагнетания в пласт АС11, указанные интервалы в нагнетательных скважинах будут совмещены. При использовании нагнетания через межтрубное пространство в течение всего срока службы скважины будут применяться профилактические меры и проводиться испытания, необходимые для контроля состояния и обеспечения целостности обсадных колонн.

Растворы для заканчивания скважин должны представлять собой отфильтрованные жидкости, не содержащие твердых частиц. При необходимости используется хлоркалиевый буровой раствор, в котором не происходит образование побочных твердых продуктов в результате химических реакций.

Перфорация горизонтов АС10 и АС11 производиться с помощью перфораторов, спускаемых на кабеле. Обеспечение значительного диаметра перфорационных отверстий является наиболее важным для уменьшения гидравлических сопротивлений при воздействии на пласт, в то время как глубина проникновения не является определяющим фактором.

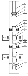
, 8, 13 - НКТ; 2 - ЭЦН с ПЭД; 3 - патрубок НКТ; 4 - направляющая воронка; 5 - шток от муфты; 6, 12 - переходник; 7 - пакер; 9 - скважинная камера с глухой пробкой или регулятором; 10 - переходник; 11 - уплотненная муфта; 14 -заглушка.

Рис. 4.2. Схема компоновки добывающей скважины

- насосно - компрессорные трубы; 2, 5, 7, 11 - переходник; 3, 9 - патрубок; 4 - пакер;

, 10 - скважинная камера с регулятором и глухой пробкой; 8 - разъединитель колонны;

- заглушка для НКТ

Рис. 4.3. Конструкция нагнетательной скважины

Гидроразрыв пласта является основным методом воздействия, обеспечивающим приемлемые показатели производительности скважин. При совместной эксплуатации продуктивных объектов АС10 и АС11 практически осуществимым является повышение продуктивности скважин в 1,5-3,5 раза. При заводнении по заданной сетке длина трещин должна ограничиваться четвертой частью расстояния между скважинами, чтобы избежать отрицательного воздействия на эффективность вытеснения нефти. Проведение гидроразрыва пласта является целесообразным как для эксплуатационных, так и для нагнетательных скважин. Для увеличения добычи в 1,5-3,5 раза необходимо образование трещин с высокой проводимостью.

4.2 Устьевое оборудование скважин

Оборудование устья скважин всех типов предназначено для герметизации затрубного простравнства, отвода продукции скважины, а также для проведения технологических операций, ремонтных и исследовательских работ. Оно комплектуется в зависимости от способа эксплуатации. На месторождении применяется механизированный способ добычи пластовой жидкости: эксплуатация электроцентробежными насосами.

При эксплуатации скважин электроцентробежными насосами устье скважины оборудуется колонными головками ООУС-2-210х168х245 которые предназначены для обвязки смежных обсадных колонн, выступающих над устьем, с целью их подвески, герметизации межколонного пространства и контроля давления. Оборудование для обвязки устья скважин ООУС -2-210х168х245 изготавливается в категории исполнения УХЛ по ГОСТ 15150-69 и предназначено для работы в условиях климатических районов П2-П5 по ГОСТ 16350-80. Оборудование изготавливается на рабочее давление на 21 и 35 МПа, для двухколонной конструкции скважин. Преимуществом этого оборудования является повышенная надежность герметизации межтрубного пространства за счет регулирования величины поджатия уплотнительных элементов; компактно и не металлоемко, имеет повышенную монтажеспособность, окончательная сборка не требует подъемно транспортной техники и проведения сварочных работ; удобно при ремонте и обслуживании за счет замены уплотнительных элементов, в случае разгерметизации, без остановки без остановки работы скважины.

Фонтанные арматуры применяются марки АФК1-65х210-СУ-6, которые изготавливаются в категории исполнения УХЛ по ГОСТ 15150-69 и предназначено для работы в условиях климатических районов П2-П5 по ГОСТ 16350-89. Арматура изготавливается с прямоточными задвижками (уплотнением металл по металлу с условным проходом 65 мм и рабочим давлением 21 МПа). Тройник и крестовина изготавливаются приваркой присоединительных отводов к стволовой части. Преимуществом данной фонтанной арматуры является компактность и низкая металлоемкость; удобство при монтаже и ремонте из-за отсутствия глухих резьбовых отверстий.

Нагнетательные скважины оборудованы колонными головками ООУС-2-210х168х245 на рабочее давление 35 МПа и нагнетательной арматурой АНК1-65х21-СУ6(10). Нагнетательные арматуры предназначены для герметизации устья нагнетательных скважин, подвески колонн подъемных труб со скважинным оборудованием, а также для проведения необходимых технологических операций, контроля и регулирования режима эксплуатации скважин. Арматура изготавливается в категории исполнения УХЛ по ГОСТ 15150-69 и предназначена для работы в условиях климатических районов П2-П5 по ГОСТ 16350-80.

Задвижки прямоточные (уплотнение металл по металлу с условным проходом 65 мм). Тройник и крестовина изготавливаются приваркой присоединительных отводов к стволовой части. Преимуществом арматуры является компактность и низкая металлоемкость, удобство при монтаже и ремонте из-за отсутствия глухих резьбовых отверстий под шпильки.

.3 Глубинно - насосное оборудование скважин Приобского месторождения

Всего на месторождении пробурено 190 добывающих и 54 нагнетательных скважин. Электроцентробежными насосами (рис. 4.4) оборудованы 138 скважин. Электроцентробежные насосы используют простого (ЭЦН) и модульного исполнения (ЭЦНМ).

Всего на месторождении пробурено 190 добывающих и 54 нагнетательных скважин. Электроцентробежными насосами (рис. 4.4.) оборудованы 138 добывающих скважин. Электроцентробежные насосы используют простого (ЭЦН) и модульного исполнения (ЭЦНМ).

Состав установки электроцентробежного насоса и наземное оборудование:

Насос - погружной центробежный.

Двигатель - погружной трехфазный асинхронный маслонаполненный с короткозамкнутым ротором.

Гидрозащита - состоит из двух сборочных единиц: протектора, который устанавливается между двигателем и насосом, и компенсатора расположенного в нижней части двигателя. Предназначена для защиты электродвигателей от проникновения пластовой жидкости в их внутреннюю полость, компенсации утечки масла и тепловых изменений его объёма при работе электродвигателя

Кабельная линия обеспечивает подвод электроэнергии к двигателю.

Кабель крепится к погружному агрегату и к колонне насосно-компрессорных труб металлическими поясами.

Оборудование устья скважины обеспечивает подвеску колонны насосно-компрессорных труб с насосным агрегатом и кабелем на фланце обсадной колонны, герметизацию труб и кабеля, а также отвод жидкости в выкидной трубопровод.

Комплексная трансформаторная подстанция (трансформатор и комплектное устройство) преобразует напряжение промысловой сети до значения оптимального напряжения на зажимах электродвигателя с учетом потерь напряжения в кабеле, а также обеспечивает управление работой насосного агрегата установки и его защиту при аномальных режимах.

- электродвигатель; 2 - узел гидрозащиты; 3 - насос; 4, 7 - плоский или круглый кабель соответственно; 5 - спускной клапан; 6 - хомут для крепления кабеля; 8 - насосно - компрессорные трубы; 9 - оборудование устья скважины; 10 - автотрансформатор; 11 - станция управления.

Рис. 4.4. Установка электроцентробежного насоса

.4 Характеристика системы заводнения

Система заводнения Приобского месторождения, правобережной части состоит из одной КНС, пяти водозаборных скважин, системы высоконапорных водоводов, нагнетательных скважин.

Добыча подземной воды осуществляется из апт-сеноманоского комплекса. Водозаборные скважины оснащены погружными насосами:

Кустовая насосная станция (КНС), оснащена двумя насосными агрегатами ЦНС 180х1900, данная компоновка соответствует проектным требованиям.

По состоянию на 01.01.2005 г., согласно промысловым данным, на месторождении эксплуатируется порядка 37 км высоконапорных водоводов. Показатели обустройства системы ППД высоконапорными водоводами представлены в табл. 4.1. Принципиальная схема высоконапорных водоводов представлена на рис. 4.5.

Таблица 4.1.

Показатели обустройства системы ППД высоконапорными водоводами

Типоразмер водовода, мм

Число труб, шт.

Общая длина водоводов, м

114 х 10

18

15817

114 х 12

2

1742

168 х 16

6

8414

219 х 18

5

5346

273 х 22

4

6189

Итого

35

37508


Рис. 4.5. Принципиальная схема высоконапорных водоводов системы ППД

.5 Объекты подготовки

Нефть, газ и вода направляются на СЛТ для подготовки и транспортировки на рынок. Это упрощает объекты обустройства, которые расположены на удаленной ЮЛТ, путем максимального использования объектов СЛТ.

На рис. 4.6. дана схематическая диаграмма всего процесса, от устья до точки доставки. Весь поток из скважины (нефть, газ и вода) направляется со скважинной площадки через сборный трубопровод на ДНС. На ДНС газ отделяться от жидкости. Газ и жидкости (сырая нефть и вода) закачиваться в существующие на СЛТ объекты подготовки для дальнейшей транспортировки через отдельные линии.

Оборудование для закачки воды находиться на первой ДНС и распределяет воду на каждую площадку через специально предназначенные для этого водопроводы высокого давления. До обработки промысловая вода смешивается с подпиточной водой. Источниками воды для закачивания на ЮЛТ служат очищенная промысловая вода и вода из скважин на сеноманские отложения, поскольку проведенные на керне анализы на чувствительность показали, что использование пресной воды приводит к уменьшению проницаемости. Поток подпиточной воды обрабатывается для удаления кислорода и двуокиси углерода. Для снижения коррозии и лучшей деаэрации добавляются химические вещества. Вода фильтруется до такой степени, чтобы она удовлетворяла условиям защиты породы от повреждения твердыми частицами. Давление подготовленной воды поднимается до давления закачки, и вода подается в систему распределения закачки.

Все трубопроводы заглублены на 2 - 2,5 м. Все они имеют пластиковое или эквивалентное покрытие. Трубопроводная система имеет электрическую изоляцию и катодную защиту. Трубопроводы на участках, подверженных затоплению, имеет внешнее цементное покрытие для борьбы с плавучестью.

На трубопроводе установлена серия клиновых задвижек, особенно в местах пересечения рек и в точках соединения, так что при необходимости небольшие сегменты можно отсечь.

Рис. 4.6. Схема сбора и предварительной подготовки продукции

Выводы

На месторождении используются параметры и принципы, которые являются основополагающими при бурении, конструкции и технологии заканчивания скважин:

Средняя глубина скважин составляет 3135 м.

Добыча ведется с применением технологии эксплуатации нескольких пластов одной скважиной.         

Предусматривается использование погружных центробежных электронасосов (ЭЦН), устанавливаемых в интервалах эксплуатации скважин.

Предусматривается использование обсадных колонн большего диаметра с целью обеспечения возможности применения более эффективного оборудования для механизированной добычи.

Гидроразрыв пласта является основным методом воздействия, обеспечивающим приемлемые показатели производительности скважин, который позволяет повысить продуктивности скважин в 1,5-3,5 раза.

Обеспечение длительного периода эксплуатации скважин при низких эксплуатационных затратах и незначительных издержках на проведение подземного ремонта скважин.

В качестве водонагнетательных используются переведенные на этот режим добывающие скважины после периода эксплуатации продолжительностью от одного года до двух лет для получения преимуществ высокодебитной добычи, характерной для вновь пробуренных скважин.

5. Специальная часть

.1 Разработка технологии исследования многопластовых месторождений нефти

Сущность технологии заключается в том, закачивают в нагнетательную скважину при заданном устьевом давлении вместе с вытесняющим агентом трассирующий агент требуемой концентрации и регистрируют его концентрации в добывающих скважинах [4, 5]. При этом:

в каждый из исследуемых пластов закачивают при заданном забойном давлении индивидуальный трассирующий агент, причем регистрируют его концентрацию в добывающих скважинах на устье (или на выходе из соответствующего пласта). После чего определяют основные параметры каждого пласта, гидродинамическую связь их друг с другом и устанавливают оптимальные давления нагнетания вытесняющего агента;

проводят трассерные исследования на различных заданных забойных давлениях, на основе которых определяют значения критических давлений, при которых происходит скачок увеличения трещин и устанавливают оптимальные давления нагнетания, меньше критических, обеспечивающих максимальный коэффициент охвата и/или коэффициент заводнения;

регистрируют концентрацию индивидуального трассирующего агента, закачиваемого через нагнетательную скважину в определенный пласт, на устье взаимодействующих с ней добывающих скважин, вскрывших один и тот же соответствующий пласт, путем многократного отбора проб жидкости до и после закачки трассирующего агента, при этом определяют основные параметры пласта - наличие, ориентацию и объемы трещин, скорость фильтрации по ним, их проницаемость, объем непроизводительно нагнетаемой воды;

закачивают через одну нагнетательную скважину, которая вскрывает одновременно несколько пластов, один или несколько трассирующих агентов при заданном устьевом давлении и/или при заданных забойных давлениях на каждом пласте;

оснащают нагнетательную скважину компоновкой для поочередной или одновременно-раздельной закачки при этом каждый пласт оснащен своей секцией, изолирующей его от других пластов пакером и при заданном для каждого пласта забойном давлении одновременно закачивают один трассирующий агент или закачивают поочередно индивидуальные

трассирующие агенты для каждого пласта, при этом управляют процессом закачки с помощью специальных регуляторов и/или контролируют процесс с помощью специальных автономных приборов, установленных в скважинных камерах на соответствующих секциях;

регистрируют многократно - периодически в ручном или непрерывно в автоматизированном режиме - появление и концентрацию закачанного в каждый из пластов трассирующего агента в добывающих скважинах на устье или на выходе из каждого соответствующего пласта непосредственно в соответствующей изолированной секции компоновки или путем раздельного отбора продукции из каждого изолированного пласта;

используют систему скважин, оборудованных компоновками для одновременно-раздельной закачки вытесняющего агента в несколько пластов и/или для одновременно-раздельной добычи пластовых флюидов из нескольких пластов, при этом на заданных режимах закачивают индивидуальный трассирующий агент в отдельный пласт, вскрытый нагнетательной скважиной, а регистрируют этот трассирующий агент на выходе из этого же пласта в добывающей скважине;

определяют гидродинамическую связь пластов или перетоки между пластами, закачивая трассирующий агент в один из пластов нагнетательной скважины и регистрируя его появление в другом пласте добывающей скважины;

устанавливают перед исследованиями и/или после исследований с помощью трассирующих агентов взаимодействие скважин через разрывные нарушения путем адаптации геолого-гидродинамической модели, обеспечивая согласование расчетных и фактических показателей - давления и добычи пластовых флюидов, скорости фильтрации трассирующих агентов, при этом определяют гидравлическую связь по динамике заводнения коллекторов, выявляя систему трещин, по которым движется основной поток закачиваемой воды, определяют застойные зоны, зоны извлекаемых, трудноизвлекаемых и неизвлекаемых запасов углеводородов, причем в зонах, не охваченных заводнением, на основе дополнительных гидродинамических исследований определяют распространение пластовых вод любой природы или мигрирующего газа, или их перетоки между пластами;

регистрируют трассирующие агенты в добывающих скважинах, продукция которых имеет обводненность и/или темп обводнения выше заданных значений, при этом заданное значение обводненности и/или заданное значение темпа изменения обводненности определяют по среднему значению добывающих скважин, взаимодействующих с нагнетательной скважиной.

Для каждого пласта определяют преимущественную ориентацию фильтрации пластовых флюидов или поле пластовых давлений, или соответствующие розы диаграммы для трассерных агентов на одном или нескольких режимах, после чего выбирают и устанавливают оптимальные забойные давления для каждой из его нагнетательной и добывающей скважины.

По данным, полученным в результате исследований, для каждой нагнетательной скважины выбирают и устанавливают оптимальные забойные давления для каждого пласта и/или разукрупняют эксплуатируемые ею объекты, разделяя разнопроницаемые пласты друг от друга и выравнивая профиль приемистости.

По данным, полученным в результате исследований, для каждой добывающей скважины выбирают оптимальные забойные давления для каждого пласта и/или разукрупняют эксплуатируемые ею объекты, разделяя пласты с разным коэффициентом охвата друг от друга и выравнивая профиль притока, и/или переводят в категорию нагнетательных отдельные добывающие скважины.

На рис. 5.1. изображено одновременное нагнетание нескольких трассирующих агентов через несколько нагнетательных скважин, каждая из которых вскрывает по одному пласту и регистрация их в добывающих скважинах, вскрывающих более одного пласта.

- колонна труб нагнетательной скважины; 2 - лифт добывающей скважины; 3 - скважинная камера, 4 - пакер.

Рис. 5.1. Одновременное нагнетание нескольких трассирующих агентов

На рис. 5.2. изображена закачка нескольких видов трассеров через нагнетательную скважину, вскрывающую несколько пластов, при этом используется компоновка для одновременно раздельной закачки и каждый из пластов оснащен своей секцией изолирующих пакеров. С другой стороны производится регистрация трассирующих агентов на добывающих скважинах оборудованных компоновками для одновременно-раздельной или поочередной добычи.

На рис. 5.3. изображена гидродинамическая связь и перетоки из одного пласта в другой в скважинах, оборудованных компоновками для одновременно-раздельной или поочередной закачки и одновременно-раздельной или поочередной добычи.


На основе трассерных исследований и промысловых данных по каждой добывающей скважине строится характеристика вытеснения, по которой определяют застойные зоны, зоны извлекаемых, трудноизвлекаемых и не извлекаемых запасов углеводородов, а так же строятся модели линий тока, которые являются источниками информации о направленности и интенсивности фильтрационных потоков в пласте. Модели линий тока позволяют визуализировать структуру потоков флюидов и дают немедленный «снимок» всей структуры потока и взаимодействия скважин. Совмещение линий тока и распределений насыщенностей в процессе развивающегося заводнения позволяет по линиям тока проследить перемещение фронта вытеснения от нагнетательных к нефтяным скважинам [6].

Совмещение этих карт с построенной картой изохрон обводнения четко определяют застойные зоны, не охваченные разработкой и распространения закачиваемых вод [7].

5.2 Интерпретация трассерных исследований на объектах АС10 и АС12 южной части Приобского месторождения

.2.1 Интерпретация результатов закачки трассера тринатрийфосфата от скважины 477Р

Опытно - промышленные работы начаты 19.08.2005 года закачкой трассера в скважину 477. Через нагнетательную скважину в пласт АС12 ввели 20 м3 раствора тринатрийфосфата с концентрацией 15 г/л при давлении нагнетания на устье скважины 17,0 МПа и приёмистости 393 м3/сут. Схема закачки индикатора в пласт показана на рис. 5.4.

Результаты расчётов по определению параметров продвижения индикатора ТНФ по пласту АС12 от скважины 477Р приведены в таблице 5.1. Роза - диаграмма приведённых скоростей перемещения индикатора ТНФ от скважины 477Р представлена на рис. 5.5.

Анализ проб жидкости на присутствие трассера ТНФ проводился по 6 скважинам. Анализ интерпретации закачки трассера ТНФ на участке со скважиной 477Р (см. табл. 5.1.) показывает, что из исследуемых 6 скважин в 6 из них обнаружены поступления трассера в течение 84,4 - 734,5 часов с момента его закачки. Расстояния от скважины 477Р до этих скважин колеблются от 411 до 1667 метров. При этом скорости прохождения индикатора по пласту к этим скважинам варьируют в довольно широком диапазоне: 0,62 - 4,4 м/час. Приведённые скорости находятся в интервале 0,04 - 0,25 м/час/МПа. Пробы жидкости в большинстве случаев представляют собой эмульсии.

Вышеуказанные факторы свидетельствуют о наличии в пласте разветвлённой сети аномально высокопроницаемых каналов фильтрации (или низкого фильтрационного сопротивления - НФС), которые существенно влияют на снижение коэффициентов охвата заводнением и нефтеизвлечения. Объём каналов НФС в пласте от скважины 477Р составляет 7981,65 м3. Распределение объёмов каналов НФС по направлениям к добывающим скважинам находится в диапазоне 127 - 1393 м3 и показано на рис. 5.6. Проницаемость по воде каналов НФС по направлениям к добывающим скважинам колеблется в интервале 9,9 - 136 мкм2. Распределение фазовой проницаемости по воде приведено на рис. 5.7. Масса выхода индикатора в добывающих скважинах составила 6,6 кг (рис. 5.8).

Рис. 5.4. Схема закачки индикаторов РА и ТНФ в пласты

Анализ индикаторных исследований показывает, что поступление трассера к добывающим скважинам происходит неравномерно (пики подъема концентрации трассера ТНФ от одного до семи).

Этот факт свидетельствует, что трассирующий агент продвигается не по одному, а по нескольким каналам НФС, которые отличаются протяженностью, объемом и проницаемостью. Индикаторные исследования, проведённые в районе скважины 477Р показывают преимущественное распределение направлений продвижения трассирующего агента в двух направлениях: в северо - восточном направлении и юго - восточном.

Рис. 5.5. Розы диаграммы скоростей прохождения трассеров по пластам

Рис. 5.6. Распределение объемов каналов НФС пласта АС12 от скважины 477Р

 

Рис. 5.7. Распределение фазовой проницаемости пласта АС12 от скважины 477Р

Рис. 5.8. Распределение массы выхода индикатора ТНФ от скважины 477Р

.2.2 Интерпретация результатов закачки трассера роданистого аммония от скважины 12277

Опытно - промышленные работы начаты 19.08.2005 года закачкой трассера в скважину 12277. Через нагнетательную скважину в пласт АС10 ввели 20 м3 раствора роданистого аммония с концентрацией 15 г/л при давлении нагнетания на устье скважины 75,1 МПа и приёмистости 180 м3/сут. Схема закачки индикатора в пласт показана на рис. 5.4.

Результаты расчётов по определению параметров продвижения индикатора РА по пласту АС10 от скважины 12277 приведены в таблице 5.2. Роза - диаграмма приведённых скоростей перемещения индикатора РА от скважины 12277 представлена на рис. 5.5.

Анализ проб жидкости на присутствие трассера РА проводился по 6 скважинам. Анализ интерпретации закачки трассера РА на участке со скважиной 12277 (см табл. 5.2.) показывает, что из исследуемых 6 скважин в 6 из них обнаружены поступления трассера в течение 49,1 - 669 часов с момента его закачки. Расстояния от скважины 12277 до этих скважин колеблются от 347 до 1473 метров. При этом скорости прохождения индикатора по пласту к этим скважинам варьируют в довольно широком диапазоне: 0,6 - 10,6 метров в час. Приведённые скорости находятся в интервале 0,07 - 0,8 м/час/МПа. Вышеуказанные факторы свидетельствуют о наличии в пласте разветвлённой сети аномально высокопроницаемых каналов фильтрации (или низкого фильтрационного сопротивления - НФС), которые существенно влияют на снижение коэффициентов охвата заводнением и нефтеизвлечения. Объём каналов НФС в пласте от скважины 12277 составляет 2478 м3. Распределение объёмов каналов НФС по направлениям к добывающим скважинам находится в диапазоне 99 - 476 м3 и показано на рис. 5.9. Проницаемость по воде каналов НФС по направлениям к добывающим скважинам колеблется в интервале 13 - 230 мкм2. Распределение фазовой проницаемости по воде приведено на рис. 5.10. Масса выхода индикатора в добывающих скважинах составила 1,9 кг (рис. 5.11).

Анализ индикаторных исследований показывает, что поступление трассера к добывающим скважинам происходит неравномерно (пики подъема концентрации трассера РА от одного до семи).

Этот факт свидетельствует, что трассирующий агент продвигается не по одному, а по нескольким каналам НФС, которые отличаются протяженностью, объемом и проницаемостью. Индикаторные исследования, проведённые в районе скважины 12277 показывают преимущественное распределение направлений продвижения трассирующего агента в трех направлениях: северо - восточном, юго - восточном и юго - западном.

Рис. 5.9. Распределение объемов каналов НФС пласта АС10 от скважины 12277

Рис. 5.10. Распределение фазовой проницаемости пласта АС10 от скважины 12277

Рис. 5.11. Распределение массы выхода индикатора РА по пласту АС10 от скважины 12277

.2.3 Интерпретация результатов закачки трассера флуоресцеина натрия от скважины 15994

Опытно - промышленные работы начаты 20.08.2005 года закачкой трассера в скважину 15994. Через нагнетательную скважину в пласт АС10 ввели 20 м3 раствора флуоресцеина натрия с концентрацией 1,5 г/л при давлении нагнетания на устье скважины 15 МПа и приёмистости 140 м3/сут. Схема закачки индикаторов в скважину 15994 показана на рис. 5.12.

Результаты расчётов по определению параметров продвижения индикатора ФН по пласту АС10 от скважины 15994 приведены в таблице 5.3. Роза - диаграмма приведённых скоростей перемещения индикатора ЭО от скважины 15994 представлена на рис. 5.5.

Анализ проб жидкости на присутствие трассера ФН проводился по 10 скважинам. Анализ интерпретации закачки трассера ФН на участке со скважиной 15994 (таблица 5.3) показывает, что из исследуемых 10 скважин в 8 из них обнаружены поступления трассера в течение 20 - 608,2 часа с момента его закачки. Расстояния от скважины 15994 до этих скважин колеблются от 477 до 1083 метров. При этом скорости прохождения индикатора по пласту к этим скважинам варьируют в довольно широком диапазоне: 0,9 - 36,8 м/час.

Рис. 5.12. Схема закачки индикаторов ФН и ЭО в скважину 15994

Скорости прохождения части закачиваемой воды, меченной индикатором ФН, значительно превышают характерные скорости фильтрации воды в поровом коллекторе. Приведённые скорости также на три - пять порядков превалируют над характерными значениями и находятся в интервале 0,22 - 3,46 м/час/МПа.

Вышеуказанные факторы свидетельствуют о наличии в пласте разветвлённой сети аномально высокопроницаемых каналов фильтрации (или низкого фильтрационного сопротивления - НФС), которые существенно влияют на снижение коэффициентов охвата заводнением и нефтеизвлечения. Объём каналов НФС в пласте АС10 от скважины 15994 составляет 1407 м3. Распределение объёмов каналов НФС по направлениям к добывающим скважинам находится в диапазоне 21 - 146 м3 и показано на рис. 5.13. Проницаемость по воде каналов НФС по направлениям к добывающим скважинам на 3 - 5 порядков выше среднепластового значения и колеблется в интервале 131,7 - 1094 мкм2. Распределение фазовой проницаемости по воде приведено на рис. 5.14. Распределение массы выхода индикатора флуоесцеина натрия показано на рис. 5.15.

Анализ индикаторных исследований показывает, что поступление трассера к добывающим скважинам происходит неравномерно (пики подъема концентрации трассера ФН от одного до восьми).

Индикаторные исследования, проведённые в районе скважины 15994, по пласту АС10 показывают преимущественное распределение направлений продвижения трассирующего агента в трех направлениях: северно - западном, северо - восточном и юго - восточном.

 

Рис. 5.13 - Распределение объемов каналов НФС пласта АС10 от скважины 15994

Рис. 5.14 - Распределение фазовой проницаемости пласта АС10 от скважины 15994

Рис. 5.15. Распределение массы выхода индикатора ФН от скважины 15994

5.2.4 Интерпретация результатов закачки трассера эозина от скважины 15994

Опытно - промышленные работы начаты 20.08.2005 года закачкой трассера в скважину 15994. Через нагнетательную скважину в пласт АС12 ввели 20 м3 раствора эозина с концентрацией 15 г/л при давлении нагнетания на устье скважины 17,5 МПа и приёмистости 81 м3/сут. Схема закачки индикаторов в скважину 15994 показана на рис. 5.12.

Результаты расчётов по определению параметров продвижения индикатора ФН по пласту АС12 от скважины 15994 приведены в таблице 5.4. Роза - диаграмма приведённых скоростей перемещения индикатора ЭО от скважины 15994 представлена на рис. 5.5.

Анализ проб жидкости на присутствие трассера ЭО проводился по 7 скважинам. Анализ интерпретации закачки трассера ЭО на участке со скважиной 15994 (см. табл. 5.4) показывает, что из исследуемых 7 скважин в 6 из них обнаружены поступления трассера в течение 39,3 - 608,2 часа с момента его закачки. Расстояния от скважины 15994 до этих скважин колеблются от 542 до 1603 метров. При этом скорости прохождения индикатора по пласту к этим скважинам варьируют в довольно широком диапазоне: 1,1 - 16,7 м/час.

Скорости прохождения части закачиваемой воды, меченной индикатором ФН, значительно превышают характерные скорости фильтрации воды в поровом коллекторе. Приведённые скорости находятся в интервале 0,6 - 2 м/час/МПа.

Вышеуказанные факторы свидетельствуют о наличии в пласте разветвлённой сети аномально высокопроницаемых каналов фильтрации (или низкого фильтрационного сопротивления - НФС), которые существенно влияют на снижение коэффициентов охвата заводнением и нефтеизвлечения. Объём каналов НФС в пласте АС12 от скважины 15994 составляет 1506 м3. Распределение объёмов каналов НФС по направлениям к добывающим скважинам находится в диапазоне 29 - 153 м3 и показано на рис. 5.16. Проницаемость по воде каналов НФС по направлениям к добывающим скважинам на 3 - 5 порядков выше среднепластового значения и колеблется в интервале 360 - 1259 мкм2. Распределение фазовой проницаемости по воде приведено на рис. 5.17.

Анализ индикаторных исследований показывает, что поступление трассера к добывающим скважинам происходит неравномерно (пики подъема концентрации трассера ЭО от одного до восьми).

Индикаторные исследования, проведённые в районе скважины по пласту АС12 15994, показывают преимущественное распределение направлений продвижения трассирующего агента в трех направлениях: северном, восточном и юго - восточном.

Рис. 5.16 - Распределение объемов каналов НФС пласта АС12 от скважины 15994

Рис. 5.17 - Распределение фазовой проницаемости пласта АС12 от скважины 15994

Рис. 5.18. Распределение массы выхода индикатора ЭО от скважины 15994

.2.5 Интерпретация результатов закачки трассера карбамида от скважины 15961

Опытно - промышленные работы начаты 21.08.2005 года закачкой трассера в скважину 15961. Через нагнетательную скважину в пласт АС12 ввели 20 м3 раствора карбамида с концентрацией 15 г/л при давлении нагнетания на устье скважины 16 МПа и приёмистости 48 м3/сут (общая приемистость 257 м3/сут). Схема закачки индикаторов в скважину 15961 показана на рис. 5.19.

Результаты расчётов по определению параметров продвижения индикатора карбамида по пласту АС12 от скважины 15961 к скважине 15962 приведены в таблице 5.5.

Таблица 5.5.

Расстояние между скважинами 15961 и 15962, м

Время от конца закачки до появления трассера, час.

Скорость прохождения трассера, м/час.

Перепад забойных давлений между добывающей и нагнетательной скважиной, МПа

Проницаемость по воде, мкм2

2600

29

93

36,7

3510


После обнаружения индикатора, в скважине 15962 был изолирован пласт АС12 путем изменения буферного давления (с 16 МПа до 21 МПа, дебит жидкости изменился с 69 т/сут до 58 т/сут), при этом клапан - регулятор закрыл отверстия в скважинной камере (см. рис. 5.12).

Через 93 часа после остановки работы пласта АС12 в скважине 15962 был снова обнаружен индикатор.

Индикаторные исследования, проведённые в районе скважин 15961 и 15962 позволили сделать вывод о том, в районе выше указанных скважин имеет место пластовый переток между пластами АС10 и АС12.

- лифт нагнетательной скважины; 2 - лифт добывающей скважины; 3 - разъединитель колоны; 4 - клапан - регулятор.

Рис. 5.19. Схема закачки индикатора карбамида в скважину 15961

.2.6 Методика интерпретации индикаторных исследований

Скорость перемещения индикатора рассчитывается исходя из расстояния между нагнетательной и добывающими скважинами, а также времени движения индикатора между ними по формуле:

, (5.1)

где Vjj - скорость перемещения индикатора по пласту между нагнетательной и добывающими скважинами по каждому i-му пику подъема концентрации, м/час;- расстояние между нагнетательными и добывающими скважинами, м;- время движения индикатора по каждой j-й скважине и каждому i-му пику подъема концентрации, час.

Для учёта влияния перепада давления между скважинами рассчитывается приведенная скорость по формуле:

, (5.2)

где  - приведенная скорость перемещения между нагнетательной и j-ми добывающими скважинами, м/час/МПа;- расстояние между скважинами, м;- время движения индикатора по каждой j-й скважине и каждому i-му пику подъема концентрации, час;

- забойное давление в нагнетательной скважине, МПа;

 - забойное давление в каждой j-й добывающей скважине, МПа.

Объёмы каналов фильтрации рассчитывались по формуле:

, (5.3)

где - объём каналов фильтрации по i-му из пиков подъёма концентрации между нагнетательной и соответствующей j-й добывающей скважиной, м3;

 - объём закаченной в нагнетательную скважину воды до момента прохождения индикатора в i-ом пике подъёма концентрации в соответствующей j-и добывающей скважине, м3;скорость перемещения по i-му пику подъёма концентрации индикатора по направлению к соответствующей j-ой добывающей скважине, м/час;

- сумма скоростей по каждому i-му пику по каждой j-ой добывающей скважине, м/час.

Проницаемость (К) по воде каналов низкого фильтрационного сопротивления определяется из уравнения Дарси  

, (5.4)

где - максимальная скорость перемещения индикатора по направлению к соответствующей j-ой добывающей скважине;

- разность пластовых давлений между нагнетательной и соответствующей j-й добывающей скважине;- расстояние между нагнетательной скважиной и соответствующей j-ой добывающей скважиной;

μ - вязкость пластовой воды.

Масса выхода трассера к каждой добывающей скважине рассчитывается по формуле:

, (5.5)

где - Мj масса вышедшего индикатора соответствующей j-ой добывающей скважины;вj - добыча воды соответствующей j-й добывающей скважины;пi - площадь под каждым i-м пиком индикаторной кривой (концентрации индикатора (Со) во времени (t)).

.3 Рекомендации по совершенствованию разработки пластов южной части Приобского месторождения на основе трассерных исследований

.3.1 Технология для одновременно-раздельной закачки (ОРЗ) воды с возможностью регулирования расхода воды по трем объектам (пластам)

На Приобском месторождении разрабатываются совместно три пласта АС10, АС11, АС12, причем проницаемость пласта АС11 на порядок больше проницаемости пластов АС10 и АС12. Для эффективной выработки запасов из низкопроницаемых пластов АС10 и АС12 нет другой альтернативы как внедрение технологии ОРЗ прежде всего на нагнетательных скважинах (см. рис. 4.3).

Эффективность технологии ОРЗ разработанной в НИИ «СибГеоТех» с участием автора была подтверждена на нагнетательных скважинах Тарасовского, Барсуковского, Южно-Тарасовского, Фестивального, Восточно-Ягтинского, Южно-Харампурского месторождений.

По сравнению с совместной эксплуатацией нескольких пластов данная технология позволяет:

увеличить коэффициент нефтеотдачи пластов за счет разукрупнения объектов разной проницаемости и разной насыщенности и повышения степени охвата их заводнением;

увеличить добычу нефти на 30-40 % за счет дифференцированного и управляемого воздействия на каждый из пластов;

обеспечить учет закачиваемого агента в каждый из пластов;

предупредить межпластовые перетоки по стволу скважины в момент ее остановки и при малых депрессиях;

предупредить отрицательное техногенное воздействие на пласт при глушении пласта с более высоким пластовым давлением;

нестационарно воздействовать на пласты, изменяя их режимы;

регулировать направления и скорости фильтрации пластовых флюидов, оперативно управляя полем пластовых давлений;

исследовать и контролировать разработку отдельных пластов.

.3.2 Принципы по воздействию на пласт

Данными и индикаторными исследованиями по пластам выявлены обширные зоны гидродинамически связанных каналов низкого фильтрационного сопротивления, по которым непроизводительно фильтруется 5 - 12 % закачиваемой воды.

Данными исследованиями подтверждается необходимость массированного применения методов повышения нефтеотдачи, работ по водоизоляции притока.

Обобщение многолетнего опыта применения методов нефтеотдачи [10] позволяет судить об увеличении эффективности воздействия в два-три раза при повторных обработках. Так, например, из 800 обработок методом ССС в 24 случаях при повторных обработках эффективность воздействия возрастает в среднем в 2,8 раза. Причем вторичная закачка осадко- образующих систем требует в два-три раза меньше расходуемых материалов [10]. Анализ применения осадкообразующих систем на месторождениях Западной Сибири свидетельствует о недолговечности их седиментации. Использование импортных реагентов, (а также отечественных) приводит к размыванию осадкообразующих систем уже через 0,5 - 1,0 года. Поэтому необходимо использование более жёстких и устойчивых к размыву реагентов типа ВПК-402, жидкого стекла и т.п. Лабораторными экспериментами и промышленными работами на месторождениях АО "Нижневартовскнефтегаз", АО "Мегионнефтегаз", АО "Юганскнефтегаз" подтверждается, что в наибольшей степени подходит технология увеличения нефтеотдачи двойного действия основанная на применении истинных растворов - сульфатно-содовая система с дополнением реагентов жесткости и гидрофобизатора.

Работами [10, 11] показано, что совпадение расположения забоев нагнетательных скважин с флексурно - разрывными или техногенными нарушениями также приводит к увеличению эффекта в два-три раза. Основным критерием выбора скважин для технологий повышения нефтеотдачи с осадкообразующими системами является непосредственная близость забоев нагнетательных скважин к флексурно - разрывными нарушениям. Вторым критерием, косвенно связанным с первым, выступает выбор участков с высокой перекомпенсацией закачки над отбором жидкости [5]. При этом последовательность воздействия осадкообразующими системами должна быть направлена от скважин с большей компенсацией к скважинам с меньшей компенсацией. В этот же период рекомендуются работы по увеличению приёмистости в нагнетательных скважинах с наименьшей компенсацией. В период закачки осадкообразующих систем для усиления эффекта (большего проникновения систем по каналам НФС) рекомендуется использовать техническое решение, суть которого заключается в ограничении отбора или остановке добывающих скважин, в которых закачиваемый индикатор не обнаружен, и прилегающих непосредственно к нагнетательной скважине.

Последними исследованиями на основе аэрокосмических, гидродинамических, геофизических и индикаторных данных доказываются следующие принципы воздействия на пласт:

.        В тех скважинах, в которых обнаружен трассирующий агент, водоизоляционные работы слабо эффективны и кратковременны.

.        Ремонтно-изоляционные работы (РИР) в скважинах, к которым прорвался трассер, возможны только после массированного применения методов повышения нефтеотдачи на нагнетательных скважинах с использованием осадкообразующих систем для тампонирования каналов НФС и водо-промытых зон.

.        РИР возможны во всех обводнившихся скважинах, в которых трассирующий агент не обнаружен.

.        В скважинах, в которых обнаружен трассер, противопоказаны работы по интенсификации притока (ОПЗ, забуривание вторых стволов, ГРП и др.). Эти работы возможны только после массированного применения МУН

.        Работы по интенсификации притока возможны во всех потенциальных скважинах, в которых трассер не обнаружен.

На основе трассерных исследований рекомендуется проведение закачек осадкообразующих систем в три этапа. При этом необходимо провести закачки, прежде всего в зонах, где уже образовались каналы НФС.

.3.3 Обоснование использования методов повышения нефтеотдачи

Не смотря на то, что процесс разработки осуществляется планомерно согласно проектным решениям, а по некоторым позициям происходит с

улучшенными характеристиками, можно и необходимо снизить влияние обнаруженных трассерными исследованиями техногенных трещинных образований. Обычно в таких случаях используют технологии, направленные на создание фильтрационного сопротивления в каналах НФС путем осадкообразования, перераспределяя закачиваемую воду в зоны повышенной нефтенасыщенности, и тем самым, повышая коэффициент охвата заводнением.

Для таких пластов с низкими коллекторскими свойствами, каким является пласт АС10 приемлемыми методами являются технологии, основанные на истинных растворах (фильтрующихся по пористой среде). Одной из апробированных и эффективных представляется технология с закачкой сульфатно - содовых систем (ССС) с гидрофобизатором (ССС + ГФ). При этом внедрение данной технологии на ранней стадии разработки в 1997-1998 г. На пласте ЮС1 Западно - Асомкинского месторождения позволило сделать следующие выводы:

Произошла интенсификация добыча нефти на 20-30%. Технологический эффект за счет проведения трех скважино-операций оценивается величиной 11,9 тыс.т.

Увеличился срок безводной эксплуатации нефти на 8 - 16 месяцев.

Данное геолого-техническое мероприятие способствовало стабилизации обводнения ряда скважин, а в ряде случаев - уменьшение обводнености добываемой продукции.

Таким образом, анализ разработки на основе трассерных исследований объекта АС10 и накопленный опыт применения МУН предопределяют необходимость их применения.

В таблице 5.6. приведен перечень нагнетательных скважин объекта АС10, в которых возможно проведение ГТМ по выравниванию профиля приемистости. Единственным ограничением применения данной технологии - минимальная приемистость должна быть не менее 100 м3/сут с целью предотвращения замерзания водовода на устье скважины.

Таблица 5.6.

Список скважин объекта АС10 для выравнивания профиля приемистости

№ п/п

Номер скважины

Приемистость, м3/сут

1

12180

245

2

15908

367

3

12204

195

4

12249

222

5

15961

314

6

12277

180

7

15994

221

8

12347

262


5.3.4 Технология интенсификации притока нефти из заглинизированных и низкопроницаемых коллекторов

Способ предназначен для обработки призабойной зоны безводных и обводнённых добывающих скважин, вскрывших сильно заглинизированные и низкопроницаемые пласты группы "А", "Б" и "Ю".

В используемом составе применяется смесь плавиковой и соляной кислот для создания гидродинамического сообщения между скважиной и пластом. С целью снижения скин-эффекта используется раствор оксиалкилированного спирта и деэмульгатора в определённых соотношениях. Для сохранения нефтенасыщенной части коллектора используется гидрофобизатор на основе полисилоксана.

Технология прошла промышленные испытания на Новомолодёжном (пласт ЮВ) и Ершовом (пласт ЮВ) месторождениях. Приросты дебитов нефти составляют 6,3 - 8,2 тонн нефти в сутки при продолжительности эффекта в течение 9-12 месяцев [11].

Рекомендуется проведение ОПЗ в 17 скважинах с общим суточным приростом добычи нефти в размере 186,9 тонн.

.3.5 Комплексная технология ограничения водопритока и интенсификации притока нефти

Способ предназначен для обработки призабойной зоны обводнившихся скважин для селективной водоизоляции притока и интенсификации притока нефти.

Использование раствора соляной и плавиковой кислот предназначено для усиления гидродинамического сообщения между скважиной и пластом, с целью последующей закачки в пласт устойчивых микроэмульсий для создания фильтрационного сопротивления в пласте и докрепления в водонасыщенной части коллектора.

Закачка раствора оксиалкилированного спирта, гидрофобизатора и деэмульгатора предназначена для частичной разглинизации нефтяной части коллектора, деэмульсации ПЗП (снятие скин-эффекта в ПЗП).

Данная технология апробирована на юрских отложениях Покамасовского, Нивагальского, Новомолодёжного и Ершового месторождений. Прирост дебитов нефти составил 8-12 тонн нефти в сутки при снижении обводнённости продукции на 30-40%.

Технология предназначена для селективной водоизоляции добывающих скважин и интенсификации притока нефти из нефтенасыщенной части коллектора.

Для сохранения ПЗП в нефтенасыщенной части коллектора используется гидрофобизирующий состав на основе полисилоксанов. С целью тампонирования водонасыщенной части пласта применяются истинные растворы сульфата натрия или алюминия и хлористого кальция. Для закрепления этой гипсовой системы используется силикат натрия. Для снятия скин-эффекта в нефтенасыщенной части пласта используется раствор оксиалкилированного спирта и деэмульгатора.

С использованием этой технологии обводнённость продукции снижается на 30-80%. Прирост дебитов в нефти составляет 5-50 тонн нефти в сутки в зависимости от коллекторских свойств.

Некоторые модификации технологии могут быть использованы как для ограничения водопритока, так и для проведения работ по ликвидации или ограничению заколонных перетоков.

На основе двух предлагаемых технологий рекомендуется проведение семи комплексных ОПЗ, которые дадут возможность прирастить суточную добычу нефти в количестве 107,5 т/сут. Режимы работ скважин до и после ОПЗ приведены в таблице 5.8. Таблица 5.8.

5.4 Обоснование выбора моделей для прогнозирования основных технологических показателей разработки

Известно, что эффективность решений по повышению нефтеотдачи во много зависит от достоверности используемых моделей.

Для адаптации гидродинамической модели наиболее действенным средством является сравнения расчетных и фактических показателей и согласование их путем внесения изменения в параметры исходной модели и повторных гидродинамических расчетов. Наиболее информативными из таких показателей являются профили притока и приемистости или, по меньшей мере, достоверный учет добываемой продукции из каждого совместно эксплуатируемого пласта.

Часто определение технологической эффективности проводится на основе характеристик вытеснения - зависимость накопленной добычи нефти от накопленной добычи жидкости, при этом базовый вариант (экстраполяция прежнего режима) сравнивают с фактическим вариантом после оптимизации пластового давления.

Наиболее известными традиционными считаются трехпараметрические зависимости типа:

ΣQн=A+B*ln(ΣQж)     (Сазонов Б.Ф.)

ΣQн=A+В*(ΣQж) ^ C   (Орлов В.С., Ревенко В.М., Амелин И.Д., Казаков А.А.)

Однако эти модели имеют высокую погрешность и не позволяют описывать зависимость накопленной добычи нефти (ΣQн) от накопленной добычи жидкости (ΣQж) во всем диапазоне обводненностей.


Таблица 5.7.

№ п/п

Формулы

Автор модели (методики)

Определяемые параметры

Коэффициенты

1

ΣQн=A+B · ln(ΣQж)

Сазонов Б.Ф.

А, В при lg, В · 2,3

C = 0

2

ΣQн = A+C/ΣQж

Камбаров Г.С.

А, C

В = 0, D = - 1

3

ΣQн=A+C/(ΣQж)0,5

Пирвердян А.М.

А, C

В = 0, D = - 0,5

4

ΣQн=A+C·(ΣQж)^D

Орлов В.С. Ревенко В.М. Амелин И.Д. Казаков А.А.

А, C, D

В = 0

5

ΣQн= А + В × (Qж+C)^D +E × (Qж+F)^G

Леонов В.А.

А, B, C, D, E, F, G

 


Рис. 5.20 Сравнение прогнозных моделей

Для прогнозирования процесса разработки продуктивного пласта, как по скважине, так и по группе скважин (взаимодействующих через пласт) для практического использования автором предложена следующая семипараметрическая модель - характеристика вытеснения (кривая обводнения).

ΣQн= А + В × (Qж+C)^D +E × (Qж+F)^G                                      (5.6)

где:   А, В, С, D, E, F, G - коэффициенты, определяемые по накопленным статистическим данным методом наименьших квадратов.

Многочисленные промысловые данные по скважинам показывают, что предложенная характеристика вытеснения наиболее универсальна и дает наименьшую погрешность в относительно широком диапазоне времени и обводненности (в том числе и на начальной стадии разработки рис. 5.21.).

Рис. 5.21. Аппроксимация характеристики вытеснения

Характеристику вытеснения по отдельным пластам отдельных скважин следует считать неизменной только при неизменной структуре пласта. То есть при любом крупномасштабном геолого-техническом воздействии на пласт (гидроразрыв пласта, дополнительная перфорация, изоляционные работы и пр.) его структура изменяется, а значит и характеристика вытеснения будет новой.

В таких случаях для этих пластов отдельных скважин следует рассматривать кусочную (j -кусочную или, по меньшей мере, двухкусочную) характеристику вытеснения.

ΣQнj= Аj + Вj×(ΣQжj+Cj) Dj +Ej×(ΣQжj+Fj)^Gj                            (5.7)

Данную модель (5.7) можно легко анализировать поскольку, как правило, одно из слагаемых имеет положительный знак (Вj > 0), а второе отрицательный (Ej < 0)

Данную модель (5.7) можно также эффективно использовать и для многих других важных зависимостей, таких как:

дебит жидкости (нефти, газа) от депрессии (разность между пластовым и забойным давлением), в этом случае первый кусок описывает зависимость (прямолинейная) до забойного давления равного давлению насыщения, а второй кусок зависимость при забойном давлении меньше давления насыщения;

дебит жидкости (нефти, газа) от расхода газлифтного газа (добычи свободного газа), в этом случае первый кусок описывает характеристическую кривую для работы на пусковых клапанах, а второй кусок - на рабочем клапане.

.5 Анализ эффективности внедрения технологии одновременно-раздельной разработки нескольких эксплуатационных объектов

Анализ геолого - технических мероприятий проведенных на южной части Приобского показал, что дополнительная добыча нефти после внедрения технологии одновременно-раздельной разработки нескольких эксплуатационных объектов (технология ОРРНЭО) в среднем на одну скважину составила не менее 2,4 тыс т. Дебиты скважин с началом внедрения технологии ОРРНЭО возросли по нефти соответственно с 9,2 т/сут до 17,4 т/сут и по жидкости с 9,5 т/сут до 18,1 т/сут.

Для прогнозирования процесса разработки продуктивного пласта была использована следующая семипараметрическая модель - характеристика вытеснения Леонова В.А. (НИИ «СибГеоТех см. раздел 5.4).

На рис. 5.22 построена модель на основе характеристики вытеснения. Для её построения (см. рис. 5.22 поз. 1) использовался базовый период (до внедрения ОРРНЭО) и его аппроксимация. На рис. 5.22. так же показана фактическая добыча нефти после внедрения технологии ОРРНЭО и поз. 2 показан прогнозная добыча нефти.

Рис. 5.22. Сравнение характеристик вытеснения по модели до и после внедрения технологии ОРРНЭО

Рис. 5.23 Оценка эффективности технологии ОРРНЭО

Из рис. 5.23 видно, что внедрение технологии ОРРНЭО привело к увеличению добычи нефти в размере 345 тыс.т., из которых прирост добычи нефти от повышения нефтеотдачи составил 211 тыс.т. и от интенсификации добычи нефти в размере 134 тыс.т.

Выводы

Предложена и опробована технология исследования многопластового месторождения нефти, которая отражает дифференциальную информативность по каждому пласту.

Интерпретация трассерных исследований с закачкой трассера тринатрий фосфата в пласт АС12 скважину 477Р, роданистого аммония в пласт АС10 в скважину 12277, флуоресцеина натрия в пласт АС10, и эозина в пласт АС10 в скважину 15994 позволила обнаружить техногенные нарушения, в районе скважин 15961 и 15962 межпластовый переток. Основные параметры продвижения трассеров по каналам НФС приведены в таблице.

Вид трассера

Пласт

№ скважины

Диапазон скорости, м/час

Объем каналов, м3

Проницаемость, мкм2

Масса выхода индикатора, кг

ТНФ

АС12

477Р

0,6 - 4,36

7981,6

9,9 -136,4

6,6

РА

АС10

12277

0,6 - 10,6

2478

13-230

1,9

ФН

АС10

15994

0,9 - 36,8

1407

131-1094

6,3

ЭО

АС12


1,1 - 27,6

1507

360,6-1259

4,6


По результатам проведенных индикаторных исследований и на основе обобщения многолетнего опыта применения методов нефтеотдачи рекомендовано:

произвести работы по выравниванию профиля приемистости на 8 нагнетательных скважинах;

произвести 17 ОПЗ добывающих скважин на основе технологий, содержащих спиртно - кислотные составы. Суточный прирост добычи нефти составит 186,9 т/сут;

произвести 7 КОПЗ добывающих скважин. Суточный прирост добычи нефти составит 107, 5 т/сут;

продолжать внедрять технологию ОРРНЭО.

Анализ внедрения технологии одновременно-раздельной разработки нескольких эксплуатационных объектов (технология ОРРНЭО) показал увеличение добычи нефти в среднем на одну скважину не менее 2,4 тыс т. Дебиты скважин с началом внедрения технологии ОРРНЭО возросли по нефти соответственно с 9,2 т/сут до 17,4 т/сут и по жидкости с 9,5 т/сут до 18,1 т/сут.

6. Технико - экономические показатели

.1 Расчет показателей экономической эффективности ОПЗ

Мероприятия научно-технического прогресса оказывают двоякое влияние на технико-экономические показатели:

позитивное - через технологические эффекты, отражающие целевое назначение проводимых мероприятий;

негативное - через ресурсы и затраты, требующиеся для реализации мероприятий НТП.

В результате внедрения мероприятий НТП может быть положительный либо отрицательный эффект, соответственно предприятие получит дополнительную прибыль или потерпит убытки.

В качестве положительного примера рассмотрим экономический эффект спирто - кислотных обработок призабойной зоны пласта на Приобском месторождении.

Для анализа сведем необходимые данные в таблицу 6.1.

Таблица 6.1.

Исходные данные для расчета

Наименование

Ед. изм.

2006




1 кв.

2 кв.

3 кв.

4 кв.

1

Количество ОПЗ

скв.

17

-

-

-

2

Средний прирост дебита нефти после ОПЗ

т/сут

11

9,5

7,2

4,1

3

Затраты на ОПЗ

тыс. руб.

3740

-

-

-

4

Коэф. эксплуатации

д.е.

0,975

0,975

0,975

0,975

5

Стоимость проведения ОПЗ

тыс. руб.

220

15,7

15,7

15,7

6

Цена 1 тонны нефти

руб.

4100

4100

4100

4100

7

Себестоимость 1 тонны нефти

руб.

3280

3280

3280

3280

8

Налог на прибыль

%

24

24

24

24

9

Норма дисконта Е

%

10

10

10

10

10

Удельный вес условно-переменных затрат

%

43

43

43

43


В рассматриваемом проекте в расчетах не будут учитываться капитальные затраты, ввиду их отсутствия при проведении ОПЗ.

Поток денежной наличности определяется по формуле:

ПДНt = Вt - Зt - Нt (6.1)

где

Вt

-

выручка, тыс. руб.;


Зt

-

текущие затраты;


Нt

-

налоги, тыс. руб.;


Выручку рассчитаем по формуле:

ΔВ1 кв = Ц · ΔQ1 кв = 4100 · 16,65 = 68250 тыс. руб. (6.2)

где

Ц

-

цена 1 тонны нефти, руб.


ΔQ1кв

-

дополнительная добыча за квартал


Прирост добычи нефти от ОПЗ в квартал составит:

ΔQ1 кв = Δq · Tk · Kэксп · Nскв = 11 · 91,3· 0,975 · 17 = 16,65 тыс.т (6.3)

где

Δq

-

прирост дебита в сутки, т/сут.;


Tk

-

количество календарных дней в периоде, сут.;


 Kэкс

-

коэффициент эксплуатации;


 Nскв

-

количество скважин.


Текущие затраты рассчитываются по формуле:

Зt = Здоп t + Змер-ий (6.4)

где

Здопt

-

дополнительные затраты;


Змер-ий

-

затраты на проведение мероприятия.

 

Здоп t = Зпер.ые = С · dпер · ∆Qt (6.5)

где

∆Qt

-

годовой прирост добычи, тыс.т.


Здоп t = 3280 · 0,43 · 16,65 = 23483 тыс. руб.

З1 кв = 23483 + 3740 = 27223,2 тыс. руб.

Налог на прибыль рассчитывается:

Нпр.= = 7048 тыс. руб. (6.6)

где

Пнал.обл.

-

прибыль налогооблагаемая, тыс. руб.;


Nпр.

-

ставка налога на прибыль, 24%

 


ПДН1 кв = 68250 - 27223,2 - 7048= 33983 тыс. руб.

Накопленный поток денежной наличности определяется по формуле:

НПДНt = ∑ПДН (6.7)

НПДН1 кв = ПДН1 кв = 33983 тыс. руб.

Дисконтированный поток денежной наличности определяется по формуле:

ДПДНt = ПДНt · Кд (6.8)

где

Кд

-

коэффициент дисконтирования, доли единиц.


Кд = (1+Eнп/4) Tp-t = (1+0,1/4)0 = 1 (6.9)

где

Eнп

-

ставка дисконтирования, доли единиц;

 

ДПДН1 кв = 33978 · 1 = 33983 тыс. руб.

Чистая текущая стоимость определяется по формуле:

ЧТСt = ∑ДПДНt (6.10)

ЧТС1 кв = ДПДН1 кв = 33983 тыс. руб.

Аналогично расчет ведется и на второй, третий и четвертый кварталы 2006 года. Результаты расчетов представлены в таблице 6.2. На рисунке 6.1 показаны профили потока денежной наличности и чистой текущей стоимости при проведении ОПЗ.

Таблица 6.2.

Расчет экономических показателей

Показатели

2006 год


1 кв.

2 кв.

3 кв.

4 кв.

Прирост добычи, тыс. тонн

16,65

14,38

10,90

6,20

Прирост выручки, тыс. руб.

68249,7

58942,9

44672,5

25438,5

Текущие затраты, тыс. руб.

27217,9

20276,4

15367,4

8750,9

Затраты на мероприятие, тыс. руб.

3740

0

0

0

Затраты на доп. добычу, тыс. руб.

23477,9

20276,4

15367,4

8750,9

Прирост прибыли, тыс. руб.

29368,06

25363,32

19222,73

10946,28

Налог на прибыль, тыс. руб.

7048,3

6087,2

4613,5

2627,1

ПДН, тыс. руб.

33983,48

32579,37

24691,73

14060,57

НПДН, тыс. руб.

33983,48

66562,85

91254,58

105315,15

Коэффициент дисконтирования

1

0,976

0,951

0,93

ДПДН, тыс. руб.

33983,48

31797,46

23481,84

13048,21

ЧТС, тыс. руб.

33983,48

65780,94

89262,78

102310,99

Рис. 6.1. Профили НПДН и ЧТС

Срок окупаемости затрат на ОПЗ:

Ток = Змер/(∆В1 кв - З1 кв) (6.11)

Ток = 3740/(68249,7 - 27217,9) = 0,09 года = 33 дня.

.2 Анализ чувствительности проекта к риску

На последнем этапе экономического обоснования предлагаемого мероприятия проводится анализ чувствительности проекта к риску. Для этого выбирается интервал наиболее вероятного диапазона вариации каждого фактора, например:

Задаемся наиболее вероятными интервалами изменения факторов:

= [- 30 %; + 10 %];

Цн = [- 20 %; + 20 %];= [- 20 %; + 20 %];

З = [- 10 %; + 10 %].

После этого рассчитываем ЧТС при минимальном и максимальном значении каждого фактора. Результаты сведены в таблицу 6.3. На основании полученных данных строим диаграмму чувствительности проекта (рис. 6.2.).

Динамика ЧТС при различных вариациях факторов

Показатели

Значение показателя, тыс. руб.

 

-30%

-20%

-10%

0

10%

20%

ЧТС (баз)

 

 

 

102310,99

 

 

ЧТС (Qн)

70495

 

 

 

112916

 

ЧТС (Ц)

 

73146

 

 


131475

ЧТС (З)

 

 

102684

 

 

101562

ЧТС (Н)

 

 

104292

 

 

98348


Таким образом, расчет экономической эффективности спирто-кислотных обработок показывает, что отрицательные значения НПДН и ЧТС отсутствуют, то есть при существующих экономических обстоятельствах проведения данного геолого-технического мероприятия, проект окупается уже в первый месяц внедрения.

Диаграмма «Паук» (см. рис. 6.2) находится в положительной области, из чего следует, что проект абсолютно не подвержен риску.

Исходя из вышеизложенного, можно сделать вывод о целесообразности внедрения рассматриваемого проекта в производство.

Рис. 6.2. Диаграмма чувствительности проекта к риску («Паук»)

Выводы

Расчеты экономической эффективности в результате проведенных мероприятий, направленных на увеличение добычи нефти скважин за счет спирто - кислотных обработок призабойной зоны пласта в скважинах (см. табл. 6.1.) показали, что затраты на проведение данных мероприятий в первом квартале 2006 г. составляют 3740 тыс. рублей. За счет увеличения добычи нефти скважин получена чистая текущая стоимость, которая на четвертый квартал 2006 г. составит 102311 тыс. рублей при вложении собственных средств для реализации проекта. Срок окупаемости проекта примерно 1 месяц. Данные мероприятия дают более 24692 тыс. руб. прибыли без какого-либо риска (см. рис. 6.2. диаграмму чувствительного проекта к риску). Следовательно, проведение мероприятий по обработке скважин во многом оправдают себя, показав высокую экономическую эффективность и прирост дополнительной добычи нефти.

7. Безопасность и экологичность проекта

.1 Основные законодательные и нормативные акты, регулирующие трудовые отношения, регламентирующие условия труда и безопасность на производстве

В соответствии со статьей 42 Конституции Российской Федерации каждый имеет право на благоприятную окружающую среду, достоверную информацию о ее состоянии и на возмещение ущерба, причиненного его здоровью или имуществу экологическим правонарушением.

Земля и другие природные ресурсы используются и охраняются в Российской Федерации как основа жизни и деятельности народов, проживающих на соответствующей территории (ст. 9 Конституции РФ) [14].

Государственный контроль в области охраны окружающей среды (государственный экологический контроль) осуществляется федеральными органами исполнительной власти и органами исполнительной власти субъектов Российской Федерации (ст. 65 N 7-ФЗ от 10.01.2002г) [15].

Государственный экологический контроль за объектами хозяйственной и иной деятельности независимо от форм собственности, находящимися на территориях субъектов Российской Федерации, осуществляют органы государственной власти субъекта Российской Федерации самостоятельно за счет средств бюджета субъекта Российской Федерации (ст. 14 ФЗ N 199-ФЗ от 29.12.2004г) [16].

При размещении, проектировании, строительстве, и эксплуатации объектов нефтегазодобывающих производств, объектов переработки, транспортировки, хранения и реализации нефти, газа и продуктов их переработки должны предусматриваться эффективные меры по очистке и обезвреживанию отходов производства и сбора нефтяного (попутного) газа и минерализованной воды, рекультивации нарушенных и загрязненных земель, снижению негативного воздействия на окружающую среду, а также по возмещению вреда окружающей среде, причиненного в процессе строительства и эксплуатации указанных объектов (ст. 46 п.2. N 7-ФЗ от 10.01.2002г).

Для предотвращения загрязнения недр при проведении работ, связанных с пользованием недрами, при подземном хранении нефти, газа или иных веществ и материалов, захоронении вредных веществ и отходов производства, сбросе сточных вод необходимо соблюдать стандарты (нормы, правила), регламентирующие условия охраны недр, атмосферного воздуха, земель, лесов, вод, а также зданий и сооружений от вредного влияния работ, связанных с пользованием недрами (ст. 22, 23 закон РФ N 2396-1) [17]. В целях предупреждения вреда, который может быть причинен окружающей природной среде, здоровью и генетическому фонду человека, стандартами на новые технику, технологии, материалы, вещества и другую продукцию, которые могут оказать вредное воздействие на атмосферный воздух, устанавливаются требования охраны атмосферного воздуха (ст. 15 N 96-ФЗ от 04.05.1999г) [18].

Любая деятельность, влекущая за собой изменение среды обитания объектов животного мира и ухудшение условий их размножения, нагула, отдыха и путей миграции, должна осуществляться с соблюдением требований, обеспечивающих охрану животного мира (ст. 22, N 52-ФЗ от 24.04.1995 года) [19].

В соответствии со статьей 37 трудового кодекса РФ - труд свободен.Каждый имеет право свободно распоряжаться своими способностями к труду, выбирать род деятельности и профессию. Принудительный труд запрещен. Каждый имеет право на труд в условиях, отвечающих требованиям безопасности и гигиены, на вознаграждение на труд без какой бы то ни было дискриминации и не ниже установленного федеральным законом минимального размера оплаты труда, а также право на защиту от безработицы.

Закон РФ о занятости населения в РФ (от 19 апреля 1991г) определяет правовые, экономические и организационные основы государственной политики содействия занятости населения, в том числе гарантии государства по реализации конституционных прав граждан РФ на труд и социальную защиту от безработицы.

Подзаконные акты, регулирующие трудовые отношения:

. Постановление Правительства РФ «О федеральной инспекции труда» (от 28 января 2000г, №78).

. Постановление Правительства РФ «О мерах по улучшению условий и охраны труда» (от 26 августа 1995г, №843).

. Положение «О расследовании и учете несчастных случаев на производстве» (утверждено постановлением Правительства РФ от 11 марта 1999г, №279).

. Рекомендации по организации работы службы охраны труда на предприятии, учреждении и организации (утверждены Постановлением Министерства труда РФ от 30 января 1995г, №6).

. Указ президента РФ «О повышении тарифной ставки (оклада) первого разряда единой тарифной сетки по оплате труда работников организаций бюджетной сферы» (от 20 марта 2000г, №539).

. Указ президента РФ «О нормах расходов для федеральных государственных служащих на служебные командировки в пределах РФ» (от 5 февраля 2000г, №132).

. Указ президента РФ «Об утверждении положения о проведении аттестации федерального государственного служащего» (от 9 марта 1996г №353).

Безопасность во всех сферах производственной деятельности, согласно требований и положений Трудового кодекса и других определяющих документов, на лицензионной территории предприятия ООО «Сибнефть-Хантос» является основной задачей.

7.2 Основные чрезвычайные ситуации техногенного характера

.2.1 Характеристика наиболее вероятных ЧС техногенного характера возникающих на территории предприятия

На месторождении могут возникнуть различные чрезвычайные ситуации (ЧС). Путем экспертных оценок на Приобском месторождении можно спрогнозировать следующие виды ЧС техногенного характера:

пожары;

отключение электроэнергии;

взрывы и многое другое.

Специфической особенностью большинства объектов нефтегазовой промышленности является наличие значительного объема нефти и газа, что обуславливает возникновение аварий, пожаров, взрывов, затоплений, опасного поражения местности и атмосферы сильнодействующими ядовитыми веществами.

Наибольшую опасность при ведении спасательных и неотложных аварийно-восстановительных работ (СНАВР) на объектах нефтегазовой промышленности представляют пожары, возникающие при разрушении технологических емкостей, аппаратов, трубопроводов и оборудования, сильная загазованность, грозящая отравлениями и взрывами, задымленностью и затопленностью нефтью или нефтепродуктами территории.

Спасательные работы на загазованных и задымленных участках в первую очередь направлены на эвакуацию из опасных районов в безопасные места всего незащищенного населения и только затем укрываемых, находящихся в герметичных защитных сооружениях, обеспечивающих регенерацию внутреннего воздуха.

К промышленности относятся также: сбор и тушение растекающейся горячей нефти и нефтепродуктов или их отвод в безопасные места; охлаждение горящих и соседних емкостей, аппаратов и другого оборудования; создание дополнительных ограждающих валов; перекачку нефти и нефтепродуктов из горящих, разрушенных или поврежденных аппаратов в свободные или специальные аварийные; снижение давления в аппаратах работающих под давлением или наоборот, повышение до атмосферного в вакуумных аппаратах; отключение аварийных участков и т.д.

Определение вероятных параметров ударной волны при взрыве газовоздушной или паровоздушной смеси

Ниже приведен расчёт чрезвычайной ситуации: вероятный взрыв емкости, заполненной нефтью объемом 10м3. При этом объем газовоздушной смеси Q(Т) принимается равным 20 % от объема емкости. При взрыве выделяют зону детонационной волны с радиусом R1, где происходит полное разрушение. Избыточное давление в зоне детонационной волны DРф1=900 кПа. Радиус зоны детонационной волны R1 определяется по уравнению:

R1 = 18,5 , м (7.1)

где Q - количество газа, т;

- зона детонационной волны; 2 - зона ударной волны; 3 - зона смертельного поражения людей; 4 - зона безопасного удаления; 5 - зона предельно допустимой взрывобезопасной концентрации; 6 - крановое оборудование; 7 - станция управления; Rспл - радиус смертельного поражения людей; Rбу - радиус безопасного удаления, ΔРф=5кПа; Rпдвк - радиус предельно допустимой взрывобезопасной концентрации; R1 - радиус зоны детонационной волны (м); r2=25м расстояние до кранового оборудования; r3=70м расстояние до станции управления

Рис. 7.1. Взрыв паро- и газовоздушной смеси

Для нашего случая объем газовоздушной смеси 1,644т, тогда радиус зоны детонационной волны:

= 18,5  = 21,83 м,      

Вероятные разрушения зданий, сооружений, коммуникаций и оборудования в зависимости от избыточного давления, таблица 7.1.

Таблица 7.1.

Степень разрушения объектов при взрыве газа

Наименование элементов предприятия

Степень разрушения при избыточном давлении, ΔРф,кПа

Промышленное с металлическим или железобетонным каркасом (З)

Слабое

Крановое оборудование (КО)

Сильное

Аппаратура(КИА)

Сильное

Воздушные ЛЭП

Слабое

Кабель наземный(КН)

Сильное

Наземные резервуары для ГСМ(Р)

Слабое

Грузовые автомобили(ГА)

Сильное

Автобусы (А)

Слабое

Гусеничные тракторы (ГТ)

Слабое


Радиус зоны смертельного поражения людей Rспл определяется по формуле:

Rспл=30        (7.2)

Для нашего случая

спл = 30 = 35,41м

Давления, оказываемые взрывом на крановое оборудование и станцию управления, будет составлять 279 кПа и 45кПа соответственно. На момент взрыва на работе было 10 человек, 7 из них находилось рядом со скважинной, 3 - в станции управления.бу=262м, при условии, что ΔРф=5кПа.

Для данных объектов степени разрушения оцениваются как сильные, т. е. после взрыва требуется приобретение нового оборудования. Таким образом, можно сделать вывод, что рабочий персонал пострадает, не исключен смертельный исход.

Определение глубины распространения СДЯВ при разливе их с поражающей концентрацией

Распространение СДЯВ при неблагоприятных метеоусловиях (t=20°C, скорость ветра 1 м/с, направление ветра на предприятие) изображено на рис.7.2.

- крановое оборудование; 7 - станция управления

Рис. 7.2. Распространение СДЯВ

Рассчитаем распространение СДЯВ при разливе сырой нефти 10м3 из емкости.

При разливе СДЯВ образуется первичное облако пара (мгновенное испарение) и вторичное облако пара (испарение слоя жидкости).

Определяют эквивалентное количество вещества Qэ1 по первичному облаку по формуле:

э1=К1 · К3 · Q0, т                                    (7.3)

где К1 - коэффициент, зависящий от условий хранения СДЯВ (табл. 7.3.) для сырой нефти К1=0;

К3 - коэффициент, равный отношению пороговой токсодозы соляной кислоты к пороговой токсодозе другого СДЯВ (табл. 7.3.);- количество выброшенного (разлившегося) при аварии вещества, м3.

э1=0 · 0,36 · 8,22 = 0 т

Определяют эквивалентное количество вещества Qэ2 по вторичному облаку в тоннах по формуле:

, (7.4)

где: К2 - коэффициент, зависящий от свойств СДЯВ (табл. 7.3.),- плотность СДЯВ, т/м3 (табл. 7.3.); - толщина слоя СДЯВ, м.

Таблица 7.3.

Характеристика СДЯВ и вспомогательные коэффициенты

для определения глубин зон заражения

Наименование СДЯВ

Плотность СДЯВ, т/мЗ

Температура кипения, оС

Пороговая ток-содоза, мг·мин/л

Значения вспом. коэффициентов


газ

жид­кость



ΚΙ

К2

КЗ

Нефть, бензин

0,0021

0,65-0,85

35-360

-

0

0,021

0,36


Максимальное значение глубины зоны заражения вторичным облаком СДЯВ:

Г2=9,18 км

Таким образом, от вторичного облака пострадают все люди, находящиеся вне здания (7 человек) и половина в здании (1; 2 человека).

.2.2 Чрезвычайные ситуации, вызванные террористическими актами

Помимо чрезвычайных ситуаций, возникших естественным путём, возможны повреждения оборудования в результате террористических актов. Для предотвращения подобных ситуаций въезд на Самотлорском месторождение контролируется службой безопасности ООО ЧОП «Русь» и присутствие посторонних людей на месторождении запрещено, на объектах месторождения действует контрольно-пропускная система.

.3 Чрезвычайные ситуации, вызванные природными явлениями

Наиболее вероятные чрезвычайные ситуации природного происхождения, характерные для района работ на котором располагается Приобское месторождение:

наводнение - временное затопление значительной части суши водой в результате действия природных сил. Наводнения могут быть вызваны выпадением обильных осадков или обильным таянием снегов. Это ведет к резкому подъему уровня рек, озер, образованию заторов. Прорыв заторов и плотин может привести к образованию волны прорыва, характеризующейся стремительным перемещением огромных масс воды и значительной высотой;

подтопление - результат наводнений, разливов, нагонных явлений. Последствиями подтопления могут быть:

загрязнение подземных вод, источников водоснабжения;

разрушение почв, ухудшение качества земель;

угнетение и изменение водного состава флоры и фауны;

заболачивание, засоление территорий и вырождение растительности и лесов;

атмосферные опасности.

Атмосферное давление распределяется неравномерно, что приводит к движению воздуха относительно Земли от высокого давления к низкому. Это движение называется ветром. Область пониженного давления в атмосфере с минимумом в центре называется циклоном. Циклон в поперечнике достигает несколько тысяч километров. Антициклон - это область повышенного давления в атмосфере с максимумом в центре.

В результате естественных процессов, происходящих в атмосфере, на Земле, в частности на территории Западной Сибири, наблюдаются явления, которые представляют непосредственную опасность и затрудняют функционирование систем человека. К таким атмосферным опасностям относят ураганы, бури, смерчи, град, метели, ливни, гололед, туманы, молнии.

Грозы приводят к наиболее опасным проявлениям стихии - пожарам. Пожар - это произвольное распространение горения, которое вышло из-под контроля. Особенно опасны торфяные и лесные пожары.

Лесные пожары могут быть разных видов: низовой, когда горит сухой торфяной покров, лесная подстилка, валежник, кустарник, молодой лес; верховой, когда горит лес снизу до верху или кроны деревьев. Огонь движется быстро, искры разлетаются далеко; торфяной (почвенный), когда беспламенно горит торф на глубине. Это наиболее опасное чрезвычайное происшествие, которое может привести к воспламенениям и взрывам в районе работ.

.4 Мероприятия по предотвращению, ликвидации и снижению последствий чрезвычайных ситуаций техногенного и природного характера

.4.1 Мероприятия, направленные на предотвращение, ликвидацию и снижение последствий чрезвычайных ситуаций техногенного характера

При проектировании необходимо предусмотреть мероприятия, позволяющие снизить воздействие строящихся объектов на окружающую среду (N 116-ФЗ от 21.07.1997г) [20]:

предусмотреть конструкции трубопроводных систем, обеспечивающие безаварийную работу (увеличение толщины стенки труб, внутреннее покрытие) и возможность применения диагностических устройств с целью проверки толщины стенок трубопроводов, предусмотреть контроль качества сварных швов трубопроводов методами магнитографирования и радиографирования и гидравлическое испытание на прочность и герметичность (ПБ 03-585-03) [21];

предусмотреть автоматическое отключение насосов, перекачивающих нефть, при падении давления в трубопроводе;

предусмотреть электроприводную запорную арматуру с дистанционным управлением (ПБ 08-624-03) [22];

линейные сооружения разместить на менее уязвимых угодьях (вне путей миграции животных и птиц);

восстановление и рекультивация земель, отведенных под временное пользование или подвергшихся случайному воздействию, чтобы свести до минимума опасность эрозии, обеспечить защиту водной среды обитания и восстановление растительного покрова.

Для исключения вредного воздействия на гидрологические объекты Приобского месторождения необходимо предусмотреть следующие мероприятия:

создать организованный поверхностный сток с территории площадочных и других производственных объектов,

исключить сброс загрязненных сточных вод на дневную поверхность и в водоемы, предусмотреть закачку сточных вод в нефтесборный коллектор;

не допускать переформирования линий поверхностного стока, поддерживая естественную его направленность, путем создания водопропускные сооружения через насыпи коммуникаций (п.3.5.4 ПБ 08-624-03).

         В целях предупреждения загрязнения атмосферного воздуха должны быть предусмотрены мероприятия по сокращению выбросов вредных веществ в атмосферу:

оснащение предохранительными клапанами всей аппаратуры, на давление превышающее расчетное (ПБ 03-576-03) [23];

сброс нефти и газа с предохранительных клапанов в аварийные емкости или на факел аварийного сжигания газа (ПБ 03-591-03) [24];

оснащение резервуаров не примерзающими клапанами типа КДС-3000, оснащение нефтяных резервуаров газоуравнительной системой, наличие резервуаров для аварийного заполнения их нефтью ПБ 03-605-03) [25].

Перед началом проведения работ на скважине бригада КРС должна быть ознакомлена с планом работ, который должен содержать сведения по конструкции и состоянию скважины, пластовому давлению, внутрискважинному оборудованию, перечню планируемых операций. С исполнителями должен быть проведен инструктаж по технике безопасности с соответствующим оформлением в журнале инструктажей [12].

Агрегаты для ремонта скважин должны устанавливаться на площадке, обеспечивающей удобное обслуживание их. Площадка должна иметь надежные упоры или приспособления для крепления подъемника и располагаться с наветренной стороны с учетом господствующего направления ветра. Выхлопные трубы агрегатов и других специальных машин, применяемых при работах на скважинах, должны быть снабжены глушителями, искрогасителями и нейтрализаторами выхлопных газов.

Манометры, индикаторы веса и другие КИП должны устанавливаться так, чтобы показания их были отчетливо видны обслуживающему персоналу.

При силе ветра 11м/сек и более, во время ливня, сильного снегопада и тумана с видимостью менее 50 м производство спуско-подъемных операций запрещается.

Пуск механизмов в ход должен производится по сигналу и лишь после того, как все работники вахты будут удалены от движущихся частей.

В случае нефтегазопроявлений в скважине, а также аварийного отключения световой линии в ночное время при спуске и подъеме труб следует немедленно установить на устье задвижку и прекратить дальнейшие работы.

При проведении ремонта устье скважины должно быть оснащено противовыбросовым оборудованием. После установки противовыбросового оборудования скважина опрессовывается на максимально ожидаемое давление, но не выше давления опрессовки экпслуатационной колонны.

Фонтанная арматура до установки на устье скважины должна быть опрессована на величину пробного давления, а после установки - на давление, равное давлению опрессовки эксплуатационной колонны.

Все электрооборудование выполнено во взрывобезопасном исполнении. Для предотвращения возможности возникновения опасных искровых разрядов с поверхности оборудования необходимо предусматривать следующие меры, обеспечивающие ликвидацию зарядов статического электричества:

а) отвод зарядов путем заземления оборудования и коммуникаций;

б) отвод зарядов путем уменьшения удельных объемов и поверхностных электрических сопротивлений;

в) нейтрализация зарядов путем использования радиоизотопных, индивидуальных и других нейтрализаторов.

При работе бригады КРС могут возникнуть чрезвычайные ситуации такие, как выброс оборудования, открытое фонтанирование, взрыв технологического оборудования и емкостей.

При их возникновении, необходимо:

при газонефтяном выбросе без загорания газонефтяной смеси

. Немедленно прекратить работы в загазованной зоне

. Заглушить двигатели внутреннего сгорания

. Эвакуировать людей за пределы загазованной зоны

. При необходимости оказать первую доврачебную помощь пострадавшим

. Загазованную зону обозначить на местности предупреждающими знаками “Опасная зона. Вход воспрещен”

. Обесточить объекты энергопотребления, которые могут оказаться в опасной зоне.

. Принять меры к ограничению площади разлива нефти, рабочего флюида, пластовой воды путем устройства обвалования.

. Сообщить об аварии руководству ЦИТС и через диспетчера ЦИТС представителю военизированного отряда по предупреждению возникновения и ликвидации открытых газовых и нефтяных фонтанов.

. Определить уровень загазованности и при положительном анализе газовоздушной среды принять меры к эвакуации автотехники с места аварии.

. Дополнительные работы вести по дополнительному плану.

При газонефтяном выбросе с возгоранием газонефтяной смеси

. Немедленно прекратить работы в зоне воспламенения газонефтяной смеси

. При необходимости оказать первую доврачебную помощь пострадавшим.

. Эвакуировать людей за пределы зоны воспламенения газонефтяной смеси.

. Сообщить о загорании в пожарную часть, диспетчеру ЦИТС.

. Приступить к тушению пожара пожарным автомобилем, имеющимися первичными средствами пожаротушения.

. Принять меры к ограничению площади разлива нефти, рабочего флюида, пластовой воды путем устройства обвалования.

. При возможности эвакуировать нефтяные емкости, автотехнику ГРП из зоны горения.

. Организовать встречу прибывших пожарных подразделений.

. Дальнейшие работы вести по дополнительному плану.

.4.2. Мероприятия, направленные на предотвращение, ликвидацию и снижение последствий чрезвычайных ситуаций природного характера

В настоящее время существует два основных направления минимизации

вероятности возникновения и последствий ЧС на Приобском месторождении. Первое заключается в разработке технических и организационных мероприятий, уменьшающих вероятность реализации опасного поражающего потенциала современных технических систем. В рамках этого направления технические системы снабжены защитными устройствами - средствами взрыво

и пожарозащиты технологического оборудования, электро - и молниезащиты, локализации и тушения пожаров и т.д. в соответствии с законами РФ (N 116-ФЗ 21.07.1997г). Второе направление заключается в подготовке Приобского месторождения (всех эксплуатируемых объектов на территории месторождения), обслуживающего персонала к действиям в условиях ЧС. Основой второго направления является формирование планов действия в ЧС, для создания которых разработаны сценарии возможных аварий и катастроф на территории месторождения.

Ликвидация чрезвычайных ситуаций осуществляется силами и средствами предприятия в соответствии с инструкцией действующей на предприятии «Сибнефть-Хантос» [26] и федеральным законом РФ (N 116-ФЗ 21.07.1997г).

Мероприятия по предотвращению лесных и торфяных пожаров

Нефтегазодобывающее предприятие и организации при проведении работ в течение пожароопасного сезона на территории лесного фонда обязаны:

содержать территории, отведенные под скважины и другие сооружения, очищенными от древесного хлама и иных легковоспламе-няющихся материалов; проложить по границам этих территорий минерализованную полосу шириной не менее 1,4 м и содержать ее в очищенном состоянии. Аналогичные минерализованные полосы прокладываются вокруг других мест проведения работ.

полностью очистить от деревьев и кустарников площади в радиусе 50 м от пробуриваемых и эксплуатируемых скважин по закрытой системе - в радиусе 25 м;

не допускать хранения нефти в открытых емкостях и котлованах, а также загрязнения территории горючими веществами (нефтью, мазутом и другими);

согласовать с лесхозами порядок и время сжигания нефти при аварийных разливах, если она ликвидируется данным путем.

7.5 Влияние технологических процессов ООО «Сибнефть - Хантос» на экологическое состояние прилегающей территории

Атмосферный воздух

При бурении скважин и строительстве объектов обустройства загрязнение атмосферы происходит, в основном, в результате выделения:

продуктов сгорания топлива (дизельные двигатели и котельные);

растворителей (окрасочные работы);

сварочных аэрозолей (сварочные работы).

Характерным фоновым загрязнением буровых зон следует считать испарение предельных углеводородов (C12-C19).

При эксплуатации объектов по добыче и подготовке нефти загрязнение атмосферы предполагается в результате выделения:

легких фракций углеводородов от технологического оборудования (кусты скважин, сепараторы, емкости, свечи, резервуары, насосы);

продуктов сгорания попутного нефтяного газа (котельные, подогреватели нефти, факелы);

Кроме этого, на всех стадиях освоения месторождения в атмосферу выделяются загрязняющие вещества от передвижного транспорта.

Почвы, недра

Необходимо выделить несколько видов воздействия на ландшафты, растительность, почвы и грунты при освоении месторождения.

Прямое воздействие на земли путем изъятия под объекты нефтепромысла.

Механическое воздействие связано с вертикальной перепланировкой рельефа, уплотнением верхнего слоя почвы при отсыпке площадок под бурение, при передвижении автотранспорта по дорогам.

Механическое воздействие, связанное с вертикальной перепланировкой рельефа, характеризуется следующими факторами:

подсыпка грунта при вертикальной планировке площадок для объектов нефтепромысла, автомобильных дорог;

разработка карьера песка;

устройство траншей для подземного строительства трубопроводов.

Биоморфологические нарушения, источниками которых могут быть расчистка территории под буровую площадку, вырубка леса, снятие и складирование верхнего слоя почвы.

Во всех случаях воздействие, так или иначе, оказывается негативным, потому что его результатом является накопление аэрозольных загрязнений в почвах и растительном покрове, локальное уничтожение грунтов, уменьшение их механической прочности, формирование антропогенного рельефа местности (ямы, насыпи, котлованы и т.д.).

В растительном мире происходит уничтожение травяно-кустарничкового яруса, угнетение растительности на прилегающей территории. Часто происходит смена одного ландшафта (сообщества экосистем) на другой и, как правило, менее ценный во всех отношениях.

Поверхностные воды

Классифицируя виды воздействия на поверхностные воды, можно выделить основные из них:

строительство линейных и площадочных объектов (устройство насыпных оснований под площадку куста скважин, подсыпка для автомобильных дорог);

забор воды на хозяйственно-питьевое и производственно-пожарное водоснабжение;

Непосредственное воздействие на качество поверхностных вод при бурении скважин, строительстве и эксплуатации объектов обустройства могут оказывать следующие источники загрязнения:

утечки жидких отходов бурения из накопительных котлованов, сооружаемых в минеральном грунте (шламовых амбаров);

перенос вредных веществ с загрязненных участков ливневыми и талыми водами по ложбинам стока;

перенос вредных веществ грунтовыми водами, питающими реки;

прямые выбросы веществ в водоемы.

Наиболее характерными последствиями проведения строительных работ на указанных сооружениях являются:

нарушение берегов водных преград, частичное нарушение рельефа;

повреждение русла постоянных водотоков;

нарушение растительности на берегах водоемов;

взмучивание и нарушение мест корма рыб в водоемах.

Кроме того, при строительстве насыпных оснований, линейных сооружений (особенно автомобильных дорог) может происходить переформирование поверхностного стока. При этом создаются предпосылки к изменению увлажнения поверхности, режима верховодки, влажности почвогрунтов при подтоплении или осушении.

Выводы

Разработка Южной лицензионной территории Приобского месторождения осуществляется в соответствии с мерами по охране окружающей среды и строгим соблюдением российских и международных природоохранных стандартов и требований для такого рода проектов. Тесное взаимодействие с административными контрольными органами и установление надежных внутренних экологических норм гарантируют, что строительство, эксплуатация и ликвидация различных объектов и скважин осуществляется в соответствии с применяемыми правовыми нормами и правилами. Соблюдение предусмотренных стандартами высоких требований в области охраны окружающей среды и безопасности производства, соответствующих местным, региональным и национальным законам и природоохранным стандартам, обеспечивает минимальное воздействие на окружающую среду.

Заключение

Лицензионная территория Приобского месторождения находится в пределах административной юрисдикции Ханты-Мансийского района Ханты-Мансийского автономного округа.

Месторождение находится на начальной стадии разработки. На основе фактического геолого - промыслового материала произведен анализ разработки объекта АС10.

По состоянию на 01.07.05 г. из объекта АС10 добыто 2189,3 тыс.т нефти и 2549,3 тыс. т жидкости;

обводненность продукции составила 19,4 %;

текущее значение коэффициента нефтеизвлечения составляет 1,32 %;

на месторождения пробурено 164 скважины, из них действующий фонд: 109 добывающих и 20 нагнетательных скважин.

средний дебит скважин по нефти составляет 41,6 т/сут, средний дебит скважин по жидкости - 51,7 т/сут.

пластовое давление с начала разработки залежи снизилось с 26,0 МПа до 20,3 МПа. В зоне нагнетания пластовое давление в среднем составляет 36,0 МПа, в зоне отбора оно составляет 15,7 МПа.

оценка извлекаемых запасов показала, что 9 % от НИЗ перейдут в категорию трудноизвлекаемых запасов, что свидетельствует о необходимости применения геолого - технических мероприятий.

Добыча нефти ведется с применением технологии эксплуатации нескольких пластов одной скважиной, при этом предусматривается использование погружных центробежных электронасосов (ЭЦН), устанавливаемых в интервалах эксплуатации скважин.

Основным методом воздействия на пласт является гидроразрыв, обеспечивающий приемлемые показатели производительности скважин, который позволяет повысить продуктивности скважин в 1,5-3,5 раза.

В качестве водонагнетательных используются переведенные на этот режим добывающие скважины после периода эксплуатации продолжительностью от одного года до двух лет для получения преимуществ высокодебитной добычи, характерной для вновь пробуренных скважин.

Анализ трассерных исследований по пластам АС10 и АС12, проведенных в 2005 г. свидетельствует о наличии гидродинамической связи между пластами.

Интерпретация трассерных исследований с закачкой трассера тринатрий фосфата в пласт АС12 скважину 477Р, роданистого аммония в пласт АС10 в скважину 12277, флуоресцеина натрия в пласт АС10, и эозина в пласт АС10 в скважину 15994 позволила обнаружить техногенные нарушения.

По результатам проведенных индикаторных исследований и на основе обобщения многолетнего опыта применения методов нефтеотдачи рекомендовано:

произвести работы по выравниванию профиля приемистости на 8 нагнетательных скважинах;

произвести 17 ОПЗ добывающих скважин на основе технологий, содержащих спиртно - кислотные составы;

произвести комплексную обработку призабойной зоны пласта на 7 добывающих скважинах;

продолжать внедрять технологию ОРРНЭО.

Анализ внедрения технологии одновременно-раздельной разработки нескольких эксплуатационных объектов (технология ОРРНЭО) показал увеличение добычи нефти в среднем на одну скважину не менее 2,4 тыс т. Дебиты скважин с началом внедрения технологии ОРРНЭО возросли по нефти соответственно с 9,2 т/сут до 17,4 т/сут и по жидкости с 9,5 т/сут до 18,1 т/сут.

По результатам экономической оценки одного из предложенных мероприятий, а именно проведения спирто - кислотных обработок призабойной зоны пласта в 17 скважинах, установлено что затраты на проведение данных мероприятий в первом квартале 2006 г. составляют 3740 тыс. рублей, а за счет увеличения добычи нефти скважин, которая составит в среднем 12,1 тыс. тонн в квартал, прирост выручки от реализации составит соответственно 49325.9 тыс. рублей. Таким образом, чистая текущая стоимость на четвертый квартал 2006 г. составит 94571 тыс. рублей. Срок окупаемости проекта примерно 1 месяц. Данные мероприятия дают более 14061 тыс. рублей прибыли без какого-либо риска.

Так как залежь месторождения является многопластовой, с целью детального изучения каждого пласта, а также гидродинамической связи или, перетоков между пластами, т.е. чтобы получить наиболее полную характеристику объекта необходимо исследовать все пласты, для надежности принимаемых решений по геолого - техническим мероприятиям, для оптимизации поля пластовых давлений при использовании системы ППД, а также для максимального извлечения нефти, для этого разработана технология исследования индикаторами многопластовой залежи.

Литература

Подсчет запасов и технико - экономическое обоснование извлечения нефти южной части Приобского месторождения (отчет), Амоко Обь Ривер Петролиум Лимитед, Ханты - Мансийск, 2001, 237 с.

Методическое руководство по оценке технологической эффективности применения методов увеличения нефтеотдачи пластов. Минтопэнерго, РМТК «Нефтеотдача», ВНИИнефть, М. 1993 - 87 с.

В.А. Леонов Способ адаптивной оптимизации пластового давления. Тезисы VIII научно - практической конференции Международной специализированной выставки «нефть, газ, нефтехимия - 2001» Новейшие методы увеличения нефтеотдачи пластов - теория и практика их применения, Казань, 2001 - 140 с.

Бодрягин А.В., Медведский Р.И. и др. Патент РФ № 2171368 от 27.07.2001 г., Способ разработки нефтяного месторождения, представленного пористо - трещиноватым коллектором.

Трофимов А.С., Леонов В.А., Кривова Н.Р. и др., Патент РФ по заявке № 20051051460/03 Способ исследования и разработки многопластового месторождения углеводородов.

Костюченко С.В. Методика количественного анализа эффективности реализуемых систем заводнения на основе моделей линий тока, Труды международного технологического симпозиума «Новые технологии разработки и повышения нефтеотдачи» М., 2005, с. 236.

Трофимов А.С., Леонов В.А., Кривова Н.Р. и др. Отчет о научно и исследовательской работе «Разработка программы циклического заводнения Покачевского месторождения ТПП «Покачевнефтегаз» / НИИ «СибГеоТех» - 75 с.

Трофимов А.С., Леонов В.А., Кривова Н.Р. и др. «Трассерные исследования южной части пласта АС10 Приобского месторождения» (отчет), НИИ «СибГеоТех», Нижневартовск 2005, 111 с.

РД 39-014 7428-89. Методическое руководство по технике проведения индикаторных исследований и интерпретации их результатов для регулирования и контроля заводнения нефтяных залежей. СевКавНИПИнефть - Соколовский Э.В. и др.- Грозный, 1989 - 79 с.

Тренчиков Ю.И. Совершенствование индикаторных методов исследований нефтяных залежей и контроля процессов разработки, автореферат на соискание ученой степени к.т.н., Грозный, 1983 - 20 с.

Создание технологии повышения эффективности разработки юрских залежей по «Нижневартовскнефтегаз» путем оптимизации давления нагнетания (отчет) - НижневартовскНИПИнефть - Гец И.Ф. и др., Нижневартовск, 1990 - 365 с.

Трофимов А.С., Артамонова Г.Н. Разработка рекомендаций по регулированию процесса заводнения пласта ЮВ1 Ершового месторождения на основе закачки трассера (отчет), - НижневартовскНИПИнефть, Нижневартовск 1992 - 240 с.

Курушина Е.В., Краснова Т.Л. Методические указания по организационно-экономической части дипломных проектов студентов специальности 0907 «Разработка и эксплуатация нефтяных и газовых месторождений» дневного и заочного обучения - Тюмень, Ротапринт ТюмГНГУ, 1998г.

Конституция Российской Федерации от 25.12.1993, с изменениями от 09.01.1996, 10.02.1996, 09.06.2001г.

Федеральный закон РФ N 7-ФЗ "Об охране окружающей среды" от 10.01.2002г.

Федеральный закон РФ N 199-ФЗ "О внесении изменений в законодательные акты Российской Федерации в связи с расширением полномочий органов государственной власти субъектов Российской Федерации по предметам совместного ведения Российской Федерации и субъектов Российской Федерации, а также с расширением перечня вопросов местного значения муниципальных образований" от 29.12.2004г.

Закон Российской Федерации N 2396-1 «О недрах» от 21.02. 1992г. в редакции, введенной в действие с 6 марта 1995 года, поправки Федеральным законом от 3 марта 1995 года N 27-ФЗ, редакция, действующая с 1 января 2005 года.

Федеральный закон РФ N 96-ФЗ "Об охране атмосферного воздуха" от 04.05.1999г. с изменениями от 22 августа 2004 г., 9 мая 2005 г.

Федеральный закон РФ N 52-ФЗ «О животном мире» от 24.04.1995 года, с изменениями на 31 декабря 2005 года.

Федеральный закон РФ N 116-ФЗ «О промышленной безопасности опасных производственных объектов» 21.07.1997г.

ПБ 03-585-03 Правила устройства и безопасной эксплуатации технологических трубопроводов (утв. постановлением Госгортехнадзора РФ от 10 июня 2003 г. N 80).

ПБ 08-624-03 Правила безопасности в нефтяной и газовой промышленности (утв. постановлением Госгортехнадзора РФ от 5 июня 2003 г. N 56).

ПБ 03-576-03 Правила устройства и безопасной эксплуатации сосудов, работающих под давлением (утв. постановлением Госгортехнадзора РФ от 11 июня 2003 г. N 91).

ПБ 03-591-03 Правила безопасной эксплуатации факельных систем от 21 июня 2003 г., N 120/1.

ПБ 03-605-03 Правила устройства вертикальных цилиндрических стальных резервуаров для нефти и нефтепродуктов (утв. постановлением Госгортехнадзора России от 09.06.2003 N 76).

Инструкция по охране окружающей среды по предприятию ООО "Сибнефть-Хантос" от 19.01.2001г.

Похожие работы на - Разработка технологии исследования многопластовых месторождений нефти на примере Приобского месторождения

 

Не нашли материал для своей работы?
Поможем написать уникальную работу
Без плагиата!
Без нейросетей!