Проходческий комбайн 4ПП2М

  • Вид работы:
    Практическое задание
  • Предмет:
    Геология
  • Язык:
    Русский
    ,
    Формат файла:
    MS Word
    1,89 Мб
  • Опубликовано:
    2014-02-21
Вы можете узнать стоимость помощи в написании студенческой работы.
Помощь в написании работы, которую точно примут!

Проходческий комбайн 4ПП2М

МИНИСТЕРСТВО ОБРАЗОВАНИЯ, НАУКИ МОЛОДЁЖИ И СПОРТА УКРАИНЫ

ДОНЕЦКИЙ НАЦИОНАЛЬНЫЙ ТЕХНИЧЕСКИЙ УНИВЕРСИТЕТ

Кафедра «Горных машин»






Отчет

по лабораторной работе №1

по теме: «Проходческий комбайн 4ПП2М»


Подготовила

ст.гр. КЭС-13м

Мильченко А.С.

Проверил

Потапов В.Г.




Донецк,2013

Проходческий комбайн 4ПП2М

Проходческий комбайн предназначен для механизированного проведения горизонтальных и наклонных (до ±100) горных выработок сечением в проходке 9-25 м2 по углю и смешанному забою с присечкой пород (до 75%) с коэффициентом крепости по шкале проф. М.М. Протодьяконова до 7 и абразивностью не более 15 мг. Форма сечения выработки - трапециевидная, прямоугольная, арочная, удельное давление на почву выработки не менее 0,07 МПа.

Конструкция комбайна позволяет: крепить выработку у забоя; проводить раздельную выемку породы и угля (мощность пласта должна быть не менее 0,9 м); проходить приямки под крепь и дренажные канавки; производить зачистку и оборку кровли, боков выработки и почвы. Система перегружателей (мостовой и прицепной) обеспечивает маневренность комбайна в забое.

Особенностью проходческого комбайна 4ПП2М является наличие: средств повышения устойчивости (аутригеров), системы орошения с подачей воды под резцы; пылеотсоса; средств местного дистанционного и программного (автоматического) управления; авторегулятора нагрузки на исполнительный орган; двух скоростей резания (29 и 46 об/мин); электродвигателя привода исполнительного органа мощностью 120 кВт и резцов типа РПП2 или РКС2, обеспечивающих разрушение горных пород с f≤7.

Комбайн 4ПП2М состоит из: исполнительного органа с резцовой коронкой, установленного на поворотной раме (турели); ходовой части; погрузочного устройства, состоящего из приемной части с нагребающими лапами (питатель) и центрально расположенного скребкового конвейера, гидросистемы, включающей в себя три насоса, гидроцилиндры перемещения исполнительного органа в горизонтальной и вертикальной плоскостях, телескопического перемещения исполнительного органа, подъёма и опускания питателя и гидроаппаратуру управления и контроля, распорных гидравлических устройств, электрооборудования (электродвигатели, пульт управления); аппаратуру автоматического и дистанционного управления, системы пылеподавления. Комбайн применяется с прицепным и мостовым перегружателями.

В исполнительный орган комбайна 4ПП2М входят электродвигатель, редуктор, выполненный заодно со стрелой; резцовая коронка и рама.

Резцовая коронка крепится непосредственно на выходном валу редуктора. На корпусе отлиты три винтовые полости, в которых фрезеруется пазы для кулаков, имеющих конусные гнезда для установки резцов типа РПП2 и РКС2 с конусным хвостовиком. На коронке и забурнике устанавливаются 28 резцов.

Вода (для орошения в зоне разрушения горных пород) под резец подводится по полому валу редуктора, к форсункам - через отверстия в корпусе резцовой коронки.

Корпус комбайна 4ПП2М представляет собой жесткую сварно-литую конструкцию, внутренняя часть которой является составным элементом центрально расположенного скребкового конвейера. Корпус состоит из основной рамы, верхней поворотной рамы, предназначенной для крепления в расточках исполнительного органа и сварно-литой нижней поворотной рамы.

Верхняя поворотная рама установлена на радиально-упорных роликоподшипниках и двумя гидроцилиндрами поворачивается вместе с исполнительным органом комбайна в горизонтальной плоскости на угол 420.

Нижняя поворотная рама с помощью гидроцилиндра вместе с питателем поворачивается на угол 250 и соединяется с питателем через расточки и проушину гидроцилиндра.

Ходовая часть комбайна 4ПП2М представляет собой самоходную гусеничную тележку, на которой устанавливается корпус комбайна.

Ходовая часть состоит из двух гусениц, каждая из которых приводится от индивидуального привода, состоящего из электродвигателя и редуктора с приставкой. Гусеница состоит из рамы, опорных катков, натяжного устройства, приводной звезды и гусеничной цепи. Тормозная фрикционная муфта комбайна предназначена для торможения гусениц при работе комбайна на уклонах при выключенных электродвигателях ходовой части. Она состоит из корпуса, ведущих и ведомых дисков, нажимного диска, наружного фланца и пружин.

Погрузочное устройство 4ПП2М состоит из питателя с нагребающими лапами и центрально расположенного скребкового конвейера. Питатель и конвейер имеет обособленные приводы.

Питатель состоит из сварной рамы, к которой крепятся редукторы -левый и правый нагребающих лап, промежуточный с электродвигателем и угловой. В передней части питателя размещается ведомый барабан скребкового конвейера.

Питатель крепится к нижней поворотной раме корпуса комбайна, его подъём и поворот осуществляются гидроцилиндрами.

Скребковый конвейер состоит из привода, става (желоба) хвостового барабана и скребковой цепи.

Привод скребкового конвейера предусматривает сварную раму, прикрепляемую к корпусу комбайна, промежуточный редуктор с фланцевым электродвигателем, угловой редуктор и приводную головку. Передача крутящего момента от промежуточного редуктора к угловым обеспечивается телескопическими валами при изменении расстояния между ними. Скребковая цепь натягивается размещёнными на приводе винтами. Промежуточный редуктор привода скребкового конвейера состоит из корпуса, двух пар цилиндрических передач и фрикционной муфты, предназначенной для предохранения привода от перегрузок.

Опорное устройство служит для повышения устойчивости комбайна в горизонтальной плоскости в процессе обработки забоя. Устройство присоединяется сваркой к неподвижной раме конвейера. Рабочее давление в гидроцилиндрах не должно превышать 10 Мпа, чтобы исключить опрокидывание комбайна. Перед включением гусеничного хода опорное устройство для предотвращения выхода из строя электродвигателей и редукторов ходовой части поднимается.

Рисунок 1 - Комбайн проходческий 4ПП2М

- Резцовая коронка;

- исполнительный орган;

- питатель;

- гидроцилиндр перемещения исполнительного органа в вертикальной плоскости;

- турель (поворотная рама);

- гидроцилиндр перемещения исполнительного органа в горизонтальной плоскости;

- ходовая часть;

- гидроаппаратура управления и контроля;

- распорное гидравлическое устройство;

- скребковый конвейер;

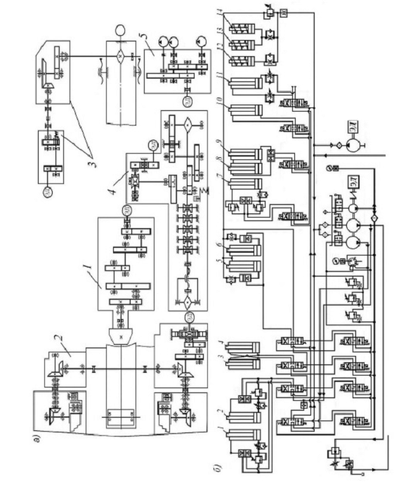
Рисунок 2 - а) кинематическая схема комбайна 4ПП2М; б) гидравлическая схема комбайна 4ПП2М.

Кинематическая схема представлена на рисунке 2 а):

- Исполнительный орган;

- питатель;

- привод конвейера;

- ходовая часть;

- привод маслонасосов.

Гидравлическая схема представлена на рисунке 2 б):

, 2 - гидроцилиндры подъёма исполнительного органа;

, 4 - гидроцилиндры поворота исполнительного органа;

, 6 - гидроопоры комбайна;

- гидроцилиндр подъёма питателя;

, 9 - гидроцилиндры телескопа исполнительного органа;

- гидроцилиндр поворота питателя;

- гидроцилиндр поворота конвейера;

, 13, 14 - гидроцилиндры тормозов.

Рисунок 3 - комбайн КСП32

Рисунок 4. Гидравлическая схема комбайна 4ПП2М.

Рассмотрим подробнее работу 14 и 17 гидроцилиндров отвечающих за поворот питателя и поворот конвейера соответственно.

гидроцилиндр отвечает за поворот питателя. Отобразим работу данного гидроцилиндра при помощи схемы.

Рабочая жидкость из маслобака 1 через кран 1 поступает к насосу Н1 от которого под давлением она попадает в предохранительно-измерительный гидроблок 2 по гидролинии П1, где через предохранительный клапан (клапан давления) типа ПВТ54-34М,отрегулированный на давление срабатывания 10МПа 2 ,затем все по той же гидролинии П1 жидкость подается в гидрораспределитель 3 , который автоматически при включении магнитов УА1, УА3, УА6 и УА7 устанавливается в положение II(нижнее). Поток от насоса Н1 подается на электроблок 5, при этом для предотвращения слива жидкости от насоса Н1 в маслобак в гидроблоке 3 предусмотрен обратный клапан 32 . Затем жидкость попадает в распределитель 5.3.который реверсирует движение штока гидроцилиндра 14. Когда распределитель 5.3. находится в верхнем положении жидкость через него поступает в штоковую полость гидроцилиндра, происходит поворот питателя, в это время из поршневой полости жидкость выходит и проходя через тот же распределитель 5.3. поступает в сливную гидролинию, а оттуда через фильтр Ф2 и Ф3, в маслобак 1 и цикл повторяется.

проходческий комбайн привод гидроцилиндр

Отобразим работу данного гидроцилиндра при помощи схемы

Рабочая жидкость из маслобака 1 через кран 1 поступает к насосу Н1 от которого под давлением она попадает в предохранительно-измерительный гидроблок 2 по гидролинии П1, где через предохранительный клапан (клапан давления) типа ПВТ54-34М,отрегулированный на давление срабатывания 10МПа 2 ,затем все по той же гидролинии П1 жидкость подается в гидрораспределитель 3 , который автоматически при включении магнитов УА1, УА3, УА6 и УА7 устанавливается в положение II(нижнее). Поток от насоса Н1 подается на электроблок 5, при этом для предотвращения слива жидкости от насоса Н1 в маслобак в гидроблоке 3 предусмотрен обратный клапан 32 . Затем жидкость попадает в распределитель 5.4. который реверсирует движение штока гидроцилиндра 17. В гидролиниях поршневой и штоковой полостей предусмотрены регулируемые дроссели 17.1. и 17.2. с обратными клапанами 17.3. и 17.4. которые обеспечивают плавный поворот хвостовой части конвейера. Когда распределитель находится в верхнем положении I жидкость через дроссель 17.2. с обратным клапаном 17.4. поступает в штоковую полость гидроцилиндра, происходит поворот конвейера, в это время из поршневой полости жидкость выходит через дроссель 17.1. в распределитель 5.4., а оттуда поступает в сливную линию, откуда через фильтр Ф2 и Ф3 поступает обратно в маслобак 1 и цикл повторяется.

Похожие работы на - Проходческий комбайн 4ПП2М

 

Не нашли материал для своей работы?
Поможем написать уникальную работу
Без плагиата!
Без нейросетей!