Исследование технических и геологических условий создания подземного хранилища газа на Южно-Луговском месторождении

  • Вид работы:
    Дипломная (ВКР)
  • Предмет:
    Геология
  • Язык:
    Русский
    ,
    Формат файла:
    MS Word
    2,58 Мб
  • Опубликовано:
    2014-03-07
Вы можете узнать стоимость помощи в написании студенческой работы.
Помощь в написании работы, которую точно примут!

Исследование технических и геологических условий создания подземного хранилища газа на Южно-Луговском месторождении

Перечень сокращений, условных обозначений, единиц, терминов и символов

ГВК - газоводяной контакт

ГИС - газодинамические исследования скважин

ГОСТ - государственный отраслевой технический стандарт

ГРП - газораспределительный пункт

ДЭГ - диэтиленгликоль

КС - компрессорная станция

НТС - низкотемпературная сепарация

ПХГ - подземное хранилище газа

ЦСР - Центрально-сахалинский разлом

Р - давление, МПа;

t - температура, °С;

max - максимальное значение показаний;

min - минимальное значение показаний;

К- коэффициент запаса прочности покрывающих пород

γср - средневзвешенная плотность покрывающих горных пород, кг/м3

h - высота емкости, м;

L - длина емкости, м;

b - суммарная мощность непроницаемых пород в почве и кровле

z - коэффициент сжимаемости, zст =1,0 при Р = 0,1013 МПа и t = 20° С;

ρ- плотность, кг/м3;

g = 9,81 - ускорение силы тяжести, м/с2;

F, f - площадь, м2;

V - объём, м3;

λ - коэффициент гидравлического сопротивления труб;

m - пористость;

к - проницаемость, мкм2;

N(t) - расход газа, закачиваемого в хранилище одной скважиной м3/сут.

Реферат

Выпускная квалификационная работа 77 с., 18 таб., 12 рис., 15 источников.

Объектом разработки данной ВКР является исследование технических и геологических условий создания подземного хранилища газа на Южно-Луговском месторождении.

В результате ряда исследований данного пласта сделан предварительный вывод, что горизонт способен выступать в качестве ПХГ, также определены максимальное и минимальное давления в хранилище, необходимое количество новых скважин, и производительность компрессора, выбран тип компрессорного агрегата.

В результате анализа экономической эффективности по созданию подземного хранилища газа на Южно-Луговском месторождении было выявлено, что срок окупаемости капитальных вложений составит 4 года. То есть в 5, 6 годы реализации проект будет приносить прибыль.

Введение

В настоящее время роль подземного хранения газа значительно возросла. Постоянно происходящая реструктуризация потребления энергоресурсов в пользу газа и развитие рыночных отношений увеличивают разрыв между летним и зимним потреблением. Значительно возросли суточные колебания. Теперь, когда за поставляемый газ приходится платить реальные деньги, предприятия стараются более экономно использовать энергетические ресурсы, и повышение температуры воздуха сопровождается более резким снижением потребления газа. Для повышения надежности обеспечения Анивского района теплом в зимний отопительный сезон необходимо либо ввести дополнительные мощности по добыче и транспорту газа, либо создавать дополнительные объемы его хранения. Если же говорить об уменьшении суточных колебаний газопотребления, то альтернативы подземному хранению газа не существует.

Хранилища газа улучшают экономические показатели системы газоснабжения за счет повышения коэффициента ее загрузки и увеличивают надежность ее функционирования.

Тем не менее, основным решением проблемы неравномерности газопотребления и надежности газоснабжения остается создание специальных хранилищ газа, способных покрыть зимний дефицит за счет накопления газа летом.

Целью данной работы является исследование эффективности создания подземного хранилища газа на Южно-Луговского месторождения Анивского района. Для достижения поставленной цели автор проводит анализ параметров геологического строения Южно-Луговского месторождения с точки зрения строительства ПХГ; анализирует расчет основных параметров ПХГ; а также рассчитывает экономическую эффективность строительства ПХГ.

1. Общая часть

1.1 Общие сведения о месторождении

Южно-Луговское месторождение относятся к Анивским газовым месторождениям, разрабатываемым в настоящий период. Оно расположено в южной части острова Сахалин, в северо-восточной прибрежной полосе полуострова Крильон и приурочено к юго-западной части Сусунайской низменности.

В административном отношении месторождение располагается на территории Анивского района Сахалинской области РФ. С районным центром - г. Анива. С юга на север, вдоль восточной границы площади месторождения Южно-Луговское проходит автотрасса Таранай-Анива-Холмск. Ближайшими к месторождению Южно-Луговское населёнными пунктами являются районный центр г. Анива и пос. Огоньки, отстоящие от контура месторождения на расстоянии, соответственно, 5 и 6 км. Рассматриваемое месторождение расположено в бассейне нижнего течения наиболее крупной реки Южного Сахалина - Лютоги. Естественную гидросеть района, помимо Лютоги, представляют её притоки - реки и ручьи Заречный, Люда, Луговой, Весёлый и др., а также ручьи, самостоятельно впадающие в залив Анива - Колхозный, Горный и др.

Орографически Южно-Луговское месторождение, за исключением западной границы площади, приурочивается к равнинной прибрежной низменности. Это плоская заболоченная, пологая, слабоволнистая поверхность с локальным развитием неглубоких (длиной 2,5 - 3 м) задернованных оврагов. Абсолютные высоты ее не превышают 15 - 18 м. Западным ограничением месторождения Южно-Луговское является подножие восточных склонов Камышового хребта.

В сейсмическом отношении Анивский район относится к восьмибальной зоне по шкале Меркали. Сейсмостанция в г. Южно-Сахалинске в течение года регистрирует несколько толчков силой 3 - 4 балла.

Климат района муссонный с проявлениями морского (преимущественно в периоды межсезоний). Морозный период устанавливается в конце ноября и длится до начала апреля. Устойчивый снежный покров - с середины декабря до середины апреля. Высота его на равнине не превышает одного метра, в распадках - достигает двух и более метров. Лето короткое, дождливое. Преобладающим направлением ветров в течение года является юго-западное. Средняя скорость ветра в зимние месяцы 3,6 - 3,8 м/с, в летние месяцы 2,2 - 2,3 м/с. Среднегодовая температура 4 - 5º С.

Экономически район достаточно освоен, особенно в сельскохозяйственном отношении.

.2 Геолого-геофизическая характеристика месторождения

.2.1 Характеристика геологического строения

Изученный в Анивском прогибе геологический разрез снизу вверх представлен породами складчатого основания палеозой-мезозойского, а отложения собственно прогиба - верхнемелового и кайнозойского возрастов.

Верхнемеловые отложения (К2) вскрыты рядом скважин, где они представлены тёмно-серыми аргиллитами и алевролитами. Ряд исследователей выделяют здесь быковскую и красноярковскую свиты, но соотношение и объёмы этих свит, не установлены.

Кровля верхнемеловых отложений в пределах Южно-Луговской складки составляет (2 - 2,5) км.

Традиционно в кайнозойском разрезе района выделяется два подразделения:

нерасчленённые олигоцен-миоценовые отложения, включающие аракайскую свиту олигоцена, а также холмскую и невельскую свиты миоцена;

миоцен-плиоценовые отложения маруямской свиты.

Олигоцен-нижнемиоценовые отложения представлены нерасчленённой толщей, включающей в себя аракайскую (Р3ar), Холмскую (N1hl) и невельскую (N1nv) свиты. Сложены они вулканогенно-осадочными, реже нормально осадочными породами: туфоалевролитами, туфопесчаниками, алевролитами, аргиллитами с прослоями и линзами туфов, туффитов и песчаников.

Туфоалевролиты тёмно-серые с коричневым оттенком, крепкие. Туфопесчаники тёмно-серые с коричневым оттенком, от мелко до крупнозернистых, крепко сцементированные. Алевролиты серые от тонко до мелкозернистых, крепкие, трещиноватые, с песчаной примесью, линзами угля, включениями углистого аргиллита, обломками раковин, туфогенные. Аргиллиты тёмно-серые, крепкие, с многочисленными плоскостями скольжения. Туфы и туффиты серые или тёмно-серые, алевритовые с тонкими трещинами, заполненными кварцем. Песчаники серые или светло-серые, от мелко до крупнозернистых, крепкие, туфогенные.

Вскрытая толщина комплекса на Южно-Луговском месторождении составляет от 200 до 400 м.

Верхней миоцен-плиоценовые (маруямская свита (N1-2mr)) отложения с угловым и стратиграфическим несогласием залегают на нерасчленённой толще невельско-холмско-аракайского горизонта. По литологическому составу и режиму осадконакопления отложения подразделяются на две подсвиты: нижнемаруямскую (N1-2mr1) и верхнемаруямскую (N1-2mr2).

Нижнемаруямская подсвита (N1-2mr1) вскрыта всеми скважинами. Содержит залежи газа. Литологически разрез представлен тонким переслаиванием туфогенных песчано-алевритовых и глинистых пород. Породы плохо отсортированы, характеризуются высокой открытой пористостью и низкой проницаемостью. В разрезе нижнемаруямской подсвиты выделяются ряд пластов, толщины которых составляют от 10 - 15 до 80 - 100 м. В составе пластов-коллекторов преобладают плохо отсортированные алевролиты, содержащие примеси псаммитовых и пелитовых фракций; песчаники плохо и среднеотсортированные с примесью алевритоглинистых фаций. Как правило, пласты имеют сложное строение, подразделяясь на ряд пропластков. Толщина подсвиты составляет 600 - 800 м.

Верхнемаруямская подсвита (N1-2mr2) залегает на нижнемаруямской с размывом подстилающих горизонтов. Подсвита представлена толщей слабосцементированных песчаников, алевролитов и песков и прослоями глин. Толщина подсвиты составляет 600 - 670 м.

Четвертичные отложения (Q) на площади развиты повсеместно, покрывая сплошным чехлом коренные породы. Представлены они элювиальными и алллювиально-болотными отложениями. Толщина современных отложений местами достигает первых десятков метров.

Южно-Луговское газовое месторождение приурочено к одноименной локальной антиклинальной структуре, которая входит в состав Луговской антиклинальной зоны. В рассматриваемых пределах Луговская антиклинальная зона является горст-антиклинальной. Восточное дизъюнктивное ограничение - взбросонадвиг 3 представляется вторичным, образованным под воздействием взбросонадвига 1. Вместе с тем западная образующая горст-антиклинали - нарушение 4 отделяет Луговскую от интенсивно дислоцированной приразломной зоны ЦСР. Таким образом, Луговская антиклинальная зона сформирована как область с умеренным проявлением пликативно-разрывной тектоники. Она ориентирована в субмеридиональном направлении и состоит из нескольких локальных складок (с юга на север): Восточно-Луговская, Южно-Луговская, Заречная, Благовещенская, Луговская, Лютогская, Северо-Луговская. Имеется ряд оснований предполагать дальнейшее продолжение к югу этой антиклинальной зоны.

Антиклинальные структуры хорошо выражены по отложениям нижнемаруямского подгоризонта и превращаются чаще всего в структурную террасу по отложениям верхнемаруямского подгоризонта. Структурный план по отложениям невельско-холмско-аракайского горизонтов недостаточно изучен.

В Южно-Луговском месторождении выделяются три блока: Золоторыбный, Центральный и Северный, причём Золоторыбный блок ранее выделялся как отдельное месторождение. В результате проведённых в 2000 году ОАО «Востокгеология» геологоразведочных работ (сейсморазведка 2D и поисковое бурение) было установлено, что Золоторыбное месторождение является южным тектоническим блоком Южно-Луговской структуры. Дизъюнктивное обособление блока от центральной части Южно-Луговской структуры существует только по самым нижним продуктивным пластам (снизу вверх): XIIIб, XIIIа и XIIб.

Подразделение Южно-Луговской антиклинальной структуры на тектонические блоки утрачивается вверх по разрезу. Разрыв 7, разделяющий Золоторыбный и Центральный блоки, затухает к подошве XIIа пласта. Разрыв 6, разделяющий Центральный и Северный блоки, затухает к подошве Х горизонта, и выше по разрезу месторождение уже является единой антиклинальной складкой. При этом разрыв 6 по своему действию для XI пласта аналогичен дизъюнктиву 7, экранирующему газоносность пласта XIIа, (рис. 1А - Геологический разрез по профилю скважин 3- ЗЛ-7-ЗЛ-5А-12-ЮЛ-1-ЮЛ-13-ЮЛ-15-ЮЛ и рис. 2 А - Условные обозначения к геологическому разрезу; приложение А)

Северный блок, начиная с IХ горизонта вверх по разрезу, представляет собой свод Южно-Луговской структуры, в пределах которого расположены не ограниченные разрывами залежи пластов: III, IV, V, VI, VII, VIII.

На севере Южно-Луговская структура кулисно сочленяется с Заречной структурой, являющейся контрастным и значительным по размерам локальным поднятием, а на юге с давно изученной Восточно-Луговской структурой.

1.2.2 Основные параметры горизонтов

Южно-Луговское месторождение является многопластовым и содержит залежи газа в отложениях нижнемаруямского подгоризонта на глубине 700 - 1400 м.

Газонасыщенными являются: III, IV, V, VII, IX, Xa, XI, XI-2, XIIа, XIIб, XIIб-1, XIIб-2, XIIIа, XIIIб пласты, сложенные алевритопесчаными породами. Тип коллектора - поровый. Их основные характеристики приводятся в табл.1 А (Характеристика залежей газа; приложение А)

Пласт XIIIб.

Установлено две залежи этого пласта:

в Золоторыбном блоке - по данным испытания в колонне и в соответствии с материалами ГИС (С1),

в Северном блоке - по данным ГИС (С2).

Золоторыбный блок. Залежь газовая, пластовая, сводовая, ограниченная разрывами. Размеры залежи составляют (2,4 × 1,2) км, высота - 61 м. Площадь газоносности 1529 тыс. м2, объём газонасыщенных пород - 18613 тыс. м3. Общая толщина колеблется от 12 до 23 м, эффективная и газонасыщенная толщины - 0-21,8 м, средняя газонасыщенная толщина - 12,2 м.

ГВК залежи пласта XIIIб в пределах Золоторыбного блока принимается на отметке -1385 м.

Северный блок.

Залежь газовая, пластовая, тороподобная, с севера и юга ограниченная разрывами. Размеры залежи составляют (0,5 × 0,7) км, высота - 27 м. Площадь газоносности 276,1 тыс. м2, объём газонасыщенных пород - 2300 тыс. м3. Общая толщина колеблется от 21 до 25 м, эффективная и газонасыщенная толщины - 0-17,1 м, средняя газонасыщенная толщина - 8,3 м.

ГВК залежи пласта XIIIб в пределах Северного блока принимается на отметке -1292 м.

Пласт XIIIа.

Наличие газовых залежей этого пласта установлено во всех трёх блоках месторождения данными испытания скважин в колонне, которым соответствуют материалы ГИС; это залежи с запасами категории С1.

Золоторыбный блок.

Залежь газовая, пластовая, сводовая, ограниченная разрывами. Размеры залежи составляют (2,4 × 1,5) км, высота - 68 м. Площадь газоносности 1758,6 тыс. м2, объём газонасыщенных пород - 27321 тыс. м3. Общая толщина колеблется от 20 до 29 м, эффективная и газонасыщенная толщины - 0-25,8 м, средняя газонасыщенная толщина - 15,5 м.

ГВК залежи пласта XIIIa в пределах Золоторыбного блока принимается на отметке -1368 м.

Центральный блок.

Залежь газовая, пластовая, сводовая, ограниченная разрывами. Размеры залежи составляют (0,9 × 1,35) км, высота - 44 м. Площадь газоносности 553 тыс. м2, объём газонасыщенных пород - 7477 тыс. м3. Общая толщина колеблется от 20 до 28 м, эффективная и газонасыщенная толщины - 0-18 м, средняя газонасыщенная толщина - 13,5 м.

ГВК залежи пласта XIIIa в пределах Центрального блока устанавливается на отметке -1324 м.

Северный блок.

Залежь газовая, пластовая, сводовая, ограниченная разрывами. Размеры залежи составляют (0,7 × 1,3) км, высота - 58 м. Площадь газоносности 707,5 тыс. м2, объём газонасыщенных пород - 9169 тыс. м3. Общая толщина колеблется от 19 до 27 м, эффективная и газонасыщенная толщины - 0-19,1 м, средняя газонасыщенная толщина - 12,9 м.

ГВК залежи пласта XIIIa Северного блока принимается на отметке минус 1293 м.

Пласт XIIб-2.

Наличие газовой залежи данного пласта в Золоторыбном блоке установлено по результатам испытания в колонне скважины №2 Золоторыбной и по соответствующим показаниям ГИС в разрезе этой скважины. Запасы газа по залежи отнесены к категории С1, что подтверждается установлением газоносности пласта ХIIб-2 данными ГИС ещё в ряде скважин Золоторыбного блока.

Залежь газовая, пластовая, сводовая, ограниченная разрывами. Размеры залежи составляют (2,5 × 1,5) км, высота - 58 м. Площадь газоносности 1841,5 тыс. м2, объём газонасыщенных пород - 11105 тыс. м3. Общая толщина колеблется от 18 до 23 м, эффективная и газонасыщенная толщины - 0-9,6 м, средняя газонасыщенная толщина - 6,03 м.

ГВК залежи пласта ХIIб-2 Золоторыбного блока принимается на отметке -1337 м.

Пласт XIIб-1.

Наличие газовой залежи пласта ХIIб-1 в Золоторыбном блоке определяется только на основании интерпретации данных ГИС, запасы по залежи отнесены к категории С2.

Залежь газовая, пластовая, сводовая, ограниченная разрывом. Размеры залежи составляют (1,9 × 0,6) км, высота - 24 м. Площадь газоносности 484,4 тыс. м2, объём газонасыщенных пород - 2015 тыс. м3. Общая толщина колеблется от 9 до 11 м, эффективная и газонасыщенная толщины - 0-9,4 м, средняя газонасыщенная толщина - 4,2 м.

ГВК залежи пласта ХIIб-1 Золоторыбного блока принимается на отметке -1284 м.

Пласт XIIб.

Наличие двух газовых залежей пласта ХIIб с разными уровнями ГВК в Центральном и Северном блоках Южно-Луговского месторождения установлено данными испытания скважин в эксплуатационной колонне, которым соответствуют материалы ГИС; это залежи с запасами категории С1.

Центральный блок.

Залежь газовая, пластовая, сводовая, ограниченная разрывами. Размеры залежи составляют (0,8 × 1,7) км, высота - 68 м. Площадь газоносности 804 тыс. м2., объём газонасыщенных пород - 5819 тыс. м3. Общая толщина колеблется от 21 до 37 м., эффективная и газонасыщенная толщины - 0 - 10,5 м., средняя газонасыщенная толщина - 7,2 м.

ГВК залежи пласта ХIIб Центрального блока принимается на отметке минус 1303 м.

Северный блок.

Залежь газовая, пластовая, сводовая, ограниченная разрывами. Размеры залежи составляют (0,7 × 1,4) км, высота - 52 м. Площадь газоносности 834,3 тыс. м2, объём газонасыщенных пород - 6352 тыс. м3. Общая толщина колеблется от 28 до 36 м., эффективная и газонасыщенная толщины - 0 - 12,8 м., средняя газонасыщенная толщина 7,6 м.

ГВК залежи пласта ХIIб Северного блока принимается на отметке1257 м.

Пласт XIIa.

Наличие двух газовых залежей пласта ХIIа с разными уровнями ГВК в Центральном и Северном блоках Южно-Луговского месторождения, как и для залежей пласта ХIIб, установлено данными испытания скважин в колонне, которым соответствуют материалы ГИС; это залежи с запасами категории С1.

Центральный блок.

Залежь газовая, пластовая, сводовая, ограниченная разрывами. Размеры залежи составляют (1,8 × 1,7) км., высота - 61 м. Площадь газоносности 1522 тыс. м2., объём газонасыщенных пород - 4844 тыс. м3. Общая толщина колеблется от 22 до 26 м., эффективная и газонасыщенная толщины -0-5,5 м, средняя газонасыщенная толщина -3,2 м.

ГВК залежи пласта ХIIа Центрального блока принимается на отметке минус 1261 м.

Северный блок.

Залежь газовая, пластовая, сводовая, ограниченная разрывами. Размеры залежи составляют (0,8 × 1,3) км., высота - 39 м. Площадь газоносности 781,2 тыс. м2., объём газонасыщенных пород - 2425 тыс. м3. Общая толщина колеблется от 21 до 26 м., эффективная и газонасыщенная толщины -0-5,4 м., средняя газонасыщенная толщина -3,1 м.

ГВК залежи пласта ХIIа Северного блока принимается на отметке - 1212 м.

Пласт XI-2.

В результате анализа тектонических построений предполагается, что действие разрыва 6 (рис. 1А - Геологический разрез по профилю скважин 3- ЗЛ-7-ЗЛ-5А-12-ЮЛ-1-ЮЛ-13-ЮЛ-15-Юл и рис. 2 А - Условные обозначения к геологическому разрезу; приложение А.) вызвало формирование в Центральном блоке изолированной газовой залежи в средней и нижней частях XI горизонта при водоносности верхов его разреза. Это доказано данными испытания в колонне скважины № 5 Анивской пласта XI-2 (с получением притока сухого газа 5,7 тыс. м3/сут. через штуцер диаметром 2 мм) и XI-1 (с получением притока пластовой воды) и соответствующими показаниями ГИС. Залежь пласта XI-2 отнесена к резервуару с запасами категории С1.

Залежь газовая, пластовая, сводовая, ограниченная разрывами. Размеры залежи составляют (1,6 × 1,7) км, высота - 54 м. Площадь газоносности 1033,6 тыс. м2, объём газонасыщенных пород - 9001 тыс. м3. Общая толщина колеблется от 8 до 20 м, эффективная и газонасыщенная толщины - 0-20 м, средняя газонасыщенная толщина - 8,7 м.

ГВК залежи пласта ХI-2 Центрального блока принимается на отметке минус 1214 м.

XI пласт.

В пределах Северного блока Южно-Луговского месторождения по данным ГИС скважин №№ 11 и 13 Южно-Луговской устанавливается наличие сводовой «водоплавающей» залежи газа, категория запасов - С2.

Залежь газовая, сводовая, водоплавающая, ограниченная разрывами. Размеры залежи составляют (0,8 × 0,5) км, высота - 9 м. Площадь газоносности 245,01 тыс. м2, объём газонасыщенных пород - 659 тыс. м3. Общая толщина колеблется от 23 до 28 м, эффективная и газонасыщенная толщины - 0-23,8 м, средняя газонасыщенная толщина - 2,69 м.

ГВК залежи XI горизонта Северного блока принимается на отметке минус 1137 м.

Пласт Ха.

Газоносность данного пласта установлена в пределах Северного блока Южно-Луговского месторождения в результате испытания в колонне скважины №1 Южно-Луговской при соответствующих показаниях ГИС по четырём скважинам. Залежь отнесена к резервуару с запасами категории С1.

Залежь газовая, пластовая, сводовая, с севера и юга ограниченная разрывами. Размеры залежи составляют (1,0 × 0,8) км, высота - 22 м. Площадь газоносности 605,4 тыс. м2, объём газонасыщенных пород - 4090 тыс. м3. Общая толщина колеблется от 20 до 25 м., эффективная и газонасыщенная толщины - 0-17,1 м, средняя газонасыщенная толщина - 6,8 м.

ГВК залежи Xa горизонта Северного блока определяется на отметке минус 1067 м.

IX горизонт.

Его газоносность установлена в пределах Северного блока Южно-Луговского месторождения в результате испытаний скважин в колонне при соответствующих показаниях ГИС; это залежь с запасами категории С1.

Залежь газовая, пластовая, сводовая, с севера и юга осложнённая разрывами. Размеры залежи составляют (1,1 × 1,2) км, высота - 46 м. Площадь газоносности 798,1 тыс. м2, объём газонасыщенных пород - 15251 тыс. м3. Общая толщина колеблется от 28 до 34 м, эффективная и газонасыщенная толщины - 0-26,8 м, средняя газонасыщенная толщина - 19,1 м.

ГВК залежи IX горизонта Южно-Луговского месторождения принимается на отметке -1050 м.

При этом в пределах Центрального блока наличие залежи предполагается только согласно структурным построениям, и здесь она относится к резервуару с запасами категории С2.

Залежь газовая, пластовая, водоплавающая, ограниченная разрывом. Размеры залежи составляют (0,3 × 0,8) км, высота - 20 м. Площадь газоносности 154,1 тыс. м2, объём газонасыщенных пород - 809 тыс. м3. Общая толщина колеблется от 33 до 34 м, эффективная и газонасыщенная толщины - 0-27,1 м, средняя газонасыщенная толщина - 5,25 м.

ГВК залежи IX горизонта Центрального блока принимается на отметке минус 1050 м.горизонт.

Его газоносность установлена в процессе проводки первого ствола скважины №13 Южно-Луговской (в последующем - скважины №14 Южно-Луговской). Объект не испытывался. Его ограничения в разрезе определены по интерпретации данных ГИС и в плане - структурными построениями; залежь VII горизонта - с запасами категории С2.

Залежь газовая, пластовая, сводовая, с севера ограниченная разрывом. Размеры залежи составляют (1,5 × 1,3) км, высота - 69 м. Площадь газоносности 1408,8 тыс. м2, объём газонасыщенных пород - 16278 тыс. м3. Общая толщина колеблется от 39 до 42 м, эффективная и газонасыщенная толщины - 0-20 м, средняя газонасыщенная толщина - 11,55 м.

ГВК залежи VII горизонта Южно-Луговского месторождения определяется согласно интерпретации данных ГИС на отметке - 947 м.

V горизонт.

Его газоносность прогнозируется согласно интерпретации данных ГИС, то есть запасы залежи относятся к категории С2. По структурным построениям - залежь газовая, пластовая, сводовая, водоплавающая, с севера ограниченная разрывом. Размеры залежи составляют 1,3 × 1,0 км, высота - 49 м. Площадь газоносности 962,1 тыс. м2, объём газонасыщенных пород - 5840 тыс. м3. Общая толщина колеблется от 73 до 86 м, эффективная и газонасыщенная толщины - 0-26,9 м, средняя газонасыщенная толщина - 6,1 м.

ГВК залежи V горизонта Южно-Луговского месторождения определяется согласно интерпретации данных ГИС на отметке -807 м.горизонт.

Его газоносность прогнозируется согласно интерпретации данных ГИС, по состоянию изученности её запасы отнесены к категории С2. По структурным построениям - залежь газовая, пластовая, сводовая, с севера ограниченная разрывом. Размеры залежи составляют (1,3 × 1,0) км, высота - 50 м. Площадь газоносности 875,4 тыс. м2, объём газонасыщенных пород - 3154 тыс. м3. Общая толщина колеблется от 4 до 14 м, эффективная и газонасыщенная толщины - 0-5,1 м, средняя газонасыщенная толщина - 3,6 м.

ГВК залежи IV горизонта Южно-Луговского месторождения определяется согласно интерпретации данных ГИС на отметке -780 м.

III горизонт.

Газоносность этого, самого верхнего в пределах рассматриваемой площади, номенклатурного горизонта нижнемаруямской подсвиты установлена при проводке второго ствола скважины №13 Южно-Луговской фиксацией интенсивного газопроявления. Ограничения залежи в разрезе определялись по интерпретации данных ГИС и в плане - структурными построениями; залежь III горизонта также отнесена по изученности к резервуару с запасами категории С2. Согласно структурным построениям - залежь газовая, пластовая, сводовая, водоплавающая. Размеры залежи составляют (1,1 × 0,5) км, высота - 25 м. Площадь газоносности 464,7 тыс. м2, объём газонасыщенных пород - 2158 тыс. м3. Общая толщина колеблется от 30 до 40 м, эффективная и газонасыщенная толщины - 0-32,5 м, средняя газонасыщенная толщина - 5,3 м.

ГВК залежи III горизонта Южно-Луговского месторождения определяется согласно интерпретации данных ГИС на отметке -669 м.

В период с 1999 по 2000 гг. на месторождении с отбором керна пробурено три скважины в Золоторыбном блоке (скважины №№ 6 Зл, 7 Зл, 8 Зл). Общая проходка с отбором керна составила 151 м, общий вынос - 88,3 м (59 %). Вынос керна пришелся на XIIIб, XIIIa, XIIб-2, XIIб-1 пласты и разделы между XIIб-1 и XIIб-2, XIIб-2 и XIIIa пластами. Литолого-петрофизическое изучение керна проводилось в лабораториях. Результаты исследований приведены в табл. 2 А (Сведения о литолого-физических свойствах пород продуктивных пластов и покрышек Золоторыбного блока; приложение А.)

Газопродуктивный разрез Золоторыбного блока Южно-Луговского месторождения включает в себя залежи четырёх пластов (снизу вверх): XIIIб, XIIIа, XIIб-2 и XIIб-1. Толщина этого разреза составляет от 77 м в сводовой области блока до 102 м на западной периферии залежей.

Исходя из установленных нижних пределов проницаемости и глинистости произведено деление пород на коллектор - неколлектор (табл. 2 А - Сведения о литолого-физических свойствах пород продуктивных пластов и покрышек Золоторыбного блока; приложение А).

Средние значения для газонасыщенных частей пластов приведены в табл. 3А (Характеристика коллекторских свойств газонасыщенности Золоторыбного блока; приложение А).

Продуктивный разрез Золоторыбного блока залегает в интервале глубин 1285 - 1451 м. Керн изучен в интервале глубин 1299 - 1424 м.

Изученные коллекторы месторождения представлены песчаниками разнозернистыми, средне-тонко-мелкозернистыми, тонко-мелкозернистыми, мелко-тонкозернистыми, тонкозернистыми и алеврито-песчаниками.

Обломочная часть пород-коллекторов на 50 - 75 % состоит из кварца, на 15 - 25 % из полевых шпатов, обломки пород составляют 10 - 20 %. Количество цементирующего материала в коллекторах колеблется от 14,5 до 25,5 %. Большей частью цемент имеет базальный и поровый тип, реже контактно-пленочный, его распределение в породе неравномерное. Сложен он кремнисто-глинистым веществом, который представлен в основном смешаннослойным минералом иллит-смектит с количеством набухающих слоев до 80 %, в меньшем количестве отмечаются слюда, хлорит, опал-А, опал-кристобалит и цеолит-клиноптилолит.

Коллекторы месторождения относятся к поровому типу. Основная часть изученных пород характеризуется низкими фильтрационными свойствами (проницаемость от 1,68 до 36,4×10-3 мкм2), но наличие одного определения, равного 452×10-3 мкм2, и незначительная изученность слабо сцементированных пород позволяет предположить наличие в данном разрезе коллекторов со средними фильтрационными характеристиками.

Открытая пористость коллекторов характеризуется высокими значениями (23,8 - 32,5 % при насыщении пластовой водой, 23,8 - 30,7 % при насыщении керосином), что связано со значительным количеством в составе цемента пород смешаннослойного минерала иллит-смектит с большим количеством набухающих слоев.

Состав цемента также сказался на повышенных значениях (59,2 - 83,2 %) остаточной водонасыщенности.

Следует особо подчеркнуть чрезвычайно важный момент, что нижние пределы коллекторских свойств пород-коллекторов, рассчитанные при подсчете запасов, обосновывались всем массивом данных исследования керна месторождений Анивской группы и были приняты единые для всех месторождений. Они имеют следующие значения: проницаемость - 10-3 мкм2; глинистость - 33 % (определена по данным ГИС), остаточная водонасыщенность - 82,5 %. Нижний предел пористости определен не был.

Такие значения нижних технологических пределов не вызывают сомнения. Нижний предел проницаемости, равный 10-3 мкм2, характерен для ряда газовых месторождений Сахалина. Глинистость, равная 33 %, соответствует нижнему пределу глинистости для продуктивных одновозрастных отложений о. Сахалин. Значение нижнего предела остаточной водонасыщенности несколько высоко, это связано с составом цементирующего материала. Нижний предел для начальной газонасыщенности коллектора определить не предоставляется возможным из-за не достаточности исходного материала.

.2.3 Физико-химические свойства и состав пластового газа, конденсата и воды

В процессе разведки месторождения при испытании скважин в период с 1975 по 2004 год ОАО “Востокгеология” проводился отбор проб газа с целью получения данных о его компонентном составе и физико-химических свойствах. Пробы отбирались в интервале глубин 1057 - 1415 м.

Компонентный состав свободных газов определялся методами газо-жидкостной и газо-адсорбционной хроматографии согласно действующим ГОСТ, физико-химические свойства рассчитывались по компонентному составу газов.

Относительная плотность газа изменяется от 0,5771 до 0,6010. В составе газов основным компонентом является метан, содержание которого колеблется в пределах 90,40 - 94,64 %. Содержание тяжелых углеводородов незначительно и в сумме не превышает 1,23 % об. Гомологи метана представлены: этаном - 0,06-1,04 %, пропаном - 0-0,18 %, бутанами - 0-0,09 % и пентанами - 0-0,02 %. Распределение метана и его гомологов подчиняется ряду: СН4 > С2Н6 > С3Н8 > С4Н10 > С5Н12.

В составе газов присутствуют балластные примеси в значительных количествах: от 5,07 до 9,41 %. Азот является преобладающим компонентом, на долю которого приходится до 9,01 %, содержание углекислого газа составляет 0 - 1,16 %. Гелий и водород определялись не во всех пробах. Содержание гелия составляет 0,001 - 0,012 %, водорода 0,001 - 0,027 %.

Коэффициент сжимаемости с глубиной залежей изменяется незначительно: от 0,87 (IX пласт) до 0,88 (XIIIб пласт), объемный коэффициент снижается соответственно с 0,0086 до 0,0070.

В целом, по составу и физико-химическим показателям отмечается тесная близость свойств газов всех разведанных залежей, в том числе весьма незначительное присутствие в них гомологов метана и повышенное содержание азота.

Согласно геохимической классификации газов газонефтяных залежей (И. С. Старобинец) свободный газ относится к классу углеводородный сухой (СН4 >75 %, С2Н6+в < 25 %), азотный (N2 - 5-15 %), низкоуглекислый (СО2 < 2 %), низкогелеевый (He <0,1 %). Сероводород в газах отсутствует.

Вследствие повышенного содержания азота теплотворная способность исследованных газов не высокая и составляет QB = 33640 - 35280 кДж/м3, QH = 30300 - 31780 кДж/м3. Газы месторождения целесообразно использовать для среднетемпературных процессов. Применение данного газа в качестве источника химического сырья не является целесообразным, поскольку газ обеднен тяжелыми углеводородами, представляющими интерес для нефтехимической промышленности.

Воды месторождения представлены исследованиями 26 проб в ранее пробуренных поисково-разведочных скважинах №№ 1 Юл, 4 Юл, 5А Юл, 8 Юл, 1 Зл и 2 Зл. Испытания проводились бригадой ТОО «ГЕЛИКС». Методика вскрытия и опробования водоносных объектов была аналогичной для газовых пластов. Отбор проб проводился в поверхностных условиях с устья при фонтанировании скважин. Основные сведения о пластовых водах приведены в табл. 4 А (Свойства и ионный состав пластовой воды (Северный блок); приложение А).

Подземные воды Южно-Луговского месторождения согласно гидродинамической расчленённости приурочены ко второму (II) водоносному комплексу Сусунайского артезианского бассейна. Данный комплекс представлен песчано-алеврито-глинистыми породами нижнемаруямского подгоризонта (верхний миоцен), толщина которого достигает 700 м. Чередование в разрезе комплекса выдержанных по простиранию проницаемых пластов и глинистых водоупоров предопределило существование в его недрах гидродинамического режима замедленного водообмена, когда гидравлическая связь подземных вод с дневной поверхностью происходит только в областях их питания и разгрузки.

Невысокая водообильность (дебит скважин 0,5 - 8,4 м3/сут.) пород II комплекса обусловлена низкими фильтрационными показателями его коллекторов. Но на отдельных участках (скважина 5А Юл) получены притоки воды 18 - 28 м3/сут. самоизливом, что свидетельствует о высокой продуктивности скважины и вскрытой ей части разреза.

Рассматриваемое месторождение тяготеет к окончанию короткого транзитного пути метеогенных вод, стекающих с северо-западных отрогов Южно-Камышовского хребта в направлении акватории Анивского залива. Этот подземный поток инфильтрационных вод, обладающих градиентом напора до 10 - 15 м/км в принципе является разрушающим по отношению к углеводородным залежам. Однако присутствующие в разрезе II комплекса диагональные и субширотные дизъюнктивы создали барьеры фронтальному стоку подземных вод и сформировали полузакрытые от вымывания участки.

Представляется, что сохранившиеся газовые залежи месторождения обязаны не только тектоническим экранам, но, возможно, в большей мере существованием в недрах продуктивного комплекса на изучаемой площади встречного (по отношению к инфильтрационному стоку) элизионного напора подземных вод, отжимаемых из прогибов Анивского залива. Другими словами, рассматриваемое месторождение приурочено к гидродинамическому барьеру, сформированному вдоль стыка инфильтрационных и элизионных вод Сусунайского субмаринного осадочного бассейна.

Поэтому в разрезе месторождения повсеместно встречены как инфильтрогенные (преимущественно гидрокарбонатнонатриевого - ГНК - типа), так и седиментогенные (хлоркальциевого - ХК - типа) воды. Но по ионному составу пластовые воды в основном хлоридные натриевые. В отношении гидрокарбонатов наблюдается площадное изменение с некоторым снижением их содержания (от 1,1 - 1,4  до 0,6 - 1) в южном направлении, что обусловлено преобладанием роли вод ХК типа в составе пластовых вод. Все подземные воды месторождения малосульфатные (1 - 99 ), но в их концентрации также наблюдается тенденция снижения их количества от Северного блока к Золоторыбному.

Смешанность в пределах месторождения подземных вод разного генезиса подчеркивается и малым диапазоном изменения коэффициента метаморфизма вод, rNa / rCl = 0,96 - 1,05.

В содержании специфических компонентов (йода до 15, брома до 35 , бора до 150 ) обращает на себя внимание повышенная концентрация бора.

Состав водорастворённых газов преимущественно метановый с примесью углекислого газа (до 2,4 %). Тяжелые углеводороды присутствуют в ничтожном количестве (доли процента).

Пластовые воды месторождения относятся к слабощелочным (pH = 7,1 - 8,0) и жестким (сумма солей кальция и магния составляет 10 - 30 мг-экв.).

Геотермический режим месторождения характеризуется повышенными (относительно геотемпературного фона) значениями температур (50 - 52° С) в разрезе продуктивного комплекса. Соответственно и средний геотермический градиент на Южно-Луговском месторождении составляет 36° С/км.

При разработке залежей, помимо газонапорного режима, следует учитывать серьёзное влияние водонапорного режима, создаваемого напором инфильтрационных вод. Выражаться он будет (в зависимости от тектонической экранированности) в основном во фланговом подпоре газовых скоплений. Позитивный тыловой подпор с юга и юга-востока, осуществляется в основном элизионными водами. Например, скважина 5А Юл, вскрывшая в продуктивном разрезе напорные воды (самоизлив с избыточным давлением) ХК типа является показателем проявления водонапорного режима за счет напорного потенциала элизионных вод. Но недостатком данного режима является (при отборах газа) поступление ограниченных объемов отжимных вод и, как следствие, отставание во времени процесса поддержания пластового давления.

1.2.4 Анализ результатов гидродинамических исследований скважин и пластов, их продуктивной и энергетической характеристик

Гидродинамические исследования залежей месторождения проводились с 1975 г. и по настоящее время, было выполнено 42 исследований в 13 скважинах (№№ 1 Юл., 5А Юл., 11 Юл., 12 Юл., 13 Юл., 14 Юл., 16 Юл., 2- Зл., 2 бис-Зл., 7-Зл., 8-Зл., 9-Зл., 10-Зл). В результате обработки данных по 9 продуктивным залежам IX, Xа, XI-2, XIIа, XIIб, XIIб-1, XIIб-2, XIIIа и XIIIб пластов определены коэффициенты фильтрационного сопротивления, гидро- и пьезопроводность.

Исследования скважин проводились по методу смены стационарных режимов фильтрации. При исследовании, вся продукция из скважины поступала в вертикальный сепаратор, где происходило разделение жидкости и газа. Жидкость из сепаратора поступала в мерную ёмкость, а газ проходил через прувер и сжигался на факеле. На каждом режиме работы скважины замерялись давления на устье, прувере и в сепараторе образцовыми манометрами, а температура в этих точках замерялась лабораторными термометрами. Пластовое и забойное давления замерялись глубинными манометрами, а температуры на забое - максимальным термометром. Также пластовые давления рассчитывались по статическому давлению на устье скважин.

Дебит газа рассчитывался по давлению и температуре на прувере. По полученным дебитам газа, пластовым и забойным давлениям, графически определены параметры уравнения притока. Дебит жидкости замерялся по времени наполнения мерной ёмкости. ,

С 2001 г. исследования скважин выполнялись сотрудниками ОАО «Востокгеология» и некоторые данные этих исследований вызывают сомнения, поэтому по некоторым скважинам были пересчитаны коэффициенты фильтрационных сопротивлений. Полученные в результате исследований и их обработки коэффициенты фильтрационного сопротивления изменяются в пределах А = 0,166 - 4,969 ; В = 0,0036 - 0,7606 . Наблюдается ухудшение фильтрационных характеристик по данным исследованиям в Северном блоке XIIб пласта (скв. № 14 Юл) и XIIIа, XIIIб пластам Золоторыбном блоке (скв. № 7 Зл, № 8 Зл).

Величины пластовых давлений приближаются к гидростатическим, значения их изменяются от 10,91 МПа до 13,79 МПа по месторождению, пластовая температура возрастает с глубиной от 37о С до 49о С.

Скважины отрабатывались на 4-16 режимах (2мм-9мм), дебиты при этом изменялись от 7,2 тыс. м3/сут. до 29,4 тыс. м3/сут. при депрессии 2,17-7,19 МПа.

В процессе исследований и разработки месторождения содержимое породоуловителя при исследовании большинства скважин указывает на наличие на отдельных режимах гидратов, воды, реже песка. Судить о характере изменения фильтрационных сопротивлений в призабойной зоне и в пласте затруднительно, так как постоянного учета выносимой жидкости и мехпримесей не проводился. Нужно отметить, что за период эксплуатации газовых залежей по скважинам выполнен недостаточный комплекс газодинамических исследований.

1.2.5 Запасы свободного газа

По Южно-Луговскому месторождению утверждены Протоколом № 311 заседания ЦКЗ МПР РФ от 1.12.03 года.

Начальные запасы газа составляют:

по категории С1 - 1776 млн. м3,

по категории С2 - 321 млн. м3

На 1.01.05 года накопленная добыча газа категории С1 составляет 122 млн. м3 и потери 10 млн. м3 по категории С2 (VII пласт Северный блок).

Остаточные запасы свободного газа на 1.01.05 года составляют:

по категории С1 - 1654 млн. м3

по категории С2 - 311 млн. м3

Запасы газа и подсчётные параметры по пластам и блокам приводятся в табл. 5 А (Своднаая таблица подсчётных параметров и запасов; приложение А).

подземный хранилище газ месторождение

2. Техническая и проектная части

.1 Техническая часть

.1.1 Методы создания подземного хранилища газа в зависимости от геологотехнических условий

Основная задача газовой индустрии - надежное и ритмичное снабжение газом промышленных объектов и бытовых потребителей в городах и поселках. Особенность существующей системы газоснабжения в настоящее время заключается в значительном удалении газовых месторождений от мест потребления, поэтому одной из важнейших составляющих системы являются магистральные газопроводы, однако оптимальная работа магистральных газопроводов, как и всей системы, в значительной степени осложняется резкой неравномерностью потребления газа в течение суток и года. Различают три вида неравномерности потребления газа: часовую, суточную и месячную (сезонную).

Использование подземных газохранилищ в системе газоснабжения при значительном удалении от мест добычи газа снижает капитальные вложения в магистральный газопровод на 30 %, себестоимость транспорта газа - на 15 -20 %. При этом затраты на создание газохранилища окупаются в течение 2,5-4 лет.

Подземные хранилища можно разделить на следующие типы:

­   в истощенных газовых, а также в нефтяных пластах отработанных месторождений;

­   в пористых водоносных пластах;

­   в специальных горных выработках (специальные шахты, камеры в отложениях каменной соли).

Последние могут быть использованы также для хранения сжиженных газов, сырой нефти и нефтепродуктов.

В России наибольшее распространение получили газохранилища в нефтяных и газовых пластах отработанных месторождений, в водоносных пластах и в отложениях каменной соли. Выбор газохранилища того или иного типа зависит главным образом от геологических условий в районе намечаемого строительства. Поскольку вблизи большинства крупных промышленных центров отсутствуют отработанные нефтяные и газовые месторождения, в этих районах чаще приходится прибегать к строительству газохранилищ в водоносных пластах или в отложениях каменной соли. Однако в настоящее время использование месторождений в качестве хранилищ газа получает более широкое распространение по следующим причинам: во-первых, хранилища такого типа наиболее дешевы и надежны в эксплуатации, во-вторых, благодаря развитию сети магистральных газопроводов, т. е. благодаря уменьшению числа крупных тупиковых потребителей газа, становится возможным сооружать газохранилища на значительном удалении от потребителя. Закольцованные газопроводные системы дают возможность маневрировать как общим расходом, так и запасами газа, хранящегося в газохранилищах.

В отдельных случаях создание подземных газохранилищ в отработанных нефтяных пластах позволяет повысить нефтеотдачу истощающихся нефтяных пластов, как за счет повышения пластового давления, так и за счет разжижения нефти растворяющимся в ней газом.

Подземные хранилища в истощенных залежах.

Для создания этих типов хранилищ используется нефтяные, газовые, газоконденсатные истощенные залежи, этот вид хранилищ считается наиболее экономичным, так как:

­   газовая или нефтяная залежь хорошо изучена: имеется подробные сведения о площади, газо- или нефтеносности, мощности, параметрах пласта-коллектора (геометрические формы и размеры, пористость, проницаемость пластов), степени герметичности покрышки, добытых объемах газа и жидкостей, начальном пластовом давлении и температуре, характеристике скважин и режиме их эксплуатации;

­   на месторождении имеется определенное число пробуренное и оборудованных эксплуатационных скважин, промысловое оборудование (компрессорные станции, сепаратор, технологические трубопроводы), жилищные и культурно-бытовые объекты, которые могут быть использованы для целей подземного хранения газов и жидкостей и которые в общем итоге сокращают капитальные вложения на строительство и эксплуатационные расходы;

­   значительно сокращаются сроки создания хранилища и достижения проектной его мощности;

­   при использовании нефтяных месторождений появляется возможность извлечения остаточной нефти за счет повышения пластового давления.

Сооружение подземных хранилищ в истощенном месторождении обычно выполняется в два этапа. На 1 этапе осуществляется проверка наземных промысловых объектов, ремонт и замена устаревших, износившихся частей. Решаются вопросы автоматизации, повышения производительности труда, охраны окружающей среды и источников питьевой воды. На этом этапе выполняется и промышленное заполнение хранилища газом. На 2 этапе производится испытание и циклическая эксплуатация хранилища.

Таким образом, подземные хранилища газа ПХГ в отработанных нефтяных или газовых пластах в период отбора газа представляют собой подобие газового промысла с интенсивным падением пластового давления. Поэтому в начале периода отбора газ подается за счет давления в газохранилище, а затем, когда давление падает, в работу включается КС. Следовательно, КС на подземных газохранилищах используется как для закачки газа в пласт, так и для подачи его потребителям при отборе. Поскольку газ, возвращаемый из пласта, часто бывает увлажненным и содержит механические примеси (главным образом песок), на ПХГ обязательно сооружают установки для очистки и осушки газа. Предусматривается также комплекс мероприятий для предупреждения образования гидратных пробок в скважинах и в системе их обвязки.

При проектировании строительства подземного хранилища в истощенном газовом месторождении определяют:

­    максимально допустимое давление;

­   минимально необходимое давление в конце периода отбора;

­   объемы активного и буферного газов;

­   число нагнетательно-эксплуатационных скважин;

­   диаметр и толщину стенок промысловых и соединительного газопроводов;

­    тип компрессорного агрегата для КС;

­   общую мощность КС;

­   тип и размер оборудования подземного хранилища для очистки газа от твердых взвесей при закачке его в пласт и осушки при отборе;

­   объем дополнительных капитальных вложений, себестоимость хранения газа, срок окупаемости дополнительных капитальных вложений.

После этого проводят ревизию технологического состояния скважин, оборудования устья, промысловых газопроводов, сепараторов, компрессоров, определяют виды ремонта, замены, а также необходимость строительства новых сооружений.

Особое внимание уделяют определению герметичности скважин, скорости и интенсивности процессов коррозии металлического промыслового оборудования и разработке мероприятий по борьбе с ней, комплексной автоматизации работы всех элементов оборудования подземного хранилища, повышению производительности труда, охране окружающей среды, источников питьевой воды в верхних горизонтах

Подземные хранилища газа в водоносных пластах.

Если поблизости от крупного потребителя газа нет истощенных нефтяных и газовых месторождений, которые несложно переоборудовать в хранилища, то для хранения газа используют водоносные пласты.

При сооружении ПХГ в водонасыщенных пластах, в ловушках которых нет ни газовых, ни нефтяных месторождений, обычно не установлены: непроницаема ли для газа покрышка пласта-коллектора, размеры и форма пластовой водонапорной системы, геолого-физические параметры пласта-коллектора. Существует опасность как потерь газа через кровлю хранилища, каналы в цементном камне за колонной скважин, тектонические нарушения горных пород и другие возможные пути миграции газа, так и больших денежных затрат при неблагоприятных геолого-физических параметрах пласта-коллектора (небольшие коэффициенты проницаемости и пористости, рыхлость или трещиноватость коллектора, ограниченный объем воды в поровом пространстве коллектора и др.).

Поэтому в процессе разведки и опытной закачки газа необходимо доказать герметичность кровли ловушки, рассчитать коэффициент проницаемости водонасыщенного коллектора, определить остаточную водонасыщенность при вытеснении воды газом, измерить или вычислить объемную газонасыщенность.

Эти хранилища образуется за счет вытеснения из пор пород грунтовой воды и накопления газа под непроницаемым пластом (покрышкой). Пористый пласт, в котором создается ПХГ, должен быть достаточно проницаем к протяженным коллектором. Для этой цели наиболее пригодны "открытые" геологические ловушки (куполообразные залегания), недалеко от которых имеются области питания или стока.

Такие ПХГ обычно сооружаются путем оттеснения воды на периферию пласта-коллектора за счет упругих свойств воды и горной породы.

Сооружение ПХГ в водоносном пласте состоит в нагнетании газа в сводовую часть структуры через эксплуатационные скважины 1 и оттеснения воды в область стока.

Выполняется также отбор воды с разгрузочных скважин 2, расположенных в в виде кольцевых батарей вдоль окружности радиуса стока. По мере заполнения ПХГ газом в нем давление повышается с одновременным перемещением границы "газового пузыря". Вода вытесняется до тех пор, пока поверхность контакта "газ-вода" не займет положение, при котором дальнейшее оттеснение нерационально в связи с уходом газа за пределы ловушки.

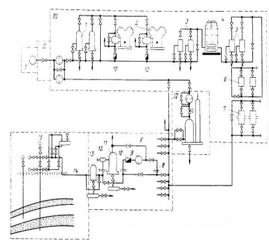
В целом оборудование газохранилищ глубокого заложения включает в себя компрессорный цех, систему очистки и осушки газа, газораспределительный пункт ГРП, газопромысловое хозяйство (скважины различного технологического назначения, шлейфы, сепараторы), технологические трубопроводы (рисунок 4 Б хранилище газа в водоносном пласте; приложение Б).

Подземные хранилища в отработанных выработках.

В последние годы под хранилища переоборудуются отработанные выработки горнодобывающих и других предприятий (угольные и сланцевые шахты, рудники, шиферные карьеры). Такой метод хранения является экономически эффективным, так как в этом случае из состава затрат на создание подземных хранилищ исключаются почти полностью расходы на проведение горных выработок. А они в большинстве случаев составляют более половины сметной стоимости строительства хранилищ, но при решении варианта использования отработанных (заброшенных) выработок возникает ряд технических проблем: наличие трещин в стенках и по толщине выработок требует принятия мер по недопусканию миграции газа или жидкости в смежные пласты. Для этого создаются водяные подушки, используются участки, где имеется подпор пластовых вод, выполняется искусственная заделка стен, потолков выработок и штолен.

При невозможности использования всей выработки выбираются такие участки, части её, где давление пластовых вод на "стенку" и "дно" выработки выше, чем давление хранимого продукта на них. Искусственная заделка выполняется листовой сталью, тампонажем пород, торкретированием, полимерными материалами.

В каждом конкретном случае пригодность выработки должна быть определена прочностными и технико-экономическими расчетами.

Подземные хранилища шахтного типа.

В качестве товарно-сырьевых парков нефтехимических, химических заводов, емкостей для покрытия пиковых и сезонных неравномерностей потребления газов и нефтепродуктов, хранения используются подземные хранилища шахтного типа. Такие хранилища могут быть созданы в непроницаемых или проницаемых горных породах, в трещиноватых породах с напорными водами, в многолетнемерзлых грунтах. Наиболее пригодными являются известняки, гипсы, доломиты, мел, кварциты, базальты с коэффициентом крепости по шкале Протодьяконова f = 4 - 10 и выше.

Хранилища этого типа отличаются друг от друга в основном технологией сооружения, а генеральная конструктивная схема их практически одинакова. Она включает в себя систему выработок вскрывавшую шахтного ствола 1, подходную 2-ой выработоки - емкости 3 (рисунок 5 Б подземное хранилище шахтного типа; приложение Б). Пробуривавшая и вентиляционные скважины 4. Наземные инженерные сооружения включают в себя скважины различного технологического назначения (эксплуатационные, разгрузочное, наблюдательнее), установки по очистке газов 6 и 7, насосную и компрессорную станции 8, наливную эстакаду 9, герметичную перемычку и другие.

По схеме вскрытия шахтные хранилища разделятся на хранилища с вертикальным отводом (рисунок 6 Б,а схемы вскрытий шахтных хранилищ; приложение Б), наклонной вскрывающей выработкой (рисунок 6 Б,б схемы вскрытий шахтных хранилищ; приложение Б) и горизонтальной выработкой (рисунок 6 Б,в схемы вскрытий шахтных хранилищ; приложение Б). Обычно диаметр стволов составляет 1,5 -1,8м, а сечение выработок-емкостей от 35 до 78 м .

Шахтные хранилища сооружаются на один, два и более видов продуктов (рисунок 6 Б,а схемы вскрытий шахтных хранилищ; приложение Б) общим объемом от 10 до 100 тыс.м3. Имеется выработки объемом до 150-160 тыс.м3.

Минимальную глубину заложения емкостей определяют из условия обеспечения устойчивости от выпирания вышележащих пород под действием рабочего избыточного давления в емкости. На практике наиболее часто осуществляется заложение емкостей под сжиженные газы на глубинах 80-150 м, под нефти и нефтепродукты - 20-100 м. Максимальные глубины заложения могут быть равны 150-200 м.

По способу выдачи хранимых продуктов различает два вида шахтных хранилищ: с насосной откачкой продуктов и с без насосным отводом продуктов (газлифт, отбор паров сжиженных газов, выдавливание жидкой фазы парами). Насосная откачка производится погружными насосами (Рисунок 7 Б, а способы отбора продукта из шахтных хранилищ; приложение Б) или насосами, установленными в подземных камерах (Рисунок 7 Б, б способы отбора продукта из шахтных хранилищ; приложение Б).

Коротко о сооружении шахтных хранилищ. Проходка стволов выполняется бурением, буровзрывным способом, при помощи кессона. Крепление ствола производится металлическими обсадными трубами. Затрубное пространство тампонируется непроницаемым раствором. При объеме хранилища более 25 тыс.м3 помимо главного ствола имеется 2-3 вентиляционных скважин. Горизонтальные выработки - емкости разрабатывается горнопроходческими машинами, с использованием взрыва или землеройной техники. Для придания устойчивости горизонтальный выработкам (камерам, туннелям) в процессе их проходки оставляют предохранительные породы-целики. Потолочина камер в необходимых случаях усиливается анкерными болтами, металлическими сетками и бетонированием.

Если хранилища создаются в проницаемых горных породах, то создается специальная искусственная изоляция.

Подземные хранилища в соляных отложениях.

Из различных видов подземных емкостей наиболее широкое распространение получили подземные хранилища, создаваемые в отложениях каменной соли размывом через буровые скважины. Этот вид подземных хранилищ достаточно распространен, хотя по общему объему он не может конкурировать с ПХГ в истощенных залежах, водоносных пластах. При наличии поблизости источников воды для размыва такие хранилища относительно недороги и достаточно надежны.

Этот вид хранилищ в основном используется для хранения сжиженных газов и нефтепродуктов.

Метод сооружения хранилищ в соляных отложениях основан на хорошей растворимости каменной соли в пресной воде. (Рисунок 8 Б схема размыва полости в соляном пласте; приложение Б). В 1 м3 воды при 20° С может раствориться до 360 кг соли или для образования 1м3 полости нужно 6-7 м3 воды.

Для создания емкостей выбираются участки соляных пластов с глубиной залегания до 1000 - 1200 м и мощностью 100 м и более. Объемы размытых емкостей могут быть равны от 30-80 м3 до 300-400 тыс.м3.

Для сооружения хранилищ этого вида бурят скважину диаметром 194-325 мм до проектных отметок и спускают в неё обсадную и две рабочие колонны труб (одна в другой). По одной колонне на забой скважины подается вода, которая, размывая пласт, насыщается солью, а рассол выкачивается на поверхность по другой колонне.

Существуют прямоточный, противоточный, комбинированный, водоструйный способы размыва. При использовании любого способа основной задачей является управление размывом с целью получения требуемой формы емкости.

Размыв подземной емкости длится 1,5 - 2 года, поэтому задача интенсификации этого процесса требует своего решения.

Использование сил взрыва при создании подземных емкостей.

В последнее время в России и за рубежом получило развитие строительство подземных хранилищ методом глубинных взрывов, под действием которых происходит уплотнение пластичных горных пород (глина, суглинка). Для этой цели используется обычные взрывчатые вещества (динамит, тритол, аммонит) и ядерные заряды.

Минимальная и оптимальная мощность рабочей толщи глинистого пласта выбирается в зависимости от объема емкости, например, для V=100-150 м3 hmin = 18-20 м, hmax = 20-25 м. Технология образования подземных емкостей в пластичных породах способом глубинных взрывов разделяется на 2 этапа (рисунок 9 Б создание подземных емкостей взрывом; приложение Б). Первый этап: разбуривание скважины диаметром 600-400 мм, обсадка её и цементирование затрубного пространства (1 и 2 позиции). Второй этап: закладка зарядов (вспомогательного и основного), монтаж электровзрывной сети и взрыв (3, 4, 5 и 6 позиции).

При взрыве заряда пластичная порода подвергается пластическому течению и уплотнению, в результате чего образуется шарообразная емкость с упрочненными стенками. Размеры образованной емкости зависит от величины заряда вещества и предела сжимаемости среды.

Перспективным направлением в строительстве подземных хранилищ является использование ядерного взрыва. Зарубежные специалисты считают, что для создания полости V = 28 тыс.м3 необходима 1 кг мощности заряда. Особенностью таких емкостей является идеальная сферическая форма и высокая устойчивость стенок. В момент взрыва температура в центре взрыва достигает 1000° С, а давление в зависимости от мощности заряда 106 -5×106 кг/см2.

2.1.2 Геологические и технические условия создания ПХГ

Выбор оптимальных способов и эффективность создания подземного хранилища газа зависит от многих характеристик геологического объекта и, прежде всего, от физических свойств пласта-коллектора, степени его неоднородности, наличия разрывных нарушений, степени подвижности пластовых вод.

Породы пласта-коллектора должны иметь достаточную мощность, проницаемость, пористость и характеризоваться относительной литологической однородностью.

Создание хранилищ в хорошо проницаемых и пористых пластах с небольшой неоднородностью позволяет применять повышенные депрессии при заполнении хранилищ газом, сократить число эксплуатационных и наблюдательных скважин, а также упростить контроль за продвижением пластовых вод при отборе газа из хранилища.

Численные значения физических параметров пласта-коллектора, предназначенного для использования в качестве хранилища, могут значительно изменяться. Тектонические нарушения всегда вызывают опасения с точки зрения герметичности покрышки над хранилищем. Наличие сбросов, надвигов и других нарушений существенно осложняет интерпретацию геологических и гидродинамических данных, затрудняет выбор схемы закачки газа, усложняет технологические расчеты и т. д.

На сроки создания хранилища и режим его эксплуатации определенное влияние оказывают степень подвижности пластовых вод и амплитуда поднятия пласта-коллектора (разница отметок самой высокой точки пласта-коллектора и самой глубокой изогипсы, замкнутой в пределах рассматриваемой площади).

При создании подземных хранилищ газа, как в истощенных месторождениях, так и в водонасыщенных пластах важное значение имеет правильное установление максимально допустимого давления в них.

Повышение давления в хранилище до максимального допустимого способствует сокращению сроков сооружения подземного хранилища и положительно влияет на условия его эксплуатации. Чем больше давление в хранилище, тем больше объем хранящегося газа и тем меньше требуется скважин для обеспечения необходимого отбора газа. Повышение давления в хранилище в процессе хранения увеличивает бескомпрессорный период подачи газа потребителю из хранилища, уменьшает мощность КС и улучшает технико-экономические показатели системы газоснабжения в целом.

Однако чрезмерное повышение давления в подземном хранилище может привести к нарушению герметичности резервуара и потерям газа, прорыву газа на дневную поверхность с возникновением взрывов и пожаров образованию кристаллогидратов углеводородных газов в скважинах, увеличению затрат на компримирование газа.

Максимально допустимое давление в хранилище обусловлено многими геологическими и техническими факторами и, прежде всего, зависит от глубины залегания пласта; плотности, прочности и пластичности кровли пласта; способа создания хранилища и темпов закачки газа, предельного давления нагнетания компрессоров выбранных для закачки газа в хранилище и для отбора газа из него.

На максимальное давление существенно влияют структурные и тектонические особенности пласта, кровли, подошвы, а также разреза пород над пластом.

Практика создания подземных хранилищ газа показывает, что при наличии глинистой покрышки мощностью больше 3 м максимально допустимое давление можно определить, исходя из нормального гидростатического давления, соответствующего глубине залегания хранилища, при этом герметичность пласта, как показывает опыт, не нарушается, переток жидкости и газа в другие пласты через кровлю даже в сводовых частях пласта практически отсутствует.

При создании и эксплуатации подземных хранилищ следует учитывать также темп возрастания давления в процессе закачки газа. Чем меньше темп возрастания давления, тем на большую величину можно повысить давление в хранилище.

Геологические и горнотехнические условия строительства подземного хранилища

Перспективность дальнейшего развития подземного хранения, газов зависит, в первую очередь, от геологических, гидрогеологических и горно- технических условий залегания горных пород. При оценке районов для строительства подземных хранилищ газа необходимо учитывать особенности геологического строения территории.

Важный параметр эксплуатации подземных хранилищ - минимально допустимая глубина залегания подземных емкостей, которая определяется, в первую очередь, давлением паров хранимого продукта. Эта величина устанавливается с учетом того, что одна атмосфера максимального рабочего давления продукта в хранилище должна уравновешиваться давлением толщи пород, расположенной над емкостью не менее шести метров.

Ориентировочно расчет глубины заложения хранилища (Н) осуществляется при условии, что избыточное давление в хранилище (Ризб.) ниже горного (Ргорн). Оно позволяет предохранить стенки хранилища от разрушения под действием внутреннего давления

                                                                      (1)

где  - средняя плотность вышележащих горных пород.

При выборе участка и решения вопросов о пригодности пласта для строительства хранилища оценивается общее геологическое состояние месторождения с целью установления нарушенных зон. Герметичность хранилища может быть нарушена неблагоприятными тектоническими условиями: сбросами, сдвигами, и т. д. Только всесторонний анализ результатов разведки дает возможность сделать заключение о степени герметичности, подземного хранилища, повышающей его эксплуатационную надежность.

Хранение газов в подземных емкостях практически осуществимо в тех местах, где на определенной глубине имеются мощные устойчивые отложения естественно непроницаемых горных пород. Горные породы считаются пригодными для сооружения газохранилищ, если они не фильтруют хранимый продукт, не содержат включений, влияющих на кондицию этого продукта, устойчивы к горному давлению.

Диапазон горных пород, в которых могут быть созданы хранилища, довольно широк. По литологическому составу к породам, пригодным для строительства, отнесены гипсы, ангидриты, мергели, плотные известняки, доломиты, граниты, глины и некоторые другие с коэффициентом крепости, по шкале Протодьяконова f=2-10. При этом наиболее приемлемы гипсоангидритовые породы, характеризующиеся хорошей устойчивостью.

Не рекомендуется строить подземные емкости под мощными (более 40 м) ледниковыми отложениями, содержащими обычно водонесущие пески и гравий, а также под кровлей из аллювиальных пород, требующих обязательного сплошного крепления. Породы, вмещающие каменный уголь, газ и нефть, не могут быть рекомендованы для размещения в них подземных емкостей, т. к. им всегда сопутствуют пористые газопроницаемые структуры. В соответствии с требованиями, данные геологических и гидрогеологических изысканий должны быть предельно уточнены с помощью бурения разведочных скважин.

Глубина заложения подземного хранилища определяется, в первую очередь, наличием достаточно мощного пласта непроницаемой горной породы, пригодной для сооружения емкости.

Глубина заложения кровли емкостей хранилищ сжиженного газа (Н) определяется по формуле

                                                                                    (2)

где К - коэффициент запаса прочности покрывающих пород, равный 1,2-1,5; Рвн - максимально возможное давление сжиженного газа внутри емкостей, т/м2; γср - средневзвешенная плотность покрывающих горных пород, кг/м3;

                                      (3)

где Н1, Н2,..., Нп - мощность отдельных пластов, слагающих покрывавшую толщу пород, - плотность пластов горных пород, слагающих покрывающую толщу, кг/м3.

Минимальная мощность горных пород должна быть достаточной для размещения хранилища и предохранительной толщи непроницаемых или устойчивых пород в почве и кровле. Она определяется по формуле

                                                                                      (4)

где h - высота емкости, м; L - длина емкости, м; i - уклон емкости; b - суммарная мощность непроницаемых пород в почве и кровле (b1+b2 не менее 10 м). Обычно высота выработки-емкости не менее пяти метров. Следовательно, в общем случае минимальная мощность «рабочей толщи» должна достигать 15 м.

Таким образом, хранилища могут сооружаться в любых водоупорных породах (осадочных, магматических или метаморфических), химически инертных к углеводородам, имеющим мощность не менее 15 м и необходимую глубину залегания. Слабоуплотненные, рыхлые, макропористые и трещиноватые, кавернозные плотные породы практически не пригодны для создания хранилищ.

Учет всех вышеперечисленных требований, предъявляемых к горным породам, геологическим и горнотехническим условиям их залегания, дает возможность наиболее обоснованно рекомендовать в исследуемых районах горные породы, благоприятные для строительства подземных хранилищ жидких углеводородов и выделить перспективные территории их распространения.

Особенности хранения газа в подземных емкостях.

Главной особенностью подземного хранения углеводородных топлив является их длительное непосредственное контактирование с вмещающей горной породой, в которой сооружается емкость.

В подземных хранилищах, в отличие от наземных резервуаров, температура хранения продукта не зависит от природно-климатических условий, сезонных колебаний температуры воздуха и верхнего слоя грунта.

Особые условия, характерные для подземного хранения, со временем оказывают влияние на физико-химические свойства газа, а следовательно, и на их качество. Систематическое изучение изменения качества углеводородных топлив при хранении в подземных емкостях началось в нашей стране в середине 60-х годов. В работах В.А. Мазурова, В. С. Азева и др. рассмотрены вопросы влияния контактирования различных горных пород, грунтовых вод и рассола на химическую стабильность топлив.

Хранение в подземных емкостях сжиженных углеводородных, газов обусловливает необходимость выявления их химической стабильности при взаимодействии с горными породами. Для этого изучалось изменение качества углеводородных газов при хранении в подземных емкостях, образованных в сульфатно-карбональных породах. Установлено, что содержащиеся в породе незначительные примеси окислов алюминия, железа и кремния не оказывают влияния на химическую стабильность хранимого продукта, т.к. эти окислы становятся катализаторами лишь после специальной физико-химической переработки и действуют на продукт только при температурах не ниже 150-200° С. Температура же вмещающих пород в подземных хранилищах не превышает 10, а максимальная температура поступающего в хранилища газа - 40° С. О химической стабильности сжиженных углеводородных газов при хранении в подземных емкостях в контакте с горными породами свидетельствуют и другие исследования, проведенные как в нашей стране, так и за рубежом.

Исследование свойств горных пород, определяющие их пригодность для создания подземного хранилища.

Надежность подземных хранилищ газа определяется их герметичностью, прочностью и долговечностью. Исходя из требований, предъявляемых к подземным емкостям, естественные породные массивы, окружающие хранилище, должны быть практически непроницаемым для хранимых продуктов, а слагающие их горные породы - прочными, устойчивыми, обеспечивающими сооружение и эксплуатацию емкостей, как правило, химически нейтральными к хранимым продуктам. Оценка пригодности горных пород для создания подземных хранилищ осуществляется в процессе исследований свойств горных пород.

Физико-механические свойства горных пород

Диапазон горных пород, в которых сооружаются подземные хранилища газа, довольно широк. К ним относятся, осадочные, магматические и метаморфические, практически непроницаемые породы.

Основными показателями физико-механических свойств пород подземных хранилищ следует считать прочностные характеристики горных пород, а также их реологические особенности. Под прочностными характеристиками понимают их временные сопротивления элементарным видам напряжении - одноосному сжатию, растяжению, сдвигу и изгибу в таблица 1 приведены показатели пределов прочности некоторых пород на сжатие, растяжение и изгиб.

Таблица 1 - показатели пределов прочности пород на сжатие, растяжение и изгиб

Породы

σсж(кг/см2)

σр(кг/см2)

σизг(кг/см2)

Граниты

1000-2500

100-1500

100-300

Известняки

900-1200

120,0

180,0

Гипсы

170

19,0

60,0

Известняки с гипсом

420

24,0

65,0

Каменнаясоль (Артемовск)

366

13,3

33,0

Калийная соль (сильвинит, Верхнекамское)

396

6,1

22,0

Калийная соль (сильвинит, Старобино)

266

13,9

33,0

Следует отметить, что прочность соляных пород при изгибе составляет от 5 до 20 % их прочности при одноосном сжатии.

Для прочностных расчетов подземных емкостей необходимо знание не только физико-механических, но и деформационных свойств горных пород, важнейшими из которых являются модуль упругости и коэффициент Пуассона.

Значения модуля Юнга и коэффициента Пуасона для некоторых горных пород приведены в таблице 2.

Таблице 2 - Значения модуля Юнга и коэффициента Пуассона для некоторых горных пород

Породы

Модуль Юнга, Коэффициент Пуассона


Глины

0,03

0,25 - 0,35

Известняки

0,28 - 0,33

Доломиты

2,1 - 16,5

0,28

Граниты

до 6,0

0,26 - 0,29

Каменная соль

0,6 - 0,85

0,44

Калийные соли: сильвинит каинит

 1,18 2,04

 0,39 0,39


В настоящее время существуют различные гипотезы определения прочности материалов и, в том числе, горных пород.

Для оценки деформационных свойств горных пород большое значение имеет построение паспортов прочности. Широко применяются следующие виды построения паспорта прочности:

­   объемного сжатия;

­   среза со сжатием;

­   соосных Пуассонов;

­   по результатам определения прочности горных пород при растяжении и сжатии;

­   расчетный.

При испытании горных пород в объемном напряженном состоянии с целью получения прочности и исходных данных для паспорта прочности разработаны экспериментальные установки и методики проведения испытаний.

Огибающая главных кругов напряжения может быть представлена аналитически. Наиболее простое аналитическое выражение зависимости касательных напряжений τ от нормальных.

                                                                                (5)

где - φ угол наклона прямоугольного отрезка огибающий к оси абсцисс; σn - это прямая линия; τ1 - предельное касательное напряжение в породе при отсутствии нормального напряжения. Угол φ назван углом внутреннего трения, a tg(φ) - коэффициентом внутреннего трения. В таблица 3 приведены значения угла внутреннего трения для соляных пород.

Таблица 3 - Значения угла внутреннего трения для соляных пород

Месторождения

Породы

φ, град.

Яр-Бишкадакское

Каменная соль

36

Старобинское

То же

33


Таким образом, φ - коэффициент пропорциональности между приращениями нормальных и касательных напряжений при разрушении породы.

Показатель τ называется сцеплением горной породы и количественно равен пределу прочности породы на срез при отсутствии нормальных напряжений.

Породы, пригодные для строительства подземных хранилищ, характеризуются большой пластичностью, т. е. способностью претерпевать необратимые деформации. Для определения и количественной оценки пластичности горных пород при статических нагрузках используются различные методы и аппаратура. Так, Л. А. Шрейнером разработан прибор, работа которого основана на вдавливании цилиндрического штампа с плоским основанием в породу.

Реологические свойства горных пород.

Для обеспечения надежной эксплуатации подземных хранилищ необходимо учитывать фактор времени и его влияние на напряженно-деформированное состояние пород в зоне, прилегающей к емкости. Породы, слагающие подземные хранилища, являются в основном телами упругопластическими и характеризуются большими деформациями ползучести при постоянной нагрузке во времени.

Величина деформаций и напряжений этих пород определяется, с одной стороны нагрузкой, а с другой - временем ее действия. Изменение напряжений и деформаций горных пород во времени при постоянной нагрузке называется ползучестью.

Реологические свойства горных пород изучаются экспериментально. Для проведения испытаний на ползучесть и длительную прочность образцов горных пород в условиях одноосного сжатия изготавливаются образцы цилиндрической формы высотой и диаметром 42 мм.

Явление, обратное ползучести, - постепенное снижение напряжений в породе при постоянной ее деформации - называется релаксацией напряжений. Релаксация представляет собой ползучесть при напряжении, которое уменьшается пропорционально нарастающей пластической деформации. В этом случае упругие деформации, появившиеся в породе при первоначальном нагружении, постепенно переходят в пластические.

Установлено, что существует общая закономерность изменения свойств пород в зависимости от времени действия на них нагрузки: чем длительнее воздействие нагрузки, тем меньше упругие свойства пород (модуль Юнга, предел упругости) и тем ярче проявляются их пластические свойства.

При горнотехнических расчетах с учетом фактора времени в качестве критерия принимается величина допустимых деформаций, не вызывающих разрушения, или вводится в расчет предел длительной прочности σдл - напряжение, способствующее разрушению образца в заданном промежутке времени.

Предел длительной прочности горных пород определяется при испытаниях образцов на сжатие или изгиб. Для этого фиксируют время от начала нагрузки образца до его разрушении при конкретном уровне напряжении. Затем по результатам серии испытаний при различных нагрузках строят кривую длительной прочности в координатах напряжение - время, по которой и определяют значение σдл. Пределом длительной прочности следует считать напряжение, не вызывающее разрушения образца в течение 1000 ч.

Между длительной прочностью глин и временем приложения нагрузки t существует следующая эмпирическая зависимость:

                                                                            (6)

где- прочность породы при мгновенном нагружении; А - константа, характеризующая стойкость породы.

Для некоторых глин и мергелей для многих других пород предел длительной прочности .

Учет реологических явлений в породах, склонных к пластическим деформациям, приобретает особое значение при горнотехнических расчетах подземных хранилищ. Устойчивость емкостей следует определять по длительной прочности пород с учетом их ползучести и релаксации.

Проницаемость плотных горных пород.

Одной из основных задач при проектировании и строительстве подземных хранилищ газа является выбор практически непроницаемых горных пород, способных обеспечить герметичность емкостей. Оценка герметичности пород осуществляется по абсолютной проницаемости.

Количественно проницаемость определяется на основании закона линейной фильтрации Дарси и характеризуется коэффициентом проницаемости. Расчет коэффициента абсолютной проницаемости образца производится по формуле

                                                                                   (7)

где - расход газа, см3/с, приведенный к среднему давлению (Рср) газа в образце,

                                                                                   (8)

                                                                                (9)

Q - расход газа при атмосферном давлении, см3/с; Рб - атмосферное давление, МПа; Р1 - давление газа на входе в образец, МПа; Р2 - давление газа на выходе из образца, МПа; μ- вязкость газа, сПа; l - длина образца породы, см; Δр - перепад давления по длине образца, МПа; F - площадь сечения образца, см2.

Определяемый по этой формуле коэффициент проницаемости К характеризует пропускную способность пористой среды при фильтрации вязкой гомогенной жидкости; без учета ее плотности.

Для нахождения абсолютной проницаемости из каждого отобранного монолита изготавливаются образцы, ориентированные параллельно и перпендикулярно напластованию. Их боковая поверхность покрывается парафином, бекелитовым лаком или клеем для устранения микродефектов, образующихся при изготовлении. Подготовленные образцы высушиваются до постоянной массы при 105° С (гипс - при 50° С). Испытания проводятся на установке УИПК-1.

Большая работа по исследованию проницаемости горных пород с целью оценки их пригодности для подземных хранилищ осуществляется во ВНИИПромгазе. В частности, здесь были определены количественные показатели проницаемости горных пород перспективных площадей. Так, абсолютная проницаемость для ангидрита составляет 3,5×10-4 (параллельно напластованию) и 2,1×10-4 (перпендикулярно напластованию); для гипса - 9,04×10-2; для доломита - 1,98×10-2 (параллельно напластованию) и 9,37×10-3, (перпендикулярно напластованию).

В Ивано-Франковском институте нефти и газа изучалась проницаемость соляных пород Прикарпатья с целью установления их пригодности для строительства подземных хранилищ.

Располагая данными о проницаемости пород и ее изменении с глубиной залегания пласта или залежи, можно оценить пригодность месторождений для строительства хранилищ.

Помимо внешнего давления, на проницаемость оказывает значительное воздействие давление фильтрующего флюида (газа) Рф. Данные, приведенные в работе Сохранского В.Б., Черкашенинова В.И., показывают, что при повышении - Рф на 3 МПа при ΔP=const проницаемость гипсов увеличивается в 1,2-5 раз. Авторы объясняют это явление тем, что при повышении давления газа происходит как, частичная разгрузка породы от внешнего давления и соответственно увеличение ее общего объема, так и сокращение объема твердой фазы за счет сжатия отдельных ее частиц под действием внешнего и внутреннего давлении.

Таким образом, проведение комплекса исследований свойств горных пород позволяют правильно оценить их пригодность для строительства подземных хранилищ.

2.1.3 Схемы обустройства подземного хранилища газа

Под технологической схемой обустройства хранилища понимается совокупность определенным образом размещенных и соединенных между собой технических средств, необходимых для осуществления запланированной технологии создания и эксплуатации ПХГ. В этом комплексе основой служат газовые коммуникации и аппараты.

Рациональная схема обустройства подземного хранилища газа должна обеспечивать осуществление технологических процессов при наименьших приведенных затратах по хранилищу в целом в конкретных геолого-климатических и хозяйственных условиях (рисунок 10 Б схема обустройства ПХГ; приложение Б).

Пунктирными линиями ограничены технологически обособленные участки этой схемы. Газ из магистрального газопровода I по соединительному газопроводу II подается на территорию компрессорной станции III, которая располагается, как правило, непосредственно на территории хранилища.

Пройдя пылеуловители 1, газ компримируется в компрессорах 2, очищается от масла в маслоотделителях первой ступени 3, а затем охлаждается в аппарате 4. Холодный газ подвергается дополнительной очистке от капельного масла в сепараторах 5 и от масляных паров в угольных адсорберах 6, фильтры которых 7 служат для задержания частиц активированного угля, уносимых потоком газа. Чистый газ по коллектору направляется на газораспределительный пункт V.

От коллектора отходят индивидуальные линии к эксплуатационным скважинам хранилища. На рисунке 10 Б изображена одна такая линия (приложение Б). Газ по линии 8 через расходомер 9 и обратный клапан 10, минуя сепараторы 11 и 13, по шлейфу 14 попадает в скважину 15.

При отборе из хранилища газ проходит сепаратор первой ступени 13, штуцер 12 и сепаратор второй ступени 11, расходомер 9, обратный клапан 10 и поступает либо в установку осушки IV, либо прямо в газопровод II.

В схеме обустройства хранилища обычно различают сторону высокого давления и сторону низкого давления.

Сторона высокого давления включает все трубопроводы и аппараты, находящиеся на нагнетательной линии, считая от выкида компрессоров последней ступени сжатия до пласта. Давление в этой части системы контролируется предохранительным клапаном, установленным на выходе компрессора последней ступени сжатия.

Сторона низкого давления начинается за штуцером, считая от скважины, и включает установку осушки, соединительный и магистральный газопроводы. Давление в этой части системы определяется гидравлическим сопротивлением системы со стороны низкого давления и контролируется предохранительным клапаном, установленным на сепараторе или непосредственно за сепаратором второй ступени.

Для борьбы с гидратами используется метанол или ДЭГ. Число соединительных газопроводов, их направление, длина и диаметр устанавливаются с учетом развития системы газоснабжения, в которую ПХГ входит как подсистема.

Характерная особенность работы КС на подземном хранилище состоит в существенной переменности расхода компримируемого ею газа, его давления и степени сжатия. Особенно велики эти изменения, если КС работает и при нагнетании и при закачке газа. Компрессоры обвязываются так, чтобы можно было осуществлять в случае необходимости двух-, а иногда и трехступенчатое сжатие газа.

На газораспределительном пункте (ГРП) выполняются следующие технологические операции, связанные с работой отдельных скважин и обусловленные различием их характеристик:

­ распределение газа по скважинам при его закачке и отборе;

­   регулирование расхода и давления газа;

­   очистка газа от твердых и жидких примесей;

­ измерение расхода, температуры и давления газа, а также количества отделяемых от газа твердых и жидких компонентов;

­ исследование скважин.

Выбор схемы и технического оснащения ГРП зависит от вида промысловой газовой сети, категории хранилища, характеристик пласта и скважин, числа эксплуатационных скважин, давления в пласте, климата района и других условий.

В соответствии с современной тенденцией полной автоматизации технологических процессов на подземных хранилищах целесообразно применять лучевую систему газораспределения и сбора газа, при которой вся продукция скважин по самостоятельным линиям подается на ГРП без предварительного отделения жидких и твердых компонентов на скважинах.

Работа на ГРП хранилищ в водоносных пластах осложнена тем, что при создании хранилища приходится предусматривать средства повышения коэффициентов охвата и вытеснения, регулировки и контроля за процессами нагнетания и отбора газа. Все это предполагает контроль за работой и регулировкой расхода газа всех эксплуатационных скважин.

Количество воды и твердых взвесей, присутствующих в продукции скважин, до сих пор не поддаются приемлемому по точности расчету, как в силу сложности процесса, так и в силу изменчивости условий во времени. В связи с этим при обустройстве ГРП и проектировании режима его работы следует исходить из опыта и аналогий.

С точки зрения количества пластовой воды, поступающей с газом, хранилища, исходя из практики, можно условно разделить на четыре группы.

Первая характеризуется практическим отсутствием в добываемом газе пластовой воды при обычных режимах эксплуатации хранилища. В сепараторах этих хранилищ на 1000 м3 газа выделяется 1-5 л конденсационной воды.

Ко второй группе можно отнести хранилища с малым притоком пластовой воды порядка 5 - 10 л на 1000 м3 газа.

Третья группа характеризуется большим притоком воды 10 - 20 л на 1000 м3.

Наконец, к четвертой группе относятся особые хранилища, например, создаваемые в малоамплитудных поднятиях водоносных пластов. На этих объектах возможен приток воды более 20 л на 1000 м3 газа.

ГРП хранилищ третьей и четвертой групп целесообразно оборудовать сепараторами двух ступеней. Первая служит для отделения основного количества капельной воды, вторая - для тонкой очистки.

Число ГРП на хранилище зависит главным образом от условий местности, числа эксплуатационных скважин и их размещения. Если скважин относительно немного (10 - 20) и они размещены на площади менее 10 км2, то можно предусматривать сооружение одного ГРП. Если скважин больше, и они сгруппированы на значительном расстоянии друг от друга, то удобней делать два-три ГРП. Задача о рациональном числе ГРП решается на основе экономического расчета и учета реальных условий.

Диаметры шлейфов и коллекторов выбираются, исходя из условия реальной скорости потока газа в них 8-10 м/с при расчетном расходе газа. Такая скорость обеспечивает движение по трубам жидкой и твердой фаз.

Описанная схема обустройства хранилища проста, удобна, но имеет следующие недостатки:

пылеуловители и масляные сепараторы работают только при закачке газа;

компрессорная станция не используется при отборе газа;

не предусмотрено двухступенчатое сжатие газа.

Проектно-исследовательским институтом ВНИПИГаздобыча разработаны типовые схемы обустройства хранилищ газа, свободные от описанных недостатков.

На рисунке 11 Б (приложение Б) изображена одна из схем, разработанная В. П. Карповым, В. Л. Хорошиловым, М. М. Ивановым, позволяющая использовать одни и те же сепараторы при закачке и отборе газа, применять эжектор, подключать или не подключать КС при отборе газа.

Подготовка газа к транспорту осуществляется с помощью НТС. Если НТС не позволяет достичь кондиций газа, предусмотренных ОСТ 51.40-80, то перед ВХ-2 и Т-101 впрыскивается ДЭГ высокой концентрации.

.2 Проектная часть

.2.1 Анализ параметров геологического строения Южно-Луговского месторождения с точки зрения строительства подземного хранилища газа

При выборе пласта для создания подземного хранилища было изучено ряд наиболее подходящих горизонтов. Выбор объекта производился согласно условиям предъявляемые при строительстве ПХГ; по интерпретации данных ГИС, по структурным построениям, по сейсмическим исследованиям и т.д. Так же при выборе горизонта учитывается глубина залегания залежи. Это вызвано тем, что в них должно создаваться достаточно высокое давление для обеспечения хранения значительных объемов газа. В то же время степень сжатия закачиваемого газа не должна быть чрезмерно высокой.

В качестве хранилища газа решено использовать залежь III горизонта это объясняется минимальными дополнительными затратами, поскольку предполагается что истощенное газовое месторождение удовлетворяет условиям создания подземного хранилища газа а следовательно минимизируются расходы на дополнительные исследования.

Газоносность этого самого верхнего (в пределах рассматриваемой площади) номенклатурного горизонта нижнемаруямской подсвиты, установлена при проводке второго ствола скважины 13-Южно-Луговской - фиксацией интенсивного газопроявления. Ограничения залежи в разрезе определялись по интерпретации данных ГИС и в плане - структурными построениями; то есть залежь III горизонта также отнесена по изученности к резервуару с запасами категории С2. Согласно структурным построениям - это «водоплавающая» сводовая залежь.

НГГ залежи III горизонта Южно-Луговского месторождения определяется - согласно интерпретации данных ГИС на отметке - 669 м.

.2.2 Расчет основных параметров подземного хранилища газа

При расчете параметров подземного хранилища газа известны размеры и форма газонасыщенного пласта, объем порового пространства залежи, коэффициенты пористости и проницаемости, пластовые давление и температура, состав газа, размещение нагнетательных скважин на площади газоносности, коэффициенты фильтрационных сопротивлений, изменение расхода закачиваемого в хранилище газа во времени.

Целью данного расчёта является определение:

­   Максимального объема газа закачиваемого в ПХГ (активный)

­   Общого объема газа в хранилище (предельный)

­   Буферного объема газа

­   Время закачки газа в хранилище

­   Давление на забое скважины в конце периода закачки газа

­   Давление на устье нагнетательной скважины в конце периода закачки

­   Вертикальное горное давление,

­   Давление разрыва пласта

­   Числа компрессоров

При проектировании и эксплуатации подземных газохранилищ различают остаточный, активный, буферный и предельный объемы газа.

Остаточным называется минимальное количество газа, которое находилось в залежи перед началом закачки на хранение.

Активным называется объем ежегодно отбираемого и закачиваемого газа. Этот объем определяется по формуле

                                                                    (10)

где Ω - объем порового пространства; Рmax и Pmin - максимальное и минимальное давление в хранилище.

Буферным называется объем газа, не извлекаемый из подземного газохранилища, но необходимый для поддержания определенного минимального давления для подачи газа на поверхность, противодействия внедрению в хранилище пластовых вод и т. д.:

                                                                                 (11)

Предельным называется максимальное количество газа, которое можно поместить в хранилище:

                                                                                  (12)

При создании и эксплуатации подземных хранилищ газа различают также максимально допустимое, максимальное, минимальное и среднее давления.

Максимальное и допустимое давление это наибольшее давление в хранилище, которое можно допустить, исходя из условия сохранения покрышки (кровли) пласта. Чем выше давление в пласте, в котором создается хранилище, тем большее количество газа может в нем храниться. Однако при чрезмерном повышении давления может нарушиться герметичность кровли пласта, и создадутся условия для утечки газа в вышележащие пласты либо на поверхность.

Для предупреждения этого максимально допустимое давление в пласте принимается несколько меньшим, чем давление вышележащих пород (горное давление):

                                                                    (13)

Максимальным называется давление, установленное на основании технико-экономических расчетов и соответствующее активному объему газа.

Минимальным называется давление, установленное на основании технико-экономических расчетов и соответствующее буферному объему хранимого газа.

                                                                   (14)

Среднее давление в хранилище определяется из выражения

                                                                                (15)

где Т - время, равное году или величине, кратной одному году.

Время закачки газа определяется по соотношению

                                                                                     (16)

Где N(t) - постоянный расход газа, закачиваемого в хранилище м3/сут.

Для приближенного определения давлений на забое нагнетательных скважин при закачке газа с постоянным темпом используем формулу

                                                                   (17)

Где                                             (18)

                                                                       (19)

                                                                                   (20)

                                              (21)

По достижении R значения Rк при равномерном размещении скважин на площади газоносности

                                                                                   (22)

а при батарейном размещении скважин

                                                                             (23)

Давление на устье нагнетательной скважины определим по формуле Г. А. Адамова

                                          (24)

где

                                                                  (25)

Давление разрыва пласта

                                                                        (26)

                                                                                     (27)

где Рвг - вертикальное горное давление; σр - давление расслоения пород (можно принять σр=1,5 МПа)

Число компрессоров, необходимое для закачки газа в хранилище, находим, полагая, что КС расположена вблизи нагнетательных скважин и потери давления газа на пути КС малы:

                                                                               (28)

где qк - расход газа, закачиваемого в пласт одним компрессором известного типа. (Таблица 7 В расчет основных параметров подземного хранилища газа; приложение В)

.2.3 Разработка технологической схемы добычи газа на месторождении с учетом использования подземного хранилища газа

Из шлейфа 1 через открытую задвижку 2 газ поступает в пылеуловители 3, из которого направляется во всасывающий коллектор 4 газомоторного компрессора 5. Сжатый газ идет в холодильник 6 и далее в установку 7 для очистки от масла.

Очищенный газ под рабочим давлением направляется в подземное хранилище по газопроводу 8. При необходимости подачи газа потребителю из подземного хранилища газ по трубопроводу 9 через открытую задвижку поступает в газопровод рисунок 12 В Технологическая схема подземного хранилища газа (приложение В).

3. Экономическая часть

.1 Оценка технико-экономических показателей разработки Южно-Луговского месторождения с учетом строительства подземного хранилища газа

К основным технологическим параметрам ПХГ, от которых зависят затраты на его создание и эксплуатацию, относятся: объем буферного газа, число и конструкция добывающих скважин, мощность КС. Все эти параметры взаимосвязаны.

Так, с ростом объема буферного газа уменьшаются число добывающих скважин и мощность КС, используемой в процессе отбора газа, но увеличивается мощность КС на закачку газа.

Увеличение радиуса скважин, гидродинамически совершенных по степени и характеру вскрытия пласта при постоянной максимально допустимой скорости фильтрации на поверхности забоя скважин, приводит к пропорциональному увеличению их дебита, уменьшению числа скважин, что в свою очередь влияет на объем буферного газа и мощность КС.

С другой стороны, использование различных типов компрессоров (поршневых, центробежных или винтовых с разным типом привода) вызывает изменение стоимости закачиваемого буферного газа, а следовательно, сказывается на основных параметрах ПХГ.

3.1.1 Расчет объема капиталовложений на сооружение подземного хранилища газа и их экономической эффективности

Для сооружения ПХГ активным объемом 211 млн. куб. метров необходимо приобретение и сооружение следующего оборудования:

Бурение пяти скважин с обустройством - по цене 159,8 млн. руб.

Компрессор с расходными материалами - по цене 3,1 млн. руб.

Стоимость буферного газа закачиваемый в ПХГ - по цене 12,08

Таким образом общая сумма капиталовложений составит 174,984 млн. руб.

Подробный расчет капиталовложений на сооружение ПХГ представлен в таблице 10 Г (приложения Г).

Срок службы оборудования, эксплуатируемом в ПХГ 12 лет, но в связи с возрастающими потребностями потребителей добыча газа на данном месторождении ориентировочно сведется к 6 годам. В связи с этим расчет экономической эффективности данного инвестиционного проекта выполнен на 6 лет.

По причине ввода в эксплуатацию дополнительного дорогостоящего оборудования и увеличения стоимости основных фондов и объемов добычи природного газа эксплутационные расходы возрастут с 31,18 млн. руб. до 46,16 млн. руб. в год.

Объем добычи газа возрастет с 27,3 млн. куб. м в год до 102 млн. куб. м в первый и второй годы реализации проекта с некоторым постепенным снижением в последующие 4 года до 83 млн. куб. м в год.

Выручка от реализации газа возрастет с 34,06 млн. руб. в год до 99,79 млн. руб. в год. Это в свою очередь повысит суммы валовой и чистой прибыли соответственно с 2,88 и 2,17 млн. руб. до 53,85 и 40,25 млн. руб. в год.

К 6-му году реализации проекта накопленный денежный поток составит 139,41 млн. руб.

Срок окупаемости капитальных вложений составит 4 года. То есть в 5, 6 годы реализации проект будет приносить прибыль.

Подробный расчет всех показателей экономической эффективности представлен в таблице 13 Г приложения Г.

Таким образом, учитывая все полученные показатели экономической эффективности данный инвестиционный проект рекомендуется к принятию.

4. Мероприятия по охране труда и окружаю природной среды при строительстве и эксплуатации подземного хранилища газа

.1 Мероприятия по охране окружающей природной среды при строительстве и эксплуатации подземного хранилища газа

В процессе разработки газовых месторождений и подземных хранилищ газа происходит интенсивное изменение состояния и перемещение пластовых флюидов, что может вызвать образование поверхностных ореолов загазованности на прилегающих территориях, что обусловливает организацию газогеохимического контроля за состоянием разработки месторождения и ПХГ.

К основным задачам газогеохимического контроля за ПХГ относятся:

-     оценка герметичности месторождений и ПХГ;

-     определение связей выявленных ореолов загазованности с техническим состоянием промысла и газовой залежи;

      контроль за изменением текущих содержаний отдельных компонентов и газогеохимических показателей;

      прогнозирование типа залежи, типа обводнения скважин, возможной коррозии, наличия межпластовых перетоков и других факторов на основании анализа газогеохимических характеристик.

В профилактических целях комплексный газогеохимический метод оценки загазованности поверхностных отложений и окружающей воздушной среды осуществляется на многих территориях месторождений и ПХГ с периодичностью 1-2 раза в год. Среди прочих методов контроля перспективен геохимический метод, основанный на определении содержания углеводородов в пробах воздуха, отобранных на территории хранилищ и прилегающих участках в сочетании с определением окислительно-восстановительного потенциала вод и интенсивности развития в них углеводородоокисляющих бактерий.

Этот метод широко применяется на многих подземных хранилищах газа.

К проблеме охраны недр и окружающей среды примыкают вопросы, связанные с минимизацией потерь углеводородного сырья при сборе, подготовке, транспорте и хранении нефти и газа, так как их утечки в атмосферу, почву, водоемы не только увеличивают неоправданные потери их для общества, но и приводят к загрязнению окружающей среды.

К основным источникам поступления вредных веществ в атмосферу относятся:

газоперерабатывающие заводы

установки комплексной подготовки газа

газовые скважины при их разгерметизации и продувках

газоконденсатопроводы

газопроводы.

Для уменьшения загрязнения воздушного бассейна газодобывающими предприятиями предусматривают различные технологические и организационно-технологические мероприятия.

К основным таким мероприятиям относятся:

-     правильный выбор материалов для оборудования, трубопроводов,

арматуры, средств КИП и автоматики, работающих в средах, содержащих кислые газы;

-     герметизация системы по добыче, транспорту и промысловой подготовке газа и углеводородного конденсата;

-     применение систем автоматических блокировок и аварийной остановки, обеспечивающих отключение оборудования и установок при нарушении технологического режима без разгерметизации системы;

      применение в качестве топлива и для различных технологических нужд газа, прошедшего осушку и сероочистку на газоперерабатывающем заводе или локальных установках на промыслах;

      применение закрытой факельной системы для ликвидации выбросов сероводорода при продувке скважин, трубопроводов, при ремонте технологических установок и т.п. с последующим сжиганием в факелах.

Для уменьшения загрязнения атмосферы углеводородами и другими компонентами, содержащимися в газе, предусматривают сжигание газа в факелах. При эксплуатации факельных систем существует потенциальная опасность распространения фронта пламени от факельного ствола в факельные трубопроводы и даже до технологической установки. Для предотвращения распространения пламени устанавливают на подводящих к факельному стволу газопроводах огнепреградитель или гидрозатвор. Работу факельной системы считают удовлетворительной, если происходит полное и бездымное сгорание газов. Бездымное сжигание газов обычно достигают при смешивании их с водяным паром или подачей распыленной воды.

Рациональный метод очистки необходимо выбирать с учетом следующих требований:

-     минимального увеличения себестоимости основной продукции,

-     использования минимальных площадок для установки,

      применение недорогих и недефицитных реагентов;

- возможности непосредственного использования конечных продуктов или удобной их переработки;

-     полной автоматизации процесса в установке для очистки и гибкости к возможным колебаниям режимов;

-     минимального количества сернистых соединений в выбрасываемых из установки газах, обеспечения хорошего рассеивания в атмосфере.

Производственные объекты транспорта и хранения природного газа вносят значительный вклад в загрязнение атмосферного воздуха. Основная часть загрязнителей при нормальном режиме работы поступает в атмосферу в виде пара, газа из резервуаров и технологических аппаратов и при сливо-наливных операциях. Удельный вклад в загрязнение товарно-сырьевых парков, например, составляет около 50 % общего объема потерь.

4.2 Мероприятия по охране труда при строительстве и эксплуатации ПХГ

Для обеспечения безопасных условий труда при обслуживании оборудования и сооружений по сбору, сепарации, очистке и транспортированию газа необходимо прежде всего, соответствие оборудования условиям, возникающим при его эксплуатации, и требованиям, которые предъявляются к каждому виду этого оборудования, установке или к сооружению в целом правилами техники безопасности, строительными нормами и правилами.

Вместе с тем необходимо строжайшее соблюдение правил эксплуатации и правил безопасного обслуживания оборудования и сооружений. В частности, необходим систематический контроль за исправностью трапов, сепараторов, запорной и предохранительной арматуры, контрольно-измерительных приборов. При проведении ремонтных работ должны соблюдаться не только общие правила техники безопасности при выполнении этих работ, но и дополнительные правила (ПБ 08-624-05, СН459-74, ЗД153-39-023-97), отражающие специфичность характера работ по ремонту оборудования и сооружений по сбору, сепарации, очистке и транспортированию газа.

Трапы, сепараторы и другие аппараты, работающие под избыточным давлением 0,07 МПа и выше, должны удовлетворять требованиям правил устройства и безопасной эксплуатации сосудов, работающих под давлением, регламентируемые ГОСТом (ГОСТ 12.2.085-082). Они оснащаются предохранительными клапанами, манометрами и устройствами для автоматического спуска жидкости. Аппараты, с помощью которых замеряется дебит жидкости, имеют, кроме того, уровнемерные стекла или заменяющие их уровнеуказатели.

Уровнемерные стекла на трапах должны снабжаться отводами для продувки в закрытую емкость или заменяющие их уровнеуказатели.

Предохранительные клапаны и контрольно-измерительные приборы устанавливают с учетом обеспечения удобства обслуживания и наблюдения за ними. Выкид предохранительного клапана имеет отвод, направляющий струю газа вверх.

У группы сепараторов с одинаковым рабочим давлением газ от предохранительных устройств может отводиться в общую линию (коллектор) на свечу, установленную на расстоянии не менее 25м за пределами ограждения. Трапы, сепараторы и другие аппараты оборудуются лестницами и площадками для их обслуживания.

Газосборные сети, коллекторы и конденсатопроводы проектируются и сооружаются в соответствии с требованиями СНиПа (СНиП 3.05.02-88). Трубы газопроводов соединяют сваркой. Фланцевые и резьбовые соединения допускаются лишь в местах установки запорных устройств, компенсаторов, регуляторов давления и другой аппаратуры, а также для установки контрольно-измерительных приборов.

Запорные устройства газопроводов (задвижки, краны) устанавливают в колодцах с крышками. При наземной установке запорные устройства ограждаются.

Канализационные колодцы и другие подземные сооружения, расположенные на производственной территории и вдоль газопровода на расстоянии до 15м по обе стороны от него, проверяют на загазованность не реже трех раз в год, а в первый год эксплуатации - не реже одного раза в месяц. Проверка на загазованность осуществляется посредством газоанализатора. Результаты проверки записываются в журнал.

При обнаружении газа в каком-либо из этих сооружений газопровод отключают, выявляют место утечки газа и проводят ремонтные работы. Кроме того, проверяют на загазованность все другие подземные сооружения, а также здания, расположенные на расстоянии 15 м по трассе газопровода.

Осмотр газопроводов и проверка их на герметичность, а также замер электрических потенциалов (на подземных газопроводах) осуществляются по графику, утвержденному руководителем предприятия, ответственным за их эксплуатацию. Графиком предусматривается проверка газопроводов на герметичность через три года после ввода их в эксплуатацию, а в последующее время - не реже одного раза в пять лет.

Продувка и испытание вновь сооружаемых газопроводов осуществляются под руководством комиссии. Порядок проведения этих работ устанавливается инструкцией, в которой отражаются последовательность и способы выполнения работы. Персонал, занятый продувкой и испытанием газопровода, до начала работы проходит дополнительный инструктаж по безопасному ведению работ. определяется зона оцепления газопровода. Находящиеся в этой зоне воздушные линии электропередачи отключают.

Газопроводы испытывают гидравлическим способом, сжатым воздухом или газом. Если при испытании используется газ, который не имеет запаха, или воздух, то его одорируют. Газопровод, испытанный воздухом, можно вводить в эксплуатацию только после вытеснения воздуха газом. Вытеснение считается законченным, если содержание кислорода в газе, заполнившем газопровод, не превышает 2 %.

Ликвидация порывов газопроводов, ремонт и замена запорных устройств относятся к числу газоопасных работ и выполняются с соблюдением соответствующих правили инструкций.

Газоопасные работы - это работы, которые выполняют в загазованной среде, а также работы, при которых возможен выход газа из газопроводов или аппаратов, в частности:

-     продувка газопроводов и испытание их газом;

-     присоединение вновь сооруженных газопроводов к действующим;

      ликвидация гидратных отложений в газопроводах путем заливки растворителей или подогрева с последующей продувкой;

      ревизия газопроводов, газового оборудования и арматуры и устранение выявленных недостатков;

      ликвидация разрывов газопроводов путем установки временных хомутов, врезки катушек и другими способами.

При выполнении указанных работ не исключается возможность взрывов газовоздушной смеси, пожаров, отравления газом и других несчастных случаев. В связи с этим газоопасные работы выполняются под непосредственным руководством инженерно- технического работника.

Газовая резка и сварочные работы на действующих газопроводах проводятся при давлении газа 0,39-0,98 кПа. Для контроля за давлением в местах проведения работ устанавливается манометр. В случае снижения давления ниже 0,39 кПа или повышения его более 0,98 кПа резка или сварка прекращается.

В загазованных колодцах, помещениях, а также в загазованной атмосфере вне помещений ремонтные работы проводят в противогазах без применения огневых средств. Для спуска рабочих в колодцы, не имеющие скоб, а также в глубокие котлованы должны применяться металлические лестницы достаточной длины с приспособлениями для крепления их наверху. Спускающиеся в колодец или глубокий котлован должны надевать спасательные пояса. На поверхности земли с наветренной стороны во время проведения работ следует находиться не менее чем двум лицам для непрерывного наблюдения за работающими внизу. В руках наблюдающих должны быть концы веревок от спасательных поясов.

Газоопасные работы, как правило, выполняются в дневное время. Работы по ликвидации аварий проводят в любое время суток под непосредственным руководством инженерно- технического работника.

.3 Мероприятия по охране труда и окружающей природной среды при эксплуатация газокомпрессорных станций и установок

В состав газокомпрессорной станции входят: машинный зал с установленными компрессорами, водонасосная станция, технологическая аппаратура (сепараторы, маслоотделители и др.), система трубопроводов (приемные коллекторы, выкидные линии и другие газопроводы, водопроводы, маслопроводы и др.), помещение для обслуживающего персонала и другие объекты.

Для обеспечения бесперебойной и надежной работы компрессоров необходимо осуществлять строгий контроль установленных параметров компримирования и режима работы оборудования. Порядок обслуживания компрессоров и контроля за их работой определен специальными правилами технической эксплуатации. В частности, для поршневых компрессоров - «Правилами устройства и безопасности эксплуатации поршневых компрессоров, работающих на взрывоопасных и токсичных газах».

На основании этих правил разрабатываются инструкции для персонала, обслуживающего компрессорные станции и компрессорные установки.

Нарушение правил устройства и эксплуатации компрессоров, а также инструкций по обслуживанию оборудования компрессорных станций может привести не только к выходу из строя компрессоров, но и к взрывам, пожарам и другим авариям.

Помещения компрессорных станций оборудуются принудительной приточно-вытяжной вентиляцией, грузоподъемными механизмами и различными сигнальными устройствами. Трубопроводы компрессорных станций сварные. На приемном и выкидном газопроводах вне здания устанавливаются запорные устройства для обеспечения возможности быстрого отклонения станции от внешних сетей при возникновении аварийных ситуаций. На нагнетательных газопроводах между компрессором и отключающей задвижкой устанавливаются обратные клапаны.

Каждый компрессор снабжается указывающими манометрами (на выкидных линиях всех ступеней сжатия), регистрирующим манометром (на выкиде последней ступени сжатия и на приеме дожимного компрессора) и предохранительным пружинным клапаном (устанавливается непосредственно на выкиде у каждой ступени сжатия).

На линии между предохранительным клапаном и компрессором не допускается установка запорного устройства. Пружинные предохранительные клапаны должны иметь приспособления, позволяющие проверять их действие во время работы компрессора. На выкидной линии последней ступени сжатия компрессора монтируется предохранительное устройство, срабатывающее при давлении, превышающем рабочее на 10 %. Монтируется оно вне здания на стояке высотой 1,8 м от поверхности земли.

Компрессоры оснащаются сигнализацией отклонения параметров от нормальной работы, а также автоматическим устройством, отключающим его при повышении давления и температуры сжимаемого газа, при прекращении подачи охлаждающей воды и падении давления на приеме и в системе смазки.

Для предотвращения попадания газа в масляную систему на подводящих маслопроводах в местах их присоединения к цилиндрам и сальникам устанавливаются обратные клапаны. На трубопроводе топливного газа газомоторного компрессора устанавливается регулятор давления.

Сепаратор для газа, поступающего на прием компрессоров, оборудуется манометром или вакуумметром, предохранительным клапаном или предохранительной диафрагмой, краном или вентилем для контроля за уровнем жидкости и автоматическим устройством для ее сброса.

Сжатый газ подвергается охлаждению. Максимальная температура газа, поступающего в напорный газопровод, не должна превышать 70° С.

Содержание воздуха в газовоздушной смеси, поступающей на :прием компрессора, не должно превышать 60 об. % при давлении 5 МПа, 35 % - при давлении 10 МПа, 30 % - при давлении 20 МПа и 20 % - при давлении 35 МПа.

Заключение

В данной ВКР рассматривалась возможность создания подземного хранилища газа способное покрыть зимний дефицит за счет накопления газа летом. А так же исследование геологических и технических условий, предъявляемые при сооружении ПХГ на Южно-Луговском месторождении.

Был проведен анализ геологического строения месторождения. Для использования в качестве хранилища был выбран и обоснован III пласт.

Проведен анализ текущей добычи газа с целью определения потенциала Южно-Луговского месторождения при интенсивной разработке. Сделан предварительный вывод, что строительство ПХГ целесообразно при условии получения однозначно положительного результате проведения разведовательно-промышленной закачки газа в пласт-коллектор и дальнейшей разработки близлежащих перспективных структур анивского прогиба.

В результате технологического расчета исследуемый горизонт способен выступать в качестве ПХГ, также определены максимальное и минимальное давления в хранилище, общий объем газа в хранилище, необходимое количество новых скважин, и производительность компрессора, выбран тип компрессорного агрегата. В результате анализа экономической эффективности было выявлено, что срок окупаемости капитальных вложений составит 4 года. То есть в 5, 6 годы реализации проект будет приносить прибыль. Так как строительство ПХГ позволит перевести один котёл ТЭЦ областного центра на газ, то это повлечёт за собой значительное улучшение экологической обстановки в г. Южно-Сахалинске.

Исследуемые условия для сооружения подземного хранилища газа на месторождении Южно-Луговское, приведенные в настоящей работе удовлетворяют. Таким образом, поставленные задачи переданной работы решены, цели достигнуты.

Список используемой литературы

1.     Булатов А.И., Макаренко П.П., Шеметов В.Ю. Охрана окружающей среды в нефтегазовой промышленности. - М.: Недра, 1997. - 483 с.

2.     Глоба В.М. Сооружение подземных газонефтехранилищ: Научно-технический обзор ЦНТИ ВНИИСТ. - М.: 1976. - 257 с.

.       Глоуб М.В. Газопромысловое оборудование. - Уфа: Мад. Уфимск. нефт. ин-та, 1981.- 375 с.

.       Добина А.С., Евстропов Н.А. Сооружение подземных хранилищ. - М.: МГИ, 1967. - 361 с

.       Едигаров С.Г., Бобровский С.А. Проектирование и эксплуатация нефтебаз и газохранилищ. - М.: Недра, 1973. - 312 с.

.       Жданов Р.А. Нефтебазы и газохранилища. - Уфа: Иед. Уфимс. нефт. ин-та, 1985. - 88 с.

.       Иванцов О.М. Подземное хранение жидких углеводородных газов. - М.: Гостоптехиздат, 1961. - 179 с.

.       Каримов М.Ф. Эксплуатация подземных хранилищ газа. - М.: Недра, 1981. - 248 с.

.       Касьянов В.М. Гидромашины и компрессоры. - 2-е изд. М.: Недра, 1985. 297 с.

.       Коротаев Ю.П., Гуревич Г.Р., Брусиловский А.И. Добыча, подготовка и транспорт природного газа и конденсата. Справочное руководство в 2-ух томах. Том I/Под редакцией Коротаев Ю.П. Маргулов Р.Д. - М.: Недра, 1984. 488с.

.       Коротоаев Ю.П., Ширковский А.И. Добыча, транспорт и подземное хранение газа. - М.: Недра, 1984. - 198 с.

.       Куцын П.В., Федоренко В.И., Султанович А.И. Организация работ по охране труда в газовой промышленности. - М., Недра, 1984. - 257 с.

.       Сохранский В.Б., Черкашенинов В.И. Оценка пригодности горных пород для строительства газонефтехранилищ. - Строительство трубопроводов, 1972, №10.

.       Черкашенинов В.И., Сохранский В.Б., Смирнов А.А. Хранение сжиженных газов и нефтепродуктов в подземных хранилищах. - М.: ЦНИИТЭнефтехим, 1975. - 207 с

.       Ширковский А. И., Задора Г.И. Добыча и подземное хранение газа. - М.: Недра, 1974. - 264 с.

Приложение А

Общие сведения о месторождении

Таблица 1 А - Характеристика залежей газа

Пласт

Блок

Категория запасов

Абсолютные отметки ГВК, м

Абсолютная Глубина кровли свода, м

Размер залежей

Общая толщина пласта ср. величина, м

Эффективная толщина ср. величина, м

Газонасыщ. Толщина ср. взв. вели- чина, м

Тип залежи






длина, км

ширина, км

высота, м

Объём то же, на 1996 г. тыс. м3





XIIIб

Северный

С2

-1292

-1265

0,5

0,7

27

2 300-

21-25 22,3

13,8-17,1 15

0-17,1 8,3

Газовая, пластовая, тороподобная, ограниченная разрывами


Золото-рыбный

С1

-1385

-1324

2,4

1,2

61

18 613 -

12-23 17,5

11-21,8 16,4

0-15 12,17

Газовые, пластовые, сводовые, ограниченные разрывами

XIIIa

Северный

С1

-1293

-1235

0,7

1,3

58

9 169 8 731

19-27 23

13-19,1 16

0-19,1 12,9



Центральный


-1324

-1280

0,9

1,35

44

7 477 3 049

20-28 24

15-18 16,5

0-18 13,5



Золото-рыбный


-1368

-1300

2,4

1,5

27 321 20 130

20-29 22,7

13,8-25,8 19,8

0-23 15,5


XIIб-2

Золото-рыбный


-1337

-1274

2,5

1,5

63

11 105 1 568

18-23 20,5

5,5-9,6 7,6

0-9,6 6,0


XIIб-1

Золото-рыбный

С2

-1284

-1260

1,9

0,6

24

2 015 -

9-11 10

3,1-9,4 6,2

0-8,1 4,2

Газовая, пластовая, сводовая, ограниченная разрывом

XIIб

Северный

С1

-1257

-1205

0,7

1,4

52

6 352 7 638

28-36 32

8,8-12,8 10,8

0-12,8 7,6

Газовые, пластовые, сводовые, ограниченные разрывами


Центральный


-1303

-1235

0,8

1,7

68

5 819 3 669

21-37 29

4,8-10,5 7,4

0-10,5 7,2


XIIа

Северный


-1212

-1173

0,8

1,3

39

2 425 4 081

21-26 23,5

2,6-5,4 4,0

0-5,4 3,1



Центральный


-1261

-1200

1,8

1,7

61

4 844 1 165

22-26 24

2,9-5,5 4,2

0-5,5 3,2


XI-2

Центральный


-1214

-1160

1,6

1,7

54

9 001 384

8-20 14

5,4-20 12,7

0-20 8,7


XI

Северный

С2

-1137

-1128

0,8

0,5

9

659 475

23-28 25,5

15,3-23,8 19,5

0-5,8 2,7

Газовая, сводовая, водоплавающая, ограниченная разрывами

Ха


С1

-1067

-1045

1,0

0,8

22

4 090 3 099

20-25 22,5

7,1-17,1 12,1

0-14,9 6,8

Газовые, пластовые, сводовые, ограниченные разрывами



-1050

-1004

1,1

1,2

46

15 251 7 941

28-34 31

15-26,8 20,9

0-26,8 19,1



Центральный

С2

-1050

-1030

0,3

0,8

20

809 1000

33-34 33,5

20-27,1 23,6

0-15 5,25

Газовая, пластая, водоплавающая, ограниченная разрывом

VII

Сводовая область


-947

-878

1,5

1,3

69

16 278-

39-42 40,5

12-20 16

0-20 11,55

Газовая, пластовая, сводовая, ограниченная разрывом

V



-807

-758

1,3

1,0

49

5 840-

73-86 79,5

11,6-26,9 19,2

0-16,5 6,1

Газовая, пластая, водоплавающая, ограниченная разрывом

IV



-780

-730

1,3

1,0

50

3 154-

4-149

1,6-5,13,4

0-5,13,6

Газовая, пластовая, сводовая, ограниченная разрывом

III



-669

-644

1,1

0,5

25

2 158-

30-4035

19-32,525,8

0-105,3

Газовая, пластовая, сводовая,водоплавающая


Таблица 2 А - Сведения о литолого-физических свойствах пород продуктивных пластов и покрышек Золоторыбного блока

№скважины

Пласт, покрышка

№образца

Исследуемый интервал, м

Глубина по привязке, м

Модель пластовой воды

Керосин

Кпр, мкм2

Кпр.эф, мкм2

Ков, % по ка- пилл.- метрии

Тип породы

Коллектор + Неколлектор -




Кровля

Подошва


Кп.в  %

dоб.пл., г/см3

dм.пл., г/см3

Кп.кер, %

dоб.пл., г/см3

dм.пл., г/см3






7

XIIб-1

1

1313,00

1319,50


28,00

1,86

2,61

28,20

1,86





Песч. АГ

+

7

XIIб-1

2

1313,00

1319,50


25,50

1,95

2,62

22,00

2,03


0,00180



Ал.пес

+

8

XIIб-1

1

1299,00

1303,00

1299,00

28,30

1,87

2,60

27,00

1,90

2,60

0,00097

0,00010

84,00

Хлидолит

-

8

XIIб-1

2

1299,00

1303,00


24,40

1,96

2,60

24,30

1,98

2,61

0,00975

0,00383

77,80

Песч. АГ

+

6

под XIIб-1

1

1361,00

1364,00

1362,30

27,10

1,79

2,45

25,40

1,93

2,59




Не оп.гр

-

6

XIIб-2

2

1369,00

1377,00

1375,00

31,60

1,74

2,55

26,50

1,93

2,62




Не оп.гр

+

7

XIIб-2

3

1313,00

1319,50





28,00

1,88





Песч. АГ

+

7

XIIб-2

4

1319,50

1326,00


27,40

1,91

2,63

28,50

1,87


0,00850

0,00450

61,90

Песч. АГ

+

7

XIIб-2

5

1319,50

1326,00


26,40

1,94

2,65

27,10

1,91





Песч. АГ

+

7

XIIб-2

6

1319,50

1326,00


23,80

1,99

2,62

23,80

1,98


0,00610


69,20

Песч. АГ

+

8

XIIб-2

3

1307,00

1315,00

1307,10

27,50

1,88

2,59

23,60

1,99

2,60

0,00048

0,00100

95,50

Песч. АГ

-

8

4

1315,00

1323,00

1317,40

30,90

1,81

2,62

26,10

1,95

2,64

0,03640



Песч. АГ

+

6

XIIIa

3

1395,00

1400,00

1397,50

30,30

1,77

2,54

27,30

1,91

2,62




Не оп.гр

+

6

XIIIa

4

1416,00

1424,00

1416,50

26,80

1,82

2,48

27,00

1,89

2,59

0,45200



Не оп.гр

+

7

XIIIa

7

1346,00

1353,00


29,50

1,86

2,64

25,30

1,96


0,01180


63,50

Песч. АГ

+

7

XIIIa

8

1346,00

1353,00


30,60

1,83

2,64

27,60

1,90


0,01700

0,00150

64,50

Песч. АГ

+

7

XIIIa

9

1353,00

1360,00


29,80

1,85

2,64

27,80

1,88


0,00790


62,00

Песч. АГ

+

7

XIIIa

10

1353,00

1360,00


32,50

1,79

2,65

27,50

1,90


0,00760


66,20

Песч. АГ

+

7

XIIIa

13

1365,00

1372,00


29,30

1,85

2,61

27,40

1,88


0,00350



Ал.пес

+

8

XIIIa

5

1340,00

1348,00

1341,00

28,10

1,88

2,61

25,80

1,95

2,62

0,00160

0,00017

83,20

Ал.пес

+

8

XIIIa

6

1340,00

1348,00

1347,70

30,00

1,84

2,62

27,70

1,90

2,63

0,00740


59,20

Песч. АГ

+

8

XIIIa

7

1348,00

1354,00

1351,50

29,20

1,86

2,63

28,00

1,90

2,63

0,00760

0,00056

65,00

Песч. АГ

+

8

XIIIa

8

1348,00

1354,00


30,10

1,83

2,62

26,20

1,92

2,61

0,01000


62,90

Песч. АГ

+

7

XIIIб

11

1380,00

1388,00


27,30

1,87

2,57

28,20

1,87





Ал.пес

+

7

XIIIб

12

1380,00

1388,00


28,20

1,90

2,64

30,70

1,81





Ал.пес

+

7

XIIIб

14

1380,00

1388,00


28,70

1,86

2,61

26,80

1,90


0,00200


82,80

Ал.пес

+

8

XIIIб

9

1357,00

1364,00

1362,40

28,40

1,86

2,60

28,50

1,88

2,62

0,00166

0,00093

70,10

Песч. АГ

+

8

XIIIб

10

1364,00

1370,00

1365,00

29,30

1,86

2,63

29,70

1,84

2,62

0,01277



Песч. АГ

+


Таблица 3 А - Характеристика коллекторских свойств газонасыщенности Золоторыбного блока

Метод определения

пласт

XIIIa

XIIIб


Наименование

Проницаемость, мкм2

Пористость, доли ед.

Насыщенность связанной водой, доли ед.

Проницаемость, мкм2

Пористость, доли ед.

Насыщенность связанной водой, доли ед.

1

2

3

4

5

6

7

8

Лабораторные исследования керна

Количество скважин, шт.

3

3

2

2

2

2


Количество определений, шт.

8

9

7

3

5

2


Среднее значение

0,00811

0,2992

0,66

0,00645

0,2838

0,76


Коэффициент вариации, доли ед.

0,551

0,038

0,109

0,705

0,023

0,083


Интервал изменения

1,68-17,2

0,281-0,325

0,592-0,832

2,0-12,7

0,273-0,293

0,701-0,828

Лабораторные исследования керна

Количество скважин, шт

1

1

1


Количество определений, шт

2

3

2


Среднее значение

7,30

0,26

0,66


Коэффициент вариации, доли ед.

0,164

0,059

0,056


Интервал изменения

6,1-8,5

0,238-0,274

0,619-0,692


Таблица 4 А - Свойства и ионный состав пластовой воды (Северный блок)

№№

Наименование

Пласт



XIV

XIIIа

XIIб

XI

Хб



Количество определений

Среднее значение

Кол-во опред.-ий

Среднее значение

Кол-во опред.-ий

Среднее значение

Кол-во опред.-ий

Диапазон изменен.

Среднее значение

Кол-во опред.-ий

Диапазон изменен.

Среднее значение

1

2

3

4

5

7

8

9

10

11

12

13

14

1

Газосодержащие, м3/т

1

1,9











2

Вязкость μв, 10-3 Па·с

1

12,8

1

0,56

1

0,6

1


0,6

1


0,62

3

Общая минерализация, г/л



1

12

1

12,3

2

15-15.6

15,3

2

10.1-10.7

10,4


Содержание ионов, мг/л













4

Cl-

1

7198

1

6630

1

6736

2

8190-8389

8239

2

4779-5915

5347

5

SO4--

1

4,5

1

15,6

1

25,9

2

3.7-7.8

5,8

2

40-99

70

6

HCO3-

1

687

1

580

1

687

2

1118-1160

1139

2

1312-1489

1400

7

Ca++

1

138

1

160

1

172

2

241-285

263

2

134-169

152

8

Mg++

1

45

1

41

1

35

2

81-123

102

2

45-65

55

9

Na++

1

4440

1

4030

1

4340

2

5100-5320

5210

2

3240-3900

3570

10

K+

1

152

1

93

1

126

2

135-174

155

2

45-154

100

11

I-

1

-

1

11,9

1

15,2

1


19,6

2

14.4-15.6

15

12

Br-

1

34,3

1

23,7

1

23,5

1


37,2

2

18.4-31.2

24,8

13

B-

1

112

1

173,8

1

122

2

76.6-77

76,8

2

22-22.4

22,2

14

NH4+

1

125

1

39,5

1

63,3

2

89-107

98

2

68.5-82.4

75,5

15

CO3--

1

30

1

90

1

48

2


-

2


-

16

CO2 свободный

1

46,2

1

20,2

1

-

2

33.3-48.4

40,8

2

17.6-95.7

56,7


Таблица 5 А - Сводовая таблица подсчётных параметров и запасов

Блок

Пласт

Зона

Категория запасов

Площадь газоносности тыс.м2

Эффективная газонасыщенная толщина, м

Коэффициент, доли ед.

Начальное пластовое давление, МПа

Поправки

Коэффициент перевода техн. Ед в физич., МПа -1

Начальные балансовые, запасыаза млн.м3

Добыча газа с начала разработки (потери), млн.м3 (на 1.01.05г.)

Остаточные запасы газа, млн.м3







открытой пористости

газонасыщенности


на температуру

отклонение от закона Бойля-Мариотта





1

2

3

4

5

6

7

8

9

10

11

12

13

14

15

Золото-рыбный

XIII б

г

С1

1037,4

14,18

0,338

0,366

139,8

0,908

1,11

0,97

247





гв

С1

491,6

7,94

0,318

0,433

139,8

0,908

1,11

0,97

73





Итого:

С1









320

9

311


XIIIa

г

С1

1222,7

17,80

0,321

0,356

135,5

0,91

1,11

0,97

329





гв

С1

535,9

10,37

0,302

0,364

135,5

0,91

1,11

0,97

81





Итого:

С1









410

24

386



Рисунок 1 А Геологический разрез по профилю скважин 3- ЗЛ-7-ЗЛ-5А-12-ЮЛ-1-ЮЛ13-ЮЛ-15-ЮЛ

Рисунок 2 А Условные обозначения к геологическому разрезу

Рисунок 3 А Структурная карта по кровле III пласта

Приложение Б

Рисунок 4 Б Хранилище газа в водоносном пласте

Рисунок 5 Б подземное хранилище шахтного типа

Рисунок 6 Б схемы вскрытий шахтных хранилищ

а - с вертикальным отводом;

б - с наклонной вскрывающей выработкой;

в - с горизонтальной выработкой.

Рисунок 7 Б способы отбора продукта из шахтных хранилищ

а - откачка производится погружными насосами

б - откачка производится насосами, установленными в подземных камерах

- обсадная колонна; 2 - водоподающая рабочая колонна; 3 - рассолоподъемная рабочая колонна; 4 - не растворитель (нефтепродукт, воздух, газ) 5 - контур проектной емкости

Рисунок 8 Б Схема размыва полости в соляном пласте

Рисунок 9 Б Создание подземных емкостей взрывом

Позиции 1 и 2 - обсадка и цементирование затрубного пространства;

Позиции 3, 4, 5 и 6 - закладка зарядов (вспомогательного и основного), монтаж электровзрывной сети и взрыв.

Рисунок 10 Б схема обустройства ПХГ

Рисунок 11 Б схема обустройства ПХГ с использованием сепаратора, как при закачке, так и при отборе

I - жидкие углеводороды; II - метанольная вода; III - метанол; IV - регенерированный гликоль; V - насыщенный гликоль; VI - топливный газ: стрелками показан один из вариантов движение газа при его отборе с использованием КС; Вх - воздушный холодильник; С-101 - каплеотбойник (сепаратор первой ступени); С-101А - сепаратор;

С-102 - сепаратор первой ступени; С-103 - сепаратор первой ступени; Т-101 - теплообменник; КС - компрессорная станция; МГ - магистральный газопровод; РМ - расходомер Э - эжектор.

Приложение В

Рисунок 12 В Технологическая схема подземного хранилища газа на УПГ Южно-Луговское

Таблица 6 В - Исходные данные

№ п/п

Исходные данные

Значения

1.

Начальное давление в хранилище, (МПа) Рк

7

2.

Объем залежи, (м3)

3.

Проницаемость, (мкм2) к

0,5×10-3

4.

Пористость, m

0,3

5.

Вязкость, (МПа*с) μ

0,012

6.

Толщина пласта, (м) h

12

7.

Радиус гидродинамически совершенной по степени и характеру вскрытия пласта скважины, (м) Rc

0,1

8.

Число нагнетальных сважин, n

5

9.

Постоянный расход газа, закачиваемого в хранилище одной скважиной, (м3/сут.) N1(t)

240000

10.

Максимально допустимое давление в хранилище, (МПа) Pmax

9,5

11.

Глубина скважиниы, (м) L

640

12.

Внутренний диаметр эксплуатационной колонны, (м) d

0,132

13.

Коэффициент гидравлического сопротивления труб, λ

0,02

14.

Относительная плотность закачиваемого газа по воздуху, Δ

0,6

15.

Коэффициент сверхсжимаемости газа, z

0,85

16.

Коэффициент фильтрационного сопротивления, B

0

17.

Давление расслоения пород, (МПа) σ

1,5

18.

Плотность вышележащих пород, ρп

2,5

19.

Производительность компрессора 10ГКН1/55-125, (м3/сут.)

842400


размещение скважин на площади газоносности равномерное



Таблица 7 В - Расчет основных параметров подземного хранилища газа

№ п/п

Полученные значения

Значения

1.

Максимальный объем газа закачиваемый в ПХГ, (м3) Qакт.

211568627,5

211,56×106

2.

Время закачки газа в хранилище, (сут.) t

176,3071895


3.

Общий объем газа хранилище, (м3) Qпред

803960784,3

803,96×106

4.

Давление на забое скважины в конце периода закачки газа, (МПа) Pз

10,12


5.

Давление на устье нагнетательной скважины в конце периода закачки, (МПа) Pу

9,79


6.

Радиус хранилища, (м) Rк

356,7500283


7.

Определяем число компрессоров, n

1,424501425

т.е. 2 компрессора

8.

Вертикальное горное давление, (МПа) Рвг

16


9.

Давление разрыва пласта, (МПа) Рраз

10,5


10.

Буферный газ, (м3) Qб

592392156,9

592,39×106

11.

Объем порового пространства в хранилище, (м3) Ω

7193333,333

7,19×105

12.

Постоянный расход газа, закачиваемого в хранилище, (м3/сут.) N(t)

1200000



Приложение Г

Оценка технико-экономических показателей разработки Южно-Луговского месторождения с учетом строительства подземного хранилища газа

Таблица 8 Г - Стоимость услуг по эксплуатации и техническому обслуживанию

Стоимость услуг по эксплуатации и техническому обслуживанию

№ п/п

Наименование статей затрат

Сумма, руб.

1

Прямые затраты


1.1.

Сырьё и материалы

176 661

1.2.

Услуги сторонних организаций, связанные с производственным процессом

68 099

1.3.

Затраты на оплату труда производственного персонала

899 412

1.4.

Отчисления в Фонд социального страхования

235 646

1.5.

Расход электроэнергии на производственные нужды

64 695

1.6.

Амортизация основных средств

10 512


Итого:

1 455 025

2.

Косвенные затраты


2.1.

Налоги

17 400

2.2.

Общехозяйственные расходы

335 298


Итого:

352 698


Итого расходов на эксплуатацию и техническое обслуживание объектов транспортирования природного газа

1 807 723


Рентабельность (15 %)

271 158


Итого

2 078 881





ВСЕГО

2 078 881


Таблица 9 Г - Расходы по добыче и подготовке природного газа к транспорту

Расходы по добыче и подготовке природного газа к транспорту

№ п/п

Наименование статей затрат

Сумма, руб.

1.

Прямые расходы


1.1.

Сырьё и материалы

1 061 172

1.2.

Услуги сторонних организаций, связанные с производственным процессом

973 050

1.3.

Содержание производственного автотранспорта и техники

522 032

1.4.

Расходы по электроэнергии производственного участка

557 520

1.5.

Затраты на оплату труда производственного персонала

5166877

1.6.

Отчисления в Фонд социального страхования

1 351 650

1.7.

Налоги и налоговые платежи

4 477 136

1.8.

Арендная плата за основные средства

15 805 649

1.9.

Амортизационные отчисления

231 750

1.10.

Прочие расходы

300 000


Итого:

30 446 836

2.

Косвенные затраты


2.1.

Налоги

53 050

2.2.

Страхование

18 600

2.3.

Общехозяйственные расходы

3,110654


Итого:

71 653


ИТОГО расходов на добычу и подготовку газа к транспорту

30 518 489


Таблица 10 Г - Капитальные вложения на создания ПХГ

Капитальные вложения

№ п/п

Наименование статей затрат

млн. руб.

1

По скважинам


1.1.

Количество скважин шт.

5

1.2.

бурение скважины.

28,53

1.3.

обустройство скважины

3,43

2

По компрессорной станции


2.1.

количество компрессоров

2

2.2.

Цена одного компрессора

1,33

2.3.

Суммарная стоимость расходных материалов

0,44

3

По буферному газу


3.1.

Буферный газ в ПХГ

12,08


Итого:

174,984


Таблица 11 Г - Эксплуатационные затраты

Эксплуатационные затраты

№ п/п

Наименование статей затрат

значение.

Прямые затраты

1

По скважинам


1.1.

обслуживание скважин (с общепромысловыми затратами), тыс. руб./скв.-год

450000,00

1.2.

стоимость капитального ремонта скважины, тыс. руб./скв.

670000,00

2

По компрессорной станции


1.1.

Количество обслуживаний в год

5

1.2.

Стоимость работ по обслуживанию компрессорной станции тыс. руб.

5680

1.3.

Суммарная стоимость работ по обслуживанию тыс. руб.

28400

1.4.

Интервал между обслуживаниями час.

2 000

1.5.

Время обслуживания час.

5

3

Отчисления в Фонд социального страхования тыс. руб.

235 646

4

Расход электроэнергии на производственные нужды тыс. руб.

64 695

5

Амортизация основных средств тыс. руб.

10 512

Косвенные затраты

1

Налоги тыс. руб.

17 400

2

Общехозяйственные расходы тыс. руб.

335 298


Итого расходов на эксплуатацию и техническое обслуживание подземного хранилища газа

1 811 951


Рентабельность (15 %)

271 158


ВСЕГО

2 083 109


Таблица 12 Г - Расходы по добыче и подготовке природного газа к транспорту

Расходы по добыче и подготовке природного газа к транспорту

№ п/п

Наименование статей затрат

Сумма, руб.

1.

Прямые расходы


1.1.

Сырьё и материалы

1 161 172

1.2.

Услуги сторонних организаций, связанные с производственным процессом

973 050

1.3.

Содержание производственного автотранспорта и техники

522 032

1.4.

Расходы по электроэнергии производственного участка

957 520

1.5.

Затраты на оплату труда производственного персонала

5266877

1.6.

Отчисления в Фонд социального страхования

1 351 650

1.7.

Налоги и налоговые платежи

4 477 136

1.8.

Арендная плата за основные средства

15 805 649

1.9.

Амортизационные отчисления

231 750

1.10.

Прочие расходы

300 000


Итого:

31 046 836

2.

Косвенные затраты


2.1.

Налоги

53 050

2.2.

Страхование

18 600

2.3.

Общехозяйственные расходы

3,110654


Итого:

71 653


Итого расходов на добычу и подготовку газа к транспорту

31 118 489

Таблица 13 Г - Расчет экономической эффективности

Расчет экономической эффективности


един.


Г О Д Ы

показатели

измер.

итого

1

2

3

4

6

7

8

9




2007

2008

2009

2010

2011

2012

2013

2014

2015

Цена реализации природного газа












потребителям Сахалинской области

руб./тыс. м3

8820

1260

1260

1260

1260

1260

1260

1260

1260

1260

Капитальные вложения

млн. руб.

174,98

0,00

0,00

174,98

0,00

0,00

0,00

0,00

0,00

0,00

Скважины , компрессор, ГРП, Пункт очистки и т.д.

млн. руб.

174,98



174,98







Добыча природного газа

млн. м3

643,09

27,03

27,03

27,03

102,00

102,00

95,00

93,00

87,00

83,00

Поставка газа на реализацию - всего

млн. м3

556,29

27,03

27,03

27,03

79,20

79,20

79,20

79,20

79,20

79,20

потребителям Сахалинской области

млн. м3

556,29

27,03

27,03

27,03

79,20

79,20

79,20

79,20

79,20

79,20

Выручка от реализации газа - всего

млн. руб.

700,93

34,06

34,06

34,06

99,79

99,79

99,79

99,79

99,79

99,79

потребителям Сахалинской области

млн. руб.

700,93

34,06

34,06

34,06

99,79

99,79

99,79

99,79

99,79

99,79

Транспортные расходы

млн. руб.

0,00

0,00

0,00

0,00

0,00

0,00

0,00

0,00

0,00

0,00

Эксплуатационные затраты - всего

млн. руб.

363,55

31,18

31,18

31,00

46,16

46,16

45,21

44,94

44,13

43,59

в т.ч. текущие затраты

млн. руб.

200,02

27,22

27,22

27,22

19,73

19,73

19,73

19,73

19,73

19,73

амортизацион. отчисления - всего

млн. руб.

67,18

0,21

0,21

0,21

11,09

11,09

11,09

11,09

11,09

11,09

Продолжение таблицы 13 Г

Из них на оборудование и на кап/ремонт

млн. руб.

67,18

0,21

0,21

0,21

11,09

11,09

11,09

11,09

11,09

11,09

единый налог на добычу (НДПИ)

млн. руб.

86,93

3,69

3,69

3,69

13,77

13,77

12,83

12,56

11,75

11,21

единый социальный налог (ЕСН)

млн. руб.

13,09

1,33

1,33

1,33

1,52

1,52

1,52

1,52

1,52

1,52

земельный налог

млн. руб.

0,50

0,06

0,06

0,06

0,06

0,06

0,06

0,06

0,06

0,06

Валовая прибыль

млн. руб.

337,38

2,88

2,88

3,06

53,64

53,64

54,58

54,85

55,66

56,20

Налог на имущество

млн. руб.

12,10

0,03

0,02

0,02

2,60

2,36

2,12

1,88

1,65

1,41

Прибыль до уплаты налога

млн. руб.

325,28

2,85

2,85

3,04

51,03

51,27

52,46

52,97

54,02

54,79

Налог на прибыль

млн. руб.

78,07

0,68

0,68

0,73

12,25

12,31

12,59

12,71

12,96

13,15

Чистая прибыль

млн. руб.

247,21

2,17

2,17

2,31

38,78

38,97

39,87

40,25

41,05

41,64

Денежный поток

млн. руб.

139,41

2,38

2,38

-172,46

49,87

50,06

50,96

51,34

52,14

52,73

Накопленный денежный поток

млн. руб.


2,38

2,38

-170,07

-120,20

-70,14

-19,19

32,16

84,30

137,03

Налоговые выплаты в бюджет

млн. руб.

190,68

5,78

5,78

5,82

30,19

30,01

29,11

28,72

27,93

27,33

Внутренняя норма рентабельности (IRR), %


20,74










Максим. отрицательная величина

млн. руб.

-129,00










Индекс рентабельности инвестиций


1,80










Срок окупаемости кап. влож.,годы


4

0

0

1

1

1

1

0

0

0

Дисконтиров. доход (NPV) 15 %


139,41












Таблица 14 Г - Сравнение текущего варианта разработки с вариантом разработки с эксплуатацией ПХГ

№№ п/п

Показатели

Текущий варинт разработки

Вариант разработки с эксплуатацией ПХГ

1

2

3

4

1

Поставка газа на реализацию, млн. м3

120

331

2

Срок разработки, годы

9

9

3

Фонд действующих скважин, всего

9

14

4

Капитальные вложения, млн. руб.

0

174,98

5

Эксплуатационные затраты с учетом амортизационных отчислений, млн. руб.

227,56

363,55

6

Дисконтированный доход инвестора, млн. руб.




при норме дисконта 10 %

8,21

79,64


при норме дисконта 15 %

-

7

Максимально отрицательная накопленная наличность, млн. руб.

-

-129,00

8

Окупаемость капитальных вложений, годы

-

4

9

Внутренняя норма рентабельности (IRR), %

10,00

20,74

10

Индекс рентабельности инвестиций, ед.

-

1,80


Похожие работы на - Исследование технических и геологических условий создания подземного хранилища газа на Южно-Луговском месторождении

 

Не нашли материал для своей работы?
Поможем написать уникальную работу
Без плагиата!
Без нейросетей!