Электроснабжение фермы по выращиванию и откорму крупного рогатого скота на 5000 голов
КГБОУ (ССУЗ)
«Минусинский сельскохозяйственный колледж»
Курсовой
проект
По
дисциплине: Электроснабжение сельского хозяйства
Тема работы:
Электроснабжение фермы по выращиванию и откорму КРС на 5000 голов
Введение
Развитие технологии вызывают необходимость в
решение ряда вопросов: максимальное уменьшение разветвленности электрических
сетей; применение радиальных схем распределения электрической энергии;
разработка высокоэффективных способов и средств ограничения токов короткого
замыкания; совершенствования существующих, разработка и внедрение принципиально
новых способов и средств защиты обслуживающего персонала от поражения
электрическим током; разработка и внедрение новых современных средств
дистанционного контроля и управления. Дальнейшее совершенствования систем
электрического снабжения должно увязываться с совершенствованием работ и новыми
требованиями электроснабжения.
Однако повышение надежности электроснабжения
связано с дополнительными затратами средств и оборудования. Поэтому выбор
средств, повышающих надежность работы электрических сетей, должен быть
экономически обоснован путем сравнения возможного ущерба от перерывов
электроснабжения с ежегодными затратами на установку и эксплуатацию устройств,
сокращающих или устраняющих эти перерывы.
Целью данного курсового проекта является:
Систематизировать знания и практические навыки
по дисциплине «Электроснабжение».
Научиться самостоятельно работать с технической,
справочной и каталожной литературой.
Научиться выбирать и применять в проекте
современные аппараты, электроустановки и др. электротехническую продукцию.
Выполнить проект электроснабжения фермы по
выращиванию и откорму КРС на 5000 голов.
1. Характеристика объекта
Объектом электроснабжения является ферма КРС на
5000 голов.
В состав входят:
-траншеи для хранения сенажа, 1-телятник на 2,4
тыс. голов, 1-здание молодняка на 4 тыс. голов, 1-ветеренарно-санитарный
пропускник на 60 человек, 1-приготовительная со складом комбикормов на 240
тонн, 1-пункт технического обслуживания, 1-склад комбикормов на 60 тонн, сарай
для сена на 1 тыс. тонн, 1-убойно-санитарный пункт, 1-амбулатория, 1-здание
отгрузки скота, 1-изолятор на 10 мест.
План объекта показан на [рис.1]
Проектируемый район относится к первой категории
по степени надежности. Питание объектов осуществляется с помощью воздушной
линии (СИП) от ТП 10/0,4 кВ, потребители работают на переменном токе
промышленной частоты 50 Гц. Уровень напряжения на шинах 10 кВ при максимальной
нагрузке отклонения U100=-5,5%, при минимальной нагрузке отклонение U25= -2,7%.
Вид грунта в районе проектируемого объекта
глина, удельное сопротивление грунта ρ=250 Ом*м.
Средняя продолжительность гроз в году составляет примерно от 20-40 часов.
Климатические условия: район по гололеду III.
2. Определение электрических
нагрузок на вводах по объектам
При определение электрических нагрузок
проектируемых трансформаторных подстанций должны быть учтены все потребители
электроэнергии. Прежде всего определяют нагрузку на вводе в отдельные объекты,
в качестве которых в населенных пунктах могут быть жилые дома, общественные
коммунально-бытовые помещения (школы, столовые, магазины и т.д.),
производственные предприятия по производству и обработке сельскохозяйственной
продукции (теплицы, животноводческие объекты, молокозаводы, птицефабрики и
т.д.), а также мелкие производственные предприятия (мастерские, мельницы,
пилорамы и т.д.).
Таблица 2.1 - Электрические нагрузки на вводах
по объектам
|
№
п/п
|
Наименование
потребителя
|
Кол-во
шт.
|
Нагрузка
Pдн/Рвеч
|
Cosφдн/Cosφвеч
|
Координат
потребителя
|
Категория
потребителя
|
|
|
|
|
|
X,
см
|
Y,
см
|
|
|
1
|
2
|
3
|
4
|
5
|
6
|
7
|
8
|
|
1
|
Телятник
на 2,4 тыс. голов
|
1
|
75/45
|
0,95/0,95
|
120
|
30
|
I
|
|
2
|
Здание
молодняка на 4 тыс. голов
|
1
|
140/75
|
0,95/0,95
|
120
|
140
|
I
|
|
3
|
Ветеренарно-санитарный
пропускник на 60 человек
|
1
|
1/1
|
0,95/0,95
|
145
|
76
|
III
|
|
4
|
Кормоприготовительная
со складом комбикормов на 240 тонн
|
1
|
20/1
|
0,95/0,95
|
75
|
228
|
III
|
|
5
|
Пункт
технического обслуживания и ремонта машин и оборудования
|
1
|
30/10
|
1/1
|
18
|
9
|
III
|
|
6
|
Склад
комбикормов на 60 тонн
|
1
|
6/0,3
|
0,95/0,95
|
105
|
75
|
III
|
|
7
|
Сарай
для сена на 1 тыс. тонн
|
1
|
0/0,5
|
0,95/0,95
|
30
|
58
|
III
|
|
8
|
Траншея
для сенажа на 2 тыс. тонн
|
4
|
0/2,6
|
0,95/0,95
|
0
|
180
|
III
|
|
9
|
Убойно-санитарный
пункт
|
1
|
6/2
|
0,95/0,95
|
155
|
227
|
III
|
|
10
|
Здание
отгрузки скота
|
1
|
0,5/3
|
0,95/0,95
|
145
|
148
|
III
|
|
11
|
Амбулатория
|
1
|
1/1
|
0,95/0,95
|
105
|
165
|
III
|
|
12
|
Изолятор
на 10 мест
|
1
|
2/2
|
0,95/0,95
|
137
|
175
|
III
|
3. Выбор количества и трасс ВЛ 0.4
кВ, число и место установки ТП 10/ 0.4
Место установки ТП 10/0.4
Пользуясь планом населенного пункта см. рис.1 и
перечнем потребителей см. табл.2.1, место для установки ТП 10/0.4 кВ выбираем
как можно ближе к центру электрических нагрузок, координаты центра
рассчитываются по формулам:
,
- количество потребителей.расчетная
мощность навводе потребителя, кВтрасстояние по осям координат, см.
Расчеты:
тп=105ммтп=103мм.
Координаты ТП с учетом
переносатп=105ммтп=85мм
Определение трасс линий
электропередач.
Линия электропередач проектируется
изолированным самонесущим проводом, называется ВЛИ 0.4.
С целью разукрупнения мощности по
линии и придание схеме большей гибкости при оперативных включениях и
выключениях принимается три линии напряжением 0.4 кВ. А также линия наружного
освещения. Трассы выбирается так что бы не загромождать проезжие части и
обходится без дополнительных опор при вводе к объектам. Так трасса выбирается,
что бы обеспечить равномерную нагрузку по фазам, все это обеспечит меньшие
затраты и ускорит срок окупаемости линии.
4. Расчет допустимых потерь
напряжения в ВЛИ 0.4 кВ
Для определения допустимых потерь
напряжения в линии ВЛИ составляем таблицу отклонений напряжений. Исходными
данными для составления таблицы являются уровень напряжения в точке питания и
нормы допустимых отклонений напряжения у потребителей, которые не должны
выходить из пределов -5% от номинального напряжения сети у самого удаленного
потребителя при 100% нагрузки и +5% от номинального напряжения сети у
ближайшего потребителя при 25% нагрузки. Уровень напряжения на шинах 10 кВ
составляет δU100=+0,5%;δU25=+0,5%.
Потерю
напряжения в трансформаторе принимаем -4 при 100% нагрузки и -1 при 25%
нагрузки.
Надбавки на трансформаторе могут
быть: -5; -2,5; 0; 2,5; 5%
Суммирование потерь и отклонений
ведем на основе уравнения баланса для электрической сети, см. рис.1
Отклонение напряжения у потребителя
равно сумме всех потерь плюс сумме всех отклонений напряжения на элементах
электрической сети.
Должно выполняться два условия:


Где:
-отклонение у потребителя
- сумма отклонений на элементах
электрической сети
- сумма потерь на элементах
электрической сети
Таблица 4.1 - Допустимые потери напряжения в ВЛИ
0.4 кВ
|
Параметр
элемента сети
|
Обозначение
параметра сети
|
Нагрузка
|
|
|
Удаленный
потребитель 100%
|
Ближний
потребитель 25%
|
|
1
|
2
|
3
|
4
|
|
Отклонения
на шинах РТП 35/10
|
+0,5+0,5
|
|
|
|
Потери
напряжения в линии 10 кВ
|
-5,5-2,7
|
|
|
|
Потери
U тр-р
|
-4-1
|
|
|
|
Постоянная
надбавка
|
+5+5
|
|
|
|
Переменная
надбавка
|
+2,5+2,5
|
|
|
|
Потери
напряжения в линии 0.4 кВ
|
-3-1
|
|
|
|
Отклонения
напряжения у потребителя
|
-4,5+3,3
|
|
|
Проверка
Допустимые потери напряжения в линии
определяем по рис. 4.1
Рис. 4.1 -Схема электрической сети
5. Электрический расчет линии ВЛИ
0.4 кВ
Выбор площади поперечного сечения
проводов ведем методом экономических интервалов. Экономические интервалы
получают в результате построения дисконтированных затрат для различных площадей
сечения проводов в зависимости от мощности или тока.
Порядок расчета:
Определяют нагрузку на участке линии
по формулам:
Определяют эквивалентную мощность
Из таблиц экономических интервалов
выбирают площадь сечения проводов, но не менее разрешенных: для ВЛ 0,38 кВ
сечение не меньше 50 мм2 [1,стр.42,табл.2.3]
Рассчитывают потери напряжения в
линии и сравнивают с допустимыми. Если они оказываются больше допустимых, то
меняют площадь поперечного сечения провода на большее, начиная сголовных
участков магистрали, пока потери напряжения не войдут в допустимые пределы.
Составление расчетной схемы.
См. рисунок №2.На расчетной схеме
отмечаем:
, 2, 3, 4, 5, 6, 7, 8, 9….. - номера
участков линий
, 50, 70, …… - длины участков в
метрах
, 5, 13…..- дневные нагрузки, кВт
5.1 Определение расчетных мощностей,
площади сечения,марки проводов
Рис. 5.1 - Расчетная схема ВЛИ-1
Где: 140 - дневная нагрузка на
участке, кВт
-длина участка, м
Суммирование ведем по вечерним
нагрузкам т.к они превышают дневные по всем потребителям.
Участок 4-3
Участок 3-2
,
Участок 2-1
Участок 1-0
,
Рис. 5.2 - Расчетная схема ВЛИ-2
Участок 6-5
Участок 5-4
Участок 4-3
Участок 3-2
Участок 2-1
Участок 1-0
Расчет уличного освещения.
Расчет нагрузки уличного освещения
производим по удельной мощности и длине освещаемого участка.
[4, стр.89,табл.4.2].
Выбор площади сечения и марки
проводов.
Выбор сечения проводов ВЛ0,4 ведем
по минимуму приведенных затрат согласно таблицы экономических интервалов [5,
стр.79,табл.44]. Порядок определения сечения проводов:
На магистрали линии площадь сечения
проводов должна быть одинакова, поэтому достаточно выбрать сечение провода на
самом нагруженном участке, при этом требуется учесть требование ПУЭ о
минимальном сечении провода для данного климатического района.
Максимально допустимая марка провода
для третьего климатического района СИП2А3*150+1*170; минимально допустимая
СИП2А 3*35+1*50
Определяем потерю напряжения на
участках при выбранных сечениях, по формуле
∆ Uуч=∆ Uуд.*
Sрасч*L*10-3, %- потеря напряжения на участках
Где: ∆ Uуд - удельные потери
[2,стр.64,табл,3.2] ,кВА*м/%расч - расчетная мощность на участке, кВАдлина
участка, м
Определяем расчетную потерю
напряжения на линии, которая не должна превышать допустимую потерю напряжения
по таблице отклонений.
Если расчетная потеря напряжения будет
больше табличной, то увеличиваем сечение провода, чтоб соблюдалось ∆Uуч
∆Uтабл.
Определяем потерю напряжения на
линии ВЛИ-1:
∆ U5-4=∆ Uуд* Sрасч*
Lуч*10-3=0,634*15*40*10-3=0,38%
∆ U4-3=∆ Uуд* Sрасч*
Lуч*10-3=0,634*23,6*20*10-3=0,29%
∆ U3-2=∆ Uуд* Sрасч*
Lуч*10-3=0,634*29,5*20*10-3=0,37%
∆ U2-1=∆ Uуд* Sрасч*
Lуч*10-3=0,634*34,6*20*10-3=0,44%
∆ U1-0=∆ Uуд* Sрасч*
Lуч*10-3=0,634*38,7*45*10-3=1,1%
∆ U0-ТП=∆ Uуд* Sрасч*
Lуч*10-3=0,634*38,7*5*10-3=0,12%
∆ U=∆ U5-4+∆ U4-3+∆
U3-2+∆ U2-1+∆ U1-0+∆ U0-ТП=0,38+0,29+0,37+0,44+1,1+0,12=2,7%
,7%≥1,7% - условиене
выполняется.
Определяем потерю напряжения на
линии ВЛИ-2:
∆ U6-5=∆ Uуд* Sрасч*
Lуч*10-3=0,634*5*20*10-3=0,06%
∆ U5-4=∆ Uуд* Sрасч*
Lуч*10-3=0,634*8,5*20*10-3=0,11%
∆ U4-3=∆ Uуд* Sрасч*
Lуч*10-3=0,634*17,4*20*10-3=0,22%
∆ U3-2=∆ Uуд* Sрасч*
Lуч*10-3=0,634*24,2*20*10-3=0,31%
∆ U2-1=∆ Uуд* Sрасч*
Lуч*10-3=0,634*30*20*10-3=0,38%
∆U1-0=∆ Uуд* Sрасч*
Lуч*10-3=0,634*35*15*10-3=0,33%
∆ U0-ТП=∆ Uуд* Sрасч* Lуч*10-3=0,634*35*5*10-3=0,11%
∆ U=∆ U6-5+∆ U5-4+∆
U4-3+∆ U3-2+∆ U2-1+∆ U1-0+∆
U0-ТП=0,06+0,11+0,22+0,31+0,38+0,33+0,11=1,52%
,52%<1,7% - условие выполняется.
На линии ВЛИ-2 выполняется условия выбираем
сечение 3*35+1*50, а на линии ВЛИ-1 условие не выполняется то принимаем сечение
на порядок выше, т.е 3*70+1*95, и производим повторный расчет.
Определяем потерю напряжения на линии ВЛИ-1:
∆ U5-4=∆ Uуд* Sрасч*
Lуч*10-3=0,463*15*40*10-3=0,27%
∆ U4-3=∆ Uуд* Sрасч*
Lуч*10-3=0,463*23,6*20*10-3=0,22%
∆ U3-2=∆ Uуд* Sрасч*
Lуч*10-3=0,463*29,5*20*10-3=0,27%
∆ U2-1=∆ Uуд* Sрасч*
Lуч*10-3=0,463*34,6*20*10-3=0,32%
∆ U1-0=∆ Uуд* Sрасч*
Lуч*10-3=0,463*38,7*30*10-3=0,53%
∆ U0-ТП=∆ Uуд* Sрасч*
Lуч*10-3=0,463*38,7*5*10-3=0,08%
∆ U=∆ U5-4+∆ U4-3+∆
U3-2+∆ U2-1+∆ U1-0+∆ U0-ТП=0,27+0,22+0,27+0,32+0,53+0,08=1,69%
,69%<1,7% - условиевыполняется.
Полученные данные заносим в таблицу 5.1.
Таблица 5.1 - Расчетные мощности, площади
сечений, марки проводов
|
№
участка
|
Sрасч,
кВ*А
|
Длина
участка, м
|
Sэкв,
кВ*А
|
Марка
и сечение провода
|
Потери
напряжения, %
|
|
|
|
|
|
∆Uуч.
|
От
ТП
|
|
1
|
2
|
3
|
4
|
5
|
7
|
8
|
|
ВЛИ-1
|
|
5-4
|
15
|
20
|
10,5
|
СИП2А
3×70+1×95
|
0,27
|
0,08
|
|
4-3
|
23,6
|
20
|
16,5
|
|
0,22
|
0,61
|
|
3-2
|
29,5
|
20
|
20,6
|
|
0,27
|
0,93
|
|
2-1
|
34,6
|
20
|
24,2
|
|
0,32
|
1,2
|
|
1-0
|
38,7
|
45
|
27,1
|
|
0,53
|
1,42
|
|
0-ТП
|
38,7
|
5
|
27,1
|
|
0,08
|
1,69
|
|
ВЛИ-2
|
|
6-5
|
5
|
20
|
3,5
|
СИП2А
3×35+1×50
|
0,06
|
0,11
|
|
5-4
|
8,5
|
20
|
5,95
|
|
0,11
|
|
4-3
|
17,4
|
20
|
12,2
|
|
0,22
|
0,82
|
|
3-2
|
24,2
|
20
|
16,9
|
|
0,31
|
1,13
|
|
2-1
|
30
|
20
|
21
|
|
0,38
|
1,35
|
|
1-0
|
35
|
15
|
24,5
|
|
0,33
|
1,46
|
|
0-ТП
|
35
|
5
|
24,5
|
|
0,11
|
1,52
|
|
|
|
|
|
|
|
|
5.2 Выбор мощности силового
трансформатора и типа подстанции ТП 10/0.4
Расчет мощности силового трансформатора.
Электрическую нагрузку ТП 10/0,4 кВ получают,
суммируя нагрузки головных участков отходящих линий (по добавкам мощностей или
с помощью k0). В вечернем максимуме нагрузки необходимо учитывать также нагрузку
наружного освещения с коэффициентом одновременности, равным единице. За
расчетную нагрузку принимаем большую (в целом для линии или подстанции) из Sд и
Sв.
Таким образом, если к отходящим от ТП 10/0,4 кВ
ВЛ 0,38 кВ подключены потребители первой категории по надежности
электроснабжения, то необходимо на проектируемой подстанции 10/0,4 кВ
установить два трансформатора. Это связано с необходимость обеспечения
электроэнергией потребителей первой категории по двум взаимно резервирующим ВЛ
0,38 кВ от двух независимых источников питания, причем переключение ЭСН
потребителя на резервную ВЛ должно проводиться автоматически.
Номинальную мощность трансформаторов на
однотрансформаторной подстанции 10/0,4 кВ выбирают по экономическим интервалам
нагрузок по [4,стр.97,табл.4.6] в зависимости от расчетной полной мощности,
среднесуточной температуры, окружающей среды и вида электрической нагрузки.
Расчет ведем по формуле:
Номинальная мощность трансформатора
Тип трансформатора ТМ-160 [4,
стр.97,табл.4.6].
Технические данные трансформатора
заносим в Таблицу 5.2.
Таблица 5.2 - Параметры выбранного
трансформатора
|
Тип
трансформатора
|
Номинальная
мощность, кВ*А
|
Сочетание
напряжений, кВ
|
Потери,
Вт
|
Номинальное
К.З, %
|
Сопротивление
трансформатора приведенное к напряжению 0,4кВ,Ом
|
|
|
|
Холостого
хода
|
К.З
|
|
|
|
|
ВН
|
НН
|
Уров.
А
|
Уров.
Б
|
|
|
Прямойпослед.
|
Приоднофазном
К.З
|
|
ТМ
|
160
|
35
|
0.4
|
620
|
700
|
2650
|
6,5
|
0,065
|
0,478
|
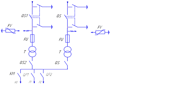
Однолинейная схема 2БКТП-160/10/0,4-03У1
Рис. 5.3 - Однолинейная схема
2БКТП-160/10/0,4-03У1
5.3 Расчет токов короткого замыкания
Сельские электрические сети напряжением 380В
выполняют с глухозаземленной нейтралью. Поэтому в них возможны трехфазные,
двухфазные, однофазные короткие замыкания.
На шинах линии 0.4 кВ расчёт токов короткого
замыкания необходим для выбора аппаратуры, расчёт защиты и заземляющих
устройств. В конце линии 0.4 кВ токи рассчитываются для выбора защиты линии.
На базе расчетной схемы чертим схему замещения
для линий, в которой трансформатор, линии указываем места точек К.З.
Рис. 5.4 - Схема замещения
трансформаторный подстанция
заземляющий устройство
Где:, XT - активное, индуктивное сопротивление
трансформатораЛ, XЛ - активное, индуктивное сопротивление линии ВЛ 0.4 кВ
К1, К2 - места точек короткого замыкания
Расчет токов К.З.
ВЛИ-1
При расчете используем метод
именованных единиц.
ВЛИ-2
,
Результаты расчетов заносим в
таблицу 5.3.1
Таблица 5.3 - Результат расчетов токов К.З
Элементы схемы Мощность
трансформатора , кВА Напряжение точки К.З, кВ Марка и
сечениепровода Длина участка, м Сопротивление цепи Удельное
сопротивление Расчетная точка
кА
кА
кА
|
А
|
|
|
|
|
|
|
|
|
|
R
мОм
|
X
мОм
|
Z
мОм
|
|
|
|
|
|
|
|
ВЛИ-1
|
160
|
0,4
|
230147231480,641/0,1К11,71,5-2433
|
|
|
|
|
|
|
|
|
|
|
|
|
|
|
|
|
|
|
|
К2
|
0,8
|
0,7
|
0,3
|
|
|
ВЛИ-2
|
160
|
0,4
|
3×35+1×50
|
113
|
113
|
13
|
114
|
0,868/0,1
|
К1
|
1,7
|
1,5
|
-
|
|
|
|
|
|
|
|
|
|
|
К2
|
0,9
|
0,8
|
0,3
|
|
6. Устройство и особенности
конструкции сети 0.4 кВ
Конструкция ВЛИ 0,4 применяют по типовому
проекту. Опоры применяют, деревянные с железобетонными приставками углы
поворота линии, составляют 900. Все опоры выбраны на базе стойки СВ 10,5, из
них концевая-анкерная-5шт, отвлетвленых-7шт и угловых-9шт. Концевые опоры
устанавливают в начале и конце линии. Угловые устанавливаются в местах
изменения направления трассы ВЛИ 0.4. Промежуточные, устанавливаются на прямых
участках трассы ВЛИ 0.4 промежуток составляет, 40 метров а их отвлетвение к
вводам не превышают 10 метров.
Для монтажа провода СИП 2А используются:
Анкерные зажимы.
РА 1500 или РАС 1500 - зажим анкерный.10.3 -
кронштейн анкерный.
СА 16 - кронштейн анкерный для DN123.123 - зажим
анкерный для проводов ввода.
Соединительные зажимы.- соединительный зажим для
проводовмагистрали.- соединительный зажим для проводовввода.- зажим с медным
наконечником.
Поддерживающие зажимы.1500 -
комплектпромежуточной подвески.20; SF 50 - подвесныефасадные крепления.
Ответвительные зажимы.
Р 95 (6 кВ) - зажимы для соединения проводов
магистрали.
Р 645 (6 кВ); Р 71, Р 72 (4 кВ) - зажимы для
подключенияабонента к изолированному магистральному проводу, а также
дляповторного заземления
Р 6; Р 645 (6 кВ) - зажимы для ввода в дом.
Р 6; Р 645 (6 кВ), Р 72 (4 кВ) - зажимы для
уличного освещенияи ввода в дом.
Соединение проводов на магистрали производятся
соединительными зажимами типа MJPI, для подключения к изолируемому
магистральному проводу выполняются зажимами типа P45, и для уличного освещения
P72, ответвительнные зажимы P95 для соединения проводов магистрали. Глубина
заложения опоры 2,5 м. Все заземлены проводами d=16мм2, которые присоединены к
нулевому проводу зажимам CS 10.3 кронштейном анкерным. В качестве заземляющего
спуска на всех опорах используется один из стержней арматуры стойки, к которому
с обоих концов опоры.
На опорах предусматривается установка
светильников с лампами ДРЛ-РКУ49-250 которые присоединены к опорам зажимами
P72.
Рис. 6.1 - Подключение светильников наружного
освещения
7. Выбор и проверка аппаратуры РУТП
10/0.4
Выбор аппаратуры защиты линии.
Выбор автоматических выключателей
ВЛИ-1
Выбор теплового реле:
ВА51Г31
,
,
[1,с.35,
таб.5.3]
Проверка по коэффициенту
чувствительности
,
Выбор электромагнитного расцепителя:
ВЛИ-2
Выбор теплового реле:
ВА51Г31
,
,
Проверка по коэффициенту
чувствительности
Выбор электромагнитного расцепителя:
Полученные данные заносим в Таблицу
7.1.
Таблица 7.1 - Сводные данные выбранных
автоматических выключателей
|
№
Линии
|
Обозначение
выкл.
|
Тип
выкл.
|
Iном.
Аппаратуры
|
|
ВЛИ-1
|
QF1
|
ВА51Г31
|
100
|
|
ВЛИ-2
|
QF2
|
ВА51Г31
|
100
|
Выбор магнитного пускателя для линии Н.О
Условия выбора МП:
Выбираем МП:
ПМЛ 1100У3Б
Выбор рубильника с боковым приводом.
Условия выбора рубильника:
)
)
Выбираем рубильник:
РБ-31
,
Выбор аппаратуры высоковольтной.
Выбор предохранителя.
Предохранители с плавкой вставкой -
простейшие коммутационные аппараты, предназначенные для защиты силового
трансформатора от К.З. и перегрузок.
Решение
Выбираем предохранитель типа ПК10/30
,
Условие выполняется.
Выбор разъединителя.
Разъединители. Эти коммутационные
аппараты предназначены для включения и отключения цепи без тока или с
небольшими токами, значения которых установлены нормативными документами.
Разъединитель создает видимый разрыв цепи, что важно для обеспечения
электробезопасности при ревизиях и ремонтных работах на электроустановках.
- напряжение номинальное
разъединителя
- напряжение номинальное сети
- ток трехфазного К.З. в квадрате
,кА
=1,4
-ток термической стойкости ,кА
-предельное время протекания тока
Выбираем разъединитель:
РВ 10/400
,
Условие выполняется
Условия выбора ограничитель
перенапряжения .
Выбираем ограничитель
перенапряжения:
ОПН-10/12,0
8. Расчет и конструкция заземляющих
устройств ТП 10/0.4
Для обеспечения нормального функционирования ТП
и для защиты от поражения людей электрическим током устраивают заземляющие
устройства.
Для ТП 10/0,4 ПУЭ устанавливает следующие
нормативы: сопротивление заземляющего устройства RЗ:
RЗ
4 Ом (с учетом повторных заземлений
на ВЛ).
Величина сопротивления заземления
должна быть.П.З
30 Ом
(повторное заземление нулевого провода).
(сумма всех повторных заземлений).
Исходные данные для расчета
заземляющих устройств.
Удельное сопротивление грунта,
=250 Ом*м
Материал заземляющих устройств
Число повторных заземлителей на ВЛ,
повторно заземляем и устанавливаем на вводах в здания и через каждые 100 метров
на линиях.
Периметр ТП.
Цель расчета: Определить количество
вертикальных и горизонтальных заземлителей и выполнить чертеж заземляющего
устройства.
) Определить расчетное сопротивление
грунта, стержней заземлителя.
) Определить сопротивление
вертикального заземлителя из круглой стали.
) Определить сопротивление
повторного заземления.
,
) Определить общее сопротивления
всех четырех повторных заземлитель.
) Определить расчетное сопротивление
линии заземлительной нейтрале трансформатора с учетом повторных заземлений.
) Определить теоретическое число
стержней.
Принимаем 8 стержней.
7) Определить сопротивление полос связи.
При
, и
то
и
тогда действительное число
стержней:
Принимаем для монтажа
стержней и
проводим проверочный расчет.
) Определить действительное
сопротивления искусственного сопротивления
,
) Определить сопротивление заземляющего
устройства с учетом повторных заземлений нулевого провода.
,
Сопротивление заземляющих устройств
ТП соответствует норме.
Заключение
В курсовом проекте даны расчеты электрических
нагрузок по линиям, суммирование нагрузок осуществлялось методом добавочных
мощностей; рассчитано наружное освещения; выбрано место установки
трансформаторной подстанции ТП 10/0,4 кВ; приведен расчет потери напряжения в
линиях в зависимости от выбранных проводов; выбран трансформатор для ТП 10/0,4,
трансформатор типа ТМ 160; рассчитаны токи короткого замыкания и относительно
их значений выбрана аппаратура для защиты отходящих линий от аварийных режимов
работы; выбран разъединитель для установки на стороне высокого напряжения,
рубильник для установки на стороне низкого напряжения, выбран предохранитель
для защиты трансформатора на стороне 10кВ; рассчитаны заземляющие устройства.
Список используемой литературы
1. Каганов
И.Л. Курсовое и дипломное проектирование. - 3-е изд., перераб. и доп.-М.:
Агропромиздат, 1990.
. Харкута
К.С., Яницкий С.В., Ляш Э.В. Практикум по электроснабжению сельского хозяйства.
- М.: Агропромиздат, 1992.
. Правила
устройства электроустановок - М.: Агромиздат, 2004.
. Лещинская
Т.Б. Электроснабжение сельского хозяйства. - М.: КолосС, 2006.
. Каталог
«Подстанции трансформаторные» ЗЭТО.