|
Наименование
Брянскэнерго
|
Пункты
питания
|
|
1
|
2
|
3
|
4
|
5
|
A
|
B
|
|
Состав
потребителей э/э в пунктах питания, %
|
Категории
|
I
|
-
|
10
|
-
|
20
|
20
|
-
|
-
|
|
|
II
|
50
|
60
|
60
|
40
|
40
|
-
|
-
|
|
|
III
|
50
|
30
|
40
|
40
|
40
|
-
|
-
|
|
Максимальная
нагрузка в пункте Smax, МВА 
|
70
|
60
|
80
|
83
|
80
|
-
|
-
|
|
Коэффициент
мощности, cos
j, о.е.
|
0,82
|
0,84
|
0,85
|
0,81
|
0,86
|
-
|
-
|
|
Число
часов использования максимальной нагрузки в пункте Тма, ч
|
4000
|
5100
|
5600
|
2500
|
6100
|
-
|
-
|
|
Номинальное
напряжение распред. сети потребителей э/э в пунктах Uнн, кВ
|
10
|
6
|
10
|
10
|
6
|
-
|
-
|
|
Координаты
расположения пунктов питания и потребления э/э
|
Х
|
10
|
35
|
50
|
110
|
135
|
10
|
95
|
|
Y
|
40
|
10
|
5
|
90
|
55
|
10
|
65
|
|
|
|
|
|
|
|
|
|
|
|
Средний коэффициент мощности генераторов cos
jг =0,89.
Минимальная нагрузка от максимальной - 70 %.
Мощность источника А равна 70% от суммарной
мощности.
Мощность источника Б равна 30 % от суммарной
мощности.
1. Выбор графа, схемы и
номинального напряжения проектируемой электрической сети
Электрическая сеть представляет
собой совокупность электроустановок для передачи и распределения электрической
энергии, состоящей из подстанций (ПС), распределительных устройств (РУ),
токопроводов, воздушных (ВЛ) и кабельных (КЛ) линий электропередачи (ЛЭП),
работающих на определенной территории.
Связь потребителей (районных
понизительных ПС) электроэнергии с шинами РУ источников питания (ИП) может
осуществляться при нескольких вариантах взаимного соединения ЛЭП и ПС. Взаимное
соединение ЛЭП и ПС получило название графа (конфигурации) электрической сети.
Проектирование системы
электроснабжения сетевого района связано с выбором наилучшей конфигурации,
рациональных номинального напряжения электрической сети и схемы РУ. Основой для
выбора схемы электроснабжения являются минимальные приведенные расчетные
затраты технически равноценного варианта, которые рассчитываются на основе
технико-экономических расчетов в энергетике.
.1 Выбор графа проектируемой
сети
На основе места расположения
(см. исходные данные к проектированию) источников питания и потребителей
электроэнергии намечается несколько вариантов графа сети, обеспечивающей
требуемую надежность электроснабжения приемников электрической энергии.
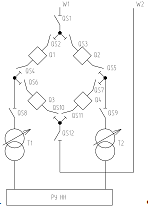
Рисунок 1.1 - Граф
электрической сети
Надежность электроснабжения
приемников I категории должна
быть высокой, их необходимо снабжать электроэнергией от двух независимых
взаиморезервируемых источников питания. К числу приемников II
категории относятся такие приемники, перерыв в электроснабжении которых связан
с массовым недоотпуском продукции, простоем рабочих, механизмов и промышленного
транспорта, нарушением нормальной деятельности значительного количества
городских жителей. Для них допускаются перерывы в подаче электроэнергии на
время включения резервного питания (чаще автоматического). Электроприемники, не
подходящие под определения I
и II категорий,
относятся к третьей (III)
категории.
.2 Распределение мощностей по
ЛЭП электрической сети
Распределение активных
мощностей по ЛЭП рекомендуется определять упрощенно, считая сеть однородной. В
однородной сети сопротивления отдельных участков ЛЭП эквивалентны их длинам.
Определим расстояния между источниками питания и
потребителями:
км;
км;
км;
км;
км.
км;
км;
км;
Используя коэффициент удлинения (k=1,1)
рассчитаем длины проводов связывающих источники питания и потребителей:
км;
км;
км;
км;
км;
км;
км;
км;
Определим мощности для каждого
пункта:
P1=S1
∙ cosφ1=
70 ∙0,82 = 57,4 МВт; Q1=
Мвар;
P2=S2
∙ cosφ2=
60 ∙0,84 = 50,4 МВт; Q2=
Мвар;
P3=S3
∙ cosφ3=
80 ∙0,85 = 68 МВт; Q3=
Мвар;
P4=S4
∙ cosφ4=
83 ∙0,81 = 67,23 МВт; Q4=
Мвар;
P5=S5
∙ cosφ5=
80 ∙0,86 = 68,8 МВт. Q5=
Мвар.
Сумма полных мощностей: S∑=∑Si
= 70 + 60 + 80 + 83+80 = 373 МВА.
Сумма активных мощностей: P∑=∑Pi=
57,4 + 50,4 + 68 + 67,23+68,8 = 311,83 МВт.
Сумма реактивных мощностей:
Q∑=∑Qi=
40,065 + 32,555 + 42,143 + 48,674+40,842 = 204,26 Мвар.
Рассчитаем мощности источников электроэнергии:
МВт;
МВт.
Определим распределение
мощностей для сети, указанной на рис. 1.1.
Рисунок 1.2 - Распределение мощностей на
участках В’-4-5-B’’
Рисунок 1.3 - Распределение мощностей на
участках А’-1-2-A’’
Баланс:
1)
;
2)
;
74,96+61,069=67,23+68,8
81,855+136,426=57,4+50,4+68+42,481
,03=136,03 218,281=218,281.
1.3 Выбор номинального
напряжения электрической сети
В общем случае выбор
номинального напряжения районной сети производится одновременно с выбором графа
сети и схемы электрических соединений на основе технико-экономических расчетов.
Напряжение определяет параметры ЛЭП и электрооборудования подстанций и сетей,
а, следовательно, величины капиталовложений, расход цветного металла, потери
электроэнергии и эксплуатационные расходы. В основном номинальное напряжение
определяется значениями передаваемой активной мощности и длины линии. Для
предварительной оценки рационального напряжения (кВ) электропередачи
рекомендуется использовать эмпирическую формулу Г.А. Илларионова:
,
где P
- передаваемая активная мощность по одной цепи ЛЭП, МВт; l
- длина ЛЭП, км.
Выбор номинального напряжения для первого графа:
кВ
кВ
кВ
кВ
кВ
кВ
кВ
кВ
На основе расчетов за номинальное напряжение
сети принимаем напряжение 220 кВ.
1.4 Баланс мощностей в сетевом
районе
В начале проектирования
питающей сети необходимо проверить обеспечение баланса активных и реактивных
мощностей.
1.4.1 Баланс активной мощности
в сетевом районе
Под балансом мощностей понимается
равенство вырабатываемой (∑РГ) и потребляемой (∑Рп)
мощностей:
,(1.2)
где Рм -
одновременно потребляемая активная мощность; ΔРс
- суммарные потери активной мощности; Рр - мощность резерва; Рсн
- собственные нужды электрических станций.
При определении одновременно
потребляемой мощности надо учитывать возможность несовпадения по времени суток
наибольших нагрузок отдельных подстанций (пунктов потребления мощностей). Это
возникает из-за различия технологических процессов, несовпадения условий погоды
на трассе ЛЭП и отдельных пунктов и т.д. Ориентировочно можно принять, что
одновременно потребляемая активная мощность составляет около 90%, а реактивная
- около 95% суммы заданных наибольших нагрузок каждого пункта:
;
Суммарные потери активной
мощности в линиях и трансформаторах проектируемой сети одного-двух номинальных
напряжений могут быть приняты равными 4-6% суммы заданных нагрузок пунктов.
Мощности резерва и собственных нужд могут быть приняты по 10% суммарной
потребляемой.
МВт;
МВт;
МВт;
МВт.
.4.2 Баланс реактивной мощности
в сетевом районе
Поскольку часть реактивной мощности экономически
целесообразно вырабатывать децентрализованно, то условие баланса реактивной
мощности может быть записано в следующем виде:
, (1.3)
где QГ
- реактивная мощность, которая может быть получена от генераторов
электростанций; Qку
- реактивная мощность компенсирующих устройств, а именно дополнительных
источников реактивной мощности; Qс
- реактивная мощность, генерируемая емкостью линий электропередачи; Qм
- реактивная мощность, одновременно потребляемая приемниками электроэнергии,
присоединенными к подстанциям сетевого района; ΔQс
- потери реактивной мощности в элементах электрической сети.
Реактивная мощность, получаемая
от генераторов электростанций, может быть найдена по формуле:
,
где Рм - активная
мощность, одновременно потребляемая в сетевом районе, ΔРс
- потери активной мощности в сети, которые можно принять равными (4...6)%
полной передаваемой мощности сети; φГ
-
угол сдвига между векторами напряжения и тока генераторов станций.
Потери реактивной мощности в
основной электрической сети ориентировочно можно рассчитать:
|
,
|
(1.5)
|
где Sм
- полная мощность потребителей сетевого района; nТ
- число ступеней трансформации в сетевом районе (рекомендуется принять равными
единице при одном и двум при двух номинальных напряжениях районной
электрической сети).
Реактивная мощность,
генерируемая одноцепными линиями, условно принимается для одноцепных линий 120
кВАр/км при напряжении 220 кВ.
Из приведенного баланса
реактивных мощностей находится мощность компенсирующих устройств
(дополнительных источников реактивной мощности):
|
.
|
(1.6)
|
Реактивную мощность, получаемую от генераторов
электростанции, найдем по формуле:
Мвар.
Мвар.
Мвар,
Мвар.
Из приведенного баланса реактивных мощностей
найдем мощность компенсирующих устройств:
Мвар.
Компенсирующие устройства распределяются по
равенству средних значений коэффициентов мощности на подстанции:
,
.
Мощность компенсирующих устройств на каждой
подстанции:
Мвар;
Мвар;
Мвар;
Мвар;
Мвар.
Мощность КУ на подстанции1:
МВт.
Мощность КУ на подстанции2:
МВт
Мощность КУ на подстанции3:
МВт
Мощность КУ на подстанции4:
МВт
Мощность КУ на подстанции5:
МВт
Таким образом для дальнейших
расчетов необходимо рассчитать распределение реактивных мощностей по ЛЭП.
Рисунок 1.4 - Распределение
реактивных мощностей на участках В’-4-5-B’’
Рисунок 1.5 - Распределение
реактивных мощностей на участках А’-1-2-A’’
Баланс:
2)
;
2)
;
74,96+61,069=67,23+68,8
58,191+98,143=40,07+32,52+42,14+41,571
,497=89,497 156,334=156,334
.5 Выбор схемы проектируемой
электрической сети
При разработке схемы
электроснабжения сетевого района учитываются местоположение источников питания
и районных понизительных подстанций, применяемые на данной территории
номинальные напряжения, наиболее целесообразный граф (конфигурация) сети, число
ступеней трансформации и схема электрических соединений подстанций, выбираемая
на основе рекомендаций.
К схемам РУ электрических
соединений любой электроустановки предъявляются следующие основные требования:
1) простота и наглядность; 2) надежное электроснабжение потребителей в
нормальном, ремонтном и утяжеленном (послеаварийном) режимах; 3) надежность
транзита мощности через подстанцию в нормальном, ремонтном и послеаварийном
режимах (за исключением тупиковых подстанций); 4) экономичность; 5) возможность
поэтапного расширения РУ при увеличении числа присоединений к нему.
Схема РУ высшего напряжения подстанции
определяется напряжением, типом подстанции, числом трансформаторов и
количеством присоединяемых линий электропередачи. Различают следующие типы
подстанций (ПС) по признаку их положения в сети высшего напряжения (рис. 1.5):
узловые - а; проходные - б; присоединенные на ответвлениях (ответвительные) -
в; концевые (тупиковые) - г.
Рисунок 1.5
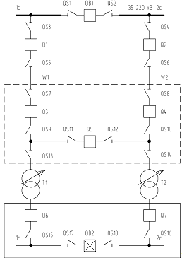
Для тупиковых и ответвительных подстанций (Sном≤25
МВА) с высшим напряжением (35...220) кВ при числе трансформаторов, равном двум,
и двух линиях в качестве схемы РУ высшего напряжения, как правило, открытого
распределительного устройства (ОРУ), могут быть рекомендованы схемы мостика
(рис. 1.6), или четырехугольника (рис. 1.7). В схеме мостика в нормальном режиме
все выключатели нормально включены. При плановом отключении одного из
трансформаторов, например Т1, трансформатор разгружается для чего отключается
его выключатель Q6 и разъединитель QS15. Далее ток холостого хода отключается
разъединителем QS13.
При КЗ в трансформаторе Т1 срабатывает его
релейная защита и отключает выключатели Q6, Q3, Q5. Далее эксплуатационный
персонал отключает разъединитель QS13 и включает вновь выключатели Q3 и Q5,
обеспечивая работу двух линий на оставшийся в работе трансформатор Т2.
Рисунок 1.6
При наличии трех линий и двух трансформаторов
применяют схему, называемую схемой с двойным мостом (рис. 1.7). В нормальном
режиме все выключатели включены. В случае замыкания в средней линий W2
отключаются выключатели Q3 и Q4 и распределительное устройство ВН делится на
две части. Связь между ними может быть восстановлена после отключения
разъединителя QS4 и последующего включения выключателей Q3 и Q4.
Рисунок 1.7
На рис. 1.8 приведена схема присоединения
двухтрансформаторной подстанции к одноцепному транзиту. В этом случае в
нормальном режиме разъединитель QS13 или QS14 ремонтной перемычки отключен. Он
включается только на время отключения одного из выключателей Q3, Q4 для
обеспечения бесперебойного питания транзита.
В схеме четырехугольника (рис. 1.9) все
выключатели также включены, разъединители замкнуты. В этой схеме коммутация
любого присоединения производится - двумя выключателями, например для
отключения Т1 следует отключить выключатели Q1 и Q3, далее размыкается
разъединитель QS8 и выключатели Q1 и Q3 снова включаются, замыкая кольцо.
Рисунок 1.8
При размыкании кольца, например при ремонте
выключателя, внешнее замыкание может привести к отключению вместе с
поврежденной цепью и смежной, неповрежденной. Например,
при ремонте выключателя Q1 (кольцо разомкнуто) произошло КЗ в трансформаторе
Т2. При этом отключаются выключатели Q2 и Q4, отключая неповрежденную линию W1.
Чтобы исключить такие отключения следует чередовать ветви с трансформаторами и
линиями. Вероятность возникновения такого наложения (ремонт выключателя и КЗ в
смежном элементе) зависит от числа присоединений: схема кольца имеет применение
при числе присоединений, не превышающем 6. К недостаткам схемы следует отнести
и невозможность расширения РУ.
Рисунок 1.9
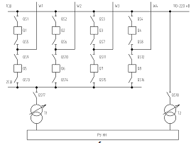
Для РУ высшего напряжения (110-220) кВ при числе
присоединений, равном 6 и более (2 трансформатора и 4 и более линий) применяют
схему с одной рабочей секционированной и обходной системами сборных шин (рис.
1.10). Каждое присоединение в этой схеме коммутируется одним выключателем. На
время ремонта выключателя любого присоединения его функции выполняет обходной
выключатель: QA1 для присоединений первой секции (1с) и QA2 для присоединений
второй секции (2с) рабочей системы шин, т.е. обходная система шин ОСШ
обеспечивает ремонт любого выключателя без отключения присоединения. Для РУ 35
кВ обходная система шин не требуется.
Еще один вариант схемы РУ напряжением (110-220)
кВ с несколькими линиями - схема с двумя системами шин и двумя выключателями на
присоединение (рис. 1.11).
В этой схеме каждая линия присоединена через два
выключателя, все выключатели нормально включены. Трансформаторы, имея высокую
надежность, присоединяются к одной и другой системам шин через разъединители.
Такую схему называют схемой шины - присоединение. При КЗ в трансформаторе
отключаются все выключатели той системы шин, к которой присоединен данный
трансформатор. Далее размыкается разъединитель поврежденного трансформатора, и
вновь включаются отключенные выключатели.
На районных понижающих подстанциях с целью
ограничения токов короткого замыкания часто применяют двухобмоточные
трансформаторы с расщеплением обмотки низшего напряжения на две ветви (рис.
1.12). РУ низшего напряжения (НН) выполняются с одной секционированной (четыре
секции) системой сборных шин и комплектуются ячейками типа КРУ с выключателями
на выкатных тележках. Функцию линейных и шинных разъединителей выполняют
втычные (штепсельные) контакты. В РУ 35 кВ и (6-10 кВ) рекомендуется
использовать элегазовые или вакуумные выключатели.
Рисунок 1.10
Рисунок 1.11
Рисунок 1.12
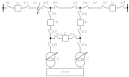
Для источников питания выбираем схему,
представленную на рис.1.6.
Для графа сети (рис. 1.1) для подстанций 2, 4 и
5 применяем схему, представленную на рис.1.8., для подстанции 1, 3 - схему,
представленную на рис.1.10.
.6 Выбор марки и сечения
провода ЛЭП
При выполнении курсового
проекта на ВЛ рекомендуется применение сталеалюминевых проводов. При курсовом
проектировании выбор сечений проводов ЛЭП разрешается произвести по условию
экономической плотности тока, нагрева и потери электроэнергии на корону.
Выбранные сечения проводов по условию допустимой потери напряжения будут
проверены после расчета основных и утяжеленных режимов сети.
По условию экономической
плотности тока рассчитывается нестандартное сечение линий:
, (1.7)
где Iмij
- ток основного режима максимальных нагрузок линии.
Определим время использования
максимальной активной мощности на ЛЭП
:
ТмаА1 = Тма12=
Тма1 = 4000 ч;
ТмаВ4 = Тма45=
Тма4 = 2500 ч;
Тма23 = Тм2=
5100 ч;
Тма3В = Тма3
= 5600 ч;
ТмаА2 =
=
=
=4598 ч;
ТмаВ5 =
=
=2500
ч.
Тм.а =3000÷5000
=˃ jэ=1,1
Тм.а ≥5000 =˃
jэ=1,0
Тм.а ≤3000 =˃
jэ=1,3
По таблице 1.3.36 [2.6, c.40]
для неизолированных алюминиевых проводов выберем нормированную экономическую
плотность тока:
jЭА1=
1,1 А/мм2; jЭВ3
= 1,0 А/мм2;
jЭА2
= 1,0 А/мм2; jЭВ4
=1,3 А/мм2;
jЭ12=
1,1 А/мм2; jЭВ5
= 1,3 А/мм2;
jЭ23
= 1,0 А/мм2; jЭ45
=1,3 А/мм2.
Определим ток основного режима
максимальных нагрузок Iмij:
; АС 70/11
; АС 150/19
; АС 16/2,7
; АС 120/19
; 50/8
; АС 70/11
; 50/8
. 10/1,8
Определим нестандартное сечение
линий
:
FэА1
=
=
=
240 мм2; АС 240/51
FэА2
=
=
=
441 мм2; АС 400/51
Fэ12
=
=
=
73 мм2; АС 95/16
Fэ23 =
=
=364
мм2; АС 400/51
FэB3
=
=
=
156 мм2; АС240/51
FэB4
=
=
=
183 мм2; АС 240/51
FэB5
=
=
=
146 мм2;АС 150/24
Fэ45
=
=
=
16 мм2. АС 70/11
Определим ток утяжелённого
режима максимальных нагрузок
:
Обрыв линии А1:
IутА2
=
;АС240/32
Iут23
=
;
АС 95/16
Обрыв линии А2:
IутА1
=
;
АС240/32
Iут12
=
;АС150/19
Обрыв линии 12:
IутА2
=
;
АС150/19
Iут23
=
;
АС 95/16
Обрыв линии В4:
IутВ5
=
;
АС150/19
Обрыв линии 45:
утВ4
=
;АС
70/11
IутВ5
=
;
АС 70/11
Обрыв линии В5:
IутВ4
=
;
АС150/19
Iут45
=
;
АС 70/11
|
Линия
|
Марки
и сечения провода
|
|
По
нагреву
|
По
эконом. плотности тока
|
По
короне
|
Макс.
допустимое сечение
|
К
установке
|
|
А1
|
АС:70/11
|
АС:240/39
|
АС:240/39
|
АС:400/39
|
АС:240/39
|
|
А2
|
АС:150/19
|
АС:
240/39
|
АС:
400/39
|
АС:
400/51
|
|
12
|
АС:16/2,7
|
АС:95/16
|
АС:
240/39
|
АС:
400/39
|
АС:
240/39
|
|
23
|
АС:120/19
|
АС:400/51
|
АС:
240/39
|
АС:
400/39
|
АС:
400/39
|
|
В3
|
АС:50/8
|
АС:
240/39
|
АС:
240/39
|
АС:
400/39
|
АС:
240/39
|
|
В4
|
АС:70/11
|
АС:240/39
|
АС:
240/39
|
АС:
400/39
|
АС:
240/39
|
|
В5
|
АС:50/8
|
АС:150/24
|
АС:240/39
|
АС:400/39
|
АС:
240/39
|
|
45
|
АС:10/1,8
|
АС:70/11
|
АС:
240/39
|
АС:
400/39
|
АС:
240/39
|
.7 Выбор номинальной мощности
трансформаторов районных понизительных ПС
напряжение
электрический сеть мощность
Силовые трансформаторы выбираются по числу, типу
и номинальной мощности. Число трансформаторов зависит от категорий приемников
электрической энергии и от мощности, а также наличия резервных источников
питания в сетях низшего напряжения.
Электроприемники первой категории необходимо
обеспечивать, а второй категории - рекомендуется обеспечивать электроэнергией
от двух независимых взаимно резервирующихся источников питания. Поэтому, если в
пунктах потребления электроэнергии имеются потребители первой и второй
категорий, то на районных подстанциях требуется устанавливать не менее двух
трансформаторов.
Номинальная мощность
трансформатора выбирается из условия обеспечения нормального режима его работы
с учетом перегрузочной способности. В данном проекте не учитываются графики
нагрузок трансформаторов, поэтому выбор их номинальных мощностей производится
по максимальной расчетной мощности подстанции:
|
,
|
(1.8)
|
где
-
потери активной мощности в компенсирующем устройстве.
В нормальном режиме работы
подстанции нагрузка трансформаторов не должна быть выше номинальной. Для
двухтрансформаторной подстанции мощность каждого трансформатора должна
выбираться из условия обеспечения питания нагрузок с учетом допустимых
перегрузок, а также возможностей резервирования по сетям НН. Так, на подстанции
с двумя однотипными двухобмоточными трансформаторами необходимая мощность
трансформатора SТ
может
быть рассчитана по выражению:
|
,
|
(
1.9)
|
где Sрез
- нагрузка, которая может быть резервирована по сети НН от других источников
питания; Кав - допустимый коэффициент аварийной перегрузки
трансформатора, значение которого принимается согласно исходным данным.
Для увеличения коэффициента
загрузки трансформаторов в нормальном режиме работы двухтрансформаторной
подстанции допускается выбирать мощность трансформаторов с учетом отключения
потребителей третьей категории при отключении одного из трансформаторов по
условию:
,
где КIi
и КIIi
- коэффициенты участия в суммарной нагрузке потребителей первой и второй
категорий
-й подстанции.
;
;
;
;
;
Рассчитаем коэффициент загрузки каждого
трансформатора по формуле:
,
;
;
;
;
.
Номинальные мощности и типы силовых
трансформаторов
|
Тип
трансформатора
|
Sном , МВА
|
Пределы
регулирования, %
|
Uном , кВ
|
Uк ,%
|
ΔРк
, кВт
|
ΔРх
, кВт
|
Ix , %
|
ΔQх , кВар
|
|
|
|
ВН
|
НН
|
|
|
|
|
|
|
ТРДЦН-40000/220
|
40
|
±
8 ∙ 1,5 %
|
230
|
6,6/11
|
12
|
170
|
50
|
0,9
|
360
|
2. Расчет основных нормальных и
утяжеленных режимов работы сети
.1 Расчетная схема
электрической сети
К параметрам схемы замещения ЛЭП относятся
активные и индуктивные сопротивления, активные и емкостные проводимости,
равномерно распределенные по всей длине линии. Воздушные ЛЭП в основном
выполняются сталеалюминевыми проводами, для которых явление поверхностного
эффекта ослаблено и может не учитываться.
Рисунок 2.1 - Расчетная схема замещения ЛЭП 220
кВ и выше.
Активные и индуктивные сопротивления вычисляются
по расчетным удельным сопротивлениям проводов на единицу длины ЛЭП:
,
где
-
удельное активное сопротивление провода при
,
;
L - длина линии.
,
где
-
удельное индуктивное сопротивление,
.
Удельное индуктивное сопротивление можно
определить по формуле:
,
где
-
среднегеометрическое расстояние между проводами, мм;
-
внешний радиус провода, мм;
- относительная
магнитная проницаемость материала проводника (для сталеалюминиевых проводов
=
1).
При расстоянии между проводами отдельных фаз
линии, равных
и
,
среднегеометрическое расстояние вычисляется по формуле:
.
Значения
и
находятся
в зависимости от конструктивных параметров различных типов опор. При
симметричном расположении проводов одноцепных линий на двухцепных опорах
удельное индуктивное сопротивление на 1 км линии мало отличается от
сопротивления одноцепной линии, и поэтому среднегеометрическое расстояние для
двухцепных ЛЭП можно определить по этой же формуле.
Емкостная
проводимость линии, обусловленная емкостями между проводами, проводами и
землей, определяется по формуле:
,
.
Генерируемая линией реактивная мощность,
:
.
где
-
номинальное линейное напряжение сети, кВ.
Среднегеометрическое расстояние для опор:
) Стальная промежуточная одноцепная опора
ВЛ 220кВ (П220-3):
) Стальная промежуточная двухцепная опора
ВЛ 220кВ (П220-2):
Рассчитаем параметры линий:
Линия А1: lА1=33
км, АС 240/39, r0=0,121
Ом/км, Rпр=10,8
мм
r = r0
∙ lА1
= 0,121 ∙33 = 3,993 Ом
х0 = 0,1445 ∙lg
+ 0,0157 ∙µ = 0,1445 ∙lg
+ 0,0157 = 0,437 Ом/км
х = х0 ∙ lА1
= 0,437∙33=14,408 Ом
b0
=
=
2,6 мкСм/км
b = b0
∙ lА1
= 2,6∙33= 85,877 мкСм
= b
∙
U2ном
= 85,877 ∙2202 =4,156 Мвар
Линия А2: lА2=27,5
км, АС 400/51, r0=0,075
Ом/км, Rпр=13
мм
= r0
∙ lА2
= 0,075 ∙27,5 = 2,063 Ом
х0 = 0,1445 ∙lg
+ 0,0157 ∙µ = 0,1445 ∙lg
+ 0,0157 = 0,425 Ом/км
х = х0 ∙ lА2
= 0,425∙27,5=11,686 Ом
b0
=
=
2,676 мкСм/км
b = b0
∙ lА2
= 2,676∙27,5= 73,598 мкСм
= b
∙
U2ном
= 98,8∙2202 = 4,78 Мвар
Линия 12: l12=42,956
км, АС 240/39, r0=0,121
Ом/км, Rпр=10,8
мм
= r0
∙ l12
= 0,121 ∙42,956 = 5,198 Ом
х0 = 0,1445 ∙lg
+ 0,0157 ∙µ = 0,1445 ∙lg
+ 0,0157 = 0,437 Ом/км
х = х0 ∙ l12
= 0,437∙42,956 =18,755 Ом
b0
=
=
2,6 мкСм/км
b = b0
∙ l12
= 2,6∙42,956 = 111,786 мкСм
= b
∙
U2ном
= 111,786 ∙2202 = 5,41 Мвар
Линия 23: l23=17,393
км, АС 400/51, r0=0,075
Ом/км, Rпр=13
мм
r =
r0
∙ 213 = 0,5∙0,075 ∙17,393 = 0,652 Ом
х0 = 0,1445 ∙lg
+ 0,0157 ∙µ = 0,1445 ∙lg
+ 0,0157 = 0,423 Ом/км
х =
х0
∙ l23 = 0,5∙0,423∙17,393
=3,681 Ом
b0
=
=
2,687 мкСм/км
b = 2∙b0
∙ l23
= 2∙2,687 ∙17,393 =2,687 мкСм
= b
∙
U2ном
= 281∙2202 = 13,6 Мвар
Линия 3В: l3В=82,5
км, АС 240/39, r0=0,121
Ом/км, Rпр=10,8
мм
= r0
∙ l3В
= 0,121 ∙82,5 = 9,982 Ом
х0 = 0,1445 ∙lg
+ 0,0157 ∙µ = 0,1445 ∙lg
+ 0,0157 = 0,437 Ом/км
х = х0 ∙ l3В
= 0,437∙82,5=36,019 Ом
b0
=
=
2,602 мкСм/км
b = b0
∙ l3В
= 2,602 82,5 =214,692 мкСм
= b
∙
U2ном
= 214,692 ∙2202 =10,39 Мвар
Линия В4: lВ4=32,07
км, АС 240/39, r0=0,121
Ом/км, Rпр=10,8
мм
= r0
∙ lВ4
= 0,121 ∙32,07 = 3,88 Ом
х0 = 0,1445 ∙lg
+ 0,0157 ∙µ = 0,1445 ∙lg
+ 0,0157 = 0,437 Ом/км
х = х0 ∙ lВ4
= 0,437∙32,07=14,002 Ом
b0
=
=
2,6 мкСм/км
b = b0
∙ lВ4
= 2,6∙32,07= 83,457 мкСм
= b
∙
U2ном
= 83,457 ∙2202 = 4,039 Мвар
Линия B5:
lB5=45.354
км, АС 240/39, r0=0,121
Ом/км, Rпр=10,8
мм
r = r0
∙ lB5
= 0,121 ∙45.354 = 5,488Ом
х0 = 0,1445 ∙lg
+ 0,0157 ∙µ = 0,1445 ∙lg
+ 0,0157 = 0,437 Ом/км
х = х0 ∙ lВ5
= 0,437∙45,354=19,801 Ом
b0
=
=
2,6 мкСм/км
b = b0
∙ lВ5
= 2,6∙45,354= 118,026 мкСм
= b
∙
U2ном
= 118,026 ∙2202 = 5,712Мвар
Линия 45: l45=47,313
км, АС 240/39, r0=0,121
Ом/км, Rпр=10,8
мм
= r0
∙ l45
= 0,121 ∙47,313 = 5,725 Ом
х0 = 0,1445 ∙lg
+ 0,0157 ∙µ = 0,1445 ∙lg
+ 0,0157 = 0,437 Ом/км
х = х0 ∙ l45
= 0,437∙47,313 =20,657 Ом
b0
=
=
2,6 мкСм/км
b = b0
∙ l45
= 2,6∙47,313 = 123,123 мкСм
= b
∙
U2ном
= 123,123∙2202 =5,959 Мвар
В исходных данных на курсовое проектирование
отсутствуют варианты подстанций с различными значениями вторичных напряжений,
поэтому используются только двухобмоточные трансформаторы. Для упрощения
расчетов в схеме замещения двухобмоточных трансформаторов проводимости
предлагается заменить мощностью намагничивания, т.е. рекомендуется схема замещения
трансформаторов с отбором мощности.
Рисунок 2.4 - Упрощенная схема замещения
трансформатора
Используя каталожные данные трансформаторов,
выбранных для установки на подстанциях электрической сети, вычислим параметры
схемы замещения трансформатора (рисунок 2.4) по формулам:
;
;
где DРкз -
потери активной мощности в обмотках трансформатора при опыте короткого
замыкания между обмотками ВН-НН; Uкз
- напряжение короткого замыкания, %; Iхх
- ток холостого хода, %; Sном
- номинальная мощность трансформатора; Uном
- номинальное напряжение обмотки высшего напряжения;
DSхх
- потери комплексной мощности в магнитопроводе трансформатора (стали).
Трансформатор ТРДН-40000/220:
=
Ом;
Ом;
Мвар;
МВт;
МВА.
На подстанции 1,2,3,4,5
устанавливаем трансформаторы ТРДН-40000/220 .
Ом;
Ом;
МВА.
Потери активной мощности в линиях:
2.2 Исходные данные к расчету основных
нормальных и утяжеленных режимов максимальных и минимальных нагрузок сети
) Основной режим работы
электропередачи:
а) Режим максимальных нагрузок
(UH0M
= 242 кВ)
Для ПС № 1, 2, 3, 4, 5:
ΔSХХЭ
= 2∙ΔSХХ
∙
= (0,1 + j 0,72 )∙
= 0,11 + j 0,797 МВА
б) Режим минимальных нагрузок (UH0M
= 220 кВ)
Для ПС № 1, 2, 3, 4, 5:
ΔSХХЭ
= 2∙ΔSХХ
=
0,1 + j 0,72 МВА
Минимальная нагрузка в процентах от максимальной
составляет 70%.
2.3 Результаты расчета и анализ показателей
режимов работы районной сети
Исходные данные к расчету основного режима
работы электрической системы при максимальных нагрузках (1,1·Uном=242кВ)
Исходные данные к расчету основного режима
работы электрической системы при минимальных нагрузках (1,1·Uном=220кВ)
Таблица 1
Таблица 2
Таблица 3
Таблица 4
Таблица 5
Таблица 6
.4 Расчет основного режима работы максимальных
нагрузок двух параллельно включенных трансформаторов ТРДН-40000/220
Возьмем для расчета эквивалентный трансформатор
в пункте питания первой нагрузки, т. е. ТРДН-40000/220 (1-6 элемент сети).
Мощность на конце трансформатора S8=57,4+j40,065
МВА, напряжение на высшей стороне трансформатора U1
= 237,9 кВ, сопротивление трансформатора ZТ=5,621+j158,7
Ом. Определим неизвестное напряжение U2
и мощность S1,
а также все токи.
Рисунок 2.5 - Расчетная схема трансформатора ПС1
Расчет выполним методом последовательных
приближений в два этапа.
ZТ=5,621+j158,7
Ом, ΔSХХ=50+j36
кВА,
ΔSХХэкв=100+j72
кВА.
-й этап. Принимаем все напряжение в узлах равным
Uном
и определяем потоки и потери мощности в линиях:
;
;
;
-й этап. Определяем напряжение U2
по известному напряжению U1
и потоку мощности S`18,
определенному на 1-м этапе:
кВ;
кВ.
Расчет токов:
А;
А;
А.
Векторная диаграмма напряжений и токов одного из
элементов сети
Рисунок 2.6 - Векторная диаграмма напряжений и
токов
3. Регулирование напряжения в электрической сети
Для обеспечения допустимых
отклонений напряжения на шинах вторичного напряжения подстанций проектируемой
сети в курсовом проекте используется регулирование напряжения на понижающих
подстанциях. В качестве основного средства регулирования напряжения при
выполнении проекта принимаются трансформаторы с регулированием рабочих
ответвлений под нагрузкой. При выборе ступеней регулирования следует
ориентироваться на современные стандарты трансформаторов.
В
основном режиме работы при максимальной нагрузке сети необходимо обеспечить
поддержание напряжения на шинах низшего напряжения трансформаторных подстанций
в пределах
. Это достигается
выбором ответвлений трансформаторов. Требуемое (желаемое) напряжение
ответвления обмотки высшего напряжения трансформатора находится по формуле:
,(3.1)
где
-
напряжение на низшей стороне трансформатора, приведенное к высшей,
-
номинальное напряжение обмотки низшего напряжения трансформатора, кВ;
-
напряжение на шинах низшего напряжения трансформаторной подстанции, которое
необходимо поддержать при данном режиме (например,
),
кВ.
;(3.2)
;(3.3)
,(3.4)
где
-
стандартное напряжение регулировочного ответвления обмотки высшего напряжения
трансформатора;
- напряжение
ступени регулирования в процентах от номинального напряжения обмотки ВН.
В основном режиме минимальных
нагрузок требуется обеспечить на шинах низшего напряжения трансформаторных
подстанций номинальное напряжение распределительной сети.
В утяжеленном режиме
максимальных нагрузок обеспечить номинальное напряжение, а минимальных -
напряжение, равное
на шинах низшего
напряжения трансформаторной подстанции.
Основной режим максимальной
нагрузки:
Подстанция №1:
U2=10,81
kB, U2,ж=10,5
кВ, Uном,Н=11
кВ, kT=20,909
Подстанция №2:
U2=6,484
kB, U2,ж=6,3кВ,
Uном,Н=6,6
кВ, kT=34,848
Подстанция №3:
U2=10,53
kB, U2,ж=10,5
кВ, Uном,Н=11
кВ, kT=20,909
Подстанция №4:
U2=9,901
kB, U2,ж=10,5
кВ, Uном,Н=11
кВ, kT=20,909
Подстанция №5:
U2=5,908
kB, U2,ж=6,3
кВ, Uном,Н=6,6
кВ, kT=34,848
|
Основной
режим максимальных нагрузок
|
|
ПС
|
U2расч,кВ
|
U2`,
кВ
|
U2отв
ж, кВ
|
N
|
Uотв
ст, кВ
|
U2действ,
кВ
|
|
1
|
10,81
|
226,027
|
6,3
|
2
|
236,9
|
10,495
|
|
2
|
6,484
|
225,958
|
6,3
|
2
|
236,9
|
6,295
|
|
3
|
10,53
|
220,173
|
10,5
|
1
|
233,45
|
10,374
|
|
4
|
9,901
|
207,021
|
10,5
|
4
|
216,2
|
10,533
|
|
5
|
5,908
|
205,885
|
10,5
|
4
|
216,2
|
6,285
|
4.4 Коэффициенты полезного действия
электропередачи при нормальном режиме максимальных нагрузок и среднегодовой
,
где ееРмi=311,83МВт;
а суммарные потери мощности в
элементах сети вычисляются по формуле:
ееDDРкор=3,568 МВт;
ееDDРхх=0,2, МВт;
ееDDРку=0,129 МВт;Рее=5,335
+ 3,568 + 0,2 + 0,129 =9,25 , МВт;
Среднегодовой КПД:
Список рекомендуемой литературы
. Электропитающие системы и
электрические сети: Задание на курсовое проектирование / Сост.: Н.А. Кокорев,
Г.А. Осипенко, И.Н. Степанов; Чуваш. ун-т. Чебоксары, 2006.
. Электропитающие системы и
электрические сети: Метод. указания к курсовому проекту / Сост.: И.Г. Злобина,
Н.А. Кокорев, Г.А. Осипенко, И.Н. Степанов; Чуваш. ун-т. Чебоксары, 2006.
. Электропитающие системы и
электрические сети: Справочные материалы к курсовому проекту, лабораторным
работам и практическим занятиям / Сост.: Н.А. Кокорев, Г.А. Осипенко, Л.А.
Шестакова; Чуваш. ун-т. Чебоксары, 2007.
. Правила устройства электроустановок.
М.: ЗАО "Энергосервис", 2002.
. Справочник по проектированию
электроэнергетических систем / В.В. Ершевич, А.Н. Зейлингер, Г.А. Илларионов и
др.; Под ред. С.С. Рокотяна, И.М. Шапиро. М.: Энергоатомиздат, 1977.
. Идельчик В.И. Электрические системы
и сети: Учебник для вузов.- М.: Энергоатомиздат, 1989.
. Электропитающие системы и
электрические сети: метод. указания к практическим занятиям / Сост.: Н.А.
Кокорев, Г.А. Осипенко, Л.А. Шестакова; Чуваш. ун-т. - Чебоксары, 2007.