Розробка функціональної схеми аналізатора частотного спектру генератора звукового та ультразвукового діапазону коливань

  • Вид работы:
    Курсовая работа (т)
  • Предмет:
    Физика
  • Язык:
    Украинский
    ,
    Формат файла:
    MS Word
    183,69 Кб
  • Опубликовано:
    2014-01-13
Вы можете узнать стоимость помощи в написании студенческой работы.
Помощь в написании работы, которую точно примут!

Розробка функціональної схеми аналізатора частотного спектру генератора звукового та ультразвукового діапазону коливань














КУРСОВА РОБОТА

з дисципліни "Метрологія та засоби вимірювання"

Тема: «Розробка функціональної схеми аналізатора частотного спектру генератора звукового та ультразвукового діапазону коливань»

Зміст:

Вступ

Розділ 1. Призначення аналізатора спектру. Будова функціональної схеми

.1 Призначення аналізатора спектру

.2 Види аналізаторів спектру та їх особливості

.3 Аналізатор спектру С4-25

Розділ 2. Призначення та функціональні схеми базових приладів

.1 Осцилограф С1-68

.2 Вольтметр універсальний В7-16

.3 Генератор сигналів низкочастотний Г3-102

.4 Підсилювач селективний У2-8

Розділ 3. Розробка функціональної схеми аналізатора частотного спектру генератора звукового та ультразвукового діапазону коливань. Призначення блоків функціональної схеми

3.1 Розробка функціональної схеми аналізатора частотного спектру генератора звукового та ультразвукового діапазону коливань

.2 Пояснення до функціональної схеми аналізатора частотного спектру генератора звукового та ультразвукового діапазону коливань

Висновок

Список використаних джерел

аналізатор спектр схема генератор

Вступ

Конкуренція в бізнесі вимагає забезпечення високого рівня корпоративної безпеки для захисту комерційної таємниці, нових розробок, фінансової інформації від спеціальних технічних засобів негласного знімання інформації. Виявлення підслуховуючих пристроїв є важливим аспектом захисту VIP персон. Бізнесмени і політики, зірки спорту та кіно, і інші знаменитості, повинні мати кращий захист від стеження і шпигунства, переслідувань і погроз.

Аналіз і розподіл радіочастотного спектра має велике значення для багатьох організацій, таких як оператори бездротового зв'язку, аеропорти, порти, лабораторії, при проведенні проектних та вишукувальних робіт.

У всьому світі стрімко розвивається застосування систем зв'язку в різних областях, особливо мобільних та супутникових систем, що використовують широкосмугові канали зв'язку. Аналізатор спектра є серйозним інструментом для оцінки та інтеграції цих систем радіохвиль [1].

Аналізатор спектру дозволяє визначити амплітуду та частоту спектральних компонент, що входять до складу аналізованого процесу. Призначений для моніторингу ефіру, пошуку і виявлення сигналів несанкціонованих(шпигунських) джерел вимірювання та контролю параметрів сигналів.

Часто розвідувальні заходи проводяться конкурентами за допомогою спеціальних технічних засобів негласного отримання інформації (СТСНПІ), під якими маються на увазі технічні засоби, спеціально розроблені з метою використання для негласного отримання інформації (засоби негласного візуального спостереження, негласного акустичного контролю, негласного знімання інформації з каналів зв'язку та ін.). Багато пристроїв,за допомогою яких реалізується загроза конфіденційності, використовують електромагнітне поле як носії інформації - радіозакладки.

Радіозакладка - це електронний пристрій надзвичайно маленького розміру, який являє собою мікрофон і радіо транслятор, що передає підслуховувати розмови за допомогою електромагнітних хвиль. Радіозакладки працюють як звичайний передавач. Малогабаритні акумулятори використовуються як джерело електроживлення радіозакладок. Для виявлення радіо-закладок застосовують спеціальні вимірювальні прилади та пристрої. З їх допомогою здійснюється пошук і фіксація робочих частот радіо закладок, а також визначається їх місцезнаходження. До таких засобів виявлення радіо закладок відносять також аналізатор частотного спектру генератора звукового та ультразвукового діапазонів.

Саме тому виконання даного курсового проекту є актуальним на сьогодні.

Розділ 1. Призначення аналізатора спектру. Будова функціональної схеми

1.1 Призначення аналізатора спектру

Аналізатори спектру - це вимірювальні прилади, що призначені для експериментального дослідження спектра сигналів. Вони використовуються в діапазонах низьких, високих і надвисоких частот.

Аналізатори спектру призначені для вимірювання параметрів спектральних складових, вимірювання рівнів шуму та вібрації, візуалізації, збору даних та іншого виду обробки сигналів з різних датчиків: віброперетворювачів, вимірювальних мікрофонів, гідрофонів з вбудованими підсилювачами ICP і т.п. Аналізатори використовуються як контрольно-вимірювальне та діагностичне обладнання при проведенні різного роду вимірювань і випробувань, для моніторингу тривалих процесів, що носять як стаціонарний, так і динамічний характер [1].

У різних областях техніки часто доводиться зустрічатися з необхідністю проведення спектрального аналізу сигналу, заснованого на математичному апарату теорем Фур'є.

Із цих теорем треба, що всякий періодичний сигнал складної форми може бути представлений у вигляді геометричної суми деякого числа гармонійних тридцятилітніх і постійної тридцятилітньому. Така операція називається спектральним розкладанням або спектральним аналізом, а сукупність гармонійних коливань, що мають різні частоти й амплітуди, - спектром, зображуваним у вигляді спектрограми.

Спектрограма звичайно будується в прямокутній системі координат, де по горизонтальній осі відкладаються частоти тридцятимільйонних коливань, а по вертикальної - їхній амплітуди. У більшості випадків спектральний аналіз може бути виконаний за допомогою електричного аналізатора спектра, не прибігаючи при цьому до трудомістких обчислень і обробки графіків. У недалекому минулому аналізатори спектру використовувалися винятково для робіт у науково-дослідних лабораторіях [2].

Однак, останнім часом з'явилися й знаходять широке застосування в промисловості спектральні методи контролю роботи механізмів, контролю зношування деталей, методи акустичної спектрометрії й т.п. За аналогією з електроенцифалографією у біології й медицині досліджуються різні методи "технічної діагностики". Для цих цілей досліджувані процеси (механічні, акустичні, теплові та ін.) за допомогою датчиків перетворяться в електричний сигнал і розшифровуються аналізатором спектру.

.2 Види аналізатора спектру та їх особливості

Аналізатори послідовного типу.

Аналізатори послідовного типу є найбільш поширеним видом аналізаторів для дослідження радіосигналів, принцип їх дії полягає в скануванні смуги частот за допомогою перебудовується гетеродина. Складові спектра послідовно переносяться на проміжну частоту. Перебудова частоти гетеродина еквівалентна переміщенню спектра досліджуваного сигналу. Селективний УПЧ послідовно виділяє складові спектра, і, завдяки синхронній розгортці осцилографічної індикатора, відгуки кожної спектральної складової послідовно відтворюються на його екрані [3].

Аналізатори паралельного типу.

Аналізатори паралельного типу містять набір ідентичних вузько смугових фільтрів (високо добротних резонаторів), кожен з яких налаштований на певну частоту (в області низькочастотних вимірювань фільтри можуть мати однакової не абсолютну смугу пропускання, а відносний частотний інтервал, наприклад, «третьоктавні фільтри»). При одночасному впливі досліджуваного сигналу на всі фільтри кожен з них виділяє відповідну його налаштуванні складову спектра. Паралельний аналізатор спектру має перед послідовним перевагу в швидкості аналізу, проте поступається йому в простоті [3].

Також аналізатори спектра поділяють за такими ознаками:

По діапазону частот - низькочастотні, радіодіапазону (широкосмугові) і оптичного діапазону.

За принципом дії - паралельного і послідовного типу.

За способом обробки вимірювальної інформації та подання результатів - аналогові і цифрові.

За характером аналізу - скалярні, що дають інформацію тільки про амплітудах гармонійних складових спектру, і векторні, що мають також інформацію про фазових співвідношеннях [3].

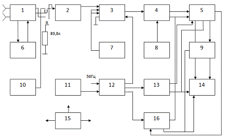
.3 Аналізатор спектру С4-25

Діапазон частот: 0,02-50 МГц

Аналізатор спектру типу С4-25 призначений для дослідження в широкому діапазоні частот спектрів періодичних сигналів з можливостю слухового контролю та здійснюють вимірювання частот і рівнів потужності синусоїдальних сигналів і спектральних складових сигналів.

Прилад може використовуватися спільно з антенами для аналізу завантаження радіодіапазонів та вимірювання параметрів випромінювання радіопередавальніх та вимірювальних пристроїв.

Спільно с генератором сигналів аналізатор спектру С4025 забезпечує вимірювання амплітудно-частотних характеристик чотириполюсників і може біти використаний в наукових дослідженнях і при розробці апаратури для контролю ЕМС [4].

Рисунок 1 - Аналізатор спектру С4-25 [4].

Атенюатор вхідний;

Пробник;

Фільтр нижніх частот;

Підсилювач колібратора;

Змішувач колібратора;

Кварцовий генератор;

Гетеродин 140 МГц;

Гетеродин калібратора;

Змішувач I;

Гетеродин I;

УПЧ-I;

Змішувач II;

Гетеродин II;

Фільтр кварцовий;

Атенюатор відліковий;

УПЧ;

Підсилювач операційний;

Підсилювач подсвета;

Підсилювач Х;

Генератор розгортки;

Модулятор;

Блок живлення;

ЕПТ.

Призначення кожного блоку.

Вхідний атенюатор - являє собою частотно-компенсований дільник напруги.З виходу атенюатора вхідний сигнал надходить на вхідний каскад підсилювача вертикального відхилення. Для забезпечення великого вхідного опору вхідний каскад підсилювача вертикального відхилення променя виконаний на польових транзисторах. Для забезпечення малого температурного дрейфу підсилювача вхідний каскад , як і наступні каскади , виконаний за симетричною схемою з парно підібраними транзисторами по мінімальному розкиду струму стоків. Для вирівнювання струмів в плечах транзисторів служить потенціометр. Додаткове балансування проводиться за допомогою потенціометра , перемикач служить для зменшення чутливості в 10 разів. Конденсатор служить для вирівнювання вхідної ємкості при перемиканні тумблера. Далі сигнал надходить на бази першої пари транзисторів мікросхеми, які використовуються як емітерні повторювачі.

Пробник - потрібен для забезпечення можливості роботи приладу при підключенні його до резонансних систем передбачений пробник, що має досить малу вхідну ємність.

Кварцовий генератор - електронний прилад, що складається з кварцового резонатора та схеми генератора, який забезпечує генерацію на виході схеми періодичного сигналу певної форми на робочій частоті

Фільтр НЧ - один з видів аналогових або електронних фільтрів, ефективно пропускає частотний спектр сигналу нижче певної частоти (частоти зрізу), і зменшує частоти сигналу вище цієї частоти. Ступінь придушення кожної частоти залежить від виду фільтра.

Завданням вхідного каскаду є забезпечення заданої чутливості підсилювача, тобто,посилення вхідного сигналу до рівня, необхідного для роботи фазоінвертора або вихідного каскаду. Крім того, вхідний каскад визначає рівень шумів всього підсилювача, так як шуми першого каскаду можуть бути порівнянні з рівнем вхідного сигналу і посилюються подальшими каскадами.

Змішувач 1-й - перетворювач частоти, використовує допоміжний генератор гармонійних коливань (гетеродин), використовується для перетворення частоти прийнятого сигналу в проміжну частоту.

Селективний підсилювач - підсилювач, у якого коефіцієнт посилення максимальний в вузькому діапазоні частот і мінімальний за його межами.

Призначений для підсилення сигналу певної частоти

-й змішувач - перетворювач частоти. Використовує допоміжний генератор гармонійних коливань (гетеродин), використовується для перетворення частоти прийнятого сигналу в проміжну частоту.

Підсилювач У - змушує електронний промінь збільшуватись в горизонтальній площині екрана шляхом зміни напруги на пластинах горизонтального відхилення.

Блок живлення включає в себе ферорезонансний стабілізатор, стабілізуючий змінну напругу, і чотири випрямляча. Ферорезонансний стабілізатор дасть стабілізовану змінну напругу з нестабільністю не більше ± 1% для живлення випрямлячів і ланцюгів накалювання ламп.

Головне призначення блоку живлення - перетворення електричної енергії, що надходить з мережі змінного струму, в енергію, придатну для живлення вузлів приладу.

Підсилювач Х - посилює досліджуваний сигнал, що подається з вхідного пристрою, до значення, що дозволяє отримати досить великий розмір видимого вертикального відхилення променя (розмах зображення сигналу) на екрані ЕПТ.

Розділ 2. Призначення та функціональні схеми базових приладів

2.1 Осцилограф С1-68

Діапазон амплітуд:2 мВ - 200 В; діапазон частот: 0 - 1 МГц

Осцилографи призначені для дослідження форми періодичних електричних сигналів в діапазоні частот. Оцінюючи форму електричного сигналу у часі, він генерує графік, званий осцилограми. Осцилограф С1-68 зручний і універсальний, може застосовуватися при розробці, налаштуванню і розробці схем.

Осцилограф універсальний С1-68 призначений для спостереження і дослідження форми електричних процесів шляхом візуального спостереження та вимірювання їх тимчасових і амплітудних значень. По точності відтворення сигналу, вимірювання часових і амплітудних значень прилад відноситься до II-III класів ГОСТ 9810-69 [5].

Всі ключові технічні характеристики даної моделі (такі, як коефіцієнт відхилення і т. П.) Відповідають сучасним вимогам до високоточним приладів подібного класу. За допомогою приладу С1-68 можна легко здійснювати перевірку, а також ремонт різноманітних видів контрольно-вимірювальної апаратури. Він дозволяє оперативно вирішити задачу пошуку несправності. Осцилограф С1-68 має зрозумілу навігацію. Наявність у нього великого спектру функцій не призвело до ускладнення управління. Тому робота з цим приладом проводиться швидко і зручно. Модель С1-68 також характеризується низькою похибкою і високою чутливістю [6].

Рисунок 2 - Функціональна схема осцилографа С1-68 [5].

Вхідний атенюатор

Вхідний каскад

Попередній підсилювач

Кінчений каскад

Калібратор

Схема формування бланкіруючих імпульсів

Селектор синхронізації

Підсилювач синхронізації

Схема формування імпульсу синхронізації

Тригер управління розгорткою

Генератор пилоподібної напруги

Підсилювач горизонтального відхилення

Схема блокування запуску

Вузол живлення

Електронно-променева трубка

Призначення кожного блоку.

Вхідний атенюатор - являє собою частотно-компенсований дільник напруги.З виходу атенюатора вхідний сигнал надходить на вхідний каскад підсилювача вертикального відхилення. Для забезпечення великого вхідного опору вхідний каскад підсилювача вертикального відхилення променя виконаний на польових транзисторах. Для забезпечення малого температурного дрейфу підсилювача вхідний каскад , як і наступні каскади , виконаний за симетричною схемою з парно підібраними транзисторами по мінімальному розкиду струму стоків. Для вирівнювання струмів в плечах транзисторів служить потенціометр. Додаткове балансування проводиться за допомогою потенціометра , перемикач служить для зменшення чутливості в 10 разів. Конденсатор служить для вирівнювання вхідної ємкості при перемиканні тумблера. Далі сигнал надходить на бази першої пари транзисторів мікросхеми, які використовуються як емітерні повторювачі.

Попередній каскад підсилення - з виходу емітер них повторювачів сигнал надходить на дільник , що складається з резисторів. На дільнику проводиться зменшення коефіцієнта посилення підсилювача в два рази за допомогою перемикача і резисторів, плавну зміну коефіцієнта посилення за допомогою резистора , а також калібрування коефіцієнта посилення за допомогою резистора. За допомогою резистора проводиться балансування підсилювача при зміні його коефіцієнта посилення. Далі сигнал подається на бази другої пари транзисторів, які включені як балансний підсилювач. Переміщення променя по вертикалі здійснюється потенціометром . Потенціометр служить для центрування променя при середньому положенні потенціометра.

Калібратор амплітуди і часу - служить для калібрування коефіцієнта відхилення підсилювача вертикального відхилення і тривалості розгортки. При перемиканні перемикача в положення з виходу калібратора знімається калібрований постійне , плюсове щодо землі , напруга.

Схема синхронізаціі забезпечує синхронну роботу генератора розгортки з досліджуваними сигналами, що дає можливість спостерігати на екрані ЕПТ (електронно-променева трубка) стійке зображення. Схема синхронізації складається з селектора синхронізації, підсилювача синхронізації і тригера синхронізації. Сигнал синхронізації в залежності від обраного джерела синхронізації подається або з підсилювача вертикального відхилення променя , або з гнізда.

Для формування імпульсів синхронізації застосований тригер Шміта. Сформовані тригером імпульси синхронізації , частота повторення яких відповідає частоті сигналу синхронізації , диференціюються і надходять на запуск тригера управління розгорткою.

Тригер управління розгорткою - тригер зібраний на другій парі транзисторів транзисторної збірки Mcl. До приходу імпульсу , що запускає перший транзистор тригера відкритий, а другий закритий. Негативні імпульси синхронізації , що виробляються тригером синхронізації, надходять на базу першого транзистора тригера і перекидають тригер.

Генератор розгортки - генератор пилоподібної напруги виконаний за схемою з ємнісним негативним зворотним зв’язком. У початковому стані ключ , що складається з діодів, відкритий і отже, часозадаючий конденсатор виявляється зашунтованим. З приходом на ключ негативного імпульсу останній закривається , що відповідає прямому ходу розгортки.

Схема блокування зворотного ходу розгортки виконує дві функції :

Передає пилкоподібну напругу з виходу генератора на тригер управління, яке після досягнення заданого рівня перекидає тригер в стан, що відповідає формуванню зворотного ходу розгортки;

Протягом зворотного ходу розгортки підтримує напруги на базі першого транзистора тригера на такому рівні, що приходять з тригера синхронізації імпульси не можуть перекинути тригер розгортки.

Підсилювач горизонтального відхилення - призначений для посилення пилоподібної напруги до необхідної величини. З виходу емітерного повторювача генератора пилкоподібна напруга через перемикач надходить на узгоджувальний емітер ний повторювач підсилювача горизонтального відхилення за допомогою потенціометра здійснюється управління становищем променя по горизонталі.

Схема керування променем електронно-променевої трубки(ЕПТ) - формує імпульси, призначені для комутації променя під час прямого і зворотного ходу. Вона включає в себе підсилювач на транзисторі ТІ і електронний ключ на транзисторі.

Головне призначення вузла живлення - перетворення електричної енергії, що надходить з мережі змінного струму, в енергію, придатну для живлення вузлів приладу.

ЕПТ - Перетворює електричні сигнали в світові.

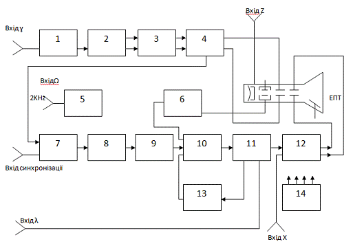
.2 Вольтметр універсальний В7-16

Діапазон амплітуд:0,1мВ-1000В; діапазон частот: 20Гц-100кГц

Призначенням вольтметрів є вимірювання напруги в електричних ланцюгах. Вольтметр В7-16А має ряд переваг перед іншими приладами подібного класу. Зокрема, він виконує цілий ряд вимірів основних фізичних величин - напруга, сила, опір постійного і змінного. Даний прилад зручний при настроюванні і перевірці різноманітного електротехнічного і радіотехнічного обладнання. Пристрій відрізняється міцністю, що дозволяє застосовувати його у виробничих умовах, і володіє дуже високою точністю, що робить його затребуваним також і в лабораторіях. Прилад В7-16А має невелику вагу і компактні габарити, це дозволяє легко переносити і встановлювати його. Основною причиною викривлення показників приладів подібного типу є нестабільні сигнали, перешкоди.

Подібні фактори часто зустрічаються при практичному використанні вольтметрів. Вони здатні серйозно вплинути на показники. Конструктори вольтметра В7-16А це врахували. Прилад особливо стійкий до нестабільних сигналам і перешкод. Тому вибір даного приладу є оптимальним рішенням для тих, хто регулярно має справу з ремонтом і перевіркою обладнання [7].

Також В7-16 дуже зручний у використанні. У порівнянні з більш ранніми моделями, цей прилад дає меншу похибку. Вольтметр В7-16 дозволяє швидко зчитувати показники навіть в умовах недостатнього освітлення. Управління розроблено так, щоб можна було знімати показання без зайвих рухів і додаткових налаштувань. В7-16А - один з універсальних приладів даного типу. Він підійде для використання в самих різних областях техніки [8].

Вольтметр універсальний В7-16 призначений для автоматичного вимірювання:

напруги постійного струму;

напруги змінного струму;

активних опорів.

Рисунок 3 - Функціональна схема вольтметра універсального В7-16 [7].

Вхідний пристрій

Компаратор

Логічний пристрій

Лічильний блок

Перетворювач

Генератор пилоподібної напруги

Генератор відлікових імпульсів

Дешифратор катодний

Джерело каліброваної напруги

Хронізатор

Автоматика

Розподілювач

Блок індикації

Блок живлення

Індикатор полярності і перевантаження

Призначення кожного блоку.

Призначення вхідного пристрою полягає в тому, щоб при мінімальних втратах забезпечити рівномірний профіль швидкості на вході у вентилятор і виключити підкручення потоку.

Високочастотний перетворювач - призначений для перетворення синусоїдальної напруги високої частоти в постійну напругу.

Джерела каліброваних сигналів -(з вбудованим індикатором), далі калібратори, є багатофункціональним національним мікропроцесорними приладами і призначені для відтворення прецизійних значень постійного нанапруги і струму при калібрування, повірку та налагодженню робочих засобів вимірювань в лабораторних і промислових умовах.

Підсилювач диференціальний призначений для забезпечення високого вхідного опору приладу і для перетворення величини вимірюваних опорів в пропорціональні напруз.

Компаратори призначені для порівняння вимірюваної і нульової напруги, і для формування стрибків напруги з крутим фронтом в момент їх рівності.

Генератор пилоподібної напруги - управління тимчасової розгорткою променя в пристроях, що використовують електронно-променеві трубки.

Розподільник призначений для формування імпульсів опитування декад і імпульсів управління анодними ключами.

Індикатор полярності перевантажень призначений для - визначення полярності і перевантаження вимірюваного напруги формування імпульсу пам'яті формування імпульсу скидання декад.

Пристрій логічне призначене для формування пачок рахункових імпульсів при часу перетворення 20мс-10 пачок, при часу перетворення 2мс-1 пачка.

Хронізатор (від грец. Chronos - час) - пристрій, що задає тимчасові характеристики жорстко стабілізованих у часі імпульсів (напр., що запускають, відлікових в радіолокаційних і телевізійних передавальних станціях).

Генератором рахункових імпульсів є мультивібратор зі стабілізацією частоти і висоти імпульсів.

Рахунковий блок (СТ) призначений для перетворення унітарної
одиничного коду, яким є пачка рахункових імпульсів, в чотири розрядний
двійково-десятковий код.

Генератор рахункових імпульсів є мірою . Зчитані імпульси поступають на зрівнювальний пристрій.

.3 Генератор низькочастотний Г3-102

Діапазон частот: 20 Гц - 200 кГц

Вимірювальний генератор Г3-102, як правило, використовується для повірки приладів з подальшою настройкою в радіоелектронній галузі. Для приладів класу Г3-102 дуже характерний низький рівень гармонійних спотворень. За допомогою цього приладу може бути налаштоване високоточне обладнання, яке застосовується в автоматиці і обчислювальній техніці. При роботі з вимірювальним генератором, Вам надається можливість використовувати широкий спектр своїх власних налаштувань, зокрема, установка точності частоти і її нестабільності [9].

Вимірювальний генератор Г3-102 для сигналів низької частоти оснащений власною пам'яттю для збереження налаштувань [10].

Рисунок 4 - Функціональна схема генератора низькочастотного Г3-102 [9].

Генератор задаючий

Підсилювач вихідний

Індикатор вихідної напруги

Аттенюатор

Випрямляч

Призначення кожного блоку.

Генератор задаючий - генератор з самозбудженням високочастотних коливань у радіопередавачах середньої та великої потужності.

Аттенюатор - пристрій, призначений для зниження рівня сигналів, що забезпечує фіксоване або регульоване загасання.

Випрямляч - перетворювач електричної енергії; механічний, електровакумний, напівпровідниковий або інший пристрій, призначений для перетворення змінного вхідного електричного струму в постійний вихідний електричний струму.

Підсилювач - пристрій, в якому здійснюється збільшення потужності вхідного сигналу за рахунок енергії допоміжного джерела живлення. Залежно від виду енергії вхідного сигналу і джерела підсилювача поділяють на: електричні, механічні, гідравлічні, пневматичні. Найпоширеніші електричні підсилювачі.

Індикатор вихідної напруги- прилад що показує наявність напруги.

.4 Підсилювач селективний У2-8

Діапазон частот: 20 Гц-200 кГц

Підсилювач селективний У2-8 призначений для підсилення та виділення малих напруг синусоїдальної форми та перетворення середньоквадратичного значення синусоїдальної напруги в постійну напругу в лабораторних і цехових умовах [11].

Рисунок 5 - Функціональна схема підсилювача селективного У2-8.

Попередній підсилювач

Смугові фільтри

Суматор

Вихідний підсилювач

Призначення кожного блоку.

Попередній підсилювач-посилення слабкого сигналу до рівня сигналу в лінії. Складається з комутатора входів, регулятора гучності і вихідного підсилювача, який забезпечує для будь-якого джерела напруга на виході 1-2 В.

Смугові фільтри-пропускає частоти, що знаходяться в деякій смузі частот. Смуговий фільтр - лінійна система і може бути представлений у вигляді послідовності, що складається з фільтра нижніх частот і фільтра верхніх частот

Суматор-пристрій, що перетворює інформаційні сигнали (аналогові або цифрові) в сигнал, еквівалентний сумі цих сигналів.

Вихідний підсилювач - пристрій, в якому здійснюється збільшення потужності вхідного сигналу за рахунок енергії допоміжного джерела живлення. Залежно від виду енергії вхідного сигналу і джерела підсилювача поділяють на: електричні, механічні, гідравлічні, пневматичні. Найпоширеніші електричні підсилювачі.

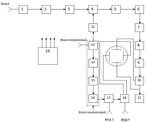
Розділ 3. Розробка функціональної схеми аналізатора частотного спектру генератора звукового та ультразвукового діапазону коливань. Призначення блоків функціональної схеми

3.1 Розробка функціональної схеми аналізатора частотного спектру

генератора звукового та ультразвукового діапазону коливань

Діапазон амплітуд: 1 мВ-10 мВ; діапазон частот: 200-2000Гц

Рисунок 6 - Функціональна схема аналізатора частотного спектру генератора звукового та ультразвукового діапазону коливань.

Вхідний пристрій

Фільтр ПЧ

Вхідний каскад

Змішувач

Селективний підсилювач

Підсилювач 2й

Обмежувач

Калібратор

Каскад вертикального відхилення

Каскад підсвітки

Гетеродин

Селектор синхронізації

Підсилювач синхронізації

Схема формування блокуючи імпульсів

Тригер управління розгорткою

Генератор пилкоподібної напруги

Підсилювач горизонтального відхилення

Блок живлення

ЕПТ

.2 Пояснення до функціональної схеми аналізатора частотного спектру генератора звукового та ультразвукового діапазону коливань

При створенні даної схеми аналізатора частотного спектру звукового та ультразвукового діапазону коливань використовувалась складова таких приборів: аналізатор частотного спектру С4-25; аналізатор частотного спектру СК4-3; осцилограф універсальний С1-68;підсилювач селективний У2-8, тому що їхні характеристики задовольняють вимогам заданих діапазонів частот (20-200 Гц) та амплітуд досліджуваного сигналу (1мВ-10мВ).

Вхідний пристрій буде являти собою підсилювач, згідно з діапазоном досліджуваних частот (20-200Гц) та діапазоном досліджуваного сигналу (1мВ-10мВ). Підсилювач був взятий із осцилографа універсального С1-68 тому, що він виконує функцію забезпечення посилення вхідного сигналу до рівня достатнього для спрацювання виконавчого механізму.

Фільтр проміжної частоти був взятий із аналізатору спектру СК4-3 тому, що він виділяє різність частот вхідного та гетеродинного сигналів тобто є проміжною частотою (ПЧ).

Змішувач був взятий із аналізатору спектру С4-25. Він перетворює частоти використовуючи допоміжний генератор допоміжних коливань(гетеродин).

ППЧ-1 беремо з підсилювача селективного У2-8 тому,що він виконує функцію підсилення проміжного сигналу достатнього для спрацювання виконуючого механізму за рахунок енергії допоміжного джерела, або за рахунок зменшення інших характеристик проміжного сигналу.

Для кращого підсилення проміжного сигналу ми використовуємо ППЧ-2, взятий також з підсилювача У2-8.

Підсилювач підсвіту беремо з аналізатору спектру СК4-3 тому, що він викликає посилення інтенсивності світіння імпульсу на екрані ЕПТ.

Підсилювач операційний беремо з аналізатора спектра частот С4-25. Він служить для отримання квадратичної характеристики детектора(при роботі прибору в режимі ПОТУЖН.).

Підсилювач Y був взятий з осцилографа універсального С1-68. Його завданням є підсилення досліджуваного сигналу, який подається з вхідного пристрою, до значення,яке дозволяє отримати достатньо великий розмір видимого вертикального відхилення променя(розмах зображення сигналу) на екрані ЕПТ.

Гетеродин беремо з аналізатора спектру С4-25. Використовується для перетворення частот сигналу. Створює коливання допоміжної частоти, які змішуються з коливаннями високої частоти, що надходять ззовні, у результаті чого виходить постійна проміжна частота.

Селектор синхронізації беремо з осцилографа універсального С1-68. Він використовується для вибору режиму синхронізації між режимом внутрішньої синхронізації або режимом з частотою строк.

Підсилювач синхронізації взятий з осцилографа універсального С1-68. Він виконує функцію попереднього підсилювача горизонтального відхилення променю.

Схему синхронізації блокуючих імпульсів беремо з осцилографа універсального С1-68. Відповідає за гасіння променя під час зворотного ходу розгортки з допомогою спеціальних бланкуючих пластин.

Тригер управління розгорткою беремо з осцилографа універсального С1-68, тому що він забезпечує запуск генератора пилкоподібної напруги.

Модулятор взятий з аналізатора спектра частот С425. Цей пристрій служить для зміни частоти першого гетеродина. Представляє собою підсилювач постійного струму.

Калібратор ми беремо з осцилографа універсального С1-68. Призначенням калібратора є градуювання по горизонтальному та вертикальному відхиленню сигналу.

Підсилювач Х був з взятий з осцилографа універсального С1-68, бо він змушує електронний промінь збільшуватись в горизонтальній площині екрану через зміну напруги пластинах горизонтального відхилення.

Блок живлення служить для видавання напруги.

ЕПТ взята з осцилографу універсального С1-68, для перетворення електричних сигналів та візуалізації їх на екрані.

Висновок

Розроблений аналізатор спектру дозволяє виконувати функції, призначені завданням курсового проекту. У зв’язку з амплітудою досліджуваних сигналів (1 мВ - 10 мВ), вхідний сигнал потрібно підсилити при використанні вхідного підсилювача.

У процесі розробки та створення схеми приладу були використані не всі функціональні блоки базових приладів, які були запропоновані у завданні для курсового проекту. Наприклад, функціональні блоки вольтметра універсального В7-16 взагалі не знадобилися для створення схеми аналізатора спектру. Це призвело до зменшення вагових та габаритних характеристик розробленого приладу.

Аналізатор спектру,розроблений за функціональною схемою даного курсового проекту дозволяє вимірювати сигнали у різних діапазонах частот (наприклад, 200-2000 Гц).

Список використаних джерел

1. «РЕЙ - Захист Інформації». Стаття: Аналізатор спектру (2008-2011рр.)

[Електронний ресурс] : Група компаній «РЕЙКОМ». - Режим доступу:://www.rei-rus.com/oscor-green.html.

. Завод виробника: / Технічний опис та інструкція по експлуатації/ 1986р. «Аналізатор спектра С4-60». С. 4-14.

. Вікіпедія. Вільна енциклопедія. Стаття: Аналізатор спектру (2011р.) [Електронний ресурс] : Вікіпедія. Вільна енциклопедія. - Режим доступу: http://ru.wikipedia.org/wiki/Анализатор_спектра.

. Завод виробника: / Технічний опис та інструкція по експлуатації/ 1986р. «Аналізатор спектра С4-25 ». С. 4-14.

. Завод виробника: / Технічний опис та інструкція по експлуатації/ 2010 р. «Осцилограф універсальний С1-68». С. 8-35.

. Осцилограф С1-68. Компанія ЗАО “Еталонприбор” - центр вимірювальної техніки у Москві, (2009-2011рр.) [Електронний ресурс] : ЗАО “Еталонприбор”. - Режим доступу: http://www.etalonpribor.ru/oscillograph/product/s1-68_ostsillograf_/ .

. Завод виробника: / Технічний опис та інструкція по експлуатації/ 1983р. «Вольтметр універсальний В7-16». С.7-13.

. Вольтметр В7-16. Компанія ЗАО “Еталонприбор” - центр вимірювальної техніки у Москві, (2009-2011рр.) [Електронний ресурс] : ЗАО

“Еталонприбор”. - Режим доступу:://www.etalonpribor.ru/voltmeter/product/v716a_voltmetr_universalniy_/ .

. Завод виробника: / Технічний опис та інструкція по експлуатації/ 2009р. «Генератор сигналів низькочастотний Г3-102» . С. 5-12.

. Генератор Г3-102. Компанія ЗАО “Еталонприбор” - центр вимірювальної техніки у Москві, (2009-2011рр.) [Електронний ресурс] : ЗАО

“Еталонприбор”. - Режим доступу:://www.etalonpribor.ru/generatori_signalov_nch/product/g3102_generator_nizkochastotniy_/ .

. Завод виробника: / Технічний опис та інструкція по експлуатації/ 1982 р. «Підсилювач селективний У2-8». С.4-9.

Похожие работы на - Розробка функціональної схеми аналізатора частотного спектру генератора звукового та ультразвукового діапазону коливань

 

Не нашли материал для своей работы?
Поможем написать уникальную работу
Без плагиата!
Без нейросетей!