Разрядное устройство для испытания аккумуляторной батареи
Введение
Электрический аккумулятор - химический источник тока
многоразового действия (в отличие от гальванического элемента, химические
реакции, непосредственно превращаемые в электрическую энергию в них,
многократно обратимы). Электрические аккумуляторы используются для накопления
энергии и автономного питания различных устройств.
Аккумуляторная
батарея - батарея отдельных аккумуляторных элементов, соединенных между собой в
одном изделии. Аккумуляторная батарея служит источником постоянного тока. В
обиходе часто встречается сокращение «АКБ» или просто «Аккумулятор».
Аккумуляторная
батарея, в отличие от простого аккумуляторного элемента, имеет в составе
несколько аккумуляторов, которые могут быть соединены последовательно или
параллельно.
Чаще
всего соединение аккумуляторов производится последовательно. Примером может
служить практически любой автомобильный аккумулятор, который правильнее было бы
называть аккумуляторной батареей. Такое объединение нескольких аккумуляторов в
одном корпусе позволяет добиться повышения выходного напряжения изделия в
целом, по отношению к отдельному аккумулятору, для которого существует
ограничение максимально возможного напряжения для данного типа химического
состава.
Реже
применяется параллельное объединение нескольких аккумуляторов в одном корпусе
для увеличения общей емкости изделия и меньшего внутреннего сопротивления. Но
этот вариант требует усложнения внутренней электронной схемы управления,
связанное с необходимостью раздельной зарядки каждого отдельного аккумулятора и
их коммутацией, в этой связи пока не нашел широкого распространения.
Аккумуляторные батареи нашли широкое применение во всех
областях электротехники. В настоящее время аккумуляторные батареи, выпускаемые
промышленностью, эффективно используются для обеспечения автономным питанием
потребителей. Это широко применяется в транспортных средствах, устройствах
связи, и в качестве аварийных источников питания.
Задачей данного курсового проекта является разработка
нагрузочного устройства для испытания аккумуляторных батарей. Нагрузочное
устройство предназначено для испытания аккумуляторных батарей методом заряда и
разряда. Для приведения в рабочее состояние аккумуляторных батарей требуется
осуществлять несколько зарядно-разрядных циклов. На основании этих испытаний делается
заключение об эксплуатационной пригодности и надежности аккумуляторных батарей.
При разработке полупроводниковых преобразовательных устройств
требуется уделять внимание всему комплексу технических, эксплуатационных,
конструктивно-технологических и экономических требований.
К эксплуатационным требованиям относятся:
качество обеспечения основных технических характеристик,
надежность,
простота обслуживания,
ремонтопригодность,
обеспечение габаритных размеров и массы.
К конструктивно-технологическим требованиям
относятся:
конструктивная преемственность,
технологичность конструкции,
защита от воздействия внешних факторов.
Экономические требования учитывают:
- затраты труда, времени, материальных средств на разработку,
изготовление и эксплуатацию полупроводниковых преобразовательных устройств.
При выборе и разработке источника питания необходимо
учитывать ряд факторов, определяемых условиями эксплуатации, свойствами
нагрузки, требованиями к безопасности и т.д. В первую очередь, следует обратить
внимание на соответствие электрических параметров источника питания требованиям
питаемого устройства, а именно:
- напряжение питания;
потребляемый ток;
требуемый уровень стабилизации напряжения питания;
допустимый уровень пульсации напряжения питания.
Немаловажны и характеристики источника питания, влияющие на
его эксплуатационные качества: наличие систем защиты; массогабаритные
покозатели.
Источники электропитания должны обеспечить:
нормальную работу питаемого устройства без нарушения режима
его работы
заданный переменный или постоянный ток (напряжение)
длительный срок службы
максимальный КПД и надежность при минимальных габаритах и
массе.
1. Выбор и обоснование силовой части
Согласно техническому заданию нагрузочное устройство должно
поддерживать заданный ток разряда с определённой точностью и отключать разряд
при достижении минимального заданного значения напряжения. Силовая часть
нагрузочного устройства должна быть как можно проще. Поэтому силовую часть
нагрузочного устройства целесообразно реализовывать на базе непосредственного
преобразователя напряжения (НПН) понижающего типа. Схема НПН понижающего типа и
её работа описаны далее.
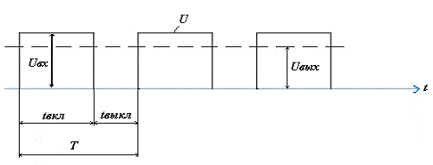
Наиболее простая и получившая самое широкое распространение
схема непосредственного преобразователя понижающего типа представлена на рис.
1, а. Регулирование выходного напряжения в этой схеме осуществляется изменением
соотношений времени включенного tвкл и времени выключенного tвыкл состояний транзистора,
что иллюстрируется диаграммой на рис. 1, б.
а)
б)
Рис. 1
Полагая, что все элементы в схеме не имеют потерь, а выходные
напряжения и ток идеально сглажены, для среднего значения выходного напряжения
можно записать
Где T - период переключения транзистора,
- относительная длительность включённого
состояния транзистора.
Регулирование напряжения за счёт изменения
можно рассматривать как модуляцию
входного напряжения. Возможны три способа модуляции:
1) время tвкл - величина переменная, а период T - постоянный;
) время tвкл - величина постоянная, а время tвыкл - переменная;
) время tвыкл - величина постоянная, а время tвкл - переменная;
Практическое распространение в рассматриваемой области
техники получил лишь первый вид, называемый широтно-импульсной модуляцией
(ШИМ), который и будет рассмотрен ниже.
Выведем основные расчётные соотношения, по-прежнему полагая
идеальными все элементы в схеме.
Предположим, что процессы в схеме установились и транзистор
перешёл в открытое состояние в момент времени t
0, как показано на рис. 2. Под
воздействием разности входного напряжения и напряжения на конденсаторе (но это
же и напряжение на нагрузке Uвых) начинает нарастать ток дросселя iL. Пренебрегая пульсацией напряжения на
конденсаторе, которая в реальных схемах достаточна мала, получаем уравнение
Из последнего уравнения следует, что ток iL будет нарастать по линейному закону
,
где
-ток, протекающий через дроссель в момент
включения транзистора.
В момент времени t
t1
транзистор выключается и включается диод, через который начинает протекать ток iL. К дросселю прикладывается только
напряжение Uвых в направлении, уменьшающем ток iL, что можно выразить уравнением
.
Следовательно, ток в дросселе начнёт убывать по линейному закону
Процессы в понижающем преобразователе в режиме непрерывного тока
дросселе
Рис. 2.
,
где
- ток в момент выключения транзистора.
Затем в момент t
t2 снова
включается транзистор и процессы начнут повторяться.
Если к концу интервала разомкнутого состояния транзистора ток iL не успевает снизиться до нуля, то такой
режим работы называют режимом непрерывного тока. Этот режим обычно и
используется в практических схемах. На рис. 2 представлены диаграммы величин
для режима непрерывного тока.
При проектировании нагрузочного устройства следует учитывать
процессы, происходящие в схеме НПН понижающего типа.
2. Расчёт силовой части
электрический силовой
аккумулятор гальванический
Расчёт и выбор элементов силовой части схемы
Расчёт и выбор элементов силовой части схемы нагрузочного
устройства произведём по методике в лит. (4). Предварительно зададимся
следующими условиями:
Частоту работы силового транзисторного ключа примем равной fкл =10 кГц;
напряжение насыщения коллектор-эммитер силового транзистора
примем равным Uк.э нас=1,5 В;
падение постоянного напряжения на активном сопротивлении дросселя
примем равным
В;
Исходя из этого определим максимальное падение напряжения на
нагрузочном сопротивлении
В
Определим минимальное падение напряжения на нагрузочном
сопротивлении:
В.
Определим рассеиваемую мощность нагрузочного резистора.
Вт.
В качестве нагрузочного сопротивления для разряда аккумуляторной
батареи выбираем резистор типа ПЭ-150-1,0 Ом
5% с допустимой мощностью рассеяния 150Вт (справочник(5)).
Определим максимальное и минимальное значения относительной
длительности управляющих импульсов:
;
;
Определим необходимую величину индуктивности дросселя:
Гн.
Кроме того, сглаживающий дроссель должен быть рассчитан на ток
подмагничивания, не ниже величины
А.
Расчёт сглаживающего дросселя произведём по методике, описанной в
лит. (6).
Для реализации дросселя выбираем броневой магнитопровод из стали
марки Э42 с толщиной пластины
мм.
Определим величину
:
Гн
А2
По графику (рис. 9-2 лит. (6)) определим необходимый объём
сердечника в см3:Vст=20 см3.
Из ряда стандартных магнитопроводов выбираем магнитопровод типа ШЛ
12х16, у которого объём сердечника равен Vст=19,6 см3,
т.е. близок к необходимому.
По таблице из лит. (6) определим коэффициент заполнения
сердечника, зависящий от толщины пластин: для
мм, КСТ=0,93.
Определим удельную электромагнитную нагрузку сердечника:

Из графиков (рис. 9-1 (лит. 6)), определяем величины:
эффективная проницаемость стали:
;
относительный воздушный зазор: lз=0,24%.
По данным (табл. 9-1. Лит.6), выбираем допустимое значение
плотности тока: j=4,4 А/мм2.
Для дросселей броневого типа
(т.к.
), тогда
.
Определим коэффициент заполнения окна:
.
Определим размер ширины сердечника:
см.
Окончательно выбираем типоразмер магнитопровода ШЛ12х16, имеющего
ширину сердечника a=1,2 см и следующие параметры:
Vст=19,6 см3,
Sст=6,9 см2
- площадь сердечника;
lcт=10,2 см - средняя длина магнитной силовой линии.
Определим суммарный немагнитный зазор:
см.
Определим толщину немагнитной прокладки:
см=0,15 мм.
Определим число витков дросселя:
витков.
Определим расчётное значение сечения проводника обмотки дросселя
(в мм2):
мм2
Для обмотки дросселя используем медный обмоточный провод марки
ПЭВ-1 круглого сечения с номинальным диаметром провода без изоляции Dw.ном=1,68 мм, номинальным сечением Sw.ном=2,217 мм2 и диаметром изолированного провода Dw.из=1,76 мм.
Определим величину изменения тока в дросселе:
А.
Определим величину напряжения и ёмкости фильтрового
конденсатора:
Uc.ф>Е0.MAX=24 В.
Ф,
где 0,8 - коэффициент, учитывающий отклонение ёмкости конденсатора
от номинального значения на
20%.
Для реализации сглаживающего фильтра (по справочнику 5) выбираем
параллельное включение конденсаторов типа К50-18-25 В-100000 мкФ
20% и К50-18-25 В-15000 мкФ
20% и К50-22-25 В-6800 мкФ.
Определим соотношения для выбора силового транзистора:
максимальный ток, протекающий через коллектор открытого
транзистора:
А.
Максимальное напряжение, действующее между коллектором и эммитером
закрытого транзистора:
В.
Исходя из этих соотношений (по справочнику 7), выбираем транзистор
типа КТ827В с параметрами:
UК.Э.ДОП=60
В-допустимое напряжение коллектор-эмиттер при
кОм;
IК.ДОП=20 А
- допустимый ток коллектора.
PК.ДОП=125
Вт - допустимая мощность рассеивания на транзисторе.
VК2.MAX=1,5 В;
В-напряжение насыщения база-эмиттер;
-минимальный коэффициент передачи тока базы;
tвкл=0,5
мкс - время включения;
tвыкл=4 мкс
- время выключения;
Определим мощность, рассеиваемую на транзисторе (она должна быть
меньше параметра PК.ДОП).
Вт,
Условие
<PК.ДОП выполняется.
Для надёжного отвода тепла, к транзистору следует прикрепить алюминиевый
радиатор с площадью поверхности охлаждения из расчёта 20 см2 на Вт
рассеиваемой мощности. Определим соотношения для выбора коммутирующего диода.
А;
Максимальное обратное напряжение, прикладываемое к диоду:
UОБР.MAX>E0.MAX=24 В.
Исходя из этих соотношений (по справочнику 8), выбираем диод типа
КД2999 В с параметрами:
IПР.СР=20 А
- прямой средний ток,
UОБР.ДОП=100
В-допустимое обратное напряжение.
В качестве датчика тока используется, как правило, резистивный
датчик (шунт), на котором при номинальном значении тока выделяется напряжение
75мВ. Исходя из этого в качестве датчика тока разряда выбираем измерительный
шунт типа 75 ШМС-10А.
В качестве датчика напряжения используется резистивный делитель,
сопротивление которого удовлетворяет условию: Rд>>RЭКВ,
Где RЭКВ=E0.MAX/IP.MIN=24/1=24
Ом,
эквивалентное сопротивление разряда аккумуляторной батареи.
Исходя из этого в качестве датчика напряжения АБ выберем
построечный многооборотный резистор (для более точной установки коэффициента
деления) типа (П5-2ВА - 0,5-100 кОм
10%).
Для соединения нагрузочного устройства с аккумуляторной батареей
используем разъём типа СШР-2 с параметрами:
Количество контактов-2;
Напряжение в цепях контактов: до 800 В;
Токовая нагрузка на один контакт: до 15 А.
Для соединения нагрузочного устройства со схемой управления и
защиты используем разъём типа СНП.
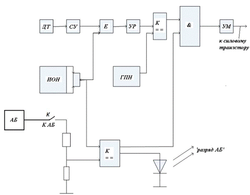
3. Разработка структурной схемы системы
управления и защиты
Структурная схема системы управления нагрузочным устройством
для аккумуляторной батареи составляется по материалам, изложенным на рис. 3.1.
Рис. 3.1.
ДТ - датчик тока разряда;
СУ - согласующее устройство;
ИОН- источник опорного напряжения;
-суммирующий усилитель;
УР - усилитель разностного сигнала;
ГПН - генератор пилообразного напряжения;
К - аналоговый компаратор напряжений;
& - логический элемент ‘и’;
УМ - усилитель мощности;
Уровень напряжения, пропорциональный величине тока нагрузки,
снимается с датчика тока (ДТ) и поступает на согласующее устройство (СУ),
которое сопрягает ДТ с остальной частью устройства управления. В качестве
датчика тока обычно используется резистивный датчик (шунт), на котором при
номинальном значении тока нагрузки выделяется напряжение 75 мВ.
Необходимый уровень тока нагрузки задаётся источником опорного
напряжения (ИОН). В качестве ИОН обычно используется источник высокостабильного
напряжения с выходным потенциометрическим делителем напряжения.
Суммирующий усилитель (
) вычитает из опорного напряжения выходное напряжение согласующего
устройства, которое по своей сути является напряжением обратной связи.
Разностный сигнал усиливается с помощью усилителя рассогласования (УР),
коэффициент усиления которого k ур и определяет статическую точность стабилизации тока
разряда.
Генератор пилообразного напряжения (ГПН) вырабатывает пилообразные
импульсы частоты преобразования напряжения, которые сравниваются с помощью
аналогового компаратора напряжений (К) с выходным напряжением УР. При условии Uур(t)>UГПН(t) на
выходе компаратора устанавливается уровень логической единицы. Таким образом,
на выходе получаются импульсы одинаковой амплитуды, но разной длительности.
При возрастании входного напряжения, ток нагрузки сначала также
увеличивается скачком. При этом увеличивается выходное напряжение СУ и
уменьшится выходное напряжение УР, что приведёт к уменьшению относительной
длительности управляющих импульсов. Это снизит ток нагрузки до уровня заданного
значения.
При снижении входного напряжения все выше указанные величины
изменяются в обратную сторону. Таким образом осуществляется отрицательная
обратная связь. Временные диаграммы, характеризующие процесс получения
широтно-модулированных импульсов, изображены на рис. 3.2.
Рис. 3.2.
Эти импульсы поступают на один из входов логического элемента ‘и’,
на другой вход которого подаётся сигнал аналогового компаратора напряжений,
сравнивающего опорное напряжение с выходным напряжением делителя напряжения АБ.
Если напряжение АБ понизится ниже допустимого уровня, то компаратор выдаст
сигнал логического нуля и импульсы UШМ через элемент ‘И’ не пройдут. Кроме того,
для индикации разряда АБ должен быть предусмотрен соответствующий светодиод.
После элемента ‘И’ широтно-модулированные импульсы поступают на
усилитель мощности (УМ), преобразующий выходные импульсы логического элемента в
импульсы достаточные для управления силовым транзисторным ключом.
При возникновении кроткого замыкания, ток нагрузки увеличивается
скачком. При этом увеличивается выходное напряжение СУ и уменьшится выходное
напряжение УР, что приведёт к уменьшению относительной длительности управляющих
импульсов до нулевого значения. Что в свою очередь приведет к закрытию
транзисторного ключа.
Заключение
электрический силовой
аккумулятор гальванический
Проделанная в рамках курсового проектирования работа по
разработке и расчёту нагрузочного устройства для испытания аккумуляторной
батареи показывает необходимость углубленного анализа процессов, происходящих в
преобразовательных устройствах.
Результат проектирования по расчётам соответствует
техническому заданию, однако возможен и ряд других схематических решений.
Как достоинство спроектированного решения следует отметить
его простоту, а как недостаток - ограниченность по выходной мощности.
Применение в ходе работы над проектом пакета Mathcad позволило несколько
снизить время работы над проектом.
Список литературы
1. Петрович В.П. Силовые преобразователи
электрической энергии. Томск, 2000 г.
. Коновалов Б.И. Преобразовательная
техника. Часть 2. Томск, 1996 г.
. Сергеев Б.С. Схемотехника функциональных
узлов источников вторичного электропитания: справочник-М. 1992 г.
. Китаев В.Е. Расчёт источников
электропитания устройств связи: учебное пособие для вузов/В.Е. Китаев, А.А.
Бокуняев - М. 1993 г.
. Резисторы, конденсаторы, трансформаторы,
дроссели, коммутационные устройства РЭА: справочник/Н./Н. Акимов, Е.П. Ващуков,
В.А. Прохоренко - Минск, 1994 г.
. Белопольский И.И, Каретникова Е.И и др.
Расчёт трансформаторов и дросселей малой мощности - М. 1973 г.
. Петухов В.М. Транзисторы и их зарубежные
аналоги. Биполярные транзисторы средней и большой мощности. Справочник-М. 199
г.
. Справочник по полупроводниковым приборам
и их аналогам. /Под ред. А.М. Пыжевского - М. 1992 г.