Общие сведения о топливно-энергетическом комплексе Иркутской области
Введение
В качестве объекта исследования выбраны
предприятия - топливно-энергетического комплекса Иркутской области, в
результате функционирования которых наблюдается загрязнение окружающей среды
вредными для всего живого веществами.
Топливно-энергетический комплекс Иркутской
области - сложная межотраслевая система, осуществляющая добычу топлива,
производство гидравлической и тепловой энергии, ее транспортировку,
распределение и использование. В состав комплекса входят электроэнергетика,
объединяющая гидроэнергетику и тепловую энергетику, угольная, нефтяная,
нефтеперерабатывающая, газовая промышленности и разветвленная производственная
инфраструктура: нефте- и газопроводы, тепловые трассы, станции, подстанции,
электрические сети, ЛЭП.
В результате деятельности
топливно-энергетического комплекса Иркутской области в атмосферу поступают
различные вредные вещества.
Цель курсовой работы - охарактеризовать
пылегазовые выбросы топливно-энергетического комплекса Иркутской области.
Задачи:
1. рассмотреть структуру топливно-энергетического
комплекса Иркутской области;
2. изучить влияние деятельности
топливно-энергетического комплекса Иркутской области на атмосферный воздух;
. охарактеризовать газоочистное
оборудование;
. выполнить расчет эффективности
оборудования для очистки пылегазовых выбросов.
1. Характеристика объекта исследования
.1 Общие сведения о топливно-энергетическом
комплексе Иркутской области
Создание мощного
топливного-энергетического комплекса в Иркутской области было предопределено
наличием гидроресурсов реки Ангары, запасов каменного угля, углеводородного
сырья (нефти, газа).
Топливно-энергетический
комплекс тесно связан со всеми отраслями хозяйства области. От его работы,
развития и совершенствования зависят масштабы и технико-экономические показатели
общественного производства, в первую очередь промышленности.
У Иркутского
топливно-энергетического комплекса, составляющего 14% общего областного
промышленного производства, есть все необходимое для стабильной работы,
дальнейшего совершенствования и развития.
Электроэнергетика
- основная, ведущая, связующая отрасль топливно-энергетического комплекса
Иркутской области. В структурном плане она состоит из гидроэнергетики и
тепловой энергетики. Она сформировалась на базе гидроэнергии реки Ангары и
каменных углей месторождений Иркутского угленосного бассейна.
В электроэнергетическую отрасль
входят три ГЭС на реке Ангаре: Иркутская, Братская и Усть-Илимская, 12 ТЭЦ и 3
ТЭС.
В «Иркутскэнерго» входит 3
предприятия тепловых сетей: Ангарское, Братское, Иркутское и фирма
«Энергосбыт».
Гидроэлектроэнергетика
На реке Ангаре построен и стабильно работает
каскад ГЭС общей мощностью в 9,5 тыс. МВт с годовой выработкой 43-44 млрд.
кВтч. Каскад гидроэлектростанций представлен тремя ГЭС: Иркутской, Братской и
Усть-Илимской.
Отличительными особенностями ГЭС Ангарского
каскада являются: высокая напорность плотин, позволяющая создать крупные
водохранилища с большим объемом водной массы, высокий коэффициент полезного
действия, постоянство вырабатываемой электроэнергии в течение года, непрерывное
питание водохранилищ водами Байкала, дешевая электроэнергия.
Ангарские ГЭС обеспечивают электроэнергией
промышленные предприятия области, городской транспорт, связь, бытовые
потребности населения, сельское хозяйство, экономят угольные ресурсы
(приложение А). Вырабатываемая электроэнергия ангарского каскада позволила
построить и ввести в действие такие электроемкие предприятия, как БрАЗ, ИркАЗ,
Тайшетский алюминиевый завод, лесопромышленные комплексы Байкальский, Братский,
Усть-Илимский. перевести Восточно-Сибирскую железную дорогу и ее ответвления на
электрическую тягу.
Водохранилища Ангарских ГЭС имеют тоже свои
особенности. По объему водной массы они превосходят водохранилища Енисейского
каскада ГЭС, имеют постоянную в течение года подпитку вод Байкала, сравнительно
небольшую сработку уровня воды, основная масса воды в водохранилищах
пополняется не за счет весеннего таяния снега (половодья), а за счет
непредсказуемых летних паводков, вызванных затяжными дождями и таянием снега в
горах.
Иркутская ГЭС
(1950-1958 г.г.) - первенец Ангарского каскада, давший импульс дальнейшему
использованию гидроэнергетических ресурсов реки Ангары и промышленному развитию
Приангарья. Строительство Иркутской ГЭС было начато в 1950 г. выше Иркутска, в
56 км от Байкала. Проектная мощность ГЭС - 662,4 тыс. кВт. Средняя годовая
выработка электроэнергии 4,1 млрд. кВтч. Автор проекта Иркутской ГЭС Г. Н.
Суханов. Средний многолетний расход воды Ангары в створе гидроузла 1915 м3/с.
Братская ГЭС
(1954-1967 г.г.) - одна из самых крупных не только ангарского каскада, России,
но и мира. Ее гидроэнергетическая мощность 4500 МВт. Ежегодная выработка
электроэнергии составляет 22,6 млрд. кВтч. Автор проекта Г.Н. Суханов.
Построена Братская ГЭС на реке Ангара ниже Падунских порогов, в одноименном
Падунском сужении долины реки Ангары, сложенного сибирскими траппами, в 667 км
от озера Байкал, в таежной и не освоенной к тому времени части области.
Строительство Братской ГЭС было начато в 1954 г. Плотиной Братской ГЭС, высотой
100 м, создано самое крупное по объему водохранилище в 170 км3,
глубиною 12-14 м в верхней части, до 100-110 м в нижней у плотины. Длина
водохранилища по Ангаре 560 км. Наполнялось Братское водохранилище 6 лет.
Усть-Илимская ГЭС
(1966-1974 г.г.) - третья ступень ангарского каскада. Она находится на Ангаре,
в 40 км ниже устья реки Илим, в Толстомысовском сужении, сложенном прочными
скальными породами - траппами. Строительство ГЭС было начато в 1966 г. отсыпкой
котлована, затем строительство бетонной плотины и здания ГЭС. В августе 1969 г.
было перекрыто русло Ангары. Наполнение водохранилища началось в октябре 1974
г. Плотина Усть-Илимской ГЭС длиною 440 м, высотою 105 м, образовала
водохранилище по Ангаре длиною 304 км и залив по реке Илим на 229 км. Площадь зеркала
водохранилища 1873 км2, объем водной массы - 58,9 км3.
Удельный вес гидростанций в системе
«Иркутскэнерго» составляет 90%. ГЭС вырабатывают самую дешевую электроэнергию и
окупили себя несколько раз, несмотря на большие затраты на их возведение. На базе
дешевой электроэнергии ангарского каскада ГЭС возникли и работают такие отрасли
промышленности, как цветная металлургия, химическая, нефтеперерабатывающая,
целлюлозно-бумажная и др.
Тепловая энергетика
- вторая составляющая электроэнергетики области. Она, как и гидроэнергетика,
входит в состав «Иркутскэнерго». На ее долю приходится от 7 до 10% всей
вырабатываемой электроэнергии в области.
Основной базой тепловой электроэнергетики
являются угли месторождений Иркутского угленосного бассейна, слабо используются
как топливо отходы лесной и лесоперерабатывающей промышленности.
Тепловая энергетика внесла большой вклад в
начало развития гидроэнергетики путем подачи электроэнергии на строительные
площадки ГЭС на Ангаре и в первую очередь на первенца - Иркутскую ГЭС.
Отличительной особенностью тепловой
электроэнергетики является то, что она, работая на каменном угле, загрязняет
атмосферу пылью и различными газами, вредными для здоровья человека. Снижение
выбросов загрязняющих и отравляющих веществ - одна из главных задач тепловой
электроэнергетики.
Начало производства тепловой электроэнергии в
области было положено в 1910г., когда вступила в строй первая электростанция в
Иркутске, работавшая на Черемховском угле.
Задача тепловой электроэнергетики вырабатывать
не только электроэнергию для производственных организаций, ведомств, населения,
но и обеспечить их горячей водой и паром. В состав тепловой электроэнергетики
входят 12 ТЭЦ, 3 ТЭС и производственная инфраструктура (станции, подстанции,
электрические сети). Действующие электро- и тепловые станции приурочены к
крупным городам и промышленным центрам области.
Угольная промышленность
- важнейшая составная часть топливно-энергетического комплекса области. Одна из
ключевых отраслей хозяйства области, обеспечивающая тепловую электроэнергетику,
металлургию, химическое производство, сельское хозяйство, население сырьем для
переработки и топливом. В общем топливном балансе области уголь составляет
80-90%.
Развитие угольной промышленности в области
связано со строительством Транссибирской железнодорожной магистрали, появлением
в Восточной Сибири мощного комплекса - компании «Востсибуголь», объединившей в
свое время разрозненные мелкие угольные предприятия и занявшей достойное место
в угледобывающей отрасли страны.
В настоящее время компания «Востсибуголь»
является частью Сибирско-Уральской энергетической компании (СУЭК), которая
входит в десятку мировых лидеров угольного рынка и является единственным
представителем России.
Задача угольной промышленности области:
увеличивать производство угля, повышать рентабельность, внедрять новые
технологии. Базой угольной промышленности являются месторождения Иркутского
угольного бассейна. Угли обладают высокой теплотворной способностью, залегают
неглубоко от земной поверхности, что позволяет вести разработку месторождений
открытым способом. Это обходится дешевле в 3-4 раза по сравнению с добычей в
шахтах.
В настоящее время уголь добывается на
Черемховском, Тулунском, Азейском, Мутунском месторождениях.
Нефтяная и нефтеперерабатывающая
промышленность - важная и необходимая составная
часть топливно-энергетического комплекса. По объему промышленного производства
и стоимости основных фондов отрасль занимает пятое место в области.
Нефтепереработка осуществляется на нефтеперерабатывающем заводе при АООТ
«Ангарская нефтехимическая компания», который был введен в строй 1961 г.
Компания производит высококачественный бензин
марок АИ-80, АИ-90, АИ-92, дизельное топливо, керосин, смазочные масла и другую
продукцию.
В 1993 г. начата добыча нефти на Ярактинском
месторождении в Усть-Кутском районе.
На Ангарском нефтеперерабатывающем заводе,
входящем в состав ОАО «АНХК», в 2005 году завершена реконструкция
газофакельного производства, которая позволяет улучшить рассеивание
загрязняющих веществ в атмосфере, сделать его бездымным, безсажевым. До
модернизации объем горения факела составлял 500 м3 в час, а после -
25 м3 в час.
Газовая промышленность
- самая молодая, формирующаяся, жизненно важная не только для производственных
целей, но и для улучшения экологических условий, сохранения природы.
В Иркутской области находится 10 месторождений
природного газа. Среди них выделяются Ковыктинское, Братское, Атовское,
Осинское, Тыретское, Половинкинское, Зиминское и др.
Ковыктинский газ - это сложный комплекс объединенных
газов: конденсата (раствор газа более тяжелых углеводородов), гелия
(одноатомный газ), этана (насыщенный углеводород), пропана и бутана.
Использование природного газа в Иркутской
области начато АО «Братскэкогаз». Оно освоило Братское газовое месторождение.
Задача газовой компании - обеспечить нужды
населения и хозяйства в природном газе и продуктах его переработки в
промышленно развитых и густонаселенных районах области.
Использование газа в тепловой энергетике, по
расчетам специалистов, на 20-30% уменьшит, по сравнению с углем, затраты на
добычу, транспорт и использование топлива, ускорит перевооружение
электроэнергетики и всего топливного хозяйства.
Сократятся выбросы загрязняющих веществ в
атмосферу: диоксида серы на 60%, золы и тяжелых металлов на 52%, сбросы отходов
производства в водные объекты.
.2 Физико-географическое описание Иркутской
области
Иркутская область занимает площадь 767,9 тыс. км2
(4.6% территории России). По этому показателю она находится на шестом месте в
России.
Крайняя южная точка области располагается на 51о
с. ш., северная оконечность почти достигает 65-й параллели.
На западе область граничит с Красноярским краем,
на востоке - с Читинской областью, на юго-востоке и юге - с Республикой
Бурятия, на юго-западе - с Республикой Тыва, на северо-востоке граница проходит
с Республикой Саха (Якутия). Иркутская область расположена почти в центре Азии,
на основных транспортных магистралях, соединяющих Европу с дальневосточными
районами России и странами Азиатско-Тихоокеанского региона.
Географическое положение Иркутской области на
стыке двух геотектонических структур - южной части Сибирской платформы и
Байкальской рифтовой зоны - определило сложность и многообразие геологического
строения, характер полезных ископаемых и формирование природных комплексов.
Около 70% территории находится на высоте от 200 до 750 м над уровнем моря.
Низменности (до 200 м над уровнем моря) занимают всего 1% общей площади и
приурочены к долинам рек Лены, Ангары, Чуны и Бирюсы. Основная часть территории
области имеет плоскогорный рельеф с незначительным уклоном к северу и
северо-западу. На юге области находятся обширные горные массивы Хамар-Дабана и
Восточного Саяна. Их средняя высота достигает 1500 м, а вершины отдельных
хребтов, расположенных на территории Республики Бурятия вблизи границ области,
поднимаются до 3000 м.
Самая высокая точка находится на вершине
Кодарского хребта на отметке 2999 м выше уровня моря.
Самая низкая - на дне озера Байкал, вблизи о.
Ольхон, и соответствует отметке 1181 м ниже уровня моря. Таким образом общий
перепад высот в пределах области достигает 4180 м.
По своему ресурсному и индустриальному
потенциалу Иркутская область занимает важное место среди субъектов Российской
Федерации. Это один из немногих регионов России, где имеются все виды
собственных топливно-энергетических ресурсов (более 7% общероссийских запасов
угля, столько же нефти и горючего газа, 10% гидроэнергоресурсов). По лесистости
территории (78%) и запасам древесины (8.8 млрд м3) область лидирует
среди регионов России. Общероссийское значение имеет и целый ряд ископаемых
ресурсов (золото, слюда, магнезит, тальк, калийная и поваренная соли, редкие
металлы, железная руда и др.). В пределах области высока вероятность открытия
промышленных месторождений алмазов [1].
.2.1 Краткая климатическая характеристика
Иркутской области
Климат, являясь одной из физико-географических
характеристик среды, окружающей человека, оказывает решающее влияние на
хозяйственную деятельность людей: на специализацию сельского хозяйства,
размещение промышленных предприятий, воздушный, водный и наземный транспорт.
Климат Иркутской области резкоконтинентальный, с
малоснежной зимой и теплым, с обильными осадками летом. Физико-географические
условия, значительная территориальная протяженность области, сложность и
расчлененность рельефа определяют разнообразие климатических элементов. Средние
годовые температуры воздуха по всей территории области отрицательные, от 0о
С на юге до - 8о С на крайнем севере. Самый холодный месяц года -
январь, на Байкале - февраль. Средние температуры этого месяца в горных районах
минус 16, минус 20, в северных минус 30, минус 34, на остальной территории
минус 20, минус 30о С. В июле, самом теплом месяце года, средние
месячные температуры составляют 12 - 14°С в горных районах и 16 - 18о
С на остальной территории. Абсолютные максимальные температуры могут достигать
35 - 40о С на основной территории, 30 - 33о С на
побережье озера Байкал. Наиболее низкие температуры могут колебаться от минус
50 на юге до минус 61о С на крайнем севере, от минус 40 по южному
побережью Байкала до минус 51о С на северо-востоке озера.
Характерной особенностью климата Иркутской
области является инверсионное распределение температуры (повышение температуры
воздуха с высотой вместо обычно наблюдаемого падения) в нижнем слое атмосферы,
особенно в зимний период.
На распределение осадков по территории Иркутской
области кроме атмосферной циркуляции существенное влияние оказывает рельеф
местности. На большей части равнинной территории и в предгорьях Восточного
Саяна выпадает 300 - 500 мм осадков за год, увеличиваясь на наветренных склонах
хребтов до 800 - 1400 мм. Максимум осадков приходится на июнь-август и
составляет 50 - 90 мм, увеличиваясь на Хамар-Дабане до 190 - 290 мм. В месяцы
минимума (февраль - март) суммы осадков не превышают 5 - 15 мм, в горах
Восточного Саяна - 20 - 55 мм.
Сложность орографии определяет ветровой режим
территории. В верхнеленских, северных районах а также с наветренной стороны
горных хребтов Восточного Саяна среднегодовые скорости равны 1-2 м/с, в районах
Приангарья и Присаянья они несколько выше (2 - 3 м/с), в зимний период
отмечается большая повторяемость штилей (на большей части территории - 30-70, в
Тайшетском и южном районах - 10 - 35%) [2].
.2.2 Влияние климатических характеристик на
рассеивание вредных веществ в атмосфере на территории Иркутской области
Жизненно важной проблемой современных
антропогенных процессов является обеспечение чистоты атмосферы крупных
городских агломераций, сохранение естественной окружающей среды.
Воздух, почва и вода - основные компоненты
биосферы, без которых немыслимо существование человечества - в результате
интенсивной производственной деятельности, как в нашей области, так и во многих
других регионах находятся под угрозой загрязнения вредными веществами [3].
Атмосфера загрязняется в основном химическими
веществами, поступающими в нее на различных стадиях производства и утилизации
продукции. Эти вещества находятся в газообразном, жидком и твердом (пыль, сажа)
состоянии. Кроме того, существуют тепловое загрязнение, образующееся в
результате антропогенной деятельности и влияющее на температурный баланс,
загрязнение шумом, образующееся в результате работы техники, транспорта,
бытовых приборов и, наконец, электромагнитное загрязнение из-за функционирования
телерадиостанций, радиолокационных установок, линий электропередач высокого
напряжения [4].
Наряду с проблемами природопользования возникает
ряд серьезных проблем, связанных со специфическими природными особенностями.
Например, климатические условия нашего региона, характеризующиеся
антициклональным режимом погоды с сопровождающими его инверсионными явлениями
(большой повторяемостью и мощностью), особенно зимой, слабых ветров, застоев
воздуха. Это все затрудняет перенос и рассеивание загрязняющих веществ в
атмосфере, способствует образованию смогов над городами и промышленными
центрами [3].
Оценка влияния метеорологических условий на
рассеяние примесей в атмосфере основана на использовании вышесказанных
климатических характеристик, таких как застой воздуха (сочетание инверсий
температуры и слабого ветра) и повторяемость инверсий и туманов. Рассеивающая
способность атмосферы выражается через ее потенциал загрязнения, представляющий
отношение средних уровней концентраций примесей при заданных выбросах в конкретном
и условном районе. За условный принимается район с минимальной повторяемостью
метеорологических условий, способствующих увеличению загрязнения. Таким образом
наш регион относится к пятой зоне с очень высоким потенциалом загрязнения
атмосферы.
Летний сезон по характеру синоптических
процессов резко отличается от зимнего. У земли над всей Иркутской областью
преобладает слабоградиентное поле низкого давления. В течении лета циклоны в
большинстве случаев перемещаются с запада на восток или с юга на северо-восток,
а также часто выходят южные циклоны.
Зимой распределение давления способствует
развитию на большей части территории южных, юго-западных и западных ветров, а в
юго-восточной части территории - северных и северо-западных.
В переходные сезоны, к которым относятся
сентябрь и апрель, зимнее распределение ветра сочетается с летним.
В зимнее время Иркутская область с характерным
для нее антициклоническим режимом отличается небольшими скоростями ветра. На
большей части территории наименьшие скорости ветра отмечаются в январе,
феврале.
В летнее время в связи с усилением циклонической
деятельности на большей части территории скорости ветра больше, чем зимой.
Суточный ход скорости ветра хорошо выражен в
теплый сезон и слабее - в холодный. Максимум приходится на дневные часы,
минимум на ночные. Для решения многих задач, в особенности при оценке
рассеивающей способности атмосферы и переноса примесей в атмосфере,
недостаточно знать только средние величины скорости. Для более полной
характеристики ветрового режима используются вероятностные характеристики ветра
в различных пределах данных скоростей по румбам.
Данные о повторяемости направлений ветра
используются при проектировании расположения заводов и других источников
загрязнения относительно жилых массивов.
Для отдельных районов Иркутской области
отмечается суточный ход направления ветра, достаточно четко выраженный в теплый
период и переходные сезоны, и практически отсутствующий зимой. Например, в
Иркутске с апреля по сентябрь преобладающим направлением ветра: ночью и утром
являются юго-восточные ветра, а во второй половине дня - северо-западные,
причем повторяемость юго-восточных ветров во второй половине дня уменьшается в
1,5 - 2 раза.
Почти вся Иркутская область находится в районе с
повторяемостью слабого ветра (0 - 1 м/с). 41 - 60 % пространственного
распределения повторяемости слабых ветров, при которых происходят наиболее
опасные экологические ситуации.
Другой отличительной чертой, характерной для
всей Иркутской области, является большая повторяемость приземных и приподнятых
инверсий температуры, которые в сочетании со слабыми ветрами дают большую
вероятность застоя воздуха. В зимний период происходит значительное
выхолаживание подстилающей поверхности, усиливается сток холодного воздуха в
долинах, а нисходящие движения в сибирском антициклоне приводят к образованию
мощных (по высоте) и интенсивных (по разности температур) инверсий.
Весной при ослаблении антициклона повторяемость
инверсий остается высокой. Летом в некоторых местах она уменьшается. Осенью
повторяемость приземных инверсий увеличивается.
Влияние других факторов на формирование уровня
загрязнения, таких, как туманы и осадки, состоит в том, что капли тумана
поглощают вредные вещества как вблизи земли, так и из вышележащих слоев
воздуха, и концентрация примеси в тумане возрастает. Влияние осадков дождя или
снега заключается в захвате примесей и их переносе к подстилающей поверхности.
При этом происходит загрязнение почв и водоемов.
Метеорологические условия, определяющие скорость
самоочищения атмосферы в различных районах, неодинаковы. В условиях Иркутской
области высока повторяемость всех неблагоприятных факторов для рассеяния
примесей в воздухе. Загрязненный воздух, скапливаясь в небольшом пространстве
речных и горных долин, медленно распространяется на большие территории. Причем
для территории всей Иркутской области свойственны достаточно большие
пространственно-временные изменения уровней загрязнения, характеризуемые
метеорологическим потенциалом загрязнения.
Возможность самоочищения воздуха в северных
районах мала в связи с коротким вегетационным периодом и малой фитомассой.
Интенсивность техногенных геохимических потоков в атмосфере из-за
неблагоприятных климатических факторов значительно выше, чем в умеренной зоне.
Загрязнение атмосферы ведет к интенсивному
загрязнению почв и грунтовых вод, которые представляют собой единую тесно
связанную геохимическую систему. В неблагоприятных климатических условиях
Иркутской области даже города со слаборазвитой промышленностью являются источником
высокого техногенного давления на окружающую среду.
Ухудшаются условия существования и самого
человека. Следствием изменения химического состава окружающей среды явилось
распространение новых заболеваний - микроэлементозов - генетических,
токсических, аллергических и эндокринных [3].
.3 Характеристика района расположения
топливно-энергетического комплекса Иркутской области по уровню загрязнения
атмосферного воздуха
Основные источники загрязнения атмосферы:
предприятия цветной металлургии (68,3%), теплоэнергетики (17,6%), лесной и
целлюлозно-бумажной и деревообрабатывающей (7,8%) промышленности.
Неблагополучное состояние атмосферного воздуха в
области определяют выбросы загрязняющих веществ: метилмеркаптан, сероводород,
диметилсульфид, диметилдисульфид, скипидар, формальдегид, смолистые вещества,
твердые фториды, фтористый водород, диоксид азота, диоксид азота, оксид
углерода, сероводород, формальдегид, бенз(а)пирен.
Степень улавливания загрязняющих веществ
составляет: 83,0% - теплоэнергетики, 85,07% - лесной, целлюлозно-бумажной и
деревообрабатывающей промышленности, 61,2% - цветной металлургии.
От многих предприятий области выбросы,
содержащие загрязняющие вещества, поступают в атмосферу без очистки.
При рассмотрении процессов, приводящих к
формированию высоких уровней загрязнения воздуха в области, следует иметь в
виду, что основные промышленные предприятия, загрязняющие атмосферу,
располагаются в близи жилых кварталов.
Постоянный контроль за загрязнением атмосферного
воздуха населенных мест области осуществляет территориальный орган Росгидромета
(п. 5.4.4. «Положение о Федеральной службе по гидрометеорологии и мониторингу
окружающей среды» (далее - Росгидромет), утвержденное постановлением
Правительства Российской Федерации от 23.07.2004 М 372).
Организация контроля, размещение и количество
постов наблюдений, программа и сроки наблюдений, техника отбора проб и
характеристики загрязнения атмосферы устанавливаются Государственным стандартом
СССР ГОСТ 17.2.3.01- 86 «Охрана природы. Атмосфера. Правила контроля качества
воздуха населенных пунктов» [1].
.4 Характеристика производственных процессов,
как источников загрязнения атмосферы
.4.1 Краткая характеристика работы
гидроэлектростанции
Гидроэлектростанция представляет собой комплекс
различных сооружений и оборудования, использование которых позволяет
преобразовывать энергию воды в электроэнергию. Гидротехнические сооружения
обеспечивают необходимую концентрацию потока воды, а дальнейшие процессы
производятся при помощи соответствующего оборудования.
Гидроэлектростанции возводятся на реках,
сооружая плотины и водохранилища. Большое значение для эффективности работы
станции имеет выбор места. Необходимо наличие двух факторов: гарантированная
обеспеченность водой в течение всего года и как можно больший уклон реки.
Гидроэлектростанции разделяются на плотинные (необходимый уровень реки
обеспечивается за счёт строительства плотины) и деривационные (производится
отвод воды из речного русла к месту с большой разностью уровней).
Отличаться может и расположение сооружений
станции. Например, здание станции может входить в состав водонапорных
сооружений (так называемые русловые станции) или располагаться за плотиной
(приплотинные станции).
Работа гидроэлектростанций основана на
использовании кинетической энергии падающей воды. Для преобразования этой
энергии применяются турбины и генераторы.
Сначала эти устройства вырабатывают механическую
энергию, а затем уже электроэнергию. Турбины и генераторы могут устанавливаться
непосредственно в дамбе или возле неё. В некоторых случаях используется
трубопровод, посредством которого вода, находящаяся под давлением, подводится
ниже уровня дамбы или к водозаборному узлу ГЭС.
Индикаторами мощности гидроэлектростанций
являются две переменные: расход воды и гидростатический напор. Последний
показатель представляет собой разность высот между начальной и конечной точкой
падения воды. Проект станции может основываться на каком-то одном из этих
показателей или на обоих.
Принцип работы ГЭС достаточно прост. Цепь
гидротехнических сооружений обеспечивает необходимый напор воды, поступающей на
лопасти гидротурбины, которая приводит в действие генераторы, вырабатывающие
электроэнергию.
Необходимый напор воды образуется посредством
строительства плотины, и как следствие концентрации реки в определенном месте,
или деривацией - естественным током воды. В некоторых случаях для получения
необходимого напора воды используют совместно и плотину, и деривацию.
Непосредственно в самом здании
гидроэлектростанции располагается все энергетическое оборудование. В зависимости
от назначения, оно имеет свое определенное деление. В машинном зале расположены
гидроагрегаты, непосредственно преобразующие энергию тока воды в электрическую
энергию. Есть еще всевозможное дополнительное оборудование, устройства
управления и контроля над работой ГЭС, трансформаторная станция,
распределительные устройства и многое другое.
Гидроэлектрические станции разделяются в
зависимости от вырабатываемой мощности:
мощные - вырабатывают от 25 МВТ и выше;
средние - до 25 МВт;
малые гидроэлектростанции - до 5 МВт.
Вне всяких сомнений, гидроэнергетика в
перспективе не должна оказывать негативное воздействие на окружающую среду или
свести его к минимуму. Сегодня разработка методов определения экологического
энергопотенциала не производится. А это означает, что развитие гидроэнергетики
пока приостановлено, поскольку отсутствие экологических экспертиз может
нарушить энергетическую безопасность, которая и без того находится под угрозой
(приложение Б) [5].
.4.2 Краткая характеристика работы ТЭС, ТЭЦ
Электрическая станция - энергетическая
установка, служащая для преобразования природной энергии в электрическую. Тип
электрической станции определяется прежде всего видом природной энергии.
Наибольшее распространение получили тепловые электрические станции (ТЭС), на
которых используется тепловая энергия, выделяемая при сжигании органического
топлива (уголь, нефть, газ и др.). На тепловых электростанциях вырабатывается
около 76 % электроэнергии, производимой на нашей планете. Это обусловлено
наличием органического топлива почти во всех районах нашей планеты;
возможностью транспорта органического топлива с места добычи на электростанцию,
размещаемую близ потребителей энергии; техническим прогрессом на тепловых
электростанциях, обеспечивающим сооружение ТЭС большой мощностью; возможностью
использования отработавшего тепла рабочего тела и отпуска потребителям, кроме
электрической, также и тепловой энергии (с паром или горячей водой) и т.п. [6].
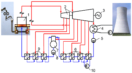
Основные принципы работы ТЭС (приложение В).
Рассмотрим принципы работы ТЭС. Топливо и окислитель, которым обычно служит
подогретый воздух, непрерывно поступают в топку котла (1). В качестве топлива
используется уголь, торф, газ, горючие сланцы или мазут. Большинство ТЭС нашей
страны используют в качестве топлива угольную пыль. За счёт тепла,
образующегося в результате сжигания топлива, вода в паровом котле нагревается,
испаряется, а образовавшийся насыщенный пар поступает по паропроводу в паровую
турбину (2), предназначенную для превращения тепловой энергии пара в механическую
энергию.
Все движущиеся части турбины жёстко связаны с
валом и вращаются вместе с ним. В турбине кинетическая энергия струй пара
передается ротору следующим образом. Пар высокого давления и температуры,
имеющий большую внутреннюю энергию, из котла поступает в сопла (каналы)
турбины. Струя пара с высокой скоростью, чаще выше звуковой, непрерывно
вытекает из сопел и поступает на рабочие лопатки турбины, укрепленные на диске,
жёстко связанном с валом. При этом механическая энергия потока пара превращается
в механическую энергию ротора турбины, а точнее говоря, в механическую энергию
ротора турбогенератора, так как валы турбины и электрического генератора (3)
соединены между собой. В электрическом генераторе механическая энергия
преобразуется в электрическую энергию.
После паровой турбины водяной пар, имея уже
низкое давление и температуру, поступает в конденсатор (4). Здесь пар с помощью
охлаждающей воды, прокачиваемой по расположенным внутри конденсатора трубкам,
превращается в воду, которая конденсатным насосом (5) через регенеративные
подогреватели (6) подаётся в деаэратор (7).
Деаэратор служит для удаления из воды
растворённых в ней газов; одновременно в нём, так же как в регенеративных
подогревателях, питательная вода подогревается паром, отбираемым для этого из
отбора турбины. Деаэрация проводится для того, чтобы довести до допустимых
значений содержание кислорода и углекислого газа в ней и тем самым понизить
скорость коррозии в трактах воды и пара.
Деаэрированная вода питательным насосом (8)
через подогреватели (9) подаётся в котельную установку. Конденсат греющего
пара, образующийся в подогревателях (9), перепускается каскадно в деаэратор, а
конденсат греющего пара подогревателей (6) подаётся дренажным насосом (10) в
линию, по которой протекает конденсат из конденсатора (4) [7] .
Наиболее сложной в техническом плане является
организация работы ТЭС на угле. Вместе с тем доля таких электростанций в
отечественной энергетике высока (~30%) и планируется её увеличение (приложение
Г).
Топливо в железнодорожных вагонах (1) поступает
к разгрузочным устройствам (2), откуда с помощью ленточных транспортёров (4)
направляется на склад (3), со склада топливо подаётся в дробильную установку
(5). Имеется возможность подавать топливо в дробильную установку и непосредственно
от разгрузочных устройств. Из дробильной установки топливо поступает в бункера
сырого угля (6), а оттуда через питатели - в пылеугольные мельницы (7).
Угольная пыль пневматически транспортируется через сепаратор (8) и циклон (9) в
бункер угольной пыли (10), а оттуда питателями (11) к горелкам. Воздух из
циклона засасывается мельничным вентилятором (12) и подаётся в топочную камеру
котла (13).
Газы, образующиеся при горении в топочной
камере, после выхода из неё проходят последовательно газоходы котельной
установки, где в пароперегревателе (первичном и вторичном, если осуществляется
цикл с промежуточным перегревом пара) и водяном экономайзере отдают теплоту
рабочему телу, а в воздухоподогревателе - подаваемому в паровой котёл воздуху.
Затем в золоуловителях (15) газы очищаются от летучей золы и через дымовую
трубу (17) дымососами (16) выбрасываются в атмосферу.
Шлак и зола, выпадающие под топочной камерой,
воздухоподогревателем и золоуловителями, смываются водой и по каналам поступают
к багерным насосам (33), которые перекачивают их на золоотвалы.
Воздух, необходимый для горения, подаётся в
воздухоподогреватели парового котла дутьевым вентилятором (14). Забирается
воздух обычно из верхней части котельной и (при паровых котлах большой
производительности) снаружи котельного отделения.
Перегретый пар от парового котла (13) поступает
к турбине (22).
Конденсат из конденсатора турбины (23) подаётся
конденсатными насосами (24) через регенеративные подогреватели низкого давления
(18) в деаэратор (20), а оттуда питательными насосами (21) через подогреватели
высокого давления (19) в экономайзер котла.
Потери пара и конденсата восполняются в данной
схеме химически обессоленной водой, которая подаётся в линию конденсата за
конденсатором турбины.
Охлаждающая вода подаётся в конденсатор из
приемного колодца (26) водоснабжения циркуляционными насосами (25). Подогретая
вода сбрасывается в сбросной колодец (27) того же источника на некотором
расстоянии от места забора, достаточном для того, чтобы подогретая вода не
подмешивалась к забираемой. Устройства для химической обработки добавочной воды
находятся в химическом цехе (28).
В схемах может быть предусмотрена небольшая
сетевая подогревательная установка для теплофикации электростанции и
прилегающего посёлка. К сетевым подогревателям (29) этой установки пар
поступает от отборов турбины, конденсат отводится по линии (31). Сетевая вода
подводится к подогревателю и отводится от него по трубопроводам (30).
Выработанная электрическая энергия отводится от
электрического генератора к внешним потребителям через повышающие электрические
трансформаторы.
Для снабжения электроэнергией электродвигателей,
осветительных устройств и приборов электростанции имеется электрическое
распределительное устройство собственных нужд (32) [7].
Теплоэлектроцентраль (ТЭЦ) - разновидность
тепловой электростанции, которая производит не только электроэнергию, но и
является источником тепловой энергии в централизованных системах теплоснабжения
(в виде пара и горячей воды, в том числе и для обеспечения горячего водоснабжения
и отопления жилых и промышленных объектов). Главное отличие ТЭЦ состоит в
возможности отобрать часть тепловой энергии пара, после того, как он выработает
электрическую энергию. В зависимости от вида паровой турбины, существуют
различные отборы пара, которые позволяют забирать из нее пар с разными
параметрами. Турбины ТЭЦ позволяют регулировать количество отбираемого пара.
Отобранный пар конденсируется в сетевых подогревателях и передает свою энергию
сетевой воде, которая направляется на пиковые водогрейные котельные и тепловые
пункты. На ТЭЦ есть возможность перекрывать тепловые отборы пара. Это дает
возможность работать ТЭЦ по двум графикам нагрузки:
· тепловому - электрическая нагрузка
жёстко зависит от тепловой
нагрузки (тепловая нагрузка - приоритет);
· электрическому - электрическая
нагрузка не зависит от тепловой, либо тепловая нагрузка вовсе отсутствует
(приоритет - электрическая нагрузка).
При строительстве ТЭЦ необходимо учитывать
близость потребителей тепла в виде горячей воды и пара, так как передача тепла
на большие расстояния экономически нецелесообразна.
На ТЭЦ используют твёрдое, жидкое или
газообразное топливо. Вследствие большей близости ТЭЦ к населённым местам на
них используют более ценное, меньше загрязняющее атмосферу твёрдыми выбросами
топливо - мазут и газ. Для защиты воздушного бассейна от загрязнения твёрдыми
частицами используют золоуловители, для рассеивания в атмосфере твёрдых частиц,
окислов серы и азота сооружают дымовые трубы высотой до 200-250 м. ТЭЦ,
сооружаемые вблизи потребителей тепла, обычно отстоят от источников
водоснабжения на значительном расстоянии. Поэтому на большинстве ТЭЦ применяют
оборотную систему водоснабжения с искусственными охладителями - градирнями.
Прямоточное водоснабжение на ТЭЦ встречается редко.
На газотурбинных ТЭЦ в качестве привода
электрических генераторов используют газовые турбины. Теплоснабжение
потребителей осуществляется за счёт тепла, отбираемого при охлаждении воздуха,
сжимаемого компрессорами газотурбинной установки, и тепла газов, отработавших в
турбине. В качестве ТЭЦ могут работать также парогазовые электростанции
(оснащенные паротурбинными и газотурбинными агрегатами) и атомные
электростанции.
ТЭЦ - основное производственное звено в системе
централизованного теплоснабжения (приложение Д, Е) [8].
2. Краткая характеристика существующих установок
очистки пылегазовых выбросов. Эффективность их работы
В настоящее время на электростанциях наибольшее
распространение получили электрофильтры, мокрые золоуловители с трубами Вентури
или без последних, а также батарейные циклоны. Последние рассматриваются наряду
с единичными циклонами и жалюзийными золоуловителями как первая ступень
улавливания на крупных котельных установках, а также применяются в мелких
котельных.
При работе котла на твердом топливе должна быть
обеспечена бесперебойная работа золоулавливающей установки.
Эксплуатация котла с неработающей
золоулавливающей установкой запрещается.
В случае появления сигнала о достижении верхнего
предельного уровня золы в двух и более бункерах разных полей электрофильтра,
прекращении орошения каплеуловителя мокрой золоулавливающей установки или
прекращении удалении из него пульпы необходимо принять меры к выявлению и
устранению причин неполадок.
Использовать бункеры золоулавливающих установок
для накопления уловленной золы запрещается. Она должна удаляться из бункеров
непрерывно.
При растопке котла на газе или мазуте не должно
подаваться высокое напряжение на электрофильтры, механизмы встряхивания должны
быть включены в работу, должен быть обеспечен подогрев бункеров и изоляторных
коробок. После перевода котла на сжигание твердого топлива должны быть включены
в работу виброрыхлители или аэрирующие устройства бункеров, время подачи
высокого напряжения на электрофильтры должно быть указано в местной инструкции.
В подбункерных помещениях электрофильтров
температура воздуха должна поддерживаться не ниже 12o C.
Температура стенок бункеров и течек
золоулавливающих установок должна поддерживаться на 15o C выше
температуры конденсации водяных паров, содержащихся в дымовых газах.
На электростанциях с открытой компоновкой
электрофильтров в районах с расчетной температурой отопления минус 15o
C и ниже электрофильтры перед пуском должны предварительно прогреваться горячим
воздухом до температуры выше точки росы дымовых газов растопочного топлива.
Орошение мокрых золоулавливающих установок, а
также подача воды в золосмывные аппараты электрофильтров и батарейных циклонов,
воздуха в аппараты систем пневмозолоудаления и включение системы контроля
работы электрофильтров и наличия золы в бункерах должны быть осуществлены до
растопки котла.
При повышении температуры дымовых газов за
электрофильтрами выше температуры газов перед ними необходимо снять высокое
напряжение со всех полей. В случае обнаружения очагов возгорания в
электрофильтре следует остановить котел и приступить к устранению аварийного
состояния.
Режим эксплуатации золоулавливающих установок
должен определяться следующими показателями:
· для электрофильтров оптимальными
параметрами электропитания при заданной температуре дымовых газов и оптимальным
режимом встряхивания электродов;
· для мокрых золоулавливающих
установок оптимальными расходом орошающей воды и температурой газа после
аппаратов не менее чем на 15o C выше точки росы дымовых газов (по
водяным парам);
· для батарейных циклонов оптимальным
аэродинамическим сопротивлением аппаратов.
При эксплуатации мокрых золоулавливающих
установок должны быть предусмотрены меры, предотвращающие брызгоунос. В случае
установки электрофильтров за мокрыми золоулавливающими установками наличие
следов брызгоуноса за последними не допускается.
Состояние золоулавливающих установок должно
контролироваться в соответствии с типовыми инструкциями по их эксплуатации.
При останове котла на срок более 3 суток золоулавливающие
установки должны быть осмотрены и очищены от отложений.
Испытания золоулавливающих установок должны быть
выполнены при вводе их в эксплуатацию из монтажа, после капитального ремонта
или реконструкции специализированными аттестованными организациями.
Для проведения испытаний золоулавливающие
установки должны иметь измерительные участки на газоходах и быть оборудованы
штуцерами, лючками и другими приспособлениями, а также стационарными площадками
с освещением для обслуживания используемых при испытаниях приборов.
Золоулавливающие установки не реже 1 раза в год
должны подвергаться испытаниям по экспресс-методу в целях проверки их
эксплуатационной эффективности и при необходимости разработки мероприятий по
улучшению работы.
Сухие золоуловители: аппараты сухой инерционной
очистки, циклоны батарейные, дымососы-пылеуловители, фильтры рукавные,
электрофильтры.
Мокрые золоуловители: скрубберы Вентури,
центробежные скрубберы ВТИ.
Циклон
представляет собой цилиндрический корпус с конусным днищем, внизу которого
прорезано пылевыпускное отверстие. Входной патрубок для запыленного потока
подключен к корпусу сбоку по касательной, а выходной патрубок для очищенного
воздуха - в центре по вертикальной оси. Войдя в корпус, поток запыленного
воздуха расслаивался под действием центробежной силы. Твердые частицы
отбрасывались к стенке, а воздух, имеющий массу, в несколько тысяч раз меньшую,
вращался в середине. В возвратно-поточных циклонах используется кинетическая
энергия вращательно-поступательного движения газового потока. Под действием
центробежной силы частицы золы или пыли подводятся к стенке циклона и вместе с
частью газов попадают в бункер. Газы из бункера снова возвращаются в циклон
через центральную часть пылевыпускного отверстия. Отделение частиц от попавших
в бункер газов происходит при повороте потока на 180 градусов под действием сил
инерции. По мере движения этой части газов в сторону выхлопной трубы к ним
постепенно присоединяются порции газов, не попавших в бункер.
Батарейные циклоны.
Степень очистки газов в батарейных циклонах
ниже, чем в электрофильтрах и скрубберах, причем более высокая эффективность
достигается в случае более крупных размеров золы. Поэтому батарейные циклоны
обычно используются в качестве первой ступени очистки для улавливания наиболее
крупной золы.
Дымососы-золоуловители.
В дымососах-золоуловителях запыленные газы
входят в спиральную коробку, приобретают криволинейное движение - и под
действием инерционных сил зола отделяется от газового потока, попадая в циклон.
Для повышения коэффициента пылеулавливания после циклона газовый поток
возвращается в улитку через крыльчатку, дополнительно закручивающую газовый
поток в кожухе входной коробки.
Фильтры
Тканевые (рукавные) фильтры
- наиболее распространенные среди тканевых фильтров. Состоят из корпуса, внутри
которого помещены рукава из шерстяной, хлопчатобумажной или стеклянной ткани.
Загрязненный газ или воздух проходит через рукава, которые периодически
регенерируются от задержанной пыли. Тканевые фильтры классифицируются по
размерам фильтровальных рукавов, конфигурации фильтрующих элементов, типу
применяемых фильтровальных материалов, способу регенерации ткани. Рукавные
фильтры, основанные на отделении из фракционного (дисперсионного) состава золы
частиц больших размеров, в системах очистки на электростанциях широкого
распространения не получили из-за больших габаритов и низкого срока службы. Они
позволяют получить наиболее высокую степень очистки газов от пыли любого
дисперсного состава. Рукавные фильтры по капитальным затратам несколько
дешевле, чем электрофильтры, но расходы на их эксплуатацию выше. Конструкция
рукавных фильтров независимо от их типов и модификаций предусматривает
исключительно вертикальное исполнение (в отличие от электрофильтров и
механических аппаратов). В условиях стесненной компоновки мазутных
электростанций это обстоятельство может оказаться решающим при выборе типа
золоуловителя.
Электрофильтры
- наиболее эффективные газоочистительные аппараты, т.к. эксплуатационные
расходы на их содержание, по сравнению с другими пыле- и золоуловителями,
гораздо ниже. Установка для электрической очистки газов включает в себя
электрофильтр и агрегат питания. Принцип действия электрофильтров заключается в
том, что запыленные газы проходят через электрическое поле, образуемое между стальным
цилиндром (положительный полюс) и проволокой, проходящей по оси цилиндра
(отрицательный полюс). Основная масса частиц золы получает отрицательный заряд
и притягивается к стенкам цилиндра, незначительная часть частиц золы получает
положительный заряд и притягивается к проволоке. Эффективность электрофильтров
зависит от электропроводимости золы. При периодическом встряхивании
электрофильтра электроды освобождаются от золы.
Мокрые золоуловители
Действие аппаратов мокрой очистки газов основано
на захвате частиц пыли жидкостью, которая уносит их из аппаратов в виде шлама.
Процессу улавливания пыли в мокрых пылеуловителях способствует конденсационный
эффект - укрупнение частиц пыли за счет конденсации на них водяных паров.
Поскольку в этих аппаратах процесс пылеочистки обычно сопровождается процессами
абсорбации и охлаждения газов, они применяются и в качестве теплообменных
аппаратов, и для очистки газообразных составляющих. Обычно в качестве орошающей
жидкости, если не требуется химическая очистка, используется вода. Часто
аппараты мокрой очистки газов используются в качестве предварительной ступени
перед аппаратами других типов.
Достоинства мокрой газоочистки:
1. Мокрые фильтры отличаются сравнительно
небольшой стоимостью и более высокой эффективностью улавливания взвешенных
частиц по сравнению с сухими механическими аппаратами.
. Некоторые типы мокрых фильтров (турбулентные
газопромыватели) могут быть применены для очистки газов от частиц размером до
0,1 мкм.
. Мокрые пылеуловители не только могут успешно
конкурировать с такими высокоэффективными пылеуловителями, как рукавные
фильтры, но и использоваться в тех случаях, когда рукавные фильтры не
применяются, например, при высокой температуре и повышенной влажности газов,
при опасности возгораний и взрывов очищаемых газов или улавливаемой пыли.
. Аппараты мокрой очистки газов одновременно с
взвешенными частицами могут улавливать парообразные и газообразные компоненты.
Метод мокрой очистки имеет ряд
недостатков:
1. Улавливаемый мокрыми пылеуловителями продукт
выделяется в виде шлама, что связано с необходимостью обработки сточных вод и,
следовательно, с удорожанием процесса очистки.
. При охлаждении очищаемых газов до температуры,
близкой к точке росы, а также при механическом уносе из газоочистного аппарата
газовым потоком капель жидкости пыль может осаждаться в газопроводах, дымососах
и дымовых трубах.
. В случае очистки агрессивных газов аппаратуру
и коммуникации необходимо защищать антикоррозионными материалами.
Мокрые пылеуловители чаще всего используются в
газоочистных системах для одновременного охлаждения и увлажнения
(кондиционирования) газов. В этом случае они кроме функции газоочистных
аппаратов выполняют роль теплообменников смешения, в которых охлажденный
газовый поток непосредственно контактирует с охлаждающей жидкостью. Главный
недостаток аппаратов мокрой очистки газов состоит в том, что использованная в
них жидкость тоже нуждается в очистке, для чего нужно строить отстойники,
тратить энергию на перекачку пульпы, проводить трубопроводы и т.д.
Скрубберы Вентури
(приложение Ж) - наиболее распространенный тип мокрого пылеуловителя; они
обеспечивают эффективную очистку газов от частиц пыли практически любого
дисперсного состава. Представляет собой сочетание орошаемой трубы Вентури и
каплеуловителя. Труба Вентури имеет плавное сужение на входе - конфузор и
плавное расширение на выходе - диффузор. Пережим сечения трубы Вентури получил
название «горловина». Принцип действия скрубберов Вентури основан на
улавливании частиц пыли, абсорбции или охлаждении газов каплями орошающей
жидкости, диспергируемой самим газовым потоком в трубе Вентури.
Центробежные скрубберы ВТИ
(приложение Ж) - состоят из вертикально установленного полого цилиндра с
коническим дном. Через горизонтальный патрубок в нижней части корпуса дымовые
газы поступают в скруббер. Внутренняя поверхность стенки цилиндра орошается
водой, образующей тонкую пленку, стекающую по цилиндру. Под действием
центробежной силы частицы золы достигают стенок корпуса, прилипают к водяной
пленке и смываются через воронку и водяной затвор в канал гидрозолоудаления.
Пропускная способность центробежного скруббера при одинаковом сопротивлении
значительно больше сухих центробежных золоуловителей. Очистка достигает 95%
[9].
3. Характеристика топливно-энергетического комплекса
в Иркутской области как источника загрязнения атмосферы
ТЭК - один из крупнейших в
промышленности загрязнителей окружающей среды
Продукты сгорания, выброшенные
из труб тепловых электроцентралей, котельных и других энергетических объектов
области, разносятся на большие расстояния, порядка нескольких десятков
километров, по направлениям господствующих ветров, участвуя в региональном
загрязнении окружающей среды. Но наиболее опасны те выбросы, которые оседают на
близлежащие от источника территории, в сфере так называемого интенсивного
техногенного воздействия, т.е. на городские площади. Опасность усугубляется еще
и тем, что большинство предприятий топливно-энергетического комплекса находятся
вблизи густонаселенных районов города.
ТЭЦ являются одним из основных загрязнителей
атмосферы твёрдыми частицами золы, окислами серы азота, другими веществами,
оказывая вредное воздействие на здоровье людей, а также углекислым газом,
способствующим возникновению «парникового эффекта». Процесс накопления углекислого
газа в атмосфере будет усиливать нежелательную тенденцию в сторону повышения
среднегодовой температуры на планете.
Основными источниками искусственных аэрозольных
загрязнений воздуха являются ТЭС, которые потребляют уголь высокой зольности.
Аэрозольные частицы отличаются большим разнообразием химического состава. Чаще
всего в их составе обнаруживаются соединения кремния, кальция и углерода, реже
- оксиды металлов: железа, магния, марганца, цинка, меди, никеля, свинца,
сурьмы, висмута, селена, мышьяка, бериллия, кадмия, хрома, кобальта, молибдена,
а также асбест. Еще большее разнообразие свойственно органической пыли,
включающей алифатические и ароматические углеводороды соли кислот. Особо
большие скопления вредных газообразных и аэрозольных примесей в приземном слое
воздуха являются одной из главных причин образования ранее неизвестного в
природе фотохимического тумана.
Последствиями накопления глобальных
загрязнителей ТЭЦ в атмосфере являются (см. таб. П.З):
1
парниковый
эффект;
2
разрушение
озонового слоя;
3
кислотные
осадки.
Тепловые электростанции
работают на относительно дешевом органическом топливе - угле и мазуте, это
невосполнимые природные ресурсы. Сегодня основными энергетическими ресурсами в
мире являются уголь (40%), нефть (27%) и газ (21%). По некоторым оценкам этих
запасов хватит на 270, 50 и 70 лет соответственно и то при условии сохранения
нынешних темпов потребления.
При сжигании топлива на ТЭС
образуются продукты сгорания, в которых содержатся: летучая зола, частички
несгоревшего пылевидного топлива, серный и сернистый ангидрид, оксид азота,
газообразные продукты неполного сгорания. При зажигании мазута образуются
соединения ванадия, кокс, соли натрия, частицы сажи. В золе некоторых видов
топлива присутствует мышьяк, свободный диоксид кальция, свободный диоксид
кремния.
При переходе с твёрдого на
газовое топливо себестоимость вырабатываемой электроэнергии значительно
возрастает, однако здесь есть и свои плюсы, при использовании сжиженного газа
не образуется золы, но такой переход не решает главную проблему - загрязнение
атмосферы. Дело в том, что при сжигании газа, как и при сжигании мазута, в
атмосферу попадает окись серы, а по количеству выбросов оксидов азота при
сжигании газ почти не уступает мазуту.
Ещё одна злободневная проблема,
связанная с угольными ТЭС - золоотвалы, мало того что для их обустройства
требуются значительные территории, они ещё и являются очагами скопления тяжёлых
металлов и обладают повышенной радиоактивностью. Тяжёлые металлы и радиация
попадают в окружающую среду, либо воздушным путём, либо с грунтовой водой.
Кроме того, ТЭС загрязняют водоёмы, сбрасывая в них тёплую воду, в результате
чего происходит цепная реакция, водоём зарастает водорослями, в нём нарушается
кислородный баланс, что в свою очередь несёт угрозу жизни всем его обитателям.
Тепловые электростанции с охлаждающей водой сбрасывают 4 -7 кДж теплоты, на 1
кВт/ч. вырабатываемой электроэнергии. Между тем, в соответствии с санитарными
нормами сбросы тёплой воды с ТЭС не должны повышать температуру водоёма выше, чем
на 3о С в летнее время и на 5о С зимой.
Усовершенствование конструкции
оборудования тепловых электростанций, неукоснительное соблюдение норм его
эксплуатации позволяют снизить до минимума количество нефтепродуктов,
поступающих в сточные воды, а применение ловушек и отстойников практически
исключает их попадание во внешнюю среду, но только при условии полной
технической исправности этих очистных сооружений.
Распространение вредных
выбросов ТЭС зависит от нескольких факторов: рельефа местности, температуры
окружающей среды, скорости ветра, облачности, интенсивности осадков. Ускоряет
распространение и увеличивает площадь загрязнения вредными веществами такое
явление, как туман. Вредные вещества при взаимодействии с туманом образуют
устойчивое сильнозагрязнённое мелкодисперсное облако - смог, имеющий наибольшую
плотность у поверхности земли.
При выходе в атмосферу выбросы содержат продукты
реакций в твердой, жидкой и газовой фазах. Изменения состава выбросов после их
выхода могут проявляться в виде: осаждения тяжелых фракций; распада на
компоненты по массе и размерам; химические реакции с компонентами воздуха;
взаимодействия с воздушными течениями, облаками, атмосферными осадками,
солнечным излучением различной частоты (фотохимические реакции) - в результате
этого состав выбросов может существенно измениться, могут образоваться новые
компоненты, поведение и свойства которых (в частности, токсичность, активность,
способность к новым реакциям) могут значительно отличаться от исходных. Не все
эти процессы в настоящее время изучены с достаточной полнотой, но по наиболее
важным имеются общие представления, касающиеся газообразных, жидких и твердых
веществ.
Можно выделить несколько основных групп наиболее
важных взаимодействий теплоэнергоустановок с компонентами атмосферы:
а) выпадение на поверхности в виде твёрдых
частиц и жидких растворов продуктов выброса в атмосферу, в том числе: кислот и
кислотных остатков, металлов и их соединений, канцерогенных веществ;
б) выбросы непосредственно в атмосферу продуктов
сжигания твёрдого топлива (зола, шлаки), а также продуктов продувок, очистки
поверхностей нагрева (сажа, зола);
в) выбросы теплоты, следствиями которых могут
быть: постоянное локальное повышение температуры, временное повышение
температуры, изменение распределения осадков, испарений, туманов [10].
Создание ГЭС связано с затоплением земельных
ресурсов. Всего в настоящее время в мире затоплено более 350 тыс. кмІ. В это
число входят земельные площади, пригодные для сельскохозяйственного
использования. Перед затоплением земель не всегда проводится лесоочистка,
поэтому оставшийся лес медленно разлагается, образуя фенолы, тем самым,
загрязняя водохранилище. Кроме того, в прибрежной полосе водохранилища меняется
уровень грунтовых вод, что приводит к заболачиванию местности и исключает
использование этой местности в качестве сельскохозяйственных угодий.
Большие амплитуды колебаний уровней воды на
некоторых водохранилищах неблагоприятно сказываются на воспроизводстве рыбы;
плотины преграждают путь (на нерест) проходным рыбам.
Для ГЭС характерно изменение гидрологического
режима рек - происходит изменение и перераспределение стока, изменение
уровневого режима, изменение режимов течений, волнового, термического и
ледового. Скорости течения воды могут уменьшаться в десятки раз, а в отдельных
зонах водохранилища могут возникать полностью застойные участки. Специфичны
изменения термического режима водных масс водохранилища, который отличается как
от речного, так и от озёрного. Эти отклонения от естественных условий
распространяются на сотни километров от плотины электростанции.
Изменение гидрологического режима и затопление
территорий вызывает изменение гидрохимического режима водных масс. В верхнем
бьефе массы воды насыщаются органическими веществами, поступающими с речным
стоком и вымываемыми из затопленных почв, а в нижнем - обедняются, т.к.
минеральные вещества из-за малых скоростей течения осаждаются на дно [11].
энергетический пыль очистка
атмосфера
4. Расчетная часть
Задание.
Определить эффективность очистки газов от полидисперсных
частиц пыли двумя последовательно включенными пылеуловителями.
Данные для расчетов приведены в приложениях И,
К, Л.
Решение
Определение эффективности очистки газов от
полидисперсных частиц пыли двумя последовательно включенными пылеуловителями.
Начальная концентрация пыли Снач =
8120 мг/м3. ПДК промышленной пыли - 6,0 мг/м3.
По санитарным нормам, воздух, подаваемый после
пылеулавливающего оборудования в рабочую зону должен содержать не более 30 %
ПДК пыли в воздухе.
Таким образом Сост равна:
,0 мг/м3 - 100%
х мг/м3 - 30%
х = 1,8 мг/м3:
Сост. = 1,8 мг/м3.
Вычисляем требуемую степень очистки воздуха по
формуле:
,
Для достижения такого значения
необходимо запроектировать многоступенчатую очистку, выбираем 2 ступени
очистки, для этого проводим анализ дисперсности пыли 1 ступени. Данные заносим в
таблицу 1.
Таблица 1- Дисперсный состав пыли
|
1
ступень
|
|
d (диаметр частиц),
мкм
|
Gфn
(дисперсный состав пыли до очистки), %
|
е1фn
(фракционная эффективность улавливания), %
|
|
Менее
1
|
35,0
|
86
|
|
1
- 5
|
54,0
|
92,9
|
|
5
- 10
|
7,3
|
96
|
|
10
- 20
|
2,9
|
95,4
|
|
Более
20
|
0,8
|
99,9
|
Эффективность очистки запыленного
воздуха первой ступенью пылеулавливания определяется по формуле:
,
где Gф1, Gф2, Gфп - содержание
каждой фракции пыли, %;
еф1, еф2, ефп
- фракционная эффективность улавливания данной фракции, %;
∑ Gфп - суммарное
количество пыли в % поступившей на очистку данной ступени.
Определяем эффективность
пылеулавливания первого пылеуловителя:
Определяем остаточное содержание пыли по массе в
воздухе после 1 ступени по формуле:
С1 = Снач ∙ (1 - ест1),
мг/м3,
С1 = 8120 ∙ (1 - 0,9084) =
743,80 мг/м3.
Проводим анализ дисперсности пыли 2 ступени.
Рассчитываем фракционный состав пыли перед 2
ступенью по формуле:
где е1фп - фракционная
эффективность 1 ступени.
Результаты заносим в таблицу 2.
Таблица 2 - Дисперсный состав пыли
|
2
ступень
|
|
d (диаметр частиц),
мкм
|
Gфn
(дисперсный состав пыли до очистки), %
|
е1фn
(фракционная эффективность улавливания), %
|
|
Менее
1
|
4,9
|
91
|
|
1
- 5
|
3,83
|
95,6
|
|
5
- 10
|
0,292
|
98
|
|
10
- 20
|
0,1334
|
97,2
|
|
Более
20
|
0,0004
|
100
|
∑Gфп
= 9,1558
Определяем эффективность пылеулавливания второго
пылеуловителя:
Данные обеих ступеней очистки
заносим в таблицу 3.
Таблица 3 - Дисперсный состав пыли
|
1
ступень
|
2
ступень
|
|
d частиц, мкм
|
Gфп,
%
|
е1фп,
%
|
d частиц, мкм
|
Gфп,
%
|
е1фп,
%
|
|
Менее
1
|
35,0
|
86
|
Менее
1
|
4,9
|
91
|
|
1
- 5
|
54,0
|
92,9
|
1
- 5
|
3,83
|
95,6
|
|
5
- 10
|
7,3
|
96
|
5
- 10
|
0,292
|
98
|
|
10
- 20
|
2,9
|
95,4
|
10
- 20
|
0,1334
|
97,2
|
|
Более
20
|
0,8
|
99,9
|
Более
20
|
0,0004
|
100
|
Определим общую эффективность двух
последовательно включенных пылеуловителей:
е0 = 1 - (1- ест1))(1- ест2),
е0 = 1 -
(1 - 0,9080) (1 - 0,9324) =0,9938 или е0 = 99,38 %
Рассчитаем остаточное содержание пыли по массе в
воздухе после 2 ступени очистки:
С2 = С1 ∙ (1 - ест2),
мг/м3,
С2 = 743,80 ∙ (1 - 0,9324) =
50,28 мг/м3.
При допустимом остаточном содержании пыли в
воздухе Сост = 1,8 мг/м3 полученное значение не
удовлетворяет требованиям Сконц:
,28 мг/м3 > 1,8 мг/м3.
Заключение
В качестве объекта исследования был выбран
топливно-энергетический комплекс в Иркутской области.
Основной вид деятельности комплекса -
осуществление добычи топлива, производство гидравлической и тепловой энергии,
ее транспортировка, распределение и использование. В состав комплекса входят
электроэнергетика, объединяющая гидроэнергетику и тепловую энергетику,
угольная, нефтяная, нефтеперерабатывающая, газовая промышленности и
разветвленная производственная инфраструктура: нефте- и газопроводы, тепловые
трассы, станции, подстанции, электрические сети, ЛЭП.
Климатические условия нашего региона,
характеризующиеся антициклональным режимом погоды с сопровождающими его
инверсионными явлениями (большой повторяемостью и мощностью), особенно зимой,
слабых ветров, застоев воздуха, затрудняют перенос и рассеивание загрязняющих
веществ в атмосфере, способствуют образованию смогов над городами и
промышленными центрами.
Было рассмотрено технологическое и
пылегазоочистное оборудование, установленное на комплексе.
В результате деятельности комплекса в атмосферу
поступают: твёрдые частицы золы, окислы серы, азота, углерода, аэрозольные
загрязнения (в их составе обнаруживаются соединения кремния, кальция и
углерода, реже - оксиды металлов: железа, магния, марганца, цинка, меди,
никеля, свинца, сурьмы, висмута, селена, мышьяка, бериллия, кадмия, хрома,
кобальта, молибдена, а также асбест), органическая пыль, включающая
алифатические и ароматические углеводороды, соли кислот.
В данной курсовой работе был выполнен расчет
эффективности оборудования для очистки пылегазовых выбросов (не удовлетворяет
требованиям).
Список использованных источников
1. Все о Приангарье: Бояркин В.М.,
Бояркин И.В. География Иркутской области, 02.01.2013
2. Метеорология и
климатология, С.П. Хромов, М.А. Петросянц - М.: КолосС, 2004
. Экогеохимия городов
Восточной Сибири, И.С. Ломоносов, В.Н. Макаров, А.П. Хаустов. - Якутск:
Институт мерзлотоведения СО РАН, 1993
. Экономика
природопользования, С.Н. Бобылев, А.Ш. Ходжаев. - М.: ИНФРА-М, 2004
. Тепловики энциклопедия:
Гидроэлектростанция, 02.01.2013
. Рыжкин В.Я. Тепловые
электрические станции: Учебник для вузов / Под ред. В.Я. Гиршфельда. - М:
Энергоатомиздат, 1987. - 328 с.
. Стерман Л.С. Тепловые и
атомные электрические станции: Учебник для вузов / Л.С. Стерман, В.М. Лавыгин,
С.Г. Тишин. - М.: Энергоатомиздат, 1995. - 416 с.
. Википедия:
Теплоэлектроцентраль, 02.01.2013
. Сохраним планету: Материалы
по экологии, 02.01.2013
. Воздействие электростанций
на окружающую среду: Гидравлические электростанции, 02.01.2013
Приложение А
Таблица П. А - Гидрографическая характеристика
водохранилищ Ангарского каскада
|
Иркутское
|
Братское
|
Усть-Илимское
|
|
Площадь,
км2
|
154
|
5470
|
1833
|
|
Протяженность,
км
|
55
|
570
|
302
|
|
Максимальная
ширина, км
|
7
|
25
|
12
|
|
Максимальная
глубина, км
|
35
|
150
|
100
|
|
Высота
сработки, м
|
4,5
|
10
|
4
|
Приложение Б
Схема плотины гидроэлектростанции
Рисунок П. Б - Схема плотины
гидроэлектростанции
Приложение В
Тепловая схема конденсационной установки на
органическом топливе
- паровой котёл; 2 - турбина; 3 -
электрогенератор; 4 - конденсатор; 5 - конденсатный насос; 6 - подогреватели
низкого давления; 7 - деаэратор; 8 - питательный насос; 9 - подогреватели
высокого давления; 10 - дренажный насос.
Рисунок П. В - Принципиальная тепловая схема ТЭС
Приложение Г
Технологическая схема электростанции, работающей
на углях
- железнодорожные вагоны; 2 - разгрузочные
устройства; 3 - склад; 4 - ленточные транспортёры; 5 - дробильная установка; 6
- бункера сырого угля; 7 - пылеугольные мельницы; 8 - сепаратор; 9 - циклон; 10
- бункер угольной пыли; 11 - питатели; 12 - мельничный вентилятор; 13 -
топочная камера котла; 14 - дутьевой вентилятор; 15 - золоуловители; 16 -
дымососы; 17 - дымовая труба; 18 - подогреватели низкого давления; 19 -
подогреватели высокого давления; 20 - деаэратор; 21 - питательные насосы; 22 -
турбина; 23 - конденсатор турбины; 24 - конденсатный насос; 25 - циркуляционные
насосы; 26 - приемный колодец; 27 - сбросной колодец; 28 - химический цех; 29 -
сетевые подогреватели; 30 - трубопровода; 31 - линия отвода конденсата; 32 -
электрическое распределительное устройство; 33 - багерные насосы.
Рисунок П. Г - Технологическая схема
пылеугольной ТЭС
Приложение Д
Технологическая схема производства
электроэнергии и тепла на ТЭЦ
Рисунок П. Д - Технологическая схема
производства электроэнергии и тепла на ТЭЦ
Приложение Е
ТЭЦ-9 ОАО "Иркутскэнерго"
Рисунок П. Е - ТЭЦ-9 ОАО
"Иркутскэнерго"
Приложение Ж
Скрубберы

Насадочные газопромыватели (скрубберы) - в
корпус аппарата на опорную решетку засыпается насадка, чаще всего
представляющая собой кольца различной конфигурации.
Рисунок П. Ж - Скрубберы
Приложение З
Таблица П. З - Перечень загрязняющих веществ,
выбрасываемых в атмосферу предприятием ТЭЦ
|
Наименование
вещества
|
Код
веществ
|
ПДКСС,
мг/м3
|
Класс
опасности вещества
|
Выброс
вещества т/год
|
|
1
|
2
|
3
|
4
|
5
|
|
Серы
диоксид
|
S2O
|
0,05
|
3
|
5723
|
|
Азота
оксид
|
NO2
|
0,04
|
2
|
9459
|
|
Углерода
оксид
|
СО
|
5,0
|
4
|
569
|
|
Твердые
вещества (пыль неорганическая)
|
SiO2
|
0,15
|
4
|
2531
|
|
Всего
|
18282
|
Приложение И
Таблица П. И - Дисперсные составы пылей
|
№
варианта
|
Технологический
агрегат, источник образования аэрозоля
|
Массовая
доля частиц перед очисткой, Gфп, % (по размерам частиц)
|
|
|
Диаметр
частиц d, мкм
|
|
|
менее
1
|
1-5
|
5-10
|
10-20
|
более
20
|
|
1
|
Агломерационное
производство, зона спекания агломашины
|
2,6
|
7,8
|
9,0
|
8,4
|
72,2
|
|
2
|
Миксерное
отделение, при скачивании шлака
|
2,0
|
8,0
|
10,0
|
13,0
|
67,0
|
|
3
|
Миксерное
отделение, заливка чугуна в миксер
|
2,6
|
13,4
|
14,1
|
19,9
|
50,0
|
|
4
|
Мартеновские
печи, при средних условиях продувки ванны (перед очисткой)
|
59,0
|
43,5
|
4,9
|
1,8
|
0,8
|
|
5
|
Двухванные
мартеновские печи, при продувке ванны кислородом
|
35,0
|
54,0
|
7,3
|
2,9
|
0,4
|
|
6
|
Кислородные
конвертеры (в среднем за плавку)
|
54,0
|
14,0
|
4,0
|
3,0
|
25,0
|
|
7
|
Дуговые
электросталеплавильные печи (в среднем за плавку)
|
48,0
|
27,0
|
80,0
|
5,0
|
20,0
|
|
8
|
Закрытые
ферросплавные печи (выплавка ферросилиция)
|
10,0
|
55,0
|
21,0
|
8,8
|
5,2
|
|
9
|
Закрытые
ферросплавные печи для углеродистого предельного феррохрома
|
34,0
|
56,0
|
7,2
|
2,3
|
0,5
|
|
10
|
Закрытые
ферросплавные печи для ферромарганца и силикомарганца
|
24,0
|
20,0
|
10,0
|
9,0
|
37,0
|
|
11
|
Огнеупорное
производство, обжиг глины на шамот во вращающихся и шахтных печах
|
9,1
|
12,9
|
7,0
|
10,0
|
61,0
|
Приложение К
Таблица П. К - Фракционные эффективности
улавливания
|
№
п/п
|
Фракционные
эффективности улавливания %
|
Диаметр
частиц d,мкм
|
|
|
менее
1
|
1-5
|
5-10
|
10-20
|
более
20
|
|
1
|
Первая
ступень ɛ1фп
|
87
|
92
|
94
|
99,9
|
100
|
|
Вторая
ступень ɛ2фп
|
98
|
99,7
|
99,8
|
99,7
|
-
|
|
2
|
Первая
ступень ɛ1фп
|
83
|
90
|
95
|
98,3
|
99,8
|
|
Вторая
ступень ɛ2фп
|
97,3
|
94,6
|
97
|
99,5
|
100
|
|
3
|
Первая
ступень ɛ1фп
|
85,4
|
89,6
|
95
|
99,8
|
100
|
|
Вторая
ступень ɛ2фп
|
94
|
96
|
95,8
|
99,9
|
-
|
|
4
|
Первая
ступень ɛ1фп
|
80
|
91,1
|
93
|
96,5
|
100
|
|
Вторая
ступень ɛ2фп
|
95,3
|
96,9
|
98
|
99,5
|
-
|
|
5
|
Первая
ступень ɛ1фп
|
86
|
92,9
|
96
|
95,4
|
99,9
|
|
Вторая
ступень ɛ2фп
|
91
|
95,6
|
98
|
97,2
|
100
|
|
6
|
Первая
ступень ɛ1фп
|
90
|
92,4
|
98,4
|
96,5
|
99,2
|
|
Вторая
ступень ɛ2фп
|
94
|
98
|
96,9
|
98
|
100
|
|
7
|
Первая
ступень ɛ1фп
|
89
|
95,1
|
98
|
96,8
|
97,5
|
|
Вторая
ступень ɛ2фп
|
95
|
96
|
97,8
|
98,3
|
99,9
|
|
8
|
Первая
ступень ɛ1фп
|
85
|
89,9
|
95
|
98,2
|
99,8
|
|
Вторая
ступень ɛ2фп
|
92,3
|
97,8
|
98,8
|
99,2
|
100
|
|
9
|
Первая
ступень ɛ1фп
|
86
|
89,5
|
96,5
|
98
|
99,8
|
|
Вторая
ступень ɛ2фп
|
92,8
|
98
|
98,5
|
98
|
99,9
|
|
10
|
Первая
ступень ɛ1фп
|
90
|
98,1
|
98,9
|
99
|
99,7
|
|
Вторая
ступень ɛ2фп
|
99,8
|
96
|
98
|
99,3
|
100
|
|
11
|
Первая
ступень ɛ1фп
|
85
|
90
|
92,9
|
98,1
|
99
|
|
Вторая
ступень ɛ2фп
|
96
|
98
|
97,9
|
99,7
|
100
|
Приложение Л
Таблица П. Л - Исходные данные
|
№
варианта
|
Начальная
концентрация пыли Снач, мг/м3
|
ПДК
пыли в воздухе, мг/м3
|
Примечание
|
|
1
|
8020
|
6,0
|
|
|
2
|
8045
|
4,4
|
|
|
3
|
8100
|
6,0
|
|
|
4
|
8150
|
6,0
|
|
|
5
|
8120
|
|
|
6
|
8070
|
4,4
|
|
|
7
|
9000
|
6,0
|
|
|
8
|
8500
|
4,4
|
|
|
9
|
8700
|
6,0
|
|
|
10
|
9200
|
4,4
|
|
|
11
|
9400
|
6,0
|
|