Модернизация электропривода дымососа котельной
Содержание
Введение
1. Описание технологического процесса
1.1 Технологическая схема производственно-отопительной котельной
1.2 Оборудование котельной
1.3 Описание технологического процесса котельной ОАО "Нэфис
Косметикс"
1.4 Назначение, устройство и технические характеристики дымососа
ДН-11,2
1.4.1 Назначение и устройство дымососа
1.4.2 Основные технические характеристики дымососа
1.5 Требования предъявляемые к электроприводу дымососа
1.6 Обоснование необходимости модернизации электропривода путём
сопоставления энергетических показателей способов регулирования
производительности дымососов
1.7 Вывод
2. Выбор двигателя и преобразователя частоты
2.1 Выбор двигателя
2.2 Выбор муфты
2.3 Вывод
2.4 Выбор преобразователя частоты
2.5 Вывод
3. Расчёт силовых элементов преобразователя частоты
3.1 Расчет инвертора
3.2 Расчёт выпрямителя
3.3 Расчёт фильтра
3.4 Вывод
4. Выбор пусковой, защитной аппаратуры и питающего кабеля
4.1 Выборка кабеля. Расшифровка
4.1.1 Выбор сечения токопроводящей жилы силовых кабелей
.1.2 Выбор сечения токопроводящей жилы контрольных кабелей
4.2 Выбор магнитного пускателя
4.3 Выбор автоматического выключателя
.4 Выбор плавкого предохранителя
.5 Вывод
5. Выбор системы регулирования
5.1 Расчёт статических характеристик двигателя
.2 Расчёт передаточных функций электропривода
.3 Моделирование динамических режимов в среде МВТУ в. 3,6
.4 Вывод
6. Безопасность и экологичность проекта
6.1 Общая характеристика проектируемого объекта
.2 Шум и вибрация
.3 Микроклимат производственного помещения
.4 Отопление и вентиляция
.5 Освещение
.6 Электробезопасность
.7 Защита от статического электричества
.8 Молниезащита
.9 Пожарная профилактика
.10 Технологическая безопасность
.11 Средства индивидуальной защиты
.12 Охрана окружающей среды
7. Технико-экономическое обоснование дипломного проекта
7.1 Расчёт стоимости оборудования разрабатываемого проекта
.2 Расчёт издержек проектируемого производств
7.2.1 Расчёт численности и фонда заработной платы рабочих
.2.2 Расчёт фонда заработной платы вспомогательных рабочих
.2.3 Расчёт фонда заработной платы инженерно технических
работников
.2.4 Расчёт стоимости основных и вспомогательных материалов
7.3 Расчёт совокупных издержек
7.3.1 Составление сметы цеховых расходов
.3.2 Составление сметы расходов на содержание оборудования
7.4 Калькуляция себестоимости изделия
7.4.1 Расчёт прибыли и финансовых результатов (базовая)
.4.2 Расчёт критической программы (базовая)
.4.3 Рентабельность продаж (базовая)
7.5 Калькуляция себестоимости изделия
7.5.1 Расчёт прибыли и финансовых результатов (проектная)
.5.2 Расчёт критической программы (проектная)
.5.3 Рентабельность продаж (проектная)
7.4 Срок окупаемости
.5 Технико-экономические показатели проекта
Заключение
Список использованных источников
Приложения
Введение
Котельная представляет собой промышленное здание, в котором размещаются
котельный агрегат и вспомогательные устройства. В закрытых котельных все
оборудование находится внутри здания.
В данном проекте производится модернизация нерегулируемого электропривод
центробежного дымососа одностороннего вращения ДН-11,2, расположенный в
помещении котельной ОАО "Нэфис Косметикс" по адресу ул. Г. Тукая 152
в г. Казань.
Котельными установками называется комплекс оборудования, предназначенного
для превращения химической энергии топлива в тепловую с целью получения горячей
воды или пара заданных параметров.
В зависимости от назначения различают следующие котельные установки:
отопительные - для обеспечения теплом систем отопления, вентиляции и горячего
водоснабжения; отопительно-производственные - для обеспечения теплом систем
отопления, вентиляции, горячего водоснабжения и технологического водоснабжения
и производственные для технологического теплоснабжения. Котельная установка
состоит из котельного агрегата, вспомогательных механизмов и устройств.
Целью дипломного проекта является изменения способа регулирования
производительностью дымососа от неэкономичного управления с помощью
направляющего аппарата в пользу внедрения преобразователя частоты.
. Описание технологического процесса
.1 Технологическая схема производственно-отопительной котельной
Производственно-отопительная котельная, предназначена для выработки пара
с необходимыми параметрами качества, который используется технологическими
потребителями, а также для выработки горячей воды для обеспечения систем
отопления, вентиляции, кондиционирования и горячего водоснабжения.
Система отопления обеспечивает заданный тепловой режим в помещениях в
холодное время года, компенсируя теплопотери через наружные ограждения зданий.
Система вентиляции создает требуемую чистоту воздуха в рабочей зоне
производственных зданий, необходимый воздушный и тепловой режимы в общественных
зданиях путем организации воздухообмена в помещениях.
Система кондиционирования воздуха применяется для создания в помещении
микроклимата, удовлетворяющего повышенным санитарно-гигиеническим или
технологическим требованиям, путем обеспечения строго заданных температуры,
влажности, подвижности и чистоты воздуха в рабочей зоне.
Система горячего водоснабжения предназначена для подогрева и транспортирования
воды к местам водоразбора на хозяйственно-бытовые или производственные нужды.
Теплотехнологическое оборудование является потребителем тепловой энергии
в виде подогретой воды или водяного пара и включает в себя как специальные
теплопроводы, так и разные теплообменные аппараты.
Природный газ по газопроводу поступает на территорию предприятия в
газорегуляторный пункт (ГРП) или газорегуляторную установку (ГРУ), где давление
городского газа снижают до рабочего и поддерживают его на заданном уровне. Из
ГРП газ подается к горелкам котельного агрегата.
Из мазутохранилища, обогреваемого паром, через фильтры тонкой очистки
насосами мазут подается в горелку и после смешивания с воздухом сгорает.
Котельный агрегат имеет топку с расположенными в ней испарительными
поверхностями нагрева (кипятильными трубами), верхний и нижний барабаны,
конвективные поверхности нагрева, пароперегреватель, водяной экономайзер.
Воздух, необходимый для сжигания газа, забирается из верхней части
котельной и по воздухозаборному коробу поступает на вход дутьевого вентилятора,
откуда под давлением подается в горелки. Продукты горения проходят
последовательно через все теплоиспользующие элементы и с помощью дымососа
выбрасываются в дымовую трубу.
Пар поступает в общий сборный коллектор, откуда направляется к
технологическим потребителям. Часть пара после снижения давления в редукционной
установке подается в деаэратор, где происходит удаление из питательной воды
растворенных в ней агрессивных газов для предотвращения коррозии поверхностей
нагрева.
Для получения горячей воды, в котельной установлен пароводяной бойлер.
Пар в бойлер поступает из общего паросборного коллектора по специальному
паропроводу. Сетевая вода сетевым насосом, установленным на обратной линии,
подается для нагрева в бойлер, из которого поступает в прямую линию системы
теплоснабжения к потребителям теплоты. Конденсат пара из бойлера поступает в
деаэратор. Для уменьшения солесодержания котловой воды из барабана по
трубопроводу производится непрерывная продувка. Котловая вода направляется в
расширитель непрерывной продувки, где в результате снижения давления вскипает.
Образующийся при этом пар поступает в паровую линию к деаэратору, а горячая
вода - в подогреватель сырой воды, которая насосом подается в систему химической
подготовки воды. Химически очищенная вода перед поступлением в деаэратор
подогревается в охладителе деаэрированной воды. Деаэрированная вода питательным
насосом направляется в водяной экономайзер котла. [1]
.2 Оборудование котельной
Оборудование котельной установки условно разделяют на основное
(собственно котёл) и вспомогательное. Вспомогательными называют оборудование и
устройства для подачи топлива, питательной воды и воздуха, для удаления
продуктов сгорания, очистки дымовых газов, паропроводы, водопроводы и другие.
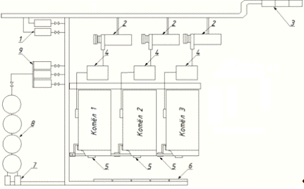
Схему котельного помещения можно посмотреть на рисунке 1.
1 - циркуляционный насос; 2 - дымосос; 3 - ВРУ; 4 - экономайзер; 5 -
вентиляторная станция; 6 - щит управления; 7 - насос сырой воды; 8 - водоподготовительная
установка; 9 - питающий насос котла.
Рисунок 1 - Схема котельного помещения
Котёл - установка, предназначенная для генерации насыщенного или
перегретого пара, а также для подогрева воды, путём выделения теплоты,
полученной при сжигании топлива и перехода его химической энергии в тепловую.
[2]
Газовоздушный тракт включает оборудование, обеспечивающее в котле
продвижение воздуха (до топки) и продуктов сгорания (от топки до выхода в
атмосферу). Это движение сопровождается потерями давления в поверхностях
нагрева. Напор, необходимый для преодоления этих сопротивлений, создают
тягодутьевые машины: вентиляторы и дымососы. Вентиляторы устанавливают в начале
тракта на холодном воздухе, они создают избыточное давление. Дымососы же
обеспечивают в конце установки разрежение. Кроме тягодутьевых машин в комплекс
оборудования газовоздушного тракта котельной установки входят также всасывающие
и нагнетательные воздуховоды и газоходы с расположенными в них поверхностями
нагрева и золоулавливающими установками; регулирующие устройства - шиберы,
направляющие аппараты; компенсаторы линейных удлинений воздуховодов; дымовые
трубы.
Источниками водоснабжения для питания котлов являются пруды, реки, озера,
используются также фунтовые или артезианские воды, вода из городского или
поселкового водопровода.
Для питания паровых котлов водой применяют три типа питательных
установок: инжекторы, поршневые и центробежные насосы.
.3 Описание технологического процесса котельной ОАО "Нэфис
Косметикс"
Котельная предназначена для отпуска тепловой энергии технологическим
потребителям. Покрытие внешних нагрузок по пару обеспечивается вырабатываемым в
трех паровых котлах типа ДЕ-16-14-250 "Бийского котельного завода",
производительностью
, перегретым паром с параметрами
,
Вода, из производственного водопровода, для питания котлов, подогревается
в пароводяном пластинчатом теплообменнике типа HHN22-TC16-22-ТК
фирмы ЗАО "Ридан" до температуры
. Затем проходит комплексную систему
очистки воды в водоподготовительной установке ООО "Софт Трэйд".
Водоподготовительная установка ООО "Софт Трэйд" рассчитана на
пиковый расход
. Комплексная система очистки воды построена по следующей
схеме: комбинированная система удаления механических загрязнений; система
умягчения и обезжелезивания воды первой ступени; система умягчения воды до
. Технологический процесс
водоподготовительной установки полностью автоматизированный.
После этого вода подогревается до температуры
в пластинчатом теплообменнике типа HHN22-TC16-23-TK
фирмы ЗАО "Ридан" и проходит деаэрацию в атмосферном деаэраторе типа
ДА-100/25.
В котлы, питательная вода поступает с помощью питательных насосов типа CRE20-17 фирмы "GRUNDFOS". Перед поступлением в котел,
вода проходит через экономайзер типа ЭБ1-3ЗОИ, в котором нагревается дымовыми
газами до температуры
.
Пар, со всех котлов, поступает в общий коллектор. С коллектора часть пара
с температурой
и давлением
поступает к потребителю, а часть идет на собственные нужды.
Пар на собственные нужды, проходит редуцирование и охлаждение в
редукционной охладительной установке фирмы ЗАО "РОУ", до параметров
,
.
Редуцированный пар поступает на атмосферный деаэратор и на пароводяные
пластинчатые теплообменники. В теплообменниках типа HHN4A-TO16-8-TL фирмы ЗАО "Ридан" осуществляется приготовление
воды на собственные нужды котельной (отопление помещений котельной и горячее
водоснабжение).
Циркуляция воды в системах отопления и горячего водоснабжения котельной
осуществляется соответственно насосами сетевой воды типа TP32-180/2 и циркуляционными насосами
типа CR1-2 фирмы "GRUNDFOS".
Перед поступлением в деаэратор, пар проходит через регулятор прямого
действия фирмы ООО "Самсон контролc", который снижает давление пара до
.
Так же установлен сепаратор непрерывной продувки 
. Пар, с сепаратора, поступает непосредственно в атмосферный
деаэратор.
Система автоматического управления котельной осуществляет:
1) автоматическое регулирование температуры пара, поступающего в
пароводяные теплообменники;
2) автоматическое регулирование давления пара, поступающего в
атмосферный деаэратор;
3) автоматическое регулирование уровня воды в атмосферном деаэраторе.
Учет пара, от каждого котла, осуществляется стандартными диафрагмами. Учет
пара, поступающего к потребителю, осуществляется счетчиком пара типа ИМ23/РС
фирмы "OttW".
Теплоизоляция трубопроводов и газоходов выполнена из минеральной ваты с
покрытием тонколистовой оцинкованной стали.
Дымовые газы от каждого котла после экономайзеров чугунных типа ЭБ1-330И
дымососами правого вращения типа ДН-11,2 отводятся в индивидуальные дымовые
трубы (3 штуки) диаметром
высотой
каждая. Котельная укомплектована переносным газоанализатором
"Seitron".
.4 Назначение, устройство и технические характеристики дымососа ДН-11.2
.4.1 Назначение и устройство дымососа
Центробежные дымососы одностороннего всасывания типа ДН-11,2 предназначен
для отсасывания дымовых газов из топок газомазутных котлов на твёрдом топливе
паропроизводительностью
, оборудованных эффективно действующими "сухими"
золоуловителями.
Дымососы рассчитаны на продолжительный режим работы в помещении и на
открытом воздухе в условиях умеренного климата (климатическое исполнение У,
категория размещения 1, 2, 3, 4, ГОСТ15150-69). Запуск дымососов разрешается
при температуре в улитке не ниже
. Максимальная допустимая температура
на входе в дымосос не должна превышать
.
Дымосос (рисунок 1) состоит из следующих узлов: ходовой части 3,
улиткообразного корпуса 14 с входным (всасывающим) 10 и выходным
(нагнетательным) 8 патрубками, крыльчатки (ротора) 5 и направляющего аппарата.
Ходовая часть дымососа состоит из вала 16 (рисунок 2), который вращается
на двух подшипниках 17. Вся ходовая часть размещена в масляной ванне, которая
имеет крышку и поддон. Температура масла контролируется термометром 4, а
уровень - по указателю уровня масла, который размещен в масляной ванне.
Рабочее колесо - это устройство, состоящее из диска 6, к которому
приварены или приклепаны лопатки 7, концы которых соединены кольцом. К диску
приварена втулка 15(ступица), с помощью которой он закрепляется на валу.
При вращении рабочего колеса вентилятора воздух по воздуховоду подводится
к его центру и за счет центробежных сил отбрасывается от центра к периферии и
нагнетается в воздуховод. В центре рабочего колеса образуется разрежение, куда
беспрерывно поступает воздух.
Направляющий аппарат, с помощью которого регулируется подача воздуха
(разрежение в топке), устанавливается перед вентилятором (дымососом) на
всасывающем патрубке. Он состоит из металлического патрубка с фланцами, внутри
которого размещены поворотные лопатки. Все поворотные лопатки имеют общий
поворотный механизм, с помощью которого они могут поворачиваться одновременно
на одинаковый угол. [3]
1 - электродвигатель; 2 - муфта; 3 - ходовая часть; 4 - термометр; 5 -
ротор; 6 - диск; 7 - лопатки (крыльчатка); 8, 10 - выходной и входной патрубки;
9 - рукоятка поворота лопастей; 11 - центральный рассекатель; 12 - поворотные
лопасти; 13 - поворотное кольцо; 14 - улиткообразный корпус; 15 - втулка; 16 -
вал; 17 - подшипник.
Рисунок 2 - Установка с центробежным дымососом ДН-11,2
.4.2 Основные технические характеристики дымососа
Привод дымососов осуществляется от закрытых асинхронных одно- или
двухскоростных электродвигателей.
В рассматриваемой нами установке (дымосос) в котельной ОАО "Нэфис
Косметикс" использовался двигатель входящий в стандартную комплектацию
4АМ200L4.
Основные технические характеристики дымососа приведены в таблице 1.
Таблица 1 Технические характеристики дымососа ДН - 11,2
|
Наименование параметра
|
Единица измерения
|
Величина или характеристика
|
|
Тип дымососа
|
-
|
ДН-11,2 - центробежный, одностороннего всасывания, правого
вращения, без противоизносной защиты, улитки и всасывающего кармана
|
|
Завод - изготовитель
|
-
|
ОАО "Бийский котельный завод"
|
|
Диаметр рабочего колеса
|
мм
|
1120
|
|
Производительность
|
м3 / ч
|
28700
|
|
Полное давление
|
Па
|
2810
|
|
Температура
|
◦С
|
200
|
|
Частота вращения
|
об / мин
|
1500
|
|
Мощность на валу
|
кВт
|
27,2
|
|
Максимально допустимая частота вращения
|
об / мин
|
3000
|
|
Максимальный КПД
|
%
|
83
|
|
Уровень звуковой мощности:
|
|
|
|
шум нагнетания
|
дБ
|
102
|
|
шум всасывания
|
дБ
|
97
|
|
шум от корпуса
|
дБ
|
90
|
.5 Требования предъявляемые к электроприводу дымососа
Использование частотно-регулируемых приводов позволяет решать задачу
согласования режимных параметров и энергопотребления тягодутьевых механизмов с
изменяющимся характером нагрузки котлов.
Отношение отопительной нагрузки котельных в начале и окончании
отопительного сезона к максимальной составляет для большинства регионов России
1 : 5. Приблизительно в этом отношении (без учёта КПД котлоагрегатов)
изменяются расход воздуха на горение топлива и объём продуктов сгорания. Тогда
минимальный диапазон регулирования скорости электропривода должен составлять 1
: 5.
При модернизации электропривода дымососа мы хотим добиться:
1) снижения расхода электроэнергии;
2) снижение эксплуатационных затрат;
) обеспечение плавного протекания переходных процессов, особенно
пусков и остановок, без динамических и ударных явлений в электродвигателе и
дымососе;
) устройство поддержания давления на заданном уровне;
) автоматического отключения дымососов при авариях;
) увеличение производительности дымососа (увеличение его КПД).
.6 Обоснование необходимости модернизации электропривода путём
сопоставления энергетических показателей способов регулирования
производительности дымососов
Для определения энергетической эффективности внедрения сопоставим
энергозатраты в отопительном сезоне электропривода дымососа с направляющим
аппаратом и с предлагаемым к внедрению частотно-регулируемым электроприводом.
При этом будем считать, что в начале отопительного сезона дымосос загружен на
50% производительности. Большую часть сезона работает при загрузке 85% и только
в середине зимы в наиболее холодное время загружен на 100%. Как показал обзор
многочисленной информации в сети Internet по результатам внедрения частотно-регулируемого электропривода на
объектах жилищно-коммунального хозяйства, такой график вполне допустимо принять
в качестве расчётного. Для проведения такого исследования определим
производительности дымососа, соответствующие 50, 85 и 100 процентной
производительности дымососа. Номинальная мощность используемого двигателя
составляет
. Тогда мощность, потребляемая вентилятором, составит:
где
- КПД ходовой части дымососа.
По зависимости мощности потребляемой дымососом, от его производительности
при регулировании направляющим
аппаратом находим
, и соответствующую производительность
. Этому случаю соответствует закрытие
направляющего аппарата на
,
.
Для определения различных рабочих точек при регулировании
производительности дымососа необходимо знать характеристику пневмосети.
Характеристика сети при работе турбомеханизма на сеть без противодавления
определяется формулой
. По аэродинамическим характеристикам (зависимости полного
давления дымососа от его производительности
) при
и
находим
. Это определяет рабочую точку
, соответствующую полной загрузке
двигателя. Тогда коэффициент
, определяющий характеристику сети, определим из выражения:
Характеристика сети приведены в таблице 2.
Таблица 2 Характеристика сети
|
|
344
|
775
|
1310
|
1980
|
2810
|
3380
|
|
|
8,7
|
13,7
|
18,7
|
23,7
|
28,7
|
33,7
|
При 85%-ной загрузке дымососа:
На пересечении характеристики сети и зависимости
при
находим рабочую точку
, в которой
,
. В этом случае мощность,
потребляемая дымососом при регулировании производительности направляющим
аппаратом, будет равна:
где
- значение КПД дымососа для точки
, определённое по аэродинамическим
характеристикам.
При обеспечении 50%-ной производительности:
Этому значению соответствует точка
, в которой
. Мощность, потребляемая дымососом
при регулировании производительности направляющим аппаратом, в этом случае будет
равна:
где
- значение КПД дымососа для точки
. [4]
Рассчитаем мощность, потребляемую дымососом, при частотном регулировании.
Для этого воспользуемся следующими формулами соответствия:
,
Для обеспечения
необходимо уменьшить частоту вращения в 1,18 раза. Тогда при
частотном регулировании:
Для обеспечения
необходимо уменьшить частоту вращения двигателя в
соотношении
, тогда
, откуда
.
Рассчитаем мощность электроэнергии
, потребляемую из сети двигателем
дымососа, при регулировании производительности направляющим аппаратом и
изменением частоты вращения двигателя:
где
- мощность, потребляемая дымососом при любом способе
регулирования,
- КПД двигателя. Значение
зависят от загрузки двигателя
относительно его номинальной мощности
. Воспользовавшись зависимостью
получим значения потребляемой из
сети мощности, которые сведены в таблице 3 и 4.
Таблица 3 Расчёт энергопотребления при регулировании производительности
дымососа осевым направляющим аппаратом
|
|
8,62
|
24,41
|
37
|
|
|
0,24
|
0,67
|
1
|
|
|
0,91
|
0,92
|
0,923
|
|
|
13
|
31
|
45
|
Таблица 4 Расчёт энергопотребления при регулировании производительности
дымососа регулированием частоты вращения двигателя
|
|
4,62
|
22,52
|
37
|
|
|
0,13
|
0,61
|
1
|
|
|
0,91
|
0,92
|
0,923
|
|
|
5,1
|
24,5
|
40,1
|
Таблица 5 Расход электроэнергии при регулировании производительности
направляющим аппаратом
|
Месяц
|
Ноябрь
|
Декабрь
|
Январь
|
Февраль
|
Март
|
Апрель
|
|
Число часов
|
720
|
720
|
360
|
360
|
360
|
360
|
720
|
720
|
|
|
13
|
31
|
31
|
45
|
45
|
31
|
31
|
13
|
|
|
9360
|
22320
|
11160
|
16200
|
16200
|
11160
|
22320
|
9360
|
|
|
118080
|
Таблица 6 Расход электроэнергии при регулировании производительности
изменением частоты вращения привода
|
Месяц
|
Ноябрь
|
Декабрь
|
Январь
|
Февраль
|
Март
|
Апрель
|
|
Число часов
|
720
|
720
|
360
|
360
|
360
|
360
|
720
|
720
|
|
|
5,1
|
24,5
|
24,5
|
40,1
|
40,1
|
24,5
|
24,5
|
5,1
|
|
|
3672
|
17640
|
8820
|
14436
|
14436
|
8820
|
17640
|
3672
|
|
|
89136
|
На основании полученных данных построим диаграмму потребления
электроэнергии электроприводом дымососа, данные для которой сведены в таблице 5
и 6. Графическое представление потребления электроэнергии приведено на рисунке
3.
Рисунок 3 - Зависимость потребляемой двигателем мощности от времени при
регулировании направляющим аппаратом ( --) и при частотном регулировании (- -
-)
.7 Вывод
Из анализа полученных результатов и сопоставления расхода электроэнергии
видно, что
, внедрение частотно-регулируемого электропривода дымососа
ДН-11,2 котельной ОАО "Нэфис Косметикс" позволит уменьшить
потребление электроэнергии на
.
. Выбор двигателя и преобразователя частоты
.1 Выбор двигателя
Расчет мощности потребляемой дымососом при полностью открытом
направляющем аппарате:
Для данного типа механизма коэффициент запаса
.
Рассчитываем мощность двигателя:

Этому условию удовлетворяет двигатель 5А200М4 - асинхронный двигатель
серии 5А исполнения по степени защиты IP54, класс нагревостойкости F, с
короткозамкнутым ротором, с чугунными станиной и подшипниковыми щитами, с высотой
оси вращения
, средним установочным размером по длине станины (М),
четырёхполюсный, климатического исполнения У, категория размещения 4.
Двигатель расположен в помещении котельной, в котором пожароопасные и
взрывоопасные газы не содержатся и следовательно нет необходимости применять
дополнительные меры по увеличению степени защиты двигателя, следовательно
выбираем исполнение по степени защиты согласно ГОСТ 14254-80 IP54, где: цифра 5 - пыль не может
проникать в количестве, достаточном для нарушения работы изделия; цифра 4 -
вода, разбрызгиваемая на оболочку в любом направлении, не должна оказывать
вредного воздействия на изделия. Вентилятор расположен на валу ротора вне
корпуса и защищён кожухом. [5]
Конструктивное исполнение двигателя по способу монтажа в соответствии с
ГОСТ 2479(МЭК 34-7) IM1011, где:
первая цифра 1 - двигатель на лапах с подшипниковыми щитами; вторая и третья
цифра 01 - вал горизонтальный; четвёртая цифра 1 - с одним цилиндрическим
концом вала.
Параметры которого приведены ниже: [6]
1) Номинальная мощность
;
2) Номинальная частота вращения
;
) Номинальный КПД
;
) Номинальный коэффициент мощности
;
) Номинальный ток статора
;
) Номинальный момент
;
) Кратность пускового момента
;
) Кратность максимального момента
;
) Кратность пускового тока
;
) Динамический момент инерции ротора
.
В общем случае выбранный двигатель должен быть проверен по нагреву,
перегрузке и условиям пуска.
Так как двигатель работает в режиме S1 с постоянной нагрузкой, то проверка по нагреву не
требуется.
Определяем параметры двигателя:
1) Номинальная частота вращения:
.
2) Максимальный момент:
3) Пусковой момент:
2.2 Выбор муфты
Диаметр вала двигателя:
.
Выбираем упругую втулочно-пальцевую муфту из таблицы 7 стандартных
значений муфт. [7]
Таблица 7 Муфты упругие втулочно-пальцевые (ГОСТ 21424-75) (размеры в
мм.)
|
|
60…65
|
|
|
1100
|
|
|
2650
|
|
|
220
|
|
|
286
|
|
|
2…6
|
|
|
55
|
|
|
170
|
|
|
|
18
|
|
|
42
|
|
|
М12
|
|
|
10
|
|
|
|
35
|
|
|
36
|
Таблица 8 Коэффициент режима работы для привода от электродвигателя
|
Механизм или машина
|
|
|
Воздуходувки и вентиляторы центробежные
|
1,25…1,50
|
|
Насосы центробежные
|
1,50…2,00
|
Проверочный расчёт муфты для соединения вала электродвигателя с валом
дымососа, при:
,
:
1) Определяем номинальный момент, передаваемый муфтой:
2) Вычисляем расчётный момент, принимая по таблице 8 коэффициент режима
работы
:
3) По таблице 7 (ГОСТ 21424-75) выбираем муфту, для которой допускаемый
расчётный момент
. Муфту меньших размеров принять нельзя, так как диаметр вала
электродвигателя
, а предыдущая меньшая муфта предназначена для соединения
валов диаметром
. Размеры выбранной муфты следующие:
;
;
, число пальцев
.
4) Проверяем резиновые втулки на смятие поверхностей их соприкасания
с пальцами:
где
- окружная сила, передаваемая одним пальцем;
где допускаемое напряжение смятия резины
.
2.3 Вывод
Выбрали асинхронный двигатель 5А200М4 с номинальной мощностью
.
Выбрали упругую втулочно-пальцевую муфту МУВП-9-1000-60-1У4: муфта
втулочно-пальцевая с номинальным крутящим моментом
, диаметром посадочных отверстий во
втулках
, исполнения 1, климатическим
исполнением У и категория размещения 4.
2.4 Выбор преобразователя частоты
Из каталога выбираем преобразователь частоты, мощность которого равна или
больше номинальной мощности двигателя.
Преобразователи частоты Altivar
61 фирмы Schneider Electric используется для трёхфазных
асинхронных двигателей мощностью от
до
с вентиляторной нагрузочной характеристикой.
Выбираем ПЧ типа ATV61WD37N4, его параметры представлены в таблице 9.
Таблица 9 Параметры ПЧ.
|
Тип
|
Сеть
|
Двигатель
|
Преобразователь
|
|
|
|
|
Мощность двигателя
|
|
Максимальный переходной ток в течение 60 сек.
|
|
В
|
А
|
кА
|
кВт
|
А
|
А
|
|
ATV61WD37N4
|
380
|
69,5
|
22
|
37
|
71,5
|
78,6
|
Данный частотный преобразователь может работать в следующих условиях
эксплуатации:
1) Соответствие стандартам - системы низкого напряжения МЭК/EN 61800-5-1, МЭК/E 61800-3 (помехоустойчивость -
наведённые и излучаемые помехи ЭМС);
2) Степень защиты - МЭК/EN 61800-5-1, МЭК/EN
60529, UL тип 12/IP 54;
) Вибростойкость - двойная амплитуда
от 3 до
, 0,6g от 10 до
в соответствии с МЭК/EN 60068-2-6;
) Ударостойкость -
в течение
в соответствии с МЭК/EN 60068-2-27;
) Максимальная степень загрязнения - степень 3 в соответствии с
МЭК/EN 61800-5-1;
) Условия эксплуатации - МЭК 60721-3-3 класс 3C1 и 3C2;
) Относительная влажность - от 5 до 95% без конденсации и
каплеобразования, в соответствии с МЭК 60068-2-3;
) Температура окружающей среды (вблизи устройства при работе) - 
без уменьшения мощности;
) Максимальная рабочая высота -
без уменьшения мощности;
Характеристики привода:
1) Диапазон выходной частоты:
;
2) Конфигурируемая частота коммутации: Номинальная частота
коммутации
без уменьшения мощности в установившемся режиме;
Настраиваемая при работе
;
) Диапазон скорости:
в разомкнутой системе;
) Статическая точность (при изменении момента от
до
):
номинального скольжения без обратной
связи по скорости;
) Точность поддержания момента:
в разомкнутой системе;
) Переходный перегрузочный момент:
номинального момента двигателя
(типовое значение
) в течение
;
) Тормозной момент:
номинального момента двигателя без
тормозного сопротивления и до
с тормозным сопротивлением;
) Переходный максимальный ток:
номинального тока ПЧ в течение
;
) Закон управления двигателем (АД): закон
"напряжение/частота" (по 2 или 5 точкам);
) Контур регулирования частоты: ПИ-регулятор с перестраиваемой
структурой для получения характеристик по скорости, адаптированных к механизму
(точность и быстродействие);
Электрические характеристики:
1) Сетевое питание: Напряжение - от
до
, трёхфазное; Частота - от
до
;
2) Сигнализация: один красный светодиод (если преобразователь под
напряжением, то светодиод горит);
) Выходное напряжение: максимальное трёхфазное напряжение равно
напряжению сети;
) Уровень шума преобразователя (в соответствии с директивой
86-188/EEC):
;
) Гальваническая развязка: между силовыми и управляющими цепями
(входы, выходы, источники).
2.5 Вывод
Для электродвигателя дымососа 5A200M4 выбрали соответствующий ему по
мощности преобразователь частоты типа ATV61WD37N4 с функциями, разработанными специально для насосных и
вентиляторных агрегатов.
. Расчёт силовых элементов преобразователя частоты
.1 Расчет инвертора
Максимальный ток через ключи инвертора определяем из выражения:
,
где:
1)
- номинальная мощность двигателя, Вт;
2)
- коэффициент допустимой
кратковременной перегрузки по току, необходимой для обеспечения динамики ЭП;
3)
- коэффициент допустимой мгновенной
пульсации тока;
4)
- номинальный КПД двигателя;
5)
- линейное напряжение двигателя, В.
[8]
Ключи IGBT выбираются с постоянным
(номинальным) током коллектора
.
Расчет потерь в инверторе при ШИМ формировании синусоидального тока на
выходе заключается в определении составляющих потерь IGBT в проводящем состоянии и при коммутации, а также потерь
обратного диода.
Потери в IGBT в проводящем
состоянии:
где:
1)
- максимальная амплитуда тока на
входе инвертора;
2)
- максимальная скважность;
- коэффициент мощности;
3)
- прямое падение напряжения на IGBT в насыщенном состоянии при
и
(типовое значение
).
Потери IGBT при коммутации:
где:
1)
и
- продолжительность переходных
процессов по цепи коллектора IGBT
на открывание
и закрывание
транзистора, с (типовое значение
;
);
2)
- напряжение на коллекторе IGBT, В (коммутируемое напряжение, равное
напряжению звена постоянного тока для системы АИН-ШИМ);
3)
- частота коммутаций ключей, Гц
(частота ШИМ), обычно от 5000 до
. Выбираем
.
Суммарные потери IGBT:
.
Потери диода в проводящем состоянии:
где:
1)
- максимальная амплитуда тока через
обратный диод, А;
2)
- прямое падение напряжения на диоде
(в проводящем состоянии) при
, В.
Потеря при восстановлении запирающих свойств диода:
где:
1)
- амплитуда обратного тока через
диод, (
);
2)
- продолжительность импульса
обратного тока, с (типовое значение
).
Суммарные потери диода:
.
Результирующие потери в IGBT с
обратным диодом:
.
Выбираем полумост IGBT 2MBI200S-120 содержащий 2 модуля IGBT с обратными диодами. Характеристики IGBT модуля: постоянный ток коллектора
, допустимое рабочее напряжение
"коллектор-эмиттер"
, напряжение насыщения "коллектор-эмиттер"
, термическое переходное
сопротивление кристалл-корпус для IGBT части модуля
.
.2 Расчёт выпрямителя
Среднее выпрямленное напряжение:
,
где
- коэффициент схемы для номинальной нагрузки,
для мостовой трёхфазной схемы.
Максимальное значение среднего выпрямленного ток:
где
- количество пар IGBT/FWD в инверторе.
Максимальный рабочий ток диода:
,
где
для мостовой трёхфазной схемы при оптимальных параметрах
Г-образного LC-фильтра, установленного на выходе
выпрямителя.
Максимальное обратное напряжение диода (для мостовых схем):
где
- коэффициент допустимого повышения напряжения сети;
- коэффициент запаса по напряжению;
- запас на коммутационные выбросы
напряжения в звене постоянного тока.
Диоды выбираются по постоянному рабочему току (не менее
) и по классу напряжения (не менее
).
Расчёт потерь в выпрямителе для установившегося режима работы ЭП
:
где
для мостовой трёхфазной схемы;
- динамическое сопротивление полупроводникового прибора в
проводящем состоянии, Ом;
- прямое падение напряжения, В, на полупроводниковом приборе
при токе
(
для тиристора);
- число полупроводниковых приборов в
схеме.
Выбираем диод-диодный модуль SKKD 162 содержащий 2 диода в одном корпусе. Характеристики диода:
максимально допустимый рабочий ток диода
, максимальное обратное напряжение
диода
, термическое переходное
сопротивление кристалл-корпус для диода
.
.3 Расчёт фильтра
Коэффициент пульсаций на входе фильтра (отношение амплитуды напряжения к
среднему значению):
,
где
для трёхфазной мостовой схемы.
Параметр сглаживания LC-фильтра:
где
- коэффициент сглаживания по первой гармонике;
- частота сети, Гц.
Значения коэффициента сглаживания
лежат в диапазоне от 3 до 12.
Выбираем
.
Индуктивность дросселя LC-фильтра
для обеспечения коэффициента мощности на входе выпрямителя
определяется из следующих условий:
;
где
- номинальный средний ток звена постоянного тока.
Выбираем
.
Вычислим
по формуле:
Выбираем для LC-фильтра: 12
электролитических конденсатора типа B41554 фирмы Epcos с
номинальными параметрами:
,
, включённых парами последовательно для повышения рабочего
напряжения - всего 6 пар, которые включены параллельно для получения заданной
ёмкости в
; сетевой дроссель VW3 A4 6503 с номинальными параметрами
, номинальный ток
, потери мощности
.
По расчётным данным выбраны элементы и собранна силовая часть
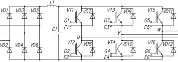
преобразователя частоты, показанная на рисунке 6.
Рисунок 4 - Схема силовой части преобразователя частоты
.4 Вывод
Выбираем полумост IGBT 2MBI200S-120 содержащий 2 модуля IGBT с обратными диодами. Характеристики IGBT модуля: постоянный ток коллектора
, допустимое рабочее напряжение
"коллектор-эмиттер"
, напряжение насыщения "коллектор-эмиттер"
, термическое переходное
сопротивление кристалл-корпус для IGBT части модуля
.
Выбираем диод-диодный модуль SKKD 162 содержащий 2 диода в одном корпусе. Характеристики диода:
максимально допустимый рабочий ток диода
, максимальное обратное напряжение
диода
, термическое переходное сопротивление
кристалл-корпус для диода
.
Выбираем для LC-фильтра: 12
электролитических конденсатора типа B41554 фирмы Epcos с
номинальными параметрами:
,
, включённых парами последовательно для повышения рабочего
напряжения - всего 6 пар, которые включены параллельно для получения заданной
ёмкости в
; сетевой дроссель VW3 A4 6503 с номинальными параметрами
, номинальный ток
, потери мощности
.
. Выбор пусковой, защитной аппаратуры и питающего кабеля
.1 Выборка кабеля. Расшифровка
.1.1 Выбор сечения токопроводящей жилы силовых кабелей
Силовые кабели предназначены для передачи и распределения электрической
энергии. Сечение токопроводящей жилы проводов и кабелей выбираются согласно ПУЭ
по условию нагрева длительным расчетным током в нормальном и послеаварийном
режимах и проверяются по потере напряжения, соответствию току выбранного
аппарата защиты и условиям окружающей среды.
При прокладке внутри помещений сечение выбирается по максимальному
расчетному току нагрузки:
где
- допустимый номинальный ток нагрузки проводника при
расчетной температуре, А (для отечественных кабелей -
; для импортных кабелей -
);
- максимальный расчетный ток
нагрузки, А. При этом номинальный ток автоматического выключателя, защищающего
проводник, должен быть равен или больше максимального тока нагрузки:
Руководствуясь данными таблиц ПУЭ формулы активной
мощности для однофазной и трехфазной симметричной нагрузки, найдем значения
тока и сечение жилы.
Расчет тока:
Напряжение -
. Мощность -
. Согласно формуле протекающий ток
равен:
Сечение токопроводящей жилы рассмотрены в таблице 10.
Таблица 10 Допустимый длительный ток для проводов с медными жилами с
резиновой изоляцией в металлических защитных оболочках и кабелей с медными
жилами с резиновой изоляцией в свинцовой, поливинилхлоридной, найритовой или
резиновой оболочке, бронированных и небронированных
|
Сечение токопроводящей жилы, мм2
|
Ток *, А, для проводов и кабелей
|
|
одножильный
|
двухжильный
|
трёхжильный
|
|
при прокладке
|
|
в воздухе
|
в воздухе
|
в земле
|
в воздухе
|
в земле
|
|
10
|
80
|
70
|
105
|
55
|
90
|
|
16
|
100
|
90
|
135
|
75
|
115
|
|
25
|
140
|
115
|
175
|
95
|
150
|
* Токи относятся к проводам и кабелям как с нулевой жилой, так и без неё.
Кабель проложен в воздухе. Таким образом, берем табличное значение
сечения токопроводящей жилы
, для трёхжильного кабеля при токе
. Выбираем силовой медный кабель
ВВГ-П.
4.1.2 Выбор сечения токопроводящей жилы контрольных кабелей
Контрольные кабели предназначены для питания приборов, аппаратов и других
электротехнических устройств и используется в цепях контроля. Контрольные
кабели имеют токопроводящие жилы из меди, биметалла алюминий - медь, алюминия.
Изоляция в основном из полиэтилена и поливинилхлорида пластиката. Используется
также резиновая изоляция. Число токопроводящих жил - от 4 до 37, сечения - от
0,75 до
.
Выбираем электротехнический кабель (не горючий) КВВГнг,
Кабель КВВГНГ - представляет собой
конструкцию из медных жил, заключенных в изоляцию, а также в оболочку из
пластика.
Электротехнический контрольный кабель КВВГнг предназначен для
присоединения к электроаппаратуре, электроприборам. Кабель предназначен для
передачи управляющих сигналов напряжением до 1000В или 660В переменного
напряжения. КВВГнг может прокладываться в каналах, помещениях, туннелях, в
условиях агрессивной среды при отсутствии механических воздействий на них.
Конструкция кабеля КВВГнг состоит из следующих частей: жила (мягкая
медная проволока), изоляция (ПВХ пластикат), поясная изоляция (лента ПЭТФ
пленки), оболочка (ПВХ пластикат пониженной горючести). Технические данные
кабеля представлены в таблице 11.
Таблица 11 Технические данные КВВГнг
|
Номинальное напряжение, В
|
380
|
|
Температура окружающей среды при эксплуатации кабеля,
|
от до
|
|
Длительно допустимая температура нагрева жил при
эксплуатации,
|
|
|
Радиус изгиба кабелей при прокладке и монтаже при
температуре окружающей среды не ниже 0 составляет:
|
|
|
для кабелей наружным диаметром до включительно, диаметр кабеля
|
не менее трех
|
|
для кабелей наружным диаметром от 10 до включительно, диаметр кабеля
|
не менее четырех
|
|
Радиус изгиба кабелей при прокладке и монтаже без предварительного
нагрева при температуре окружающей среды не ниже , диаметр кабеля
|
не менее шести
|
.2 Выбор магнитного пускателя
Магнитный пускатель выбирается из условий:
1)
;
2) Для продолжительного режима работы S1:
.
Данным условиям удовлетворяет ПМЛ-4220ДМОА с
, так как:
Магнитный пускатель ПМЛ-4220ДМОА:
ПМЛ - реле напряжения; 4 -
номинальный ток главных контактов
пускателя, при наличии буквы Д; 2 - пускатель нереверсивный с тепловым реле; 2
- степень защиты IP54 c кнопками "Пуск" и
"Стоп"; 0 - 1 "замыкающий" и 1 "размыкающий" (на
ток 40 и
), переменный ток; М - возможно
крепление пускателя к Din
рейке и монтажной панели; О - общеклиматическое исполнение, для всех
макроклиматических районов на суше, кроме макроклиматического района с очень
холодным климатом; А - коммутационная износостойкость
.
Ток катушки электромагнитного контактора составляет
.
Реле электротепловое токовое РТЛ-2063 с номинальным током несрабатывания
на средней уставке
:
РТЛ - серия; 20 - при перегрузке электродвигателя на
реле отключает его через
, если оно было нагрето номинальным
током до установившегося теплового состояния; 63 -
диапазон регулирования номинального
тока несрабатывания.
Время срабатывания реле при трёхполюсной работе и нагреве с холодного
состояния шестикратным номинальным током несрабатывания при любом положении
регулятора установки и температуре окружающего воздуха
находится в пределах
.
.3 Выбор автоматического выключателя
Автоматический выключатель выбирается из условия:
Следовательно:
Данному условию подходит автоматический выключатель NS80HMA80, представляющий собой электрический коммутационный
аппарат, снабженный двумя системами защиты от сверхтока: электротепловой и
электромагнитной, с взаимосогласованными характеристиками. Предусмотрено одно-,
двух-, трех- и четырехполюсное исполнение. Описание:
1) Номинальный ток:
2) Отключающая способность:
при
) Номинальное напряжение:
) Исполнение с 3 полюсами;
) Гарантированное разъединение;
) Установка на монтажную плату или DIN-рейку;
) Встроенный электромагнитный расцепитель;
) Регулируемая мгновенная токовая отсечка:
;
) Широкий ассортимент вспомогательных устройств сигнализации и
управления;
) Координация защит по типу 2 с контактором по МЭК 60947-4 (ГОСТ Р
50030.4);
) Соответствие международному стандарту: МЭК 60947-4 (ГОСТ Р
50030.4).
.4 Выбор плавкого предохранителя
Предохранитель выбираем из условия:
где
- номинальный ток работы электромагнитной катушки магнитного
пускателя.
Следовательно, номинальный ток плавкого предохранителя:
По данному току выбираем плавкий предохранитель типа НПН2-20 на
номинальный ток основания
, предназначенный для защиты электрооборудования промышленных
установок и электрических цепей переменного тока частоты
напряжением до
при перегрузках и коротких
замыканиях. Предохранители допускают работу в трёхфазных сетях переменного тока
с напряжением до
частоты 50,
и в цепях постоянного тока напряжением до
.
Климатическое исполнение У категории 3 по ГОСТ 151500-69.
Номинальное напряжение предохранителя
.
4.5 Вывод
1) Выбрали силовой, трёхжильный, медный кабель ВВГ-П, проложенный в
воздухе, сечением
рассчитанный на ток
.
2) Выбрали электротехнический кабель КВВГнг, сечением
) Выбрали нереверсивный магнитный пускатель типа ПМЛ-4220ДМОА на
номинальный коммутируемый ток
, с тепловым реле типа РТЛ-2063 с диапазон регулирования
номинального тока несрабатывания
;
) Выбрали автоматический выключатель NS80HMA80 с
номинальным током
и номинальным напряжением
.
) Выбрали плавкий предохранитель НПН2-20 с номинальным током
плавких ставок
.
По выбранным элементам силовой цепи и цепи управления построена
электрическая функциональная схема электропривода дымососа, показанная на
рисунку 5.
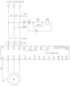
Рисунок 5 - Схема электрическая функциональная
5. Выбор системы регулирования
Данные двигателя 5А200М4:
1) Номинальная мощность
;
2) Номинальная частота вращения
;
) Номинальный КПД
;
) Номинальный коэффициент мощности
;
) Номинальный ток статора
;
) Номинальный момент
;
) Кратность пускового момента
;
) Кратность максимального момента
;
) Кратность пускового тока
;
) Динамический момент инерции ротора
.
.1 Расчёт статических характеристик двигателя
Определяем номинальную угловую скорость двигателя:
Найдём критический момент по формуле:
Определим скорость идеального холостого хода:
Определим номинальное скольжение:
Определим критическое скольжение в двигательном режиме:
Определим суммарный момент инерции механизма:
Найдём момент статической нагрузки из формулы:
5.2 Расчёт передаточных функций электропривода
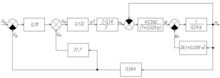
Структурная схема управления приводом показана на рисунке 6.
Рисунок 6 - Структурная схема управления электроприводом дымососа
Внутренняя обратная связь (ОС) по скорости может также как и внутренняя
ОС по ЭДС в двигателе постоянного тока (ДПТ) "испортить" переходной
процесс, аналогично как и в ДПТ для устранения этого явления введём
положительную ОС по скорости со своим регулятором который будет называться
регулятором момента.
Определим передаточную функцию регулятора момента:
Определим коэффициент передачи датчика скорости:
Определим коэффициент управления частотой:
При введении положительной обратной связи появляется коэффициент:
,
где
- модуль жёсткости линеаризованной механической
характеристики:
.
После чего структурная схема управления приводом примет вид:
Рисунок 7 - Преобразованная структурная схема управления приводом
Настраиваем контур скорости для асинхронного двигателя, управляемого
частотным преобразователем, на оптимум по модулю. [9]
Передаточная функция разомкнутой системы будет иметь вид:
Примем
, отсюда, передаточная функция регулятора скорости будет
иметь вид:
,
где
- электромеханическая постоянная времени;
- электромагнитная постоянная
времени;
- номинальная частота сети.
;
.
.3 Моделирование динамических режимов в среде МВТУ в. 3,6
Задача на моделирование:
1) Необходимо составить схему моделирования в среде МВТУ;
2) Описать структурную схему и проанализировать полученные
результаты исследования;
) Построить логарифмические частотные характеристики.
Составим структурную схему в программе МВТУ, соответствующую составленной
схеме.
Примем для схемы моделирования следующие параметры:
Напряжение задания скорости:
, момент статической нагрузки имеет
вид:
. Так как моделирование происходит на
холостом ходу, то:
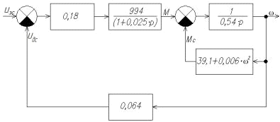
Рисунок 8 - Схема моделирования электропривода дымососа
Рисунок 9 - Переходная характеристика двигателя по управляющему
воздействию
По графику на рисунке 9 определяем максимальное значение угловой скорости
вращения двигателя
, установившееся значение скорости
.
Характеристики переходного процесса на основании рисунка 9:
1) Время нарастания регулируемой величины до установившегося значения:
2) Время переходного процесса:
3) Статическая ошибка:
4) Перерегулирование:
Для построения логарифмической амплитудно- и фазо-частотной
характеристики используем частотный анализ нелинейных систем по критерию
Найквиста в программе МВТУ.
Рисунок 10 - Логарифмическая амплитудно-частотная характеристика
разомкнутого контура скорости
Рисунок 11 - Логарифмическая фозо-частотная характеристика разомкнутого
контура скорости
Выбранная система является устойчивой, поскольку запас по фазе
равен:
где
- значение фазы характеристики ЛФЧХ при частоте среза:
.4 Вывод
В данной главе была составлена структурная схема привода, приведённой на
рисунке 7. Соответственно ей были рассчитаны передаточные функции, после чего
было произведено моделирование динамических режимов.
Из анализа графиков было установлено:
1) Запас устойчивости по фазе:
;
2) Статическая ошибка:
.
Статическая ошибка меньше указанной в задании
, значит настройка на оптимуму по
модулю нам подходит. Результаты моделирования подтверждают правильность расчёта
параметров регулятора скорости.
. Безопасность и экологичность проекта
.1 Общая характеристика проектируемого объекта
В данном проекте рассматривается регулируемый электропривод питающего
насоса котельной, расположенный в помещении котельной ОАО "Нэфис
Косметикс" по адресу ул. Г. Тукая 152 в г. Казань. Котельная предназначена
для отпуска тепловой энергии технологическим потребителям.
Габариты здания котельной:
1) Длина,
- 43,5;
2) Ширина,
- 25;
) Высота котельной,
- 10, пристроя бытовых помещений,
- 4;
) Площадь,
- 1087,5.
Габариты помещения котельной:
5) Длина,
- 36;
6) Ширина,
- 24;
) Высота,
- 9,6;
) Площадь,
- 864.
Таблица 13 Перечень оборудования
|
Оборудование
|
Операции
|
|
Паровой котёл типа ДЕ-16-14-250
|
Выработка пара
|
|
Экономайзер чугунный типа ЭБ1-330И
|
Подогрев питательной воды
|
|
Дымосос правого вращения типа ДН-11,2
|
Отсасывание дымовых газов из топки котельного агрегата
|
|
Насос питательный типа ЦНС 38-220
|
Подача питательной воды в котёл
|
|
Насос сырой воды типа КМ 80-65-160/2-5
|
Подача сырой воды в систему очистки
|
|
Насо3с сетевой воды типа TP 32-180/2
|
Циркуляция горячей воды в системе отопления котельной
|
|
Редукционная охладительная установка
|
Редуцирование и охлаждение пара
|
|
Оборудование
|
Операции
|
|
Комплексная система очистки воды
|
Водоподготовка
|
|
Система управления технологическим процессом
|
Управление технологическим процессом
|
|
Вентиляторная станция N PLT-P4M
|
Подача воздуха в горелку
|
|
Горелка Weishaupt WKG
70/2-А
|
Подогрев воды и пара в барабане котла
|
Основным топливом котельной является природный газ с теплотой сгорания
. Выделение газа в окружающую среду
может происходить только при авариях и неисправностях. [10]
Таблица 14 Вещества и материалы
|
Вещество
|
Агрегатное состояние
|
П.Д.К.,
|
Класс опасности
|
Характер токсического действия
|
|
Природный газ
|
Газ
|
300
|
4 (малоопасный)
|
Вызывает острое отравление, развивается невротическое
состояние
|
|
Угарный газ
|
Газ
|
3
|
3
|
Кровяное
|
|
Масло МС-20
|
Жидкость
|
2
|
3
|
Раздражающе действует на кожу
|
Показатели токсичности веществ и материалов берём из [11].
Таблица 15 Показатели горючести веществ и материалов
|
Вещество
|
Группа горючести
|
,
|
,
|
,
|
К.П.Р.П, %
|
М.э.з, МДж
|
|
|
|
|
|
Нижний
|
Верхний
|
|
|
Природный газ
|
Горючее вещество
|
-
|
-
|
537
|
5
|
15
|
0,28
|
|
Угарный газ
|
Горючее вещество
|
-
|
-
|
610
|
12,5
|
74
|
-
|
|
Масло МС-20
|
Горючее вещество
|
230
|
407
|
400
|
-
|
-
|
2,3
|
Показатели горючести веществ и материалов берём из [12].
Исходя из состава и количества веществ, находящихся в помещении
определяется категория данного помещения.
Так как данное помещение - это котельная, то пожароопасные и
взрывоопасные газы здесь не содержатся, а лишь используются в виде топлива.
Отсюда следует, что категория данного помещения Г.
Согласно ПУЭ 6-го издания помещение относится к взрывоопасным зонам
класса В-Iа.
.2 Шум и вибрация
Источники шума и вибрации: горелки Weishaupt WKG 70/2-А, дымососы правого вращения типа ДН-11,2,
вентиляторные станции N PLT-P4M, насос
питательный типа ЦНС 38-220, насосы сырой воды типа КМ 80-65-160/2-5.
Согласно ГОСТ 12.1.003-83.ССБТ при обслуживание оборудования в
производственных помещениях и на территории предприятий допустимый уровень шума
. Согласно ГОСТ 12.1.012-90.ССБТ при
воздействии технологической вибрации уровень допустимый виброскорости
составляет
, виброускорения -
.
Для уменьшения шума и вибраций проведены нижеперечисленные мероприятия.
Для уменьшения уровня шума и вибрации насос питательный типа ЦНС 38-220, насосы
сырой воды типа КМ 80-65-160/2-5, вентиляторные станции NPLT-P4M и дымососы
правого вращения типа ДН-11,2 устанавливаются на отдельный бетонный фундамент.
Фундамент самой котельной выполнен из железобетонных плит и бетонных блоков.
Шумовой порог горелок Weishaupt WKG 70/2-А
исполнения ZM-NR составляет
при полной нагрузке. В проекте предусмотрено снижение уровня
шума за счет применения шумоглушителей отходящих газов на горелках.
Шумоглушитель представляет собой устройство без движущихся частей, принцип
действия которого основан на свойствах распространения звуковых волн.
Шумоглушитель отходящих газов гасит звуковые колебания за счёт того, что его
длина пропорциональна длине волны, а также благодаря используемым
звукопоглощающим материалам.
Стены и крыша выполнены из сэндвич-панелей с минеральным утеплителем П75,
обладающих шумопоглощающими свойствами.
Проведённые мероприятия по снижению шума и вибрации позволяют уменьшить
уровни шума до значений, не превышающих допустимых.
.3 Микроклимат производственного помещения
Обслуживание оборудования помещения относится к категории 1б (легкая) по
энергозатратности.
Данные по допустимым и оптимальным метеоусловиям в помещении в
зависимости от времени года и категории работ (ГОСТ 12.1.005-88) сведем в
таблицу:
Таблица 16 Данные по допустимым и оптимальным условиям в помещении
|
Период года
|
Категория работы
|
Температура
|
Влажность, %
|
Скорость воздуха,
|
|
|
Опт.
|
Доп.
|
Опт.
|
Доп.
|
Опт.
|
Доп.
|
|
Холодный и переходный.
|
Iб
|
21-23
|
17-25
|
40-60
|
75
|
0,1
|
Не более 0,2
|
|
Теплый
|
Iб
|
22-24
|
19-30
|
40-60
|
75 (при )
|
0,2
|
0,1-0,3
|
6.4 Отопление и вентиляция
Вентиляция в котельной предусмотрена смешанная. Применяется естественная
организованная канальная вентиляция с применением дефлекторов. Также имеется
искусственная местная вытяжная вентиляция - центробежный вентилятор (дымосос).
Вентиляция котельной предусматривается из расчета: вытяжка в объеме
трехкратного воздухообмена помещения в час, приток в объеме вытяжки плюс
количество воздуха на горение газа.
Расчет дефлекторов:
Расход удаляемого воздуха составляет:
,
где
- объем здания котельной.
Площадь живого сечения вытяжных шахт составляет:
Скорость движения воздуха принимаем
(СНиП 2.04.05-91 отопление, вентиляция
и кондиционирование). Для восьми дефлекторов:
Площадь живого сечения одного дефлектора составляет:
Принимаем к установке восьми дефлекторов ЦАГИ 2ДЕФ01000Ц. Дополнительно
устанавливаем один дефлектор ДУ 400 над зоной ГРУ
Приток воздуха:
;
;
.
Принимаем к установке четыре блока регулируемых жалюзийных решеток по
четыре решетки
в каждом блоке. Решетки устанавливаются над окнами на
фасаде.
.5 Освещение
В помещении применяется смешанное освещение: естественное освещение -
боковое, искусственное освещение - общее равномерное.
Согласно СНиП 2.10.05-85 общее наблюдение за ходом производственного
процесса имеет разряд зрительных работ VIIIв (нормированная величина КЕО для естественного
бокового освещения
, нормированная освещённость
). В качестве источника
искусственного света используются люминесцентные лампы.
Требуемую площадь световых проёмов при боковом освещении определяем по
формуле:
где
- площадь окон;
- коэффициент запаса, принимаем
,
- световая характеристика окна (по
таблице 18 [13] принимаем
);
- коэффициент, учитывающий затенение окон противостоящими
зданиями, принимаем
,
- площадь пола,
;
- общий коэффициент
светопропускания, принимаем
;
- коэффициент, учитывающий отражение света от потолка, стен
и отношение длины помещения L к
его длине B. Принимаем
.
Необходимое количество ламп, обеспечивающих нормированное значение
освещённости, для искусственного освещения рассчитывается по формуле:
где
- площадь помещения,
- коэффициент запаса учитывающий
снижение освещённости ламп в процессе эксплуатации, принимаем
- световой поток лампы выбранной
мощности и типа. Для Г215-225-300 по таблице 16 [11] составляет
- поправочный коэффициент
светильника, принимаем
- коэффициент использования
светового потока определяется с учётом коэффициента отражения светового потока
от потолка, стен и показателя помещения
, обычно составляет 0,5-0,6.
Принимаем
.
Поскольку количество ламп в светильнике равно единице, то необходимое
общее количество ламп принимаем равным 19 шт.
С учётом
категории взрывоопасной зоны В-1и типа выбранных ламп используем светильники
прямого света с уровнем взрывозащиты повышенная надёжность против взрыва типа
Н4Б-300.
6.6 Электробезопасность
Питание асинхронных двигателей насосов питательных типа ЦНС 38-220,
насосов сырой воды типа КМ 80-65-160/2-5, вентиляторных станций N PLT-P4M и дымососов правого вращения типа
ДН-11,2 осуществляется от четырехпроводной трехфазной сети переменного тока
частотой
, напряжением
с глухозаземленной нейтралью.
По опасности поражения людей электрическим током помещение относится к
классу без повышенной опасности.
Для защиты людей от поражения электрическим током предусматривается:
1) защитное заземление корпусов электрощитов, электродвигателей;
2) используется двойная изоляция проводников;
) защитное ограждение токоведущих частей: кабели уложены кабель-каналы;
) В системе электроприводов питающего насоса котла и дымососа
используются преобразователи частоты серии Altivar 61, которые имеют следующие защитные функции:
а) От перегрузки;
б) От короткого замыкания в момент запуска;
в) От замыкания на землю;
г) От неполнофазного режима работы входной или выходной фазы;
д) От перегрузки двигателя;
е) От превышения или недостатка напряжения;
ж) От превышения температуры;
з) От заклинивания двигателя.
В дипломном проекте используется двигатель с классом нагревостойкости
изоляции F. Корпус асинхронных двигателей
насосов питательных типа ЦНС 38-220, насосов сырой воды типа КМ 80-65-160/2-5,
вентиляторных станций N PLT-P4M и дымососов
правого вращения типа ДН-11,2 заземлены. Степень защиты оболочки
электродвигателей IP 54.
6.7 Защита от статического электричества
В данной установке статическое электричество не образуется, поэтому меры
защиты от него не применяют.
.8 Молниезащита
Помещение котельной по ПУЭ относится к классу В-Iа, имеет категорию устройства молниезащиты II. Это означает, что здание цеха
должно быть защищено от прямых ударов молнии и заноса высоких потенциалов через
наземные металлические коммуникации, в местности с грозовой деятельностью чуть
более 20 часов в год.
Рисунок 12 - Схема молниезащиты здания котельной
Ожидаемое количество поражений молнией в год здания N определяется по формуле:
Для отдельно стоящих сооружений:
где
- высота здания,
.
РД 34.21.122-87 (инструкция по молниезащите зданий и сооружений);
n -
параметр, характерной интенсивно-грозовой деятельности (ИГД) (для Казани:
).
Категория взрывопожароопасности: Г.
Почва: чернозём.
Молниеотвод - одиночно стержневой,
Так как ожидаемое количество поражений молнии
, то зона защиты - Б, категория
молниезащиты - II.
1) Высота зоны защиты над землёй:
2)
зона защиты на уроне земли:
3)
зона защиты на высоте
над землёй:
Так как
, то есть геометрическое значение радиуса зоны защиты на
высоте
над землёй меньше расчётного,
следовательно, данная молниезащита защищает здание от воздействия разрядов
атмосферного электричества.
Снаружи котельной выполняем контур молниезащиты и подключаем к нему
контур заземления, а также дымовую трубу. При этом молниезащита монтируется на
дымовую трубу, тем самым создает зону защиты для здания котельной.
.9 Пожарная профилактика
Здание котельной выполнено по каркасной схеме. Элементы каркаса - из
стальных незащищённых конструкций. Стены выполнены из сэндвич-панелей толщиной
. В них используется минераловатный
утеплитель из базальтового волокна, который относится к негорючим материалам.
Сэндвич панели соответствуют второй степени огнестойкости. Покрытие кровли -
оцинкованный проф. настил (несгораемый материал, степень огнестойкости - I). Утеплитель - плиты минеролватные
П75 ГОСТ 9573-96 (несгораемый материал, степень огнестойкости - I) Внутренняя отделка - стальной
профилированный лист (несгораемый материал, степень огнестойкости - I).
Ворота - металлические утеплённые распашные (несгораемый материал,
степень огнестойкости - I).
Дверь - металлическая утеплённая (несгораемый материал, степень
огнестойкости - I).
Окна - ПВХ глухие с одним рядом остекления, с толщиной стекла
(трудногорючий материал, степень
огнестойкости - III).
Для обеспечения пожарной безопасности помещения, в котором установлена
производственная технологическая установка, оно должно быть оборудовано
следующими первичными средствами пожаротушения:
а) контейнеры с песком для тушения горючих, высокотемпературных
составов;
б) углекислотные огнетушители ОУ-8;
в) пожарные краны.
С целью своевременного оповещения о возникновении пожара, а также вызова
пожарных команд, действует система пожарной связи и оповещения. Один из видов пожарной
связи - телефонная связь. Также применяется пожарный извещатель с
автоматическим включением типа ИП-105-1.
Эвакуация людей в случае возникновения пожара проводится через два
выхода: один находится в начале здания, другой расположен в другом конце здания
(ворота с калиткой). Оба выхода имеют обычный выход, двери которого открываются
в направлении выхода из здания.
.10 Технологическая безопасность
Котловая автоматика в комплексе с автоматикой горелки установленной на
щите управления горелкой обеспечивает:
1) Автоматическую регулировку давления пара в барабане котла (мощности
котла): сигнал с датчика давления Метран 1430 подаётся на автоматический
регулятор ОВЕН ТРМ 202, который подаёт управляющий сигнал на щит управления
горелкой. Со щита управления горелкой подаётся управляющий сигнал на регулятор
подачи газа и щит управления питающими насосами котла для изменения расхода
воды;
2) Автоматическую регулировку уровня воды в барабане котла: сигнал с
датчиков верхнего и нижнего уровня Метран 1430 подаётся на автоматический
регулятор ОВЕН ТРМ 12, который подаёт управляющий сигнал на щит управления
питающими насосами котла для изменения расхода воды;
) Защиту оборудования при возникновении нештатных ситуаций путем
отключения горелки (при поступлении сигнала о выходе регулируемых параметров из
допустимых пределов с соответствующих регуляторов, на щит управления горелкой);
4) При аварийных случаях выдается световая и звуковая сигнализация на
щите ЩУ1;
) Контроль за содержанием угарного газа и метана в воздухе котельной
с помощью датчика контроля угарного газа RGDCOOMP1 и прибора контроля метана RGDMETMP1 (Сигнал с датчиков поступает на щит
управления ЩУ1, который при превышении ПДК по метану или угарному газу подаёт
сигнал на включение аварийной сигнализации, закрытие клапанов на вводе газа;
6) В случае превышения давления пара выше допустимых значений
срабатывает предохранительный клапан, который выпускает часть пара;
7) Паровой котёл типа ДЕ-16-14-250 имеет теплоизоляцию из многослойных
прошивных плит (в основании), корпус котла и экономайзер чугунный типа ЭБ1-330И
теплоизолированы матами из базальтовой ваты. Теплоизоляция трубопроводов и
газоходов выполнена из минеральной ваты с покрытием тонколистовой оцинкованной
стали. Толщина теплоизоляции такая, что температура наружной поверхности
теплоизоляции в местах возможного контакта обслуживающего персонала не
превышала
.
6.11 Средства индивидуальной защиты
Предусмотрены следующие средства индивидуальной защиты работающих:
а) средства защиты рук от механических повреждений: рукавицы
брезентовые, перчатки трикотажные, хлопчатобумажные;
б) средства защиты органов слуха: беруши, противошумные наушники.
6.12 Охрана окружающей среды
Котельная является частью территории ОАО "Нэфис Косметикс" по
адресу ул. Г. Тукая 152 в г. Казань РТ на производственной площадке
расположенной по ул. Братьев Петряевых-Производственная. Санитарная защитная
зона котельной составляет
. Жилые дома в санитарной зоне и в зоне наибольшего
загрязнения отсутствуют.
Твердые загрязняющие вещества в процессе производства в котельной не
вырабатываются.
Источником загрязнений (дымовых газов) являются котлы. Устанавливаемые в
котельной котлы ДЕ-16-14-250 производительностью
каждый оборудуются горелками фирмы Weishaupt. Котлы оборудованы газовыми
горелками Weishaupt WKG 70/2-А исполнения ZM-NR. Основным
топливом котельной является природный газ с теплотой сгорания
. Количество дымовых газов от каждого
котла равно
. Дымовые газы от каждого котла после экономайзеров чугунных
типа ЭБ1-3ЗОИ дымососами типа ДН-11,2 с температурой при номинальной
теплопроизводительности
отводятся в индивидуальные дымовые трубы (4 штуки) диаметром
высотой
каждая. Суммарное количество дымовых
газов составляет
.
По данным фирмы "Weishaupt" содержание
в дымовых газах от горелок составляют: для газовых горелок -
.
Канализование стоков от бытовых помещений выполняется в канализацию
площадки. Сливы от проектируемых котлов условно чистые. Слив воды из котлов и
трубопроводов производится в колодец охладитель с разбавлением сливаемой воды
холодной водопроводной водой до температуры не более
, а затем в существующую систему
канализации.
. Технико-экономическое обоснование дипломного проекта
В данной части дипломного проекта рассматриваются технико-экономические
показатели работы электропривода дымососа ДН-11,2 котла до и после
модернизации. Произведен расчет капитальных затрат, производственной мощности
установки за год, определено количество рабочих, которые непосредственно заняты
на рабочих местах, а также рассчитан годовой фонд заработной платы. В конце
расчета приведена таблица технико-экономических показателей проекта.
.1 Расчёт стоимости оборудования разрабатываемого проекта
Расчёт капитальных затрат (стоимости) производственного оборудования
осуществляется по его основным видам, количество которого берётся из сводной
таблицы оборудования согласно технологической схеме разделения труда.
Таблица 17 стоимость оборудования для проекта
|
Оборудование
|
Количество ед. оборудования, шт.
|
Цена за ед. оборудования, тыс.руб.
|
Сумма, тыс.руб.
|
|
Преобразователь частоты (Altivar 61 ATV61WD37N4)
|
3
|
156,592
|
469,776
|
|
Прочее оборудование
|
-
|
100,5
|
100,5
|
|
Затраты на монтаж
|
-
|
47
|
47
|
|
Итого:
|
3
|
304,092
|
617,276
|
Затраты на монтаж исчислены укрупнёно в размере
от цены оборудования. Капитальные
затраты на прочее оборудование (транспортное, передаточные устройства, средства
автоматики) рассчитаны укрупнёно в размере
от капитальных затрат на производственное
оборудование.
Все данные о стоимости берём с сайта Бийского Котельного Завода.
7.2 Расчёт издержек проектируемого производства
.2.1 Расчёт численности и фонда заработной платы рабочих
Котельная относится к предприятиям с непрерывным производственным
процессом. Рабочие, обслуживающие котельные установки, работают в 3 смены по
(четырех бригадный график) из
условия продолжительности рабочей недели
с учетом наиболее полного и
рационального использования рабочего времени.
При установлении численности обслуживающего персонала котельной
использованы "Рекомендации по нормированию труда работников
энергетического хозяйства"
.
При определении численности персонала котельной принято, что капитальный
ремонт оборудования проводится специализированными организациями. При
установлении численности рабочих в расчет принимается количество котлов,
подготовленных к эксплуатации в период максимальной нагрузки.
Количество операторов котельной:
- норматив численности в смену для
одного котла от 25,1 до
.
- количество смен;
- коэффициент невыходов во время
отпусков, по болезни;
- коэффициент для паровых котлов. Списочная численность
операторов котельной равна:
.
Количество слесарей по ремонту оборудования котельной:
норматив численности рабочих на один
насос в смену;
- количество насосов;
- количество смен;
- коэффициент невыходов во время
отпусков, по болезни;
- коэффициент для котельных, оснащенных дистанционным
пультом управления; Списочная численность слесарей по ремонту оборудования
котельной равна:
.
Количество аппаратчиков химводоочистки:
- норматив численности рабочих на одну
установку в смену;
- количество смен;
- коэффициент невыходов во время
отпусков, по болезни;
- коэффициент при обслуживании деаэраторов;
- коэффициент для котельных,
оснащенных дистанционным пультом управления (автоматическая водоподготовка).
Списочная численность аппаратчиков химводоочистки равна:
.
Таблица 18 Расчёт численности основных рабочих
Разряд
|
Численность, человек
|
Час.тарифная ставка, руб.
|
Количество чел.часов в год
|
|
Оператор котельной
|
3
|
8
|
28,7
|
17568
|
|
Оператор котельной (дежурный)
|
3
|
1
|
28,7
|
1956
|
|
Аппаратчик химводоочистки
|
2
|
4
|
26,5
|
8784
|
|
Слесарь по ремонту оборудования котельной
|
4
|
4
|
30,5
|
8784
|
Тарифный фонд заработной платы по профессиям рассчитывается по формуле:
Тарифный фонд заработной платы операторов котельной:
Тарифный фонд заработной платы оператора котельной (дежурный):
Тарифный фонд заработной платы аппаратчиков химводоочистки:
Тарифный фонд заработной платы слесарей по ремонту оборудования
котельной:
Доплаты и льготы составляют от 50 до
от тарифной заработной платы:
Основная заработная плата операторов котельной:
Основная заработная плата оператора котельной (дежурного):
Основная заработная плата аппаратчиков химводоочистки:
Основная заработная плата слесарей дежурных:
Фонд заработной платы годовой:
.
Премия составляет от 10 до
от основной заработной платы.
Фонд заработной платы годовой операторов котельной:
Фонд заработной платы годовой оператора котельной (дежурного):
Фонд заработной платы годовой аппаратчиков химводоочистки:
Фонд заработной платы годовой слесарей дежурных:
7.2.2 Расчёт фонда заработной платы вспомогательных рабочих
Таблица 19 Расчёт фонда заработной платы вспомогательных рабочих
|
Наименование профессии
|
Численность, человек
|
Оклад,
руб.
|
Премии
|
ФЗПгод, руб.
|
|
|
|
%
|
руб.
|
|
|
Слесарь по ремонту оборудования котельной
|
1
|
5600
|
20
|
1120
|
80640
|
|
Уборщик производсвенных и служебных помещений
|
0,25
|
6400
|
20
|
320
|
23040
|
|
Итого
|
|
|
|
|
103680
|
.2.3 Расчёт фонда заработной платы инженерно технических работников
Таблица 20 Расчёт фонда заработной платы инженерно технических работников
|
Наименование профессии
|
Численность, человек
|
Оклад, руб.
|
Премии
|
ФЗПгод, руб.
|
|
|
|
%
|
руб.
|
|
|
Начальник котельной
|
1
|
22000
|
20
|
4400
|
316800
|
|
Зам. Начальника котельной
|
1
|
7500
|
30
|
2250
|
117000
|
|
Итого:
|
|
|
|
|
433800
|
7.2.4 Расчёт стоимости основных и вспомогательных материалов
Таблица 21 основные и вспомогательные материалы на единицу продукции
|
Наименование сырья и материалов
|
Единица измерения
|
Норма расхода
|
Цена, руб.
|
Сумма, руб.
|
|
Вода
|
|
1,03
|
10,42
|
10,7326
|
|
Газ
|
|
75
|
3,347
|
251,025
|
|
Электрическая энергия
|
|
7
|
1,68
|
11,76
|
|
Итого
|
|
|
|
273,5176
|
7.3 Расчёт совокупных издержек
Совокупные издержки относятся к той части накладных расходов, которая не
связана с изменением объёма продукции. Сюда относятся затраты на содержание
административных служб, оклады служащих, амортизационные отчисления, ремонтные
издержки, сервисное обслуживание.
.3.1 Составление сметы цеховых расходов
Таблица 22 Смета цеховых расходов
|
Наименование расходов
|
Сумма, руб.
|
|
1. Содержание цехового персонала
|
433800
|
|
2. фонд ОСВ
|
147492
|
|
3. Содержание и текущий ремонт зданий
|
93960
|
|
4. Амортизация зданий
|
97200
|
|
5. Прочие расходы
|
59195,4
|
|
Итого:
|
831647
|
|
Удельные цеховые расходы
|
3,88
|
.3.2 Составление сметы расходов на содержание оборудования
Таблица 23 Смета расходов на содержание оборудования
|
Наименование расходов
|
Сумма, руб.
|
|
Эксплуатация оборудования
|
114000
|
|
Амортизационные отчисления
|
114000
|
|
ФЗПгод вспомогательных рабочих
|
103680
|
|
фонд ОСВ
|
35251,2
|
|
Возмещение износа малоценных предметов
|
9400
|
|
Расходы на текущий ремонт
|
28500
|
|
Прочие расходы
|
40483
|
|
Итого:
|
445314,2
|
|
Удельные расходы
|
14,34
|
Объём выпуска -
.
Таблица 24 Размеры общефабричных и внепроизводственных расходов,
используемых при калькулировании себестоимости продукции
|
Наименование расходов
|
Сумма, руб.
|
|
Общефабричные расходы в % к основной зарплате
производственных рабочих
|
4679041
|
|
внепроизводственные расходы
|
103537
|
.4 Калькуляция себестоимости изделия
Калькулирование себестоимости необходимо, прежде всего, для назначения
цены единицы продукции и расчета прибыли. Все издержки предприятия на
изготовление основного вида продукции группируются по статьям калькуляции и
сводятся в таблицу. Расчет представлен в таблице 25.
Таблица 25 Калькуляция себестоимости производства продукции (базовая)
|
№
|
Наименование статей
|
Ед. изм.
|
Затраты
|
|
|
|
на ед., руб.
|
На весь выпуск , руб.
|
|
1
|
Основные материалы
|
|
|
|
|
1.1
|
Вода
|
|
10,7326
|
3020454,2
|
|
1.2
|
Газ
|
|
251,025
|
70645463,7
|
|
1.3
|
Электрическая энергия
|
|
11,76
|
3309593,28
|
|
Итого:
|
|
273,5176
|
76975511,13
|
|
2.1
|
Заработная плата основных производственных рабочих
|
руб.
|
41,56
|
11697602
|
|
2.2
|
Отчисления в фонд ОСВ
|
руб.
|
10,8
|
3041376
|
|
3.1
|
Расходы на содержание и эксплуатацию оборудования
|
руб.
|
14,34
|
4036381
|
|
3.2
|
Цеховые расходы
|
руб.
|
3,88
|
831647
|
|
4
|
Итого производственная себестоимость
|
руб.
|
343,38
|
96582517,13
|
|
5
|
Общефабричные расходы
|
руб.
|
16,62
|
4679041
|
|
6
|
Итого фабричная себестоимость
|
руб.
|
360
|
101261558,13
|
|
7
|
Внешнепроизводственные расходы
|
руб.
|
37
|
10412836
|
|
8
|
Всего полная себестоимость
|
руб.
|
397
|
111674394,13
|
|
9
|
Наценка (30%)
|
руб.
|
119,1
|
33502318,24
|
|
10
|
Цена без НДС
|
руб.
|
516,1
|
145176712,4
|
|
11
|
НДС
|
руб.
|
92,898
|
26131808,23
|
|
12
|
Отпускная цена
|
руб.
|
609
|
171308520,63
|
.4.1 Расчёт прибыли и финансовых результатов (базовая)
.4.2 Расчёт критической программы (базовая)
где Цшт - цена единицы изделия, руб.; СФИ - совокупные фиксированные
издержки; ПИшт - переменные издержки на единицу изделия.
7.4.3 Рентабельность продаж (базовая)
Рентабельность продаж является одним из важнейших показателей
эффективности деятельности компании.
Она определяется по формуле:
.5 Калькуляция себестоимости изделия
После установки трёх преобразователей частоты на электродвигатели
дымососов котельной мы получаем выгоду.
Преобразователи частоты дают экономию электроэнергии около
, то можно учесть эту экономию в
тарифе за
; стоимость одного
будет
Таблица 26 основные и вспомогательные материалы на единицу продукции
(проектная)
|
Наименование сырья и материалов
|
Единица измерения
|
Норма расхода
|
Цена, руб.
|
Сумма, руб.
|
|
Вода
|
|
1,03
|
10,42
|
10,7326
|
|
Газ
|
|
75
|
3,347
|
251,025
|
|
Электрическая энергия
|
|
7
|
1,25
|
8,8
|
|
Итого:
|
|
|
|
270,6
|
Объём выпуска -
.
Таблица 27 Калькуляция себестоимости производства продукции (проектная)
|
№
|
Наименование статей
|
Ед. изм.
|
Затраты
|
|
|
|
на ед., руб.
|
На весь выпуск, руб.
|
|
1
|
Основные материалы
|
|
|
|
|
1.1
|
Вода
|
|
10,7326
|
3020454,2
|
|
1.2
|
Газ
|
|
251,025
|
70645463,7
|
|
1.3
|
Электрическая энергия
|
|
8,8
|
2476566,4
|
|
Итого
|
|
270,6
|
76154416,8
|
|
2.1
|
Заработная плата основных производственных рабочих
|
руб.
|
41,56
|
11697602
|
|
2.2
|
Отчисления в фонд ОСВ
|
руб.
|
10,8
|
3041376
|
|
3.1
|
Расходы на содержание и эксплуатацию оборудования
|
руб.
|
3799278
|
|
3.2
|
Цеховые расходы
|
руб.
|
3,88
|
831647
|
|
4
|
Итого производственная себестоимость
|
руб.
|
340,34
|
95524319,8
|
|
5
|
Общефабричные расходы
|
руб.
|
16,62
|
4679041
|
|
6
|
Итого фабричная себестоимость
|
руб.
|
356,96
|
100203360,8
|
|
7
|
Внешнепроизводственные расходы
|
руб.
|
37
|
10412836
|
|
8
|
Всего полная себестоимость
|
руб.
|
393,96
|
110616196,8
|
|
9
|
Наценка (30%)
|
руб.
|
118,2
|
33184859,04
|
|
10
|
Цена без НДС
|
руб.
|
512,2
|
143801055,8
|
|
11
|
НДС
|
руб.
|
92,2
|
25884190,1
|
|
12
|
Отпускная цена
|
руб.
|
604,4
|
169685245,85
|
.5.1 Расчёт прибыли и финансовых результатов (проектная)
Расчёт прибыли и финансовых результатов при прежней отпускной цене:
7.5.2 Расчёт критической программы
(проектная)
где Цшт - цена единицы изделия, руб.; СФИ - совокупные фиксированные
издержки; ПИшт - переменные издержки на единицу изделия.
.5.3 Рентабельность продаж (проектная)
Рентабельность продаж является одним из важнейших показателей
эффективности деятельности компании.
Она определяется по формуле:
7.6 Срок окупаемости
В связи с меньшим потреблением электрической энергии и понижением
расходов на содержание и эксплуатацию оборудования за год будет сэкономлено:
На модернизацию трёх электроприводов дымососов котельной и дополнительные
затраты на монтаж и покупку прочего оборудования было потрачено
следовательно, срок окупаемости
проекта составит:
7.7 Технико-экономические показатели проекта
Таблица 28 Итоговая таблица технико-экономических показателей
|
Наименование показателя
|
Показатель
|
Показатель после модернизации
|
|
Объем реализации, т
|
281428
|
281428
|
|
Объёма реализации, руб.
|
171308520,63
|
171308520,63
|
|
Себестоимость единицы изделия, руб.
|
397
|
393,96
|
|
Чистая прибыль, руб.
|
45383595,97
|
46498522,5
|
|
Рентабельность производства, %
|
34,8
|
35
|
|
Отпускная цена, руб.
|
609
|
604,4
|
|
Среднемесячная з/п осн. Произв. Раб.
|
9070
|
9070
|
|
Критическая программа, т. пара
|
33723,3
|
33081
|
|
Срок окупаемости, мес.
|
-
|
7
|
Заключение
В данном дипломном проекте был модернизирован электропривод дымососа
котельной. Малоэффективное и трудозатратное регулирование производительности
дымососа направляющим аппаратом было заменено на частотное регулирование
скорости вращения электродвигателя дымососа. Это позволяет поддерживать КПД
турбомеханизма на одном уровне, в не зависимости от частоты вращения. Мощность
потребляемая дымососом рассчитана по
и
, и составила
. В соответствии с расчетом выбран
асинхронный двигатель марки 5А200M4
мощностью
.
Для соединения вала двигателя и дымососа была выбрана упругая
втулочно-пальцевая муфта МУВП-9-1000-60-1У4 рассчитанная для установки на вал
и на допустимый расчётный момент
.
Для осуществления частотного способа регулирования был выбран частотный
преобразователь ATV61WD37N4 рассчитанный на мощность двигателя
из каталога фирмы Schneider Electric.
Был произведён расчет силовых элементов преобразователя частоты в
соответствии с которым были выбраны: полумост IGBT 2MBI200S-120 содержащий 2 модуля IGBT с обратными диодами рассчитанный на
постоянный ток коллектора
и допустимое рабочее напряжение
"коллектор-эмиттер"
; диод-диодный модуль SKKD 162 содержащий 2 диода в одном корпусе рассчитанный
на допустимый рабочий ток диода
, и максимальное обратное напряжение диода
; 12 электролитических конденсатора
типа B41554 фирмы Epcos с номинальными параметрами:
,
; сетевой дроссель VW3 A4 6503 с номинальными параметрами
, номинальный ток
. На данной элементной базе был
построен чертёж силовой части преобразователя частоты.
Для подключения силовой цепи в соответствии с нагрузкой был выбран
силовой медный кабель ВВГ-П сечением
рассчитанный на ток
. Для защиты питающей сети был выбран
автоматический выключатель NS80HMA80 с номинальным током
и номинальным напряжением
. Для пуска и остановки двигателя был
выбран нереверсивный магнитный пускатель типа ПМЛ-4220ДМОА на номинальный
коммутируемый ток
, с тепловым реле типа РТЛ-2063 с диапазон регулирования
номинального тока несрабатывания
. Для защиты поста управления от
короткого замыкания, выбрали плавкий предохранитель НПН2-20 с номинальным током
плавких ставок
.
Произведенный анализ и настройка на технический оптимум контура
регулирования скорости показал, что статическая ошибка
меньше указанной в задании
, а перерегулирование
находиться в допустимых пределах.
Были построены логарифмические амплитудно-частотные и фазо-частотные
характеристики в программе МВТУ, и проведена проверка на устойчивость
разомкнутого контура. Запас устойчивости по фазе:
.
Расчёты экономической части подтвердили целесообразность модернизации, в
результате которой: снизалась нагрузка на персонал, уменьшилось потребление
электроэнергии, таким образом понизилась себестоимость вырабатываемого пара за
единицу времени.
Список использованных источников
котельная дымосос электропривод энергетический
1 Соколов Б.А. Котельные установки и их эксплуатация /
Б.А. Соколов. - 2-е изд., испр. - М.: Издательский центр "Академия",
2007. - 432 с.
2 Соколов Б.А. Устройство и эксплуатация оборудования
газомазутных котельных : учеб. пособие для нач. проф. образования /
Б.А.Соколов. - М.: Издательский центр "Академия", 2007. - 304 с.
Сидельниковский Л.Н. Котельные установки
промышленных предприятий: учебник для вузов / Л.Н. Сидельниковский, В.Н.
Юрьев.- 3-е изд., перераб. - М.: Энергоатомиздат, 1988. - 528 с.: ил.
Онищенко Г.Б. Электропривод турбомеханизмов / Г.Б.
Онищенко, М.Г. Юньков. - М.: Энергия, 1972. - 240 с.: ил.
Копылов И.П. Проектирование электрических машин:
учеб. для вузов / И.П. Копылова. - 3-е изд., испр. и доп. - М.: Высш. шк.,
2002. - 757 с.: ил.
Лихачёв В.Л. Электродвигатели асинхронные / В.Л.
Лихачёв. - М.: СОЛОН-Р, 2002. - 304 с.
Устюгов И.И. Детали машин: учеб. пособ. для тех. /
И.И. Устюгов. - 2-е изд., перераб. и доп. - М.: Высш. шк., 1981. - 399 с.
Электротехнический справочник: в 4 т. Т. 4 / под
ред. В.Г. Герасимова. - М.: Издательство МЭИ, 2004. - 696 с.
Ключев В.И. Теория электропривода: учеб. для вузов /
В.И. Ключев - 2-е изд. перераб. и доп. - М.: Энергоатомиздат, 1998. - 704 с.:
ил.
Бийский котельный завод [Электронный ресурс]. -
Режим доступа: http://www.bikz.ru/ , свободный.
Пожарная безопасность. Взрывобезопасность:
справочник / под ред. А.Н. Баратова. - М.: Химия, 1987. - 287 с.
Пожаровзрывоопасность веществ и материалов, и
средства их тушеня: справочник / под ред. А.Н. Баратова. - М.: Химия, 1990.
-496 с.
Обеспечение производственной и экологической
безопасности: методические указания и рекомендации по дипломному проектирования
/ сост. Ф. М. Гимранов [и др.]; Казан. гос. технол. ун-т. - Казань, 1998. - 60
с.
Технико-экономическое обоснование дипломных проектов
и работ: уч.-метод. пос. / Казан. гос. технол. ун-т; сост. Л.Р. Хуснуллина,
И.Н. Терюшов. - Казань, 2009.-84 с.