Выбор системы электроснабжения в общей системе городского хозяйства г. Старый Оскол
ВВЕДЕНИЕ
Электричество давно и прочно
вошло во все отрасли народного хозяйства и в быт людей. В настоящее время
нельзя представить себе жизнь и деятельность современного человека без
применения электричества. Основное достоинство электрической энергии - относительная
простота производства, передачи, дробления и преобразования.
Проектирование электрической сети городского
жилого микрорайона, включая разработку конфигурации сети и схемы подстанции,
является одной из основных задач развития энергетических систем города,
обеспечивающих надёжное и качественное электроснабжение потребителей.
Качественное проектирование является основой надёжного и экономичного
функционирования электроэнергетической системы городского промышленного
предприятия.
Задача проектирования электрической сети
относится к классу оптимизационных задач, однако не может быть строго решена
оптимизационными методами в связи с большой сложностью задачи, обусловленной
многокритериальностью, многопараметричностью и динамическим характером задачи,
дискретностью и частичной неопределенностью исходных параметров.
Актуальность темы курсового проекта. В этих
условиях проектирование электрической сети сводится к разработке конечного
числа рациональных вариантов развития электрической сети, обеспечивающих надёжное
и качественное электроснабжение городского промышленного предприятия
электроэнергией в нормальных и послеаварийных режимах. Выбор наиболее
рационального варианта производится по экономическому критерию. При этом все
варианты предварительно доводятся до одного уровня качества и надёжности
электроснабжения. Экологический, социальный и другие критерии при
проектировании сети учитываются в виде ограничений. На стадии выбора
конкурентно способных вариантов развития электрической сети городского промышленного
предприятия решаются две основные задачи - определение рационального класса
напряжения сети и выбор конфигурации сети.
Цель курсового проекта - исследовать выбор
системы электроснабжения в общей системе городского хозяйства г. Старый Оскол.
Для достижения поставленной цели необходимо
решить следующие задачи:
исследовать теоретические аспекты
электроснабжения в системе городского хозяйства;
рассмотреть оборудование для электроснабжения
города;
рассчитать и спроектировать систему
электрообеспечения жилого микрорайона Дубрава в г.Старый Оскол.
Структура курсового проекта. В теоретической
части курсового проекта рассматривается общие вопросы электроснабжения, в
методической части определена методика выбора и расчёта системы
электроснабжения, а в практической части рассчитана суммарная расчетная
нагрузка применительно к микрорайону Дубрава.
ГЛАВА 1. ТЕОРЕТИЧЕСКИЕ ОСНОВЫ ЭЛЕКТРОСНАБЖЕНИЯ
Работа современных промышленных предприятий
связана с потреблением электрической энергии, вырабатываемой электростанциями.
Электрическая станция - это промышленное
предприятие, вырабатывающее электроэнергию и обеспечивающее её передачу
потребителям по электрической сети.
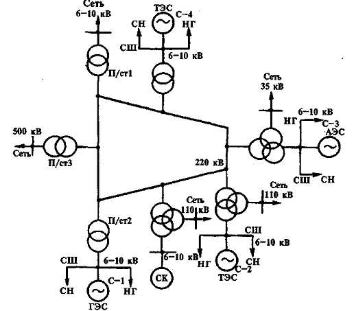
Рис.1. Принципиальная схема электрической
системы: ТЭЦ, АЭС, ТЭС, ГЭС - теплоцентраль, атомная, тепловая, гидравлическая
станции; СН- собственные нужды; СК- синхронные компенсаторы; СШ- сборные шины;
НГ- нагрузка на генераторном напряжении; П/ст- трансформаторные подстанции.
Электроустановка, предназначенная для преобразования
и распределения электрической энергии, называется электрической подстанцией.
Линией электропередачи (ЛЭП) называют
электроустановку, предназначенную для передачи электрической энергии.
Электрическая сеть - это совокупность воздушных
и кабельных ЛЭП и подстанций, работающих на определённой территории.
Совокупность электростанций, электрических сетей и электропотребителей,
связанных общностью процесса производства, передачи и использования
электроэнергии, называют энергетической системой. На некоторых электростанциях
вырабатывается не только электрическая, но и тепловая энергия.
Поэтому энергосистема охватывает и установки
производства, распределение и использование теплоты. Электрическую часть
энергосистемы называют электрической системой.
Источниками питания электрических систем служат
электрические станции.
Основными типами электростанций являются
гидроэлектрические тепловые и атомные электростанции. На гидроэлектростанции
(ГЭС) в электрическую энергию преобразуют механическую энергию водного потока
реки - гидравлическую энергию.
На тепловых электростанциях (ТЭС) в
электрическую преобразуют энергию, выделяемую при сгорании каменного угля,
торфа, сланцев, газа, нефти и других видов топлива.
Главный недостаток тепловых электростанций -
низкий коэффициент полезного действия. Лишь 30- 40% теплоты, полученной при
сгорании топлива, используется полезно, а остальная часть - отдаётся
охлаждающей воде при конденсации пара и дымовыми газами. Эта энергия
безвозвратно теряется в процессе производства электроэнергии.
Атомные электростанции (АЭС)- это тоже тепловые
паротурбинные станции, но использующие в качестве топлива ядерное горючие.
В технологической схеме АЭС роль котла выполняет
атомный реактор. Теплота, выделяющаяся в реакторе при делении ядер урана или
плутония, передаётся теплоносителю - тяжёлой воде, гелию и т.п. От
теплоносителя тепловая энергия передаётся парогенератору. Далее та же схема
преобразования энергии пара в механическую энергию паровой турбины и в
электрическую энергию, что и на ТЭС.
В настоящее время преимущественное развитие
имеют ТЭС. Это обусловлено двумя основными факторами: удельными
капиталовложениями и сроками строительства ТЭС. По мере совершенствования
оборудования освоение больших единичных мощностей реакторов показатели АЭС
постепенно приближаются к показателям ТЭС. В качестве резервного источника
питания, а также в начальный период эксплуатации предприятий, размещенных в
районах Сибири и Крайнего Севера, для временного электроснабжения применяют
дизельные, газотурбинные электростанции и энергопоезда.
Основным элементом дизельных электростанций
(ДЭС) является дизель - генератор. В качестве первичных двигателей в основном
применяют безкомпрессорные четырёх- и двухтактные дизели мощностью 5- 1000 кВт,
имеющие частоту вращения 375- 1500 об/мин. Дизели комплектуют генераторами
переменного тока. В настоящее время исследуют возможность более широкого
использования тепловой энергии вулканов и гейзеров- на геотермальных станциях,
электростанций с магнитогидродинамическими генераторами, энергии ветра- на
ветроэлектростанциях, энергии приливов и отливов- на приливных электростанциях.
Опытные промышленные установки, работающие на этих видах энергии, уже имеются.
Технико-экономические вопросы
взаимоотношений между энергосистемой и потребителем связаны с разработкой и
выполнением:
- технических условий
на присоединение электроустановок потребителей - к энергосистеме;
- схем размещения
приборов контроля качества электроэнергии;
- схем размещения
приборов учета;
- нормативов по
компенсации реактивной мощности и оптимальных режимов работы компенсирующих
устройств;
- правил и норм по
надежной и экономичной эксплуатации электроустановок потребителей.
Оперативно-диспетчерские
взаимоотношения определяются необходимостью обеспечения:
- электроснабжения
потребителей в соответствии с выбранным уровнем надежности схемы их внешнего
электроснабжения;
- нормальных условий
эксплуатации и ремонта оборудования, сетей и приборов энергосистемы и
потребителей;
- установленных
стандартом норм качества электроэнергии;
- разгрузки
энергосистемы для сохранения устойчивости ее режима при возникновении временных
аварийных дефицитов мощности.
Единство электрической схемы
энергосистемы и потребителей обуславливает необходимость строгой регламентации
взаимоотношений между оперативно-диспетчерским персоналом.
Координация взаимоотношений
между энергосистемой и потребителем возложена на Энергосбыт.
Электрические сети подразделяют
по следующим признакам.
. Напряжение сети. Сети могут
быть напряжением до 1 кВ - низковольтными, или низкого напряжения (НН), и выше
1 кВ -высоковольтными, или высокого напряжения (ВН).
. Род тока. Сети могут быть
постоянного и переменного тока. Электрические сети выполняются в основном по
системе трехфазного переменного тока, что является наиболее целесообразным,
поскольку при этом может производиться трансформация электроэнергии. При
большом числе однофазных приемников от трехфазных сетей осуществляются
однофазные ответвления. Принятая частота переменного тока в ЕЭС России равна 50
Гц.
. Назначение. По характеру
потребителей и от назначения территории, на которой они находятся, различают:
сети в городах, сети промышленных предприятий, сети электрического транспорта,
сети в сельской местности. Кроме того, имеются районные сети, предназначенные
для соединения крупных электрических станций и подстанций на напряжении выше 35
кВ; сети межсистемных связей, предназначенные для соединения крупных
электроэнергетических систем на напряжении 330,500 и 750 кВ. Кроме того,
применяют понятия: питающие и распределительные сети.
. Конструктивное выполнение
сетей. Линии могут быть воздушными, кабельными и токопроводами. Подстанции
могут быть открытыми и закрытыми.
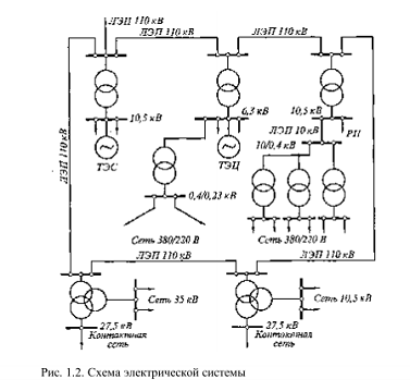
Для графического изображения
электроэнергетических систем, а также отдельных элементов и связи между
элементами используют общепринятые условные обозначения. Для того чтобы
передать электроэнергию на расстояние, ее предварительно преобразовывают,
повышая напряжение трансформаторами. У мест потребления электроэнергии
напряжение понижают до нужной величины. Из схемы можно понять, что
электроэнергия передается по воздушным линиям. Схема, приведенная на рис. 1.2,
представлена в однолинейном изображении. В действительности элементы системы,
работающие на переменном токе, имеют трехфазное исполнение. Однако для
выявления структуры системы и анализа ее работы нет необходимости в ее
трехфазном изображении, вполне достаточно воспользоваться ее однолинейным
изображением.
Электрическое оборудование,
применяемое в электрических системах, характеризуется номинальным напряжением.
При номинальном напряжении электроустановки работают в нормальном и экономичном
режимах.
Номинальное напряжение сети
совпадает с номинальным напряжением ее приемников.
Первичные обмотки
трансформаторов (независимо от того, повышающие они или понижающие) играют роль
потребителей электроэнергии, поэтому их номинальное напряжение принимают равным
номинальному напряжению электроприемников.
Генераторы электрических
станций и вторичные обмотки трансформаторов находятся в начале питаемой ими
сети, поэтому их напряжения должны быть выше номинального напряжения приемников
на величину потерь напряжения в сети. Обычно принимают номинальное напряжение
вторичных обмоток трансформатора на 5 или 10% выше номинального для
электроприемников и сети.
ЛЭП, предназначенные для распределения
электроэнергии между отдельными потребителями в некотором районе и для связи
энергосистем, могут выполняться как на большие, так и на малые расстояния и
предназначаться для передачи мощностей различных величин. Для дальних передач
большое значение имеет пропускная способность, т. е. та наибольшая мощность,
которую можно передавать по ЛЭП с учетом всех ограничивающих факторов.
Взаимоотношения между
энергосистемой и потребителями регламентированы Правилами пользования
электрической энергией. Их в определенной мере можно разделить на
юридически-правовые, технико-экономические и оперативно-диспетчерские.
ГЛАВА 2. МЕТОДИКА ПОДБОРА ОБОРУДОВАНИЯ ДЛЯ
СИСТЕМЫ ЭЛЕКТРОСНАБЖЕНИЯ
Для выполнения электрических
сетей применяются неизолированные (голые) и изолированные провода, кабели и
токопроводы.
Голые провода не имеют
изолирующих покровов. Их можно прокладывать только в условиях, исключающих
случайные прикосновения к ним людей. Прикосновение проводящим предметом к
одному или нескольким проводам приведет к замыканию. Наибольшее распространение
голые провода получили на воздушных линиях, расположенных на открытом воздухе.
Провода подвешиваются к опорам при помощи изоляторов и арматуры.
Большинство сетей напряжением
до 1 кВ внутри помещений выполняются изолированными проводами, т. е. проводами,
имеющими изолирующие, а иногда защитные покровы.
Кабелем называют
многопроволочный провод или несколько скрученных вместе изолированных проводов
при помещении в общую герметическую оболочку. Силовые кабели предназначены для
прокладки в земле, под водой, на открытом воздухе и внутри помещений.
Токопроводом называют
устройство, предназначенное для канализации электроэнергии при открытой
прокладке в производственных и электротехнических помещениях, по опорным
конструкциям, колоннам и фермам зданий. К токопроводам относятся шинные
магистрали различного исполнения, которые называются шинопроводами.
Материалами для токоведущих
частей проводов и кабелей являются медь, алюминий, их сплавы и сталь.
Медь - один из лучших
проводников электрического тока, и поэтому необходимые технико-экономические
показатели (потери электроэнергии) можно получить при меньших сечениях медных
проводов, чем при проводах из других материалов. Твердотянутая медь при
температуре +20°С имеет удельное сопротивление/ 18 Ом·мм2 в расчете на 1 км.
Медные провода хорошо противостоят влиянию атмосферных условий и большинству
химических реагентов, находящихся в воздухе.
Алюминий - худший проводник,
чем медь. Его проводимость примерно в 1,6 раза меньше проводимости меди, однако
проводимость алюминия все же достаточно высока, чтобы его можно было
использовать в качестве токопроводящего материала для проводов и кабелей.
Действию атмосферных явлений алюминий противостоит так же хорошо, как и медь.
Стальные провода используются в
тех случаях, когда требуется передать небольшую мощность и, следовательно,
небольшое сечение, например, в сельских сетях. Стальные провода с большим
сопротивлением на разрыв используются для устройства переходов воздушных линий
через широкие реки, ущелья и т. п. при длине пролета более 1 км.
Активное и реактивное
сопротивление стальных проводов значительно выше, чем проводов из цветного
металла, и поэтому область применения этих проводов ограничена. Существенный
недостаток стальных проводов - их высокая коррозия. Для повышения коррозионной
стойкости стальные провода изготовляют из оцинкованной проволоки.
Воздушной линией
электропередачи (ВЛ или ВЛЭП) называют устройство для передачи электроэнергии
по проводам.
Воздушные линии состоят из трех
элементов: проводов, изоляторов и опор.
Расстояние между двумя
соседними опорами называют длиной пролета, или пролетом линии I Провода к
опорам подвешиваются свободно, и под влиянием собственной массы провод в
пролете провисает по цепной линии. Расстояние от точки подвеса до низшей точки
провода называют стрелой провеса. Наименьшее расстояние от низшей точки провода
до земли называется габаритом приближения провода к земле h. Габарит должен
обеспечивать безопасность движения людей и транспорта, он зависит от условий местности,
напряжения линии и т.п. Для ненаселенной местности габарит h = 5... 7 м, для
населенной - h = 6... 8 м.
Вместе с тем с увеличением
длины пролета уменьшается число опор и снижается стоимость изоляции линии. Для
линий напряжением до 1 кВ длина пролета обычно составляет 30... 75 м, для линий
напряжением ПО кВ - 150...200 м при высоте опор с горизонтальным расположением
проводов 13... 14 м, для линий напряжением 220...500 кВ длина пролета
составляет 400...450 м при высоте опор 25...30 м.
Над проводами воздушных линий
для защиты их от атмосферных перенапряжений подвешиваются грозозащитные тросы.
Обычно используют тросы из сталеалюминевых проводов. При подвеске на изоляторах
тросы могут быть использованы в качестве проводов связи.
Провода воздушных линий чаще
всего неизолированные (голые).
Основными конструкциями
являются:
- однопроволочные
провода из одного металла;
- многопроволочные
провода из одного металла;
- многопроволочные
провода из двух металлов;
- пустотелые провода;
- биметаллические
провода.
Однопроволочные провода, как
показывает само название, выполняют из одной проволоки.
Многопроволочные провода из
одного металла состоят из нескольких свитых между собой проволок. Провода имеют
одну центральную проволоку, вокруг которой делаются следующие повивы (ряды)
проволок. При одном повиве провод свит из 7 проволок, при двух пови-вах - из
19, при трех повивах - из 37 проволок. Скрутка смежных повивов производится в
разных направлениях, что обеспечивает более круглую форму и позволяет получить
более устойчивый против раскручивания провод.
Многопроволочные провода имеют
по сравнению с однопроволочными ряд существенных преимуществ:
- большую гибкость,
что обеспечивает большую сохранность и удобство монтажа;
- высокие
сопротивления на разрыв могут быть получены только для проволок относительно
небольшого диаметра. Однопроволочные провода с сечениями 25 мм2 и
более имели бы пониженное сопротивления на разрыв.
Однопроволочные провода
изготавливаются для сечений 4, 6, 10 мм2, многопроволочные - от 10
мм2.
Проволоки из цветного металла
под действием химических реагентов воздуха быстро покрываются тонким слоем
окиси металла проводника и дальнейшему разрушению не поддаются. Электрический
ток из-за плохой проводимости оксидной пленки «разбивается» на ряд параллельных
токов, идущих по проволокам провода. Результатом этого явления и скрутки
провода (длина проволок на 2...3% больше длины провода, измеренной по оси)
является повышение активного сопротивления многопроволочного провода на 2...3%.
Желание повысить механическую
прочность привело к изготовлению алюминиевых проводов со стальным сердечником,
называемых сталеалюминевыми. Сердечник провода выполняется из одной или
нескольких свитых стальных оцинкованных проволок.
Алюминиевые проволоки,
покрывающие стальной сердечник одним, двумя или тремя повивами, являются
токоведущей частью провода. Электропроводность стального сердечника мала и
потому не учитывается.
Механическую нагрузку (тяжение
по проводу) воспринимают сталь и алюминий. В сталеалюминевых проводах с
отношением сечения алюминия к сечению стали около 5...6 алюминиевые проволоки
принимают 50...60 % полного тяжения по проводу, а остальное - стальной
сердечник.
При необходимости сочетать
малое активное сопротивление провода с очень большой механической прочностью
применяют сталебронзовые и сталеалдреевые провода. Алдрей представляет собой
сплав алюминия с незначительной долей (около 1,2%) магния и кремния.
Пустотелые медные и биметаллические
(стальная проволока покрыта приваренным слоем меди) применяются редко.
Для удобства записей провода
обозначаются марками: М - медь, А - алюминий, Ал - ал-дрей, С - сталь, Б -
бронза.
Сталеалюминевые провода
изготавливаются следующих марок:
- АС, имеющие
отношение сечений алюминия и стали 5,5...6;
- АСО (облегченной
конструкции), имеющие отношение сечений алюминия и стали 7,5...8;
- АСУ (усиленной
конструкции), имеющие отношение сечений алюминия и стали около 4,5.
Наиболее целесообразно применение
проводов АСО.
Для обозначения провода рядом с
маркой дается номинальное сечение провода, например, А-50 обозначает
алюминиевый провод с сечением 50 мм2. Номинальным сечением
называется округленная величина фактического сечения провода. Цифра при марке
сталеалюминевого провода, например АС-150, дает только номинальное сечение
алюминиевой части провода.
Принята следующая шкала
номинальных сечений неизолированных проводов: 4, 6, 10, 16, 25, 35, 50, 70, 95,
120, 150, 185, 240, 300, 400, 500, 600, 700 мм2.
Применяются следующие типы
изоляторов воздушных линий:
- фарфоровые штыревые
типа ШС-6, ШС-10 - для линий напряжением 6... 10 кВ;
- фарфоровые штыревые
типа Ш-20, ШД-35 - для линий напряжением 20...35 кВ;
- подвесные
фарфоровые или стеклянные изоляторы ПФ и ПС - для линий напряжением 35 кВ и
выше.
Изоляторы типа ШД и ШС крепятся
к опорам на крюках и штырях. При напряжении ПО кВ и выше применяются только
подвесные изоляторы, которые собираются в гирлянды Гирлянды подвесных
изоляторов бывают поддерживающие и натяжные. Поддерживающие изоляторы
располагаются вертикально на промежуточных опорах, натяжные гирлянды
используются на анкерных опорах и находятся почти в горизонтальном положении.
На ответственных участках ЛЭП применяют сдвоенные гирлянды.
Число изоляторов в гирлянде
зависит от напряжения ЛЭП, эффективной и нормированной длины пути утечки и
материала опоры (требуемого уровня изоляции). На деревянных и железобетонных
опорах при напряжении 35 кВ берется два подвесных изолятора в гирлянде, при
напряжении 110 кВ - шесть изоляторов, при напряжении 220 кВ - двенадцать
изоляторов. На металлических опорах берется на один-два изолятора больше.
На воздушных линиях напряжением
выше 220 кВ для защиты гирлянд от повреждений при возникновении дуги короткого
замыкания применяются защитные рога и кольца.
Воздушные ЛЭП прокладываются на
деревянных, металлических и железобетонных опорах.
По назначению опоры бывают
промежуточными, анкерными, угловыми и концевыми. Опоры могут быть одноцепными и
двухцепными, с тросом и без троса.
Наиболее распространенными на
линиях являются промежуточные опоры. В равнинных местностях число этих опор
составляет 80...90% от общего числа опор при нормальных режимах работы, когда
все провода целы, на промежуточные опоры усилий, действующих вдоль линии, нет.
Опора воспринимает вертикальные
силы - массу проводов, изоляторов, льда и самой опоры, и горизонтальные силы -
давление ветра на провода и опору.
При обрыве провода
промежуточная опора должна принять продольную силу неуравновешенного тяжения по
проводу, оборвавшемуся по одному из пролетов.
Анкерные опоры устанавливаются
через определенное число пролетов (через каждые 3... 5 км линии), имеют жесткое
закрепление проводов и рассчитываются на обрыв всех проводов. Провода линий с
подвесными изоляторами крепятся на анкерных опорах натяжными гирляндами,
провода одной и той же фазы смежных с опорой пролетов соединены петлями
проводов.
При подходах к подстанциям
устанавливаются концевые опоры, назначение которых принять тяжения, действующие
по проводам линии. Концевые опоры являются ближайшими к подстанциям. Концевые
опоры выполняются жесткими, провода на них крепятся, как и на анкерных опорах,
натяжными гирляндами изоляторов. В точках поворота линии устанавливаются
угловые опоры.
На линиях напряжением 220 кВ и
выше применяют расщепление проводов - подвешивают несколько проводов в фазе.
Этим достигается уменьшение напряженности электрического поля около проводов и
ослабление ионизации воздуха (короны). Расстояние между проводами расщепленной
фазы составляет около 40 см. Для фиксирования вдоль линии устанавливают
специальные распорки между проводами расщепленной фазы.
Расположение проводов по
вершинам треугольника широко распространено на линиях напряжением до 35 кВ и на
одноцепных линиях напряжением 110 кВ на металлических и железобетонных опорах.
Горизонтальное расположение проводов применяют на линиях напряжением ПО кВ и
выше с металлическими и железобетонными опорами. Для двухцепных опор более
удобно с точки зрения эксплуатации расположение проводов по типу «обратная
елка».
Проектирование электрической сети городского
жилого микрорайона, включая разработку конфигурации сети и схемы подстанции,
является одной из основных задач развития энергетических систем города,
обеспечивающих надёжное и качественное электроснабжение потребителей.
Качественное проектирование является основой надёжного и экономичного
функционирования электроэнергетической системы городского жилого микрорайона.
Задача проектирования электрической сети
городского жилого микрорайона относится к классу оптимизационных задач, однако
не может быть строго решена оптимизационными методами в связи с большой
сложностью задачи, обусловленной многокритериальностью, многопараметричностью и
динамическим характером задачи, дискретностью и частичной неопределенностью
исходных параметров.
В этих условиях проектирование электрической
сети сводится к разработке конечного числа рациональных вариантов развития
электрической сети, обеспечивающих надёжное и качественное электроснабжение
городского жилого микрорайона электроэнергией в нормальных и послеаварийных
режимах. Выбор наиболее рационального варианта производится по экономическому
критерию. При этом все варианты предварительно доводятся до одного уровня
качества и надёжности электроснабжения. Экологический, социальный и другие
критерии при проектировании сети учитываются в виде ограничений. На стадии
выбора конкурентно способных вариантов развития электрической сети городского
жилого микрорайона решаются две основные задачи - определение рационального
класса напряжения сети и выбор конфигурации сети.
Определение рационального класса напряжения
зависит от района, в котором ведётся проектирование, мощности присоединяемых
узлов и их удалённости от источников электроэнергии.
Разработка вариантов развития сети, связанная с
присоединением городского жилого микрорайона к сети 110кВ, выполнена при
соблюдении следующих основных принципов выбора конфигурации сети:
сеть должна быть как можно короче
географически;
электрический путь от источников к
потребителю должен быть как можно короче;
существующая сеть должна быть
короче;
каждый вариант развития сети должен
удовлетворять требованиям надёжности;
потребители I и II категории по
надёжности электроснабжения должны получать питание от двух независимых
источников (по двум или более линиям);
в послеаварийных режимах (отключение
линии, блока на станции) проектируемые и существующие линии не должны
перегружаться (ток по линии не должен быть больше длительно допустимого тока по
нагреву).
Выбор сечений линий электропередачи городского
жилого микрорайона выполняется с использованием экономических токовых
интервалов. При этом в зависимости от принципов применяемых при унификации опор
зоны экономических сечений могут сдвигаться, поэтому для однозначности
проектных решений при выборе сечений оговариваются используемые опоры и таблицы
экономических интервалов сечений.
Устойчивое и качественное электрообеспечение
потребителей (и не только отдалённых) разрешимо, если одновременно с сетевым
строительством и реконструкцией будут сооружаться мелкие источники
электроэнергии, работающие параллельно с энергосистемой или автономно.
Фактически эти два направления (крупное как основа электроэнергетики, некрупное
как составная часть электроснабжения электрики) должны быть гармонично увязаны.
Строительство собственных источников
электроэнергии тесно связано с тенденцией, характерной для средних и крупных
металлургических, химических, машиностроительных и других предприятий,
отдельных посёлков и городов. Налицо их стремление уменьшить свою зависимость
от энергосистем в обеспечении электричеством (и теплом: восстановление и
строительство собственных котельных) путём использования ВЭР и установки
генераторов небольшой мощности на напряжение не только 6(10) кВ, но и 0,4 кВ. С
точки зрения электрики, подобная децентрализация обостряет проблему технических
условий, сформулированных в 60-е годы под взятые на себя электроэнергетикой, но
не выполненные обязательства обеспечить всех потребителей электроэнергией при
минимуме приведенных затрат. "Правила пользования электрической
энергией" (ныне отменённые) были обязательным документом для всех
пользователей (включая проектировщиков). Выдача технических условий
превращалась в процедуру, зачастую ущемлявшую интересы потребителей.
Проектирование электрических сетей должно
осуществляться с учетом вида их обслуживания (постоянное дежурство, дежурство
на дому, выездные бригады и др.).
Работа электрических сетей напряжением 2-35 кВ
может предусматриваться как с изолированной нейтралью, так и с нейтралью, заземленной
через дугогасящий реактор или резистор.
Компенсация емкостного тока замыкания на землю
должна применяться при значениях этого тока в нормальных режимах:
в сетях напряжением 3-20 кВ, имеющих
железобетонные и металлические опоры на воздушных линиях электропередачи, и во
всех сетях напряжением 35 кВ - более 10 А;
в сетях, не имеющих железобетонных и
металлических опор на воздушных линиях электропередачи:
более 30 А при напряжении 3-6 кВ;
более 20 А при напряжении 10 кВ;
более 15 А при напряжении 15-20 кВ;
в схемах генераторного напряжения
6-20 кВ блоков генератор-трансформатор - более 5А.
При токах замыкания на землю более 50 А
рекомендуется применение не менее двух заземляющих реакторов.
Работа электрических сетей напряжением 110 кВ
может предусматриваться как с глухозаземленной, так и с эффективно заземленной
нейтралью.
Электрические сети напряжением 220 кВ и выше
должны работать только с глухозаземленной нейтралью.
Категории электроприемников и обеспечение
надежности электроснабжения
Категории электроприемников по надежности
электроснабжения определяются в процессе проектирования системы
электроснабжения на основании нормативной документации, а также технологической
части проекта.
Электроприемники первой категории -
электроприемники, перерыв электроснабжения которых может повлечь за собой
опасность для жизни людей, угрозу для безопасности государства, значительный
материальный ущерб, расстройство сложного технологического процесса, нарушение
функционирования особо важных элементов коммунального хозяйства, объектов связи
и телевидения.
Из состава электроприемников первой категории
выделяется особая группа электроприемников, бесперебойная работа которых
необходима для безаварийного останова производства с целью предотвращения
угрозы жизни людей, взрывов и пожаров.
Электроприемники второй категории -
электроприемники, перерыв электроснабжения которых приводит к массовому недоотпуску
продукции, массовым простоям рабочих, механизмов и промышленного транспорта,
нарушению нормальной деятельности значительного количества городских и сельских
жителей.
Электроприемники третьей категории - все
остальные электроприемники, не подпадающие под определения первой и второй
категорий.
Электроприемники первой категории в нормальных
режимах должны обеспечиваться электроэнергией от двух независимых взаимно
резервирующих источников питания, и перерыв их электроснабжения при нарушении
электроснабжения от одного из источников питания может быть допущен лишь на
время автоматического восстановления питания.
Для электроснабжения особой группы
электроприемников первой категории должно предусматриваться дополнительное
питание от третьего независимого взаимно резервирующего источника питания.
В качестве третьего независимого источника
питания для особой группы электроприемников и в качестве второго независимого
источника питания для остальных электроприемников первой категории могут быть
использованы местные электростанции, электростанции энергосистем (в частности,
шины генераторного напряжения), предназначенные для этих целей агрегаты
бесперебойного питания, аккумуляторные батареи и т. п.
Если резервированием электроснабжения нельзя
обеспечить непрерывность технологического процесса или если резервирование
электроснабжения экономически нецелесообразно, должно быть осуществлено
технологическое резервирование, например, путем установки взаимно резервирующих
технологических агрегатов, специальных устройств безаварийного останова
технологического процесса, действующих при нарушении электроснабжения.
Электроснабжение электроприемников первой
категории с особо сложным непрерывным технологическим процессом, требующим
длительного времени на восстановление нормального режима, при наличии
технико-экономических обоснований рекомендуется осуществлять от двух
независимых взаимно резервирующих источников питания, к которым предъявляются
дополнительные требования, определяемые особенностями технологического процесса.
Электроприемники второй категории в нормальных
режимах должны обеспечиваться электроэнергией от двух независимых взаимно
резервирующих источников питания.
Для электроприемников второй категории при
нарушении электроснабжения от одного из источников питания допустимы перерывы
электроснабжения на время, необходимое для включения резервного питания
действиями дежурного персонала или выездной оперативной бригады.
Для электроприемников третьей категории
электроснабжение может выполняться от одного источника питания при условии, что
перерывы электроснабжения, необходимые для ремонта или замены поврежденного
элемента системы электроснабжения, не превышают 1 суток.
Для электрических сетей следует предусматривать
технические мероприятия по обеспечению качества электрической энергии в
соответствии с требованиями ГОСТ 13109.
Устройства регулирования напряжения должны
обеспечивать поддержание напряжения на шинах напряжением 3-20 кВ электростанций
и подстанций, к которым присоединены распределительные сети, в пределах не ниже
105 % номинального в период наибольших нагрузок и не выше 100% номинального в
период наименьших нагрузок этих сетей. Отклонения от указанных уровней
напряжения должны быть обоснованы.
Выбор и размещение устройств компенсации
реактивной мощности в электрических сетях производятся исходя из необходимости
обеспечения требуемой пропускной способности сети в нормальных и послеаварийных
режимах при поддержании необходимых уровней напряжения и запасов устойчивости.
ГЛАВА 3. РАЗРАБОТКА ПРОЕКТА СИСТЕМЫ ЭЛЕКТРОСНАБЖЕНИЯ
МИКРОРАЙОНА ДУБРАВА
Электроснабжение микрорайона Дубрава в городе
Старый Оскол запроектировано от потребительских трансформаторных подстанций,
питание которых осуществляется от существующей подстанции. По степени
надежности электроснабжения, проектируемые здания относятся к II и III
категории потребителей. К II категории относятся электродвигатели лифтов,
насосов, аварийное освещение.
В основу расчета положена «Инструкция по
проектированию городских электрических сетей».
Целью расчета электрических нагрузок является
определение числа и мощности потребительских ТП. Расчетные электрические
нагрузки жилых домов складываются из расчетных нагрузок силовых потребителей
электроэнергии и нагрузок питающей осветительной сети.
Приведем методику расчета квартир, включая и
общедомовые помещения (подвалы, чердаки, лестничные клетки и т.д.).
Определим расчетную электрическую нагрузку
квартир, приведенную к вводу жилого дома по формуле:
(1)
где Ркв.уд. - удельная расчетная электрическая
нагрузка электроприемников квартир, принимая ее в зависимости от числа квартир
присоединенных к линии, кВт/квартир;- количество квартир.
Расчетная электрическая нагрузка жилого дома
(квартир и силовых электроприемников) - Рр.ж.д., кВт, определяется по формуле:
(2)
где Ку - коэффициент участия в максимуме
нагрузки силовых электроприемников, Ку-0,9;
Рс - расчетная нагрузка силовых
электроприемников жилого дома, кВт.
Расчетная нагрузка силовых электроприемников,
приведенная к вводу жилого дома, определяется:
(3)
где Рр.л. - мощность лифтовых установок, кВт;
Рст.у.- мощность электродвигателей
санитарно-технических устройств, кВт.
Мощность лифтовых установок определяется по
формуле:
(4)
где Кс - коэффициент спроса;
Рл - установленная мощность электродвигателя
лифта, кВт;- количество лифтовых установок.
Сделаем примерный расчет одного жилого дома.
Жилой дом на 108 квартир состоит из трех секций.
В доме 9 этажей, установлены три лифтовые установки с мощностью, приведенной к
ПВ=100%, равной 7 кВт.
Ркв.уд. - определяется путем интерполяции:

Ркв=0,592*108=63,94 кВт.
Расчетная нагрузка для лифтовых установок:
Рр.л.=0,8*7*3=16,8 кВт;
Рст.у=0 кВт.
Расчетная нагрузка силовых электроприемников
дома:
Рс=Рр.л.=16,8 кВт.
Расчетная электрическая нагрузка жилого дома:
Рр.ж.д.=63,94+16,8*0,9=79,1 кВт.
Реактивная нагрузка жилых объектов складывается
из реактивной мощности электродвигателей лифтов и реактивной мощности квартир:
Реактивная мощность квартир:
(5)
где tg φкв=0,29
/2/;
.
Реактивная мощность лифтов:
(6)
где: tg φл=1,17
/2/;
Расчет остальных жилых зданий аналогичен.
Расчет уличного освещения и потребности
микрорайона Дубрава в электроэнергии.
Электрический расчет сетей 0,38 кВ ведется по
минимуму приведенных затрат по экономическим интервалам. Экономическое сечение
проводов определяют следующим образом:
Находят расчетную максимальную нагрузку Smax
на данном участке линии.
Определяют эквивалентную нагрузку:
Sэкв
= Smax
х
Rg
Для вновь сооружаемых сетей коэф. учитывающий
динамику роста нагрузок Rg
=
0,7
2. Определяем
потерю напряжения при выбранных сечениях.
3. Проверяем
потерю напряжения, которая не должна превышать допустимую.
Расчет падения напряжения производим по формуле:
U,B =
где S - расчетная
мощность, кВА
L - длина
участка, км
U -
номинальное напряжение, кВ
r, x - активное
и индуктивное сопротивление провода
U,% =
Расчет токов короткого замыкания
Расчет токов к.з. нужен для
определения максимального тока трехфазного к.з. на шинах 0,4кВ трансформатора и
тока однофазного к.з. в наиболее удаленной точке линии.
Максимальный ток трехфазного к.з. на
шинах ТП:
Iк(3) =
где
относительное значение
максимального тока трехфазного к.з. по отношению к номинальному току
трансформатора, SH - номинальная мощность трансформатора.
Ток однофазного к.з. определяется по
формуле:
Iк(1) =
где ZT - полное
сопротивление трансформатора току замыкания на корпус.
ZП - полное
сопротивление фазного и нулевого провода.
UФ - фазное
напряжение
Расчет уличного освещения
микрорайона Дубрава
Данные для расчета уличного
освещения
Sул=
= 5200ВА или
5,2кВА
где Р - мощность, ватт • метр
L- длина
микрорайона Дубрава
Расчет электрической нагрузки ТП
Приближенный расчет нагрузки на
шинах ТП выполняется по списку потребителей. К мощности наибольшего потребителя
суммируют добавки мощностей всех остальных потребителей.
S∑ТП = Smax.потреб. +
= 93,3кВА
С учетом уличного освещения:
Sрасч = Sул + S∑ТП = 93.3 + 5.2
=98.5кВА
Мощность ТП следует выбирать с
учетом следующих требований:
Категория потребителя и обеспечение резервного
питания должны быть приняты во внимание.
Мощность трансформатора на однотрансформаторных
подстанциях нужно выбирать при условии их работы в нормальном режиме по
экономическим интервалам нагрузки с учетом систематических перегрузок, таким
образом чтобы:
Sэн<
Sрасч ≤
Sэв
где Sэн
,
Sэв нижняя
и верхняя границы интервалов нагрузки для трансформатора принятой номинальной
мощности.
Т.к. все потребители относятся к III
категории электроприемников, то достаточно установки одной ТП.
По пособию ПУЭ 1.2.17 выбираем трансформатор по
экономическим интервалам нагрузки. С учетом 8% динамики роста, исходя из
вышеуказанных требований делаем выбор на комплектной трансформаторной
подстанции тупикового типа КТП-100/10/0,4-У1, мощностью 100 кВА.
Согласно выбранному типовому проекту на КТП
микрорайона Дубрава устанавливаем следующее оборудование со стороны высшего
напряжения:
разъединитель РЛНД-10,как защиту от атмосферных
перенапряжений
вентильный разрядник РС-10, предохранитель
ПК-10.Номинальный ток плавкой вставки выбираем после согласования действия
ПК-10 с работой автоматического выключателя. Со стороны низшего напряжения на
вводе устанавливаем рубильник.
На отходящих линиях устанавливаем автоматические
выключатели серии ВА57Ф35 - 340010.. Для уличного освещения - магнитный
пускатель ПМЕ-211и автомат типа ВА57Ф35 - 340070 на номинальный ток 16А и
предельной коммутационной способностью 9кА.
Согласно выбранному типовому проекту микрорайона
Дубрава устанавливаем следующее оборудование со стороны высшего напряжения:
разъединитель РЛНД-10,как защиту от атмосферных перенапряжений - вентильный
разрядник РС-10, предохранитель ПК-10.Номинальный ток плавкой вставки выбираем
после согласования действия ПК-10 с работой автоматического выключателя. Со
стороны низшего напряжения на вводе устанавливаем рубильник.
На отходящих линиях микрорайона Дубрава
устанавливаем автоматические выключатели серии ВА57Ф35 - 340010. Для освещения
- магнитный пускатель ПМЕ-211и автомат типа ВА57Ф35 - 340070 на номинальный ток
16А и предельной коммутационной способностью 9кА.
В соответствии с [5] сечение кабелей с
алюминиевыми жилами в распределительных сетях 10кВ при прокладке их в земляных
траншеях, следует принимать не менее 35 мм2. Выбор экономически
целесообразного сечения производится по экономической плотности тока в
зависимости от металла провода и числа часов использования максимума нагрузки:
где Im - расчетный максимальный ток, А;э -
нормальное значение экономической плотности тока, А/мм2,э=1,6 А/мм2 [5]
где Sm - максимальная расчетная мощность,
передающаяся по кабелю, кВА;
(9.3)
Выбираем сечение кабеля на участке мкр Дубрава -
РП с ТП-2
(.9.4)
где Ку=0,8 /2/
РΣi - суммарная
расчетная нагрузка i-й ТП.
Рm0-2=(РΣ1+РΣ2+РΣ3+РΣ4+РΣ5+
+РΣ6)*0,8=(355,64+237+323+450,4+417+512)*0,8=1836
кВ
cos φ=0,92 - на шинах РП /2/
tg φ=0,43
Qm0-2= Qm0-1*tg φ=1836*0,43=789,5 кВт
Выбираем кабель марки ААБ с сечением жилы 95 мм2
Iдоп = 240А
ЗАКЛЮЧЕНИЕ
Таким образом, можно сделать следующие выводы.
Система электроснабжения объекта
состоит из питающих, распределительных, трансформаторных и преобразовательных
подстанций и связывающих их кабельных и воздушных сетей, а также токопроводов.
Схемы электрических соединений
электроустановок выполняются для первичных и вторичных цепей.
К первичным цепям относятся
главные цепи электроустановок, по которым электрическая энергия подается к
потребителям; их схемы выполняются однолинейными и трехлинейными.
В однолинейных схемах три фазы
установки и ее оборудование условно изображаются для одной фазы. На
трехлинейных схемах указываются соединения для всех трех фаз, а также вторичные
цепи. Полная схема получается громоздкой, поэтому она выполняется только для
отдельных элементов установки.
К вторичным цепям относятся
цепи, служащие для соединения вторичного электрооборудования - измерительных
приборов, приборов и аппаратов управления и сигнализации, устройств релейной
защиты и автоматики.
Выбор напряжений участков
электрической сети объекта определяется путем технико-экономического сравнения
вариантов. При выборе окончательного проектного решения, принимаемого на основе
сравнения вариантов, необходимо отдавать предпочтение варианту с более высоким
напряжением. В большинстве случаев проектировщик определяет напряжения в
пределах двух ближайших по шкале номинальных значений напряжения, для которых и
проводится сравнение вариантов. В ряде случаев исходные данные для
проектирования приводят к однозначному определению номинального напряжения без
детальных технико-экономических расчетов.
При выборе номинального
напряжения внешнего участка сети принимаются во внимание существующие
напряжения возможных источников питания энергосистемы, расстояние от этих
источников до предприятия и нагрузка предприятия в целом.
Напряжение 660 В как внутрицеховое
целесообразно на тех предприятиях, на которых по условиям расположения цехового
технологического оборудования или окружающей среды нельзя или затруднительно
приблизить цеховые трансформаторные подстанции к питаемым ими
электроприемникам. Напряжение 660 В целесообразно также на предприятиях с
большой удельной плотностью электрических нагрузок, концентрацией мощностей и
большим числом двигателей мощностью 200... 600 кВт. Наиболее целесообразно
сочетание напряжения 660 В с первичным напряжением 10 кВ. Необходимо учитывать,
что при применении напряжения 660 В возникает необходимость и в сетях
напряжением 380 В для питания небольших электродвигателей и светотехнических
установок. Наиболее широко применяется и является основным напряжение 380/220
В.
При близости источника питания
к объекту и потребляемой им мощности в пределах пропускной способности линий
напряжением 6 и 10 кВ электроэнергия подводится к распределительной подстанции
РП или к главной распределительной подстанции (ГРП). РП служат для приема и распределения
электроэнергии без ее преобразования или трансформации.
От РП электроэнергия подводится
к ТП и к электроприемникам напряжением выше 1 кВ, т.е. в этом случае напряжения
питающей и распределительной сети совпадают.
Если же объект потребляет
значительную (более 40 MB·А) мощность, а источник питания удален, то прием
электроэнергии производится на узловых распределительных подстанциях или на
главных понижающих подстанциях.
Узловой распределительной
подстанцией (УРП) называется центральная подстанция объекта напряжением 35 ...
220 кВ, получающая питание от энергосистемы и распределяющая ее по подстанциям
глубоких вводов на территории объекта. Главной понижающей подстанцией (ГПП)
называется подстанция, получающая питание непосредственно от районной энергосистемы
и распределяющая энергию на более низком напряжении (6 или 10 кВ) по объекту.
Подстанцией глубокого ввода
(ПГВ) называется подстанция на напряжение 35...220 кВ, выполненная по
упрощенным схемам коммутации на первичном напряжении, получающая питание
непосредственно от энергосистемы или от УРП. ПГВ обычно предназначается для
питания отдельного объекта (крупного цеха) или района предприятия.
Система электроснабжения может
быть выполнена в нескольких вариантах, из которых выбирается оптимальный. При
его выборе учитываются степень надежности, обеспечение качества электроэнергии,
удобство и безопасность эксплуатации, возможность применения прогрессивных
методов электромонтажных работ.
Основные принципы построения
схем объектов:
максимальное приближение источников
высокого напряжения 35 ...220 кВ к электроустановкам потребителей с
подстанциями глубокого ввода, размещаемыми рядом с энергоемкими
производственными корпусами;
резервирование питания для
отдельных категорий потребителей должно быть заложено в схеме и элементах
системы электроснабжения. Для этого линии, трансформаторы и коммутационные
устройства должны нести в нормальном режиме постоянную нагрузку, а в
послеаварийном режиме после отключения поврежденных участков принимать на себя
питание оставшихся в работе потребителей с учетом допустимых для этих элементов
перегрузок;
секционирование шин всех
звеньев системы распределения энергии, а при преобладании потребителей первой и
второй категории установка на них устройств АВР.
Схемы строятся по уровневому
принципу. Обычно применяются два-три уровня. Первым уровнем распределения
электроэнергии является сеть между источником питания объекта и ПГВ, если
распределение производится при напряжении 110...220 кВ, или между ГПП и РП
напряжением 6... 10 кВ, если распределение происходит на напряжении 6... 10 кВ.
Вторым уровнем распределения
электроэнергии является сеть между РП (или РУ вторичного напряжения ПГВ) и ТП
(или отдельными электроприемниками высокого напряжения).
На небольших и некоторых
средних объектах чаще применяется только один уровень распределения энергии -
между центром питания от системы и пунктами приема энергии (ТП или
высоковольтными электроприемниками).
электроснабжение нагрузка ток
освещение
СПИСОК ЛИТЕРАТУРЫ
1. Конюхова Е. А.
Электроснабжение объектов: Учеб. пособие для студ. учреждений сред. проф.
образования. - М.: Издательство «Мастерство», 2002.-320 с:
2. Основы техники релейной
защиты / М.А. Беркович, В.В. Молчанов, В.А. Семенов. - 6-е изд., перераб и доп.
- М.: Энергоатомиздат, 1984. - 376 с.
. Порошенко А.Г.
Проектирование электроснабжения с применением ПЭВМ. Учебное пособие / Алт. гос.
техн. ун-т им. И.И. Ползунова. - Барнаул: Изд-во Алт. гос. техн. ун-та, 2004. -
162 с.
. Пособие к курсовому и
дипломному проектированию для электроэнергетических специальностей вузов: Уч.
пособие для студентов электроэнергет. спец. вузов, 2-е изд., перераб. и
доп../В.М.Блок, Г.К. Обушев и др.; Под ред. В.М. Блок. - М.: Высш.шк., 2007. -
383с.:ил.
. Справочник по
электрооборудованию. - Изд.2-е, перераб. и доп. - М.: Колос, 2006. - 240 с.:
ил.
. Федоров А.А., Стракова
Л.Е. Учебное пособие для курсового и дипломного проектирования по
электроснабжению промышленных предприятий: Учеб. пособие для вузов. - М.:
Энергоатомиздат, 2002. - 368 с.: ил.
. Справочник по
электроснабжению промышленных предприятий. Промышленные электрические сети. 2-е
изд., перераб. и доп. /Под общ. ред. АА. Федорова и Г.В. Сербинского. -
М.:Энергия, 2001. - 576 с.
ПРИЛОЖЕНИЯ
ПРИЛОЖЕНИЕ 1
ПРИЛОЖЕНИЕ 2
ПРИЛОЖЕНИЕ 3