Расчет зимнего бетонирования градирии
Введение
В курсовом проекте мы делаем расчет зимнего бетонирования градирии.
Исходные данные для проектирования:
·
место
строительства - г. Челябинск (4 температурная зона)
·
начало работ (1
декабря)
·
материал опалубки
- дерево (сборно-щитовая)
·
класс бетона В20
·
усредненный
коэффициент к норме времени в зависимости от температурной зоны и месяца на
работы в зимнее время - К=1,1
·
в состав данной
железобетонной конструкции входят: днище бассейна, стенка, фундамент, состоящий
из стакана, верхней подошвы, нижней подошвы, (12 шт.)
·
дальность
транспортировки - 7 км
·
грунт - глина
·
транспортное
средство - автобетоносмеситель СБ-130
1.
Подсчет объемов работ калькуляция затрат труда
1.1 Опалубочные работы
На этом этапе работ определяется поверхность опалубкивания фундаментов и
днища бассейна, и рассчитывается площадь отдельных элементов массива фундамента
- подошва, подколонник, и стенок бассейна.
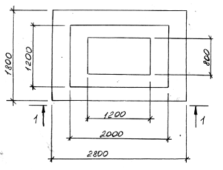
Фундамент Ф-1

Рис.1 Фундамент Ф-1
Sподошвы1=2,8*0,3*2+1,8*0,3*2=2,76м2
Sподошвы2=2,0*0,3*2+1,2*0,3*2=1,92м2
Количество фундаментов типа Ф-1 -12 штук
Sподколонника=1,2*1,9*2+0,8*1,9*2=7,6м2
Днище бассейнаднища = pR12 = 380 м2опал. днища = 2pR1*0,36 = 25 м2
Стенка бассейна
нар = 2pR1*2,15 = 148,6
м2внутр = 2p(R1-0,25)*2,15
= 145,2 м2

Рис.2 План бассейна и разрез по стене
1.2 Арматурные работы
Проектируются сетки для фундаментов, для днища бассейна и для стенок бассейна.
Сетки подошвы фундамента; нижняя и верхняя, укладываются в перекрестном
направлении. Соседние сетки укладываются внахлест. Продольная арматура
диаметром 20 мм, поперечная 10 мм.
Арматура фундамента Ф-1

Рис.3 Сетки С-1 и С-2
Рис.4 Сетки арматурные Сп-1 и Сп-2
Продольная арматура Æ20 укладывается с шагом 200 мм
С-1 МÆ20=41,5 кг
МÆ10=8,6 кг
МС-1=50,1 кг 2 сетки
С-2 МÆ20=39,5 кг
МÆ10=6,9 кг
МС-2=46,4 кг 2 сетки
Сп-1 МÆ20=30,9 кг
МÆ10=5,9 кг
МС-1=36,8 кг 2 сетки
Сп-1 МÆ20=43,2 кг
МÆ10=8,9 кг
Линейная плотностьÆ20=2,47 кг/м
МС-1=52,1 кг 2 сетки Линейная плотностьÆ10=0,617 кг/м
Арматура днища бассейна
По заданию днище бассейна армируется верхней и нижней сетками с ячейками
200х200 мм d=16мм. Линейная плотность стержней d=16мм - 1,58 кг/м
Рис.5 План расположения сеток армирования в днище бассейна

Рис. 6 Рис. 7
Масса сетки С-4 Масса сетки С-3
Мс-4 = 99,5 кг Мс-3
= 86,0 кг
Рис.8 Сетка С-5
Рис.9 Сетка С-6
Рис.10 Сетка С-7
Масса сетки С-5 Масса сетки С-6 Масса сетки С-7
Мс-5 = 86,3 кг 8 сеток Мс-6 = 82,8 кг 8 сеток Мс-7
= 18,3 кг 8 сеток
Рис.11 Сетка С-8
Масса сетки С-8
Мс-8 = 24,3 кг 8 сеток
-ой ряд сеток укладывается аналогично первому и имеет те же сетки
Рис.12 Сетка С-9
Масса сетки С-9
Мс-9 = 23,7 кг 115 сеток
Арматура стенок бассейна
Арматурные работы на стройплощадке представляют собой укрупненную сборку
каркаса монолитной железобетонной конструкции из отдельных сеток массой до 100
кг. При монтаже каркаса выполняют следующие операции: приемку, разгрузку и
подачу арматурных сеток непосредственно в сооружение или на площадку временного
складирования
.3 Бетонные работы
Определяется объем укладываемого бетона в опалубку для ступеней
подошвенной части и подколонника фундамента, стенок и днища бассейна.
Ф-1

Рис. 13
Vподошвы1=2,8*1,8*0,3 = 1,51 м3
Vподошвы2=2,0*1,2*0,3 = 0,72 м3
Vподколонника=1,2*0,8*1,9 = 1,824 м3
Днище бассейнаднища=3,14*112*0,35 = 133 м3
Стенки бассейнастенки=3,14(112-10,752 )1,8 = 30,8 м3
Подготовительный слой подг=3,14*11,12*0,1 = 38,7 м3подг.ф-1=1,9*2,9*0,1 =
0,551 м3
1.4 Ведомость объемов работ
Таблица 1
|
№
|
Наименование работ
|
Ед. изм.
|
Объем работ
|
Примечания
|
|
|
|
1 конст.
|
S
|
|
|
1
|
Опалубочные работы подошва
1 подошва 2 подколонник днище бассейна стенка бассейна внутренняя сторона
наружная сторона
|
м3
|
2,76 1,92 7,6 25 145 149
|
33,12 23,03 91,2 25 145
149
|
|
|
2
|
Арматурные работы Ф-1
подошва С-1 С-2 Подколонник Сп-1 Сп-2
|
штук
|
2 2 2 2
|
24 24 24 24
|
Мс-1=50,1 кг Мс-2=46,4 кг
Мсп-1=36,8 кг Мсп-2=52,1 кг
|
|
Днище бассейна С-3 С-4 С-5
С-6 С-7 С-8
|
штук
|
50 8 8 8 8 8
|
100 16 16 16 16 16
|
Мс-3=86 кг Мс-4=99,5 кг
Мс-5=86,3 кг Мс-6=82,8 кг Мс-7=18,3 кг Мс-8=24,3 кг
|
|
Стенка бассейна С-9
|
штук
|
57
|
115
|
Мс-9=23,7 кг
|
|
3
|
Бетонные работы Ф-1 подошва
1 подошва 2 подколонник
|
м3
|
1,51 0,72 1,824
|
18,12 8,64 21,9
|
|
|
Днище бассейна
|
м3
|
133
|
133
|
|
|
Стенка бассейна
|
м3
|
30,8
|
30,8
|
|
|
Бетонная подготовка под
днище бассейна по Ф-1
|
м3
|
38,7 0,551
|
38,7 6,612
|
|
|
4
|
Покрытие бетонной
поверхности утеплителем Ф-1 днище бассейна стенка бассейна
|
100 м2
|
0,0504 3,8 0,171
|
0,605 3,8 0,171
|
Утепление матами
|
|
5 5.1 5.2 5.3 5.4
|
Подача бетонной смеси
бетононасосом Сборка бетоновода Разборка бетоновода Подача бетонной смеси
Очистка бетоноводов
|
м м3 м
|
|
20 20 20 257,8 20
|
|
2. Расчет и конструирование
опалубки
Таблица 2
Наименование работ
|
ед. из.
|
ЕНиР
|
Объем работ
|
Нвр чел.час
|
Состав звена
|
Трудоемкость чел смена
|
Машины и механизмы
|
|
|
1
|
Установка опалубки Подошва
1 Подошва 2 подколонник
|
м2
|
Е4-1-34
|
33,12 23,03 91,2
|
0,62 0,62 0,62
|
Плотники 4-го р.-1 2-го
р.-1
|
3,2 2,2 8,4
|
|
|
|
Днище бассейна
|
|
Е4-1-34
|
25
|
0,22
|
Плотники 4-го р.-1 2-го
р.-1
|
0,9
|
|
|
|
|
Стенка бассейна Внутренняя
Наружная
|
|
Е4-1-36
|
145 149
|
0,76 0,31
|
Плотники 5-го и 1-го р.
5-го и 1-го р.
|
8,3 3,5
|
|
|
|
2
|
Снятие опалубки Подошва 1
Подошва 2 Подколонник
|
м2
|
Е4-1-34
|
33,12 23,03 91,2
|
0,15 0,15 0,15
|
Плотники 4-го р.-1 2-го
р.-1
|
0,76 0,54 1,0
|
|
|
|
|
Днище бассейна
|
|
Е4-1-34
|
25
|
0,28
|
Плотники 4-го р.-1 2-го
р.-1
|
0,12
|
|
|
|
|
Стенка бассейна Внутренняя
Наружная
|
|
Е4-1-36
|
145 149
|
0,28 ,104
|
Плотники 5-го и 1-го р.
5-го и 1-го р.
|
3,1 1,17
|
|
|
|
3
|
Арматурные работы С-1 С-2
Сп-1 Сп-2
|
шт
|
Е4-1-44
|
24 24 24 24
|
0,36 0,36 0,36 0,36
|
Арматурщик 3-го р. -1 2-го
р. -2
|
1,27 1,27 1,27 1,27
|
|
|
|
|
Днище бассейна С-3 С-4 С-5
С-6 С-7 С-8
|
шт
|
Е4-1-44
|
100 16 16 16 16 16
|
0,42 0,42 0,42 0,42 0,42
0,42
|
Арматурщик 3-го р. -1 2-го
р. -2
|
6,2 1,0 1,0 1,0 1,0 1,0
|
|
|
|
|
Стенки бассейна Внутр.
сторона С-9 Наружн. сторона
|
шт
|
Е4-1-44
|
57 58
|
0,79 0,79
|
Арматурщик 3-го р. -1 2-го
р. -2
|
13,4
|
Бетонирование Подошва 1
Подошва 2 поколонник
|
м3
|
Е4-1-49
|
18,2 8,64 21,9
|
0,42 0,42 0,34
|
1 бригада: бетонщик 4-го
р. -1 2-го р. -1
|
1,3 0,63 1,1
|
Бетононасос Вибратор
|
|
|
|
Днище бассейна
|
м3
|
|
133
|
0,37
|
6 бригад
|
12,18
|
|
|
|
|
Стенка бассейна
|
м3
|
|
30,8
|
1,1
|
2 бригады
|
3,17
|
|
|
|
5 5.1 5.2 5.3
|
Разные бетонные раб.
Установка анкерных болтов Æ48 мм Покрытие бетонной
поверхности утеплителем Ф1 Днище бассейна Стенка бассейна Снятие утеплителя
Ф1 Днище бассейна Стенка бассейна
|
шт 100 м2
|
Е4-1-54
|
48 0,6048 3,8 0,171
0,6048 3,8 0,171
|
0,75 0,21 0,21 0,21
0.22 0,22 0,22
|
Бетонщик 4-го р.-1
2-го р. -1 Бетонщик 2-го р. -1
|
5,31 0,02 0,12 0,0065
0,02 0,12 0,0068
|
|
|
|
6 6.1 6.2 6.3 6.4
|
Подача бетоно-насосом
бетонной смеси Сборка бетоновода Разборка бетоновода Подача бетонной смеси
на место с укладкой Очистка бетоноводов
|
м 100 м3 100м
|
Е4-1-48
|
20 20 257,77 20
|
0,31 0,13 18 6,3
|
Машинист 4-го р. -1 Слесарь
стр. 4-го р. -1 3-го р. -1 2-го р. -1 Машинист 4-го р. -1 Слесарь стр. 4-го
р. -1 бетонщик 2-го р. -1
|
0,92 0,38 6,22 1,239
|
На гориз. уч. из новых труб
Произв.20м3/ч Расстояние подачи 20м
|
|
|
|
|
|
|
|
|
|
|
|
|
|
|
|
|
|
|
|
|
|
|
|
|
|
|
|
|
|
|
|
|
|
|
|
|
S95,61
1. 3. Выбор основных машин и механизмов
.1 Исходные данные для расчета
Материал палубы опалубки: доска d=40 мм, толь d=2 мм, фанера d=12
мм, материал прогонов: сосна, сечение 10х4.
Укладка бетона ведется с помощью бетонасоса.
При расчете опалубки массивов по несущей способности учитываются
·
давление бетонной
смеси на боковые элементы опалубки при М> 1м и V>0,5 м/ч вычисляется по формуле.
Рж = g(0,2+V+0,78)K1K2,
где К1 - коэф-т, учитывающий температуру бетонной смеси, для
ОК = 10 см, К1 = 1,2
К2 - коэф-т, учитывающий температуру бетонной смеси, для tб.см=24,4° К2=0,85
Рж=2400 (0,27*0,87+0,78)1,2*0,85=2405 кг /м2
·
давление при
выгрузке бетонной смеси от сотрясений Р3 = 400 кг/м2
Эпюра распределения нагрузки по высоте имеет трапецевидный вид
Рmax = Рж+Рз =
2405+400 = 2805 кг/м2
Р0 = 400 кг/м2
Приводим эпюру бокового давления к равномерно-распределенной и определяем
значения нормативной равномерно-распределенной нагрузки.
Рн = (Р0+Рмах)/2 = (400+2805)/2 = 1603
кг/м2
Значение расчетной нагрузки
Рр = 1,3Рн Рр = 1,3*1603 = 2083 кг/м2
Р0 = 400 кг/м2
Рж = 2405 кг/м2 Рз = 400 кг/м2 Рmax = 2805 кг/м2
Рис. 14
Значение погонной нагрузки:
q=Рра
q=2083*1 = 2083 кг м/м2
При расчете опалубки по деформациям учитывается только давление бетонной
смеси на боковые элементы опалубки Рмах
Эпюра равномернораспределенной нормативной нагрузки примет значения:
Рн’ = Pmax/2=2805/2 = 1402,5 кг/ м2
Значение расчетной нагрузки: Pp’ = 1,0Pн’ = 1402,5 кг/ м2
Значение погонной нагрузки: q’ = Pp’a = 1402,5 кг/ м2
Расстояние между схватками из расчета по деформациям
Рис. 15
Расстояние между схватками принимаем 26 см
Чтобы обеспечить опалубку монолитных конструкций с наименьшим числом
унифицированных элементов (щитов) опалубки, применяю разборно- переставную
мелкощитовую опалубку.
Определенные элементы небольшое массы и размера допускают монтаж и
демонтаж (перемонтаж) опалубки вручную. С помощью этой опалубки на площадке
производится укрупительная сборка в панели. Сборка производится с помощью
крепежных винтов. Щиты собираются в блоки с помощью схваток “C”.

Рис. 16
Угловые щиты соединяют с помощью уголка на болтах.
Рис. 17
Блок опалубки подколонника устанавливают на блоки “Б”, которые опираются
на блок опалубки подошвы. В верхнем блоке щитов устанавливаются прорезы для
балок. Нижний блок подошвы крепят к основанию, забивая колья. По вертикали
панели из щитов соединяются дополнительными схватками в месте их стыка.
арматура бетонирование опалубка фундамент
4.
Расчет технологических параметров зимнего бетонирования
Технологические параметры зимнего бетонирования
Модуль поверхности
Mп=SFохл/V,
где SFохл - сумма поверхностей, с которых идет
охлаждение бетона
V -
объем конструкции
Для данного варианта определяем отдельно модуль поверхности для подошвы
фундамента, подколонника, днища бассейна и стенок бассейна.
Ф-1: Mп подошвы =
=(2,8*1,8+2,8*0,3*2+1,8*0,3*2+2*0,3*2+1,2*0,3*2)/ /(2,8*1,8*0,3+2*1,2*0,3)=
=4,4 м-1
Mп
под-ка =
(1,2*0,8+1,2*1,9*2+0,8*1,9*2)/(1,2*1,9*0,8)= 4,7 м-1
Днище бассейна:
Mп
дн= (112*3,14*2+2*3,14*11*0,35)/(3,14*112*0,35)=
5,9 м-1
Стенок бассейна:
Mп
ст=(2*3,14*11*1,8+2*3,14*10,75*1,8+3,14(112-10,752))/30,8=8,5
м-1
Для фундаментов принимаем модуль поверхности Mп ф= 4,7 м-1
Для конструкций бассейна - Mп
ст= 8,5 м-1
Критическая прочность, которую необходимо набрать бетону для класса В15: Rкр=40% - для фундаментов; для бетона
класса В30: Rкр=30% - для конструкций бассейна.
Скорость подъема температуры для Мп от 4 м-1 до 10
м-1 Vпод=10°С/ч.
Скорость остывания бетона при Мп от 5 м-1 до 10 м-1
составляет не более 5°С/час.
Конструкция опалубки: доска 40 мм, толь 2 мм, фанера 12 мм. Коэффициент
теплоппередачи k = 2,35 Вт/м2°С
Исходные данные для города Челябинск (декабрь): температура средняя = -14°С; скорость ветра: 4,4 м/c
Чтобы добиться быстрого набора критической прочности при низких
температурах наружного воздуха и меньших финансовых затрат выбирая метод
“термос”.
Вычисляем значения коэффициентов А,В, и n, находимых для расчета прочности бетона :
B=7,3/(100-R3); n=1,4+50/R3;
Для бетона B15: R3=44%; для B30: R3 = 53%;
Для фундаментов:
A=82,7;
B=0,13; n=2,6
Для конструкций бассейна:
A=77,7;
B=0,16; n=2,3
Температура бетонной смеси отпускаемой с завода tб см=35°С
Вычисляем начальную температуру бетона в конструкции tб.н.= tб.см. - (tб.см.-tн.в.)0,02 lтр, где lтр - дальность транспортирования бетонной смеси от завода да
конструкции: lтр=7 км
tб.н.=35 - (35+17)0,02*7= 27,72
Вычисляем среднюю температуру бетона за период остывания до 0°С.
Для бетона марки В15 Rкр составляет 40%разность между полученным
значением и требуемым значением меньше 5%, следовательно можно оставить все
взятые параметры
Для бетона конструкций бассейна
R1 = 32% > Rкр= 30%
5.
Разработка графика производства работ
.1 Выбор бетононасоса
В связи с тем, что работы производятся на на небольшой площади, все
конструкции расположены близко друг от друга, выбираю для подачи бетонной смеси
в опалубку следующий бетононасос:
автобетононасос БН-80-20 с производительностью 5-65 м3/ч.
Вылет распределительной стрелы составляет 17 м, дальность подачи по
горизонтали 200м, по вертикали 80 м, диаметр трубопровода 150 мм, объем
приемного бункера 0,4 м3.
.2 Выбор вибратора
Для уплотнения бетонной смеси применяем глубинные вибраторы, которые
погружают в слой бетона (свежеуложенный), заглубляя рабочую часть на 5 см в
ранее уложенный слой бетонной смеси. Тип вибратора выбираем исходя из его
производительности и объема бетонной смеси, укладываемой за смену
nв = Vб.см/tсмПв,
где nв. - количество вибраторов
Vб.см - количество бетонной смеси, укладываемой
за смену, Vб.см = 37,65 м3/см
Пв - производительность вибратора
tсм - продолжительность смены, tсм = 8 часов
Принимаем глубинный вибратор ИВ-66 с производительностью Пв =
3-6 м3/ч, тогда Пв = (37,65 м3/см)/(8 час*5 м3/ч)
= 0,94
Принимаем1 вибратор. Во избежание простоев в работе, вследствие поломки
вибратора, необходимо на площадке иметь запасной вибратор. Всего на площадке 2
вибратора(внутренних) ИВ-66
Технические характеристики вибратора:
диаметр наконечника: 38 мм
радиус действия вибратора: 0,2 м
длина рабочей части: 360 мм
толщина уплотняемого слоя: 200-300 мм
мощность: 0,8 кВА
производительность: 3-6 м3/ч
Расчет транспортных средств
На площадку бетонная смесь доставляется автобетоносмесителями, которые
должны обеспечить бесперебойную доставку на площадку 37,65 м3 бетонной
смеси в смену.
Автобетоносмеситель берем СБ-130, указанный в исходных данных с
вместимостью смесительного барабана по готовому замесу 8 м3.
Базовый автомобиль КамАЗ - 5412
Средняя скорость транспортирования - 40 км/ч
Дальность транспортирования - 7 км
Продолжительность цикла работы СБ-130
где tп - время нагрузки; tп = 10 мин
Vг - скорость груженого СБ - 40 км/ч
Vп - скорось пустого СБ - 60 км/ч
tp - время разгрузки tp = 15 мин
tм - время маневрирования tм = 3 мин
Тц = 10+60*7/40+15+60*7/60+3 = 45,5
Количество машин определяем по формуле
N= Тц/
tp,
где tp - время разгрузки первой машины
N=45,5/15
= 4 машины с учетом перевыполнения работы
m-
количество ходок машины в смену
m=Vб.см/n= 37,65 м3/8 = 4,71 » 5 ходок
n - объем барабана СБ по готовому замесу.
6.
Контроль качества и приемка работ
.1 Поточный график производства работ
Все работы делятся на потоки, которые объединяют взаимосвязанные виды
работ.
Сооружения делят на захватки по следующим требованиям: - наименьший
размер захватки должен быть достаточен для производительной и безопасной работы
звена рабочих минимального состава в течении смены, в этом случае
обеспечивается максимальная оборачиваемость опалубки при прочих равных условиях.
Основным потоком при производстве работ применяют работы по
бетонированию, они задают ритм остальным процессам.
Подсчитаем суммарные трудозатраты на укладку бетонной смеси, установку
бетоноводов, утепление на основе калькуляции трудозатрат
åT =
28,58 чел см
Если принять звено бетонщиков по ЕниР 4-1-49 2 человека, определим
количество смен по формуле приняв двухсменную работу
t=28,58/2
= 14,29 смен
Примем 14 смен с коэффициентов перевыполнения Нвр кНвр
= 1,02. Звено бетонщиков из двух человек выполнит работу за 7 дней.
Примем 14 смен для остальных потоков и определим количество людей в
звеньях
для установки опалубки åT =
22,3 чел см
n=åT/t = 22,3/14 = 1,6, примем 2 чел. по ЕниР
установка арматуры åT =
29,2 чел см
n=åT/t = 29,2/14 = 2,09 примем по ЕниР 4-1-34 состав звена из 2х
человек.
Время остывания бетона для фундаментов tост = 75,2 ч => 3 суток
Конструкций бассейна tост = 37,1 ч
=> 2 суток
Установим время с момента установки опалубки до ее снятия для конструкций
бассейна 4 смены, для фундаментов 3 смены - цикл одной опалубки.
Время использования опалубки T = 26 смен.
Оборачиваемость опалубки находим по формуле
О = T/t=26/9=2,9
Число компонентов опалубки для фундаментов определяем по формуле
n=åфунд/O = 12/2,9=4
Примем 4 компонента опалубки для фундаментов и компонент опалубки для
бассейна.
.2 Комплексный график производства работ
Суть комплексного метода заключается в работе одной бригады на всех видах
работ.
Весь объем работ разделим на захватки исходя из сменной
производительности бетонных работ Псм и из количества бетонной смеси
укладываемой за смену 1 захватка = Vб.см в 1 смену, т.е. 37,65 м3/см;
что соответствует 2 фундаментам.
Определим количество захваток на площадке по общему объему укладываемой
бетонной смеси и по Vб.см.: m = Vбет/Vб.см. = 257,77/37,65 = 6 захваток
В график производства работ вносят графу трудоемкости на 1 захватке:
Tзах =åT/m
бетонные работы åT = 28,58 чел.см.
Tзах = 28,58/6 = 4,8 чел. см.
Принимаем звено из двух человек, получаем число смен Tc = 4,8/2 = 2 смены с коэффициентов
перевыполнения Нвр КНвр = 1,2.
установка опалубки и арматуры åT = 51,5 чел.см.
Tзах = 51,5/6 = 8,6 чел. см; принимаем
звено из трех человек, получаем Тс = 8,6/3 = 3 смены с коэффициентов
перевыполнения Нвр КНвр = 0,9.
снятие опалубки и утеплителя åT = 6,9 чел.см.
Tзах = 6,9/1,15 = 8,6 чел. см; Тс
= 1,15/2 = 0,6 смены; принимаем 1 смену
Для комплексного метода производства работ
t = 6
смен Т = 36 смен
О = Т/t = 36/6 = 6
Количество комплектов опалубки n = 12/6 = 2 комплекта
Сравниваем два графика работ. Из сравнения видим, что каждый метод
обладает рядом преимуществ и недостатков. В поточном методе работают в смену 14
человек, продолжительность работ составляет 26 смен при оборачиваемости
опалубки 2,9. При комплексном методе производства работ задействованы 7
человек, продолжительность работ 36 смен, при оборачиваемости опалубки 6.
Из сравнения выбираем комплексный метод , т.к. при этом способе
задействовано меньшее количество людей, большое значение имеет большая
оборачиваемость опалубки (почти в 3 раза), что уменьшает количество комплектов
опалубки.
7. Технико-экономические показатели проекта
.1 Опалубочные работы [1]
Типы опалубок следует принимать в соответствии с ГОСТом 23478-79.
Установка и приемка опалубки, распалубливания монолитных конструкций, очистка и
смазка производится по ППР.
Таблица 3
|
Параметр
|
Величина параметра
|
Контроль (метод, объем, вид,
регистрации
|
|
1. Точность изготовления
опалубки инвентарной 2. Уровень дефектности 3. Точность установки инвентарной
опалубки 4. Оборачиваемость опалубки 5. Прогиб собранной опалубки
(вертикальных поверхностей ) 6. Минимальная прочность бетона незагруженных
монолитных конструкций при распалубке поверхностей вертикальных из условия
сохранения формы. 7. Минимальная прочность при распалубливания загруженных
конструкций, в том числе вышележащего бетона.
|
По рабочим чертежам и
техническим условиям не ниже М/4.h/4 Не более 1,5% при
нормальном уровне контроля +-1516/2 по ГОСТ 25346-82 и ГОСТ 25347-82 ГОСТ
23478-79 1/400 пролета 0,2-0,3 Мпа Определяется по ППР и согласовывается
с проектной организацией
|
Технический осмотр,
регистрационный Измерительный по ГОСТ 18242-72 Измерительный, ТО элементов,
журнал работ Регистрационный, журнал работ Контролируется при заводских
испытанных и на стройплощадке ГОСТ - 18105-86 Журнал работ То же
|
.2 Арматурные работы [1]
При устройстве арматурных конструкций следует соблюдать требования
нижеприведенной таблицы.
Таблица 4
|
Параметр
|
Величина параметра
|
|
Отклонение в расстоянии
между отдельно установленными стержнями (рабочими) для массивных конструкций
Отклонение в расстоянии между рядами арматуры для плит толщиной более 1м плит
толщиной до 1м Отклонение от проектной толщины защитного слоя бетона не
должно превышать при толщине защитного слоя до 16 мм и линейных размеров
поперечного сечения конструкций: 300 мм при толщине защитного слоя свыше 20
мм и размерах сечения: 300 мм Свыше 300 мм
|
+-30 +-20 +-10 +10;-3
+10;-5 +15;-5
|
Технический осмотр всех
конструкций
|
.3 Приемка бетонных и железобетонных конструкций [1]
При приемке законченных бетонных или железобетонных конструкций или
частей сооружения, следует проверить на
·
соответствие
бетона по прочности и другим показателям
·
соответствие
конструкций рабочим чертежам
Требования к конструкциям приведем в таблице 5
Таблице 5
|
Параметр
|
Предельные отклонения
|
Контроль
|
|
Отклонение линий плоскостей
пересечения от вертикали или проектного положения на всю высоту конструкций
для фундаментов Отклонение горизонтальных плоскостей на всю длину выверяемого
участка Местные неровности поверхности бетона при проверке двухметровой
рейкой, кроме опорных поверхностей. Длина или пролет элементов Размер
поперечного сечения элементов Отметки поверхностей и закладных деталей
Разница отметок по высоте на стыке двух смежных поверхностей
|
20 мм 20 мм 5 мм +-20
мм +6 мм,-3 мм -5 мм 3 мм
|
Измерительный, каждый
констр. эл. Изм. не менее 5 изм. на каждые 50-100 м Изм. кажд. эл. То же
Изм. кажд. эл. опорный, исполнительная съемка то же, кажд. стык, исп. съемка
|
8.
Техника безопасности проведении работ
1. Продолжительность работ 36 смен
2. Трудоемкость 95,61 чел см
3. Общее количество рабочих 7 человек
4. Удельная трудоемкость Т = åТ/Vбет = 95,61/212,5 = 0,45 чел см/м3
5. Выработка на одного рабочего Vб /åТ = 2,222 м3/ чел см
6. Оборачиваемость опалубки kоб = 6
.1 Опалубочные работы
Согласно требованиям [3] опалубку необходимо изготовить и применить в
соответствии с ППР, утвержденным в установленном порядке.
При установке элементов опалубки в несколько ярусов каждый последующий
ярус следует устанавливать только после нижнего яруса.
Подъем и перемещение блоков инвентарной опалубки грузоподъемными
механизмами можно осуществлять лишь при закрепленном блоке к сторонам
грузоподъемного механизма в четырех точках.
Запрещается поднимать опалубочные блоки двухветвенным стропом.
При установки блоков необходимо предупреждать их раскачивание на стропах
грузоподъемного механизма.
В случае использования мелкощитовой опалубки рабочие должны пользоваться
защитными поясами во время работы на высоте. Если высота опалубочной
конструкции превышает 4,5 м., то щиты опалубки следует устанавливать с
подмостей или лесов.
Работы, выполняемые в ветреную погоду на высоте с использованием
крупнощитовой опалубки, необходимо проводить с максимальной осторожностью, так
как щиты опалубки отличаются большой “парусностью” и раскачиваются при порывах
ветра.
8.2 Арматурные работы [3]
При выполнении работ по заготовке арматуры необходимо:
·
ограждение места,
предназначенного для развертывания бухт и выправления арматуры
·
ограждать рабочие
места при обработке стержней арматуры, выступающих за габариты верстака
·
складывать
заготовленную арматуру в специально отведенное для этого место
·
закрывать щитами
торцевые части стержней арматуры в местах общих проходов, имеющих ширину менее
1 м. Элементы каркасов арматуры необходимо пакетировать с учетом условий их
подъема, складирования и транспортирования к месту монтажа.
Особо строго необходимо соблюдать меры безопасности при электромонтажных
работах и эксплуатации электросварочного оборудования и аппаратуры,
контролировать заземляющие устройства, средства индивидуальной защиты, изоляцию
токоведущих частей и измерительной аппаратуры.
.3 Бетонные работы [3]
При подаче бетонный смеси стреловыми кранами в бадьях, последние
закрепляют так, чтобы не произошла их произвольная выгрузка. Неисправные и
непроверенные бадьи использовать нельзя.
Рабочий, открывающий затвор должен находиться на прочном огражденном
настиле. При выгрузке бетонной смеси из бадьи расстояние от низа бадьи до
поверхности, на которую выгружают смесь, не должно превышать 1м.
При подаче бетонной смеси бетононасосами необходимо до начала работ
испытать его при гидравлическом давлении, превышающим в 1,5 раза рабочее
давление.
Бетононасос следует связать сигнализацией с местом укладки бетонной
смеси.
Очищают бетоновоз, как правило, водой, сжатый воздух разрешено применять
только в тех случаях, когда очистка водой вызывает затруднения в выполнении
работ.
Бетоновоз очищают при давлении воздуха не выше 1,5 МПА. После его очистки
на половину длины давление воздуха постепенно понижают. Последние 1…2 звена
очищают при давлении, близком к атмосферному. У выходного отверстия бетоновода
устанавливают наклонный козырек, причем рабочие не должны находиться ближе 10 м
от выходного отверстия бетоновода.
При укладке бетонной смеси и ее уплотнении электровибраторами, перемещать
вибратор за токоведущие шланги не допускается, а при перерывах в работе и при
переходе с одного места на другое вибраторы необходимо выключать.
Открытая арматура, связанная с участком, находящимся под
электропрогревом, подлежит заземлению.
После каждого перемещения электрооборудования, применяемого при прогреве
бетона, на новое место следует визуально проверять изоляции проводов, средств
защиты ограждений и заземления.
Литература
1.
ЕниР. Сборник Е4.
Монтаж сборных и устройство монолитных железобетонных конструкций. Вып. 1.
Здания и промышленные сооружения / Госстрой СССР.-М.: Стройиздат, 1987г. - 64с
2.
СниП.
3.03.01.-87. Несущие и ограждающие конструкции/ Госстрой СССР. - М.:
Стройиздат, 1988г.-192с
3.
СниП. III-4.-80. Техника безопасности в
строительстве /Госстрой СССР. - М.: Стройиздат, 1980г. -225с
4.
Добронравов С.С.
Строительные машины и оборудование: Справочник для строительных специальностей вузов
и инженерно-технических работников - М.: Высш.шк., 1991г. -456 с: ил.
5.
Головнев С.Г.,
Коваль С.Б. Технология строительного процесса / Челябинск: ЧГТУ, 1987г.-82с
6.
Юнусов Н.В.
Проектирование производства бетонных работ в зимнее время (с применением ЭВМ) /
Челябинск: ЧГТУ,1984г. -82с.