Социо-эколого-экономический анализ негативных воздействий на окружающую среду нефтеперерабатывающего завода в условиях Крайнего Севера и мероприятия по их минимизации

  • Вид работы:
    Курсовая работа (т)
  • Предмет:
    Экология
  • Язык:
    Русский
    ,
    Формат файла:
    MS Word
    292,91 Кб
  • Опубликовано:
    2014-02-04
Вы можете узнать стоимость помощи в написании студенческой работы.
Помощь в написании работы, которую точно примут!

Социо-эколого-экономический анализ негативных воздействий на окружающую среду нефтеперерабатывающего завода в условиях Крайнего Севера и мероприятия по их минимизации

Министерство образования и науки Российской Федерации

Федеральное государственное бюджетное образовательное учреждение высшего профессионального образования

"Московский государственный университет тонких химических технологий имени М.В Ломоносова"






Квалификационная работа бакалавра

Социо-эколого-экономический анализ негативных воздействий на окружающую среду нефтеперерабатывающего завода в условиях Крайнего Севера и мероприятия по их минимизации


Чебуренкова Ксения Михайловна







Москва 2013

Список сокращений

МНПЗ- Мурманский нефтеперерабатывающий завод.

ГКМ - газоконденсатное месторождение.

ТНФ- Тринатрийфосфат

МДЭА -метилдиэтаноламин

ПНД- пар низкого давления

ПВД- пар высокого давления

ЭЛОУ- электрообессоливающая установка

ГФУ - газофракционирующая установка

ДТ - дизельное топливо

ЭТБЭ - этил-трет-бутиловый эфир

ББФ - бутан-бутиленовая фракция

ЗАТО - закрытое территориальное образование - городской округ, в пределах которого находится какой-либо объект, для которого Указом Президента Российской Федерации установлен особый режим безопасного функционирования и государственной тайны.

СОГО- система обнаружения газовой опасности

ПАЗ -противоаварийной автоматической защиты

Оглавление

Введение

Глава 1

1.1 Общие характеристики

1.2 Состав установки

1.3 Технология производства

1.3.1 Процесс производства серы по методу Клауса

1.3.2 Узел сепарации

1.3.3 Доочистка хвостовых газов Клауса

1.3.4 Узел дегазации жидкой серы

1.3.5 Узел утилизации технологических газов в инсинираторе

1.3.6 Процесс гранулирования жидкой серы, расфасовка, хранение, отгрузка гранулированной серы

1.3.7 Узел факельных сепараторов

1.3.8 Система дренажных емкостей

1.3.9 Узел сбора продувок от котлов

1.4 Принципиальные решения технологических процессов

1.4.1 Система обнаружения газовой опасности (СОГО)

1.5 Охрана воздушной среды

1.5.1 Мероприятия по снижению выбросов

Глава 2

2.1 Нормативно-правовые основы анализа проектной деятельности Мурманского нефтеперерабатывающего завода

2.2 Карта

2.3 Схема субъект-объектных отношений при проектировании и оценке воздействия на ОС нефтегазоперерабатывающего предприятия

2.4 Дерево целей по минимизации потенциальных социо-эколого-экономических проблем при эксплуатации мурманского нефтеперерабатывающего завода посредством анализа технологии производства

2.5 Платежи за вредные выбросы загрязняющих веществ в окружающую среду

Заключение

Список использованной литературы

выброс загрязняющий сера инсиниратор

Введение

Актуальность данной работы определяется необходимостью рассмотрения и сокращения экологических проблем, связанных с загрязнением атмосферного воздуха.

Улучшение качества окружающей среды входит в список глобальных проблем. Несмотря на комплекс мероприятий (как федерального, так и регионального значения), осуществляемых в рамках защиты окружающей природной среды, экологическая ситуация в наиболее экономически развитых районах Российской Федерации остается неблагополучной.

Дальнейшая деградация природных систем ведет к дестабилизации биосферы, утрате ее целостности и способности поддерживать качества окружающей среды, необходимые для жизни. Преодоление кризиса возможно только на основе формирования нового тип взаимоотношений человека и природы, исключающих возможность разрушения и деградации природной среды. Россия играет ключевую роль в поддержании глобальных функций биосферы, так как на ее обширных территориях, занятых различными природными экосистемами, представлена значительная часть биоразнообразия Земли. Масштабы природно-ресурсного, интеллектуального и экономического потенциала Российской Федерации обуславливают важную роль России в решении глобальных и региональных экологических проблем.

Нефтеперерабатывающая и нефтехимическая промышленность относится к отрослям производства, оказывающим существенное влияние на общее загрязнение природной среды. По валовым выбросам в атмосферу нефтеперерабатывающий комплекс занимает примерно 5 место после таких отраслей промышленности, как электроэнергетика, цветная и черная металлургия, нефтедобыча. Дальнейшее развитие отрасли, расширение действующих и интенсификация существующих мощностей производства, углубление переработки нефти, широкое применение вторичных процессов , несмотря на повышение требований к выпускаемому оборудованию и ужесточение норм проектирования , могут привести в перспективе к увеличению выбросов вредных веществ в атмосферу. Поэтому решение вопросов , связанных с охраной воздушного от загрязнений предприятиями отрасли , в настоящее время особенно важно и должно учитываться при проектировании новых и реконструкции действующих производств. [18].

В данной работе объектом исследования является нефтеперерабатывающий завод, находящийся на Кольском полуострове в Мурманской области.

Предметом исследования является химическая технология предприятия и оценка воздействия МНПЗ на воздушную среду.

Целью работы является социо-эколого-экономический анализ химико-технологических процессов производства нефтеперерабатывающего завода, дающих наибольшую экологическую нагрузку на атмосферный воздух.

Для достижения поставленных целей необходимо решить следующие задачи:

•      проанализировать экологическое законодательство РФ, изучить нормативно-правовые акты по охране окружающей среды, связанными с достижением поставленной в работе цели;

•        изучить природно-климатические особенности северного региона по месту расположения исследуемого предприятия;

•        определить субъект-объектные отношения, возникающие в процессе функционирования рассматриваемого нефтеперерабатывающего предприятия;

•        проанализировать химико-технологические процессы производства на исследуемом предприятии;

•        выявить и изучить этап производства, определяющий пиковое негативное воздействие на воздушную среду;

•        провести социо-эколого-экономический анализ производственных процессов, оказывающих максимальное негативное воздействие на атмосферный воздух;

•        осуществить расчёт платежей за вредные выбросы загрязняющих веществ в окружающую среду;

•        определить мероприятия по снижению негативного воздействия на атмосферный воздух, в том числе содержащие решения по регулированию социо-эколого-экономических отношений.

В таблице 1 представлены характеристики загрязнения атмосферного воздуха в г. Мурманск на 2011 год [4].

Таблица 1. Характеристики загрязнения атмосферного воздуха в г. Мурманск на 2011 год

Город

Индекс Загрязнения Атмосферы(5)

Примесь

Стандартный Индекс

Наибольшая повторяемость превышения ПДК

Степень загрязнения

Мурманск

5.0

Взвешенные вещества

0.6

0

Повышенная Повышенный уровень загрязнения определяется содержанием фенола (СИ=2.8 и НП=23.1%), формальдегида и бенз(а)пирена (СИ=2.7)



Диоксид азота

1.2

1.7




Фенол

2.8

23.1




Формальдегид

0.9

0




Бенз(а)пирен*

2.7

-







На Кольском полуострове рассеиванию загрязняющих веществ, поступающих с выбросами предприятий и автотранспорта, в значительной степени способствует активная циклональная деятельность с умеренными и сильными ветрами. В течение года в атмосферном воздухе г. Мурманска отмечались случаи загрязнения оксидами азота, фенолом, этилбензолом, бенз(а)пиреном, поступающими с выбросами автотранспорта и предприятиями теплоэнергетического комплекса. Повышенные концентрации оксидов азота в атмосферном воздухе г. Мурманска создаются выбросами предприятий теплоэнергетического комплекса, автотранспорта. Максимальные разовые концентрации оксидов азота до 1,3 ПДК наблюдались преимущественно в холодное время года, среднегодовая концентрация в центре города - 1,2 ПДК.

На рисунке 1 изображены выбросы основных ЗВ Мурманску.

Рисунок 1 - Выбросы основных загрязняющих веществ по городу Мурманск

Отмечается загрязнение атмосферного воздуха формальдегидом, среднегодовая концентрация - 1,8 ПДК. Наибольшие концентрации формальдегида наблюдаются в теплое время года. В промышленной зоне города отмечается загрязнение атмосферного воздуха фенолом (СИ=2,8, НП=23,1%), бенз(а)пиреном (СИ=2,7). По суммарному индексу загрязнения атмосферного воздуха ИЗА(5) уровень загрязнения г. Мурманска (ИЗА(5)=5,0) оценивается как повышенный. [4]

К основным загрязнителям атмосферы относятся предприятия химической промышленности. В частности, особо важное значение имеет строящийся нефтеперерабатывающий завод. Из нефти в процессе переработки получают топливо ( жидкое и газообразное) , смазочные масла и консистентные смазки, растворители, индивидуальные углеводороды -этилен, пропилен, метан, ацетилен, бензол, толуол, ксилол, и др., твердые и полутвердые смеси углеводородов( парафин, вазелин, церезин), нефтяные битумы и пеки, технический углерод ( сажу) и др.

Сырая нефть является смесью химических веществ, содержащей сотни компонентов. Основную массу нефти составляют углеводороды- алканы, циклоалканы , арены. Помимо углеводородов в составе органической части нефти находятся смолистые и асфальтовые вещества, представляющие собой высокомолекулярные соединения углерода , водорода, серы и кислорода , сернистые соединения, нафтеновые кислоты, фенолы, азотистые соединения типа пиридина ,хинолина, различные амины и др. С эксплуатацией нефтеперерабатывающего завода данные gо выбросам в атмосферный воздух возрастут. Перечень и количество выбрасываемых веществ при эксплуатации нефтеперерабатывающего завода представлены в таблице 2. [2]

Таблица 2. Перечень ЗВ, выбрасываемых от НПЗ

Вещество

Использ. критерий

Значение критерия, мг/м3

Класс опасности

Суммарный выброс вещества

код

наименование




г/с

т/год

123

Железа оксиды

ПДК с/с

0,04

3

0,0049

0,08856

143

Марганец и его соединения

ПДК м/р

0,01

2

0,000446

0,000803

164

Никель оксиды

ПДК с/с

0,001

2

0,0000156

0,000028

203

Хрома оксиды

ПДК с/с

0,0015

1

0,000131

0,000236

301

Азота диоксид

ПДК м/р

0,2

3

83,9170234

2300,009071

303

Аммиак

ПДК м/р

0,2

4

1,550474

0,122735

304

Азота оксид

ПДК м/р

0,4

3

13,8934349

353,172595

328

Углерод (сажа)

ПДК м/р

0,15

3

0,01106

0,01513

330

Сера диоксид

ПДК м/р

0,5

3

38,7437754

1111,904593

333

Сероводород

ПДК м/р

0,008

2

0,5545548

11,119217

337

Углерод оксид

ПДК м/р

5

4

66,8855641

828,802216

342

Фториды газообразные

ПДК м/р

0,02

2

0,000139

0,00025

343

Фториды хорошо растворимые

ПДК м/р

0,03

2

0,000147

0,000265

402

Бутан

ПДК м/р

200

2

0,0054

0,16

405

Пентан

ПДК м/р

100

2

0,00013

0,004


Всего при эксплуатации нефтеперерабатывающего завода будут выбрасываться в атмосферу 34 наименования вредных веществ в количестве 5449,305643 т/год. [2].

Это может привести к накоплению загрязняющих веществ в окружающей среде, что представляет непосредственную опасность для живых систем. Ввиду этого необходимо максимально уменьшить выбросы от НПЗ.

По причине названных выбросов возникают экогенные заболевания.

Углеводороды. При углеводородных отравлениях поражается промежуточный мозг как высший центр вегетативной нервной системы. Углеводороды влияют на сердечно-сосудистую систему, а также на гематологические показатели (снижение содержания гемоглобина и эритроцитов).

Диоксид серы. Диоксид серы является сильным раздражающим газом, который можно распознать по запаху и вкусовым ощущением даже при большом разбавлении. Действие диоксида серы на органы дыхания усиливается в присутствии водяного пара (тумана) и дыма. Это происходит в связи с тем, что основная часть газообразного SO2 во влаге слизистых оболочек рта и носа и в виде аэрозоля может проникать во внутренние органы дыхания, где преобразуется в серную кислоту- превращение, которое в присутствии воды, копоти и золы частично происходит уже в аэрозольном состоянии. Загрязнение атмосферы SO2 ,особенно при продолжительных туманах, вызывает обострение заболеваний верхних дыхательных путей, что может привести к значительному увеличению смертности.

Может вызывать фатальные аллергические реакции у астматиков, разрушает витамин В1. Наряду с действием SO2 на человеческий организм, большое значение имеет его влияние на растения. Концентрация SO2 1-2 млн-1 могут уже через несколько часов вызвать серъёзное повреждение листьев в виде локализованных разрушений ткани (некрозов).

Оксид углерода. Токсичность оксида углерода для человека связана с высокой способностью этого газа вступать в реакцию с гемоглобином, образуя "карбокси-гемоглобин, не способный транспортировать кислород из легких к потребляющим тканям. Вследствие этого наступает аноксемия, отражающаяся прежде всего на центральной нервной системе. Под влиянием вдыхания оксида углерода усиливается атеросклеротический процесс.

Оксиды азота Наиболее типичным для оксидов азота является удушающее действие, приводящее к развитию отека легких. В основе действия лежит способность веществ активировать свободнорадикальные процессы в клетках, формирующих альвеолярно-капиллярный барьер. Так, NO2, взаимодействуя в водной среде с кислородом, инициирует образование супероксидных и гидроксильных радикалов, перекиси водорода. Действуя на глутатион, аскорбиновую кислоту, токоферол и т.д., токсикант повреждает низкомолекулярные элементы антирадикальной защиты клеток. В результате активируется перекисное окисление липидов и повреждаются биологические мембраны клеток, формирующих альвеолярно-капиллярный барьер. Атаке подвергаются и другие макромолекулы - инициируются процессы, лежащие в основе цитотоксичности.

Аммиак. Высококонцентрированный аммиак при условии продолжительного воздействия становится причиной отравления аммиаком. При отравлении аммиаком происходит резкое расширение кровеносных сосудов, а кожа покрывается струпьями и волдырями. Если отравление аммиаком сопровождается попаданием этого едкого вещества в глаза, то начинается боязнь света, развитие конъюнктивита. Если поражение глаз сильное, то развиваются патологические изменения роговицы глаза. При проникновении аммиака в дыхательные пути возникает сильная и острая боль, кашель, сопровождающийся удушьем, спазмы в глотке и гортани, а также раздражение всех слизистых оболочек.

Глава 1

.1 Общие характеристики

Наибольшую нагрузку на атмосферный воздух даёт установка по производству серы. Данные по выбросам от основных установок НПЗ представлены в таблице 3.[9]

Таблица 3. Выбросы ЗВ от основных установок НПЗ.

Наименование установки

Cуммарный выброс


г/с

т/год

ЭЛОУ

17,9845

518,0359

Установка Гидрокрекинга

4,204641

122,90817

Блок Производство масел

0,85591

25,14452

Гидроочистка бензина

2,264628

66,512397

Гидроочистка керосина

1,748892

51,377958

Гидроочистка дизельного топлива

2,035

59,818905

Комплекс по производству ароматики

13,3674

343,314

Каталитический риформинг

4,280218

88,753047

Сплитер нафты

0,687905

20,213479

Установка изомеризации

15,087997

250,214463

Производство серы

32,480183

627,109038

ГФУ

1,8

53,000

Производство битума

2,59094

74,65254

Установка производства водорода

0,6725

19,715

Висбрекинг

5,212599

155,343618


Установка производства серы с узлом гранулирования жидкой серы и складом для хранения и отгрузки гранулированной серы предназначена для переработки сероводорода поступающего с кислыми газами, в элементарную серу, соответствующую по качеству ГОСТ 127.1-93.[9].

Сырьем установки является сероводород поступающий с установок:

·        гидроочистки керосина

·        гидроочистки дизельного топлива

·        гидрокрекинга/кат. крекинга.[9].

установку по производству серы.[2].

Количество выбросов ЗВ в атмосферу с установки по производству серы представлены в таблице 4.[9]

Таблица 4. Количество выбросов ЗВ в атмосферу с установки.

Наименование в-ва

Используемый критерий

Значение критерия, мг/м^3

Класс опасности

Суммарный выброс





г/с

т/год

Азота диоксид

ПДКм/р

0,200

3

2,73

80,400

Азота оксид

ПДКм/р

0,400

3

0,444

13,050

Сера диоксид

ПДКм/р

0,500

3

17,965862/ 17,96903

527,460304/ 527,460397

Сероводород

ПДКм/р

0,008

2

7,68512072/ 11,04300072

6,091360021/ 6,19327702

Аммиак

ПДКм/р

0,2

4

1,52701/ 2,22979

0,044857/ 0,06550

Углеводороды предельные С1-С5

ОБУВ

50

-

2,12819

0,062517

Всего веществ: 6


32,48018272/ 36,54401072

627,10903802/ 627,23169102

в том числе твердых : 0


0,0000000

0,0000000

жидких/газообразных : 6


1,800

53,000


.2 Состав установки

Режим работы установки непрерывный. Число часов работы 8160 часов в год.

В состав установки входит:

● производство элементарной серы по методу Клауса с доочисткой хвостовых газов - три идентичные линии оборудования, включающие:

·        -реакционную печь

·        -котельной оборудование

·        каталитические реакторы

·        теплообменное оборудование - паровые подогреватели технологического газа

·        серозатворы

·        колонны

·        аппараты воздушного охлаждения

насосно-компрессорное оборудование

емкостное оборудование

● общее оборудование

·        сепарации кислых газов, поступающих на переработку,

·        дегазации жидкой серы,

·        утилизации очищенных хвостовых газов в инсинираторе,

● общее вспомогательное оборудование

сбора солесодержащих стоков от продувки котлов высокого и низкого давления (ВДи НД)

·        сбора дренажей аминового раствора, кислой воды, углеводородов,

·        факельные сепараторы,

·        узел сбора парового конденсата низкого давления (НД)

·        узел приготовления тринатрийфосфата,

·        узел хранения жидкой серы, 2 линии грануляции;

·        расфасовка, склад для хранения и отгрузки гранулированной

В таблице 5 приведен состав основных технологических блоков установки[8].

Таблица 5. Состав основных технологических блоков установки

Наименование секции, отделения, блока

Назначение

1. Узел сепарации

Предназначен для отделения жидкой фазы от газовой перед подачей газов в горелку на сжигание

2. Производство серы методом Клауса

Предназначен для получения серы из сероводорода, поступающего с кислыми газа, путем термического и каталитического окисления.

3. Доочистка хвостовых газов Клауса

Предназначен для восстановления сернистых соединений доя сероводорода с последующей очисткой аминовым раствором.

4. Узел дегазации жидкой серы.

Предназначен для отдувки сероводорода из жидкой серы за счет барботажа воздуха через слой жидкой серы.

5. Узел утилизации технологических газов в инсинираторе

Предназначен для утилизации вредных примесей в технологическом газе в термическом объеме для сброса дымовых газов в атмосферу

6. Хранение жидкой дегазированной серы.

Предназначен для хранения дегазированной жидкой серы перед ее подачей на грануляцию.

7. Грануляция жидкой серы.

Предназначен для получения гранулированной серы.

8. Расфасовка гранулированной серы.

Предназначен для затаривания гранулированной серы в мешки по 50кг и/или 1000 кг.

9. Склад гранулированной серы.

Предназначен для хранения расфасованной гранулированной серы.

10. Воздух КИП.

Предназначен для создания часового воздуха КИП.

11. Факельные сепараторы.

Предназначены для сбора факельных сбросов кислых газов и углеводородных газов в пределах установки.

12. Узел сбора продувок от котлов.

Предназначен для сбора и вывода с установки солесодержащих стоков.

13. Узел приготовления раствора ТНФ.

Предназначен для фосфатирования питательной воды котлов ВД

14. Система дренажных емкостей.

Предназначены для слива системы при остановках: - аминового раствора - кислой воды - углеводородов.

15. Узел сбора парового конденсата НД.

Предназначен для сбора и вывода с установки парового конденсата.


Также имеются вспомогательные материалы:

·        Катализатор Клауса Al2O3 (алюмооксидный)

·        Катализатор Клауса TiO2 (титанооксидный)

·        Катализатор БСР (кобальтмолибденовый на основе оксида алюминия)

·        Керамические шары

·        Раствор щелочи (20%-ый)

·        Тринатрийфосфат

·        МДЭА (метилдиэтаноламин) 100%

·        Ингибитор коррозии

·        Полипропилен или бумажные мешки для расфасовки по 50 кг

·        Полиэтилен для упаковки 50 кг мешков в полеты по 16 шт.

·        Биг-бэги (полиэтиленовые мягкие тканые)

·        Поддоны.

.3 Технология производства

.3.1 Процесс производства серы по методу Клауса

Процесс производства серы по методу Клауса является наиболее перспективным в технологическом, экологическом и экономическом аспектах процессах получения серы из кислых газов при очистке природных и попутных газов, а также газов нефтехимических производств. Высокая конкуренция на мировом рынке серы выдвигает еще одну важную задачу - повышение ее качества.[7].

Технико-экономические показатели процессов производства серы, их экологические характеристики, а также качество серы не удовлетворяют современным требованиям рынка серы. Несмотря на то, что промышленное внедрение процесса Клауса берет начало в 50-х годах прошлого столетия, остались нерешенными много вопросов этого процесса: основные научные разработки ведутся в области повышения глубины извлечения серы из газа и качества товарной серы, снижения вредных выбросов в окружающую среду. Основным источником загрязнения атмосферного воздуха на нефтеперерабатывающем заводе являются установки Клауса, от которых в атмосферу поступает более 95 % общего выброса загрязняющих веществ нефтеперерабатывающего завода, из них S02 - 55 %.Поэтому совершенствование процесса Клауса в этих направлениях является актуальным направлением в газо- и нефтеперерабатывающей промышленности.[7].

В данной работе я рассматриваю прямоточный процесс Клауса (пламенный способ), который применяют при объемных долях сероводорода в кислых газах выше 50% и углеводородов менее 2%. При этом весь кислый газ подается на сжигание в печь-реактор термической ступени установки Клауса, выполненный в одном корпусе с котлом-утилизатором. В топке печи-реактора температура достигает 1100-1300°С и выход серы до 70%. Дальнейшее превращение сероводорода в серу осуществляется в две-три ступени на катализаторах при температуре 220-260°С. После каждой ступени пары образовавшейся серы конденсируются в поверхностных конденсаторах. Тепло, выделяющееся при горении сероводорода и конденсации паров серы, используется для получения пара высокого и низкого давления. Выход серы в этом процессе достигает 96-97% [7].

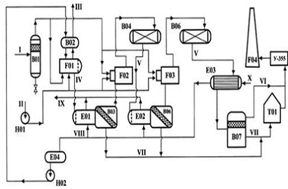
На рис.3 представлена схема установки Клауса. .[7].

Рисунок 2.Схема установки Клауса- кислый газ; II - воздух; III - пар высокого давления; IV, V - продукты реакции; VI - отходящие газы; VII - жидкая сера; VIII - горячая вода для питания котлов; IX -пар низкого давления; X - техническая вода; В01 - сепаратор; В02 - барабан первого котла; В04, В06 - каталитические реакторы первой и второй ступеней; ВОЗ, В05, В07 - коагуляторы серы; Р01 - печь-реактор; Р02, РОЗ - печи подогрева технологического газа; Р04 - печь дожига и дымовая труба; Е01, Е02 - конденсаторы серы; РОЗ - экономайзер; Р04 - емкость горячей воды; Т01 - серная яма; Н01 - воздуходувка; Н02 - насос; У-355 - установка доочистки хвостовых газов.

Термическая стадия заключается в высокотемпературном сжигании сероводорода в реакторе-генераторе при подаче стехиометрического количества воздуха согласно реакции:

(1) 2H2S + О2→ 2Н2О + S2 + 157210 кДж/кг моль H2S

Стехиометрическое соотношение количества воздуха и сероводорода в зависимости от состава сероводородного газа должно быть в пределах 2:1 - 3:1. Процесс проводят при стехиометрическом соотношении 4:1 (отношение объема воздуха к объему сероводородного газа), чтобы защитить катализатор гидрогенизации в узле очистки хвостовых газов при отклонении параметров технологического процесса от нормы. И это не будет влиять на общую степень извлечения 99,8% за счет рециркуляции сероводорода в узле очистки хвостовых газов.

Как уже было сказано процесс протекает при 1100-1500°С и при давлении в камере сгорания 0,71 бар (изб.) в зависимости от концентрации H2S в сероводородном газе и наличия в нем углеводородов и аммиака.

Часть сероводородного газа в топке котла-утилизатора превращается в SО2 по реакции:

(1) 2H2S + 3О2→ 2Н2О + 2SО2 + 519160 кДж/кг моль H2S

Часть сероводорода при высокой температуре разлагается на водород и серу

(1) H2S → Н2 + S2

Углеводороды и аммиак, содержащиеся в сероводородном газе, сгорают по реакциям:

(1 )С2Н6 + 3,5О2→ 2СО2 + 3Н2О + 1427700 кДж/кг мольС2Н6

(2) 2NH3 + 1,5О2→ N2 + 3Н2О + 316974 кДж/кг моль NH3

Наличие в составе сероводородного газа газообразных углеводородов в количестве свыше 2%, а также жидких углеводородов, может повлечь за собой серьезные нарушения процесса дальнейшей каталитической переработки.

Возможно протекание побочных реакций с образованием серосодержащих соединений.

(1) СО2 + H2S → COS + Н2О

(2) CО2 + 2H2S→ CS2 + 2H2О

(3) COS + H2S → CS2 + H2О

При охлаждении газов после термической ступени происходят следующие реакции:

·        ассоциация молекул S2 в S6 и S8

(1) 3S2→ S6 + 91100кДж/кгмоль S2

(2) 4S2 → S8 + 101490 кДж/кг моль S2

·        ассоциация молекул серы S6 в S8:

(1) 4S6→3S8 + 41660 кДж/кг моль S8

·        конденсация серы:

(1) S8 (газ) → S8 (жидкость) + 95710 кДж/кг моль S8

Реактор Клауса 1-й ступени представляет собой горизонтальный цилиндрический аппарат, внутри которого располагается слой катализатора. В верхней части слоя катализатора используется активированный оксид алюминия, а в нижней части - титанооксидный катализатор. На катализаторе осуществляются реакции Клауса, протекающие с выделением тепла, и гидролиз COS и CS2. Титанооксидный катализатор используется для стимулирования процесса гидролиза COS и CS2, который протекает на титанооксидном катализаторе при более низких температурах.

На каталитических ступенях процесса при температуре 200-320°С на катализаторе (активной окиси алюминия) происходит конверсия H2S и S02 с образованием серы по следующим реакциям:

2H2S + SО2→ 3/6S6 + 2HzO + 44250 кДж/кг моль H2S

H2S + SО2→ 3/8S8 + 2H2О + 52000 кДж/кг моль H2S

Для гидролиза COS и CS2 (побочные продукты) в каталитический реактор 1 ступени частично загружен титанооксидный катализатор.

Так как реакции протекают с выделением тепла, то понижение температуры реакции способствует увеличению выхода серы. Минимальная температура реакции определяется температурой точки росы серы. Применение двух каталитических ступеней способствует увеличению выхода серы вследствие более низкой температуры реакции во второй ступени по сравнению с первой. Вывод серы из газовой фазы сдвигает равновесие в сторону увеличения ее выхода и снижает температуру точки росы серы в технологическом газе.

С этой целью предусмотрено охлаждение технологического газа после каждой ступени конверсии с использованием тепла горячих газов для получения насыщенного водяного пара.

Отходящий серосодержащий газ с производства серы после охлаждения в конденсаторе-генераторе направляется на очистку отходящих газов. Дожиг остаточного сероводорода до диоксида серы производится в инсинираторе со сбросом отходящих газов в атмосферу через дымовую трубу.

Технические решения по производству серы методом Клауса:

Горелочные устройства печей оснащаются следующими блокировочными параметрами:

минимальные расходыгаза и воздуха, подаваемые на горелку;

погасание пламени в реакционной топке котла-утилизатора (два из двух);

максимальное давление сжигаемого газа перед горелкой;

останов воздуходувок.

Количество отсечной арматуры определено по мощности горелки. Котлы-утилизаторы оснащается следующими блокировочными параметрами, которые останавливают работу главных горелок: при работе на кислом газе останов питательных насосов; останов инсиниратора; при работе на природном газе останов питательных насосов; останов инсиниратора.

1.3.2 Узел сепарации

Сепараторы предназначены для предотвращения попадания жидкой фазы , образующейся в результате технологических нарушений во входящих потоках, в горелку реакционной печи, где они могут стать причиной повреждения огнеупорной футеровки горелки и реакционной печи.

Поток кислого газа с секции регенерации аминового раствора подается на отбойный сепаратор кислого газа амина.

Кислый газ газификации подается на отбойный сепаратор кислого газа газификации.

Кислый газ СВС из отпарной колонны секции отпарки кислых стоков подается на отбойный сепаратор кислого газа СВС.

Давление на нагнетании насоса составляет 6,37 бар (изб.).

Давление кислого газа газификации на выходе из сепараторов и составляет 0,9 бар (изб.).

Кислый газ от сепараторов поступает на сжигание в главную горелку реакционной печи. Реакционная печь имеет две камеры. Это необходимо для того, чтобы создать более горячую зону на передней стороне печи с целью нейтрализации аммиака, содержащегося в кислом газе, поступающем из отпарной колонны. Это достигается посредством перепуска 10-20% кислого газа амина, с пропорциональным регулированием, на кольцо в центре печи, где происходит смешивание с продуктами горения, поступающими с фронта горения.

Расход части кислого газа амина, поступающего во вторую зону горения реакционной печи, поддерживается регулирующим клапаном, установленным на линии подачи части кислого газа амина во вторую зону горения реакционной печи Н. В случае неполной нейтрализации аммиака, в более холодных частях установки могут иметь место отложения аммонийных солей, которые могут привести к увеличению гидравлического сопротивления системы по технологическому газу и, как следствие, к снижению производительности установки. Воздух, расход которого рассчитывается суммированием расходов воздуха, требуемого отдельно для кислого газа амина, кислого газа газификации и кислого газа СВС, подается в реакционную печь воздуходувками. Перед подачей в реакционную печь воздух нагревается до температуры 140 °С в подогревателе.

1.3.3 Доочистка хвостовых газов Клауса

Очистка от сероводородсодержащих компонентов отходящих газов складывается из следующих технологических стадий:

·        восстановление сернистых соединений до сероводорода;

·        охлаждение и конденсация влаги из технологических газов после восстановления;

·        улавливание сероводорода из технологических газов раствором МДЭА.

Сущность стадии восстановления заключается в каталитическом гидрировании элементарной серы и сернистого ангидрида до сероводорода и гидролиз сероорганических соединений при температуре 260°С на низкотемпературном кобальтмолибденовом катализаторе согласно следующим реакциям:

(1) SО2 + 3Н2→H2S + 2Н2О + 207508 кДж/кмоль SО2

(2) S8 + 8Н2→ 8H2S + 293090 кДж/кмоль S8

(3) COS + Н2О →CS2 + 2Н2О

(4) CS2 + H2S→ СО2 + 2H2S

 Охлаждение восстановленного газа осуществляется в охладителе с выработкой пара НД (низкого давления) и дальнейшем охлаждением в колонне за счет циркулирующей воды. Для защиты системы аминовой очистки восстановленный газ промывается в нижней части охладительной колонны щелочным раствором. Питание охладителя осуществляется котловой водой среднего давления. Уровень в охладителе поддерживается регулирующим клапаном установленным на линии подачи котловой воды среднего давления. Давление пара в охладителе составляет 6,0 бар (изб.). Температура технологического газа на выходе из охладителя составляет 175°

После охлаждения и конденсации влаги газ поступает на очистку от сероводорода, которая осуществляется в абсорбере 50%-ным водным раствором МДЭА. Насыщенный раствор МДЭА направляется на централизованный узел регенерации, откуда возвращается в виде регенерированного раствора МДЭА и рециркулирующего кислого газа в составе кислых газов амина на установку производства серы. Раствор МДЭА подается на установку с температурой 38°С.

Газ поступает в нижнюю часть абсорбера и проходит через контактные устройства противотоком к раствору МДЭА, который избирательно поглощает H2S. Одновременно с поглощением сероводорода происходит и поглощение части углекислоты содержащейся в хвостовых газах.

Селективность раствора МДЭА основана на прямой реакции МДЭА с сероводородом. Поглощение углекислоты проходит через стадию растворения углекислоты в воде с дальнейшей реакцией между МДЭА и углекислотой

(1) H2S + R3N ↔ R3

(2) NH+ + H2S -CО2 + R3N ↔ нет

(3) CО2 + R3N + H2О↔ R3NH+ + HCО3-

С целью снижения потерь раствора МДЭА очищенный газ контактирует промывочной водой в верхней части абсорбера, которая циркулирует с помощью насоса промывочной воды. На всех промывочных насосов подается при необходимости ингибитор коррозии.

Основными отходами в данном процессе является водяной конденсат, образующийся при охлаждении восстановленного газа, содержащий физически растворенный H2S и СО2, и отработанный раствор каустика, содержащий соли сульфит/бисульфит натрия/карбонат/бикарбонат натрия.

.3.4 Узел дегазации жидкой серы

Чтобы жидкая сера стала безопасной для дальнейшей транспортировки, и чтобы исключить возможность образования взрывоопасной смеси из воздуха и сероводорода над серой в процессе транспортировки, концентрация H2S должна быть уменьшена до <10 ррm. Сера из сборника проходит через фильтр жидкой серы и поступает в холодильник серы.

Давление на нагнетании насосов достигает 10,5 бар (изб.). Давление пара на входе в паровые рубашки насосов составляет 2,4-3,0 бара (изб.) для поддержания приемлемой вязкости жидкой серы.

В холодильнике серы жидкая сера охлаждается до температуры 135°С для обеспечения необходимых параметров для дальнейшего процесса дегазации. Охлаждение происходит с помощью питательной котловой воды среднего давления, предварительно подогретой со 110°Сдо 120°Св подогревателе питательной воды. Затем поток охлажденной серы поступает в верхнюю часть контактора дегазации, откуда она перетекает через контактные устройства вниз навстречу потоку воздуха, поступающего в нижнюю часть дегазатора. При этом содержание сероводорода в сере уменьшается до <10 ррm.

Уровень в контакторе дегазации регулируется клапаном, установленным на линии вывода жидкой дегазированной серыиз аппарата.

Дегазированная сера из контактора дегазации под остаточным давлением направляется в хранилища серы.

Воздух для дегазации подается от воздушного вспомогательного компрессора обеспечивающего подачу технического воздуха в контактор дегазации под постоянным давлением.

Давление воздуха для дегазации на выходе из контактора дегазации составляет 5,2 бара (изб.).

Воздух, используемый в процессе дегазации, и удаляемый из верхней части контактора дегазации, поступает в одну из горелок реакционной печи или в случае остановки установки Клауса в печь дожигания газов - инсиниратор.

Газовоздушная смесь, содержащая сероводород, из подземного сборника с температурой 135°Сотсасывается эжектором.

Пар подается в эжектор с давлением 15,0 бар (изб.).

Газовоздушная смесь от эжектора направляется в инсинератор на утилизацию.

.3.5 Узел утилизации технологических газов в инсинираторе

Обработанный газ из аминового абсорбера поступает в печь для дожигания газов - инсиниратор, в котором сжигаются все вредные компоненты, находящиеся в хвостовомгазе и потоках, поступающих от эжектора подземного сборника жидкой серы. Кроме того, инсиниратор предназначен для утилизации прочих газовых потоков, когда они идут пообводным линиям, минуя установку очистки хвостовых газов, или во время запускаустановки или в случае сбоев в нормальной работе этой установки.

Воздуходувка подает воздух горения в горелку инсиниратора.

Дымовые газы инсиниратора с температурой 650°С используются для перегрева пара среднего давления, а также пара низкого давления, получаемых на установке, уменьшая температуру дымового газа до 572°С.

Дымовой газ выбрасывается в атмосферу через дымовую трубу высотой 150м.

На дымовой трубе установлены газоанализаторы на S02 и NOx.

.3.6 Процесс гранулирования жидкой серы, расфасовка, хранение, отгрузка гранулированной серы

Для хранения жидкой дегазированной серы предусмотрены два хранилища на 5 суток, откуда далее сера поступает на грануляцию.

Используется технологическая схема известная в мире как грануляция во вращающемся барабане. Схема включает гранулятор- вращающийся барабан, систему впрыска воды для снятия тепла кристаллизации и охлаждения серы, систему подачи жидкой серы в барабан, систему разделения фракций, транспортеры для гранулированной серы - готового продукта диаметром гранул 2,0-5,0 мм, мелкой фракции с диаметром гранул менее 2,0 мм, возвращаемой в барабан как центры кристаллизации жидкой серы, крупной фракции с диаметром гранул более 5,0 мм, возвращаемой в сборник жидкой серы для плавления и последующей подачи в барабан, систему вентиляции и очистки вент. воздуха, КИП, систему управления и ПАЗ, электрический шкаф питания.

Расфасовка гранулированной серы осуществляется двух видов автоматически в бумажные или полипропиленовые мешки весом 50 кг, из которых формируются паллеты по 16 мешков на поддоны или в биг-бэги по 1 тонне. Подача расфасованной серы на склад осуществляется по транспортерам. Для хранения паллет и биг-бэгов предусматривается склад на 25 суток. Отгрузка готовой продукции осуществляется в железнодорожный и автотранспорт вилочными дизельными погрузчиками.

1.3.7 Узел факельных сепараторов

Сброс кислого газа от предохранительных клапанов, установленных на сепараторах кислых газов, осуществляется через факельный сепаратор кислого газа

Кислая вода по мере накопления насосами выводится с установки. Газ от сепаратора направляется на факел.

Для безопасной работы установки предусмотрены сигнализация и блокировки. Все насосы имеют блокировки:

·        по минимальному уровню в емкости (защита работы от сухого хода);

·        по температуре подшипников;

·        при повышении температуры затворнойжидкости;

·        при повышении давления в бачке;

·        при понижении уровня затворнойжидкости в бачке.

Сброс природного и топливного газов от предохранительных клапанов, установленных на соответствующих сепараторах, осуществляется через факельный сепаратор низкого давления.

Углеводородный конденсат по мере накопления насосами выводится с установки.

Газ от сепаратора направляется на факел низкого давления.

.3.8 Система дренажных емкостей

Для опорожнения системы аппаратов и трубопроводов в период остановки на

планово предупредительный ремонт предусматриваются дренажные подземные емкости с

погруженными насосами.

Дренаж раствора МДЭА от оборудования и трубопроводов

осуществляется в дренажный сборник аминового раствора.

Температура раствора в сборнике составляет 40°С. Давление аминового раствора

на линии нагнетания насоса составляет 5,0 бар (изб.).

Дренажный сборник находится под азотным дыханием.

Дренаж кислой воды от оборудования и трубопроводов осуществляется в

дренажный сборник кислой воды.

Температура кислой воды в сборнике составляет 40°С.

Давление кислой воды на линии нагнетания насоса составляет 5,0 бар (изб.).

Дренажный сборник находится под азотным дыханием.

Дренаж углеводородов от оборудования и трубопроводов осуществляется в

дренажный сборник углеводородов, откуда углеводороды насосом выводятся с установки.

1.3.9 Узел сбора продувок от котлов

Все котельное оборудование имеет непрерывную и периодическую продувку,

которая служит для предотвращения отложения солей на теплообменных поверхностях.

Для сбора продувочной воды котлов-утилизаторов высокого давления, котлов

низкого давления - конденсаторов серы, и охладителя технологических газов реактора

предусмотрен общий узел. Непрерывная и периодическая продувка котлов высокого

давления направляется в сепаратор продувки высокого давления, где за счет сброса

давления до 6,0 бар происходит образование пара низкого давления. Пар направляется в

трубопровод пара низкого давления. На линии выхода пара из сепаратора установлен

регулирующий клапан постоянного давления. Продувочная вода выходит из и

направляется в линию непрерывной и периодической продувки котлов низкого давления.

Вся продувочная вода охлаждается в холодильнике продувки оборотной водой до 40°С и

сбрасывается в подземный сборник солесодержащих стоков.

Солесодержащие стоки по мере накопления выводятся с установки при помощи

погружного насоса.

1.4 Принципиальные решения технологических процессов

Принципиальные решения по системе контроля и управления процессом:

● автоматизированная распределенная система управления (РСУ)

● система противоаварийной автоматической защиты (ПАЗ)

● система обнаружения газовой опасности (СОГО) и пожарной опасности (СОПО)

●стационарная система мониторинга машинного оборудования (СММО)

●система автоматизированной поверки, диагностики, технического обслуживания

и ремонта полевого оборудования КИП (СПДО)

Особое внимание стоит уделить системе обнаружения газовой опасности.

1.4.1 Система обнаружения газовой опасности (СОГО)

На открытых площадках контроль за состоянием воздушной среды осуществляется

системой обнаружения газовой опасности (СОГО). Места установки и количество

датчиков определены согласно требований ТУ-ГАЗ-86.

Газовые детекторы, сигнальная аппаратура, устанавливаемые во взрывоопасных

зонах, соответствуют категориям и группам взрывоопасных смесей, которые образуются в

этих зонах. При загазованности звуковой сигнал подается на открытую площадку.

Предусмотрена регистрация всех случаев загазованности и неисправности газовых

детекторов на РСУ.

Система обнаружения газовой опасности (СОГО) обеспечивает выполнение

функций обнаружения и сигнализации повышения предельно-допустимых концентраций (ПДК) H2и повышение нижнего концентрационного предела воспламенения (НКПВ)

СН4.

Система обнаружения газовой опасности (СОГО) формирует сигналы для

включения средств оповещения на открытой площадке, в зданиях, а также на пульте

оператора РСУ, размещенного в центральном пункте управления.

Средства сигнализации системы СОГО предусматриваются для выполнения двух

задач:

·        предупреждение оператора технологического процесса для принятия

соответствующих действий, направленных на снижение опасности;

·        предупреждение персонала для обеспечения безопасной эвакуации или выполнения других соответствующих действий.

Между контроллерами СОГО и РСУ центрального пункта управления организуется

сдвоенная связь с последовательной передачей данных для контроля оператором

срабатывания датчиков газовой опасности.

СОГО интегрирована в сеть системы безопасности предприятия и не зависима от

других систем. В контроллерах и интерфейсах ввода/вывода СОГО используется

оборудование того же типа, что и в ПАЗ.

1.5 Охрана воздушной среды

На протяжении последних лет в Российской Федерации сохраняется тенденция ежегодного увеличения выбросов загрязняющих веществ в атмосферный воздух от стационарных источников, в том числе и выбросов сернистых соединений. Как уже было сказано, основным источником загрязнения атмосферного воздуха на нефтеперерабатывающем заводе являются установки Клауса, от которых в атмосферу поступает более 95 % общего выброса загрязняющих веществ НПЗ, из них S02 - 55 %. Утилизация сернистых газов по методу Клауса не достигает 100%-ного эффекта, поэтому значительное количество серы выбрасывается в атмосферу в виде диоксида серы. Установка производства серы размещена на открытой промплощадке завода.Основными источниками выбросов вредных веществ являются[3]:

·        организованные выбросы дымовой трубы технологической печи;

·        неорганизованные выбросы - совокупность отдельных источников выделения вредных веществ (фланцевые соединения арматуры, трубопроводы, уплотнения и др.) , расположенных на открытой площадке установки, которые образуют неорганизованный источник выбросов.

Значение валовых выбросов указано выше.

В таблице 6 указаны валовые выбросы вредных веществ в атмосферу источниками установки при эксплуатации.[8]

Таблица 6. Значения валовых выбросов ЗВ при эксплуатации НПЗ на установке по производству серы


1.5.1 Мероприятия по снижению выбросов

Газы, перерабатываемые на установке, являются взрывоопасными, пожароопасными и токсичными.

Мероприятия, позволяющие дополнительно сократить выбросы вредных веществ:

·        наличие заглушек на воздушниках и продувочных линиях, установленных на

сероводородных средах;

·        емкости с раствором МДЭА снабжены "азотным дыханием";

·        принят закрытый дренаж аппаратов в заглубленные емкости;

·        применение эжекторов для отсоса газовоздушной среды из емкостей серы с

направлением ее на дожиг;

·        на инсинираторе применены горелочные устройства с низким образованием

окислов азота, сбросы от предохранительных клапанов на горючих газо-парогазовых средах осуществляются на факел;

·        сбросы от предохранительных клапанов токсичных газовых сред утилизируются в инсинираторе

·        наличие аварийно-предупредительной сигнализации о нарушении режима;

·        установка сигнализаторов довзрывных концентраций по углеводородам, а также газосигнализаторов на ПДК по сероводороду;

·        предусматривается узел дегазации жидкой серы для обеспечения безопасной

·        работы с серой при транспортировке и последующей ее обработке;

·        оборудование устанавливается на забетонированных площадках с бортиками, в

обвалованиях или на специальных покрытиях, предотвращающих проникновение дождевых осадков и аварийных проливов в почву и на рельеф;

Контроль организованных выбросов вредных веществ осуществляется после печи

дожига на дымовой трубе (контролируется содержание SО2, H2S, NOx).

Глава 2

.1 Нормативно-правовые основы анализа проектной деятельности мурманского нефтеперерабатывающего завода

Конституция РФ 1993

·        (Статья 9) "1. Земля и другие природные ресурсы используются и охраняются в Российской Федерации как основа жизни и деятельности народов, проживающих на соответствующей территории.

·        2. Земля и другие природные ресурсы могут находиться в частной, государственной, муниципальной и иных формах собственности".

·        (ст. 24 ч. 2) " Органы государственной власти и органы местного самоуправления, их должностные лица обязаны обеспечить каждому возможность ознакомления с документами и материалами, непосредственно затрагивающими его права и свободы, если иное не предусмотрено законом".

·        (Статья 42) "Каждый имеет право на благоприятную окружающую среду, достоверную информацию о ее состоянии и на возмещение ущерба, причиненного его здоровью или имуществу экологическим правонарушением".

·        (ст.53) "Каждый имеет право на возмещение государством вреда, причиненного незаконными действиями (или бездействием) органов государственной власти или их должностных лиц".

·        (Статья 58) "Каждый обязан сохранять природу и окружающую среду, бережно относиться к природным богатствам"

Федеральный закон "Об охране окружающей среды" от 10 января 2002 г. № 7-ФЗ.

( статья 16) 1. Негативное воздействие на окружающую среду является платным.2. К видам негативного воздействия на окружающую среду относятся:

·        выбросы в атмосферный воздух загрязняющих веществ и иных веществ;

·        сбросы загрязняющих веществ, иных веществ и микроорганизмов в поверхностные водные объекты, подземные водные объекты и на водосборные площади;

·        загрязнение недр, почв;

·        размещение отходов производства и потребления;загрязнение окружающей среды шумом, теплом, электромагнитными, ионизирующими и другими видами физических воздействий;

·        иные виды негативного воздействия на окружающую среду.

(статье 32). 1. Оценка воздействия на окружающую среду проводится в отношении планируемой хозяйственной и иной деятельности, которая может оказать прямое или косвенное воздействие на окружающую среду, независимо от организационно-правовых форм собственности субъектов хозяйственной и иной деятельности.

(статья 33) 1. Экологическая экспертиза проводится в целях установления соответствия документов и (или) документации, обосновывающих планируемую хозяйственную и иную деятельность, требованиям в области охраны окружающей среды.

(статье 34)1.

Похожие работы на - Социо-эколого-экономический анализ негативных воздействий на окружающую среду нефтеперерабатывающего завода в условиях Крайнего Севера и мероприятия по их минимизации

 

Не нашли материал для своей работы?
Поможем написать уникальную работу
Без плагиата!
Без нейросетей!