Создание научной методологии проектирования нейтрализатора современных автомобилей

  • Вид работы:
    Дипломная (ВКР)
  • Предмет:
    Экология
  • Язык:
    Русский
    ,
    Формат файла:
    MS Word
    682,49 Кб
  • Опубликовано:
    2014-02-04
Вы можете узнать стоимость помощи в написании студенческой работы.
Помощь в написании работы, которую точно примут!

Создание научной методологии проектирования нейтрализатора современных автомобилей

Содержание

Введение

1.  Правовые и нормативные основы обеспечения защиты атмосферного воздуха от вредных выбросов автомобильного транспорта

1.1 Современные нормы токсичности отработавших газов автомобилей

1.2 Выбросы и соответствующие системы контроля двигателей.

1.3 Испытания двигателей на токсичность <#"703544.files/image001.gif">

Рисунок 1.1 Диаграмма состава отработавших газов легкового автомобиля.

Определение токсичности выбросов ОГ автомобилей проводят в соответствии со стандартом и оценивают по нормам предельного содержания. Нормы устанавливаются в зависимости от весовой категории автомобиля или рабочего объема (литража) двигателя.

Таблица 1.2

Нормы выбросов токсичных компонентов в зависимости от массы транспортного средства

Контрольная масса, кг

Категория, кг

Нормы выброса, г/исп.



CO

CH+NOx



1

2

1

2

< 750 750-850 850-1020 1020-1250 1250-1470 1470-1700 1700-1930 1930-2150 ≥ 2150

680 800 910 1130 1360 1590 1810 2040 2270

58 58 58 67 76 84 98 101 110

70 70 70 80 91 101 112 121 132

19 19 19 20.5 22 23.5 25 26.5 28

23.8 23.8 23.8 25.6 27.5 29.4 31.1 33.1 35


Практикой установлено, что за последние годы , отечественная автомобильная промышленность выпускающая грузовые автомобили , не по каким европейским стандартам не допускает въезд на территорию городов большегрузного транспорта. Отсутствие достаточной нормативной базы , низкий эффект экономического механизма управление охраной окружающей среды на транспорте. В 1992г. Россия присоединилась к международному соглашению по экологическим требованиям Правил ЕЭК ООН. Это создало правовую основу для того , чтобы требовать от промышленности их выполнения , а также для разработки транспортного законодательства . Но одних законодательных актов недостаточно. Дело в том , что изготовляемая в России автомобильная техника не соответствует Правилам ЕЭК по техническому уровню и прежде всего по топливной экономичности и экологическим показателям. На сегодняшний день в страны ближнего и дальнего зарубежья как Латвия , Эстония , Литва отечественные грузовики не выпускают за пределы государственной границы , по той простой причине несоответствования нормам ЕЭС. На внутреннем рынке наша страна теряет до 76 % оборотных денежных средств из - за плохих показателей двигателей отечественных автомобилей ( шумности , дымности , загазованности ).

В таблице представлено содержание вредных веществ в отработавших газах дизелей и бензиновых двигателей .

Таблица 1.3

Содержание вредных веществ в отработавших газах дизелей и бензиновых двигателей.

Вредное вещество ОГ

Содержание ОГ ДВС


Дизели

Бензиновые

Оксид углерода

0,005 - 0,5 об. %

0,25 - 10 об. %

Оксид азота

0,004 - 0,5 об. %

0,01 - 0,8об. %

Сернистый ангидрид

0,003 - 0,05об. %

-----------------

Бензапирен

до 10 мкг/м3

до 20 мкг/м3

Соединение свинца

--------------------------

Выбрасывается до 85 % соединений свинца


Предельно допустимые концентрации загрязняющих веществ в атмосфере населенных пунктов установленные экспирическим путем , регламентированы списком Министерством здравоохранения от 7мая 1996г. в соответствии с которыми установлены класс токсичности вещества допустимые максимальная разовая и среднесуточная концентрация примесей. Эти концентрации обосновываются клиническими и санитарно - гигиеническими исследованиями и носят законодательный характер.

Таблица 1.4

Предельно допустимые концентрации некоторых веществ, поступающих в атмосферу , мг\м3 .

Вещество

Максимальная разовая

Средняя суточная

Диоксид азота

0,085

0,04

Аммиак

0,20

0,04

Сажа ( копать )

0,15

0,05

Оксид углерода

3,0

1,0

Сернистый ангидрид

0,03

0,005

Фосфорный ангидрид

0,15

0,05

Хлор

0,01

0,03

Пыль

0,15 - 0,5

0,05 - 0,15


Если в атмосферном воздухе одновременно присутствует несколько веществ, обладающих эффектом суммации , то их суммарная концентрация не должна превышать единицы при расчете по формуле :

С1 + С2__ + … + Сп__ < 1 (1.1)

ПДК1 ПДК2 ПДКп

где С1 , С2, …Сп - фактические концентрации вредных веществ в атмосферном воздухе. ПДК1 , ПДК2 , … ПДКп - предельно допустимые концентрации вредных веществ в атмосферном воздухе .

1.2 Выбросы и соответствующие системы контроля двигателей

Низкий технический уровень отечественных автомобилей и эксплуатацию , не соответствующую требованиям национальных стандартов , подтвердили результаты операции «Чистый воздух», проведенной в 2000г. Практически во всех субъектах РФ отмечено , что доля автомобилей , эксплуатируемых с повышением действующих нормативов по токсичности и дымности в среднем составляет 20 - 25 % и в отдельных регионах страны достигает 40 %.

Основными причинами сложной экологической обстановки является :

отсутствие надлежащего контроля на предприятиях за соблюдением

нормативов государственных стандартов по токсичности и дымности

отработавших газов транспортных средств,

-        слабый контроль за качеством реализуемого моторного топлива,

-        вьезд на территорию городов больщегрузного транспорта

         отсутствие достаточной нормативной базы, низкий эффект экономического механизма управления охраной окружающей среды на транспорте.

Для проведения измерений контроля двигателя применяется прибор , работающий по принципу просвечивания отработавших газов которые называются дымомерами .Прибор подключается к выпускной системе автомобиля и нажатием педали подачи топлива установить максимальную частоту вращения вала дизеля . Продолжительность работы на данном режиме должна обеспечивать температуру отработавших газов , входящих в прибор , соответствующую требованиям инструкции по эксплуатации прибора . После этого отпустить педаль . Измерение на режиме свободного ускорения производится при 10 - кратном повторении цикла частоты вращения вала дизеля от минимальной до максимальной быстрым, но плавным нажатием педали подачи топлива до упора с интервалом не более 15с . Замер показателей следует производить при последних четырех циклах по максимальному отклонению стрелки прибора . За результат измерения дымности принимают среднее арифметическое значение по четырем циклам . Измерения считают точными , если разность в показаниях дымности последних четырех циклов не превышает 6 единиц по шкале прибора . Измерение на режиме максимальной частоты вращения следует производить при стабилизации показаний прибора ( размах колебаний стрелки прибора не должна превышать 6 единиц измерения по шкале прибора ) не позднее чем через 60с после измерений . За результат измерения следует принимать среднее арифметическое значение от крайних значений диапазона допустимых колебаний . Измерение дымности у автомобиля с раздельной выпускной системой следует проводить в каждой из выпускных труб отдельно . Оценку дымности проводят по максимальному значению . Колебание стрелки прибора не должно превышать _ + 3 % от всей шкалы прибора . За результат измерения следует принимать среднее арифметическое значение , определенное по крайним показателям . У отечественных двигателей вредные вещества находящиеся в отработавших газах , можно просмотреть в следующем виде.

Таблица.1.5

Удельное содержание вредных веществ в отработавших газах.

Вещества

В г(квт*ч)

В % пообъему


четырехтактные дизели

двухтактные дизели

дизели

Окись углерода

4,0 - 5,5

11

менее 0,2

Окислы азота

12 - 19

19

0,25

Углеводороды

2,0 - 4,0

8,0

менее 0,01

Альдегиды

0,14 - 0,2

0,34

0,002

Сернистый ангидрид

0,95

1,0

0,03

Сажа

1,4 - 2,0

1,22

0,25


В связи с этим, в ООО «СП Бизнес Кар» были проведены научно-исследовательские работы, направленных на изучение состояния современного автомобильного дизелестроения. Анализ показал, что автомобили марки Toyota выполняют требования Правил ЕЭК ООН № 83, что соответствует экологическим классам автомобилей 2, 3 и 4 (Евро-2, Евро-3, Евро-4). Эти требования обеспечиваются с применением систем очистки отработавших газов.

1.3 Испытания двигателей на токсичность

Все более ужесточающиеся нормы определяют снижение предельного содержания количества токсичных компонентов в отработавших газах. Эти выбросы могут быть замерены при заданных определенных условиях работы двигателя.

Схема испытаний

Как правило, выбросы токсичных веществ с отработавшими газами двигателей определяются на стенде с беговыми барабанами (для легковых автомобилей) или на испытательном моторном стенде (грузовые автомобили). Многие нормы предельного содержания токсичных компонентов в отработавших газах и методы испытаний автомобилей на токсичность были впервые внедрены в США, где способ отбора проб (газа) постоянного объема был применен в качестве эффективного способа для контроля за выбросом твердых частиц при динамических испытаниях. При этой процедуре отработавшие газы разбавляются отфильтрованным окружающим воздухом и отбираются посредством ротационного насоса во время стандартизованного цикла испытаний. Разбавление отработавших газов воздухом устраняет вероятность конденсации в них влаги и одновременно удерживает их температуру на уровне, требуемом для измерения содержания твердых частиц (52°С).

Одна проба пропускается через специальный бумажный фильтрующий элемент, где осуществляется определение уровня выброса твердых частиц за счет измерения увеличения массы пробы.

Вторая нагретая проба газа направляется в пламенно-ионизационный детектор, в котором производится непрерывный контроль за концентрацией углеводородов. Третья проба отправляется в сборник отработавших газов. После окончания цикла испытаний его содержимое направляется в газоанализатор, где производятся замеры концентраций СО, МОх и СО2. Расчеты для определения уровней выбросов различных компонентов отработавших газов базируются на данных об объеме смеси газов и концентрации отдельных их компонентов.

В США для проверки легковых и грузовых автомобилей на токсичность отработавших газов применяются одни и те же методы и газоанализаторы. Отработавшие газы обычно разбавляются дважды, что дает возможность пропускать большие объемы газа через трубопроводы приемлемого размера. В европейском цикле испытаний также применяется разбавление части газового потока воздухом при замерах содержания твердых частиц в отработавших газах.

После измерений концентрации твердых частиц проводятся дополнительные проверки непрозрачности этих газов как в стационарных условиях, так и при движении с полной нагрузкой.

1.4 Испытательные циклы и нормы токсичности в Европе

Легковые и малотоннажные грузовые автомобили

Нормы предельной токсичности отработавших газов,принятые в Европе,базируются на Директивах R15 ЕЭК и 70/220 ЕЭС, а также дополнениях к этим документам.

Существующие нормы для малотоннажных грузовиков (полной массой менее 3,5 т) указаны в Директиве 93/59 ЕС/ЕЭС. Менее строгие нормы применяются для дизелей с непосредственным впрыскиванием топлива.

Предельная токсичность отработавших газов легковых автомобилей (с числом сидений 6 и более, массой <, 2,5 т) регламентируется в Директиве 91/441 ЕС/ЕЭС.

Следующим шагом в ужесточении норм токсичности является Директива 1997 г. ЕС 94/12. Используемый ранее ездовой цикл ЕСЕ (ЕЭС) R15 был заменен модернизированным европейским ездовым циклом (включающим часть цикла, относящуюся к движению по загородным дорогам со скоростью движения вплоть до 120 км/ч). Предельные нормы дымности, рассмотренные в правилах ЕЭК R24 и ЕЭС 72/306, остаются в силе.

Таблица 1.6

Нормы токсичности для грузовиков (полная масса <3,5т ). Ездовой цикл: модернизированный европейский цикл; временный вариант при Vmax = 90км/ч для автомобилей с максимальной скоростью < 130 км/ч и/или отношением мощности к массе < 30кВт/т.


Таблица 1.7

Нормы токсичности для легковых автомобилей (полная масса <2,5т ). Ездовой цикл: модернизированный европейский цикл ЕЭС R 15 и ЕС (Директивы).


Так называемая "стокгольмская группа" государств (включая Швецию, Швейцарию, Австрию) приняла нормы по предельной токсичности, базирующиеся на нормативах США (1987 г.). Швеция также проявила инициативу в вопросе создания системы штрафов за несоблюдение более строгих норм предельной токсичности.

Грузовые автомобили

В Европе автомобили полной массой свыше 3,5 т, которые имеют более чем 9 мест для сиденья, проходят 13-режимные испытания, регламентированные правилами ЕЭК R49. Последовательность испытания - это серия из тринадцати различных стационарных рабочих режимов.

Первоначально принятые предельные нормы выбросов газообразных компонентов были ужесточены, и в новые нормативы были включены требования по предельным выбросам твердых частиц в отработавших газах.

Существующие предельные значения выбросов в странах ЕС приведены в нормативах Стадии 1 (EURO I) и Стадии 2 (EURO II) ЕЭС директив ЕЭС 91/542; последние предназначены для автомобилей серийного производства, начиная с октября 1996 г. Дополнительное снижение норм предельной токсичности планируется в 1999 г. Пересмотр испытательного цикла также предполагается осуществить на Стадии 3 (EURO III).

Тем временем нормы, касающиеся контроля за дымностью отработавших газов дизелей, работающих при полной нагрузке (Директива ЕЭК R24), бьши оставлены без изменения, хотя имеющее место значительное снижение уровней твердых частиц в отработавших газах делает их не совсем приемлемыми.

1.5 Испытательные циклы и нормы токсичности в Японии

Легковые автомобили

Для определения концентраций газообразных токсичных компонентов и твердых частиц в отработавших газах дизелей используется ездовой цикл 10.15. Этот цикл расширен включением в него высокоскоростного режима испытаний (подобного европейским циклам).

Грузовые автомобили

Выбросы токсичных компонентов замеряются с использованием нового 13-ступенчатого стационарного цикла испытаний, введенного в Японии и отличающегося от того, что имеет место в 13-режимном европейском испытательном цикле.

Таблица 1.8

Нормы токсичности отработавших газов для легковых автомобилей с числом сидений 10 или менее. Ездовой цикл: Многоступенчатый 10.15, 3 - режим испытания дымности.


Таблица 1.9

Нормы токсичности отработавших газов для грузовых автомобилей полной массой более 2,5т. Ездовой цикл: 13- режимный цикл испытаний, 3- режимный цикл испытаний на дымность.


1.6 Испытательные циклы и нормы токсичности в США

Легковые и малотоннажные грузовые автомобили

Федеральный цикл испытаний (FTP 75) применяется для легковых и малотоннажных грузовых автомобилей полной массой не более 3,9 т. График скорости соответствует ездовому циклу работы автомобиля в условиях города (США). Испытания проводятся с использованием стенда с беговыми барабанами, и измерения осуществляются посредством метода отбора проб постоянного объема.

Тяжелые грузовые автомобили

Начиная с 1987 г., тяжелые грузовые автомобили испытываются на моторном стенде с использованием ездового цикла; замеры проводятся в соответствии с методом CVS. Испытательный цикл выбран с учетом реальных условий движения по автомагистралям.

Таблица 1.10

Предельные значения токсичности легковых автомобилей в США.


Таблица 1.11

Нормы токсичности отработавших газов дизельных тяжелых грузовых автомобилей полной массой > 3.9т

2. Токсичность отработавших газов автомобильных двигателей

.1 Состав и структура выбросов двигателей внутреннего сгорания

Автомобильные двигатели внутреннего сгорания загрязняют атмосферу вредными веществами, выбрасываемые с ОГ, картерными газами и топливными испарениями. При этом 95-99% вредных выбросов современных автомобильных двигателей приходиться на ОГ, представляющие собой аэрозоль сложного, зависящего от режима работы двигателя, состава. Атмосферный воздух , являющийся окислителем топлив, состоит в основном из азота (79%) и кислорода (21%). При идеальном сгорании стехиометрической смеси углеводородного топлива с воздухом в продуктах сгорания должны присутствовать лишь N2 и CO2, H2O. В реальных условиях ОГ содержат также продукты неполного сгорания (оксиды углерода, углеводороды, альдегиды, твердые частицы углерода, водород и избыточный кислород), продукты термических реакций взаимодействия азота с кислородом (оксиды азота), неорганические соединения тех или иных веществ, присутствующих в топливе (соединения свинца,…).

Всего в ОГ обнаружено около 280 компонентов, которые можно подразделить на несколько групп. Группа нетоксичных веществ- азот, кислород, водород, водяной пар, углекислый газ. Группа токсичных веществ- оксид углерода, оксид азота, углеводороды, альдегиды, сажа. При сгорании сернистых топлив образуются неорганические газы - сернистый ангидрид SO2 и сероводород H2S. В отдельную группу можно отнести канцерогенные полициклические ароматические углеводороды (ПАУ), наиболее активный из которых бензапирен, являющийся индикатором присутствия канцерогенов в ОГ. В случае применения этилированных бензинов образуются токсичные соединения свинца.

Необходимо отметить, что в настоящее время основным источником загрязнения воздуха является бензиновые двигатели. Тем не менее снижение токсичности дизелей также является актуальной задачей, учитывая наметившуюся тенденцию дизелизации АТ. Состав ОГ этих двух типов двигателей существенно различается прежде всего по концентрации продуктов неполного сгорания (оксид углерода, углеводороды, сажа).

Основными токсичными компонентами ОГ бензиновых двигателей следует считать СО, СН, NO и соединения свинца, а дизелей- NO и сажу.

Пары топлива (СН)- испарения топлива из топливных баков, элементов системы питания двигателей: стыков, шлангов и тд. Состав - углеводороды топлива различного состава (15-20%)

Отработавшие газы (СО, СН, NO, сажа и др)- смесь газообразных продуктов полного и неполного сгорания топлива, избыточного воздуха и различных микропримесей (газ, жидкость, твердые вещества, поступающих из цилиндров двигателя в его выпускную систему.

Рассмотрим краткие характеристики основных токсических компонентов.

Оксид углерода (СО)- прозрачный, не имеющий запаха газ, несколько легче воздуха, практически нерастворим в воде. Поступая в организм с вдыхаемым воздухом, СО снижает функцию кислородного питания , выполняемую кровью.

СО образуется на поверхности поршня и на стенке цилиндра, в котором активизация не происходит вследствие интенсивного теплоотвода в стенки, плохого распыления топлива и диссоциации СО2 на СО и О2, при высоких температурах.

Оксиды азота (NOх)- самый токсичный газ из ОГ. В ОГ двигателей 90-99% всего количества оксидов азота составляет NO. Однако уже в системе выпуска и далее в атмосфере происходит окисление NO NO2. NO2- газ красновато-бурого цвета, в малых концентрациях не имеет запаха, хорошо растворяется в воде с образованием кислот. NOх раздражающе действует на слизистые оболочки глаз, носа, остаются в легких в виде азотной и азотистых кислот, получаемых в результате их взаимодействия с влагой верхних дыхательных путей.

Углеводороды(СН)- этан, метан, бензол и др.

В дизельных двигателях СН образуется в камере сгорания из-за гетерогенной смеси, те пламя гаснет в очень богатой смеси, где не хватает воздуха за счет неправильной турбулентности, низкой температуры, плохого распыления.

Двигатель выбрасывает большое количество углеводородов, когда работает в режиме х.х., за счет плохой турбулентности и уменьшения скорости сгорания. СН действуют раздражающе на органы зрения, обоняния и очень вредны для окружающей среды.

Сажа- бесформенное тело без кристаллической решетки. В ОГ дизельных двигателей сажа состоит из неопределенных частиц с размерами 0,3-100 мкм.

Причина образования сажи заключается в том, что энергетическое условия в цилиндре дизельного двигателя оказываются достаточными, чтобы молекула топлива разрушалась полностью. Более легкие атомы водорода диффундируют в богатый кислородом слой, вступают с ним в реакцию и как бы изолируют углеводородные атомы от контакта с кислородом.

Образование сажи зависит от температуры, давления в камере сгорания, типа топлива, состава топливно-воздушной смеси.

Содержание сажи в ОГ уменьшается с увеличением угла опережения впрыска топлива. При уменьшении этого угла выделение сажи заметно возрастает.

При вдыхании сажи ее частицы вызывают негативное изменение в системе дыхательных органов человека.

2.2 Показатели токсичности автомобильных двигателей

Концентрации токсических веществ в ОГ изменяются в больших пределах. Высокие концентрации С компонентов ОГ, например оксида углерода, принято оценивать в % по объему, меньшие- мг/л или количеством частей на миллион.

Концентрации компонентов в ОГ еще не характеризуют токсичность двигателя. Выбросы компонента G двигателем определяются с учетом расхода ОГ Qог

=Gi*Qог (2.1)

Токсичность выбросов двигателя автомобиля, так же как и топливная экономичность, оценивается в отношении к пробегу так называемыми пробеговыми выбросами:

=G/Va , (2.2)

где Va-скорость движения автомобиля, км/ч

Оценку значимости отдельных токсичных компонентов ОГ удобно производить в сравнении с каким-либо постоянным компонентом, принятым за эталон. Как правило, это оксид углерода, действие которого на организм человека изучено наиболее полно, а методы измерений надежны.

В табл 2.1 приведены значения ПДК относительной значимости Ri, определяемой как отношение ПДК оксида углерода к ПДК рассматриваемого компонента. Из этой таблицы видно, что наибольшей относительной значимостью обладают оксиды азота и бензапирена.

Таблица 2.1

ПДК и относительная значимость ОГ.

Показатели

CO

CH

NO2

Сажа

Бензапирен

ПДК, мг/м3

3.0

1.5

0.04

0.05

10-6

Rico

1.0

2.0

75

60

3*106


В следующей таблице 2.2 приведены данные по пробеговым выбросам автомобилей на отдельных участках внутригородских транспортных магистралей. Для грузовых автомобилей и автобусов выбросы отнесены к тонне полной массы транспортной единицы. Данные соответствуют срежней скорости транспортного потока 20 км/ч- интенсивное движение в центральной части городов. Необходимо также отметить, что довольно сложным моментом является учет изменения выбросов вредных токсичных веществ при отклонении технического состояния двигателей и автомобилей в эксплуатационных условиях нормы.

Таблица 2.2

Выбросы ОГ при эксплуатации АТС

Автомобили типа

Выбросы токсичных компонентов, г/км


СО

СН

NOх

Сажа

«Жигули»

23,9

1,9

1,35

-

«Волга»

25,7

1,6

1,4

-

КамАЗ

2,98

0,49

2,7

0,52


2.3 Токсические характеристики двигателей автомобилей

Автомобильный двигатель в отличие от стационарных источников выбросов имеет широкий диапазон изменения нагрузочных и скоростных режимов работы, определяемых условиями движения автомобиля в транспортном потоке. Эти режимы, соответствующие разгону, установившемуся движению, торможению двигателем (принудительный холостой ход) и собственно холостому ходу. Весь диапазон возможных режимов ограничивается внешней скоростной характеристикой двигателя.

В карбюраторных двигателях регулирование мощности производится изменением положения дроссельной заслонки. При малых нагрузках и на холостом ходу ухудшаются процессы газообмена, увеличивается доля остаточных газов в цилиндрах. Для компенсации этого необходимо обогащать смесь, что приводит к росту концентрации СО и СН. На режимах полных нагрузок для обеспечения максимальной мощности смесь также необходимо обогащать до α=0,9, при этом объемные концентрации СО могут

составить 3-4%.

В дизелях осуществляется качественное регулирование мощности двигателя. Нагрузка двигателя пропорциональна цикловой подаче топлива, степень наполнения цилиндров воздухом у безнадувных дизелей на всех режимах практически одинакова. В дизелях на всех режимах работы коэффициент избытка воздуха больше единицы (α=1,3-5). Концентрации СО и СН определяются не составом смеси, а локальными явлениями, происходящими во фронте пламени и пристеночной зоне камеры сгорания. Зависимость концентраций вредных веществ имеет сложный неоднозначный характер, диапазон изменения объемных концентраций СО составляет 0,05-0,50%, концентраций СН 10-100млн-1.

Наибольшее количество углеводородов образуется на режимах холостого хода и малых нагрузок, что объясняется низкой максимальной температурой цикла дизеля, когда имеет место повышенное не догорание топлива. Наибольшие концентрации СО наблюдаются в зоне высоких нагрузок при малых частотах вращения коленчатого вала.

Пол мере роста нагрузки на дизель увеличивается максимальная температура цикла при одновременном уменьшении коэффициента избытка воздуха. В результате эти два фактора, противоположно влияющие на образование NO, приводят к характерному закону образования оксидов азота. Превалирующим является температурный фактор, и только в области максимальных нагрузок начинает сказываться концентрационный фактор- недостаток кислорода, ограничивающий рост NO.

Показатели токсичности двигателя в цикле городского движения автомобиля представлены в таблице 2.3

Таблица 2.3

Токсичность бензинового двигателя в цикле городского движения автомобиля.

Режим работы двигателя

Доля режима, %


По времени

По объему ОГ

По выбросам

По расходу топлива




Gco

Gch

Gnox


Холостой ход

39,5

10

13-25

15-18

0

15

Разгон

18,5

45

29-32

27-30

75-86

35

Установившейся режим

29,2

40

32-43

19-35

13-23

37

Принудительный холостой ход

12,8

5

10-13

23-32

0-1,5

13


Дизель значительно менее токсичен, чем бензиновый двигатель. Более неблагоприятно процесс разгона происходит у дизелей с турбонадувом по сравнению с безнадувным дизелем из-за инерционности их системы воздухоснабжения. Наиболее полно проявляются положительные качества дизеля в режиме городского движения с большим удельным весом режимов малых нагрузок и холостого хода. Ограничивающим фактором применения дизелей является дымность отработавших газов.

Как видно, неустановившиеся режимы работы автомобильного двигателя во многом определяют его токсические показатели. С целью снижения повышенной инерционности топливоподающих систем, являющейся причиной повышенных выбросов вредных веществ на режимах разгона, в конструкции бензиновых двигателей вводят быстродействующие системы приготовления топливно-воздушной смеси заданного состава, стабилизации температурного режима, впрыск бензина во впускной коллектор. В дизелях, на которых с целью их форсирования все более широко используется турбонадув, применяют малоинерционные турбокомпрессоры с высокой частотой вращения ротора.

2.4 Топливо для двигателей

В современных двигателях в зависимости от принципа работы используется два основных вида жидких топлив: бензин или дизельное топливо. Топлива могут различаться по физическим и химическим характеристикам и по протеканию процесса сгорания в двигателе.

Ограничивать выброс например окислов азота можно путем снижения максимальной температуры сгорания. Особенно эффективными являются средства, способствующие уменьшению интенсивности выделения тепла в процессе сгорания, что приводит к понижению скорости нарастания давления и максимальных температур. Одним из наиболее перспективных из таких средств считается присадки к топливам, облегчающие самовоспламенение в дизельных двигателях и оказывающие влияние на процессы сгорания.

Влияние состава топлива на состав ОГ.

Детонационная стойкость бензина зависит от группового состава топлива и химической структуры отдельных углеводородов.

Повысить экономичность и увеличить удельную мощность двигателя можно посредством увеличения степени сжатия . Однако чрезмерное повышение степени сжатия может привести к детонационному сгоранию топлива. Детонация способствует уменьшению мощности и отдачи двигателя, а также ускорению его износа.

Следует отметить также, что повышение степени сжатия требует применения топлива с увеличенным октановым числом, что является не целесообразным. Кроме того, повышение степени сжатия способствует значительному увеличению выброса окислов азота.

В целях улучшения свойств моторных топлив в них вводят присадки (различные продукты химического синтеза), которые значительно улучшают их эксплуатационные свойства, при этом цена на топливо увеличивается незначительно. Наиболее распространенной является антидетонационная присадка (ТЭС), обладающий свойством повышать октановое число бензина. Однако известно ,что часть продуктов сгорания при этом составляет вредные для здоровья человека соединения свинца, образуемые на базе антидетонационных присадок и выделяемые частично в виде окислов, а главным образом в виде хлоридов и бромидов свинца.

Нет необходимости обосновывать, что одной из наиболее неотложных мер по охране окружающей среды должно быть исключение из топлив свинца. Сохранение величины октанового числа топлив на прежнем уровне при исключении из них тетраэтилсвинца возможно только посредством увеличения содержания в топливах ароматических углеводородов. (табл.2.4)

Таблица 2.4

Составы бензинов с одинаковым октановым числом.

Содержание углеводородов,%

Этилированный бензин

Неэтилированный бензин

ароматические

21

42

ненасыщенные

19

9

насыщенные

60

49


2.5 Процесс сгорания и процесс образования токсичных компонентов

Потенциальная химическая энергия топлива в процессе его сгорания в цилиндрах двигателя преобразуется в тепловую энергию.

Процесс сгорания топлива в ДВС протекает очень быстро. Реакции сгорания углеводородов в камере сгорания двигателя является весьма сложным и при этом недостаточно изученным. Характер протекания реакции зависит от температуры и давления в камере сгорании, от способа образования рабочей смеси и способа ее воспламенения.

Конечной стадией сгорания углеводородов является реакция дожигания окиси углерода, в действительности начинающаяся уже в начальной стадии сгорания. Даже при сгорании бедных смесей со значительным избытком воздуха вследствие локальных различий в составе смеси образуется окись углерода. Процесс дожигания СО в углеводородном пламени определяет время реакции. Присутствие углеводородов сильно затормаживает процесс окисления СО.

Процесс образования сажи можно предупредить, оказывая тормозящее воздействие на предпламенные процессы.

Известно, что при неполной нагрузке двигателя с искровым зажиганием эффективность процесса сгорания снижается и наблюдается увеличение количества углеводородов в ОГ. Основной причиной этого является торможение процесса дегидрогенизации, происходящее в топливе как по всему объему камеры, так и в зоне соприкосновения фронта пламени со стенками камеры сгорания.

Продуктами сгорания являются и окислы азота. В результате взаимодействия окислов азота и ненасыщенных углеводородов образуются нитросоединения. Наличия окислов азота в ОГ может быть связано с процессами, происходящими не только внутри камеры сгорания, но и в выпускной системе двигателя. Окислы азота могут образовываться также в результате процессов фотосинтеза, происходящих в атмосферном воздухе.

Точно определить количество вредных выбросов в атмосферу двиготелями практически невозможно. Величина выброса зависит от многих факторов (конструктивные параметры, процессы подготовки и сгорания смеси, режим работы двигателя, …) Однако на основании данных о среднем статистическом составе смеси для отдельных видов двигателей и соответствующих им величин выброса токсичных веществ на 1 кг израсходованного топлива, зная расход отдельных топлив, можно определить суммарную эмиссию.

2.6 Методы определения содержания токсичных компонентов в ОГ

Полнота сгорания топливной смеси в двигателе определяется экспериментальными методами посредством полного анализа состава отработавших газов.

Для анализа применяют методы, основанные на использовании химических и физических свойств отдельных веществ, входящих в состав газовых смесей. К числу химических методов анализа относят.

К физическим методам относят методы, основанные на использовании физических свойств исследуемых компонентов:

абсорбции инфракрасного или ультрафиолетового излучения исследуемой средой

теплопроводности газов магнитной восприимчивости кислорода по отношению к др. газам

ионизации при сгорании углеводородов в пламени водородной горелки.

Известнее также аналитический метод газовой хроматографии, основанной на использовании различия свойств поглощения и испарения заполнителем колонки отдельных компонентов, содержащихся в проходящем через колонку газе-носителе.

Все известные и применяемые методы оценки степени дымности ОГ основаны на принципе оптического измерения их прозрачности или на измерении содержания в них частиц сажи, осаждаемой на поверхности фильтровальной бумаги, через которую пропускаются отработавшие газы.

2.7 Методы оценки а/м по токсичности ОГ

Оценку токсичности автомобильных двигателей на основе испытательных циклов производят обычно в целях:

определения соответствия количества выделяемых токсичных веществ стандартам

исследования влияния конструкции и параметров работы двигателя на токсичность двигателя.

При испытании автомобиля в соответствии с испытательными циклами можно оценить общую токсичность автомобиля, сопоставляя полученные величины выброса токсичных веществ с установленными нормами.

Подобная оценка осуществляется на основании снятия скоростных, нагрузочных и регулировочных характеристик двигателя. На основе результатов таких испытаний можно составить общие характеристики токсичности двигателя.

Количество и состав ОГ непрерывно изменяются в зависимости от режимов работы двигателя.

Следовательно, количество токсичных веществ, выбрасываемых двигателем в атмосферу, зависит не только от концентрации компонентов, но и от количества отработавших газов, которое, в свою очередь, зависит от частоты вращения вала двигателя и его нагрузки.

3. Влияние загрязнения на жизнедеятельность человека

Автомобиль с ДВС называют химической фабрикой на колесах - в его отработавших газах содержится около 200 химических веществ, большинство из которых токсичны . Автотранспорт в развитых странах стал главным загрязнителем атмосферы ( до 50% ), и одним из загрязнителей окружающей среды вообще. В США автомобили выделяют в атмосферу 92% всего СО, 63% углеводородов, 46% окислов азота. Отработавшие газы ДВС оказывают вредное воздействие на жизнедеятельность человека. (см. Табл. 3.1).

Таблица 3.1

Токсическое действие некоторых компонентов отработавших газов.

Вредное свойство отработавших газов.

Компонент отработавших газов, материальный носитель соответствующего свойства.

Удушающее действие

Токсичность.

Окислы углерода, окислы азота, окислы серы, альдегиды, углеводороды.

Раздражение слизистой оболочки глаз, носоглотки, дыхательных путей.

Апромин, формальдегид, окислы серы, углеводороды.

Канцерогенное действие.

Ароматические углеводороды.

Неприятный запах.

Альдегид, углеводород и др.

Дымность.

Сажа, смолы, минеральные аэрозоли, частицы топлива и масла.


Величина ежегодного экологического ущерба от функционирования транспортного комплекса РФ исчисляется в 3,4 млрд. долл., или, примерно, в 1,5% валового национального продукта. Выбросы загрязняющих веществ в атмосферу от автотранспортных средств составили 12 190,7 тыс. тонн.

В структуре ущерба окружающей среде и здоровью населения от выбросов автотранспорта в городах 9 веществ определяют 95% суммарного ущерба: оксиды азота (44,5%), свинец (21%), акролеин (7,5%), сажа (7,4%), оксид углерода (6%), диоксид серы (3,4%), формальдегид (2,8%), бенз(а)пирен (1,3%), ацетальдегид (1,1%).

Экологический ущерб определяется на территории каждого субъекта России исходя из объемов снижения отрицательного воздействия и величины показателя удельного экологического ущерба, наносимого единицей приведенной массы загрязнения по конкретному виду природных ресурсов и объектов.

К основным факторам, определяющим величину предотвращенного эко-логического ущерба на территории субъектов Российской Федерации относятся следующие:

- снижение выбросов загрязняющих веществ в атмосферу;

снижение площадей земель под несанкционированными свалками;

снижение загрязненности земель химическими веществами;

Расчет экологического ущерба от автомобильного транспорта .

Экологический ущерб от выбросов в атмосферный воздух загрязняющих веществ подвижным транспортом рассчитывается по формуле:

                    К  Nпр=Yуд*Kе ΣΣКэj*mj (3.1)

                  k=1  I=1

где Yпр -экологический ущерб от загрязнения атмосферного воздуха выбросами от подвижных источников, тыс. руб.;уд- показатель удельного ущерба атмосферному воздуху, наносимого выбросом единицы приведенной массы загрязняющих веществ в течении от-четного периода, руб/усл.т (таблица 6.2);- практическое снижение выброса j-го загрязняющего вещества от к-й единицы передвижного транспорта в течение отчетного периода времени, т.;

к - количество единиц передвижного транспорта, на которых произошло снижение загрязняющих веществ в выхлопных газах в результате осуществле-ния природоохранной деятельности;- количество учитываемых групп загрязняющих веществ;

Кэj - коэффициент относительной эколого-экономической опасности j-го загрязняющего вещества (таблица 3.3);е - коэффициент экологической ситуации и экологической значимости атмосферы в данном регионе.(табл 3.2)

Таблица 3.2

Показатель удельного ущерба от загрязнения атмосферного возду-ха по экономическим районам РФ (в ценах 2000г.)

Наименование экономического района

Показатель удельного ущерба, руб./усл.т

1

2

3

1

Северный

46,0

2

Северо-Западный

62,5

3

Центральный

74,0

4

Волго-Вятский

64,0

5

Центрально-Черноземный

62,8

6

Поволжский

63,7

7

Северо-Кавказский

68,7

8

Уральский

67,4

9

Западно-Сибирский

60,2

10

Восточно-Сибирский

46,9

11

Дальневосточный

44,2

12

Калининградская обл.

61,9

13

Всего по РФ

61,4


Таблица 3.3

Коэффициент относительной эколого-экономической опасности j-го загрязняющего веществ, выбрасываемого в атмосферный воздух

Загрязняющие вещества

Кэj

1

Оксид углерода

0,4

2

Углеводороды (в пересчете на углерод)

0,7

3

Твердые вещества (недифференцированная по составу пыль)

2,7

4

Окислы азота

16,5

5

Сернистый ангидрид

20,0

Специфические загрязняющие вещества (по классам опасности):

6

Бутилен, бензин, гексан, циклогексан, скипидар, пентан и др. химические соединения с ПДКсс =0,8 мг/м3

1,2


Современные исследования в области влияния состояния атмосферного воздуха на здоровье населения можно характеризовать следующей качественной таблицей 3.4 общего плана.

Таблица 3.4.

Кратность превышения ПДК

Ответ состояния здоровья населения

1

Нет изменений в состоянии здоровья

2-3

Изменение состояния здоровья по некоторым показателям

4-7

Выраженные функциональные сдвиги

8-10

Рост специфической и неспецифической заболеваемости

100

Острые отравления

500

Летальные отравления


4. Обзор существующих методов очистки отработавших газов

.1 Конструктивные усовершенствования двигателей

Совершенствование конструкции современного ДВС с искровым зажиганием является одним из основных мероприятий снижения ОГ до величин, регламентированных существующими стандартами. Наибольшее влияние на токсичность ОГ оказывают изменения, вносимые в системы питания и зажигания ДВС. Поскольку эти системы во многом определяют процесс воспламенения и сгорания рабочей смеси, совершенствование системы питания ДВС, позволяющее добиться более равномерного распределения рабочей смеси по цилиндрам, обеспечить ее оптимальный состав для каждого режима работы и возможность работы на бедных смесях, влияет в основном на количество продуктов неполного сгорания в ОГ.

Работы ведутся в следующих направлениях:

·        Улучшение качества процесса смесеобразования во впускной системе.

·        Улучшение распыливание топлива в карбюраторе.

·        Применение регуляторов принудительного холостого хода.

·        Обеспечение равномерного распределения смеси по цилиндрам.

Улучшение качества процесса смесеобразования и распыливание топлива позволяет повысить предел обеднения рабочей смеси и увеличить полноту ее сгорания.

Подогрев выпускного трубопровода тоже приводит к улучшению процесса смесеобразования, т.к. при этом быстрее и полнее происходит испарение топлива: выделение CO, CH уменьшается, но выделение NOх увеличивается.

Эффективный метод снижения неравномерности распределения смеси по цилиндрам - применение систем непосредственного впрыска топлива. Впрыск бензина обычно осуществляется во впускной коллектор и бывает одноточечным и многоточечным, или распределенным, когда форсунки ставятся непосредственно перед впускным клапанами.

Существенное влияние на состав ОГ оказывает также регулировка холостого хода. Оптимальная регулировка позволяет снизить содержание СО на 30% и СН на 15% при некотором увеличении (на 5%) NOх.

Поддержание технического состояния автомобиля в период его эксплуатации позволяет значительно уменьшить загрязнение атмосферы продуктами неполного сгорания топлива ( в среднем на 30-40% для одного автомобиля). В итоге цифра получается очень значительная, поскольку основную часть парка составляют автомобили со средним и большими пробегами.

Токсичность двигателя с искровым зажиганием можно существенно уменьшить путем совершенствования конструкции и формы камеры сгорания, впускной и выпускной системы двигателя, введение оптимальных регулировок состава смеси и угла опережения зажигания, применения непосредственного впрыска топлива, организации послойного смесеобразования, перепуска ОГ во впускную систему, впрыска воды, поддержания двигателя в должном техническом состоянии, рациональной его эксплуатации.

Признанным методом уменьшения выделения оксидов азота с ОГ является перепуск части газов во впускную систему двигателя.

Уменьшение выделения NOх с помощью рециркуляции части ОГ объясняется понижением максимальной температуры процесса сгорания из-за уменьшения количества топлива, поступающего в цилиндр при рециркуляции, и большей теплоемкости продуктов сгорания по сравнению с теплоемкостью воздуха.

Введение системы рециркуляции несколько ухудшает динамические качества автомобиля. При работе двигателя на этилированном бензине в системе рециркуляции и камере сгорания образуются отложения, которые содержат в основном свинец. Это приводит к нарушению ее нормальной работы.

В ОГ дизелей доминируют такие токсичные вещества, как оксиды азота и сажа. Кроме того, необходимо обращать внимание на дымность и запах. Запах ОГ дизелей связан с присутствием в них ряда веществ (альдегидов и др.). В настоящее время проводятся работы по установлению связи между запахом и химическим составом ОГ. Борьба с запахом может проводиться как в направлении его устранения, так и превращении его из неприятного в приятный (добавка присадок).

Уменьшение угла опережения впрыска топлива на 1 градус снижает концентрацию NOх в ОГ на 150-200 чнм. Содержание сажи в ОГ уменьшается с увеличением угла опережения впрыска. Таким образом, уменьшая этот угол, можно существенно снизить выделение оксидов азота дизелями, но при этом выделение сажи заметно возрастает и для его уменьшения необходимо принимать специальные меры. Большое влияние на токсичность дизелей оказывают характеристики топливной системы: продолжительность впрыска и размеры сопловых отверстий распылителя. Следовательно, подбирая топливную аппаратуру, можно влиять на токсичность ОГ дизеля, особенно на их дымность.

Большое влияние на выделение токсичных веществ в ОГ дизелей оказывает организация процессов смесеобразования и сгорания. Установлено, что двухкамерные дизели выделяют примерно 50% оксидов азота от выбрасываемых однокамерными.

Одним из средств уменьшения выделения NOх с ОГ дизелей является применение рециркуляции ОГ.

Дымность ОГ двигателей может быть уменьшена применением специальных устройств, корректирующих работу циркулятора.

4.2 Система рециркуляции ОГ

Для уменьшения выброса окислов азота используют перепуск части отработавших газов во впускную системы двигателя.

Концентрация NOх в отработавших газах зависит от максимальной температуры цикла и количества кислорода в продуктах сгорания. Уменьшение выброса NOх при рециркуляции отработавших газов объясняется понижением максимальной температуры процесса сгорания в результате уменьшения количества топлива, поступающего в цилиндр, а также большей теплоемкостью продуктов сгорания по сравнению с теплоемкостью воздуха.

Схема системы рециркуляции ОГ представлена на рисунке 4.1

Рис.4.1 Принципиальная схема системы рециркуляции ОГ.

-двигатель, 2-дросельная заслонка, 3-диффузор карбюратора,

-общий привод, 5-клапан рециркуляционной системы.

Перепуск части ОГ из выпускной системы во впускной трубопровод происходит вследствие разницы давлений. Количество всасываемых ОГ зависит от степени разрежения регулируется заслонкой перепуска управляемой тягой, соединенной с дроссельной заслонкой. При работе двигателя на режиме холостого хода и при торможении двигателем заслонка перепуска закрыта.

Рециркуляция более 10% ОГ приводит к падению мощности двигателя, увеличению удельного расхода топлива и способствует некоторому ухудшению динамических характеристик автомобиля.

4.3 Присадки к топливу

В последние годы широко проводятся исследования в области использования присадок к топливам в целях уменьшения токсичных выбросов. В результате исследований установлено, что можно в значительной степени уменьшить задымленность ОГ посредством добавки к топливу соответствующих химических соединений.

В качестве присадок к дизельным топливам, уменьшающих содержание сажи в ОГ, применяют металлоорганические химические соединения. Механизм действия антидымных присадок заключается в их рассеивающем воздействии на сажу и каталитическом воздействии на процесс сгорания.

В качестве присадок к топливам дизельных двигателей используют также органические соединения, являющиеся сильными окислителями, которые содержат слабосвязанный кислород. При температуре сжатого заряда, которая создается в камере сгорания, активный кислород легко высвобождается, что вызывает сокращение периода задержки самовоспламенения, оказывая влияние на процесс сгорания.

4.4 Перевод двигателя внутреннего сгорания на газообразное топливо

Наряду с ТС, оборудованными двигателями, работающими на бензине и дизельном топливе, выпускаются и эксплуатируются газобаллонные ТС. Топливом для них служат природные горючие газы, добываемые из газовых и нефтяных месторождений, а также промышленные газы, получаемые при переработке нефти, нефтяных газов и твердых горючих ископаемых. Себестоимость и затраты труда при производстве природного газа в несколько раз ниже по сравнению с другими видами топлива.

При прочих одинаковых условиях для автомобилей, работающих на газовом топливе, себестоимость топлива снижается на 15-20% на каждый тонно-километр по сравнению с автомобилями, работающими на бензине.

Газовое топливо более полно сгорает в цилиндрах двигателя, а продукты его сгорания (ОГ) намного меньше загрязняют окружающий воздух ядовитыми и дурнопахнущими веществами. Так, при работе двигателя на сжиженном газе концентрация СО в атмосфере уменьшается примерно в 3-4 раза по сравнению с работой на бензине, что является огромным преимуществом газобаллонных автомобилей при их эксплуатации в крупных городах с большой насыщенностью автомобилями.

К основным преимуществам автомобилей, работающих на сжиженных газах, по сравнению с бензиновыми, следует отнести снижение СО в 6-8 раз, углеводородов- на 15-20% и NOх на 10-12%.

Реальное снижение доли выбросов оксида азота возможно, если на а/м будут установлены отработанные конструктивно и отрегулированные газовые двигатели.

Причина образования СО и СО2- неполное сгорание топлива, особенно если в цилиндры двигателя поступает богатая горючая смесь. Газовые двигатели обычно регулируются в расчете на обедненную рабочую смесь. Значит содержание СО и СО2 при работе на газе должно быть меньше, чем при работе на бензине.

Можно сделать вывод по газовому топливу:

Токсичность ОГ автомобиля, работающего на газовом топливе, значительно ниже бензинового. Это объясняется следующим:

ü  Качественное смесеобразование и равномерное распределение топлива по цилиндрам, большая антидетонационная стойкость углеводородных газов и большая степень сжатия обеспечивают работу двигателя на обедненных смесях, следовательно уменьшается содержание СО и СН и повышается топливная экономичность.

ü  Меньшая температура в камере сгорания приводит к уменьшению содержания NOх в ОГ.

ü  Герметичная система топливоподачи исключает испарение топлива из карбюратора и топливного бака.

К недостаткам использования газового топлива можно отнести : большую массу топливной системы, меньший запас хода, затрудненный запуск в холодную погоду, возможность взрыва газового баллона на автомобиле, работающего на сжатом газе.

4.5 Системы нейтрализации

.5.1 Общие сведения нейтрализации ОГ ДВС

Катализ химических реакций (от греч. каtalysis - разрушение) обеспечивает изменение их скорости в присутствии особых веществ (катализаторов), вступающих в промежуточное химическое взаимодействие с реагирующими веществами, но восстанавливающих после каждого цикла промежуточных взаимодействий свой химический состав.

Катализатор входит в состав активного комплекса нейтрализатора. Если при этом скорость химических реакций становится больше, чем в отсутствие катализатора, то катализ называют положительным. Катализатор не связан с изменением свободной его энергии. Воздействие катализатора не смещает положения равновесия химической реакции

Физико-химические процессы нейтрализации ОГ. Гетерогенная реакция, протекающая на слое катализатора, представляет собой уравнение баланса массы реагирующего компонента и может быть представлена в общем виде зависимостью

Vг*dc = kv * c * fп * dх (4.1)

г - объемный расход газа; c-текущая концентрация компонента ОГ;-константа скорости реакции в единице объема;п - поперечное сечение потока газа (трубопровода);

х - текущее значение координаты по длине слоя катализатора.

Эффективность нейтрализации предопределяется температурой и продолжительностью контакта ОГ с каталитической поверхностью. Продолжительность контакта ОГ с функциональными элементами нейтрализатора удобно оценивать объемной скоростью (Wг), т. е. представляющей отношением объемного часового расхода отработавших газов (Vг) к объему катализатора (Vк)

г = Vг / Vк (4.2)

Каталитический процесс окисления различных компонентов ОГ обусловлен диффузией молекул газа к рабочей поверхности катализатора и их окислением на его поверхности. В основу расчета кинетики химических реакций нейтрализации продуктов неполного сгорания положены реакционно-кинетические закономерности процесса сгорания реагирующих компонентов. Скорость окисления рабочей смеси может быть представлена выражением.

Z= - dc/dτ = kCи * Со2 = kо* Cи * Со2* е-E/RT (4.3)

где Z - скорость сгорания, моль/(м3/сек); -dc/dτ - действительная скорость сгорания моль/(м3 /сек); k - константа скорости реакции; Cи - концентрация топлива в смеси, %; Со2 - концентрация кислорода, %; E - энергия активации, кДж/моль; R- газовая постоянная, кДж/(моль К); T - температура сгорания рабочей смеси, К.

Основным фактором, определяющим скорость химического превращения, является энергия активации (Е), представляющая разность энергий активного комплекса и исходных реагирующих молекул. Если предположить, что реакция окисления не нарушает равновесного распределения энергии между молекулами, то вероятность образования активного комплекса, а следовательно, и скорости реакции в первом приближении пропорциональна величине ехр (-Е/RТ). Скорость реакции окисления тем больше, чем меньше (Е), и вследствие экспоненциальной зависимости возрастает значительно даже при небольшом снижении (Е). Обобщенные параметры реакционно-кинетических реакций получены для расчета константы равновесия прямой и обратной реакций kп и kо

Контактное воздействие катализатора является поверхностным эффектом. Поэтому любое постороннее вещество в горючей смеси, которое активно адсорбируется на катализаторе, может отрицательно повлиять на его свойства. Поверхностный катализ используют как в процессе окисления, так и в процессе восстановления. Сущность процессов каталитической нейтрализации заключается во взаимодействии вредных веществ ОГ между собой или с избытком кислорода. Результатом нейтрализации ОГ является окисление СО и СmНn по уравнениям

СО + Н2О = СО2 + Н2 (4.4)

СO + O2 → 2СО2 (4.5)

СnНm + (n + m/4 )*О2 = n*CO2 + m/2*(Н2О) (4.6)

Завершение реакций в нейтрализаторе за короткое время при прохождении через него ОГ требует создания эффективной окислительной среды и поддержания рабочей температуры в пределах (250-800) °С. При температуре менее t < 250 °С эффективность катализатора невелика, а при температуре t >1000 °С может наступить дезактивация из-за спекания мелких кристаллов (платины, родия, палладия), сопровождающегося разрушением поверхности активных участков.

Катализатор представляет собой материал, ускоряющий химический процесс и не изменяющийся в процессе реакции. Он обеспечивает повышение скорости реакции окисления и снижение рабочей ее температуры. Для нейтрализации оксида азота NO используют реакции его восстановления до молекулярного азота (N2) и аммиака NH3. В качестве восстановительной среды используют находящиеся в ОГ компоненты СО, СmНn и Н2.

При работе ДВС на стехиометрической рабочей смеси основным продуктом восстановления NO является N2, а при работе на богатых смесях больше NH3. Чтобы после восстановления NO образовывалось больше N2 и меньше NH3 катализатор должен содержать родий (Rh). Соотношение в катализаторах количества Pt и Rh близко к 5, а в ряде случаев достигает 12.

При восстановлении NOх возможны следующие реакции

+ CO → 1/2N + СО2 (4.7)

NО + 5CO + H2O → NH3 +5 СО2 (4.8) + Н2 → 1/2 N2 + Н2О (4.9)

NO + 5 H2 → 1/2N2 + 2 Н2О (4.10)

NO + CH → 2N2 + Н2О + CO + NH3 (4.11)

Для нейтрализации окислов азота в газах бензиновых двигателей нейтрализатор имеет специальную ступень для поглощения кислорода из газовой смеси. Для этой цели обычно используют каталитическую реакцию между содержащимся в ОГ кислородом и окисью углерода. Восстановление NO окисью углерода может быть представлена следующей зависимостью

NO + 2CO → N2 + 2 СО2 (4.12 )

Между компонентами ОГ и кислородом может протекать ряд побочных реакций

СО + Н2О ↔ СО2 + Н2 (4.13)

/2Н2 + NO ↔ NH3 + Н2О (4.14)Н3 + 5/4 O2 ↔ NO + 3/2 Н2О (4.15)

Н2 + NO ↔ H2O + 1/2 N2 (4.16)

Н2 + 1/ 2 O2 ↔ H2O (4.17)

Уменьшения количества NOх обеспечивает реакция восстановления по уравнению

NO + 2 CO → N2 + 2СО2 (4.18)

Для обеспечения более полного процесса окисления парциальное давление СО должно быть относительно большим, что обеспечивается путем эксплуатации ДВС с a < 1,0. В ОГ автомобильного ДВС всегда имеется свободный водород, поэтому возможна следующая реакция восстановления

NО + 5 Н2 → 2 NH3 + 2 Н2О (4.19)

Количество образующегося аммиака представляет собой функцию применяемого катализатора, состава и температуры ОГ. При восстановлении NO компонентами ОГ возможны следующие реакции

NО + 5CO + H2O → NH3 +5 СО2 (4.20)

2NO + 5 H2 → 1/2N2 + 2 Н2О (4.21)+ CH → 2N2 + Н2О + CO + NH3 (4.22)

При восстановлении NO одновременно происходит более полное окисление СО и СmНn. Степень каталитического превращения различных газов в нейтрализаторе оценивают коэффициентом преобразования

Кi = (сi вх - сiвых )/ci вх х 100% (4.23)

где Кi - коэффициент преобразования i-того компонента; сi вх и сiвых - концентрация i-того компонента на входе и на выходе из нейтрализатора соответственно.

Максимальная величина преобразования Кi одновременно по трем компонентам достигается при работе ДВС при работе на обогащенной смеси вблизи ее стехиометрического состава (a=0,98-0,99), т.е. количество кислорода освобождающегося при восстановлении NOх оказывается достаточным для окисления Н2, СО и СmНn.

Для восстановления окисла азота применяют катализаторы на основе переходных металлов, в частности, меди, хрома, кобальта, никеля и их сплавов.

Эти катализаторы менее долговечны по сравнению с Pt и Pd.. Эффективность катализатора заметно ниже при высоких объёмных скоростях химических реакций. Эффективная нейтрализация продуктов неполного сгорания

достигается на таких катализаторах при более высокой температуре по сравнению с платиновыми. Реакции на окисных катализаторах могут быть представлены соотношением.

(CO)/dt = - k1(CO) (4.24)

На платиновых катализаторах при малых степенях превращения СО реакция протекает по уравнению

(CO)/dt= - k2 (О2/СО)3/4 (4.25)

При высших степенях превращения (80%) реакция протекает по уравнению

(CO)/dt = k (0,5)1/2 (4.26)

Константы k1, k2 и k3 определяется в первую очередь природой катализатора и концентрирует СmНn в ОГ.

Скорость окисления СmНn в общем случае описывается уравнением:

(CmHn)/dt = - k4(CnHm)(О2)№/І (4.27)

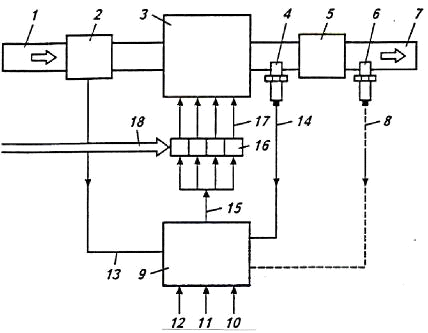
Рисунок 4.2 Принципиальная схема управления нейтрализацией с λ-зондом:

-впускной трубопровод; 2- расходомер воздуха; 3-двигатель; 4-первый λ-зонд; 5-нейтрализатор; 6-второй λ-зонд; 7-выпускной трубопровод; 8- электрическая цепь второго λ-зонда; 9- Электронный блок управления; 10-Датчик частоты вращения КВ; 11- датчик расхода воздуха; 12- датчик температуры двигателя;13- электрическая цепь расходомера воздуха; 14- электрическая цепь первого λ -зонда; 15- напряжение электронных магнитных форсунок ; 16- Электронные магнитные форсунки; 17-впрыск топлива; 18-трубопровод подачи топлива;

 

Система снижения токсичности ОГ с обратной связью (рис.4.2) содержит трехкомпонентный каталитический преобразователь 5 и специальный датчик кислорода (λ-зонд) 4, 6, выполняющий обратную связь через цепь 14 между поступающим топливным зарядом на входе в камеру сгорания и продуктами сгорания на выходе. .

Состав горючей смеси измеряют путем определения в ОГ содержания достаточного кислорода. Датчик кислорода, установленный до нейтрализатора, является основным датчиком, при помощи которого корректируется топливоподача

Датчик кислорода, установленный после нейтрализатора, является диагностическим. Датчик анализирует эффективность работы нейтрализатора и, по мере снижения эффективности работы нейтрализатора, вводит дополнительные коррективы в топливоподачу. Для устранения смещений блока нейтрализации в корпусе и их термоизоляции они отделены от поверхности корпуса термоуплотняющими прокладками или специальными термоизолирующими покрытиями.

Большое значение на эффективность нейтрализатора имеет плотность ячеек на 1 см2 сечения блока. Это показатель определяет величину активной поверхности и весовые показатели блока. Наиболее оптимальными являются плотность 65 ячеек на 1 см2.

Широкое распространение получили нейтрализаторы с керамическим сотовым носителем на основе кардирита или с металлическим носителем на основе свернутой гофрированной фольги из нержавеющей фольги. Они обеспечивают плотность ячеистых каналов от 400 до 600 на см2 у керамических блоков и до 800 на 1 см2 у металлических блоков, что обеспечивает высокую активную поверхность при сохранении достаточных прочностных качеств блока-носителя.

Большое значение на эффективность работы нейтрализатора оказываеть конструкция и материал носителя катализатора. Он состоит из первичного носителя (основы) и вторичного (подложки). На поверхность первичного носителя, соприкасающегося с ОГ, наносится вторичный носитель вторичный носитель - подложка в виде окиси алюминия, специально обработанной для расширения активной поверхности. Для улучшения свойств вторичной подложки в нее добавляются редкоземельные металлы как церий, лантан, сицилий и др. На активную поверхность вторичного носителя наносится катализатор путем гальванического покрытия или мелкодисперсным распыления.

Кислородный датчик (l-зонд) действует по принципу гальванического элемента с твердым электролитом в виде керамики из диоксида циркония (ZrO2). Керамика легирована оксидом иттрия, а поверх нее напылены токопроводящие пористые электроды из платины. Один из них дышит ОГ, а второй - воздухом из атмосферы. Эффективное измерение остаточного кислорода в ОГ l-зонд обеспечивает после разогрева до температуры (300-400) оС. В таких условиях циркониевый электролит приобретает проводимость, а разница в количестве атмосферного кислорода в выхлопной трубе ведет к появлению на электродах l-зонда выходного напряжения.

Особенностью циркониевого датчика является тот факт, что при малых отклонениях от идеального напряжение на выходе изменяется скачкообразно. В холодном состоянии выходной сигнал датчика отсутствует, так как в этом состоянии его внутреннее электрическое сопротивление составляет несколько Ом.

Циркониевый датчик (источник ЭДС) определяет парциальное давлением кислорода в ОГ. При сгорании богатой смеси содержание кислорода относительно меньше и датчик создает относительно высокое напряжение (700-1000) мВ. При обеднении смеси парциальное давление кислорода в ОГ сильно увеличивается, напряжение датчика падает до (50-100) мВ. Высокая чувствительность датчика позволяет отслеживать состав смеси с погрешностью 0,5%.

По мере прогрева датчика сопротивление уменьшается и восстанавливается способность генерирования выходного сигнала. Для эффективной работы датчик должен иметь температуру не ниже 360 оС . Для быстрого прогрева после запуска двигателя датчик снабжен внутренним электрическим подогревающим элементом. В процессе работы ЭБУ включением или выключением подогревателя управляет температура датчика.

Если температура датчика выще 360 оС, то в момент перехода через точку стехиометрии, выходной сигнал датчика переключается между низким уровнем (100-200) мВ и высоким (700-800) мВ. Низкий уровень соответствует бедной смеси (наличие кислорода), высокий - богатой (кислород отсутствует).

При прохождении ОГ через катализатор платина и родий ускоряют процесс химического разложения вредных ВВ. Катализатор необходимо использовать только в случае применения неэтилированного бензина, так как свинец осаждается на поверхности катализатора и препятствует контакту с драгоценными металлами.

ЭБУ первоначально рассчитывает длительность импульса впрыскивания форсунки по входным параметрам. После впрыскивания топлива в двигатель датчик кислорода можно использовать для корректировки расчетов длительности импульса впрыскивания форсунки.

В нейтрализатор поступает больше топлива, где оно интенсивно сгорает и температура нейтрализатора достигает недопустимых значений свыше 900С.

4.5.2 Активность и селективность нейтрализатора ОГ

Активность и селективность нейтрализатора ОГ относятся к числу наиболее важных его параметров. Активность представляет собой способность катализатора инициировать определенный химический процесс. Она обычно характеризует степень превращения реагирующих компонентов при определенной температуре.

η = (cвх - свых )/cвх = Δс/cвх (4.28)

где Δс = cвх - свых разность между входящей и выходящей концентрациями.

Степень превращения реагентов ОГ в зависимости от температуры реакции при сжигании компонентов в пламени и присутствии катализатора приведено на рис.4.3. Степень эффективности нейтрализатора является функцией рабочей температуры. Нейтрализатор начинает работать при достижении температуры 250 ˚С. Рабочая температура в диапазоне (400-800)˚С обеспечивают оптимальные условия для получения максимальной эффективности и большого срока службы нейтрализатора.

Рисунок 4.3. Степень превращения реагентов ОГ в зависимости от температуры реакции при сжигании: 1- сжигание СО в присутствии катализатора; 2- СmНn в присутствии катализатора; 3- сжигание СО и СmНn в пламени

Активность катализатора должна снижаться также и в тех случаях, когда его поверхность будет закрыта механическим путем, например пленкой расплавленного вещества. Постороннее вещество является антикатализатором

Расчет каталитического нейтрализатора двигателя сводится к определению необходимого количества каталитических элементов, т.е. к определению объема его реактора и определению количества воздуха необходимого для окисления продуктов неполного сгорания.

Объем реактора нейтрализатора определяется количеством проходящих через него ОГ двигателя и активностью каталитических элементов, которая определяется объемной скоростью газа, проходящей через катализатор. Количество выбрасываемых ОГ прямо пропорционально мощности двигателя, удельному расходу топлива и коэффициенту избытка воздуха. Объем каталитических элементов (реактора) определяют по формуле

к = Qог *1000/Wг (4.29)

где Vк - объем каталитических элементов (реактора), л;г - объемная скорость, час-1.

Эффективность работы трехкомпонентного нейтрализатора приведена на рис.4.4. Наибольшая величина К, одновременно по трем нормируемым компонентам достигается при работе двигателя на слегка обогащенной смеси вблизи ее стехиометрического состава (a = 0,98-1,01), так как в этом случае количество кислорода, освобождающегося при восстановлении NO,

Рисунок 4.4 Эффективность работы трехкомпонентного катализатора:

-Nox; 2-СmНn; 3-СО; 4-область эффективной работы

оказывается достаточным для окисления Н2, СО и СmНn. Вблизи стехиометрической смеси коэффициенты преобразования изменяются очень резко, поэтому для эффективной работы нейтрализатора требуется обеспечить поддержание состава смеси (a = 1,0) с высокой точностью, что удается достичь только путем использования систем дозирования топлива с электронным управлением.

Выбор объемной скорости зависит от химической активности катализатора, формы и размеров каталитических элементов и от состава ОГ. Для нейтрализаторов бензиновых ДВС объемная скорость алюмоплатиновых каталитических элементов принимается равной 100 000 час-1. Степень превращения СО в зависимости от температуры и объема приведено на рис.4.5. Путем регулирования температуры в реакционной камере можно поддерживать оптимальный температурный диапазон.

Рисунок 4.5. Степень превращения реагентов ОГ в зависимости от температуры реакции и объемной нагрузки реакционной камеры:

1-      3500 1/ч; 2-5000 1/ч; 3-25000 1/ч;

Степень превращения зависит от реакционно-кинетических свойств используемого катализатора. И тем самым также от температуры реакции. В начале катализатора температура реакции будет соответствовать температуру ОГ, а у его конца увеличится на величину, соответствующую скрытой энтальпии.

Если температура в начале катализатора слишком низка, то ее можно повысить, установив в системе теплообменник. Перед выходом в атмосферу ОГ, нагретые за счет теплоты сгорания до более высокой температуры, отдают свое тепло еще не сожженным ОГ.

При эксплуатации температура в нейтрализаторе составляет (400-600) С для чего располагают вблизи выпускного клапана.

Наибольшее распространение получили нейтрализаторы с платинородиевыми катализатора с удельным содержанием драгоценных металлов 1,4 г/л при относительном отношении 5:1 Pt и Rh (платины и родия). В среднем автомобильный нейтрализатор объемом 1,5 л содержит 1,8 г платины и 0,36 г родия. С середины 90-х годов наряду с платиной стали применять палладий Pd. Палладий обладает высокой эффективностью на режимах прогрева холодного двигателя, стойкость.ю к высоким температурам.

Катализаторы, используемые для ускорения реакции окисления СО и СmНn, обычно содержит (1-2) г платины и палладия. Каталитическое превращение СО при t > 400 оC может достигать (95-99) %.

Углеводороды разделяют на быстро и медленно сгорающие реакции. К последним следует отнести предельные СmНn малой молекулярной массы и в первую очередь метан. Если быстро сгорающие СmНn окисляются до 95%, то метановые СmНn окисляются приблизительно до (10-70) %. Окисление медленно сгорающих СmНn достигается из-за действия платины. Что же касается палладия, то он особенно активен при окислении СО и быстро сгорающих СmНn. Если на выходе из нейтрализатора количество СmНn велико, то можно увеличить Qзаж, что увеличивает в нем температуру и уменьшает выброс СmНn.

Блок-носитель каталитического нейтрализатора изготавливают из керамики сотовой структуры, гофрированной фольги из нержавеющей стали толщиной (0,03-0,04) мм или в виде гранул из оксида алюминия, которые укладываются в металлический цилиндр, закрытый по торцам сетками. Чтобы обеспечить необходимый массоперенос между ОГ и каталитической поверхностью, ее площадь увеличивают путем нанесения на нее гамма-оксида алюминия (с пористой структурой), содержащего каталитический материал.

автомобиль двигатель выброс очистка

4.5.3 Классификация и виды нейтрализации ОГ

Различают нейтрализаторы двух типов: пламенные термические и каталитические. В пламенных нейтрализаторах реакция окисления осуществляются за счет дожигания продуктов неполного сгорания, а во втором за счет интенсивного протекания беспламенных процессов окисления в присутствии катализатора.

По характеру основной реакции нейтрализации отработавших газов нейтрализаторы могут быть подразделены на окислительные, восстановительные и трехкомпонентные или бифункциональные. Каталитические нейтрализаторы окислительного типа обеспечивают окисление СО и СmНn за счет избыточного воздуха в обедненных смесях или подачи дополнительных порций воздуха.

Нейтрализаторы восстановительного типа могут работать при дефиците воздуха, так как они обеспечивают снижение NOx без подачи воздуха. Каталитические нейтрализаторы восстановительного типа могут быть выполнены комбинированными для получения двухсекционных нейтрализаторов. Трехкомпонентный нейтрализатор с l-зондом является наиболее эффективной системой очистки ОГ. Он обеспечивает необходимый уровень всех основных компонентов ОГ, при работе на стехиометрической смеси. Такой нейтрализатор называется трехкомпонентного или бифункциональным, т.е. восстановительным и окислительным.

Пламенные нейтрализаторы. Термический нейтрализатор представляет собой реакционную камеру, в которой при высокой температуре (порядка 900°С) происходит окисление СО и СmНn.

На режимах работы бензиновых двигателей, выбрасывающих большое количество СО, для пламенного дожигания периодически применяют электрическую искру. Горение осуществляется самостоятельно.

Если ДВС работает на обогащенной смеси, то требуется подача воздуха перед нейтрализатором. Если ДВС работает на обогащенной смеси, то требуется подача воздуха перед нейтрализатором с помощью компрессора. Нейтрализатор начинает работать при существенно более высокой температуре (t = 600 oC), чем каталитический. Низкая долговечность термического нейтрализатора из-за невозможности обеспечить достаточную прочность материалов для деталей нейтрализатора в условиях высоких температур и коррозионной стойкости ОГ. Поэтому термические нейтрализаторы не получили распространение на автомобилях общего назначения.

Существенным недостатком термических нейтрализаторов является отсутствие положительного эффекта на режимах пуска и прогрева, когда выбросы СmНn и СО особенно велики. Термический нейтрализатор начинает работать при существенно более высокой температуре (t = 600 °С), чем каталитический. Термические нейтрализаторы не получили распространения на автомобилях общего назначения.

Похожие работы на - Создание научной методологии проектирования нейтрализатора современных автомобилей

 

Не нашли материал для своей работы?
Поможем написать уникальную работу
Без плагиата!
Без нейросетей!