|
№
п/п
|
Наименование
конструктивных элементов, видов работ
|
Ед.
изм.
|
Формула
подсчета
|
Кол-во
|
|
1
|
Предварительная
(грубая) планировка поверхности грунта
|
м³
|
Апл.
= (a+10)· (b+10)
|
672.1
|
|
2
|
Срезка
растительного слоя
|
м²
|
Аср.
= Апл.
|
672.1
|
|
3
|
Разработка
грунта экскаватором в котловане
|
м³
|
Vк =Нк/6(2а
+а1)∙ k1+ (2а1+а)∙k1
|
888.9
|
|
4
|
Разработка
грунта вручную
|
м³
|
Vвр=7% от Vк
|
62.22
|
|
11
|
Устройство
щитовой опалубки
|
м²
|
А=h·l·2
|
66,3
|
|
10
|
Устройство
бетонной смеси
|
м³
|
Vроств.=h·l·b
|
137,8
|
|
11
|
Укладка
арматуры
|
т
|
Выбирается
по спецификации
|
8.63
|
|
12
|
Разборка
щитовой опалубки ростверка
|
м²
|
А=h·l·2
|
66,22
|
|
13
|
Устройство
горизонтальной гидроизоляции из ЦПР крыльца
|
м²
|
А=bф·L
|
4,77
|
|
15
|
Устройство
горизонтальной гидроизоляции из 2-х слоев гидроизола
|
м²
|
А=(bф+2·0,1)·L
|
256,81
|
|
16
|
Устройство
вертикальной гидроизоляции
|
м²
|
А=hф.ст.·L
|
243,61
|
|
17
|
Обратная
засыпка котлована бульдозерами
|
м3
|
Vоб.з.к.=(Vк+Vвр.-V подвала
|
276.5
|
|
19
|
Объем
кладки наружных стен толщиной 510 мм
|
м³
|
Vнар.ст.=A·b
|
177.17
|
|
24
|
Укладка
сборных железобетонных плит перекрытия и покрытия
|
эл-нт
|
Выбирается
по спецификации
|
35
|
|
25
|
Монтаж
перемычек
|
проем
|
Выбирается
по спецификации
|
46
|
|
27
|
Укладка
арматуры
|
т
|
Выбирается
из спецификации
|
0,0106
|
|
29
|
Устройство
ж/б лестничных маршей и площадок
|
эл-нт
|
Выбирается
из спецификации
|
5
|
|
30
|
Монтаж
прогонов перекрытия массой 1,5 т
|
эл-нт
|
Выбирается
из спецификации
|
2
|
|
36
|
Устройство
пароизоляции
|
м²
|
A=a·b
|
243
.7
|
|
37
|
Устройство
плитного утеплителя
|
м²
|
A=a·b
|
243.7
|
|
38
|
Устройство
наслонных стропил с обрешеткой
|
м²
|
A=(a·b)·К
|
384,3
|
|
39
|
Устройство
кровли из оцинкованных листов
|
м²
|
A=(a·b)·К
|
384,3
|
|
41
|
Заполнение
проемов оконными блоками
|
м²
|
A=(a·b)·n
|
33,21
|
|
42
|
Заполнение
проемов дверными блоками
|
м²
|
A=(a·b)·n
|
33,39
|
|
43
|
Остекление
окон с нарезкой стекла
|
м²
|
A=(a·b)·n
|
107,94
|
|
44
|
Затирка
потолков
|
м²
|
A=a·b
|
243,3
|
|
45
|
Улучшенная
штукатурка стен и перегородок
|
м²
|
A=Lст·hст-Aпр·n
|
591,11
|
|
46
|
Штукатурка
откосов
|
м²
|
A=(a+2h)·n
|
42,3
|
|
47
|
Окраска
откосов водоэмульсионной краской валиком
|
м²
|
A=(a+2h)·n
|
42,3
|
|
48
|
Устройство
ЦПР под полы
|
м²
|
A=a·b
|
277,93
|
|
50
|
Устройство
полов из керамической плитки
|
м²
|
A=a·b
|
180.18
|
|
51
|
Устройство
полов из ламината
|
м²
|
A=a·b
|
230.4
|
|
53
|
Улучшенная
водоэмульсионная окраска потолка
|
м²
|
A=a·b
|
451,3
|
|
54
|
Улучшенная
масляная окраска окон
|
м²
|
A=(a·b)·h·К
|
121
|
|
55
|
Улучшенная
масляная окраска
дверей
|
м²
|
A=(a·b)·h·К
|
90,77
|
|
57
|
Улучшенная
водоэмульсионная окраска стен и перегородок
|
м²
|
A=L·h-A·n
|
464,91
|
|
58
|
Устройство
щебеночного основания под отмостку
|
м²
|
A=P·0,8
|
44
|
|
59
|
Устройство
асфальтовой отмостки
|
м²
|
A=P·0,8
|
51.36
|
3. Расшифровка подсчетов объемов работ
1.Предварительная (грубая) планировка
поверхности грунта:
Рис. 1 Схема предварительной планировки
поверхности грунта
Ат = (а+
10) • (Ь + 10) = (13.5 + 10) • (18.6 + 10) = 672,1 м2.
.Срезка растительного слоя:
Аср = Апл =
672.1м2
.Разработка грунта экскаватором (грунт II группы)
в котловане:
Рис.2 Рабочая схема котлована
Нк
= 2.95 м; а = 13.5 + 2 • 0,5 •2.95 =16,45 м; щ = а + 2 •
т • Нк = 2,0 + 1 • 0 • 0,7 = 2,0 к = 2,0м; к, = к + 2т
• Нк = 2,0 + 2 • 0 • 0,7 = 2,0 м.
Для определения объемов грунта необходимо
построить рабочую схему котлована. Она представляет собой план и разрез
котлована с откосами и всеми размерами.
VK
=
[{2а + а
)k
+ (2а + а
)
k
] = [(2• 13,5
+16,45)18,6 + (2 • 16,45 + 13,5)21,55] = 888.97 м3;
Рис.3 Схема котлована
.Разработка грунта вручную:
V
=
7% • VK
=
0,07 • 888,97= 62,22 м3;
7.Устройство горизонтальной гидроизоляции
(см.рис.4): А = Ьф-L,где
Ьф - ширина
фундаментов, где устроена гидроизоляция, м;
L
-
длина поверхности, где устроена горизонтальная гидроизоляция, м.
Рис.4 Схема устройства гидроизоляции
А раств =
0,38- 12,3 = 4,67 м2;
А РУб1
= (0,6 + 2 • 0,1) • 59,3 = 47,44 м2;
А РУб2=
(0,5 + 2 • 0,1) • 34,1 = 23,87 м2;
А рубероид.общ =
47,44 + 23,87 = 71,31 м2.
8.Устройство вертикальной гидроизоляции
(см.рис.4):
А = hф.ст.х. •b, где
ф.ст. - высота поверхности, где устроена
вертикальная гидроизоляция, м.
А = 3,7 •
65,85= 243,645 м2.
9.Обратная засыпка
V
=
;
Vк
- объем котлована, м ;
VK.ep.
~
объем ручной доработки, м3;р а - коэффициент разрыхлителя
(1,05).
p
=
1,2- 1,2-0,7-3 = 3,02 м3;об.з.к = (888,97 + 62,22 - 660,91) / 1,05 =
276,45 м3.
.Объем кладки наружных стен:
=A•b где,
b- толщина стены, м;
А - площадь поверхности наружной кладки с учетом
вычета оконных и дверных проемов, м2.
= (4,6•1,29)- 7,28
• 0,51 = 10,59 м3;
11.Объем кладки внутренних стен:
= [(2,8+0,38+7,58+1,8) • 7,07 - (2,73-3 +
2,1-1,2-1)] • 0,38 = 28,9 м3.
13.Устройство монолитного участка перекрытия:
6c=
l-b-h
=
0,2 м3;
А
=
Ь •I
= 0,31 • 1,42 = 0,44 м2.15.Устройство наслонных стропил:
Л = (а-Ь)-К= [(5,1 • 15,1) + (12,95 •
15,1)] • 1,41 - 384,3 м2.
16.Устройство пароизоляции:
nap.
= а-Ъ = (12,45 • 9,15) + (3,15 • 14,1) + (4,8 • 7,0)
= 191,93 м2.
.Устройство кровли из оцинкованных стальных
листов:
А = (а-Ь)-К-
[(5,1 • 15,1) + (12,95 • 15,1)] • 1,41 = 384,3 м2.
.Заполнение проемов оконными блоками:
Аок.
= (1,2" 1,8> 15 + (1,2-0,9>6 + (1,3 5-1,8)-1 = 41,31 м2;
глухое окно чердака 0,95 • 2 = 1,9 м2.
19.Заполнение проемов дверными блоками:
Адв.
=
(2,4-1,3>2 + (2,4-1,5)-1 + (2,1-1)-2 + (2,1-0,9)-1 + (2,1-1,01)-1 + (2,1 ■
1,2)-1 + (2,1-0,9)-4 + (2,1-1,1)-2 + (2,4-1,5)-1 + (2Д-0,7>1 = 37,82 м2;
гаражные ворота Авор = 2,1-2,7
= 5,67 м .
20.Остекление окон:
= 41,31 -3 =
124,14 м2;
Агл.ок
= 1,9 • 2 = 3,8 м2.
.Затирка плит перекрытий и лестничных площадок: А
= а-Ь
А = 3-1-9 + 3-1,2-4 + 3-1,5-5 + 3,6-1-6 +
3,6-1,2-3 + 4,2-1,2-1 + 5,0-1-3 + 5,0-1,5-15 + 6,2-1-11 +6,2-1,5-15 + 2,8-1,5-3
=451,3 м2.
22.Улучшенная штукатурка стен и перегородок: А
- Lcm
-
hcm
-
Апр - п,где Апр -
площадь проема, м2.
нар.ст.
= (3,22 + 0,41 + 8,78 + 0,58 + 13,14 + 8,59 + 1,84 + 3,4 + 0,54 + 6,6) • 5,8 -
(1,2-1,8-15+1,2-0,9-3+1,8-1,35-1+2,М-2+2,4-1,5-1+2,4-1,3-1) = 224,19 м2;
Aнар.ст = (6,7 + 4,34 + 6,06 + 5,1) • 5,8 -
(1,2-0,9-3 + 2,1-0,9-1 + 2,1-1,01-1 + 2,1-2,7-1)= 115,84 м2;
Леи.ст. = [(2,8+0,38+7,58+1,8) • 5,8 - (2,73-3 +
2,1-1,2-1)] • 2 = 124,28 м2. Аперег=[{\,21 + 3,18
+ 2,8 + 2,5 + 8,4 + 3,3 + 3,18 + 2,8 + 1,39) • 2,8 - 17,3] • 2 = 126,8 м2.
Аобщ
= 224,19 + 115,84 + 124,28 + 126,8 = 591,11 м2.
Внутренние стены и перегородки штукатурятся с
двух сторон.
23.Штукатурка откосов:
А = (а + 2И)-п
Апр
= [(1,2+2-1,8)-15 + (1,2+2-0,9)-6 + (1,35+2-1,8)-1 + (2,4-2+1,3)-2 +
(2,4-2+1,5)-1 + (2,1-2+1)-2 + (2,1-2+0,9)-1 + (2,1-2+1,01)-1 + (2,1-2+2,7)-1] •
0,3 = 42,3 м2.
.Устройство бетонных полов:
А = 23 м2.
25.Устройство полов из керамической плитки:
А = а-Ь = 4,53 м2.
.Устройство мозаичных полов:
А = а-Ь
= 230,0 м2.
27.Устройство цементно-песчаной стяжки под полы:
А = а-Ь
= 4,53+43,4+230 = 277,93 м2.
.Окраска потолков водоэмульсионной краской:
А =а-Ь =
451,3 м2.
.Водоэмульсионная окраска стен:
нар.ст. =
(3,22 + 0,41 + 8,78 + 0,58 + 13,14 + 8,59 + 1,84 + 3,4 + 0,54 + 6,6) • 5,8 -
(1,2-1,8-15+1,2-0,9-3+1,8-1,35-1+2,1-1-2+2,4-1,5-1+2,4-1,3-1) = 224,19 м2;
Анар.ст = (6,7 + 4,34 + 6,06 + 5,1) • 5,8 - (1,2-0,9-3 + 2,1-0,9-1 +
2,1-1,01-1 + 2,1-2,7-1)= 115,84 м2;
Авн.ст. =
[(2,8+0,38+7,58+1,8) • 5,8 - (2,73-3 + 2,1-1,2-1)] • 2 = 124,28 м2. Аперег=[(1.27+
3,18 + 2,8 + 2,5 + 8,4 + 3,3 + 3,18 + 2,8 + 1,39) • 2,8 - 17,3] • 2 = 126,8 м .
Аобщ
= 224,19 + 115,84 + 124,28 + 126,8 - 26,2 = 564,91 м2
Внутренние стены и перегородки окрашивают с двух
сторон.
30.Улучшенная масляная окраска окон:
А =
43,21 -2,8= 121 м2.
.Улучшенная масляная окраска дверей:
А = 37,82 • 2,4 = 90,77 м2.
.Устройство полов из линолеума:
А = а-Ь =
43,4 м2.
.Облицовка стен глазурованной плиткой:
А = / • h
-
А ■ п = (1,54 • 3) • 2 + (3,06 • 3 • 2 - 2,0- 0,7 • 1) = 26,2 м2.
.Устройство асфальтовой отмостки: А=\,0-Р,где
Р - периметр здания, м.
А =
1,0 • [(16,5 + 0,42 + 0,58) + (13,52 +0,58-2)-2 + (1,29 + 1,292 + 0,92 + 5,483
+ 8,964 + 2,635 + 4,565)] = 1,0 • 72 = 68 м2
4. Ведомость трудоемкости и машиноемкости работ
(калькуляция трудовых затрат)
В дальнейших расчетах потребуются данные по
затратам труда и машинного времени. Для получения этих данных составляется
калькуляция трудовых затрат.
Трудоемкость в чел-ч, состав звеньев
определяется по ЕНиР.
Калькуляция трудовых затрат заполняется в
следующем порядке: графы 2, 4, 5 заполняют путем переноса из ведомости объемов
работ; графы 3, 6, 7, 12 заполняют по ЕНиР в соответствии с выполняемыми
работами; графы 8, 9 заполняют путем умножения: гр.6 • 5 = гр.8, гр.7 -5 =
гр.9; графы 10, 11 заполняют путем деления полученных значений в графах 8 и 9
на количество часов в смену, т.е. на 8.
5. Выбор монтажного крана
Основными параметрами
самоходного крана является величина грузового момента или грузоподъемность,
высота подъема крюка и вылет стрелы. Выбор монтажного крана ведут в следующем
порядке:
1.
определение
типа монтажного крана;
2.
выбор
крана по основным параметрам;
3.
обоснование
выбора крана по технико-экономическим показателям.
Выбор самоходного
крана 1. Требуемая
грузоподъемность крана:
где кн - коэффициент,
учитывающий массу строповочной оснастки (1,08);
- масса
наиболее тяжелого монтируемого элемента, т.
=2.1
т.
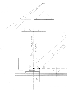
Рис.5 Схема определения монтажных характеристик
самоходного стрелового крана
2. Выбираем минимальное
расстояние от уровня стоянки крана до верха стрелы:
Нсттр
= h0
+ h3
+ hc
+ h3
+ hn,где
h0
- превышение
опоры монтируемого элемента над уровнем стоянки крана, м;
h3
- запас
по высоте не более 0,5-1 м;
h3
- высота
элемента в монтажном положении, м;
hc-
высота
строповки, 4,5 м;
hn
-
высота полиспаста в стянутом положении, 1,5 м.
Нсттр
=
7,63 + 0,5 + 4,5 + 0,22 + 1,5 = 14,35 м.
. Наименьший
вылет стрелы определяют аналитическим или графическим способом. Аналитический
расчет ведут по формуле:
[M]
Где,
е -
половина толщины стрелы крана на уровне верха монтируемого элемента или ранее
смонтированной конструкции, 0.5 м;
с -
минимальный зазор между стрелой и монтируемым элементом или между стрелой и
ранее смонтированной конструкции (в первом случае - 0.5 м; во втором - до 1 м в
зависимости от длины стрелы);
d
- расстояние
от центра тяжести до ближайшего к стреле крана края элемента, 1.5 м;
hm
- расстояние
от уровня стоянки крана до оси поворота стрелы, 1.5 м.
4.
Наименьшую
необходимую длину стрелы определяют по формуле:
По расчетно-техническим
параметрам из справочной литературы подбирают два близких по грузоподъемности
крана для дальнейшего сравнения их по стоимости работы на строительной
площадке.
Таблица №3
|
№
п/п
|
Марка
крана
|
Вылет
стрелы,м
|
Высота
подъема крюка, м
|
Грузоподъемность,
т
|
V подъема груза
|
Стоимость,
маш-см
|
|
1
|
СКГ-63А
|
4,5-14
|
14,5-9
|
63-13,2
|
5-0,7
|
57,04
|
|
2
|
КС-6362
|
4,5-14,5
|
14,5-8,3
|
40-6,4
|
5-0,3
|
53,68
|
Сравнение вариантов производим
по стоимости работы крана.
Расчет сравнения вариантов
Коэффициент цикла определяется
по формуле:
Н - высота
подъема крюка, м;
V0
- скорость
подъема груза, м/мин;
tp.o.
- средняя
продолжительность ручных операций определяется по формуле:
p
- норма продолжительности ручных операций каждого элемента (см.табл.4);
N - количество
элементов (см. ведомость объемов работ).
Таблица №4 Продолжительность ручных операций при
монтаже конструкций
|
Наименование
элемента
|
Продолжительность
ручных операций tp, мин
|
|
Плиты
перекрытия и покрытия
|
20
|
|
Перемычки
|
10
|
|
Лестничные
марши и площадки
|
10
|
Теоретическая производительность крана
определяется по формуле:
- грузоподъемность
крана, т (по справочной литературе);
kz
- коэффициент
использования крана (0.5-0.8);
кв -
коэффициент
использования крана по времени (0.4-0.75);
tH
- коэффициент
цикла, мин.
Период работы крана определяется по формуле:
общ - общая
масса монтируемых элементов;
П - П -теоретическая
производительность крана;
-число часов работы в смену.
Q
= 137,02
+ 20,27 + 5,86 = 163,15 т.
• Стоимость работы крана
определяется по формуле:
Сcм
- стоимость маш-см крана (по справочной литературе); Т- период работы
крана.
С, =
57,04 -2,77 = 158 руб;
С2 = 53,68
• 4,36 = 234,05 руб.
Исходя из полученной стоимости
обоих кранов выбираем более экономичный, т.е. с наименьшей стоимостью работы
крана. Принимаем гусеничный кран СКГ-63А.
. Основные принципы построения
календарного плана производства работ
Календарный план -
это документированная модель строительного производства, в которой
устанавливают рациональную последовательность, очередность и сроки выполнения
отдельных работ и строительных процессов на каждом объекте.
Назначение календарного плана -
разработка и осуществление наиболее эффективной модели организационной и
технологической увязки работ во времени и пространстве, выполняемых различными
исполнителями при непрерывном и эффективном использовании выделенных на эти
цели трудовых, материальных и технических ресурсов с целью ввода в действие
объекта в установленные сроки.
Разработка календарного плана
осуществляется в следующем порядке:
1.Производится анализ
объемно-планировочных и конструктивных решений объекта
с целью выбора рациональных методов его строительства;
2.
Устанавливается
перечень строительно-монтажных работ;
3.
Подсчитываются
объемы работ, включенных в перечень;
4.Определяется трудоемкость
выполнения каждой работы и потребность в строительных
машинах для ведения работ;
5.
Выбираются
методы производства работ и средства механизации;
6.
Устанавливается
последовательность выполнения и возможность совмещения различных видов работ во
времени с учетом производства работ поточным методом;
7.Определяется
продолжительность выполнения каждой работы исходя из
трудоемкости
и возможностей подрядных организаций;
8.
Устанавливаются
сроки начала и окончания работ по календарю;
9.
Составление
календарного плана производства работ.
Календарный план строительства
выполняется в виде линейного графика, состоящего из двух частей: левой -
расчетной и правой - графической. При составлении плана определяют
технологическую последовательность выполнения строительных процессов, при этом
работы группируют по ведущему механизму, либо по бригадам, выполняющие
общестроительные и специальные работы, рассчитывают состав бригад и звеньев,
затем составляют правую его часть и корректируют весь план по строкам.
В процессе разработки
календарного плана необходимо предусматривать равномерное использование
рабочих. Для этого по мере составления плана под ним вычерчивается график
изменения численности рабочих, график работы основных строительных машин и
транспорта.
Трудозатраты в календарном
плане на специальные работы, такие как: сантехнические и электромонтажные,
работы по благоустройству и прочие неучтенные, а также работы подготовительного
периода определяются в процентах от общего объема трудозатрат на
общестроительные работы.
5.
Ведомость
потребности в материалах
Таблица №5
|
№
п/п
|
Наименование
материалов
|
На
ед.изм.
|
Ед.изм.
|
Нормы
расхода
|
Объем
работ
|
Кол-во
|
|
1
|
Кирпич
|
м3
|
тыс.шт.
|
0,4
|
398,16
|
159,27
|
|
2
|
Раствор
кладочный
|
м3
|
м3
|
0,24
|
398,16
|
95,56
|
|
3
|
Оконные
блоки
|
100
м2
|
м2
|
100
|
0,432
|
43,2
|
|
4
|
Дверные
блоки
|
100
м2
|
м2
|
100
|
0,435
|
43,5
|
|
5
|
Стекло
оконное
|
100
м2
|
м2
|
144
|
1,279
|
184,18
|
|
6
|
Рубероид
на пароизоляцию
|
100
м2
|
м2
|
110
|
1,919
|
211
|
|
7
|
Масляная
краска
|
100
м2
|
кг
|
23,2
|
2,118
|
49,14
|
|
8
|
Водоэмульсионная
краска
|
100
м2
|
кг
|
39,5
|
10,585
|
418,1
|
|
9
|
Глазурованная
плитка
|
100
м2
|
м2
|
100
|
0,262
|
26,2
|
|
10
|
Керамическая
плитка
|
100
м2
|
м2
|
102
|
0,0453
|
4,62
|
|
11
|
Штукатурный
раствор
|
100
м2
|
mj
|
1,75
|
6,334
|
11,08
|
|
12
|
Утеплитель
плитный
|
100
м2
|
м2
|
102
|
1,919
|
195,74
|
|
13
|
Асфальтобетон
|
100
м2
|
т
|
5,54
|
0,72
|
4,0
|
|
14
|
Штукатурный
раствор для затирки потолков
|
100
м2
|
м3
|
1,84
|
4,513
|
8,3
|
|
15
|
Цементный
раствор для стяжек
|
100
м2
|
м3
|
2,04
|
2,779
|
5,67
|
|
16
|
Линолеум
|
100
м2
|
м2
|
102
|
0,434
|
44,27
|
|
17
|
Сталь
оцинкованная
|
100
м2
|
кг
|
510
|
3,85
|
1,963
|
8. Технология выполнения
основных строительно-монтажных работ
Каменные работы:
Кирпичи и камни правильной
формы укладывают в порядке, который составляет определенную систему перевязки
швов. Наиболее распространенные системы перевязки: для стен и простенков -
одно, и многорядная; для столбов и простенков шириной до 1 м - трехрядная.
Многорядная система перевязки
имеет тычковые ряды через пять ложковых ряда. При этом поперечные вертикальные
швы тычковых рядов смещены на четверть кирпича, а ложковых рядов - на
полкирпича. Продольные вертикальные швы (со второго по шестой включительно) не
перевязываются. Тычковые ряды, связывающие версты с забуткой, выполняют только
из целых кирпичей. Тычковые ряды обязательно укладывают в первом и последнем
рядах возводимых конструкций, на уровне обрезов стен и столбов, в карнизах,
поясках, под балконами, прогонами, плитами перекрытий.
Доставку кирпича на объект
осуществляют пакетами в специально оборудованных бортовых машинах. Раствор на
объект доставляют растворовозами. В процессе кладки запас материалов
пополняется.
Складирование кирпича
предусмотрено на спланированной площадке на поддонах. При производстве
кирпичной кладки стен используют инвентарные шарнирно-пакетные подмости.
Общую ширину рабочих мест
принимают равной 2,5-2,6 м, в том числе рабочую зону 60-70 см.
Монтаж сборных
конструкций:
При производстве работ по
монтажу конструкций следует предусматривать мероприятия по обеспечению
требуемой точности монтажа, пространственной неизменяемости конструкций в
процессе их сборки и устойчивости сооружения в целом, порядок совмещения
монтажных работ и другие дополнительные требования, связанные с конкретными
условиями монтажа.
Организация, производящая
монтаж, до его начала принимает железобетонные конструкции и детали,
поступающие на строительную площадку. При приемке конструкций следует проверять
наличие паспорта, соответствие указанных в паспорте и фактических параметров
конструкций, а также отсутствие повреждений закладных деталей, фиксирующих и
строповочных устройств, соответствие качества конструкций требованиям
стандартов и технических условий.
При установке плит перекрытий контролируется
проектный уровень опор и верхней их
поверхности нивелированием, правильное расположение в плане и сопряжение
элементов на опорах. Наводку устанавливаемых элементов на проектные оси
производят с помощью двух оттяжек (из пенькового или стального каната).
Расстояние между ними проверяется в осях с помощью стальных рулеток или
шаблонов. После выверки проектного положения их окончательно закрепляют сваркой
арматуры (анкерами). Швы между плитами заделывают раствором Ml00.
Методы и
последовательность монтажа плит:
-подготовка панели к строповке:
до начала монтажа плит перекрытий такелажник
Т поднимается на штабель и проверяет годность монтажных петель,
очищает
панель от грязи, отбивает наплывы бетона с закладных деталей.
-строповка и подача панели к
месту установки: Т принимает четырехветвевой
строп, заводит крюки стропа за монтажные петли, дает сигнал
машинисту
крана К натянуть строп и, убедившись в надежности строповки,
спускается
со штабеля, отходит на безопасное расстояние, дает команду К на
подъем
и подачу панели к месту монтажа.
·
подготовка
опорной поверхности с устройством растворной постели: в это время монтажники M1,
М2 и М3 с перекрытия
скребком и метлой очищают место опирания панели, лопатой укладывают раствор,
разравнивая его кельмами.
·
прием
и установка панели: машинист крана К поднимает и подает плиту к месту
установки, останавливая ее по команде монтажника М1 на расстоянии не
более 30 см от опорной поверхности. М1, М2, стоя
на ранее установленных панелях, принимают панель и ориентируют ее на место
укладки. К по команде М3 опускает панель на 10-15 см,
монтажники M1
и
М2 придерживают ее за торцы. М2 фиксирует
положение панели в поперечном направлении, а М/ и М3 с двух
концов подводят ее вплотную к ранее уложенной панели, одновременно прижимая к
лому. К по команде монтажника М1 плавно опускает панель на
место.
-выверка панели: при натянутом
стропе монтажники M1
и
М2 проверяют положение
уложенной панели и ломами рихтуют ее, следя за тем, чтобы нижняя
часть
панели была на одном уровне с ранее уложенными и чтобы опирание ее
было
не менее 12 см.
-расстроповка панели:
убедившись в правильности укладки панели, монтажник
М3 подает команду К ослабить строп и выводит крюки из
монтажных
петель. К перемещает стрелу крана со стропом на склад-площадку. А
электросварщик
Э1 приступает к креплению плит.
9. Технологическая карта
Технологическая карта
составлена на устройство металлической кровли административно-торгового здания
по ул. Д.Ключевской в г. Томске. Она включает следующие разделы:
1.
Область
применения технологической карты.
2.
Организация
и технология строительного процесса.
3.
Операционный
контроль качества работ по устройству покрытия.
4.
Материально-технические
ресурсы.
5.
Калькуляция
трудовых затрат на работы по устройству покрытия.
6.
Техника
безопасности и охрана труда.
Основными материалами для
кровель из листовой стали являются тонколистовая сталь кровельная
неоцинкованная (черная) или оцинкованная. Наиболее эффективно применение
кровельной оцинкованной стали. Она меньше подвергается коррозии, срок службы ее
значительно больше. Поверхность оцинкованной стали должна быть ровной, без
пленок, пузырей, затеков, с плотной и равномерной оцинковкой.
Основание для покрытия
кровельной сталью выполняют в виде обрешетки из деревянных брусков 50 * 50 мм и
досок 50 * 120 мм. Деревянная обрешетка должна быть прочной, жесткой и ровной.
Между контрольной метровой рейкой и обрешеткой допускается не более одного
просвета на 1 м, причем плавного очертания и величиной не более 5 мм.
Для устройства кровель
используют стальные оцинкованные листы толщиной 0.5...0.7 мм. Кровельный лист,
кромки которого подготовлены для соединения, называется картиной. Картины
соединяют одинарными или двойными стоячими либо лежачими фальцами. Стоячие
фальцы располагают вдоль стока воды, лежачие - поперек стока. Как правило,
соединение листов для покрытия скатов кровли производится одинарными фальцами и
лишь при малых уклонах крыш (около 160) и в местах наибольшего
скопления воды (желоба, разжелобки) - двойными.
Обычно соединение кровельных
картин гребневым фальцем производиться кровельщиками с помощью молотков или же
молотком с помощью бруса-отворотки. В последнее время предложены и применяются
электрогребнегибочная машина и приспособления - гребнегибы, позволяющие
выполнять работы без применения кровельных молотков.

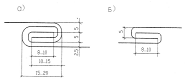
а) - двойной фальц ; б) -
одинарный фальц; в) - стоячий фальц; г) - лежачий фальц
Картины крепят к обрешетке кляммерами
- полосками кровельной стали. Один конец кляммеры прибивают гвоздями к
бруску обрешетки; другой конец проходит через стоячий фальц и охватывает его.
При покрытии карниза в доски основания врезают Т-образные костыли, выступающие
за свес. К ним крепят нижние края картин свеса, а верхние прибивают к основанию
гвоздями. Одновременно с костылями к доскам крепят штыри хомутами для крепления
воронок водосточных труб. Настенные желоба укладывают на картины карнизного
свеса и крепят заклепками к специальным крючьям. Верхнюю кромку желоба заводят
под основное покрытие кровли.
|
Материально-технические
ресурсы на 384,3 м
|
кровли
|
Таблица
№6
|
|
Наименование
материалов
|
Ед.изм.
|
Норма
расхода
|
Потребность
|
|
1.
Сталь кровельная листовая
|
т
|
0,51
|
1,963
|
|
2.
Доски 40-70 мм
|
м3
|
1,47
|
5,66
|
|
3.
Бруски 50-70 мм
|
м3
|
0,65
|
2,5
|
|
4.
Гвозди строительные
|
кг
|
8,2
|
31,57
|
|
5.
Гвозди кровельные
|
кг
|
1,2
|
4,62
|
|
6.
Поковки строительные (костыли, крюки и
|
кг
|
72,0
|
277,2
|
Таблица
|
Калькуляция
|
трудовых
затрат
|
Таблица
№7
|
|
Обоснов
ание по ЕНиР
|
Наименование
работ
|
Ед.
изм.
|
Объем
работ
|
Норма
времени, чел-ч / маш-ч
|
Трудоем
-кость на весь объем работ, чел-ч /маш-ч
|
Затраты
труда на весь объем работ, чел-дн / маш-дн
|
|
ЕНиР
6-9 ЕНиР 7-6
|
Устройство
обрешетки Устройство карнизных свесов из кровельной стали
|
100м2
ската 1м
|
3,843
28,6
|
13,5
0,17
|
51,88
4,86
|
6,49
0,61
|
|
ЕНиР
7-6
|
Устройство
настенных желобов
|
1м
|
28,6
|
0,18
|
5,15
|
0,64
|
|
ЕНиР
20-1-113
|
Покрытие
кровли готовыми картинами
|
10м2
покр
|
38,43
|
3
|
115,29
|
14,41
|
|
ЕНиР
20-1-113
|
Заготовка
картин для покрытия скатов
|
10м2
покр
|
38,43
|
1
|
38,43
|
4,80
|
|
ЕНиР
20-1-113
|
Заготовка
картин для покрытия карнизных свесов, настенных желобов и разжелобков
|
10м2
покр
|
38,43
|
1,2
|
46,12
|
5,77
|
|
ЕНиР
1-5
|
Подача
материалов на крышу
|
100т
|
0,02
|
22/11
|
0,44/
0,22
|
0,05/0,027
|
. Проектирование стройгенплана
Стройгенплан -
это план строительной площадки, на котором показано: проектируемые и
существующие постоянные здания, расположение временных зданий и сооружений,
коммуникаций, дорог, механизмов, складских площадок, необходимых для
производства строительно-монтажных работ. Стройгенплан составляется на
определенную дату.
При проектировании
стройгенплана необходимо соблюдать следующие принципы:
· объем
временных сооружений должен быть минимальным;
· имеющиеся
на строительной площадке здания, подлежащие сносу использовать в период
строительства в качестве временных сооружений;
· размещать
временные здания, соблюдая правила техники безопасности и противопожарные
нормы;
· бытовые
помещения размещают вблизи входов на строительную площадку;
· административно-бытовые
и производственные здания должны располагаться с соблюдением противопожарных
разрывов не менее 5м;
· бытовые
помещения должны находиться не менее 50м от объектов, выделяющих пыль, газ,
пар;
· расстояние
от гардеробных, душевых, умывальных должно быть не более 500м; до уборных не
более 100м; до помещений общественного питания не более 500м; до помещения для
обогрева работающих 150м;
· площадки
для отдыха, места для курения должны предусматриваться по максимальному
количеству работающих;
· возведение
временных зданий и сооружений из сборно-разборных конструкций или
некондиционных ж/б панелей;
· использование
передвижных или перевозных зданий в виде автофургонов;
· протяженность
временных сетей водо- и энергоснабжения должна быть минимальной. Наружное
освещение устраивается на деревянных опорах через 30-40 м по периметру
строительной площадки вне зоны действия крана. В углах строительной площадки
устанавливают прожекторы, которые должны создавать достаточную освещенность
складов, проездов и рабочих мест. Пожарные гидранты располагают через 300 м на
постоянном водопроводе, укладываемом в начальный период строительства. Удаление
от дороги гидранта должно быть не менее 2 м.
· временные
дороги, склады необходимо размещать таким образом, чтобы число перегрузок и
перемещение грузов было минимальным. При проектировании дорог при одностороннем
движении ширина дороги - 3-4 м, при двухстороннем - 5-8 м. Расстояние между
дорогой и складской площадкой - 0,5-1 м, между дорогой и забором - не менее 1,5
м. Дороги целесообразно делать кольцевыми, а при необходимости тупиков следует
предусматривать площадки для разворота машин размером не менее 12·12 м. Радиус
закругления внутриплощадочных дорого в пределах 12-30 м, при минимальном
радиусе закругления ширина проезда -5
м. Граница открытых складов должна проходить от края дороги не менее, чем на
0,5 м.
■прием раствора и бетона
необходимо предусматривать в зоне действия крана в
одном
или нескольких местах по фронту работ;
■при устройстве путей
движения самоходного крана показывают ограждение опасной
зоны. Ширина путей движения стрелового крана определяются
габаритами
и радиусом вращения поворотной части. По оси путей указываются
стрелками
направления движения монтажной машины.
Для проектирования
стройгенплана необходимы исходные данные:
·
генплан
участка с нанесенными существующими и проектируемыми зданиями, а также сетями
подземных коммуникаций;
·
календарный
план и график изменения численности рабочих;
·
перечень
строительных машин и механизмов;
·
ведомость
потребности в строительных конструкциях, изделиях и материалах.
Расчет площади складов
Основанием для расчета складов
служит ведомость потребности в материалах. На строительной площадке необходимо
предусматривать:
1.
открытые
площадки для хранения кирпича, ж/б конструкций и др. материалов, на которые не
влияют атмосферные осадки, колебания температуры и влажности;
2.
способы
хранения материалов;
3.
навесы
для хранения столярных изделий, рулонных материалов и т.д;
4.
закрытые
склады 2х типов:
·
отапливаемые
(для хранения лаков и красок);
·
не
отапливаемые (для хранения войлока, мин.ваты, кровельной стали).
Площадь складов рассчитывается
по количеству материалов:
общ - общее
количество материалов определенного вида, необходимое для выполнения данной
работы;
Т- продолжительность
расчетного периода в днях (определяется по календарному плану);
а -
коэффициент неравномерности поступления материала на склады =1.1;
п - норма
запаса материала в днях (2-5 дн);
k-коэффициент
неравномерности потребления материалов =1.3. Полезная площадь склада без
проходов:
q
-
количество материалов, укладываемых на 1 м2 площади
склада
(табл.67 стр. 188-189 Гаевой).
Общая площадь склада:
β -
коэффициент, учитывающий проходы (для закрытых складов 0.6-0.7; для навесов
0.5-0.6; для открытых 0.6-0.7);
Апол - полезная
площадь.
Навесы.
Блоки
дверные: Блоки оконные:
Плиты теплоизоляционные:
Рубероид:
Общая площадь навесов: А0=74,84
м
.
Закрытые склады
Стекло оконное: Краска масляная:
Керамическая плитка: Водоэмульсионная краска:
Сталь оцинкованная: Линолеум:
Общая площадь закрытых складов: А0=12,06
м
.
Открытые склады
Кирпич: Плиты перекрытия и покрытия:
Перемычки: Лестничные марши и площадки:
Металлические фермы покрытия крыльца:
Общая площадь закрытых складов: А=204,55 м
.
Расчет временных зданий и
сооружений
Определение площадей временных
зданий и сооружений производится по максимальной численности работающих на
строительной площадке (определяется по графику изменения численности рабочих) и
нормативной площади на одного человека, пользующегося данным помещением.
Численность работающих
определяется по формуле:
общ
- общее
количество работающих на строительной площадке в сутки;
Nраб
-количество
рабочих основного и вспомогательного производства;
NИТР -
численность
инженерно-технического персонала;
Nслуж
-
численность служащих;
NМОП-
численность
младшего обслуживающего персонала и охраны;
R
-
коэффициент, учитывающий отпуска, болезни и другие потери рабочего времени
=1.05.
Соотношение категорий
работающих, %
Таблица №8
|
Вид
строительства
|
Рабочие
|
ИТР
|
Служащие
|
МОП,
охрана
|
|
жилищно-гражданское
|
85.0
|
8.0
|
5.0
|
2.0
|
Найдя общее количество
работающих Nобщ,
определяют
количество работающих, занятых в наиболее напряженной смене. Принимаем два
автофургона площадью по 22м.
Таблица №9 Расчет площадей
временных зданий
|
Наименование
временных зданий
|
Кол-во
рабочих, чел
|
Кол-во
работников, польз, помещением
|
Площадь
помещений, м2
|
Тип
временного здания
|
Размеры
в плане, м
|
|
|
|
|
на
1го работн.
|
общая
|
|
|
|
Административные
|
|
Контора
|
1
|
100
|
4
|
4
|
передвижное
|
|
|
Диспетчерская
|
1
|
100
|
7
|
7
|
то
же
|
|
|
Проходная
|
-
|
-
|
-
|
9
|
сборно-разборное
|
3*3
|
|
|
Санитарно-бытовые
|
|
|
|
|
|
Гардеробная
|
16
|
70
|
0.7
|
7,84
|
передвижное
|
|
|
|
Сушилка
для одежды
|
16
|
50
|
0.2
|
1,6
|
то
же
|
|
|
|
Помещение
для обогрева рабочих
|
16
|
50
|
0.1
|
0,8
|
то
же
|
|
|
|
Помещение
для приема пищи и отдыха
|
16
|
50
|
1.0
|
8
|
|
|
|
|
Столовая
|
16
|
50
|
0.8
|
6,4
|
|
|
|
|
Итого:
|
|
35,64
|
|
|
|
|
Туалет
|
|
|
|
3
|
|
1,5*2
|
|
|
|
Производственные
|
|
|
|
|
|
Малярная
станция
|
|
|
|
|
|
8*2.8
|
|
|
Штукатурная
станция
|
|
|
|
|
|
4.5
* 2.5
|
|
|
|
|
|
|
|
|
|
|
|
|
|
|
|
|
11. Расчет
технико-экономических показателей
1.Площадь
застройки - определяется как произведение длины здания на
ширину
здания по наружному обмеру выше цоколя:
S=
251,1
м2.
2.Строительный
объем здания - произведение площади застройки на высоту
здания. Высота здания определяется от отметки чистого пола первого
этажа
до верха чердачного перекрытия и от пола подвала до первого этажа:
3d
= 2172,01
м3.
3.
Нормативная продолжительность строительства: Тн
= 110 дн (по СНиП 1.01.03-85); фактическая продолжительность строительства:
Тф = 109 дн.
4.
Общие трудозатраты - суммарное количество чел-дн
за весь период строительства: нормативная - 72 чел-дн; принятая - 72 чел-дн.
5.
Удельная
трудоемкость на 1 м здания - отношение общих трудозатрат к строительному объему
здания:
H
=
72 / 2172,01 = 0,03 чел-дн;
Wф=
72/
2172,01 = 0,03 чел-дн.
6.Коэффициент
возведения здания - это отношение фактической продолжительности
строительства к нормативной:
Кв =
109 / 110
= 0,98.
7.Коэффициент сменности работ:
CM
= (t1-
a1
+ t2-
a2+
... + tn-
an)
/ Тф,где
t
- продолжительность
отдельных работ; а - сменность работ.
Ксм =
(0,5*1)+(0,5*1)+(1,5*1)+(9*1)+(2,5*1)+(0,5*1)+(2*1)+(2*1)+(0,5*1)+(20*1)+(8*1)+
(2*1)+(15*1)+(8*1)+(7*1)+(1,5*1)+(1*1) / 109
= 0,86
8.Коэффициент
совмещения строительных процессов:
- суммарная
продолжительность отдельных работ (исключая прочие непредвиденные работы).
Кс = 80,84/94 =0,86.
9.Коэффициент
неравномерности движения рабочих:
max
- максимальное
движение рабочих по графику их движения;
Аср -
среднее число рабочих по графику, определяемое как отношение суммарных
трудозатрат по графику Т ~ 72 чел-дн к фактической продолжительности
строительства Тф = 94 дн.
Аср = 72
/ 109 = 0,66чел;
Kn=11/0,66=16,6.
10. Коэффициент
производительности труда:
Тф =
109 дн - X
%
Tн
= 110дн -100%
= 86 % - перевыполнение составляет 14 %;
производительность -114%).
12. Техника безопасности и
охрана труда
Техника безопасности
представляет собой совокупность организационных и технических мероприятий и
средств, предотвращающих воздействие на работающих опасных производственных
факторов, то есть таких, воздействие которых на работающего приводит к травме
или другому внезапному ухудшению здоровья.
Охрана труда в строительстве
представляет собой систему взаимосвязанных законодательных,
социально-экономических, технических, гигиенических и организационных
мероприятий, цель которых - оградить здоровье трудящихся от производственных
вредностей и несчастных случаев, обеспечив наиболее благоприятное условие,
которое способствует повышению производительности труда и качества работ.
При организации строительной
площадки, размещении участков работ, рабочих мест, проездов строительных машин
и транспортных средств, проходов для людей следует устанавливать опасные для
людей зоны, в пределах которых действуют производственные факторы. Опасные зоны
должны быть обозначены знаками и надписью установленной формы. Строительная
площадка во избежание доступа посторонних лиц должна быть ограждена.
Ограждения, примыкающие к местам массового прохода необходимо оборудовать
сплошным защитным козырьком.
В темное время суток
строительная площадка, рабочие места и проезды к ним должны быть освещены
равномерно без слепящего эффекта. Производство работ в неосвещенных местах
запрещается. В темное время суток ограждения должны быть обозначены
электросигнальными лампами.
Колодцы, шурфы и другие выемки
в грунте в местах возможного доступа людей должны быть закрыты крышками,
прочными щитами или ограждены.
У въездов на строительную
площадку должна быть установлена схема движения транспортных средств. Проезды,
проходы и рабочие места необходимо регулярно очищать и не загромождать. Проходы
с уклоном меньше 20° должны быть оборудованы траками или лестницами с
ограждением. Ширина проходов к рабочим местам и на рабочих местах должна быть
не менее 0,6 м, а высота проходов в свету - 0,8 м. Входы в строящихся зданиях
должны быть защищены сверху сплошным навесом шириной не менее ширины входа с
вылетом на расстоянии не менее 2 м от стены здания.
Складировать оборудование и
материалы на рабочих местах следует так, чтобы они не создавали опасность при
выполнении работ и не стесняли проходы, не допускается пользоваться открытым
огнем в радиусе менее 50 м от места складирования легковоспламеняющихся
материалов.
При использовании ручного, механизированного,
электрофицированного и пневматического инструмента, рабочие должны быть обучены
безопасному обращению с ним. При работе на высоте запрещается сбрасывать сверху
вниз какие-либо предметы, так как это может привести к несчастным случаям. В
виде исключения можно сбрасывать предметы в огражденную зону при соблюдении
специального работника из технического персонала.
При производства CMP
необходимо руководствоваться следующими положениями:
·
не
допускать сжигания на строительной площадке отходов и остатков материалов, в
частности на битумной основе, изоляционных материалов, красителей, автопокрышек;
·
не
допускать выпуск воды на строительной площадке на незащищенные склоны во
избежание размывов.
При организации строительного
производства необходимо проводить специальные работы по охране окружающей
природной среды: предотвращение загрязнений воздуха, воды и почвы. На
территории строящихся объектов не допускается непредусмотренная проектной
документацией сведение древесно-кустарной растительности и засыпка грунтом
корневых шеек и стволов растущих деревьев и кустарников. При производстве
работ, связанных со сводкой леса и кустарников, строительство необходимо
организовать так, чтобы обеспечить отнесение животного мира за пределы
строительной площадки.
Нормы и правила техники
безопасности распространяются на СМР и специальные строительные работы вне зависимости
от ведомств подчиненности организаций, выполняющих эти работы, содержатся в
СНиП 12.03-2001 "Безопасность труда в строительстве", ч.1, ч.2.
13. Мероприятия по
противопожарной защите
Требования к противопожарной
безопасности представляют собой комплекс специальных мероприятий по
предупреждению возгораний, пожаров, улучшению противопожарного состояния зданий
и сооружений, снижению пожарной опасности складских помещений, стоянок
автотранспортных средств. Наличие на строительных площадках большого количества
горючих и легковоспламеняющихся материалов, в непосредственной близости от
места проведения сварочных работ, скопление строительного мусора и другие
сопутствующие строительству обстоятельства, придают особое значение надлежащей
организации противопожарной безопасности объекта. Уделяется внимание строгому
соблюдению всеми работниками правил и требований пожарной безопасности и
постоянному контролю состояния противопожарной безопасности со стороны
уполномоченных на это лиц. Ответственность за организацию пожарной охраны,
выполнение противопожарных мероприятий и исправное содержание мест
пожаротушения непосредственно на строительном объекте, несет начальник участка
или производитель работ.
Безопасность людей должна быть
обеспечена при возникновении пожара в любом месте объекта. Пожарная
безопасность объекта должна быть обеспечена как в его рабочем состоянии, так и
в случае возникновения аварийной обстановки. Пожарная безопасность должна
обеспечиваться: ограничением количества горючих веществ, изоляции горючих
веществ, применением средств пожаротушения, применением средств индивидуальной
и коллективной защиты людей, системой противопожарной защиты, применением
средств пожарной сигнализации и средств извещения о пожаре, организацией
пожарной охраны объекта, эвакуацией людей в случае возникновения пожара,
предотвращением распространения пожара за пределы очага. Также должны
соблюдаться противопожарные разрывы и защитные зоны, наличие аварийного слива
пожароопасных жидкостей, наличие системы аспирации отходов производства.
Предотвращение распространения
пожара должно обеспечиваться: устройством противопожарных преград и аварийного
отключения и переключения аппаратов и коммуникаций, применением средств,
предотвращающих разлив и растекания жидкости при пожаре. На строительной
площадке должен быть обеспечен запас специальных средств пожаротушения.
Список используемой литературы
1. ЕНиР.
Сборник Е2 Земляные работы. Выпуск 1. Механизированные и ручные земляные
работы.-М.: Госстрой СССР, 1990. - 134 с
2. ЕНиР.
Сборник ЕЗ Каменные работы. - М.: Госстрой СССР, 1989. - 30 с.
3. ЕНиР.
Сборник Е4 Монтаж сборных и устройство монолитных железобетонных конструкций.
Выпуск 1. - М.: Госстрой СССР, 1987. - 65 с.
4. ЕНиР.
Сборник Е6 Плотничные и столярные работы в зданиях и сооружениях. - М.:
Госстрой СССР, 1987. - 55 с.
5. ЕНиР.
Сборник Е7 Кровельные работы. - М.: Госстрой СССР, 1987. - 19 с.
6.ЕНиР. Сборник Е8
Отделочные покрытия строительных конструкций.
Выпуск 1.
Отделочные работы.- М.: Госстрой СССР, 1989. - 87 с.
7. ЕНиР.
Сборник Е12 Свайные работы. - М.: Госстрой СССР, 1987. - 99 с.
8. ЕНиР.
Сборник Е19 Устройство полов. - М.: Госстрой СССР, 1990. - 36 с.
9.ЕНиР. Сборник Е20
Ремонтно-строительные работы. Выпуск 1. Здания и промышленные
сооружения.- М.: Стройиздат, 1987. - 224 с.
10.Л.А.Зинева.
Справочник инженера-строителя "Расход материалов на
общестроительные
и отделочные работы". - Р.-на-Дону: "Феникс", 2002
11.А.Ф.Гаевой,
С.А.Усик. Курсовое и дипломное проектирование. Промышленные
и гражданские здания. - Л.: Стройиздат, 1987. - 264 с.
12.Справочник
мастера-строителя под ред. Д.В.Коротеева - М.; Стройиздат
13.М.П.Зимин,
С.Г.Артюнов. Технология и организация строительного
производства.
- М.: НПК "Интелвак", 2001.
14. А.А.Афанасьев,
Н.Н.Данилов и др. Технология строительных процессов, -М.: Высшая школа, 2000.
15. СНиП
12-03-2001. Безопасность труда в строительстве. Часть 1. Общие требования. -
М.: ГУП ЦПП, 2001. - 42 с.
16.СНиП 12-04-2002.
Безопасность труда в строительстве. Часть 2.
Строительное
производство. - М.: Книга сервис, 2003. - 48 с.