Ремонт кузова легкового авто

  • Вид работы:
    Курсовая работа (т)
  • Предмет:
    Транспорт, грузоперевозки
  • Язык:
    Русский
    ,
    Формат файла:
    MS Word
    912,35 Кб
  • Опубликовано:
    2013-10-09
Вы можете узнать стоимость помощи в написании студенческой работы.
Помощь в написании работы, которую точно примут!

Ремонт кузова легкового авто

Содержание

Введение

. Основная часть

.1 Устройство кузова легкового авто

.2 Основные неисправности кузова легкового авто и их проявления

.3 Определение неисправностей и их диагностика

.4 Техническое обслуживание кузова легкового авто

.5 Текущий ремонт кузова легкового авто

.6 Расчет графика прохождения ТО автомобилей

. Охрана труда при выполнении технического обслуживания и ремонтных работ

Выводы и рекомендации

Список используемой литературы

Введение

В России принята планово-предупредительная система технического обслуживания и ремонта машин (ППР), которая представляет собой комплекс организационно технических мероприятий, проводимых в плановом порядке для обеспечения работоспособности и исправности машин в течение всего срока их службы, при соблюдении заданных условий и режимов эксплуатации. Кузов - наиболее дорогостоящая часть легкового автомобиля, около 60% его стоимости, и сама уязвимость. В автомобиле можно заменить все до «последнего винтика», и все-таки машина сохранит свое «лицо». Заменив кузов, мы получим совершенно другой автомобиль. Поэтому долговечность автомобиля определяется сроком службы кузова. Кузов автомобиля соединяет все его агрегаты, механизмы и системы в единую конструкцию. На неподвижный автомобиль действуют статические нагрузки от собственной массы автомобиля и полезной нагрузки. При движении автомобиль испытывает еще и различные динамические нагрузки: от неровностей дорожного покрытия, от разгона и торможения, при поворотах и т.д. Работоспособность кузова характеризуется его прочностью и жесткостью под действием именно динамических нагрузок. Кузов первым принимает на себя последствия дорожно-транспортных происшествий, поглощая и рассеивая энергию соударения - обеспечивая безопасность водителя, пассажиров и груза. Цель работы- главной целью работы было изучить и показать устройство кузова. Так же были рассмотрены приборы для диагностики и ремонта системы.

1. Основная часть

.1 Устройство кузова легкового автомобиля

Общая конструкция кузова легкового автомобиля показана на рисунке.

Рис. 1. Кузов легкового автомобиля: 1 - подоконная балка; 2 - передняя балка крыши; 3 - лонжерон крыши;4 - задняя балка крыши; 5 - задняя стойка кузова; 6 - задняя панель; 7 - пол в задней части кузова; 8 - задний лонжерон; 9 - средняя стойка кузова; 10 - поперечина под задним сиденьем; 11 - передняя стойка; 12 - поперечина под сиденьем водителя; 13 - порог; 14 - надколесная ниша;15 - поперечная балка опор двигателя; 16 - передний лонжерон; 17 - поперечина передняя; 18 - поперечина радиатора

Несущий кузов, характерный для большинства легковых автомобилей, содержит полые элементы, изготовленные из листовой стали, на которых устанавливаются и крепятся сваркой кузовные панели. В зависимости от типа автомобиля, около 5000 сварных точек должны быть выполнены вдоль сварочных фланцев общей длиной 120…200 м. Ширина сварочного фланца составляет 10-18 мм. Другие части (передние крылья, двери, капот, крышка багажника) крепятся к опорным конструкциям кузова на болтах или с помощью точечной сварки. Существуют также каркасные и скелетные типы конструкций кузовов. В качестве материала для кузовов применяется тонколистовая сталь. Наиболее преобладающая толщина 0,75…1 мм, однако, отдельные части кузова могут иметь толщину от 0,6 до 3,0 мм. Для изготовления высоконапряженных конструктивных элементов применяется высокопрочная низколегированная листовая сталь. Некоторые детали кузова, например, бампера, молдинги, люки, спойлеры, решетки радиаторов, облицовки надколесных ниш, колпаки и др. могут изготавливаться из пластмасс. Для снижения массы кузова, при сохранении его прочности, в современных автомобилях применяют высокопрочную сталь, доля которой в верхней и нижней частях кузова составляет 50…60%. Применение высокопрочной листовой стали позволяет снизить массу применяемых деталей кузова на 25%. Стальной листовой материал современных автомобилей подвергается электролитическому или термическому цинкованию.

Соединение отдельных деталей кузова производится с помощью лазерной сварки, обеспечивающей абсолютно гладкие швы. Фланцы, подверженные активному коррозионному воздействию, обрабатываются специальными пастами (поливинилхлорид или эпоксидная смола) в зоне расположения точечных швов. Перспективным направлением в развитии автомобильных кузовов является применение алюминия и в 2005 году масса алюминиевых деталей на один автомобиль в Европе составляет 130 кг. Среди новых материалов, активно завоевывающих автомобилестроение, следует назвать пеноалюминий - чрезвычайно легкий, жесткий, с высоким энергопоглощением при столкновении. Металлические пенистые структуры обладают и высокими характеристиками, обеспечивающими шумоизоляцию и термостойкость, однако стоимость деталей из такого материала выше, чем у стальных, примерно на 20%. Разработан новый материал «AAS» трехслойной структуры, способной кардинально изменить конструкцию кузова и снизить его массу до 50%. В конструкции концептуальных автомобилей компаний «Ауди» и «Даймлер-Бенц» использованы каркасы из прессованных алюминиевых профилей. Масса кузова модели «Ауди А8» за счет этого снижена до 810 кг.

Структура передней части современных легковых автомобилей разработана таким образом, чтобы в случае легкого ДТП (скорость до 15 км/ч) необходимо было менять только поперечину бампера (5) и прикрепленные к ней поглотители энергии деформации (1). Если повреждения структуры автомобиля более значительны, тогда может возникнуть необходимость замены лонжеронов, для этого также следует отвернуть болтовое соединение. Все значительные повреждения в передней части автомобиля могут быть устранены только сваркой соответствующих оригинальных деталей.

Рис. 2. Нижняя часть легкового автомобиля Audi: 1 - поглотитель энергии; 2 - лонжерон 1; 3 - лонжерон 2; 4 - болтовое соединение; 5 - поперечина бампера

Большой интерес представляет новый пластиковый материал под маркой «Fibropur». В его структуре - полиуретан и натуральные волокна (лен и сизаль в равных пропорциях). Детали из такого пластика отличаются легкостью, жесткостью, ударной вязкостью и меньшей стоимостью в сравнении с полиуретаном. В настоящее время 48% всех пластмассовых деталей в легковом автомобиле приходятся на долю внутренней отделки кузова. Однако пластмассы применяются и в других агрегатах автомобилей - например, самоклеящиеся листовые материалы для повышения жесткости и прочности кузова из тонких стальных листов, оконные стекла из поликарбоната, которые на 40% легче, всасывающие патрубки из полиамида на двигателях. Стекла кузовов легковых автомобилей выполняют многослойными с высокой теплоотражающей способностью. Такие стекла эффективно защищают от теплового воздействия извне, причем теплоотражающая способность никак не сказывается на их прозрачности. Они уменьшают интенсивность ультрафиолетовых лучей и обладают шумоизолирующими свойствами. Для этого в многослойной структуре стекла предусмотрены защитная и отражающая прослойки. Многослойная конструкция травмобезопасна, потому что между слоями стекла находится защитная пленка, предотвращающая образование осколков.

.2 Основные неисправности кузова легкового авто и их проявления

Основные неисправности кузова легкового автомобиля - его механические (вмятины, пробоины, трещины) и коррозионные повреждения, разрушение лакокрасочного и противокоррозионного покрытия. Механические повреждения происходят при дорожно-транспортных происшествиях и при езде на повышенных скоростях по неровным дорогам. Наиболее разрушительны повреждения кузова при фронтальных столкновениях и соударениях передней частью кузова под углом 40…45 или сбоку. Такие столкновения, как правило, происходят между двумя движущимися автомобилями, скорости которых складываются. В этом случае кузов <#"703229.files/image003.gif">

Рис. 3. Деление кузова по зонам повреждений

Рис. 4. Диаграммы распределения повреждений кузова по зонам (в процентах).

На рисунке 4 даны диаграммы распределения повреждений кузова автомобиля в результате аварий. Наибольшим повреждениям подвергаются передняя (52…53 %) и задняя (32 %) части кузова. Повреждения левой стороны в средней части кузова зафиксированы у 10 % автомобилей, а с правой стороны - у 10…16 %. Повреждения кузова приводят, как правило, к появлению различных его перекосов, которые проявляются в нарушении геометрических параметров проемов (дверей, капота, крышки багажника), лонжеронов, каркаса салона. В зависимости от сложности повреждений перекосы кузова подразделяют на 5 видов:

·              перекос проема (нарушения геометрических параметров проемов кузова; различные комбинации перекосов боковой двери, переднего или заднего окна)

·              перекос кузова малой сложности (повреждения с нарушением геометрических параметров проемов капота или крышки багажника (двери задка) без нарушения геометрии основания кузова, дверных и оконных проемов, за исключением зазоров между дверями и передними или задними крыльями)

·              перекос кузова средней сложности (одновременное нарушение геометрических параметров проемов капота и крышки багажника (двери задка) или повреждение кузова с нарушением геометрических параметров передних либо задних лонжеронов без нарушения геометрии каркаса салона; для переднеприводных автомобилей учитываются перекосы только задних лонжеронов)

·              перекос кузова повышенной сложности (одновременное нарушение геометрических параметров передних и задних лонжеронов или повреждения кузова с нарушением геометрических параметров передних и задних лонжеронов и каркаса салона либо только передних лонжеронов для переднеприводных автомобилей)

·              перекос кузова особой сложности (повреждения с нарушением геометрических параметров передних и задних лонжеронов и каркаса салона).

Перекосы кузова устраняют путем восстановления поврежденных элементов проемов, лонжеронов каркаса правкой, вытяжкой, усадкой и рихтовкой до придания им первоначальных геометрических параметров. Коррозионные повреждения происходят из-за самопроизвольного разрушения металлов в результате химического или электромеханического взаимодействия их с внешней средой, вследствие чего они переходят в окисленное состояние и их физико-химические свойства изменяют. По механизму образования и протекания коррозионного процесса различают электрохимическую и химическую коррозию. Электрохимическая коррозия имеет место в тех случаях, когда два различных металла образуют в соединении гальванический элемент. Такая коррозия может возникнуть и в случае, когда нет контакта различных металлов друг с другом. Сталь, из которой изготовлен кузов, корродирует с водой и кислородом. На поверхности кузова имеются участки с различными электродными потенциалами, что связано с локальными отклонениями химического состава металла, приводящими к образованию гальванических микроэлементов. Скорость протекание процесса электрохимической коррозии возрастает при наличии в окружающей среде загрязняющих веществ, солей и кислот. Химическая коррозия возникает в результате окисления металлов при воздействии кислорода воздуха, солей, серных соединений. Устраняют механические и коррозионные повреждения кузова двумя основными способами: правкой и заменой поврежденных элементов кузова с помощью сварки или болтовыми соединениями.

.3 Определение неисправностей и их диагностика

В процессе эксплуатации в различных климатических и дорожных условиях кузов легкового автомобиля подвергается корродированнию. Особенно уязвимыми частями кузова являются его элементы, подверженные абразивному воздействию (щебень, песок, вода) от дорожного покрытия: короба нижней части кузова (днища) и крылья колес. К неисправностям кузова можно отнести: вмятины, царапины, разрывы, пробоины, трещины, перекосы и деформацию элементов кузов. В кузове автомобиля могут появляться и такие повреждения, как нарушение нормальной работы стеклоподъемников, дверей, повреждения внутренней обивки и резиновых уплотнителе, появление на хромированных поверхностях царапин, ржавчины и др. Проверка геометрии кузова - проверку геометрии кузова и оценку его деформации производят после аварий, в процессе ремонта кузова и по его окончании. На глаз можно оценить общую симметрию кузова и состояние отдельных его элементов, что дает ориентировочное представление о деформации днища и автомобильного шасси. Проверка углов установки колес и параллельности осей позволяет сделать выводы не только о состоянии подвески рулевого колеса, но и о тех элементах кузова, к которым крепится ходовая часть. Измерение кузова по диагонали выполняется просто и позволяет получить, хотя и не совсем точные, данные о состоянии днища кузовного скелета.

При необходимости получения очень точных данных производятся линейные измерения расстояний между контрольными точками (обычно это отверстия в днище либо места крепления механизмов ходовой части или трансмиссии). Полученные данные сопоставляют с контрольными, приведенными производителем. Для такой проверки нужна специальная измерительная рейка. Пространственные измерения можно произвести лишь с помощью специальных шаблонов, контрольно-измерительных рам и щупов. Проверка геометрии кузова по диагонали заключается в сравнении расстояний между симметричными пунктами, лежащими по разные стороны от оси симметрии. Этот метод подходит для определения деформации днища и скелета кузова. Главный недостаток его заключается в том, что по полученным данным нельзя точно определить вертикальные деформации днища. Измерение можно производить обычной рулеткой, поставив автомобиль на яму или на эстакаду. В случае необходимости для улучшения доступа к местам измерения демонтируйте те или иные механизмы. Замерьте расстояние между отдельными точками по диагонали и сравните полученные данные. Аналогичные измерения можно произвести на багажнике, бампере, дверных и оконных проемах.

Следите за тем, чтобы точки на изогнутых углах, которые вы выбираете для измерений, были симметричны. Такие же измерения можно производить и внутри кабины. Они возможны как между отдельными пунктами скелета кузова, так и между ними и условным центром симметрии, который в таком случае надо определить на оси симметрии днища, проверив соответствующее измерительное отверстие. Неравенство измеренных диагоналей означает деформацию кузова. Поиск коррозии металла. Для полноценного осмотра автомобиля установить его на яму или на эстакаду и тщательно вымыть днище. Если невооруженным глазом корродированные места незаметны, попробуйте перепроверить себя, постукивая молоточком или рукояткой отвертки. Коррозированный металл будет издавать приглушенный звук. Кроме того, он не пружинит. Коррозию под слоем краски гораздо проще определить с помощью современных индикаторов. Точных критериев оценки состояния кузова не существует. Элементы кузова иногда подразделяют в зависимости от важности так, как указано на рис. 1 в начале книги. Днище, пороги и боковые стены с дверными проемами являются элементами, от которых непосредственно зависит надежность и жесткость всей конструкции (в равной конструкции это несущая рама и места крепления кузова к раме), но они же и сильнее всего подвержены коррозии.

.4 Техническое обслуживание кузова легкового авто

ЕО - при ежедневном обслуживании автомобилей следует проверять состояние кузова, стекол, зеркала заднего вида, номерных знаков, окраски, исправность механизмов дверей. При ТО-1 необходимо закрепить платформу к раме автомобиля, проверить крепление крыльев и брызговиков колес, состояние каркаса и обивки сидений и спинок, состояние дверей и надежность работы дверных механизмов. При ТО-2, кроме работ первого технического обслуживания, следует закрепить крылья, подножки и брызговики, проверить действие установки для обмыва ветрового стекла и при необходимости продуть форсунки, проверить состояние механизма регулирования положения сиденья водителя, внутренней облицовки кузова, смазкой механизм замков дверей, пола, рамок окон, произвести его разборку, чистку и проверку деталей, заменить плохо держащиеся винты внутренней облицовки кузова, в холодное время года проверить действие вентилятора обдува ветрового стекла.

Смазка кузова легкового автомобиля производится при ТО-2 в соответствии с табл. 4. В состав легкопроникающей смазки входят 60% масляного коллоидно-графитового препарата и 40% Уайт-спирита; смазочный карандаш изготовляют из 30% церезина или натурального воска, 60% парафина и 10% графита П заливкой этого состава в форму; графитовая пудра - порошок графита П. При смазке необходимо строго придерживаться рекомендованных заводами-изготовителями смазочных материалов, так как необоснованная замена их приводит к преждевременному выходу из строя сопряженных деталей.

Таблица 4. Смазка кузова автомобиля

 Точки смазки


 Наименование операций

Петли капота

4

Смазывать любым минеральным маслом

Защелка капота

1

Смазывать смазочным карандашом

Ротор замка двери

4

Смазывать смазочным карандашом

Защелка замка капота

1

Смазывать легкопроникающей смазкой

Замки дверей и кнопки наружных ручек

8

Перед наступлением зимы при необходимости смазать ЦИАТИМ-201

Цилиндр замка двери

2

Смазывать ЦИТАТИМ-201

Направляющие шипы двери

8

Смазывать смазочным карандашом

Зубцы фиксатора

4

Сухари фиксатора шипа двери

4

Смазывать смазочным карандашом

Резиновые уплотнители капота и крышки багажника

6

Протирать графитовой пудрой

Смазка переднего сидения

2

Протирать тряпкой, пропитанной солидолом

Петли дверей

8

Смазывать смазкой 1-13 или солидолом (по необходимости при ТО-1)

Шарнир ограничителя двери

4

Смазывать легкопроникающей смазкой

Замок и кнопка багажника

2

Смазывать ЦИТАТИМ-201

Цилиндр замка багажника

1

Смазывать ЦИТАТИМ-201


Предохранение кузова от коррозии, В процессе эксплуатации автомобилей больше всего подвергаются коррозии нижние, обращенные к дороге, поверхности кузова и крыльев. Автомобили с несущими кузовами часто выходят из строя вследствие коррозионного разрушения нижних панелей кузова. Поэтому при техническом обслуживании автомобиля необходимо обращать особое внимание на защиту кузова от коррозии. При повреждении слоя защитного покрытия участки кузова должны быть немедленно покрашены или покрыты специальным составом. Места, подлежащие обработке, нужно очистить от загрязнений и коррозии, наложить масляный или глифталевый грунт, а затем покрыть одним из составов; битумной мастикой ГИПИ-4, мастикой № 579 или № 580, битумной смесью (80% нефтяного битума, 8% графитового порошка и 12% резинового клея) и др. Мастики (битумную, ГИПИ-4, №579 и № 580) наносят на поверхность кузова ровным слоем с помощью шпателя. При комнатной температуре продолжительность сушки битумной мастики составляет 24 ч, а мастик № 579 и № 580 - 12 ч.

Битумную смесь перед употреблением нагревают до кипения и наносят на металл в горячем состоянии с помощью жесткой волосяной кисти. Защитный слой должен быть в пределах 1 - 3 мм. Нанесение защитного слоя вручную является трудоемкой операцией и не всегда выполняется качественно. Поэтому этот процесс механизируют с помощью специальной установки для нанесения антикоррозионных покрытий (модель 183 - 1).

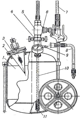
Резервуар 1 емкостью 20 л заполняют специально приготовленной маловязкой маслографитовой суспензией, состоящей из 5 - 8% (по весу) коллоидного графита и 95 - 92% минерального масла, имеющего кинематическую вязкость. Жидкость, заливаемая через горловину 2, проходит очистку в фильтре 3.

Рис. 5. Установка для нанесения антикоррозионного покрытия(модель 183 - 1)

К штуцеру 9 подводят сжатый воздух, давление которого определяют по манометру 6, и заполняют им пространство над жидкостью в резервуаре. Под давлением воздуха жидкость, пройдя через фильтр 11, поступает в приемную трубку 10 и распределитель 4, где смешивается в требуемом соотношении со сжатым воздухом, подводимым к распределителю. Далее готовая эмульсия проходит через вентиль 5 в шланг 7 и распыляется через сопло пистолета 8. Установка - передвижная; ее производительность 1 г/сек при давлении воздуха 490 332 н/м2 (5 кг/см2) и 2 г/сек. при давлении 980665 н/м2 (10 кг/см2), длина шланга 5 м. Вес установки 35 кг. Уход за лакокрасочным покрытием. Для сохранения покрытия кузова легкового автомобиля в хорошем состоянии, предотвращения преждевременной потери блеска и цвета окраски необходим уход за лакокрасочным покрытием. Регулярная мойка недостаточна для сохранения в течение длительного времени хорошего внешнего вида и блеска полированной поверхности кузова автомобиля, покрытого нитроцеллюлозной или синтетической меламиноалкидной эмалью. Для восстановления блеска лакокрасочного покрытия рекомендуется периодически применять полирующие составы: полировочную воду № 1, восковую полировочную пасту № 2, жидкий восковой полирующий состав № 3, полировочную пасту № 290 или полировочную пасту № 6/7 для синтетических эмалей. Эти составы состоят из смеси тонких абразивов, масел, воска, хозяйственного мыла, воды и растворителя. Абразивы шлифуют и полируют покрытие, воск заполняет поры покрытия и микроскопические неровности, а растворитель выводит остатки жировых пятен и загрязнений, которые нельзя удалить одной теплой водой. Полирующие составы надо наносить на хорошо промытую водой и насухо протертую замшей поверхность кузова автомобиля, установленного в защищенном от пыли и солнца месте. Кузов следует полировать по участкам, так как полирующий состав, нанесенный сразу на большую поверхность, быстро засыхает и с трудом поддается растиранию.

Кузов, лакокрасочное покрытие которого находится в хорошем состоянии, необходимо один-два раза в месяц полировать с использованием полировочной воды № 1, которую следует разбавлять обычной водой для получения нужной консистенции. Хорошо перемешанную полировочную воду наносят и растирают на участке поверхности кузова с помощью тампона из фланели или марли. После высыхания в течение 5 мин, когда на поверхности кузова появляется белый налет, ее тщательно протирают чистой сухой фланелью до появления зеркального блеска. Восковая полировочная паста № 2 (состоит из воска, парафина, керосина или скипидара, и Уайт-спирита) применяется как профилактическое средство для сохранения лакокрасочного покрытия в хорошем состоянии и для частичного восстановления блеска. Она образует защитный слой, предохраняющий покрытие от атмосферных воздействий. Пастой № 2 рекомендуется полировать кузов один раз в месяц в весенний, летний и осенний периоды года и один раз в 2 - 3 месяца в зимнее время года. Для размягчения пасты банку с пастой помещают в горячую воду, затем в пасту добавляют 10 - 12% (по весу) Уайт-спирита или растворителя, хорошо размешивают и охлаждают. Пасту наносят на фланель или другую ткань и растирают круговыми движениями по кузову, покрывая его очень тонким слоем. Жидкий восковой полирующий состав № 3 (смесь окиси алюминия и специальной воскосодержащей эмульсии) применяется один раз в 2-3 месяца для лакокрасочных покрытий, частично потерявших блеск. Состав наносят тонким слоем на небольшие участки кузова с помощью тампона из фланели и растирают круговыми движениями. Загустевший на холоде восковой состав разогревают, опустив банку с составом в горячую воду.

 

Рис. 6. Прибор для полирования кузовов автомобилей (модель 2408): 1 - муфта; 2 - рукоятка; 3 - кабель; 4 - пусковой курок; 5 - электродвигатель; 6 - диск; 7 - червяк редуктора

После высыхания состава в течение 3 - 6 мин участок поверхности кузова протирают сухой фланелью до зеркального блеска. После протирания составом № 3 рекомендуется отполировать поверхность кузова дополнительно восковой пастой № 2.

Полировочную пасту № 290 (состоит из мелкодисперсной окиси алюминия, вазелинового и касторового масел, хозяйственного мыла и воды) применяют в тех случаях, когда матовое лакокрасочное покрытие не восстанавливается полирующим составом № 3. Пасту наносят на поверхность кузова с помощью фланелевого тампона, а затем протирают кузов чистой фланелью и полировочной водой до равномерного глянца. Этой пастой можно пользоваться не более, одного-двух раз в год, так как окись алюминия обладает абразивными свойствами, и при более частом пользовании паста частично снимает слой краски.

Ручная полировка является трудоемкой операцией, требующей больших усилий, поэтому при полировании кузова пастой № 290 рекомендуется применять прибор (модель 2408) типа ручной электрической дрели. Диск 6 (рис. 6) прибора приводится во вращение от многооборотного высокочастотного электродвигателя 5 мощностью 0,27 квт при пользовании прибором нельзя допускать нагревания его корпуса более, чем на 25 °С сверх температуры окружающего воздуха. Вес прибора 5,7 кг. Пасту 6/7 применяют с целью профилактики при хорошем состоянии покрытия и для восстановления его блеска. Этой пастой можно полировать вручную, как и пастой № 290, или электродрелью, применяя диск с цигейкой, с последующей протиркой чистой фланелью для равномерного глянца. Кузова, окрашенные нитроцеллюлозной эмалью, полируют в два приема: вначале - шлифовочной пастой № 289 или пастой № 4/13, после обработки, которыми получается ровная полуглянцевая поверхность, а затем - пастой № 290 для получения высококачественного блестящего покрытия. Кузова, окрашенные синтетическими эмалями, полировать шлифовочными пастами нельзя.

При длительной консервации автомобиля в условиях безгаражного хранения, например, на зимний период, необходимо с помощью специальных защитных составов сохранить внешний вид лакокрасочного покрытия кузова. До нанесения защитного состава поверхность кузова должна быть хорошо промыта и насухо протерта, стекла закрыты бумагой или картоном, а пластмассовые детали и резиновые уплотнители защищены от попадания на них состава изоляционной лентой или медицинским пластырем. Состав ПС-7 (раствор лакового полимера бутилметакрилата в Уайт-спирите с добавкой желтого железоокисного пигмента) наносят тонким слоем на поверхность кузова и на хромированные детали распылением.

Рабочая вязкость состава 14-17 сек по вискозиметру В3-4 при 18-23 °С. Разбавляют состав Уайт-спиритом. Состав высыхает за 20-30 мин в естественных условиях. Защитная пленка обладает высокой твердостью, хорошо и длительно защищает лакокрасочные покрытия от атмосферных воздействий, загрязнений и легких механических повреждений. Состав удаляют тампоном из ваты или ветоши, смоченным в бензине, после чего кузов полируют чистой фланелью. Состав ПС-7 рекомендуется применять для защиты нитроцеллюлозных покрытий. Состав на основе вазелина и церезина (вазелина - 20%, церезина - 8,5%, Уайт спирита - 71,5%) наносят тонким слоем распылением. Состав разбавляют до рабочей вязкости (16-19 сек по вискозиметру ВЗ-4 при 18-23 °С) Уайт-спиритом. Время высыхания 20 - 30 мин в естественных условиях. Смывают состав ватным тампоном, смоченным Уайт-спиритом.

Данный состав можно применять для нитроцеллюлозных и синтетических покрытий, а также для хромированных деталей на срок до 3 месяцев. Пленочный защитный состав ПС-40 (раствор хлорвиниловой смолы ВХВД-40 в ксилоле с добавкой желтого железоокисного пигмента и касторового масла) наносят распылением или кистью. Рабочая вязкость состава - 65-70 сек по вискозиметру ВЗ-4 при 18 - 23 °С. Состав используется для нитроцеллюлозных и синтетических покрытий, а также хромированных деталей. Наносят его в три слоя, а в подогретом состоянии - в два. Сушка каждого слоя продолжается один час при 15 - 23 °С. Пленка легко снимается при ее подрезе. Кузов, покрытый пленкой, сохраняет свой первоначальный вид в течение года, после чего пленка теряет эластичность. Перед удалением ее необходимо поливать теплой водой (40 - 50 °С).

Уход за обивкой. Обивку из шерстяных и вискозных тканей следует чистить с помощью пылесоса или щетки. Обивку из кожзаменителей (автобима, текстовинита и других) надо отмыть теплой водой с мылом, пользуясь мягкой щеткой или капроновой губкой, затем ополоснуть чистой водой и насухо протереть. Оставшиеся после этого загрязнения удаляют чистой тряпкой, смоченной авиационным бензином или растворителем для нитроцеллюлозных эмалей (№ 646, 647, 648 или 650).

Применять щелочные растворы (соду, стиральные порошки) запрещается, так как они вызывают быстрое потускнение и разрушение кожзаменителей. Жирные и масляные пятна удаляют чистой тряпкой, смоченной одним из указанных выше растворителей или четыреххлористым углеродом, эфиром, хлороформом, бензолом, авиационным бензином и др. Лучшим растворителем является четыреххлористый углерод. Загрязнение, оставшееся после удаления жирного пятна, выводят чистой тряпкой, смоченной мыльной пеной, а затем - чистой водой. Смоляные пятна удаляют, смачивая смолу одним из следующих растворителей: хлороформом, четыреххлористым углеродом, скипидаром, ксилолом или авиационным бензином, затем лезвием тупого ножа соскабливают ее. После этого обивку обрабатывают так же, как при удалении жирных и масляных пятен.

Пятна электролита надо удалять немедленно во избежание разрушения ткани. Пятно заливают нашатырным спиртам, выжидают, пока произойдет нейтрализация кислоты, а затем протирают чистой тряпкой, смоченной холодной водой. Уход за хромированными деталями. Для поддержания хромированных поверхностей в хорошем состоянии их необходимо систематически чистить: сначала тряпкой, смоченной бензином или керосином, затем тряпкой, смоченной водой, и наконец, протирать сухой мягкой тряпкой. Коррозию, появившуюся на тех частях, где слой хрома поврежден, удаляют мелом или зубным порошком, нанесенным на мягкую сухую тряпку, а очищенное место покрывают масляным прозрачным лаком.Коррозию, появившуюся на тех частях, где слой хрома поврежден, удаляют мелом или зубным порошком, нанесенным на мягкую сухую тряпку, а очищенное место покрывают масляным прозрачным лаком.

1.5 Текущий ремонт кузова легкового авто

Замена переднего крыла - при незначительных повреждениях (небольшие вмятины, царапины и т.п.), не снимая крыла, выполняется его рихтовка и окраски. При рихтовке, обязательно проверяется состояние внутреннего антикоррозионного покрытия. При необходимости покрытие восстанавливается. При различных деформациях и разрывах крыло меняется. Для замены крыло снимают бампер, капот, антенну, переднюю дверь и осветительные приборы. Сверлом диаметром 6-7 мм высверливают точки контактной сварки сточного желобка с элементами кузова, и желобок отсоединяют тонким плоским зубилом с отогнутым концом. Шлифовальной машинкой или тонким острозаточенным зубилом рубят соединения по крылу:

* с панелью передка от фары вниз, отступив 2-3 мм от линии соединения;

* с передней стойкой боковины, отступив 5 мм от линии изгиба вертикального усилителя;

* с нижней частью боковины по вертикали, отступив от кромки крыла 25 мм.

Отсоединяют крыло, зубилом удаляют оставшиеся полоски крыла. Рихтуют деформированные кромки и зачищают посадочные места кузова и нового крыла. С полости, закрываемой крылом, удаляют грязь и ржавчину и наносят цинкохроматный грунт ГФ-073. Ставят на место капот и дверь. Новое крыло подгоняют по месту посадки, выдерживая наружные зазоры, и крепят быстросъемными захватами. Крыло приваривают газовой сваркой по концам горизонтального усилителя желобка, в местах соединения крыла с панелью передка и нижней накладкой боковины. После проверки наружных зазоров с дверью и капотом крыло приваривают контактной сваркой с шагом 40-50 мм. Замена заднего крыла - при замене крыла снимают задний фонарь, катафот и бампер. Освобождают багажник, снимают резиновый уплотнитель, топливный бак и отсоединяют электропроводку. Срубают тонким острозаточенным зубилом или срезают шлифовальной машинкой по крылу соединения:

* с аркой заднего колеса по изгибу (рис. 1), отступив от кромки края 12-15 мм;

* с полом запасного колеса (или топливного бака) по изгибу, отступив от кромки края 12-15 мм;

* с панелью задка кузова, отступив от линии соединения 2 мм;

* с панелью поперечины заднего окна, отступив от кромки изгиба 2 мм;

* с задней частью боковины до изгиба, отступив от кромки крыла 15-20 мм.

Срубают угольник соединения крыла с панелью задка верхней части горизонтальной линии, отступив от кромки угольника 15 мм. Сверлом 6-7 мм высверливают точки контактной сварки на соединении крыла с боковой панелью крыши и отсоединяют крыло. Удаляют оставшиеся полоски крыла, рихтуют деформированные каемки и зачищают посадочные места элементов кузова и нового крыла. Подгоняют новое крыло по месту посадки, прихватывают быстросъемные захватами и приваривают наружные зазоры. Приваривают газовой сваркой к нижней и задней части боковины, к панели поперечины заднего окна, боковой панель крыши, к угольнику соединения задка, к полу запасного колеса.

Проверяют посадку крыла относительно сопрягаемых поверхностей и приваривают его контактной сваркой с шагом 40-50 мм. Замена панели крыши автомобилей - в большинстве аварийных случаев с повреждениями крыши требуется ее замена. При замене панели крыши снимают накладки сточных желобков, ветровое и заднее стекла, обивку и принадлежности крыши. Новую панель кладут на крышу кузова и определяют места рубки боковых панелей и передних стоек. Отступив от края панели крыши 8мм, производят рубки по изгибам соединений с боковинами кузова, с панелями рамы ветрового окна и с поперечиной рамы заднего окна. Боковые панели крыши, рубя выше разметки на 10-15 мм. Отсоединяют панель крыши, удаляют оставшиеся полоски крыши и зачищают посадочные места кузова и новой панели. Рихтуют элементы кузова в местах соединения с панелью и подгоняют новую панель крыши по месту. В точках, показанных на рис.3 стрелками, приваривают панель крыши газовой сваркой к панели ветрового окна и боковой панели крыши. Проверяют посадку панели и контактной сваркой с шагом 40-50мм приваривают к панели рамы ветрового окна, к поперечной заднего окна и к боковинам. Газовой сваркой приваривают к боковым панелям крыши.

После сварки в зазоры между панелью и усилителями крыши наносят клей и закладывают уплотнительные прокладки из расширяющейся массы. Замена панели задка - отрубают тонким острозаточенным зубилом панель задка от пола топливного бака, пола запасного колеса, усилителя панели и удаляют оставшиеся полосками металла с усилителя панели, лонжеронов багажника и полов. Рихтуют и зачищают шлифовальной машинкой деформированные кромки.

Устанавливают новую панель и прихватывают газовой сваркой с усилителем, лонжеронами и полами топливного бака и запасного колеса в точках, показанных на рис. 1. Правильность положения панели контролируют по установке кронштейнов заднего бампера. Замена панели передка - правила замены те же самые, что и для панели задка. На рис.4 показаны места рубки, швы контактной сварки и места предварительной приварки газовой сваркой. Замена порогов дверных проемов - замену производят при снятых передних и задних крыльях. Замену усилителя 2 выполняют при наличии деформации или сквозной коррозии. Срубают панель 3 порога тонким зубилом. Удаляют оставшиеся полоски металла, зачищают кромки шлифовальной машинкой. Размечают новую панель порога под центральную сойку, подгоняют панель по месту и закрепляют быстросъемным захватом. Приваривают панель в крайних точках газовой сваркой. Устанавливают двери и проверяют наружные зазоры с кузовом. Величина зазора должна быть (5±2)мм. Выступание или западание порога относительно двери не должно выть более 3 мм. Ремонт стоек кузова - На стойках кузова в процессе эксплуатации могут появиться трещины, которые значительно снижают жесткость силовых элементов кузова. Наиболее вероятные места образования трещин:

* в верхнем усилителе центральной стойки;

* по стыку накладки стойки ветрового окна с верхней накладкой боковины;

* в верхнем радиусе проема передней двери;

* в основании стойки ветрового окна в проеме передней двери с наружной или внутренней стороны.

Восстанавливают места образования трещин приваркой внахлестку швом усилительных накладок из листовой стали толщенной 0,9-1,0 мм. Усилительные накладки должны повторять контуры зоны прилегания. При ремонте усилительные накладки привариваю прерывистым швом по продольным сторонам, а в отверстиях электродуговой сваркой в среде углекислого газа. Сварочные швы тщательно зачищают, грунтуют и красят в цвет кузова.

Ремонт навесных элементов кузова

Снятие и установка дверей - открывают дверь до упора и плоскогубцами отсоединяют от стойки ограничитель открывания двери 1. Придерживая дверь, ударной отверткой 4 вывертывают винты крепления 3 петель 2 к стойке кузова и снимают дверь. При установке двери передокончательны затягиванием винтов крепления, регулируют смещением относительно очерченных контуров петель зазоры между дверью и кузовом. Регулировка замков дверей - перед регулировкой очерчивают контуры фиксатора замка на стойке кузова. Если дверь закрывается слишком туго, ослабляют болты крепления фиксатор, смещают его наружу и затягивают болты. Если дверь закрывается слабо, смещают фиксатор внутрь. При этом не должно быть выступания или западания двери относительно кузова. Если дверь при закрывании опускается, фиксатор приподнимают. Если приподнимается, фиксатор опускается. При плохом отпирании двери внутренней ручкой регулируют положение внутренней ручки. Для этого ослабляют винты крепления кронштейна ручки, передвигают его вместе с ручкой положения и затягивают винты. Ремонт защелок дверей - если на автомобиле начинают плохо открываться, и закрываться двери из-за износа зубьев защелок, их можно восстановить. Если изношена только передняя часть зубьев или только одно из них можно перевернуть защелку, из правой делать левую.

При этом надо удалить часть стенки, несколько уменьшить ширину капронового сухарика, чтобы он не задевал стойку, и рассверлить отверстия под головки болтов крепления. Возможен ремонт с помощью латунных пластинок. Зубья обрабатываются напильником на нужную глубину, а пластинки-накладки прикрепляются винтами с головками в набор. Известен способ ремонта защелки когда с торцов зубьев просверливается отверстие в которое запрессовывают, обрезки стального прутка с последующей обработкой по форме зубьев.

Можно спилить сработавшуюся часть защелки, изготовить из латуни или бронзы новую гребенку и соединить детали болтами с потайными головками. Регулировка стеклоподъемника - снимают обивку двери и опускают стекло вниз. Ослабляют винты прижимной пластины. Затем опускают стекло до упора, повертывают ручку стеклоподъемника в направлении опускания стекла до предела, а затем на пол-оборота, а обратном направлении. При таком положении стекла и троса закрепляют трос в обойме. Этим обеспечивается точное перемещение стекла. Плавность работы механизма регулируется натяжением троса привода с помощью передвижения натяжного ролика.

Снятие и установка капота - открывают капот и отсоединяют упор от кронштейна на кузове. Отвертывают болты крепления петель к капоту и снимают капот. Установку капота выполняют в обратном порядке. Капот в проеме кузова должен располагаться с зазором по периметру (4,5±2) мм. При регулировке очерчивают контуры петель и ослабляют крепления петель. За счет увеличенных отверстий в петлях регулируют положение капота и затягивают окончательно болты петель.

Регулировка замка капота - в случаях надежного запирания капота или повышенного усилия при отпирании регулируют положение замка. При открытом капоте очерчивают контуры корпуса замка и ослабляют гайки крепления. За счет увеличенных отверстий передвигают корпус в нужном направлении, затягивают гайки и проверяют действие замка.

Ремонт обшивки салона - используя свойства смешиваемых грунтовок и красок, а также специальную наждачную бумагу для шлифовки поверхностей, можно отреставрировать любую пластиковую поверхность в салоне. Прежде чем начать ремонт обшивки дверей, заклейте дыру с обратной стороны куском плотного материала. Это не даст наполнителю просесть или растечься по поверхности. Маленькие дырочки заделываются с помощью цветной шпатлевки.

При ремонте обязательно учитывается цвет и структуру поверхности.

Работа выполняется в следующем порядке:

. Зарубины на краях отверстий должны быть удалены острым ножом. Если останется краска, то после ремонта дыры будут видны неровности.

. Остатки грязи или жира не дадут шпатлевке и краске надежно закрепиться.

Нужное количество наполнителя смешайте с дополнительными компонентами, затем, разминая пальцами, доведите до однородной массы.

. Заполните дырку, оставив немного места для краски. Когда масса затвердеет, зачистите ее шкуркой.

. Смешайте краски и подберите наполнитель, после чего нанесите цветную массу, не оставляя комков.

. Выберите нужную фактурную бумагу из блока. Зафиксируйте ее на ремонтируемом участке панели.

. Металлическим штампом, разогретым на утюге, прижмите бумагу в месте ремонта.

. Дайте остыть.

Устранение коррозии и антикоррозийная обработка

Для защиты стали от коррозии необходимо создать барьер между ее поверхностью и окружающей средой. Раньше производители автомобилей применяли для защиты стальных панелей лишь покраску; этого считалось вполне достаточно для сдерживания коррозии. В настоящее время все автопроизводители производят кузова своих автомобилей с гораздо более эффективной антикоррозийной защитой.

Как происходит коррозия - процесс коррозии происходит в результате протекания электрического тока. Как и в аккумуляторе, при этом присутствуют электролит (в качестве него выступает вода с растворенными в ней солями) и кислород. В аккумуляторе ионы перемещаются от положительного полюса (анода) к отрицательному полюсу (катоду); анод при этом разрушается. Если этот процесс происходит в стали, она ржавеет. Процесс коррозии не может происходить, если к металлической поверхности нет доступа воде, кислороду и электролиту, но если хотя бы один из вышеперечисленных компонентов присутствует (при температурах выше нуля), он начинается. Грязь вместе с солями, промышленные загрязнения и почва, содержащая сельскохозяйственные химикаты, вызывают интенсивную коррозию кузова вашего автомобиля.

Устранение коррозии - наиболее эффективные меры, предупреждающие коррозию, принимаются в процессе производства автомобиля, когда его внутренние части наиболее доступны. Для автомобиля, находящегося в эксплуатации, существуют два способа защиты от коррозии скрытых полостей и днища. Первый способ состоит в очистке днища от грязи минимум два раза в год; это эффективно выполняется на станции технического обслуживания при использовании пара под давлением. При обработке паром под давлением происходит удаление грязи и химикатов, способствующих коррозии, из всех полостей днища. Также необходимо удалять отколовшиеся частички краски или герметизирующего состава, так как оставленные на месте, они способствуют усилению коррозии. Очевидно, что очень важно проверить эти места после мойки автомобиля, а затем восстановить поврежденную поверхность (подкрасить, зашпаклевать).

Очистку днища кузова от грязи можно также производить в домашних условиях, водой, при помощи специально изготовленного приспособления, состоящего из шланга и медной трубки диаметром 15 мм. Конец трубки следует расплющить для придания струе нужного напора. Второй способ предохранения от коррозии пригоден для боковых полостей автомобиля. Он состоит в распылении моторного масла, что необходимо делать ежегодно. Эту операцию следует производить сразу же после удаления грязи, но предварительно дав высохнуть боковым полостям. Масло хорошо задерживается на месте покрытия при попадании на поверхность пыли и грязи, а образовавшаяся корка крепко держится и препятствует распространению коррозии.

Тем не менее, например, на внутренней части крыла (над колесом) масляный слой будет быстро разрушен под воздействием гравия, выбрасываемого из-под колес. В подобных местах следует использовать либо герметик, либо смесь, состоящую из 9 частей герметика на 1 часть масла. Эффективность распыления масла на днище автомобиля доказана практикой. Но есть две тонкости, о которых необходимо всегда помнить. Первая состоит в том, что если внутренние части полостей не обработаны подобным образом, то поверхности проржавеют изнутри. Вторая: необходимо обрабатывать всю поверхность днища целиком, так как даже если оставить небольшую необработанную область, то она будет подвержена более интенсивной коррозии, чем при полном отсутствии антикоррозийных мер. Антикоррозийная обработка - одним из наиболее эффективных способов защиты автомобиля от коррозии является заполнение всех внутренних полостей ингибитором на основе воска или масла.

Несмотря на то, что эту работу рекомендуется поручить специалисту, она может быть выполнена на достаточно качественном уровне и самим владельцем автомобиля с минимальным набором инструментов. Перед выполнением работы убедится в том, что выбранная жидкость достаточно текучая, чтобы полностью заполнить закрытые полости. Если жидкость густая, её можете разбавить с соответствующим растворителем. Детально изучите кузов вашего автомобиля с помощью соответствующего чертежа. В крайнем случае, обойдите вокруг автомобиля, внимательно изучите его устройство, обратив особое внимание на полые секции, идущие вдоль днища. Убедитесь, что вы приобрели подходящие инструменты, дрель для высверливания необходимых отверстий, через которые будет подаваться ингибитор, и нужное количество заглушек, для того, чтобы закрыть все эти отверстия. В некоторых наборах для антикоррозийной обработки имеются все из вышеперечисленных инструментов, а в некоторых - нет.

Восстановление поврежденного противокоррозионного покрытия кузова.

Производится с целью защиты его элементов от коррозионного повреждения и производится путем нанесения защитных составов. Основными методами нанесения являются метод воздушного распыления, при котором через пистолет-распылитель проходит струя сжатого воздуха, увлекая из бачка разбавленный до необходимой вязкости противокоррозионный материал, и метод безвоздушного распыления, когда противокоррозионный материал распыляется под большим давлением. При повреждении защитного слоя днища кузова без нарушения грунтовочного слоя, поврежденное место следует промазать мастикой методом распылением или кистью. В случае глубокого повреждения защитного покрытия кузова следует промыть, очистить от ржавчины поврежденный участок и по обезжиренной поверхности нанести грунтовку или свинцовый сурик на натуральной олифе кистью или пульверизатором и просушить. После этого днище промазать антикоррозийной мастикой или тектилом, предназначенной для этой цели. Наибольшему коррозионному воздействию подвержены незащищенные полости кузова - полости стоек, порогов, дверей, а также места точечной сварки нижней части кузова. Попадающие в эти полости абразивные частицы, химические противообледенительные средства не удаляются при мойке автомобиля и ускоряют их коррозионное поражение. Обработка скрытых полостей осуществляется методом распыления при помощи пистолета - распылителя с комплектом съемных мундштуков-распылителей.

Восстановление поврежденного лакокрасочного покрытия кузова.

Царапины, сколы, отслаивания, особенно при повреждении покрытия до металла. Необходимо производить быстрее, так как это снижает защитные свойства лакокрасочного покрытия и ухудшает внешний вид автомобиля. Полное удаление лакокрасочного покрытия до металла следует производить только при полном разрушении покрытия и проведении рихтовочно-паяльных и сварочных работ. Удаляется покрытие шлифовкой, а так же методом смывки. После удаления слоя краски и грунтовки дефектный участок расшлифовывается водостойкой шкуркой с водой. При наличии ржавчины, грунтовка удаляется полностью. После этого поверхность протирают салфеткой со спиртом, затем насухо и грунтуют грунтом с сушкой 24 часа. При необходимости можно выровнять участки быстросохнущей шпатлевкой. После высыхания шпатлевку тщательно шлифуют водостойкой шкуркой. Крупные дефекты на металле следует устранять только с помощью рихтовки, пайки или напылением порошка пластмассы с последующим выравниванием шпатлевкой. По подготовленной поверхности произвести окраску.

1.6 Расчет графика прохождения ТО автомобилей

Среднесуточный пробег автомобиля Mercedes-BensS600 составляет 1000 км, категория условий эксплуатации - 1, значит, периодичность ТО-1 должна составлять:

км/1000км - 15 дней, где 15000 км - пробег для ТО-1, 1000 км - среднесуточный пробег.

Периодичность ТО-2:

км/3000км - 60 дней, где 30000 км - пробег для ТО-2, 3000 км - среднесуточный пробег.

Среднесуточный пробег автобуса ПАЗ составляет 140 км, категория условий эксплуатации - 1, значит, периодичность ТО-1 должна составлять:

км/140км - 25 дней, где 3500 км пробег для ТО-1, 140 км - среднесуточный пробег.

Периодичность ТО-2:

км/140км - 100 дней, где 14000 км - пробег для ТО-2, 140 км среднесуточный пробег.

Среднесуточный пробег автомобиля КАММАЗ составляет 420 км, категория

условий эксплуатации - 1, значит, периодичность ТО-1 должна составлять:

км/420 км - 7 дней, где 3000 км - пробег для ТО-1, 420 км - среднесуточный пробег

Периодичность ТО-2:

км/420 км - 29 дней, где 12000 км - пробег для ТО-2, 420 км - среднесуточный пробег

Для всех автомобилей СО проводить в апреле и ноябре совмещая с очередным ТО-2.

Таблица

Автомобили

Средне суточный пробег км

Категория условий эксплуатации

Январь

Февраль

Март

Апрель

Май

Июнь

Mercedes-Bens W-140 S600

1000

1

ТО-1 15.01.13 31.01.13 ТО-2 NO

ТО-1 15.02.13  ТО-2 NO

ТО-1 01.03.13 15.03.13 ТО-2 15.03.13

ТО-1 01.04.13 15.04.13 30.01.13 ТО-2 no СО 15.04.13

ТО-1 15.05.13 30.05.13 ТО-2 NO

ТО-1 15.06.13 30.06.13 ТО-2 15.06.13

ПАЗ

250

I

ТО-1 3,19

ТО-1 5,21

ТО-1 2,19 ТО-2 2

ТО-1 4,20

ТО-1 7,23 ТО-2 23

ТО-1 4,20

КАММАЗ

400

II

ТО-1 3,10,17,24,31 ТО-2 31

ТО-1 7,14,21,28 ТО-2 28

ТО-1 7,14,21,28 ТО-2 28

ТО-1 4,11,18,25 ТО-2/СО 25

ТО-1 2,10,17,24,31 ТО-2 24

ТО-1 7.14,21,28 ТО-2 21


Автомобили

Категория условий эксплуатации

Июль

Август

Сентябрь

Октябрь

Ноябрь

Декабрь

Mercedes-Bens W-140 S600

700

I

ТО-1 15.07.13 31.07.13 ТО-2 NO

ТО-1 15.08.13 31.08.13 ТО-2 NO

ТО-1 15.09.13 30.09.13 ТО-2 15.09.13

ТО-1 15.10.13 31.10.13 ТО-2  NO

ТО-1 15.11.13 30.11.13 ТО-2 NO СО 15.11.13

ТО-1 15.12.13 ТО-2 NO

ПАЗ

250

I

ТО-1 6,23 ТО-2 23

ТО-1 8,24

ТО-1 3,19 ТО-2 19

ТО-1 5,22

ТО-1 7.23 ТО-2/СО 23

ТО-1 3,19

КАММАЗ

400

II

ТО-1 5,12,19,26 ТО-2 19

ТО-1 2,9,16,23, 30 ТО-2 16

ТО-1 6,13.20,27 ТО-2 13

ТО-1 4,11,18,25 ТО-2 11

ТО-1 1,8,15,22, 29 ТО-2/СО 8

ТО-1 6.13,20,27 ТО-2 6


2.       Охрана труда при выполнении технического обслуживания и ремонтных работ

ТО и ТР необходимо выполнять в специально предназначенных для этой цели местах (постах) с применением устройств, приспособлений, оборудования и слесарно-монтажного инструмента, предусмотренных для конкретного вида работы. Слесарно-монтажные инструменты, применяемые на постах ТО и ТР., должны быть исправными. Не допускаются использование гаечных ключей с изношенными гранями и несоответствующих размеров, применение рычагов для увеличения усилий затягивания резьбового соединения, а также зубила и молотка в этих целях. Рукоятки отверток, напильников, ножовок должны быть изготовлены из пластмассы или дерева, на их поверхностях не должно быть сколов. Деревянные рукоятки во избежание раскалывания должны иметь металлические скрепляющие кольца.

Для осмотра автомобилей необходимо применять только переносные безопасные лампы напряжением 36 В. с предохранительными сетками. При работе в осмотровых канавах напряжение ламп не должно превышать 12 В. Ручные электроинструменты присоединять к электросети только через розетки с заземляющим контактом. Провода электроинструмента подвешивать, не допуская соприкосновения их с полом. Перед установкой на пост ТО и ТР. автомобили следует очистить от грязи и вымыть. Автомобиль, установленный на напольный пост ТО и ТР., необходимо надежно закрепить путем подстановки не менее двух упоров под колеса, затормозить стояночным тормозом. При этом рычаг переключения коробки передач должен быть установлен в положение, соответствующее низшей передаче. На автомобилях с карбюраторным двигателем или с газобаллонной установкой следует выключить зажигание, а на автомобилях с дизельным двигателем - перекрыть подачу топлива. На рулевое колесо необходимо навесить табличку с надписью «Двигатель не запускать: работают люди!» При обслуживании автомобиля с помощью подъемника на механизме управления подъемником следует вывесить табличку с надписью «Не трогать, работают люди!»

В рабочем положении упорные лапы подъемника должны быть надежно зафиксированы металлическим упором, предотвращающим самопроизвольное опускание автомобиля на подъемнике. Осмотровые канавы должны иметь направляющие предохранительные борта-реборды и содержаться в чистоте. Не допускаются разлив масла и наличие сырости на дне и стенах канавы. При работе с высоко расположенными деталями, агрегатами и механизмами автомобиля следует применять только металлические подпоры, которые должны быть устойчивыми, прочными, надежными. Подъем и транспортирование узлов и агрегатов массой более 20 кг осуществлять только с помощью подъемно-транспортных механизмов, используя специальные приспособления по схеме захвата объекта, предусмотренной для данного вида работ.

Выводы и рекомендаций

Я изучил данный мне материалы.

Противокоррозионную обработку днища и скрытых полостей кузова рекомендуется производить сразу же при обретении автомобиля, а затем периодически примерно один раз в 2 года.

Для защиты кузова от коррозии при изготовлении кузова применяются следующие меры:

·              снижение до минимума фланцевых соединений, острых кромок и углов

·              устранение зон, где могут скапливаться пыль и влага

·              выполнение отверстий для предварительной антикоррозионной обработки и обработки методом электрофореза

·              обеспечение доступности к элементам кузова для ввода ингибиторов коррозии

·              обеспечение вентиляции полых элементов

·              предотвращение проникновения пыли и влаги в скрытые полости

·              выполнение дренажных отверстий

·              снижение до минимума зон, подвергающихся воздействию ударов камней

·              покрытие нижней части кузова и тех частей кузова, которые в наибольшей степени подвержены коррозии (двери и силовые элементы в передней части автомобиля) специальными защитными средствами

кузов легковой автомобиль ремонт

Список используемой литературы

1.       Кузовные работы. Легковой автомобиль: учебное пособие/ Ю.Т. Чумаченко, А.А. Федорченко. - Изд. 2-е, дополнено и переработано- Ростов н/Д: Феникс, 2009.

2.       Кузовной ремонт легковых автомобилей - Мн.: "Автостиль", 2010. http://www.glav-doroga.ru

.        http://ustroistvo-avtomobilya.ru/kuzov/obshhee-ustrojstvo-kuzova/

.        http://www.avto-sistemy.ru/post-kuzov_legkovogo_avtomobilya.ht

Похожие работы на - Ремонт кузова легкового авто

 

Не нашли материал для своей работы?
Поможем написать уникальную работу
Без плагиата!
Без нейросетей!