|
Монтажна марка
|
Серія або ГОСТ
|
Марка по серії або ГОСТу
|
Кількі-сть, шт
|
Бетон, м3
|
Вага, т
|
Примітка
|
|
Фундаментні подушки
|
|
Ф 16
|
Серія 1.112-5
|
ФЛ 16.24-2
|
12
|
0,987
|
2,47
|
-
|
|
Ф 12
|
Серія 1.112-5
|
ФЛ 12.24-2
|
43
|
0,703
|
1,76
|
-
|
|
Ф 12/2
|
Серія 1.112-5
|
ФЛ 12.12-2
|
8
|
0,347
|
0,87
|
-
|
|
Ф 10
|
Серія 1.112-5
|
ФЛ 10.24-1
|
2
|
0.608
|
1.52
|
|
|
Ф 10/2
|
Серія 1.112-5
|
ФЛ 10.12-1
|
2
|
0.300
|
0.75
|
|
|
Фундаментні блоки
|
|
ФБС-1
|
ГОСТ 13579-76
|
ФБС 24.6.6
|
159
|
0,815
|
1,96
|
-
|
|
ФБС-2
|
ГОСТ 13579-76
|
ФБС 12.6.6
|
21
|
0,398
|
0,96
|
-
|
|
ФБС-3
|
ГОСТ 13579-76
|
81
|
0,293
|
0,70
|
-
|
|
Плити перекриття
|
|
ПК-1
|
Серія 1.141-1
|
ПК4 60.15-8
|
24
|
1,12
|
2,80
|
-
|
|
ПК-2
|
Серія 1.041.1-3
|
ПК 15.11АтУТ-8
|
24
|
1.28
|
3.20
|
-
|
|
ПК-3
|
Серія 1.141-1
|
ПК4 60.12-8
|
16
|
0.84
|
2.10
|
-
|
|
ПК-4
|
Серія 1.141-1
|
ПК 30.15-4Т
|
24
|
0,57
|
1.43
|
-
|
|
ПК-5
|
Серія 1.141-1
|
ПК 30.12-4Т
|
40
|
0,43
|
1,08
|
-
|
|
ПК-6
|
Серія 1.141-1
|
П 72.15-8АтУТ
|
16
|
1.34
|
3.36
|
-
|
|
ПК-7
|
Серія 1.141-1
|
П 72.12-8АтУТ
|
16
|
1.34
|
2.51
|
-
|
|
ПК-8
|
Серія 1.141-1
|
ПК42.15-6Т
|
32
|
0.79
|
1.79
|
-
|
|
ПК-9
|
Серія 1.141-1
|
ПК42.12-6Т
|
8
|
0.60
|
1.49
|
-
|
|
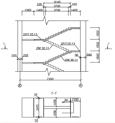
Сходові марші
|
|
СМ-1
|
Серія I-151-1
|
ЛМ 30.11.15-4
|
8
|
0,59
|
1,48
|
-
|
|
СМ-2
|
Серія I-151-1
|
ЛМ 24.11.15-4
|
2
|
0,48
|
1,19
|
-
|
|
Сходові площадки
|
|
СП-1
|
Серія I-152-1
|
2ЛП 25.13-4к
|
5
|
0,46
|
1,15
|
-
|
|
Балконні плити
|
|
БП-1
|
Серія 1.137-1-9
|
ПБК 42.12-5а
|
6
|
0,24
|
0.60
|
-
|
|
БП-2
|
Серія 1.137-1-9
|
ПОЛ11-29
|
6
|
0.15
|
0.38
|
-
|
|
Перемички
|
|
Пр-1
|
Серія 1-138-10
|
1Пр1-12.12.14
|
270
|
0,02
|
0,05
|
-
|
|
Пр-2
|
Серія 1-138-10
|
1Пр2-15.12.14
|
12
|
0,03
|
0,08
|
-
|
|
Пр-3
|
Серія 1-138-10
|
1Пр3-24.12.14
|
12
|
0,04
|
0,10
|
-
|
|
Пр-4
|
Серія 1-138-10
|
1Пр38-12.12.22у
|
36
|
0.03
|
0.08
|
-
|
|
Пр-5
|
Серія 1-138-10
|
1Пр38-15.12.22у
|
6
|
0,04
|
0,10
|
-
|
|
Пр-6
|
Серія 1-138-10
|
1Пр8-24.12.22у
|
15
|
0,07
|
0,18
|
-
|
|
|
|
|
|
|
|
|
|
|
|
залізобетонний
тинькування будинок
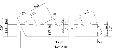
3. Розрахунок збірного
залізобетонного сходового маршу ЛМ 30.11
Розрахунок сходового маршу ЛМ 30-11
серія 1.151-1 для висоти поверху 3,0 м, шириною 105 см ребристої конструкції
(рис. 2)
.1 Вихідні дані
Бетон класу В25, розрахунковий опір
стисканню Rb=13,05 МПа, цb3=0,6, цb2=0,8,
розрахунковий опір розтягування Rbt =1,05 МПа, початковий
модуль пружності Еb=27000 МПа, модуль пружності Еs=210000
МПа, поздовжня робоча арматура попередньо напружена класу А400, діаметр 12 мм,
розрахунковий опір розтягування Rs=365 МПа
3.2 Розрахункова схема і
розрахунковий проліт
Сходовий марш спирається вільно на
консольні виступи лобових ребер сходових площадок,- отже в статичному
відношенні розглядається як консольна однопролітна балка, вільно лежача на
шарнірних опорах.
Розрахунковий проліт балки рівний
віддалі між центрами опорних площадок.
Довжина горизонтальної проекції
маршу:тм = 9·300+2·220 = 3140 мм,
Довжина горизонтальної проекції
площадок спирання:
а = 70мм,
Горизонтальна проекція
розрахункового проліту:= Iгм-2·0,5·а = 3140-2·0,5·70=3070 мм = 3,070 м
(рис. 3)
Кут нахилу маршу до горизонталі при
висоті сходинок 150 мм і ширині 300 мм:
tg б = 
= 0,5
б = 26є34'б = 0,447б = 0,8944
розрахунковий проліт по осі
маршу:
м
= 3430 мм=3,43 м
довжина маршу по осі:
м
+ 119·0,5 = 3573 мм=3,57 м
(рис. 4)
враховуючи, що кут нахилу
маршу б = 26є34' менше 30є, впливом осьових сил нехтуємо, внутрішні зусилля
визначаємо по горизонтальній проекції маршу з розрахунковим пролітом l = 3,07
м.
(рис. 5)
3.3 Визначення навантажень
Навантаження на марш
складається з постійного навантаження від власної маси маршу з огородженням і з
діючого на марш нормативного, рівномірно розподіленого, короткотривалого
навантаження 3,0 кН/м2. Обчислення навантаження на 1 м довжини
горизонтальної проекції маршу виконуємо в табл. 5
Навантаження на 1 м
горизонтальної проекції маршу, кН/м
Таблиця 5
|
Назва і підрахунок
|
Нормативне
|
Коефіцієнт надійності
|
Розрахункове
|
|
а) постійне навантаження - від власної маси
маршу, об’єм 0,6 м3 - від
огородження з поруччям (50 кг)
|
4,77 0,16
|
1,1 1,05
|
5,25 0,17
|
|
Разом постійне б) тимчасове навантаження -
короткотривале при ширині маршу 1,05 м 1,05·3,0 в) повне навантаження q = q +
p
|
qн = 4,93 Vн = 3,15 qн = 8,08
|
1,2
|
q = 5,42 V = 3,78 q = 9,2
|
.4 Статичний розрахунок (визначення
внутрішніх зусиль)
Максимальний згинальний момент в
середині проліту:
М = 
= 
= 9,63 кН·м = 963 кН·см
Максимальна поперечна сила на
опорі:
= 
= 
= 14,12 кН
(рис. 6)
.5 Розміри поперечного
перерізу
Поперечний переріз маршу
ребристої конструкції, який складається з поздовжніх ребер і монолітного з’єднання
з ними плитою, приводимо до таврового з трапецевидним ребром і полицею в
стиснутій зоні шириною рівною ширині маршу.'f = 1050 мм =105 см і
товщиною полиці b'f = 30 мм = 3 см
Рекомендована висота
поперечного перерізу:
= (7ч9) 
= (7ч9) 
= (15ч19) см
приймаємо висоту рівну
розміру ребра типового маршу:= 157 мм = 15,7 см
Ширина ребра:
в низу bн = 2·100
= 200 мм = 20 см
на рівні низу полиці bb
= 2·120 = 240 мм = 24 см
на рівні середини висоти
перерізу (без врахування полиці) b = 
= 220 мм = 22 см
(рис. 7)
при відношенні 
= 
= 0,191≥ 0,1, то вводимо в
розрахунок ширину стиснутої полиці у відповідності з вимогами СНиП 2.03.01-84
рівною ширині маршу:
'f = 105 см ≤

+ bb = 
+ 24 = 138 см
Задаємося діаметром стержнів
поздовжньої робочої арматури d = 12 мм і приймаємо товщину захисного шару
бетону до низу арматури С = 20 мм.
Відстань від центру ваги
перерізу робочої арматури до розтягнутої грані бетону:
а = с+ 
= 20+
=26мм = 2,6 см
Робоча висота перерізу:
0 =
h-a = 157-26 = 131 мм = 13,1 см
.6 Підбір поздовжньої робочої
арматури з розрахунку міцності перерізів нормальних до осі маршу
Граничне значення величини
відносно висоти стиснутої зони бетону:
оR = 
= 
= 0,604
Де характеристика стиснутої
зони бетону:= б-0,008· Rb = 0,85 - 0,008·13,05 = 0,7456
б = 0,85 для важкого бетонуb
= 13,05 МПа для бетону В25 Rb = Rb·yb =
14,5·0,9 = 13,05 МПа = 1,305 кН/см2
дSR - напруження в
арматурі, для арматури зі сталі класу А400С в ненапружених елементах рівне RS
= 365 МПа = 36,5 кН/см2
дSR = 365 МПа,
дSC,U - граничне
напруження в арматурі стиснутої зони, для елементів з важкого бетону при yb2
<1,0 рівне - 500 МПа, дSC,U = 500 МПа.
Граничне значення
коефіцієнту:
бR = оR(1-0,5
оR) = 0,604 (1-0,5·0,604) = 0,422
Момент, який сприймає переріз
при х=
U = Rb·
(h0-0,5 
) = 1,305·105·3(13,1-0,5·3) = 4768
кН·см ≥ М = 963 кН·см,
отже нейтральна вісь
проходить в полиці і переріз розраховується, як прямокутний шириною 
Розрахунковий коефіцієнт:
бm = 
= 
= 0,041 ≤ бR =
0,422
Відносна висота стиснутої
зони бетону:
о = 1-
= 1-
= 0,041 ≤ оR =
0,604
Необхідна площа поперечного
перерізу поздовжньої робочої арматури з класу А400С:
АSпотр
= о·bf'·h0
=
0,041·105·13,1·
= 2,02 см2
для А400С RS = 365
МПа = 36,5 кН/см2
В кожному ребрі маршу
встановлюється по одному плоскому каркасу з робочим стержнем 2ф12 А400С ДСТУ
3760-98,
Апр = 2,26 см2
≥ АSпотр = 2,02 см2
Висота стиснутої зони бетону
при прийнятій арматурі при умові, що А'S = 0 (тобто стиснута
арматура відсутня)
Х = 
= 
= 0,6 см ≤
= 3 см,
тобто границя стиснутої зони
проходить в полиці, як і передбачалося.
м 
·100 = 
·100 = 0,16
мmax = оR
·100 = 0,604·
·100 = 2,16
перевірка умови
мmin = 0,05 ≤
м = 0,16 ≤ мmax = 2,16
.7 Розрахунок міцності по
навкісних перерізах на дію поперечної сили
Розрахункова поперечна сила
на опорі при yf> 1,0, Q = 14,12 кН
.7.1 Перевірка необхідності
розрахунку поперечної арматури
Мінімальне поперечне зусилля,
яке сприймається бетон по навкісному перерізу:
U1 = цb3·Rbt·b·h0·(1+цf+цn),
Де для важкого бетону цb3
= 0,6
цn = 0 -
коефіцієнт, який враховує вплив поздовжніх сил, при їх відсутності рівний нулю;
цf = 0 -
коефіцієнт, який враховує вплив стиснутих поличок в таврових і двотаврових
перерізах, а для прямокутних перерізів рівний нулю;
для бетону В25 Rbt
= Rbt·yb2 = 1,05·0,9 = 0,945 МПа = 0,0945 кН/см2,
отже QU1 = цb3·Rbt·b·h0
= 0,6·0,0945·22·13,1 = 16,3 кН > Q = 14,12 кН і розрахунок поперечної
арматури не потрібний.
При висоті поперечного
перерізу h = 157 мм > 150 мм в поздовжніх ребрах конструктивно встановлюємо
поперечні стержні. При діаметрі поздовжніх робочих стержнів ф =12 мм, виходячи
з умов технології контактного зварювання приймаємо діаметр поперечних стержнів
фw = ф6 А240С АSW1 = 0,283 см2 з кроком на
опорі:W1 = 75 мм = 7,5 см ≤ 
= 
= 78,5 мм ≤ 150 мм
При кількості стержнів в
нормальному перерізі n = 2, площа поперечного перерізу стержнів АSW
= n·АSW1 = 2·0,283 = 0,566 см2.
.7.2 Розрахунок міцності по
навкісній смузі між тріщинами
Розрахунок виконується з
умови:
U2 =
0,3·цb1·цw1·Rb·b·h0 =
0,3·0,87·1,13·1,305·22·13,1 = 111 кН > Q = 14,12 кН,
отже міцність в навкісній
смузі між тріщинами забезпечена, де:
відношення модулів пружності
арматури і бетону:
б = 
= 
= 7,78
коефіцієнт поперечного
армування:
мw = 
= 
= 0,0034
- коефіцієнт, який враховує
вплив поперечної арматури на міцність елементу:
цw1 = 1+5·б·мw
= 1+5·7,78·0,0034 = 1,13 < 1,3
коефіцієнт, який враховує
зниження міцності бетону:
цb1 = 1-в·Rb
= 1-0,01·13,05 = 0,87
в = 0,01 - для важкого бетонуb
- МПа
.7.3 Визначення кроку
поперечних стержнів в середній частині проліту і довжини при опорної ділянки
Максимально допустимий крок
поперечних стержнів за формулою:
max = 
,
Де цn = 0 (див п.
4.7.1),

= 2,0 (для важкого бетону)

= 0,75 
,
так як 
= 105-22 = 83 см ≥ 3
= 3·3 = 9 см, то приймаємо

=
+ 3
= 22+3·3 = 31 см, тоді

= 0,75 
= 0,75 
= 0,07 ≤ 0,5 таким чином:
Smax = 
= 
=40,6см,
отже приймаємо крок
поперечних стержнів в середній частині проліту:
2 =
2S1 = 2·75 = 150 мм = 15 см < Smax = 40,6 см
х = 
= 
= 858 мм, приймаємо l1 =
12·75 = 900 мм
2 =
12·75 + 55 = 955 мм
в середній частині проліту l3
= 10 S2 = 10·150 = 1500 мм
Поздовжні робочі стержні і
поперечні стержні об’єднуються в плоскі зварні каркаси; діаметри монтажних
стержнів приймаємо dw = 8 А240С. Враховуючи, що довжина запуску
робочих стержнів за грані опорних консольних випусків менше 10d = 10·12 = 120
мм, передбачаємо анкетування робочих стержнів при допомозі відгинів, приварених
гаків і стержнів, які запускаємо в поперечні ребра.
(рис. 8)
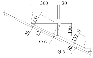
.8 Розрахунок (армування)
сходинок маршу
Сходинки зв’язані монолітно з
плитою і ребрами маршу. При розрахунку частковим защемленням в ребрах маршу
нехтуємо, сходинки розраховуємо, як вільно лежачі балки.
(рис. 9)
За розрахунковий проліт
приймаємо віддаль між осями ребер на рівні низу полиці l = b-2·0,5·bb
= 1050-2·0,5·120 = 930мм = 0,93 м
Розрахункове навантаження на
1м довжини сходинок шириною 300 мм = 0,3м
(рис. 10)
l = 
(0,03+0,5·0,132)
2500·0,01·1,1+0,3·3,0·1,2 = 1,885 кН/м, а перпендикулярне до осі маршу:
qх = ql·cos
б = 1,885·0,8944 = 1,68 
.
Згинальний момент від
розрахункового навантаження:
= 
= 
= 0,17 кН·м = 17кН·см.
Висота трикутного перерізу
перпендикулярна до осі маршу:= 30+132+9 = 171 мм = 17,1 см
При діаметрі стержнів
арматури d = 6 мм і товщині захисного шару бетону С = 10мм, віддаль від центру
ваги площі перерізу арматури до розтягнутої грані бетону а = с+
= 10+
= 13 мм = 1,3 см, а робоча висота
перерізу h0 = h-a = 171-13 = 158 мм = 15,8 см.
Ширина трикутного перерізу на
рівні краю стиснутого волокна bC = 0, на рівні центру ваги
розтягнутої арматури:
t = 
+ 
= 
+ 
= 346,7 мм 
П = 
= 
= 0
оR = 0,447
оR = 
= 
= 0,447= б - 0,008 Rb =
0,85 - 0,008·13,05 = 0,7456
бR = оR
(1-0,5 оR) = 0,447 (1-0,5·0,447) = 0,34
бm = 
= 
= 0,0015 ≤ бR =
0,34
о = 1-
= 1-
= 0,0015 ≤ оR =
0,447
Необхідна площа поперечного
перерізу арматури для одної сходинки:
АS1 = о·bt·h0·
= 0,0015·35·15,9 
= 0,03 см2 ≤ мmin·0,5·bt·h0
= =0,0005·0,5·35·15,9 = 0,139 см2
і на 1 метр довжини маршу:

= 
= 
= 0,397 см2
Приймаємо зварну сітку С 
1040·3430

= 1,42 см2 
= 0,397 см2
(рис. 11)
.9 Розрахунок маршу на
монтажно-транспортні зусилля
Для піднімання, монтування і
складування в марші запроектовані отвори ф 30 мм. Якщо приймати варіант
монтажних петель, то їх розташовуємо на місцях отворів і тоді розрахунок ведемо
так:
(рис. 12)
.9.1 Перевірка міцності
маса маршу G = 1500 кг = 15кН
(1кН = 100 кг)
навантаження від власної ваги
маршу з врахуванням коефіцієнту динамічності yq = 1,6 і коефіцієнту
надійності щодо навантаження yf = 1,1.
н = 
= 
= 4кН/м2= gн·b·yg·yf·=
4·1,05·1,6·1,1 = 7,39 кН/м2
згинальний момент консолі
к = 
= 
= 0,037 кН·м2 = 4 кН·смсер
= 
= 
= 220 мм = 22 см.
(рис. 13)
Площа поперечного перерізу
арматури:
ф8 А240С АS1 =
1,01 см2 RS = 218 МПа = 21,8 кН/см2
ф6 А240С АS2 =
0,57 см2 RS = 218 МПа = 21,8 кН/см2
Віддаль
а = с+
= 10+
= 14 мм = 1,4 см
Робоча висота перерізу:
0 =
h-a = 157-14 = 143 мм = 14,3 см.
Висота стиснутої зони:
Х = 
= 
= 1,2 см
Визначаємо, який граничний
момент може сприйняти наявна арматура:
U=
(h0-0,5X)=(
+
)(h0-0,5X)=(21,8·1,01+21,8·0,57)(14,3-0,5·1,2)
= 472 кН·см ≥ Mк = 4 кН·см, отже міцність забезпечена.
.9.2 Розрахунок монтажних
петель
Вага маршу з врахуванням
коефіцієнтів yq = 1,4; yf = 1,1
маршу = gн·l·b·yg·yf
= 4·3,57·1,05·1,4·1,1 = 23,1 кН
(або Gм = G·yg·yf
= 15·1,4·1,1 = 23,1 кН)
Площа поперечного перерізу
петлі з врахуванням можливого перехилу на дві петлі з сталі А240С RS
= 218 МПа = 21,8 кН/см2

= 
= 
= 0,53 см2
Приймаємо петлю ф10 А240С
4. Організаційно-будівельна частина
.1 Технологічна карта на виконання
тинькувальних робіт
.1.1 Підрахунок обсягів робіт по
технологічній карті
Відомість підрахунку обсягів робіт
по тинькуванню внутрішніх поверхонь стін та перегородок
Підрахунок площі тинькування
віконних і дверних відкосів
Площа тинькування віконних і дверних
відкосів:
=Pхb = (7,8х10) + (5,2х20) + (6,0х24
) + (7,40х20) + (6,40х5) + (5,80х1) + (5,10х26) = 644,40 м.п. х 0,38 = 244,9 м2
Площа тинькування віконних і дверних
відкосів: S=Pхb = 5,10х10=51, 0 м.п. х 0,25 = 12,8 м2
Площа тинькування віконних і дверних
відкосів: S=Pхb = (5,8х1) + (5,5х10) + (5,1х25) + (5,0х20) + (4,9х30) = 435,30
м.п. х0,12 = 52,2 м2
Всього площа відкосів: 309,90 м2.
.1.2 Вибір ведучого механізму.
Методи виконання робіт
В приміщеннях площею до 10 м2
тинькування виконується вручну, а в приміщеннях площею більше 10 м2
тинькування виконується механізовано.
Нанесення тинькувального розчину,
набризг, грунт, покривний шар виконується тинькувальною станцією
"Салют-3"
Розрівнювання попереднього шару
виконується правилом, півтеркою.
Затирання накривного шару
здійснюється машиною тинькувально-затиральною СО-86
Таблиця 6
|
Назва приміщення
|
Розміри приміщення, мхм
|
Площа приміщення, м2
|
Периметр приміщення, м
|
Висота приміщення, м
|
Площа фарбування стін, м2
|
Площа отворів, м2
|
Площа тинькування стін, м2
|
Площа облицювання стін, м2
|
Площа стель, м2
|
Кількість однакових приміщень, шт.
|
Загальний обсяг
|
|
|
|
|
|
|
|
|
|
|
|
Тинькування стін, м2
|
Затирання стель, м2
|
Фарбування стін, м2
|
Фарбування стель, м2
|
Облицювання стін, м2
|
Облицювання стель, м2
|
|
Кімната 1
|
4,50х3,99
|
17,96
|
16,98
|
2,78
|
-
|
7,14
|
40,06
|
-
|
-
|
10
|
400,60
|
-
|
-
|
-
|
-
|
-
|
|
Кімната 2
|
4,64х2,67
|
12,39
|
14,62
|
2,78
|
-
|
4,14
|
36,50
|
-
|
-
|
5
|
182,50
|
-
|
-
|
-
|
-
|
-
|
|
Кімната 3
|
4,41х2,61
|
11,51
|
14,04
|
2,78
|
-
|
5,70
|
33,33
|
-
|
-
|
10
|
333,30
|
-
|
-
|
-
|
-
|
-
|
|
Кухня 1
|
3,30х2,25
|
7,43
|
11,10
|
2,78
|
-
|
3,33
|
27,53
|
-
|
-
|
10
|
275,30
|
-
|
-
|
-
|
-
|
-
|
|
Санвузол 1
|
1,80х1,50
|
2,70
|
6,60
|
2,78
|
-
|
1,47
|
16,88
|
-
|
-
|
10
|
168,80
|
-
|
-
|
-
|
-
|
-
|
|
Санвузол 2
|
1,50х0,90
|
1,35
|
4,80
|
2,78
|
-
|
1,47
|
11,87
|
-
|
-
|
10
|
118,70
|
-
|
-
|
-
|
-
|
-
|
|
Коридор 1
|
8,86х1,50
|
18,99
|
27,04
|
2,78
|
-
|
13,02
|
62,15
|
-
|
-
|
5
|
310,75
|
-
|
-
|
-
|
-
|
-
|
|
Кімната 4
|
4,00х3,99
|
15,96
|
15,98
|
2,78
|
-
|
6,06
|
38,36
|
-
|
-
|
5
|
191,80
|
-
|
-
|
-
|
-
|
-
|
|
Кімната 5
|
4,41х2,41
|
10,63
|
13,64
|
2,78
|
-
|
4,14
|
33,78
|
-
|
-
|
5
|
168,90
|
-
|
-
|
-
|
-
|
-
|
|
Кухня 2
|
3,00х2,67
|
8,01
|
11,34
|
2,78
|
-
|
3,33
|
28,20
|
-
|
-
|
10
|
282,00
|
-
|
-
|
-
|
-
|
-
|
|
Санвузол 3
|
1,90х1,50
|
2,85
|
6,80
|
2,78
|
-
|
1,47
|
17,43
|
-
|
-
|
10
|
174,30
|
-
|
-
|
-
|
-
|
-
|
|
Коридор 2
|
7,24х1,50
|
11,11
|
19,88
|
2,78
|
-
|
8,82
|
46,45
|
-
|
-
|
5
|
232,25
|
-
|
-
|
-
|
-
|
-
|
|
Кімната 6
|
5,61х4,00
|
19,90
|
19,22
|
2,78
|
-
|
5,70
|
47,73
|
-
|
-
|
5
|
238,65
|
-
|
-
|
-
|
-
|
-
|
|
Коридор 3
|
4,57х1,50
|
7,28
|
14,78
|
2,78
|
-
|
6,93
|
34,16
|
-
|
-
|
5
|
170,80
|
-
|
-
|
-
|
-
|
-
|
|
Кімната 7
|
3,42х2,67
|
9,13
|
12,18
|
2,78
|
-
|
4,14
|
29,72
|
-
|
-
|
5
|
148,60
|
-
|
-
|
-
|
-
|
-
|
|
Кімната 8
|
4,41х2,41
|
10,63
|
13,64
|
2,78
|
-
|
5,70
|
32,22
|
-
|
-
|
5
|
161,10
|
-
|
-
|
-
|
-
|
-
|
|
Коридор 4
|
7,74х1,50
|
15,69
|
24,60
|
2,78
|
-
|
14,91
|
53,48
|
-
|
-
|
5
|
267,40
|
-
|
-
|
-
|
-
|
-
|
|
Коридор 5
|
5,06х1,50
|
9,83
|
16,15
|
15,93
|
-
|
50,16
|
207,11
|
-
|
-
|
1
|
207,11
|
-
|
-
|
-
|
-
|
-
|
|
Всього:
|
|
|
|
|
|
|
|
|
|
|
4115,54
|
|
|
|
|
|
|
|
|
|
|
|
|
|
|
|
|
|
|
|
|
|
|
|
|
|
|
4.1.3 Відомість підрахунку
працевитрат і зарплат
Таблиця 7
|
Обгрунтування ДБН
|
Назва будівельного процесу
|
Од. вим.
|
Обсяг роботи
|
Затрати праці
|
Склад ланки, розряд
|
Зарплата на весь обсяг грн.-коп.
|
|
|
|
|
на од. вим. люд.-год.
|
на весь об’єм люд.-год
|
|
|
|
|
Е15-61-3
|
Поліпшене штукатурення цементно-вапняним
розчином внутрішніх стін та перегородок
|
100 м2
|
41,1554
|
9233,57
|
380011
|
муляр-штукатур 4розряду, 3розряду, 2розряду.
|
1715,51
|
70603
|
|
Е15-65-1
|
Штукатурення віконних та дверних плоских
косяків по каменю і бетону
|
100 м2
|
3,099
|
1051,45
|
3258
|
муляр-штукатур 4розряду, 3розряду, 2розряду.
|
4052,2
|
12558
|
|
|
|
|
|
383269
|
|
|
83161
|
.1.4 Визначення необхідної кількості
матеріалів
Таблиця 8
|
Обгрунт ування ДБН
|
Назва роботи
|
Од. вим.
|
Обсяг роботи
|
Матеріали
|
|
|
|
|
Назва матеріалу
|
Од. вим.
|
Норма витрат
|
Загальна кількість
|
|
Е15-61-3
|
Поліпшене штукатурення цементно-вапняним
розчином внутрішніх стін та перегородок
|
100 м2
|
41,1554
|
- цвяхи будівельні з плоскою головкою 1,8х60
мм - сітка дротяна ткана з квадратними чарунками №50 без покриття - розчин готовий
опоряджуваний цементно вапняковий 1:1:6
|
т
|
0,00012
|
0,005
|
|
|
|
|
|
м2
|
5,54
|
228,00
|
|
|
|
|
|
м3
|
1,87
|
76,96
|
|
Е15-65-1
|
Штукатурення віконних та дверних плоских
косяків по каменю і бетону
|
100 м2
|
3,099
|
- розчин готовий опоряджуваний
цементно-вапняковий 1:1:6 - розчин готовий опоряджуваний вапняковий 1:2:5
|
м3
|
0,1
|
0,31
|
|
|
|
|
|
м3
|
4,30
|
13,33
|
.1.5 Визначення складу бригади
Нанесення набризгу розчинонасосом на
стіни та перегородки виконується 4 мулярами-штукатурами 4 розряду, 2
мулярами-штукатурами 3 розряду, 2 мулярами-штукатурами 2 розряду.
Нанесення ґрунту розчинонасосом на
стіни та перегородки виконується 4 мулярами-штукатурами 4 розряду, 4
мулярами-штукатурами 3 розряду, 2 мулярами-штукатурами 2 розряду.
Нанесення покривного шару
розчинонасосом на стіни та перегородки виконується 9 мулярами-штукатурами 4
розряду, 5 мулярами-штукатурами 5 розряду.
Затирання поверхні з відокремленням
кутів виконується 4 мулярами-штукатурами 4 розряду, 4 мулярами-штукатурами 3
розряду.
Бригада складається з:
мулярів-штукатурів 5 розряду,
мулярів-штукатурів 4 розряду,
мулярів-штукатурів 3 розряду,
мулярів-штукатурів 2 розряду,
Всього:31 чол.
4.1.6 Вказівки по технології і
організації будівельного процесу
.1.6.1 Готовність об’єкта і
підготовчі роботи
Підготовку поверхні починають з
перевірки площини їхньої вертикальності та горизонтальності. Якщо є відхилення
від вертикалі або горизонталі понад 40 мм, дефектні місця обтягують металевою
сіткою на цвяхах або дюбелях. Для кращого зчеплення з основою цегляні стіни
кладуть у пустошовну, бетонні поверхні або насікають, або обтягують металевою
сіткою.
Після цього поверхні, які підлягають
тинькуванню, очищають від пилу, брудних плям. Для простого тинькування
підготовка поверхні на цьому закінчується, для поліпшеного і високоякісного
тинькування треба ще поставити марки і маяки, які гарантують рівну товщину шару
тиньку, горизонтальність і вертикальність площин.
.1.6.2 Транспортування, вивантаження
і складування матеріалів і елементів
Тинькувальні суміші приготовляють
централізовано на розчино-бетонних заводах і вузлах, а як виключення на
об’єктах будівництва на тинькувально-змішувальних агрегатах.
В процесі перевезення розчин
розшаровується, щоб він був придатним для роботи, його додатково перемішують, а
при необхідності вводять добавки.
Використання і подача розчину до
робочого місця здійснюється за допомогою рухомих тинькувальних станцій, які
складаються з: приймальний бункер для розчину, розчиномішалка, вібросито, один
або два розчинонасоси з комплектом розчиношлангів, форсунки, компресор. Все обладнання
монтується на двохосьовий автомобільний причеп.
.1.6.3 Технологія будівельного
процесу
Нанесення тинькувального розчину, як
правило, виконують комплексно-механізованим методом з використанням
тинькувальних станцій або тинькувальних установок і комплекту механізованих та
ручних інструментів, пристроїв та інвентарю. Комплекс тих чи інших механізмів
та установок підбирають залежно від фронту роботи, відстані подавання розчину,
характеру об’єкта.
Тинькувальний розчин наносять на
поверхню за допомогою розпилювальних форсунок механічної та пневматичної дії
зверху стін кількома шарами (кількість шарів залежить від виду тинькування).
Кожний наступний шар тиньку наносять
лише після розрівнювання попереднього шару правилом або півтерком і тужавіння
розчину (не підлягає розрівнюванню лише набризг).
Накривний шар наносять після
тужавлення останнього шару ґрунту Після тужавіння накривного шару його
затирають електро або пневмозатиральними машинами чи загладжують металевими
гладилками відразу після нанесення розчину.
Тинькувальні роботи - це процес
покриття конструкцій або їхніх окремих елементів шаром різноманітних за складом
будівельних розчинів (мокре тинькування) або тинькувальними листами заводського
виготовлення (сухе тинькування).
Тинькувальний розчин вибирають
залежно від виду тинькування, матеріалу основи та призначення приміщення.
Міцність тинькувального розчину характеризується маркою.
Процес тинькування поверхонь
складається з таких основних операцій: підготовка поверхні, нанесення
тинькувального розчину, його розрівнювання, затирання або загладжування,
влаштування декоративних обрамлень, оформлень кутів, одвірків.
.1.6.4 Організація будівельного
процесу
Графік виконання робіт розроблений
на виконання тинькувальих робіт.
Поліпшене тинькування цементно-вапняним
розчином внутрішніх стін та перегородок загальною площею S= 4115,54м2 виконується
в одну зміну ** мулярами-штукатурами, загальною тривалістю ** дні.
Тинькування віконних і дверних
косяків цементно-вапняним розчином загальною площею S= 309,90 м2виконується
в одну зміну * мулярами-штукатурами, загальною тривалістю ** день.
4.1.6.5 Контроль якості і приймання
робіт СОКЯ
До початку тинькувальних робіт
майстер перевіряє підготовку поверхні стін, а саме очищення поверхні від пилу,
бруду, жирових та бітумних плям і солей, контроль здійснюється візуально. За
допомогою правила,рейки з рівнем майстер здійснює провішування перевіряючи
рівність поверхні стін. Майстер візуально та з допомогою метра перевіряє
встановлення нівелірних знімних марок, а саме відповідність висоти марок
товщині намету.
В процесі виконання робіт майстер
перевіряє нанесення набризгу, грунту і його розрівнювання, а саме перевірка
відповідність розчину паспорту, перевірка товщини тинькувального настилу
здійснюється за допомогою метра.
Після розрівнювання грунту майстер
за допомогою правила та рейки з рівнем здійснює перевірку рівності поверхні.
В процесі виконання розробки кутів,
стельових, рустів, обробки відкосів майстер за допомогою метра, відвісів, рівня
перевіряє відхилення від прямої, від вертикалі і горизонталі.
Допустимі відхилення поверхні від
вертикалі на всю висоту приміщення 10мм. Середня загальна товщина тинькувальної
накиді не більше 15 мм, відхилення поверхні від вертикалі на 1 м висоти.
Товщина шару накривки після її вирівнювання і затирання 2 мм. Відхилення
поверхні від горизонталі на 1 м довжини 2 мм. Не рівності, виявленні при
накладанні правила або 2 м шаблону 3 мм.
Не допускаються тріщини, раковини,
дуйки, пропуски, залишки розчину, плями, висоли, сліди затирочного інструменту,
відшарування тиньку від поверхні, проведення тинькувальних робіт із
застосуванням хлорованих розчинів в середині будови.
.1.6.6 Розрахунок ТЕП по
технологічній карті
Загальна площа тинькування
внутрішніх стін, перегородок та відкосів підрахованої по технологічній карті: V
= 4425,44 м2
Нормативна працемісткість на весь
обсяг роботи Qн = 1285,63 л-дні
Прийнята працемісткість на весь
обсяг роботи Qп = 1248,00 л-дні
Нормативна працемісткість на одиницю
виміру Qн/V = 1285,63/7918,30 = 0,162 л-дні/м3
Прийнята працемісткість на одиницю
виміру Qп/V = 1248,00/7918,30 = 0,158 л-дні/м3
Нормативна виробітка на одного
робітника в зміну V/Qн = 7918,30/1285,63 = 6,16 м3/л-дні
Прийнята виробітка на одного
робітника в зміну V/Qп = 7918,30/1248,00 = 6,34 м3/л-дні
Зарплата на весь обсяг роботи Узп=144157,00
грн.
Зарплата на одиницю виміру Узп/V
=144157,00/7918,30 = 18,21 грн.
Нормативна зарплата на одного
працівника в зміну Узп/ Qн = 144157,00/1285,63 = 112,13
грн
Прийнята зарплата на одного
працівника в зміну Узп/ Qп = 144157,00/1248,00 = 115,51
грн
Продуктивність праці нормативна Пн
= 100%
Продуктивність праці прийнята Пп
= (Qн/Qп) х 100% = 1285,63/1248,00 = 103 %
.2 Календарний графік будівництва
.2.1 Визначення номенклатури обсягів
робіт
.2.1.1 Підрахунок обсягів земляних
робіт
Вихідні дані:
Довжина будинку - l = 26,30 м
Ширина будинку - b = 12,50 м
Грунт - суглинок;
Відмітка закладання фундаментів
hз.ф. = -2,92 м
Відмітка поверхні землі hп.з. =
-1,30 м
Товщина рослинного шару tр.ш. = 0,15
м
.Визначення об’єму зрізання рослинного
шару:
(рис. 14)
а) довжина зрізання рослинного шару:
р.ш. = lбуд. +20 + 20 = 26,30 + 20 +
20 = 66,30 м
б) ширина зрізання рослинного шару:
р.ш. = bбуд. + 40 + 10 = 12,50 + 40
+ 10 = 62,50 м
в) площа зрізання рослинного шару:
р.ш. = Lр.ш. · Bр.ш. = 66,30 · 62,50
= 4143,8 м2
г) об’єм зрізання рослинного шару:
Vр.ш. = Sр.ш. · tр.ш. = 4143,8 ·
0,15 = 621,6 м3
. Визначення об’єму котловану:
а) глибина котловану:
= Hп.з. - Нз.ф. = -1,30 - (-2,92) =
1,62 м
Грунт - суглинок.
При глибині котловану до 3м - модуль
укосу буде дорівнювати = 0,5
(рис. 15)
б) довжини котловану по низу:
(рис. 16)
= l1 + вфп + вфп +0,3+0,3
= 25,8 + 0,3 + 0,3 + 0,3 + 0,3 = 27,0 м
в) довжина котловану по верху
= l +2 mh = 27,0 + 2 · 0,5 · 1,62 =
28,62 м
г) ширину котловану по низу:
(рис. 17)
= b1 + вфп + вфп + 0,3 +
0,3 = 12,0 + 0,8 + 0,8 + 0,3 + 0,3 = 14,20 м
д) ширину котловану по верху:
= b + 2mh = 14,2 + 2 · 0,5 · 1,62 =
15,82 м
г) об’єм котловану:
Vк = 
[l·b + L·B + (l+L)(b+B)] = 
[27,0 14,2 + 28,62 15,82 + (27,0 +
28,62) (14,2 + 15,82)] = 0,27 (383,4 + 452,8 + (55,62 · 30,02) = 676,6 м3
3. Визначення об’єму призми
в'їзду в котлован:
пр.в. = 
(3b+2mh 
)(m1-m) = 
(3·3+2·0,5·1,62·
) (10-0,5) = 0,44 (9+1,62·0,95) 9,5
= 44,05 м3
де b - ширина призми в'їзду в
котлован і приймається від 3ч4м;1 - модуль природного укосу, призма
в'їзду в котлован і приймається в межах від 7-10м.
. Визначення загального
об’єму земляних робіт:
заг. = Vк. + Vпр.в = 676,6 +
44,05 = 720,65 м3
. Визначення балансу ґрунту:
а) об’єм недобору ґрунту:
нед. = 0,05 · Vзаг. =
0,05·720,65 = 36,00 м3
б) розробка ґрунту
екскаватором:
екс. = Vзаг. - Vнед. = 720,65
- 36,00 = 684,65 м3
в) об’єм ґрунту, що
розробляється екскаватором в автотранспорт:
екс. авт. = Vп.ч.б. - Vпід. =
379,2 + 39,11 - 86,2 = 332,11 м3
де Vп.ч.б. - об’єм підземної
частини будинку п. - об’єм підсипки.
Визначення довжини підземної
частини будинку:
lп.ч.б. = l1 - 0,5
bф.б. - 0,5 bф.б. = 25,8 - 0,3 - 0,3 = 25,2 м
Визначення ширини підземної
частини будинку:
п.ч.б. = b1 - b
ф.б. - b ф.б. = 12,0 - 0,3 - 0,3 = 11,4 м
Визначення об’єму підземної
частини будинку:
п.ч.б. = lп.ч.б. · bп.ч.б. ·
h = 25,2·11,4·1,32 = 379,2 м3
де h - глибина підвалів, які
знаходяться в землі, приймається:
= Hп.з - Hв.ф.п. = -1,30-
(-2,62) = 1,32 м
Визначення об’єму підсипки
п. = (lп.ч.б · bп.ч.б) · h =
(25,2 · 11,4) · 0,3 = 86,2 м3
Об’єм фундаментних подушок:
Vф.п. = 39,11 м3
г) об’єм ґрунту, що
розробляється екскаватором у відсип:
екс. від. = Vекс. - Vекс.
авт. = 684,65 - 332,11 = 352,54 м3
д) об’єм зворотнього
засипання ґрунту:
зв. зас. = Vекс. від. + Vнед.
= 352,54 + 36,00 = 388,54 м3
е) визначення об’єму ґрунту,
що зворотньо засипається бульдозером:
Vзв. зас. б. = Vзв. зас. ·
0,9 = 388,54 · 0,9 = 349,69 м3
Визначення об’єму ґрунту, що
зворотньо засипається вручну:зв. зас. в. = Vзв. зас. 0,1= Vзв. зас. - Vзв. зас.
б. = 388,54-349,69 = 38,85 м3
.2.1.1.1 Баланс земляних
робіт
Таблиця 9
|
Назва роботи
|
Од. вим.
|
Кількість
|
Відвал (відсип)
|
Вивіз
|
|
1. Зняття рослинного шару бульдозером
|
м3
|
621,60
|
-
|
621,60
|
|
2. Розроблення ґрунту екскаватором у відвал
|
м3
|
352,54
|
352,54
|
-
|
|
3. Розроблення ґрунту екскаватором у
автотранспорт
|
м3
|
332,11
|
-
|
332,11
|
|
4. Зняття недобору ґрунту вручну
|
м3
|
36,00
|
36,00
|
-
|
|
5. Зворотна засипка ґрунту
|
м3
|
388,54
|
388,54
|
-
|
.2.1.2 Відомість підрахунку обсягів
робіт по влаштуванню прорізів
Таблиця 10
|
Марка отвору
|
Розміри мхм
|
Площа отвору, м2
|
Кількість, шт
|
Загальна площа отвору, м2
|
Коефіцієнт фарбува-ння
|
Загальна площа фарбування
|
Коефіцієнт скління
|
Загальна площа скління
|
|
Вікна
|
|
В-1
|
1,50х1,50
|
2,25
|
34
|
76,50
|
2,5
|
-
|
2,1
|
-
|
|
В-2
|
1,10х1,50
|
1,65
|
40
|
66,00
|
2,5
|
-
|
2,1
|
-
|
|
|
|
Разом:
|
142,50
|
|
-
|
|
-
|
|
Двері балконні
|
|
ДБ-1
|
0,90х2,40
|
2,16
|
30
|
64,80
|
2,4
|
-
|
0,6
|
-
|
|
ДБ-2
|
0,80х2,40
|
1,92
|
5
|
9,60
|
2,4
|
-
|
0,6
|
-
|
|
|
|
Разом:
|
74,40
|
|
-
|
|
-
|
|
Двері
|
|
Д-1
|
1,60х2,10
|
3,36
|
1
|
3,36
|
2,4
|
8,06
|
-
|
-
|
|
Д-2
|
1,60х2,10
|
3,36
|
1
|
3,36
|
2,4
|
-
|
-
|
-
|
|
Д-3
|
0,90х2,10
|
1,89
|
20
|
37,80
|
2,4
|
90,72
|
-
|
-
|
|
Д-4
|
1,30х2,10
|
2,73
|
10
|
27,30
|
2,4
|
65,52
|
0,6
|
16,38
|
|
Д-5
|
0,90х2,10
|
1,89
|
40
|
75,60
|
2,4
|
181,44
|
0,6
|
45,36
|
|
Д-6
|
0,80х2,10
|
1,68
|
20
|
33,60
|
2,4
|
80,64
|
0,6
|
20,16
|
|
Д-7
|
0,70х2,10
|
1,47
|
30
|
44,10
|
2,4
|
105,84
|
-
|
-
|
|
Д-8
|
0,90х2,10
|
1,89
|
1
|
1,89
|
2,4
|
4,54
|
-
|
-
|
|
|
|
Разом:
|
227,01
|
|
536,76
|
|
81,90
Таблиця 11
|
Назва приміщення
|
Розміри мхм
|
Площа приміщення, м2
|
Вид покриття
|
Кількість, шт
|
Загальна площа підлог, м2
|
|
|
на відм. 0,000
|
|
|
Кімната 1
|
4,50х3,99
|
17,96
|
паркет (таб. 3 тип 1)
|
2
|
35,92
|
|
|
Кімната 2
|
4,64х2,67
|
12,39
|
паркет (таб. 3 тип 1)
|
1
|
12,39
|
|
|
Кімната 3
|
4,41х2,61
|
11,51
|
паркет (таб. 3 тип 1)
|
2
|
23,02
|
|
|
Кухня 1
|
3,30х2,25
|
7,43
|
керам. плитка (таб. 3 тип 2)
|
2
|
14,86
|
|
|
Санвузол 1
|
1,80х1,50
|
2,70
|
керам. плитка (таб. 3 тип 2)
|
2
|
5,40
|
|
|
Санвузол 2
|
1,50х0,90
|
1,35
|
керам. плитка (таб. 3 тип 2)
|
2
|
2,70
|
|
|
Коридор 1
|
8,86х1,50
|
18,99
|
паркет (таб. 3 тип 1)
|
1
|
18,99
|
|
|
Балкон 1
|
3,60х1,10
|
3,96
|
керам. плитка (таб. 3 тип 5)
|
3
|
11,88
|
|
|
Лоджія 1
|
2,50х1,20
|
1,52
|
керам. плитка (таб. 3 тип 5)
|
1
|
1,52
|
|
|
Кімната 4
|
4,00х3,99
|
15,96
|
паркет (таб. 3 тип 1)
|
1
|
15,96
|
|
|
Кімната 5
|
4,41х2,41
|
10,63
|
паркет (таб. 3 тип 1)
|
2
|
21,26
|
|
|
Кухня 2
|
3,00х2,67
|
8,01
|
керам. плитка (таб. 3 тип 2)
|
2
|
16,02
|
|
|
Санвузол 3
|
1,90х1,50
|
2,85
|
керам. плитка (таб. 3 тип 2)
|
2
|
5,70
|
|
|
Коридор 2
|
7,12х1,50
|
11,11
|
паркет (таб. 3 тип 1)
|
1
|
11,11
|
|
|
Лоджія 2
|
2,20х1,20
|
1,34
|
керам. плитка (таб. 3 тип 5)
|
1
|
1,34
|
|
|
Лоджія 3
|
4,87х1,20
|
2,92
|
керам. плитка (таб. 3 тип 5)
|
1
|
2,92
|
|
|
Кімната 6
|
5,61х4,00
|
19,90
|
паркет (таб. 3 тип 1)
|
1
|
19,90
|
|
|
Коридор 3
|
4,44х1,50
|
7,28
|
паркет (таб. 3 тип 1)
|
1
|
7,28
|
|
|
Кімната 7
|
3,42х2,67
|
9,13
|
паркет (таб. 3 тип 1)
|
1
|
9,13
|
|
|
Коридор 4
|
7,74х1,50
|
15,69
|
паркет (таб. 3 тип 1)
|
1
|
15,69
|
|
|
Коридор 5
|
5,06х1,51
|
10,95
|
керам. плитка (таб. 3 тип 5)
|
1
|
10,95
|
|
|
на відм. +3,000; +6,000; +9,000;+12,000
|
|
|
Кімната 1
|
4,50х3,99
|
17,96
|
паркет (таб. 3 тип 3)
|
8
|
143,68
|
|
|
Кімната 2
|
4,64х2,67
|
12,39
|
паркет (таб. 3 тип 3)
|
4
|
49,56
|
|
|
Кімната 3
|
4,41х2,61
|
11,51
|
паркет (таб. 3 тип 3)
|
8
|
92,08
|
|
|
Кухня 1
|
3,30х2,25
|
7,43
|
керам. плитка (таб. 3 тип 4)
|
8
|
59,44
|
|
|
Санвузол 1
|
1,80х1,50
|
2,70
|
керам. плитка (таб. 3 тип 4)
|
8
|
21,6
|
|
|
Санвузол 2
|
1,50х0,90
|
1,35
|
керам. плитка (таб. 3 тип 4)
|
8
|
10,80
|
|
|
Коридор 1
|
8,86х1,50
|
18,99
|
паркет (таб. 3 тип 3)
|
4
|
75,96
|
|
|
Балкон 1
|
3,60х1,10
|
3,96
|
керам. плитка (таб. 3 тип 5)
|
12
|
47,52
|
|
|
Лоджія 1
|
2,50х1,20
|
1,52
|
керам. плитка (таб. 3 тип 5)
|
4
|
6,08
|
|
|
Кімната 4
|
4,00х3,99
|
15,96
|
паркет (таб. 3 тип 3)
|
4
|
63,84
|
|
|
Кімната 5
|
4,41х2,41
|
10,63
|
паркет (таб. 3 тип 3)
|
8
|
85,04
|
|
|
Кухня 2
|
3,00х2,67
|
8,01
|
керам. плитка (таб. 3 тип 4)
|
8
|
64,08
|
|
|
Санвузол 3
|
1,90х1,50
|
2,85
|
керам. плитка (таб. 3 тип 4)
|
8
|
22,80
|
|
|
Коридор 2
|
7,12х1,50
|
11,11
|
паркет (таб. 3 тип 3)
|
4
|
44,44
|
|
|
Лоджія 2
|
2,20х1,20
|
1,34
|
керам. плитка (таб. 3 тип 5)
|
4
|
5,36
|
|
|
Лоджія 3
|
4,87х1,20
|
2,92
|
керам. плитка (таб. 3 тип 5)
|
4
|
11,68
|
|
|
Кімната 6
|
5,61х4,00
|
19,90
|
паркет (таб. 3 тип 3)
|
4
|
79,60
|
|
|
Коридор 3
|
4,44х1,50
|
7,28
|
паркет (таб. 3 тип 3)
|
4
|
29,12
|
|
|
Кімната 7
|
3,42х2,67
|
9,13
|
паркет (таб. 3 тип 3)
|
4
|
36,52
|
|
|
Коридор 4
|
7,74х1,50
|
15,69
|
паркет (таб. 3 тип 3)
|
4
|
62,76
|
|
|
Коридор 5
|
5,06х1,51
|
9,83
|
керам. плитка (таб. 3 тип 5)
|
4
|
39,32
|
|
|
Підвал
|
|
Підвал
|
25,80х12,00
|
226,79
|
Бетонна стяжка (таб. 3 тип 6)
|
1
|
226,79
|
|
|
Горище
|
|
Горище
|
25,80х12,0
|
264,12
|
Цем.-піщанна стяжка (таб. 3 тип 7)
|
1
|
264,12
|
|
|
|
|
|
Всього тип 1
|
|
190,65
|
|
|
|
|
|
Всього тип 2
|
|
44,68
|
|
|
|
|
|
Всього тип 3
|
|
762,60
|
|
|
|
|
|
Всього тип 4
|
|
178,72
|
|
|
|
|
|
Всього тип 5
|
|
138,57
|
|
|
|
|
|
Всього тип 6
|
|
226,79
|
|
|
|
|
|
Всього тип 7
|
|
264,12
|
|
|
|
|
|
|
|
|
|
|
|
|
|
|
|
|
|
|
.2.1.4 Відомість підрахунку обсягів
робіт по тинькуванню, фарбуванню і облицюванню
Таблиця 12
|
Назва приміщення
|
Розміри приміщення, мхм
|
Площа приміщення, м2
|
Периметр приміщення, м
|
Висота приміщення, м
|
Площа фарбування стін, м2
|
Площа отворів, м2
|
Площа тинькування стін, м2
|
Площа облицювання стін, м2
|
Площа стель, м2
|
Кількість однакових приміщень, шт.
|
Загальний обсяг
|
|
|
|
|
|
|
|
|
|
|
|
Тинькування стін, м2
|
Затирання стель, м2
|
Фарбування стін, м2
|
Фарбування стель, м2
|
Облицювання стін, м2
|
Облицювання стель, м2
|
|
Кімната 1
|
4,50х3,99
|
17,96
|
16,98
|
2,78
|
47,20
|
7,14
|
40,06
|
-
|
17,96
|
10
|
400,60
|
179,6
|
472
|
179,6
|
-
|
-
|
|
Кімната 2
|
4,64х2,67
|
12,39
|
14,62
|
2,78
|
40,64
|
4,14
|
36,50
|
-
|
12,39
|
5
|
182,50
|
61,95
|
203,2
|
61,95
|
-
|
-
|
|
Кімната 3
|
4,41х2,61
|
11,51
|
14,04
|
2,78
|
39,03
|
5,70
|
-
|
11,51
|
10
|
333,30
|
115,1
|
390,3
|
115,1
|
-
|
-
|
|
Кухня 1
|
3,30х2,25
|
7,43
|
11,10
|
2,78
|
14,21
|
3,33
|
27,53
|
14,79
|
7,43
|
10
|
275,30
|
74,30
|
142,1
|
74,30
|
147,9
|
-
|
|
Санвузол 1
|
1,80х1,50
|
2,70
|
6,60
|
2,78
|
-
|
1,47
|
16,88
|
16,88
|
2,70
|
10
|
168,80
|
27,00
|
-
|
27,00
|
168,8
|
-
|
|
Санвузол 2
|
1,50х0,90
|
1,35
|
4,80
|
2,78
|
-
|
1,47
|
11,87
|
11,87
|
1,35
|
10
|
118,70
|
13,50
|
-
|
13,50
|
118,7
|
-
|
|
Коридор 1
|
8,86х1,50
|
18,99
|
27,04
|
2,78
|
75,17
|
13,02
|
62,15
|
-
|
18,99
|
5
|
310,75
|
94,95
|
375,9
|
94,95
|
-
|
-
|
|
Кімната 4
|
4,00х3,99
|
15,96
|
15,98
|
2,78
|
44,42
|
6,06
|
38,36
|
-
|
15,96
|
5
|
191,80
|
79,80
|
222,1
|
79,80
|
-
|
-
|
|
Кімната 5
|
4,41х2,41
|
10,63
|
13,64
|
2,78
|
37,92
|
4,14
|
33,78
|
-
|
10,63
|
5
|
168,90
|
53,15
|
189,6
|
53,15
|
-
|
-
|
|
Кухня 2
|
3,00х2,67
|
8,01
|
11,34
|
2,78
|
14,52
|
3,33
|
28,20
|
15,15
|
8,01
|
10
|
282,00
|
80,10
|
145,2
|
80,10
|
151,5
|
-
|
|
Санвузол 3
|
1,90х1,50
|
2,85
|
6,80
|
2,78
|
-
|
1,47
|
17,43
|
17,43
|
2,85
|
10
|
174,30
|
28,50
|
-
|
28,50
|
174,3
|
-
|
|
Коридор 2
|
7,24х1,50
|
11,11
|
19,88
|
2,78
|
55,27
|
8,82
|
46,45
|
-
|
11,11
|
5
|
232,25
|
55,55
|
276,4
|
55,55
|
-
|
-
|
|
Кімната 6
|
5,61х4,00
|
19,90
|
19,22
|
2,78
|
53,43
|
5,70
|
47,73
|
-
|
19,90
|
5
|
238,65
|
99,50
|
267,2
|
99,50
|
-
|
-
|
|
Коридор 3
|
4,57х1,50
|
7,28
|
14,78
|
2,78
|
41,09
|
6,93
|
34,16
|
-
|
7,28
|
5
|
170,80
|
36,40
|
205,5
|
36,40
|
-
|
-
|
|
Кімната 7
|
3,42х2,67
|
9,13
|
12,18
|
2,78
|
33,86
|
4,14
|
29,72
|
-
|
9,13
|
5
|
148,60
|
45,65
|
169,3
|
45,65
|
-
|
-
|
|
Кімната 8
|
4,41х2,41
|
10,63
|
13,64
|
2,78
|
37,92
|
5,70
|
32,22
|
-
|
10,63
|
5
|
161,10
|
53,15
|
189,6
|
53,15
|
-
|
-
|
|
Коридор 4
|
7,74х1,50
|
15,69
|
24,60
|
2,78
|
68,39
|
14,91
|
53,48
|
-
|
15,69
|
5
|
267,40
|
78,45
|
341,95
|
78,45
|
-
|
-
|
|
Коридор 5
|
5,06х1,50
|
9,83
|
21,34
|
15,93
|
338,24
|
50,16
|
289,79
|
8,54
|
16,15
|
1
|
289,79
|
80,75
|
338,24
|
80,75
|
8,54
|
-
|
|
Всього:
|
|
|
|
|
|
|
|
|
|
|
4115,5
|
1257,4
|
3928,4
|
1257,4
|
769,7
|
|
.2.1.5 Відомість монтажних елементів
Таблиця 13
|
Назва елементу
|
Марка загальна
|
Кількість, шт.
|
Параметри одного елементу
|
Всього по будові
|
|
|
|
Об’єм, м3
|
Маса виробу, т.
|
Маса арматури, кг.
|
Висота або Довжина, м.
|
Площа, м2
|
Об’єм, м3
|
Маса, т
|
Маса арматури, т
|
|
Фундаментні подушки
|
ФЛ 16.24-2
|
21
|
0,987
|
2,47
|
28,23
|
0,30
|
-
|
20,73
|
51,87
|
0,59
|
|
ФЛ 16.12-2
|
5
|
0,487
|
1,22
|
29,73
|
0,30
|
-
|
2,44
|
6,10
|
0,07
|
|
ФЛ 14.24-2
|
11
|
0,845
|
2,11
|
22,05
|
0,30
|
-
|
9,30
|
23,21
|
0,21
|
|
ФЛ 12.24-2
|
7
|
0,703
|
1,76
|
20,43
|
0,30
|
-
|
4,92
|
12,32
|
0,10
|
|
ФЛ 12.12-2
|
5
|
0,347
|
0,87
|
21,44
|
0,30
|
-
|
1,74
|
4,35
|
0,04
|
|
Фундаментні блоки
|
ФБС 24.6.6
|
162
|
0,815
|
1,96
|
2,90
|
0,58
|
-
|
132,03
|
317,52
|
0,38
|
|
ФБС 12.6.6
|
26
|
0,398
|
3,67
|
0,58
|
-
|
10,35
|
24,96
|
0,04
|
|
ФБС 8.6.6
|
55
|
0,293
|
0,70
|
3,98
|
0,58
|
-
|
16,12
|
38,5
|
0,06
|
|
Плити перекриття
|
ПК 60.15-8
|
90
|
1,12
|
2,80
|
5,07
|
0,22
|
9,00
|
100,8
|
252,0
|
4,11
|
|
ПК 60.12-8
|
35
|
0,84
|
2,10
|
5,08
|
0,22
|
7,20
|
29,40
|
73,50
|
1,28
|
|
ПК 54.12-8
|
10
|
0,76
|
1,90
|
3,78
|
0,22
|
6,48
|
7,60
|
19,0
|
0,24
|
|
ПК 48.15-8
|
10
|
0,90
|
2,25
|
3,44
|
0,22
|
7,20
|
9,00
|
22,50
|
0,25
|
|
ПК 48.12-8
|
30
|
0,68
|
1,70
|
3,30
|
0,22
|
5,76
|
20,40
|
51,0
|
0,57
|
|
ПК 30.15-8
|
3
|
0,57
|
1,43
|
3,37
|
0,22
|
4,50
|
1,71
|
4,29
|
0,05
|
|
Сходові марші
|
ЛМ30.11.15
|
8
|
0,59
|
1,48
|
16,25
|
3,03
|
-
|
4,72
|
11,84
|
0,08
|
|
ЛМ24.11.15
|
1
|
0,48
|
1,19
|
13,02
|
2,40
|
-
|
0,48
|
1,19
|
0,006
|
|
Сходові площадки
|
2ЛП 25.13
|
9
|
0,46
|
1,15
|
18,66
|
2,50
|
-
|
4,14
|
10,35
|
0,08
|
|
Балконні плити
|
ПБК 36.12
|
15
|
0,53
|
1,30
|
|
0,15
|
4,32
|
7,95
|
19,50
|
|
|
Перемички
|
1Пр1-12.12.14
|
73
|
0,02
|
0,05
|
23,00
|
0,14
|
-
|
1,46
|
3,65
|
0,03
|
|
1Пр2-15.12.14
|
40
|
0,03
|
0,08
|
18,67
|
0,14
|
-
|
1,20
|
3,20
|
0,02
|
|
1Пр3-19.12.14
|
60
|
0,03
|
0,08
|
35,33
|
0,14
|
-
|
1,80
|
4,80
|
0,06
|
|
1Пр3-24.12.14
|
20
|
0,04
|
0,10
|
50,50
|
0,14
|
-
|
0,80
|
2,00
|
0,04
|
|
1Пр4-29.12.14
|
10
|
0,05
|
0,13
|
102,6
|
0,14
|
-
|
0,50
|
1,30
|
0,05
|
|
1Пр8-20.12.22у
|
15
|
0,05
|
0,33
|
41,60
|
0,22
|
-
|
0,75
|
4,95
|
0,03
|
|
1Пр38-15.12.22у
|
50
|
0,04
|
0,10
|
84,50
|
0,22
|
-
|
2,00
|
5,00
|
0,17
|
|
1Пр38-18.12.22у
|
20
|
0,05
|
0,13
|
117,4
|
0,22
|
-
|
1,00
|
2,60
|
0,12
|
|
1Пр38-27.25.22у
|
20
|
0,15
|
0,38
|
154,75
|
0,22
|
-
|
3,00
|
7,60
|
0,46
|
|
1Пр38-29.25.22у
|
10
|
0,16
|
0,40
|
205,51
|
0,22
|
-
|
1,60
|
4,00
|
0,33
|
4.2.1.6 Відомість обсягів робіт по
муруванню стін
Таблиця 14
|
Ділянка стіни по осях
|
Довжина стіни, м
|
Висота стіна, м
|
Площа стіни, м2
|
Площа прорізів, м2
|
Площа стіни без прорізів, м2
|
Товщина стіни, м2
|
Обсяг мурування на поверх, м3
|
Обсяг мурування на всі поверхи, м3
|
|
Зовнішні стіни
|
|
Б (1-2)
|
5,39
|
3,00
|
16,17
|
7,62
|
8,55
|
0,38
|
3,25
|
16,25
|
|
А (2-6)
|
15,38
|
3,00
|
46,14
|
9,36
|
36,78
|
0,38
|
13,98
|
69,90
|
|
Б (6-7)
|
5,39
|
3,00
|
16,17
|
6,06
|
10,11
|
0,38
|
3,84
|
19,20
|
|
Г (1-7)
|
26,16
|
3,00
|
78,48
|
16,62
|
61,86
|
0,38
|
23,51
|
117,55
|
|
1 (А-Г)
|
10,38
|
3,00
|
31,14
|
2,25
|
28,89
|
0,38
|
10,98
|
54,90
|
|
2 (А-Б)
|
0,82
|
3,00
|
2,46
|
-
|
2,46
|
0,38
|
0,93
|
4,65
|
|
6 (А-Б)
|
0,82
|
3,00
|
2,46
|
1,92
|
0,54
|
0,38
|
0,21
|
1,05
|
|
7 (А-Г)
|
10,38
|
3,00
|
31,14
|
-
|
31,14
|
0,38
|
11,83
|
59,15
|
|
Б (1-2)
|
5,39
|
1,07
|
5,77
|
-
|
5,77
|
0,38
|
2,19
|
2,19
|
|
А (2-6)
|
15,38
|
1,07
|
16,46
|
-
|
16,46
|
0,38
|
6,25
|
6,25
|
|
Б (6-7)
|
5,39
|
1,07
|
5,77
|
-
|
5,77
|
0,38
|
2,19
|
2,19
|
|
Г (1-7)
|
26,16
|
1,07
|
27,99
|
-
|
27,99
|
0,38
|
10,64
|
10,64
|
|
1 (А-Г)
|
10,38
|
1,07
|
11,11
|
-
|
11,11
|
0,38
|
4,22
|
4,22
|
|
2 (А-Б)
|
0,82
|
0,88
|
-
|
0,88
|
0,38
|
0,33
|
0,33
|
|
6 (А-Б)
|
0,82
|
1,07
|
0,88
|
-
|
0,88
|
0,38
|
0,33
|
0,33
|
|
7 (А-Г)
|
10,38
|
1,07
|
11,11
|
-
|
11,11
|
0,38
|
4,22
|
4,22
|
|
Всього:
|
|
|
|
|
|
|
|
373,02
|
|
Внутрішні стіни
|
|
В (1-7)
|
25,40
|
2,78
|
70,61
|
9,45
|
61,16
|
0,38
|
23,24
|
116,20
|
|
2 (Б-В)
|
4,41
|
2,78
|
12,26
|
-
|
12,26
|
0,25
|
3,07
|
15,35
|
|
4 (А-В)
|
3,07
|
2,78
|
8,53
|
-
|
8,53
|
0,38
|
3,24
|
16,20
|
|
6-7 (Б-В)
|
4,41
|
2,78
|
12,26
|
-
|
12,26
|
0,25
|
3,07
|
15,35
|
|
3 (В-Г)
|
2,90
|
2,78
|
8,06
|
-
|
8,06
|
0,51
|
4,11
|
20,55
|
|
5 (В-Г)
|
2,90
|
2,78
|
8,06
|
-
|
8,06
|
0,51
|
4,11
|
20,55
|
|
3 (В-Г)
|
2,16
|
2,78
|
6,00
|
1,89
|
4,11
|
0,25
|
1,03
|
5,15
|
|
5 (В-Г)
|
2,16
|
2,78
|
6,00
|
1,89
|
4,11
|
0,25
|
1,03
|
5,15
|
|
В (1-7)
|
25,40
|
0,62
|
15,75
|
-
|
15,75
|
0,38
|
5,98
|
5,98
|
|
Всього:
|
|
|
|
|
|
|
|
220,48
|
|
Вентиляційні канали
|
|
1 (А-Г)
|
1,60
|
20,12
|
32,19
|
-
|
32,19
|
0,38
|
12,23
|
12,23
|
|
7 (А-Г)
|
1,60
|
20,12
|
32,19
|
-
|
32,19
|
0,38
|
12,23
|
12,23
|
|
3 (В-Г)
|
1,60
|
19,61
|
31,38
|
-
|
31,38
|
0,51
|
16,00
|
16,00
|
|
5 (В-Г)
|
1,60
|
19,61
|
31,38
|
-
|
31,38
|
0,51
|
16,00
|
16,00
|
|
4 (А-В)
|
2,54
|
19,61
|
49,81
|
-
|
49,81
|
0,64
|
31,88
|
31,88
|
|
Всього:
|
|
|
|
|
|
|
|
88,34
|
.2.1.7 Підрахунок обсягів робіт по
муруванню перегородок
Таблиця 15
|
Марка перегородки
|
Довжина перегородки, м
|
Висота перегородки, м
|
Площа перегородки з отв., м2
|
Площа отворів, м2
|
Площа перегородки без отворів, м2
|
Кількість однакових перегородок, шт
|
Загальна площа перегородки, м2
|
|
П-1
|
2,25
|
2,78
|
6,26
|
1,68
|
4,58
|
10
|
45,80
|
|
П-2
|
3,99
|
2,78
|
11,09
|
-
|
11,09
|
20
|
221,80
|
|
П-3
|
4,74
|
2,78
|
13,18
|
2,73
|
10,45
|
10
|
104,50
|
|
П-4
|
3,42
|
2,78
|
9,51
|
1,89
|
7,62
|
5
|
38,10
|
|
П-5
|
2,82
|
2,78
|
7,84
|
2,94
|
4,90
|
10
|
49,00
|
|
П-6
|
1,50
|
2,78
|
4,17
|
-
|
4,17
|
20
|
83,40
|
|
П-7
|
4,64
|
2,78
|
12,90
|
1,89
|
11,01
|
5
|
55,05
|
|
П-8
|
4,41
|
2,78
|
12,26
|
-
|
12,26
|
5
|
61,30
|
|
П-9
|
3,07
|
2,78
|
8,53
|
1,89
|
6,64
|
5
|
33,20
|
|
П-10
|
4,11
|
2,78
|
11,43
|
-
|
11,43
|
10
|
114,30
|
|
П-11
|
2,87
|
2,78
|
7,98
|
1,68
|
6,30
|
10
|
63,00
|
|
П-12
|
2,02
|
2,78
|
5,62
|
2,94
|
2,68
|
10
|
26,80
|
|
П-13
|
4,00
|
2,78
|
11,12
|
1,89
|
9,23
|
5
|
46,15
|
|
П-14
|
4,41
|
2,78
|
12,26
|
1,89
|
10,37
|
5
|
51,85
|
|
П-15
|
1,10
|
2,78
|
3,06
|
-
|
3,06
|
5
|
15,30
|
|
П-16
|
2,34
|
2,78
|
6,51
|
3,36
|
3,15
|
1
|
3,15
|
|
Всього
|
|
|
|
|
|
|
1012,70
|
.2.1.8 Зведена відомість обсягів
робіт
Таблиця 16
|
Назва роботи
|
Формула підрахунку або посилання на відомість
|
Од. вим.
|
Кількість
|
|
|
1. Підготовчий період 2. Нульовий цикл
|
|
|
|
|
|
2.1. Розробка ґрунту бульдо-зером (зрізка
рослинного ша-ру)
|
Див. п. 5.2.1.1.1, табл.9
|
м3
|
621,60
|
|
|
2.2. Розробка ґрунту екскава-тором у відсип
|
Див. п. 5.2.1.1.1, табл.9
|
м3
|
352,54
|
|
|
2.3. Розробка ґрунту екска-ватором у
автотранспорт
|
Див. п. 5.2.1.1.1, табл.9
|
м3
|
332,11
|
|
|
2.4. Розробка ґрунту вручну (зняття недобору
ґрунту)
|
Див. п. 5.2.1.1.1, табл.9
|
м3
|
36,00
|
|
|
2.5. Влаштування піщаної підготовки під
фундаменти
|
S= lxb = (26,60 х 1,80) + (26,60 х 1,60) +
(4,50 х 1,40 х 5) + (2,90 х 1,40 х 2) + (6,20 х 1,80 х 2) + (15,80 х 0,80) +
(1,70 х 1,40 х 2) = 169,8 м2 V=Sxt = 262,8 х 0,1 = 16,7 м3
|
м3
|
16,70
|
|
|
2.6. Влаштування стрічкових фундаментів, вагою
до 1,5 т
|
Див. п. 5.2.1.5, табл.13
|
шт.
|
10
|
|
|
2.7. Влаштування стрічкових фундаментів, вагою
до 3,5 т
|
Див. п. 5.2.1.5, табл.13
|
шт.
|
39
|
|
|
2.8. Монтаж фундаментних блоків, масою до 1,0
т
|
Див. п. 5.2.1.5, табл.13
|
шт.
|
81
|
|
|
2.9. Монтаж фундаментних блоків, масою більше
1,5 т
|
Див. п. 5.2.1.5, табл.13
|
шт.
|
162
|
|
|
2.10. Влаштування монолітних фундаментів
бетонних
|
V = (0,036х10) + (0,068х3) + (0,072х20) +
0,076 + (0,1008х2) + (0,108х25) + (0,115х4) + (0,14х2) + (0,18х2) = 6,20 м3
|
м3
|
6,20
|
|
|
2.11. Влаштування горизонталь-ної
гідроізоляції
|
S = lхb = (26,4х0,6х2) + (5,4х0,6х4) +
(6,50х0,6х3) + (5,10х0,60х2) + (7,50х0,6х2) + (1,0х0,6х2) = 72,7 м2
|
м2
|
72,7
|
|
|
2.12. Влаштування вертикальної гідроізоляції
|
м2
|
141,7
|
|
|
2.13. Зворотна засипка ґрунту бульдозером
|
Див. п. 5.2.1.1
|
м3
|
349,69
|
|
|
2.14. Зворотна засипка ґрунту вручну
|
Див. п. 5.2.1.1
|
м3
|
38,85
|
|
|
2.15. Ущільнення ґрунту пневмотрамбівками
|
V = Vзв.з.б + Vзв.з.в = 349,69 + 38,85 =
388,54 м2
|
м3
|
388,54
|
|
|
2.16. Монтаж плит перекриття цокольного
поверху площею до 10 м2
|
Див. п. 5.2.1.5, табл.13
|
шт.
|
35
|
|
|
2.17. Влаштування монолітних ділянок між
плитами перекриття
|
V = ((6,00х0,21) + (6,00х0,23) + (4,80х0,29х2)
+ (6,00х0,09х2) + (3,46х0,13х2))х0,22 = 7,40х0,22 = 1,63 м3
|
м3
|
1,63
|
|
|
2.18. Монтаж балконних плит та козирків
|
Див. п. 5.2.1.5, табл.13
|
шт.
|
4
|
|
2.19. Ущільнення ґрунту під підлоги підвалу
|
Див. п. 5.2.1.3, табл.11
|
м2
|
226,79
|
|
3. Надземна частина
|
|
|
|
|
3.1 Мурування зовнішніх стін
|
Див. п. 5.2.1.6, табл.14
|
м3
|
373,02
|
|
3.2. Мурування внутрішніх стін
|
Див. п. 5.2.1.6, табл.14
|
м3
|
220,48
|
|
3.3. Мурування димових каналів
|
Див. п. 5.2.1.6, табл.14
|
м3
|
88,34
|
|
3.4. Мурування перегородок, товщиною в Ѕ цегли
|
Див. п. 5.2.1.7, табл.15
|
м2
|
1012,70
|
|
3.5. Монтаж перемичок масою до 0,3 т
|
Див. п. 5.2.1.5, табл.13
|
шт.
|
288
|
|
3.6. Монтаж перемичок масою від 0,3 до 0,7 т
|
Див. п. 5.2.1.5, табл.13
|
шт.
|
30
|
|
3.7. Монтаж плит перекриття площею до 5 м2
|
Див. п. 5.2.1.5, табл.13
|
шт.
|
3
|
|
3.8. Монтаж плит перекриття площею до 10 м2
|
Див. п. 5.2.1.5, табл.13
|
шт.
|
140
|
|
3.9. Влаштування монолітних ділянок між
плитами перекриття
|
V = ((6,00х0,21) + (6,00х0,23) + (4,80х0,29х2)
+ (6,00х0,09х2) + (3,46х0,13х2) + (1,24х1,11)х0,22 = 7,40х0,22х5 = 8,15 м3 V
= (1,24х1,11)х0,22 = 0,30 м3 Vзаг = 8,15+0,30 = 8,45 м3
|
м3
|
8,45
|
|
3.10. Монтаж сходових маршів масою більше 1 т
|
Див. п. 5.2.1.5, табл.13
|
шт.
|
9
|
|
3.11. Монтаж сходових площа-док масою більше 1
т
|
Див. п. 5.2.1.5, табл.13
|
шт.
|
9
|
|
3.12. Монтаж балконних плит
|
Див. п. 5.2.1.5, табл.13
|
шт.
|
12
|
|
3.13. Мурування огородження лоджій з цегли,
товщиною 1/4 цегли
|
S = lхhхn(5,01х0,98х10) = 49,10
|
м2
|
49,10
|
|
3.14. Монтаж металевого огородження балконів
|
l = (5,94х15) = 89,10 м.п.
|
м.п.
|
89,10
|
|
3.15. Монтаж огородження сходових маршів з
поручнями
|
l = (3,3х8) + (2,3х1) = 28,7 м.п.
|
м.п.
|
28,70
|
|
3.16. Влаштування віконних блоків площею до
2,0 м2
|
Див. п. 5.2.1.2, табл.10
|
м2
|
66,00
|
|
3.17. Влаштування віконних блоків площею до
3,0 м2
|
Див. п. 5.2.1.2, табл.10
|
м2
|
76,50
|
|
3.18. Влаштування балконних блоків площею до
2,0 м2
|
Див. п. 5.2.1.2, табл.10
|
м2
|
9,60
|
|
3.19. Влаштування балконних блоків площею до
3,0 м2
|
Див. п. 5.2.1.2, табл.10
|
м2
|
64,80
|
|
3.20. Влаштування дверних блоків у стінах
площею до 3,0 м2
|
Див. п. 5.2.1.2, табл.10
|
шт. м2
|
35 66,15
|
|
3.21. Влаштування дверних блоків у стінах
площею більше 3,0 м2
|
Див. п. 5.2.1.2, табл.10
|
шт. м2
|
1 3,36
|
|
3.22. Влаштування дверних блоків у
перегородках площею до 3,0 м2
|
Див. п. 5.2.1.2, табл.10
|
шт. м2
|
86 154,14
|
|
3.23. Влаштування дверних блоків у
перегородках площею більше 3,0 м2
|
Див. п. 5.2.1.2, табл.10
|
шт. м2
|
1 3,36
|
|
3.24. Розшивка швів між плитами перекриття
|
l = (6,00х27х5) + (4,80х8х5) = 1002,00 м
|
м.п.
|
1002,0
|
|
3.25.Влаштування внутрішніх та зовнішніх
підвіконників
|
L = (1,5х34) + (1,1х40) = 95 м
|
м.п.
|
95,0
|
|
3.26. Влаштування бетонної підготовки під
підлоги підвалу
|
Див. п. 3.4.10, табл.3 Див. п. 5.2.1.3,
табл.11
|
м2
|
226,79
|
|
3.27. Влаштування бетонної стяжки у підвалі
|
Див. п. 3.4.10, табл.3 Див. п. 5.2.1.3,
табл.11
|
м2
|
226,79
|
|
3.28. Влаштування тепло- звукоізоляції з
мінераловатних плит
|
Див. п. 3.4.10, табл.3 Див. п. 5.2.1.3,
табл.11
|
м2
|
1176,65
|
|
3.29. Влаштування гідроізоляційної плівки
|
Див. п. 3.4.10, табл.3 Див. п. 5.2.1.3,
табл.11
|
м2
|
1176,65
|
|
3.30. Влаштування цементно-піщаної стяжки
|
Див. п. 3.4.10, табл.3 Див. п. 5.2.1.3,
табл.11
|
м2
|
1315,22
|
|
3.31. Влаштування бітумної гідроізоляції на
горищі
|
Див. п. 3.4.10, табл.3 Див. п. 5.2.1.3,
табл.11
|
м2
|
264,12
|
|
3.32. Влаштування тепло- звукоізоляції з
пінополістиро-льних плит на горищі
|
Див. п. 3.4.10, табл.3 Див. п. 5.2.1.3,
табл.11
|
м2
|
264,12
|
|
3.33. Влаштування стяжки з керамзитобетонуна
горищі
|
Див. п. 3.4.10, табл.3 Див. п. 5.2.1.3,
табл.11
|
м2
|
264,12
|
|
3.34. Влаштування цементно-піщаної стяжки на
горищі
|
Див. п. 3.4.10, табл.3 Див. п. 5.2.1.3,
табл.11
|
м2
|
264,12
|
|
3.35. Влаштування слухових вікон
|
---------------
|
шт
|
4
|
|
3.36. Влаштування огородження даху
|
L = 25,38 + 3,36 + 3,36 + 5,02 + 5,02 + 4,64 +
15,00 + 4,54 = 66,32 м
|
м.п.
|
66,32
|
|
3.37. Влаштування дерев’яних елементів даху
|
Мауерлат: 82,1х0,2х0,2 = 3,30м3 Верхній
прогін: 14,4х0,13х0,15 = 0,28 м3 Лежень: 14,4х0,13х0,13 = 0,25м3 Крокви:
450,3х0,04х0,16 = 2,88 м3 Діагональна нога: 46,6х0,04х 0,16 = 0,30 м3 Стояк:
55,3х0,13х0,13 = 0,93 м3 Ригель: 103,6х0,14х0,14 = 2,03 м3 Підкіс:
103,6х0,13х0,13 = 1,75м3 Кобилки:137,4х0,05х0,1 = 0,69 м3 Контрлати:490,0х0,03
= 14,7 м3 Лати: 245,0х0,03 = 7,35 м3
|
м3
|
34,5
|
|
3.38. Влаштування підшивки даху
|
S = lхb = (4,02х0,5) + (11,16х0,5) + (6,4х1,7)
+ (4,1х1,5) + (10,8х0,5) + (5,1х1,70) + (13,36х0,5) + (5,74х0,5) + (4,3х1,5)
(7,75х0,5) (5,35х1,5) = 66,6х0,025 = 1,7 м3
|
м3
|
1,70
|
|
3.39. Влаштування пароізоляційної плівки на
покрівлі
|
S = (386,0+52,0+52,0) = 490,0 м2
|
м2
|
490,0
|
|
3.40. Влаштування покриття з металочерепиці
|
S = (386,0+52,0+52,0) = 490,0 м2
|
м2
|
490,0
|
|
3.41. Влаштування водостічних труб
|
L = 16,2х8 = 129,60 м
|
м.п.
|
129,60
|
|
3.42. Влаштування корита під вимощення
|
V = Pбуд. x bвим х h = 88,60х1,0х0,125 = 11,0
м3
|
м3
|
11,00
|
|
3.43. Влаштування щебеневої підготовки під
вимощення
|
V = Pбуд. x bвим х h = 88,60х1,0х0,1 = 8,9 м3
|
м3
|
8,90
|
|
3.44. Влаштування асфальтобетонного покриття
вимощення
|
V = Pбуд. x bвим = 88,6х1,0 = 88,60 м2
|
м2
|
88,60
|
|
4. Опоряджувальні роботи
|
|
|
|
|
4.1. Скління дверних блоків
|
Див. п. 5.2.1.2, табл.10
|
м2
|
81,90
|
|
4.2. Тинькування внутрішніх стін та
перегородок
|
Див. п. 5.2.1.4, табл.12
|
м2
|
4115,50
|
|
4.3.Тинькування віконних та дверних відкосів
|
S = P х bхn = (6,00х0,20х34) + (5,20х0,2х40) +
(3,00х0,2х30) + (5,00х0,2х5) + (5,80х0,38) + (5,10х0,25х10) + (5,10х0,38х25)
+ (5,10х0,2) = 169,80 м2
|
м2
|
169,8
|
|
4.4.Суцільне вирівнювання стелі
|
Див. п. 5.2.1.4, табл.12
|
м2
|
1257,40
|
|
4.5. Облицювання стін керамічною плиткою
|
Див. п. 5.2.1.4, табл.12
|
м2
|
769,70
|
|
4.6. Полівінілацетатне фарбування внутрішніх
стін
|
Див. п. 5.2.1.4, табл.12
|
м2
|
3928,40
|
|
4.7. Полівінілацетатне фарбування стелі
|
Див. п. 5.2.1.4, табл.12
|
м2
|
1257,40
|
|
4.8. Утеплення зовнішніх стін
пінополістирольними плитами
|
S = Pбуд. х h - S отв. = (88,6х1,0) +
(82,6х15,7) - 66,0-76,5-9,6-3,36-1,89-64,8 = 1163,3 м2
|
м2
|
1163,30
|
|
4.9. Тинькування коминів
|
S = P х h = (4,22х2,82х2) + (3,96х2,90х2) +
(6,36х2,82) = 64,7 м2
|
м2
|
64,70
|
|
4.10.Грунтування та шпаклювання зовнішніх стін
|
S = Pбуд. х h = 82,6х15,7 =1296,8 м2
|
м2
|
1296,8
|
|
4.11. Фарбування зовнішніх стін фарбою
«Ceresit»
|
S = Pбуд. х h = 82,6х15,7 = 1296,8 м2
|
м2
|
1296,8
|
|
4.12. Грунтування та шпак-лювання коминів
|
S = P х h = (4,22х2,82х2) + (3,96х2,90х2) +
(6,36х2,82) = 64,7 м2
|
м2
|
64,70
|
|
4.13. Фарбування коминів фарбою «Ceresit»
|
S = P х h = (4,22х2,82х2) + (3,96х2,90х2) +
(6,36х2,82) = 64,7 м2
|
м2
|
64,70
|
|
4.14. Оздоблення цоколя фасадною плиткою
|
S = Pбуд. х h =88,6х1,0 = 88,6м2
|
м2
|
88,60
|
|
4.15. Влаштування керамічних підлог
|
Див. п. 3.4.10, табл.3 Див. п. 5.2.1.3,
табл.11
|
м2
|
361,97
|
|
4.16. Влаштування паркетних підлог
|
Див. п. 3.4.10, табл.3 Див. п. 5.2.1.3,
табл.11
|
м2
|
953,25
|
|
4.17. Влаштування керамічних плінтусів
|
Див. п. 5.2.1.3, табл.11
|
м.п.
|
513,1
|
|
4.18. Влаштування дерев’яних плінтусів
|
Див. п. 5.2.1.3, табл.11
|
м.п.
|
1188,1
|
|
4.19. Фарбування дверних блоків
|
Див. п. 5.2.1.2, табл.10
|
м2
|
536,76
|
|
4.20 Фарбування металевих поверхонь
огородження сходів та балконів
|
S = Lхh = (28,7х0,8) + (89,1х1,05) = 116,52 м2
|
м2
|
116,52
|
|
4.21. Влаштування підвісних жолобів
|
L = 26,0 + 26,0 + 11,0 + 11,0 = 74,0м
|
м.п.
|
74,0
|
|
5. Спеціальні роботи
|
|
|
|
|
5.1. Водопровід і каналізація
|
V = Vбуд.х1,50 = 6287,30.х1,50 = 9431 м3
|
100 м3
|
94,31
|
|
5.2. Опалення і вентиляція
|
V = Vбуд.х1,50 = 6287,30х1,50 = 9431 м3
|
100 м3
|
94,31
|
|
5.3. Газопостачання
|
V = Vбуд.х1,50 = 6287,30.х0,50 = 3144 м3
|
100 м3
|
31,44
|
|
5.4. Електромонтажні роботи
|
V = Vбуд.х1,50 = 6287,30.х2,00 = 12575 м3
|
100 м3
|
125,75
|
|
5.5. Низькострумні роботи
|
V = Vбуд.х1,50 = 6287,30.х0,50 = 3144 м3
|
100 м3
|
31,44
|
|
5.6. Благоустрій території
|
V = Vбуд.х1,50 = 6287,30.х1,50 = 9431 м3
|
100 м3
|
94,31
|
|
|
|
|
|
|
|
|
|
|
4.2.2 Вибір методів ведення робіт
Згідно норм тривалості, будівництво
об’єкту здійснюється в два періоди: підготовчий та основний.
Виконання будівельно-монтажних робіт
основного періоду рекомендується здійснювати трьома циклами:
роботи нульового циклу,
спорудження надземної
частини житлового будинку,
зовнішні інженерні мережі,
опорядження території.
Земляні роботи дозволяється
виконувати лише після проведення підготовчих робіт:
визначення ґрунтових
кар’єрів і резервів, а також постійних і тимчасових відвалів ґрунту,
очищення території від
дерев і кущів,
відведення поверхневих вод,
виконання геодезичних
розбивочних робіт по винесенню в натуру проекту земляних споруд і встановлення
розбивочних знаків.
зняття і складування
родючого шару ґрунту.
Земляні роботи починаються з
рекультивації рослинного шару, включаючи зняття рослинного шару товщиною 15см.
Розробка ґрунту в котловані проводиться екскаватором Э-504 обладнаним
«зворотньою лопатою» з ковшем об’ємом 0,65 м3. Вибраний з котловану
ґрунт навантажують екскаватором на автосамоскид МАЗ-503 та вивозять за межі
будівельного майданчика, а частину ґрунту у відвал для наступного використання
для зворотної засипки та на опорядження території . У важко доступних місцях
ґрунт розробляється вручну. Зачищення дна котловану проводиться вручну перед
влаштуванням фундаментів.
Зворотна засипка котловану
виконується бульдозером ДЗ-19 відразу після закінчення робіт по влаштуванню
фундаментів. Зворотна засипка ґрунту біля стін підвалу виконується після
влаштування перекриття над підвалом. Ущільнення ґрунту необхідно виконувати
пошарово пневмотрамбівками. При цьому кожний ущільнюючий прохід повинен перекривати
слід попереднього на 0,1-0,2 м.
Монтаж фундаментних подушок та
фундаментних блоків виконувати баштовим краном КБ-100 ОА. При монтажі
конструкцій виконувати постійний геодезичний контроль за відповідністю їх
положення проектному.
Збірні фундаментні подушки вкладають
на вирівняну та ущільнену піщану підготовку, товщиною 100 мм. Монолітні ділянки
між фундаментними подушками виконувати з бетону кл. В 15 з армуванням.
Стінові блоки укладаються на
цементному розчині М 75. Монолітні ділянки між блоками виконувати з бетону
клусу В 7,5.
Бетонування виконувати механізованим
способом за допомогою крана КБ -100 ОА , баддями об’ємом 0,5 - 0,75 м3
Мурування зовнішніх та внутрішніх
стін та перегородок виконується з червоної керамічної цегли. Кладка стін з
вентиляційними каналами виконується тільки з повнотілої цегли. Розчини
доставляють на об’єкт до початку їх схоплення в спеціально обладнаних машинах,
через які виключається його витікання під час перевезення і завантаження в
бункери, які мають пристрій для механічного перемішування. Цеглу доставляють на
об’єкт транспортними засобами, обладнанням і пристосуванням, які забезпечують
подачу їх на робоче місце без перевантажування. Подача цегли до робочого місця
виконується краном КБ -100 ОА.
Монтаж збірних залізобетонних конструкцій
здійснюється краном КБ-100 ОА. Всі елементи конструкцій необхідно постачати
безпосередньо на місце будови поступово, по мірі потреби. Постачати збірні
залізобетонні конструкції необхідно в тій послідовності , в якій вони будуть
монтуватися.
Монтаж конструкцій складається з
наступних основних процесів:
підготовка конструкцій до
піднімання,
стропування,
підняття і встановлення,
тимчасове закріплення,
вивіряння і остаточне
закріплення.
Піднімати елементи конструкцій і
переміщати їх до місця встановлення необхідно плавно, без ривків,
розгойдування, обертання, з застосуванням відтяжок. Піднімання конструкцій
необхідно здійснювати в два прийоми: спочатку на висоту 20-30 см, після
перевірки надійності стропування, здійснюють подальше підіймання.
Елементи збірних конструкцій
необхідно встановити зразу в проектне положення по розбивочним осям з
вивірянням по рисках без поштовху і ударів по раніше змонтованим елементам.
Наведення елементів на проектні осі, необхідно проводити за допомогою
монтажного механізму.
Перед остаточним закріпленням
встановлених конструкцій перевіряють розміщення їх в плані по висоті, вірність
підготовки стиків під зварювання і заробляння.
Покрівельні роботи. Подача
будівельних матеріалів виконується за допомогою крана КБ-100 ОА.
Тинькування стін та перегородок
починають з останніх поверхів та донизу за допомогою тинькувальної станції
«Салют-3». До початку тинькувальних робіт повинно бути виконано влаштування
покрівлі, чорнові сантехнічні та електромонтажні роботи.
Підготовки під підлоги повинні бути
виконанні в процесі зведення коробки будинку. Влаштування підлог виконується з
верху вниз Спочатку виконуються керамічні підлоги, пізніше паркетні.
Фарбування стін виконують за
допомогою малярної станції МС-2 спеціалізованим потоком зверху вниз.
прокладання проводів та
кабелів, монтаж трубопроводів, опалювальних приладів і коробів вентиляції,
установка сантехнічних
приладів і арматури, установка освітлювальної арматури і електротехнічних
приладів.
В склад основних робіт по
будівництву мереж водопроводу входять: земляні, бетонні, залізобетонні,
ізоляційні і випробувальні роботи. Траншеї розробляють механізованим способом.
Опорядження території виконується
після покрівельних робіт, влаштування відмостки і пофарбування фасаду.
.2.2.1 Вибір землерийних машин
Вид ґрунту - суглинок;
Група ґрунту - II;
Вид землерийних споруд - котлован;
Об’єм ґрунту, що розробляється
екскаватором у відсип - V= 352,54 м3
Об’єм ґрунту, що розробляється
екскаватором у автотранспорт V= 332,11 м3
Таблиця 17 Техніко-економічне
порівняння екскаваторів
|
Назва показника
|
Од. вим.
|
Марка екскаватора (Е-302)
|
Марка екскаватора (Е-504)
|
Обґрунтування формули розрахунку
|
|
1. Місткість ковша
|
м3
|
0,4
|
0,65
|
ЕНиР 2-1-12 таб.2
|
|
2. Максимальна глибина копання
|
м
|
2,6
|
4,0
|
ЕНиР 2-1-12 таб.2
|
|
3. Максимальний радіус різання
|
м
|
7,8
|
9,2
|
ЕНиР 2-1-12 таб.2
|
|
4. Максимальний радіус навантаження
|
м
|
4,2
|
5,4
|
ЕНиР 2-1-12 таб.2
|
|
5. Потужність двигуна
|
к.с.
|
38
|
80
|
ЕНиР 2-1-12 таб.2
|
|
6. Норма часу на 100 м3 ґрунту
|
маш-год./м3
|
3,8
|
2,7
|
ЕНиР 2-1-10 таб.3
|
|
7. Вартість 1 машино-зміни
|
грн.
|
101,20
|
108,50
|
СНиП IV-3-8-2
|
|
8. Змінний виробіток екскаватора
|
м3
|
26,32
|
37,04
|
Нвир. = 100/Нч
|
|
9. Собівартість розробки 1м3 ґрунту
|
грн.
|
3,84
|
2,93
|
Сод. = Смаш./Нвир.
|
|
10. Собівартість розробки всього об’єму ґрунту
|
грн.
|
1354,0
|
1033,0
|
С = Сод.хVекс. від.
|
1. Визначення норми виробітку
екскаватором:
Е-302 Нвир = 100/Нч
= 100/3,8 = 26,32 м3/год;
Е-504 Нвир = 100/Нч
= 100/2,7 = 37,04 м3/год;
2. Визначення вартості розробки 1 м3
ґрунту екскаватором:
Е-302 Соб = Смаш
/ Нвир = 101,20 / 26,32 грн = 3,84 грн.;
Е-504 Соб = Смаш
/ Нвир = 108,50 / 37,04 грн = 2,93 грн.;
. Визначення собівартості розробки
загального об’єму ґрунту:
Е-302 С = Соб. · Vекс.
від. = 3,84 · 352,54 = 1354,0 грн.
Е-504 С = Соб. · Vекс.
від. = 2,93 · 352,54 = 1033,0 грн.
Висновок:
На основі техніко-економічного
обґрунтування характеристик екскаваторів приймаємо екскаватор Е-504, як більш
економічний та маневреніший.
.2.2.2 Відомість вантажозачіпних
монтажних пристосувань
Таблиця 18
|
Назва монтажного елементу
|
Маса, т
|
Назва вантажозачіпних пристосувань
|
Ескіз
|
Параметри пристосувань
|
|
|
|
|
Вантажо-підємність
|
Маса, т
|
Розрахункова висота
|
|
перемички
|
0,40
|
Стропа двохвіткова
|
|
5
|
46
|
4,5
|
|
дашок
|
0,88
|
|
|
|
|
|
|
фундаментні блоки
|
1,96
|
Стропа чотирьох-віткова
|
|
5
|
44
|
4,5
|
|
сходові площадки
|
1,15
|
|
|
|
|
|
|
сходові марші
|
1,48
|
|
|
|
|
|
|
плити перекриття
|
2,80
|
|
|
|
|
|
|
для тимчасового кріплення стропового
обладнання
|
-
|
Інвентарна роспорка
|
|
-
|
63
|
-
|
|
для забезпечення безпеки робіт на покритті
|
-
|
Інвентарне огородження
|
|
-
|
63
|
-
|
|
для роботи монтажників на висоті
|
-
|
Навісна люлька
|
|
0,1
|
16
|
-
|
|
для підйому монтажників до монтажних вузлів
|
-
|
Телескопічна вишка ВИ-23 Л на автомобілі
ЗІЛ-164
|
|
0,35
|
7100
|
максимальна висота підйому 23,0 м, мінімальна
висота підйому 6,34 м
|
|
для електрозва-рювання, заробки стиків
|
-
|
Рухома площадка зварника-монтажника
|
|
-
|
57
|
-
|
|
для виробничих робіт по зварюванню закладних
бетонних і залізобетонних елементів
|
-
|
Драбина зі сходовою площадкою
|
|
-
|
66-I 72-II 67-III
|
-
|
.2.2.3 Вибір монтажного крану. Схема
вибору
Вибір баштового крану
. фундаментні подушки
Необхідна висота піднімання:
Нпотр. = h0 +
hз + hк + hст = 16,30+1,2+0,3+4,5 = 22,30 м
Необхідний виліт стріли:
потр
= а/2 + с + в + lбал + lбал = 4,5/2+1,5+12,0 + 1,35 +
1,35 = 18,45 м
Необхідна (максимальна)
вантажопідйомність:
потр
= qел + qст = 2,47 + 0,044 = 2,51 т
. фундаментні блоки
Необхідна висота піднімання:
Нпотр. = h0 +
hз + hк + hст = 16,30+1,2+0,6+4,5 = 22,60 м
Необхідний виліт стріли:
потр
= а/2 + с + в + lбал + lбал = 4,5/2+1,5+12,0 + 1,35 +
1,35 = 18,45 м
Необхідна (максимальна)
вантажопідйомність:
потр
= qел + qст = 1,96 + 0,044 = 2,00 т
. плити перекриття
Необхідна висота піднімання:
Нпотр. = h0 +
hз + hк + hст = 16,30+1,2+0,22+4,5 = 22,22 м
Необхідний виліт стріли:
потр
= а/2 + с + в + lбал + lбал = 4,5/2+1,5+12,0 + 1,35 +
1,35 = 18,45 м
Необхідна (максимальна)
вантажопідйомність:
потр
= qел + qст = 2,80 + 0,044 = 2,84 т
. сходові площадки
Необхідна висота піднімання:
Нпотр. = h0 +
hз + hк + hст = 16,30+1,2+0,03+4,5 = 22,03 м
Необхідний виліт стріли:
Lпотр = а/2 + с + в + lбал
+ lбал = 4,5/2+1,5+12,0 + 1,35 + 1,35 = 18,45 м
Необхідна (максимальна)
вантажопідйомність:
потр
= qел + qст = 1,15 + 0,044 = 1,19 т
. сходові марші
Необхідна висота піднімання:
Нпотр. = h0 +
hз + hк + hст = 16,30+1,2+1,50+4,5 = 23,50 м
Необхідний виліт стріли:
потр
= а/2 + с + в + lбал + lбал = 4,5/2+1,5+12,0 + 1,35 +
1,35 = 18,45 м
Необхідна (максимальна)
вантажопідйомність:
потр
= qел + qст = 1,48 + 0,044 = 1,52 т
. балконі плити
Необхідна висота піднімання:
Нпотр. = h0 +
hз + hк + hст = 16,30+1,2+0,15+4,5 = 22,15 м
Необхідний виліт стріли:
потр
= а/2 + с + в + lбал + lбал = 4,5/2+1,5+12,0 + 1,35 +
1,35 = 18,45 м
Необхідна (максимальна)
вантажопідйомність:
Qпотр = qел +
qст = 1,30 + 0,044 = 1,34 т
. перемички
Необхідна висота піднімання:
Нпотр. = h0 +
hз + hк + hст = 16,30+1,2+0,22+4,5 = 22,22 м
Необхідний виліт стріли:
потр
= а/2 + с + в + lбал + lбал = 4,5/2+1,5+12,0 + 1,35 +
1,35 = 18,45 м
Необхідна (максимальна)
вантажопідйомність:
потр
= qел + qст = 0,4+ 0,046 = 0,45 т
. дашок
Необхідна висота піднімання:
Нпотр. = h0 +
hз + hк + hст = 16,30+1,2+0,14+4,5 = 22,14 м
Необхідний виліт стріли:
потр
= а/2 + с + в + lбал + lбал = 4,5/2+1,5+12,0 + 1,35 +
1,35 = 18,45 м
Необхідна (максимальна)
вантажопідйомність:
потр
= qел + qст = 0,88+ 0,046 = 0,93 т
4.2.2.3.1 Таблиця необхідних
параметрів крану
Таблиця 19
|
Назва елементу
|
Маса елементу Q ел.,т
|
Характеристика вантажозачіпних пристроїв
|
Необхідні параметри крану
|
|
|
qстр., т
|
h стр., м
|
Q стр, т
|
Qпотр, т
|
Hпотр, м
|
Lпот, м
|
|
Фундаментна подушка
|
2,47
|
0,044
|
4,5
|
5
|
2,51
|
22,30
|
18,45
|
|
Фундаментний блок
|
1,96
|
0,044
|
4,5
|
5
|
2,00
|
22,60
|
18,45
|
|
Плита перекриття
|
2,80
|
0,044
|
4,5
|
5
|
2,84
|
22,22
|
18,45
|
|
Сходова площадка
|
1,15
|
0,044
|
4,5
|
5
|
1,19
|
22,03
|
18,45
|
|
Сходовий марш
|
1,48
|
0,044
|
4,5
|
5
|
1,52
|
23,50
|
18,45
|
|
Балконна плита
|
1,30
|
0,044
|
4,5
|
5
|
1,34
|
22,15
|
18,45
|
|
Перемичка
|
0,40
|
0,046
|
4,5
|
5
|
0,45
|
22,22
|
18,45
|
|
Дашок
|
0,88
|
0,046
|
4,5
|
5
|
0,93
|
22,14
|
18,45
|
.2.2.3.2 Таблиця технічних
показників крану
Таблиця 20
|
Назва конструктив-них елементів
|
Необхідні параметри
|
Прийняті параметри
|
|
|
Кран КБ-100 0А
|
Кран КБ-100 З
|
|
Qпот
|
Hпот.
|
Lпот.
|
Qкр
|
Hст
|
Lст
|
lст
|
Qкр
|
Hст
|
Lст
|
lст
|
|
Фундаментна подушка
|
2,51
|
22,30
|
18,45
|
10-20
|
21-33
|
5
|
-
|
12,5-25
|
33-48
|
4-8
|
-
|
|
Фундаментний блок
|
2,00
|
22,60
|
18,45
|
10-20
|
21-33
|
5
|
-
|
12,5-25
|
33-48
|
4-8
|
-
|
|
Плита перекриття
|
2,84
|
22,22
|
18,45
|
10-20
|
21-33
|
5
|
-
|
12,5-25
|
33-48
|
4-8
|
-
|
|
Сходова площадка
|
1,19
|
22,03
|
18,45
|
10-20
|
21-33
|
5
|
-
|
12,5-25
|
33-48
|
4-8
|
-
|
|
Сходовий марш
|
1,52
|
23,50
|
18,45
|
10-20
|
21-33
|
5
|
12,5-25
|
33-48
|
4-8
|
-
|
|
Балконна плита
|
1,34
|
22,15
|
18,45
|
10-20
|
21-33
|
5
|
-
|
12,5-25
|
33-48
|
4-8
|
-
|
|
Перемичка
|
0,45
|
22,22
|
18,45
|
10-20
|
21-33
|
5
|
-
|
12,5-25
|
33-48
|
4-8
|
-
|
|
Дашок
|
0,93
|
22,14
|
18,45
|
10-20
|
21-33
|
5
|
-
|
12,5-25
|
33-48
|
4-8
|
-
|
4.2.2.4 Обгрунтування методів
ведення робіт
Роботи підготовчого періоду
Роботи підготовчого періоду
включають в себе загально-майданчикові заходи по розчищуванні території від
дерев, кущів, зносу лишніх будівель, інженерні роботи по плануванню території
та водозбору, обладнання тимчасових побутових та складських приміщень,
прокладці тимчасових мереж водо- та електропостачання, електроосвітлення,
огородження території, а також установки зв’язку - тимчасової телефонізації від
міської сітки.
Для виробництва даних робіт необхідно
прийняти бульдозер ДЗ-19, трактор «Білорус Т-100» та екскаватор Э-504 з ковшем
ємкістю 0,65 м3. Всі роботи виконуються в одну зміну з використанням
робочих різних спеціальностей.
До початку будівельних робіт
необхідно встановити геодезичний репер, провести розбивку координаційної сітки
та осей будинку. Для виконання цих робіт необхідно залучити геодезичну службу,
управління головного архітектора та представника генпідрядника, а також
механізовану ланку.
Контрольно-вимірювальні інструменти:
теодоліт Т-30, нівелір Н-3.
Земляні роботи
Зрізка рослинного шару виконується
бульдозером ДЗ-19 на базі трактора
Т-100 траншейно-смуговим способом.
Зрізаний шар ґрунту транспортується бульдозером на відстань 10 м в тимчасовий
кавальєр, а далі навантажується екскаватором Э-504 на автосамоскид МАЗ-503 і
транспортується в заміську зону, яка знаходиться на відстані 10 км.
Ґрунт в котловані розробляється
екскаватором Э-504 «зворотня лопата» з ковшем ємкістю 0,65м3. Глибина
виїмки 1,82 м. Об’єм ґрунту необхідного для зворотної засипки Vзв. зас. =
692,12 м3розробляється у відвал, а витіснений грунт Vекс. авт. =
572,35 м3 навантажується на автосамоскид МАЗ-503 і транспортується в
заміську зону, яка знаходиться на відстань 10 км. Робота екскаватора планується
в дві зміни. Зачистка дна котловану виконується бульдозером ДЗ-19 та вручну.
Зворотна засипка ґрунту виконується
бульдозером ДЗ-19, з утрамбовуванням ґрунту пневмотрамбівкою.
Монтаж збірних залізобетонних
фундаментів
Монтаж збірних фундаментів
виконується краном КБ-100 ОА в дві зміни бригадою монтажників в кількості 7
чол., в напрямку осей з А 1-10 по М 3-10. Фундаментні подушки та блоки
завозяться на об’єкт бортовими автомобілями з врахуванням трьохдобового запасу.
Роботи по монтажу ведуться після зачистки грунту вручну і влаштування піщаної
підготовки. Розчин та бетон поставляється від централізованих заводів
автосамоскидами. Роботи ведуться потоково-комплексним методом. Перед монтажем
фундаментів необхідно перенести з обноски розбивочні осі на дно котловану.
Горизонтальна та вертикальна
гідроізоляція
Горизонтальна гідроізоляція
виконується після влаштування монтажного горизонту цокольного поверху (після
монтажу фундаментних блоків) з двох шарів руберойду на гарячій бітумній
мастиці.
Вертикальна бітумна гідроізоляція
виконується після затирання швів між фундаментними блоками цементним розчином.
Машини та обладнання: установка для
подачі мастики СО-100А продуктивність 6 м3/год., установка СО-118
для нанесення бітумної мастики, продуктивність 150 м2/год.
Цегляна кладка стін та монтаж
збірних конструкцій
Для цегляної кладки стін та
перегородок прийнята комплексна бригада загальною кількістю 25 чол.
Комплексний процес зведення
надземної частини будинку включає в себе: цегляну кладку стін, монтаж збірних
конструкцій (сходові марші та площадки, плити перекриття, балкони, перемички),
підготовка під підлоги, мурування перегородок, заповнення віконних та дверних
блоків, влаштування ізоляцій та стяжок під підлоги.
Монтаж конструкцій здійснюється
баштовим краном КБ-100 ОА. Всі елементи необхідно постачати на місце будови
поступово, по мірі потреби. Піднімати конструкції і переміщати їх до місця
встановлення необхідно плавно, без ривків, розгойдування, обертання.
Автотранспортні засоби: автосамоскид
МАЗ-503 для завезення розчину, бортові автомашини для доставки цегли на
піддонах та столярних виробів.
Організація роботи бригади мулярів
потоково-операційна та потоково-захватноярусна.
Покрівельні роботи
Будівельне обладнання та машини
підібрані з розрахунком максимальної механізації робіт.
Роботи ведуться спеціалізованою
бригадою покрівельників в кількості 15 чол. потоково-роздільним методом в одну
зміну.
Комплекс будівельних робіт
розчленовано на 4 спеціалізованих процеси:
) влаштування мауерлатів, крокв,
стояків, прогонів, підкосів, кобилок, тощо;
) укладання пароізоляційної плівки;
) влаштування обрешітки; та
контрлат;
) влаштування метало черепиці та
комплектуючих виробів.
Машини: кран КБ-100 ОА для
піднімання матеріалів.
Тинькувальні роботи
Тинькувальні роботи виконуються
спеціалізованою бригадою загальною кількістю 24 чол., потоково-роздільним
методом з використанням тинькувальної станції «Салют-3».
Технологічний нормокомплект станції
«Салют-3» включає: комплект шлангів з набором форсунок, затиральні машинки, а
також ручний інструмент. Продуктивність станції «Салют-3» складає 3,6м3/год.
розчину, висота подачі 60 м, відстань транспортування 150 м.
Роботи виконуються з верху в низ по
поверхах потоком.
Для підйому різних матеріалів
приймається кран «в вікно»
Тинькувальний розчин виготовляється
централізовано та постачається на об’єкт автосамоскидами.
До початку тинькувальних робіт
повинно бути виконано влаштування покрівлі, чорнові сантехнічні та
електромонтажні роботи, встановлення вікон.
Влаштування підлог
Підготовки під підлоги повинні бути
виконані в процесі зведення коробки будинку. Підлоги в багатоповерхових
будинках виконуються в загально-оздоблювальнім потоці з верху в низ по поверхах
в одну зміну після тинькувальних та облицювальних робіт потоково-комплексним
методом, тобто окремі ланки виконують повний склад робіт. В першу чергу
виконуються керамічні підлоги.
Подача розчинів здійснюється краном
«в вікно». Чисельність ланки 9 чол.
Паркетні підлоги виконуються після
керамічних підлог спеціалізованою бригадою 8 чол.
Машини та механізми: паркетообрізний
станок, паркетостругальна машина, паркетошліфувальна машина, полотер, кран «в
вікно».
Малярні роботи
Малярні роботи виконуються
спеціалізованою бригадою в кількості 16 чол., потоково-роздільним методом з
використанням малярної станції МС-2 в дві зміни.
Полівінілацетатне та олійне
фарбування ідуть окремим спеціалізованим потоком зверху вниз.
Прийняті машини та механізований
інструмент: малярна станція МС-2, продуктивність в зміну по понесенню 2-ма
вудочками водних сполук 5000 м2, олійних 600 м2,
фарбонагнітаючий бачок, електрофарбопульт, револьвер-фарборозпилювач,
електрошліфувальна машина.
Крім цього передбачено нормокомплект
ручного інструменту згідно табелю оснащування. До виконання полівінілацетатних
пофарбувань повинні бути виконані роботи по встановленню сантехприладів і
запірної арматури (вимикачі, розетки, кріплення підвісних світильників).
Спеціальні будівельні роботи
Опорядження території виконується
після покрівельних робіт, влаштування відмостки і пофарбування фасаду. Для
виконання робіт прийнято кран КБ-100 ОА, бульдозер ДЗ-19, каток ЗУР-25,
асфальтоукладальна машина. Роботи виконуються бригадою кількість 4 чол.
Сантехнічні роботи виконуються після
готовності коробки будівлі, (не менше трьох перекриттів) в три етапи:
влаштування
водо-комунікацій,
чорнові роботи,
сантехприлади.
Для виконання робіт прийнята бригада
кількістю 3-14 чол. Для зварювання трубопроводів передбачений зварювальний
апарат і нормо комплект інструментів. Роботи виконуються в одну зміну.
Електромонтажні роботи виконуються
бригадою електромонтажників кількість 2-9 чол. в одну зміну. Бригада
забезпечується вагончиком, нормокомплектом інструментів та інвентарем.
.2.3.2 Зведена відомість потреби в
будівельних матеріалах
Таблиця 23
|
Назва матеріалу
|
Од. вим.
|
Кількість
|
Спосіб зберігання
|
|
1.
|
2.
|
3.
|
4.
|
|
|
|
|
4.2.4 Організація будівельного
виробництва
.2.4.1 Розрахунок ТЕП по
календарному плані
Тривалість будівництва по нормах Тн
= 219 днів
Тривалість будівництва по
календарному плані Тп = 171 день
Термін скорочення будівництва Тн
- Тп = 219-171 = 48 днів
Нормативний коефіцієнт тривалості
будівництва К m = 1
Прийнятий коефіцієнт тривалості
будівництва Кm = Тп /Тн = 219 / 171 = 1,3
Нормативний коефіцієнт змінності К
зм = 1 - 1,12
Нормативний коефіцієнт суміщеності
Кс = 2-5
Коефіцієнт нерівномірності руху
робітників
Кн = Амах /Асер = ***/** = **
Загальна працемісткість будівництва
:
Нормативна працемісткість - Qн =
**** л-дні
Прийнята працемісткість - Qп =
**** л-дні
Нормативна виробітка на один л-день
Ввир = V/Qн = ****/**** = ***
Прийнята виробітка на один день Ввир
= V/Qп = ****/**** = ***
Питома працемісткість нормативна Qпит
= Qн /V = ****/**** = ***
Питома працемісткість прийнята Qпит
= Qп /V = ****/**** = ***
Нормативна продуктивність праці 100
%
Прийнята продуктивність праці П = Qн
/Qп · 100 = ****/**** ·100 = 10* %
4.3 Будівельний генеральний план
.3.1 Вихідні дані
Вихідними даними для проектування
будівельного генерального плану являються: генеральний план будівництва,
креслення архітектурної частини, календарний план будівництва, дані про
прийняті крани, машини, механізми, методи ведення робіт.
.3.1.1 Матеріально-технічна база
Наявність в районі будівництва і
розміщення діючих підсобних підприємств:
завод ЗБК, що постачає збірні
залізобетонні конструкції, знаходиться в м. Львові,
кар’єри, звідки привозять пісок і
щебінь, розміщень на відстані 25км;
цегла постачається на піддонах
автотранспортом з цегляного заводу Львівської області;
товарний бетон можна отримати з
автоматизованого бетонного заводу м. Стрий;
товарний розчин виготовляється в
централізованих розчинних установках або на місці;
будівельні матеріали постачаються
централізовано поставочними комплектами.
крани, екскаватори, бульдозери та
інші механізми є в наявності механізації фірми;
автотранспорт можна буде заказувати
в автобазах Стрийського виробничого автотресту.
Наявність доріг і шляхів.
Для доставки конструкцій і
матеріалів можна використовувати постійні дороги і вулиці міста. На
будівельному майданчику до початку будівництва в підготовчий період виконати
тимчасові під’їзні дороги і площадки.
Постійних споруд на території
будівництва, які можна б було використати під побутові приміщення немає, тому
встановлюємо тимчасові інвентарні побутові приміщення і склади.
Електроенергія можна отримати від
міської високовольтної сітки через понижуючу трансформаторну підстанцію.
Диспетчерський зв'язок передбачає
телефонний тимчасовий від міської АТС.
.3.1.2 Умови будівництва, стадія
будівництва
Характеристика рельєфу, під’їзні
дороги.
Дане будівництво знаходиться на
стадії проектування, тому умови будівництва будуть враховуватися вже на стадії
виконання, тобто проведення будівництва.
Характер рельєфу спокійний,
зрівняного типу, без особливих значних коливань, висот чи понизів.
Як постійні під’їзні дороги використовуються
шосейні дороги і площадки.
.3.2 Проектування тимчасових споруд
.3.2.1 Проектування тимчасових
побутових приміщень
Адміністративно-побутові будівлі або
приміщення рекомендується розташовувати на будівельних майданчиках комплексно
групуючи їх в побутові містечка. При підборі місця розміщення побутового
містечка слід враховувати наступні фактори: максимальна необхідність до
будівельного об’єкту, наявність вигідних умов, (під’їзних доріг, переходів),
будівлі розташовувати на відстані не менше 150м від об’єктів, які виділяють
пили, шкідливі пари і гази з невітряної сторони вітрів переважаючого напрямку,
не ближче 25м від туалетних, вигрібних ям, сміттєзбірників, не ближче 2,0м від
паркану.
Будівництво і приміщення побутового
призначення на будівельному майданчику необхідно обладнати водопроводом,
електричним освітленням, опаленням і вентиляцією та питєвою водою. В зимовий
період - підігрівними приладами (радіаторами) або підігрівними панелями -
електрорадіатори.
Крім санітарно-побутових приміщень
на будівельному майданчику повинні бути запроектовані :
закриті склади для субпідрядників;
вагончик - нормо комплект
інструментів і обладнань;
майданчик для відпочинку робітників;
курилка відкрита;
сміттєзбірник.
Зв'язок може здійснюватися в міській
смузі через тимчасову телефонну лінію.
Місце контори майстра та виконроба
слід визначати ближче до в’їзду в будівельний майданчик, щоб був добрий огляд
монтажної зони.
Якщо адміністративно і
санітарно-побутові приміщення не блокуються в містечках, між ними повинна
дотримуватися безпечна протипожежна відстань - 20м ( горючих від горючих).
.3.2.1.1 Відомість тимчасових
побутових приміщень
Таблиця 24
|
Назва приміщення
|
Розрахункова кількість робітників і
службовців, Nр
|
Нормативна площа на одного працюючого Ан, м2
|
Коефіцієнт користування приміщенням к
|
Розрахункова площа Ар м2
|
Прийнята площа Апр, м2
|
Тип і розмщення інвентарних будинків
|
|
1. Контора виконроба (майстра)
|
0,07хNтах =
|
4,0
|
1,0
|
|
|
|
|
2. Приміщення для охорони
|
Nтах+0,07
|
4,0
|
1,0
|
|
|
|
|
3. Приміщення для приймання їжі
|
0,7хNтах+0,07х Nтах =
|
1,0
|
0,8
|
|
|
|
|
6. Вбиральні
|
Nтах+0,07х Nтах=
|
0,07
|
1,0
|
|
|
|
|
7. Приміщення для субпідрядних організацій
|
Приймаємо без розрахунку по одному будинку для
кожного субпідрядника
|
|
|
8.Інструмнтна контора
|
Приймаємо без розрахунку по одному будинку для
кожного субпідрядника
|
|
|
9. Майстерня
|
Приймаємо без розрахунку по одному будинку для
кожного субпідрядника
|
|
.3.2.2 Проектування складів
Закриті склади зберігання матеріалів
розташовуються за межами небезпечної зони на відстані 1,0м від дороги.
Склади - навіси розташовуються
поблизу робочої зони крану на відстані 1,0м від дороги.
Конструкції та матеріали відкритого
зберігання розміщуються на майданчику складування в робочій зоні крану.
Для організації майданчика
складування проводиться планування ґрунту, ущільнення його щебенем або гравієм,
влаштування водовідвідної канави дощових вод. Границі майданчика повинні бути
віддалені від огородження зони підкранової колії та під’їзної дороги на
відстані не менше 1м. При складуванні конструкцій, виробів, напівфабрикатів та
матеріалів необхідно передбачити проходи (повздовжні та поперечні) шириною не
менше 0,7м між однотипними елементами, 1,0м між різнотипними елементами, та
через кожні 20м довжини ряду складованих конструкцій.
При складуванні збірних залізобетонних
конструкцій та деталей необхідно дотримуватись слідкуючих вимог:
цегла на піддонах та в пакетах в два
яруси по висоті;
залізобетонні конструкції та деталі
слід зберігати в проектному положенні;
залізобетонні конструкції та деталі
необхідно розташовувати так, щоб їх заводська марка легко читалась із сторони
проходу або проїзду, а монтажні петлі виробів, вкладених в штабелі повинні бути
повернені в гору;
складування будівельної конструкції
та деталей під лініями електропередач та на кранових коліях не дозволяється;
для захисту бетонних і
залізобетонних конструкцій від деформування та появи тріщин при зберіганні в
горизонтальному положенні прокладки між виробами необхідно розташовувати строго
по вертикалі одна над одною. Висота прокладок повинна бути не менше від висоти
петель та не меншою як 60мм;
сходові марші складаються
ступеньками вгору, штабелями не більше 6 рядів по висоті, прокладки
розташовують повздовж маршів на висоті 0,15 м від краю.
.3.2.3 Проектування тимчасових
доріг, під’їздів, тротуарів та майданчиків
Тимчасові під'їзні дороги необхідні
на будівельному майданчику для завезення конструкцій, напівфабрикатів,
матеріалів і повинні проходити через робочу зону крану.
Ширина проїзної частини тимчасової
дороги при односторонньому русі транспорту 3,5м. При двосторонньому русі ширина
проїзної частини повинна бути 6,0м.
В місцях під’їздів та стоянок
автотранспорту під розвантаженням, дорога повинна бути розширена на 6,0м -
7,0м. Радіуси заокруглення тимчасової дороги приймаються: R=12,0м до вісі
дороги бортових частин автосамоскидів. В місцях повороту дорога розширюється на
1,5м.
На будгенплані відмічаються
відповідними знаками та написами в’їзди, виїзди транспорту, напрямки руху,
поворот, роз’їзди та стоянки при розвантаженні.
Позначаються тимчасові дороги
крапковою штриховкою. При проходженні дороги через небезпечну зону крану
штриховка виконується більш густою (затемненою). При цьому з правої сторони по
направленню руху ставиться попереджувальний знак, на якому виконується напис
«Увага! Небезпечна зона дороги». Дорога неповинна проходити через монтажну зону
будівлі. Швидкість руху автомобільного транспорту на території проектованого
будинку 10км/год., а на поворотах 5км/год., що регламентується відповідно
знаками та написами.
У відповідності з правилами
технології будівництва, тимчасова дорога повинна бути закольцованою навколо
будівництва і мати окремий в'їзд і виїзд. У випадку, коли нема можливості
запроектувати суцільний проїзд автотранспорту, тимчасова дорога проектується по
тупіковій схемі з площадкою розвантаження автотранспорту розмірами не менше
12х12м.
Відстань дороги від складу 0,5м -
1,5м, від огородження не менше 1,5м, від штабелювання конструкції, електролінії
- не менше 1,0м, від пожежного гідранту 1,0 - 3,0м.
На будгенплані необхідно також передбачити
площадку для стоянки службових, легкових і вантажних автомашин під час обідньої
перерви (не менше 3-х машин). Довжина площадки 7м., ширина 3м на кожну
автомашину. Площадку для стоянок автомашин розмістити в безпечній зоні крану.
Для переміщення робітників на
будівельному майданчику необхідно проектувати тимчасові тротуари шириною 1,0м з
покриттям відповідно покриттю тимчасової дороги. Тротуари проектуються вздовж
побутових приміщень, для підходу до місця відпочинку, туалетів, розприділяючих
силових шаф, і дизельної електростанції, а також до складу конструкції.
.3.2.4 Проектування інженерних
комунікацій
Організація тимчасового
водопостачання
Джерелом тимчасового водопостачання
для будівельного майданчику необхідно використовувати існуючу в районі
будівництва постійну мережу водопостачання.
Не дозволяється з’єднання мереж
господарсько-питтєвих водопроводів до мереж побутових водопроводів, подаючи
воду непридатну для життя.
Вода повинна бути підведена до
санітарно-побутових приміщень, будинку, що споруджується, в місця прийому
бетону і розчину та інше.
Пожежні гідранти повинні
розташовуватись вздовж проїздів автотранспорту на відстані не ближче 1,0м і не
далі 3,0м від краю проїжджої частини, не ближче 5,0м і не далі 50м від стін
будівництва. Відстань між гідратами не повинна перевищувати 150м. Мережі
водопостачання і каналізації показують на будгенплані умовними позначеннями, з
в казанням діаметру, марки труб і довжини трубопроводу.
Організація тимчасового
електропостачання і освітлення
Живлення будівельного майданчика
електроенергією може здійснюватися від тимчасової понижуючої трансформаторної
підстанції при наявності високовольтної мережі або від автономної дизельної
пересувної електростанції та від існуючої електромережі.
В межах зони можливого переміщення
габаритів вантажів розведення електроенергії на будівельному майданчику повинно
здійснюватися тільки кабельними лініями. В інших випадках повітряним з
алюмінієвого проводу на дерев’яних або залізобетонних опорах, встановлених на
відстані 25-30м.
Підключення баштових кранів і усіх
переносних пристосувань необхідно здійснювати шланговим кабелем типу КРТП, ГРШС
або гнучким кабелем в гумовому шлангу типу ПРГ.
Проводка повинна виконуватися
ізольованими проводами над робочими місцями на висоті не менше - 2,5м, над
проходами - 3,5м.
Підземні кабельні лінії
прокладаються в траншеях глибиною 0,8м і шириною 350 - 400мм.
Проектні повітряні лінії в місцях
проходу над дорогою слід замінювати кабельною підземною лінією між найближчими
опорами, яка прокладається в футлярі ( металева труба ф100-150мм) під дорогою.
Для включання і забезпечення
електролінії необхідно встановлювати ТП або автономну електростанцію, силову
шафу РШСН-6 ( розподільча шафа силової напруги на 6 виходів ); на будівельно
силовий пульт СПУ і для кожного споживача окремий рубильник типу ЯК-200 ( для
баштового крану), ЯРП ( для прожекторів ), ЯРВ ( зварювальний апарат,
тинькувальна або малярна станції).
Підключення згрупованих в побутовому
містечку тимчасових інвентарних споруджань може бути виконано один раз з
подальшим розведенням і підключенням кабелів до решти побутових приміщень.
Освітлення будівельного майданчику
проектують робоче і охоронне. Робоче освітлення включає - освітлення під’їздів,
зони розвантаження і складів, стаціонарними прожекторами, встановленими на
дерев’яних або металевих опорах на відступі 80 - 250м між ними ; освітлення
робочих місць прожекторними стійками або підвісними електрогірляндами. Охоронне
освітлення виконується в межах будівельного майданчику світильниками СПО з лампами
розжарування на дерев’яних опорах з повітряною лінією.
Тимчасова трансформаторна
підстанція, дизельна електростанція повинні мати заземлення аналогічне
підкранової колії баштового крану і огородження.
.3.2.5 ТЕП по будгенплану
. Загальна площа будгенплану:
Абгп. = L х В = (**,* х
**,*) = ****,** м2
. Компактність будмайданчику:
К1 = Апр. буд /Абгп.
= ***,**/****,** = *,**
. Коефіцієнт використання
території:
К2 =( Апр.буд +Атим.буд
+Атим.дор.+Атим скл+Акр )/ Абгп=
. Коефіцієнт інженерного
обладнання будмайданчика:
К3 = (Атим.буд +Атим.дор
+Атим скл+Акр)/Апр. буд =
Довжина тимчасових доріг: ***,** м
Довжина тимчасових огородження:
***,** м
Довжина тимчасової лінії
електролінії: ***,** м
Довжина тимчасової лінії
водопостачання: = ***,** м
.4 Охорона праці
.4.1 Безпека праці при виконанні
тинькувальних робіт
До виконання тинькувальних робіт
допускаються особи не молодші 18 років, які пройшли медичний огляд і визнані
придатними до роботі за даною професією, а також - вступний інструктаж з охорони
праці, виробничої санітарії і пожежної безпеки, первинний інструктаж, навчання,
перевірку знань з охорони праці і отримали посвідчення на право самостійної
роботи.
До початку робіт тинькувальнику
необхідно підготувати робоче місце: видалити зайві предмети, правильно
підготувати і розташувати матеріали, інструмент, механізми, переконатися в їх
справності, а також перевірити справність підмощення, риштувань і колисок
Тинькувальні роботи виконуються
тільки в спецодязі і справним інструментом.
Повинні бути справні розчинонасоси,
форсунки, шланги, дозатори й інше устаткування, а також транспортні засоби для
подачі розчину.
В приміщеннях в яких буде
проводитися тинькування, на час виконання робіт відключають електричний струм.
Електрофікований інструмент до по
початку роботи заземлюють, перевіряють ізоляцію проводів і справність
інструмента.
Працювати можна тільки на справних
риштуваннях, драбинах, столиках, дотримуючись правил техніки безпеки при роботі
на висоті.
Зазори між стіною будинку і робочими
настилами риштувань не повинні перевищувати 15 см. У поручнях, настилах
риштувань та підмостях не повинне бути цвяхів, що стирчать.
Під час нанесення тинькувального
розчину механічним і ручним способом на поверхні стін і стель, а також під час
розрівнювання, затірки й інших операціях штукатури повинні користатися
захисними окулярами.
Під час сушіння поверхонь
калориферами необхідно, щоб відстань від них було не менш 1,5-2 м.
Тривале перебування людей (більш 3
годин) у приміщенні, що просушується, забороняється.
Під час тинькування внутрішніх
віконних укосів, щоб уникнути падіння, прорізи обгороджують на увесь час
роботи.
Під час виконання тинькувальних
робіт у сходових клітках як помости, розташованих на маршах, повинні
застосовуватися спеціальні інвентарні столики з короткими передніми ніжками,
поручневими огородженнями висотою 1 м і бортовою дошкою.
У сходових клітках робота на висоті
з приставних сходів забороняється.
Підмости усередині будинку
дозволяється ставити тільки на надійне покриття чи підлогу. Установлювати
підмости на накати, підшивку перекриттів та інші конструктивні елементи, не
розраховані на додаткове навантаження, забороняється.
Під час підйому розчину на робочі
місця краном чи підйомником тара для розчину (бадді чи ящики) повинна бути
забезпечена спеціальними пристосуваннями (замками, що не допускають випадкового
перекидання суміші).
.4.2 Безпека праці на будівельному
майданчику
Огородження
Територія будівельного майданчика
повинна бути огороджена. Тип огородження визначається умовами, в яких ведеться
будівництво. Найчастіше застосовуються збірно-розбірні конструкції. Вони мають
багаторазове використання, прості при влаштуванні та розбиранні, мають достатню
міцність та жорсткість. На в’їзді і виїзді встановлюють глухі ворота. Над
пішохідними тротуарами вздовж паркану у випадку можливого виникнення
небезпечної зони влаштовують захисний дашок шириною 1,5 м.
Небезпечні зони та ділянки
В період будівництва небезпечні зони
та ділянки огороджуються, що не дозволяє перебувати в їх межах стороннім особам.
Небезпечною зоною рахується:
для кранів - зони дії крана, а також
зона підкранових колій;
для тимчасових електромереж -
простір в межах якого робітник може торкнутися проводів конструкціями;
при виконанні земляних робіт -
призма зрушення ґрунту, границі глибоких котлованів, зони роботи землерийних
машин;
для складів і складських площадок -
зони складування матеріалів, конструкцій, деталей;
для транспортних шляхів - зони та
ділянки доріг з посиленим рухом транспорту з небезпечними їх перетинами ;
для робіт, які виконуються на висоті
- зона по периметру споруджуваного будинку шириною 7м, при висоті до 20м і не
менше 10м при його висоті до 100м.
На об’єктах будівництва баштові
крани повинні встановлюватися зі сторони, протилежної входу в будинок.
Границя небезпечної зони зі сторони
влаштування крану визначається його технічною характеристикою. Тут же ж
організовується площадка складування деталей, конструкцій і матеріалів. У
відведеній монтажній зоні виділяється і огороджується зона підкранової колії.
Дороги
Найбільш поширеними та небезпечними
схемами організації в середині побудованих доріг є кільцева і наскрізна.
Безпечний рух робітників по
будівельному майданчику досягається завдяки раціональному розміщенню
санітарно-побутових, адміністративних приміщень і складських майданчиків,
влаштуванню попереджувальних та забороняючи написів і знаків.
Швидкість руху автомашин на
території об’єктів, які будуються, не повинна перевищувати 10км/год., на
поворотах - 5км/год.
Складські майданчики
Складські майданчики раціонально
розміщувати у зоні роботи підйомно-транспортних механізмів на запроектованих
майданчиках з твердою основою.
В місцях влаштування складських
майданчиків автомобільні дороги повинні мати достатні розширення для безпечного
виконання вантажно-розвантажувальних робіт.
Ширина проходів для безпечного руху
робітників на ділянках складування повинна бути не менше 1м.
Всі конструкції і деталі потрібно
вкладати в штабелі, на дерев'яні інвентарні прокладки. Зазори між конструкціями
повинні бути не менше 0,2м. В повздовжньому напрямку через 25м між штабелями
необхідно влаштувати проходи шириною 1м.
Освітлення
Влаштування освітлення будівельного
майданчика повинно бути закінчено до початку будівельно-монтажних робіт і
відповідати нормам.
Прожектори і світильники комбінованого
освітлення розміщують на висоті, яка дозволяє уникнути засліплюючої дії
робітників. Всі освітлювальні установки необхідно заземлити.
При влаштуванні тимчасової
електропроводки на будівельному майданчику необхідно уникати прокладки
повітряних ліній над дорогами і проходами з посиленим рухом транспорту та
людей. Проводка повинна виконуватися ізольованими проводами на висоті не менше
2,5м над робочим місцем, 3,5м - над проходами і 6м - над проїздами від землі.
4.4.3 Протипожежні заходи на
будівельному майданчику
Зміст та організація протипожежних
заходів визначенні "Правилами пожежної безпеки при виконанні
будівельно-монтажних робіт".
Всі заходи протипожежної безпеки
направлені на створення умов, що виключають виникнення пожежі і найшвидше
усунення виниклого вогнища пожежі.
Найбільш частими причинами
виникнення пожеж в будівництві є:
необережне поводження з відкритим
вогнем (тимчасові печі, бітумні котли, виконання зварювальних робіт, куріння у
не відведених місцях, кинуті не загашені сірники, недопалки і т.д.);
погане і неправильне складання
будівельних матеріалів, особливо горючих і вибухонебезпечних;
несправності електричних мереж,
порушення правил експлуатації електрообладнання;
грозові розряди.
Статистичні дані показують, що
більшість пожеж виникають із-за необережності і халатності робітників.
Виникненню пожеж і розширення
вогнища вогню сприяє засмічення будівельного майданчика.
Пожежна безпека на майданчику
забезпечується дотримуванням спеціальних протипожежних вимог.
Для проїзду пожежних машин між
об’єктами, які будуються, тимчасовими спорудами, складами палива влаштовують
достатні розриви і проїзди, прокладають дороги. Також проїзди передбачають до
пожежних кранів водопроводу. На видних місцях розміщують інструкції і плакати
по пожежній безпеці та організовують протипожежні інвентарні пункти. Ці пункти
забезпечують первинними засобами для гасіння пожежі: бочками з водою, ящиками з
піском, ломами, лопатами, сокирами і баграми.
Для куріння виділяють спеціальні
місця віддалені від споруд і місця зберігання горючих металів. На цих місцях
ставлять бочку з водою, вогнегасники та ящики з піском.
Головними засобами попередження
пожежі є дотримування строгої протипожежної дисципліни робітниками та особами,
які знаходяться на території споруджуваного об’єкту.
Всі робітники повинні бути
проінструктовані про способи виклику пожежної охорони і поводження з
найпростішими засобами для гасіння вогню (пісок, вода, вогнегасники).
.4.4 Виробнича санітарія на
будівельному майданчику
У виробничих умовах будівельного майданчику
робітник підлягає різним шкідливим та небезпечним впливам. Створення безпечних
умов для високопродуктивної праці та охорони здоров'я працюючих в нашій країні
приділяється велике значення.
Основним завданням служби виробничої
санітарії є виконання комплексу міроприємств направлених на оздоровлення умов
праці робітників, усунення шкідливих факторів на робітників, попередження
профілактичних захворювань та виробничого травматизму.
Для виключення впливу на працюючих
безпечних факторів в усіх галузях народного господарства діє система стандартів
безпеки праці (ССБП). Вона встановлює вимоги і норми по видах небезпечних і
шкідливих виробничих факторів, вимоги безпеки до виробничого обладнання і
процесів, а також до засобів захисту з ССБП, що визначають безпеку ведення
будівельно-монтажних робіт, служать "Будівельні норми і правила"
(БНіП III. 4-80 "Техніка безпеки в будівництві").
В санітарних нормах регламентуються
вимоги до вибору майданчика для будівництва, проектування генерального плану,
встановлення санітарно-захисної зони.
На будівельному майданчику одночасно
працюють багато робітників різних професій. Кожен робітник повинен виконувати
свою роботу так, щоб забезпечились безпечні умови праці для нього самого, для
членів його бригади і всіх інших працюючих. Для цього необхідно дотримуватися
ряду правил передбачених технікою безпеки.
Робітники перед допуском до роботи,
а також в процесі виконання робіт проходять спеціальне навчання та інструктаж
по безпечному виконанню робіт.
Найбільш частішими причинами
виробничого травматизму при виконанні будівельно-монтажних робіт є:
невиконання робітниками
режиму особистої безпеки при виконанні робіт;
недостатнє володіння
безпечними методами виконання робіт;
неправильне використання
засобів особистого захисту або взагалі невикористання їх (рукавиці, окуляри,
каски, спецодяг);
робота неправильним
інструментом або використання його не по призначенню;
захламленість на робочому
місці та будівельному майданчику і неправильне складання будівельних матеріалів
і деталей;
порушення встановлено порядку
виконання робіт.
.4.5 Охорона навколишнього
середовища
Збереження оточуючого середовища,
захист людини від шкідливих дій, які виникають в процесі виробничої діяльності,
являється загальнодержавною проблемою.
В нашій країні широкого розвитку
одержала меліорація земель, ведеться боротьба з ерозією ґрунту, приймаються
міри по покращенню введення рибного та мисливського господарства, оновлення
лісу на великих майданах. В містах та промислових центрах все більше поширюють
теплофікація і газифікація, які зменшують забруднення повітряного басейну.
Здійснюється будівництво спорудження для очистки стікаючої води та промислових
викидів в атмосферу.
Велика увага приділяється розробці
технологічних процесів, що забезпечують повне відключення відходів виробництва,
розробляються ефективні міри по боротьбі з шумами, вібрації і т.д.
Контроль за правильним спорудженням
житлових та промислових об’єктів з точки зору охорони навколишнього середовища
покладено на Держбуд та Держкомітет України по гідрометеорології і контролю
природного середовища.
Необхідно пам’ятати, що товщина
плодоносного шару землі10-20см. Для утворення одного см. такого шару (гумусу)
природі потрібно 100 років. Тому необхідно бережно відноситися до збереження
верхнього шару землі, використовують його для озеленення навколишньої
території.
Максимальне застосування синтетичних
матеріалів дозволяє економити деревину і таким шляхом зберегти цінне багатство
країни.
При виробництві робіт необхідно:
організувати постійний контролі за справністю
доріг;
не допускати злиття відпрацьованих
масел і палива при заправці машин;
при розвантаженні та навантаженні не
допускати розпилення пиловидних матеріалів;
організувати регулярне прибирання та
вивіз сміття за межі будівельної площадки;
не допускати пошкодження зелених
насаджень, не передбачених нормативним знесеннями;
забезпечити зберігання знятого
рослинного шару.
Необхідно максимально зберегати всі
деревинні насадження, крім того, передбачити озеленення та благоустрій
території.
При виконанні будівельно-монтажних
робіт повинні бути додержані вимого по запобіганню запорошеності та
загазованості повітря.
Проектований житловий будинок
забезпечений водопроводом, каналізацією, газо -, та електропостачанням.
Проектовані проїзди, пішохідні доріжки мають тверде покриття.
Охорона атмосферного повітря
Компонування будинку на ділянці
передбачає інтенсивне природне провітрювання території в приземному шарі
повітря. Максимально герметизується обладнання і комунікації, які можуть
виділяти шкідливі речовини.
Охорона атмосферного повітря
Компонування будинку на ділянці
передбачає інтенсивне природне провітрювання території в приземному шарі
повітря. Максимально герметизується обладнання і комунікації, які можуть
виділяти шкідливі речовини.
Охорона поверхні і підземних вод
Проектом передбачено водопостачання
житлового будинку від міської водопостачальної мережі. Побутові стоки
направляються в міську каналізаційну мережу.
Охорона грунто-рослинного покриття і
відновлення порушених земель
Ділянка спланована таким чином, що
ухили не перевищують допустимих норм.
Територія, вільна від споруд, доріг,
проїздів, майданчиків - озеленюється.
Проектом благоустрою передбачається
повне відновлення порушених при будівництві ділянок.
Для відновлення рослинного шару
використовується рослинний грунт, знятий під плямою будинків, коритами доріг,
проїздів, площадок.
Заходи по боротьбі з шумом
Допустимий рівень шуму в житлових
приміщеннях повинен бути не більше 25дБА вночі.
При будівництві також особливу увагу
слід приділити звукоізоляції перекриття, приєднання перегородок до стін,
віконних та дверних блоків. Місця проходу трубопроводів через капітальні стіни
захищаються від вібрації войлоком, мінеральною ватою.
При монтажі конструкцій, подачі
цегли, блоків, риштувань, бетонної суміші використовується баштовий кран КБ-100
ОА з електроприводом, що дає можливість не погіршити санітарно-гігієнічні умови
проживання мешканців прилеглих житлових будинків. Будівельно-монтажні роботи
необхідно виконувати тільки під час світлового дня.
5. Економічна частина
.1 Інвесторська кошторисна
документація
.1.1 Пояснювальна записка до
інвесторської кошторисної документації
Будівництво розташоване у м. Львів.
Кошторисну документацію складено із
застосуванням:
правил визначення вартості
будівництва,
ресурсних елементних кошторисних
норм на будівельні роботи (РЕКН), (ДБН Д.2.2-1999),
поточних одиничних розцінок до
ресурсних елементних кошторисних норм на будівельні роботи,
поточних цін матеріальних ресурсів,
Загальновиробничі витрати
розраховано відповідно до усереднених показників.
.2 Формування договірної ціни
.2.1 Пояснювальна записка до
розрахунку договірної ціни
Галузь будівництва - житлове
будівництво.
Договірну ціну складено на підставі:
інвесторської кошторисної
документації;
правил визначення вартості
будівництва;
Розрахунки складено із застосуванням
таких вихідних даних:
. Розмір витрат на зведення і
розбирання тимчасових будівель і споруд - 0,95 %
. Розмір додаткових витрат
при виконанні будівельно-монтажних робіт
. Розмір кошторисного
прибутку - 3,82 грн./люд-год.
. Розмір коштів на покриття
адміністративних витрат будівельних організацій - 0,82 грн./люд-год.
. Розмір коштів на покриття
всіх учасників будівництва - 1,8 %
. Розмір комунального податку
- 10 %
. Розмір податку на додану
вартість - 20 %
.3 Техніко-економічні показники
проекту
Таблиця 25
|
№ п/п
|
Найменування показників
|
Од. вим.
|
Обґрунтування або розрахунок
|
Величина показника
|
|
1.
|
Об’ємно-планувальні показники: а) будівельний
об’єм, б) загальна площа.
|
м3 м2
|
Дипломна робота, Архітектурно-конструктивний
розділ
|
|
|
2.
|
Вартість будівництва по договірній ціні: а) м3
будівельного об’єму, б) м2 загальної площі.
|
тис.грн. тис.грн. тис.грн.
|
Розр. договірної ціни
|
|
|
3.
|
Трудомісткість будівництва: а) загальна, б) на
м3 будівельного об’єму, в) на м2 загальної площі.
|
люд.дні люд.дні люд.дні
|
|
|
|
4.
|
Середня нормативна чисельність працюючих
|
чол.
|
|
|
|
5.
|
Виробітка вартісна на 1 люд. день
|
тис.грн.
|
|
|
|
6.
|
Середня нормативна заробітна плата на 1 люд.
день
|
грн.
|
|
|
Висновок
Для рацiонального використання
коштiв, якi спрямовуються на будiвництво житла, Мiнбудом розробленi та
направленi центральним та мiсцевим органам виконавчої влади заходи щодо
здешевлення будiвництва.Заходами передбачено:
щоквартальне визначення
показникiв опосередкованої вартостi спорудження житла за регiонами України. Цi
показники враховують безпосереднi витрати з спорудження житлових будинкiв i
застосовуються при плануваннi обсягiв державних iнвестицiй та визначеннi
вартостi будiвництва на всiх етапах його здiйснення;
консолiдацiя бюджетних
коштiв, що спрямовуються за рiзними державними програмами на забезпечення
житлом громадян, якi потребують пiдтримки держави.
застосування при
будiвництвi житла традицiйних будiвельних виробiв вiтчизняного виробництва;
видiлення будiвельних
майданчикiв, якi не потребують додаткових затрат.
встановлення нульової або
мiнiмальної ставки залучення коштiв замовника на розвиток
iнженерно-транспортної i соцiальної iнфраструктури населених пунктiв та
звiльнення вiд вилучення часток житла за рiшеннм мiсцевих органiв
самоврядування.
Прiоритетним завданням є сприяння
розгортанню будiвництва доступного житла для громадян iз середнiми доходами. З
цiєю метою Мiнбудом напрацьовуються вiдповiднi пропозицiї, зокрема пiдготовлено
проект Указу Президента України “Про державну пiдтримку доступного житла”.
Бібліографічний список
1. ДБНи (Державні будівельні
норми):
збірник 1 «Земляні роботи»
збірник 6 «Монолітні бетонні та
залізобетонні конструкції»
збірник 7 «Збірні бетонні та
залізобетонні конструкції»
збірник 8 «Конструкції з цегли»
збірник 9 «Металеві
конструкції»
збірник 10 «Дерев’яні
конструкції»
збірник 11 «Підлоги»
збірник 12 «Покрівлі»
збірник 15 «Опоряджувальні
роботи»
. ЕНиРы (Едины нормы и
расценки):
збірник 2 випуск 1 «Земляні
роботи»
збірник 3 «Каменные роботы»
збірник 4 «Монтаж сборных и
устройство монолитных железобетонных конструкций», Выпуск 1«Конструкция здания
и сооружений», Москва, «Стройиздат», 1987 г.
збірник 5 «Монтаж
металлическихконструкций»
збірник 7 «Кровельные роботы»
збірник 8 «Отделочные роботы»
збірник 19 «Устройство полов»
збірник 22 «Сварочные роботы»
Выпуск 1«Конструкция здания и сооружений», Москва, «Стройиздат», 2010 г.
. СНиП П-92-76. Вспомогательные
здания и помещения предприятий. Нормы проектирования.
. П.Г. Буга, «Громадські і
промислові сільськогосподарські будівлі», Київ,
«Вища школа», 2009р.
. Н.Н. Данилов «Технология и
организация строительного производства»
. А.Ф. Гаевой, «Курсовое и
дипломное проектирование»
. Д.И. Волков, «Строительные
машины»
. В.И. Станевський,
«Строительные краны»
. М.Д. Липний, «Справочник
производителя робот строительства»
. М.П. Суглобов, «Охорона труда
в строительстве»
. В.К. Черненко, М.Г.
Эрмоленко, «Технология строительного производства», Москва, «Стройиздат»,
2011г.
. Ресурсні елементні кошторисні
норми на будівельні роботи.
. Поточні ціни матеріалів,
виробів, конструкцій.
. Правила визначення вартості
будівництва.
. Поточні одиничні розцінки до
ресурсних елементних, кошторисних норм на будівельні роботи.
Похожие работы на - 3-ох поверховий 12-квартирний житловий будинок в м. Львові
|