Шина Inter-Integrated Circuit Bus

  • Вид работы:
    Контрольная работа
  • Предмет:
    Информационное обеспечение, программирование
  • Язык:
    Русский
    ,
    Формат файла:
    MS Word
    912,94 Кб
  • Опубликовано:
    2014-01-07
Вы можете узнать стоимость помощи в написании студенческой работы.
Помощь в написании работы, которую точно примут!

Шина Inter-Integrated Circuit Bus

Введение


Однокристальные микроконтроллеры стремительно занимают ведущее место в электронной аппаратуре.

Именно микроконтроллер сегодня формирует облик бытовой аудиотехники, видеотехники, средств связи. С передних панелей радиоприемников, магнитол, телевизоров исчезли шкальные индикаторы, ручки настройки, ползунковые регуляторы, переключатели. Их заменили жидкокристаллические табло и кнопки. Десятки разнообразных микросхем, составляющих электронную начинку аппаратуры, должны согласованно функционировать, обеспечивая наилучшие технические характеристики и удобство эксплуатации. Решая задачу сопряжения цифровых устройств, разработчики компьютерной техники связали их между собой посредством шин, а способы передачи информации назвали протоколами и стандартизировали их основные принципы. Каждое устройство было снабжено интерфейсом, посредством которого стало возможным подключать его к шине.

Осуществлять управление одной микросхемой очень просто, для этого даже не всегда нужен внешний цифровой интерфейс. А если микросхем несколько, если они должны взаимодействовать друг с другом, обмениваться информацией? Решая эти вопросы, разработчики перспективных микросхем пришли к мысли о необходимости введения общей шины и протокола обмена информацией по ней. Известные по компьютерной технике шины оказались здесь совершенно негодными в силу своей сложности.

Для этих целей фирмой Philips была разработана шина Inter-Integrated Circuit Bus (сокращенно I2С). Принадлежа к классу шин с последовательным способом передачи данных, отличаясь чрезвычайной простотой реализации, шина стала быстро развиваться. Сегодня и другие фирмы, оценившие по достоинству возможности шины, поддерживают ее своей продукцией.

1. Составление схемы электрической структурной цифрового термометра


На основании анализа схемы электрической принципиальной были выделены основные функциональные элементы, и разработана схема электрическая структурная, представленная на рисунке 1.1.

DT1 - Блок измерения температуры в помещении

DT2 - Блок измерения температуры на улице

Рисунок 1.1 - Схема электрическая структурная

микроконтроллер электрический микросхема индикатор

Схема электрическая структурная содержит: микроконтроллер, блок измерения температуры, ЖК-индикатор, модуль сброса, модуля регулировки контрастности, генератор тактовой частоты и внешний источник питания.

Блок измерения температуры предназначен для измерения температуры. Он состоит из двух микросхем: DT1 и DT2. Модуль сброса предназначен для сброса микроконтроллера. Микроконтроллер управляет работой блока измерения температуры и ЖК-индикатором. ЖК-индикатор отображает информацию о температуре. Модуль регулировки контрастности предназначен для регулировки контрастности отображаемой информации на ЖК-индикаторе. Генератор частоты используется для тактирования микроконтроллера. Термометр питается от внешнего источника +5 В.

2. Составление схемы электрической функциональной

Схема электрическая функциональная представлена на рисунке 2.1.

DT1 - Блок измерения температуры в помещении

DT2 - Блок измерения температуры на улице

-wire bus - Последовательная шина данных

RS - Сигнал сброса

RW - Сигнал данных

DB - Шина данных для индикатора

ADR - Сигнал адреса

WR - Сигнал данных

Icont - Уровень тока влияющий на контрастность

Рисунок 2.1 - Схема электрическая функциональная

При включении питания с небольшой задержкой по времени происходит сброс микроконтроллера и начальная инициализация, затем микроконтроллер работает по программе.

Обмен данными микроконтроллера с блоком измерения температуры происходит по однопроводной последовательной «1-wire bus» шине. C блока измерения температуры на микроконтроллер поступает сигнал RW. С модуля сброса на микроконтроллер поступает сигнал сброса RS. Микроконтроллер «общается» с индикатором по шине DB. По ней передаются сигнал ADR - сигнал адреса и сигнал WR - сигнал данных. Контрастность отображаемой на ЖК-индикаторе информации регулируется посредством изменения тока Icont. Тактирование микроконтроллера осуществляется с помощью кварцевого резонатора с частотой 4.096МГц.

3. Описание элементной базы


Выбор элементной базы проводится на основе схемы электрической принципиальной с учетом изложенных в ПЗ условий и требований. Эксплуатационная надежность элементной базы в основном определяется правильным выбором типа элементов при проектировании и при использовании в режимах, которые не превышают предельно допустимые. Для правильного выбора типа элементов необходимо на основе требований по установке в частности климатических, механических и др. влияний проанализировать условия работы каждого элемента и определить:

·        эксплуатационные факторы (интервал рабочих температур, относительную влажность окружающей среды, атмосферное давление, механические нагрузки и др.);

·        значения параметров и их разрешенные изменения в процессе эксплуатации (номинальное значение, допуск, сопротивление изоляции, шумы, вид функциональной характеристики и др.);

·        разрешенные режимы и рабочие электрические нагрузки (мощность, напряжение, частота, параметры импульсного режима и др.);

·        показатели надежности, долговечности и срока сохранения.

Конденсаторы:

С1 и С2 - конденсаторы К10-17 керамические неполярные постоянной емкости с группой по ТКЕ - Н90, с номинальным напряжением 25В, номинальной емкостью 15 пФ с допуском ±10%. Температурный диапазон от -55 до 80 0C

Резисторы:

R1, R2, R3 - МЛТ резисторы постоянного сопротивления, мощностью 0,125 Вт, номинальным сопротивлениям 10к с допуском ±10%.

R4 - резистор, подбираемый индивидуально в диапазоне от 10 Ом до 250 Ом.

Кварцевые резонаторы:

ZQ - кварцевый резонатор, работающий на частоте параллельного резонанса и 4,096 МГц.

Микроконтроллер PIC16F88

Контроллеры PIC16F88, как и все микроконтроллеры с торговой маркой PICmicro™ основаны на развитой RISC-архитектуре. Они имеют расширенные опции ядра, восьмиуровневый стек и различные внутренние и внешние прерывания. 14-битные слова команд и 8-битные данные передаются независимо, по разделенным шинам памяти и данных. Большинство команд исполняется за один машинный цикл кроме команды переходов, которые исполняются за два цикла. Набор команд состоит из 35 инструкций с интуитивно понятной мнемоникой.

На кристалле расположены 64 байта EEPROM памяти констант с гарантированным сроком хранения данных более 40 лет при отключенном питании, до 68 байт памяти данных (рабочие регистры для хранения переменных). Кристаллы выпускаются с максимальными тактовыми частотами 4МГц и 10МГц, имеют 13 портов ввода / вывода, встроенный таймер / счетчик TMR0, сторожевой таймер WDT, экономичный режим засыпания SLEEP.

Тактовую частоту можно задавать при помощи RC-цепочки, недорогого керамического резонатора или кварцевого резонатора. Может быть подключен также внешний генератор тактовой частоты. Встроенного тактового генератора, тактирующего процессор, нет. От встроенного на кристалл RC-генератора могут тактироваться только таймер / счетчик TMR0 или сторожевой таймер, по выбору.

Варианты корпуса 18-pin DIP, SOIC.

Рисунок 3.1 - Расположение выводов PIC16F88

Таблица 3.1 - Назначение выводов PIC16F88

Обозначение

Тип (I/O/P)

Тип буфера

Назначение

OSC1/CLKIN

16

I

ST/CMOS(3)

Вход для подключения кварцевого резонатора, либо RC-цепочки, либо вход для внешнего тактового генератора

OSC2/CLKOUT

15

О

-

Выход для подключения кварцевого резонатора в режиме работы с кварцем, в ре- жиме RC-генератора на выходе присутствуют импульсы с частотой 1/4 от OSC1

MCLR

4

I/Р

ST

Сброс по низкому уровню на входе. При программировании кристалла - вход напряжения программирования

RA0 RA1 RA2 RA3 RA4/T0CKI

17 18 1 2 3

I/O I/O I/O I/O I/O

TTL TTL TTL TTL ST

RB0/INT RB1 RB2 RB3 RB4 RB5 RB6 RB7

6 7 8 9 10 11 12 13

I/O I/O I/O I/O I/O I/O I/O I/O

TTL/ST(1) TTL TTL TTL TTL TTL TTL/ST(2) TTL/ST(2)

Выводы двунаправленного порта В. К выводам порта могут быть программно подключены внутренние подтягивающие резисторы с Vdd. RB0/INT может быть также программно настроен как вход внешнего прерывания. RB4…RB7 могут быть также программно настроены как входы прерывания по изменению уровня на любом из этих входов. Направление изменения задается программно. При программировании кристалла RB6 используется как тактовый, RB7 как вход / выход данных.

Vss

5

Р

-

Общий провод

Vdd

14

Р

-

Положительное напряжение питания


Обозначения: I - Вход, О - Выход, I/O - Вход / Выход, Р - вывод питания,- стандартный TTL вход, ST - вход с триггером Шмитта.

Примечания:

. Триггер Шмитта на входе применяется, только если вывод сконфигурирован, как вход внешнего прерывания.

. Триггер Шмитта на входе применяется только в режиме последовательного программирования кристалла.

. Триггер Шмитта на входе применяется, только если включен режим RC-генератора, в остальных случаях как CMOS вход.

Микроконтроллеры PIC16F88 могут программироваться непосредственно на плате устройства, что позволяет отлаживать программу либо записывать константы и калибровочные данные. Для программирования на плате необходимо максимум пять проводов: питание +5В, напряжение программирования, последовательные данные, тактирующие импульсы и общий. Память программ только встроенная.

Таблица 3.2 - Электрические параметры

Параметр

Значение

Примечание

Рабочая температура Та,°С

0… +40 -40… +85

Коммерческое исполнение. Индустриальное исполнение

Максимальная тактовая частота Fosc, МГц

4 20

PIC16F88-4 PIC16F88-20

Напряжение питания Vdd, B

2,0… 6,0 4,0… 6,0

PIC16LF88 PIC16F88

Потребляемый ток в стандартном режиме Idd, мА

1,8…4,5 5… 10

Fosc=4 МГц, Vdd=5.5 В Fosc=20MГц, Vdd=5.5B

Потребляемый ток в стандартном режиме Idd, мA

1…4 15… 45

Fosc=2 МГц, Vdd=5.5 В Fosc=32 кГц, Vdd=2.0 В, WDT отключен

Потребляемый ток в режиме SLEEP Ipd, мкА для PIC16F88

7… 28 1… 16 1… 14

Vdd=4 В, WDT вкл., инд. Vdd=4 В, WDT выкл., инд. Vdd=4 В, WDT выкл., комм.

Потребляемый ток в режиме SLEEP Ipd, мкА для PIC16F88

3… 16 0,4…9 0,4… 7

Vdd=2 В, WDT вкл., инд. Vdd=2 В, WDT выкл., инд. Vdd=2 В, WDT выкл., инд.

Максимальный втекающий ток для любого вывода, мА

25

Управление светодиодами без дополнительного буфера (но с резистором!)

Максимальный вытекающий ток для любого вывода, мА

20

Управление светодиодами без дополнительного буфера (но с резистором!)

Количество циклов стирание / запись для флэш-памяти программ, не менее

368х8


Количество циклов стирание / запись для памяти данных EEPROM, не менее

256х8


 

Микросхема DS18B20

Основные параметры микросхемы и расположение выводов представлены на рисунке 3.9 и в таблице 3.3. Структура микросхемы представлена на рисунке 3.2.

Таблица 3.3 - Особенности микросхемы

Рисунок 3.2 - Назначение выводов

Рисунок 3.3 - Структура

B20 цифровой термометр с программируемым разрешением, от 9 до 12-bit, которое может сохраняться в EEPROM памяти прибора. DS18B20 обменивается данными по 1-Wire шине и при этом может быть как единственным устройством на линии, так и работать в группе. Все процессы на шине управляются центральным микропроцессором.

Диапазон измерений от -55°C до +125°C и точностью 0.5°C в диапазоне от -10°C до +85°C. В дополнение, DS18B20 может питаться напряжением линии данных («parasite power»), при отсутствии внешнего источника напряжения. Микросхема DS18B20 может быть локально запитана от 3.0 В до 5.5 В или она может быть сконфигурирована таким образом, чтобы быть запитанной посредством 1-проводной линии данных.

Каждая микросхема DS18B20 имеет уникальный 64-битный последовательный код, который позволяет, общаться с множеством датчиков DS18B20 установленных на одной шине. Такой принцип позволяет использовать один микропроцессор, чтобы контролировать множество датчиков. При использовании в качестве термостата, DS18B20 отличается наличием во внутренней энергонезависимой памяти (EEPROM) программируемых пользователем установок по превышению температуры (TH) и по понижению температуры (TL). Это будет исполнено, когда измеренная температура больше чем TH или меньше чем TL. Для терморегулирования не требуется, два байта энергонезависимой памяти (EEPROM) зарезервированные и могут быть использованы для энергонезависимого хранения информации общего назначения.

Таблица 3.4 - Функциональные команды DS18B20


Примечания:

) При паразитном питании DS18B20s, Главное устройство должно выдать на шину «сильную» 1 в течение температурного преобразования и копирования ОЗУ в ПЗУ. Никакая другая операция на шине в это время не может выполняться.

) Все три байта должны быть сохранены в ПЗУ прежде, чем будет сброс.

При использовании резистора 1 кОм длина кабеля 200 метров. При чтении температуры до команды температурного преобразования читается число 85.B20 предлагается в ТО-92, 150mil, 8-контактном SOIC, и 1.98 мм х 1.37 мм корпусе с шариковыми выводами (изготовленном методом перевёрнутых кристаллов). Микросхема в корпусе с шариковыми выводами рассчитана на точность ±2.0°C.

ЖК-индикатор MT10T9

Жидкокристаллический модуль MT-10T9 состоит из БИС контроллера и ЖК панели. Модуль может отображать 10 знакомест. Любой сегмент любого знакоместа можно включать и выключать независимо от остальных сегментов. Регистры данных в БИС делятся на две тетрады: SGx(L) и SGx(H). Запись данных в знакоместо производится за два такта: сначала в младшую тетраду, затем в старшую.

Контрастность индикатора зависит от напряжения питания модуля. Управление контрастностью производится подключение внешнего резистора на вывод V0.

Rвнеш=0 - MAX контрастность,

Rвнеш=∞ - MIN контрастность.

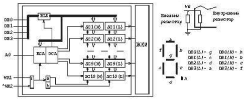
Рисунок 3.4 - Структурная схема модулей

Таблица 3.5 - Назначение внешних выводов


Рисунок 3.5 - ЖК модуль МТ-10Т9

Описание интерфейса ЖКИ модуля

Сначала на шине выставляется адрес необходимого знакоместа, который фиксируется в регистре адреса при низком уровне на входе A0 соответствующим сигналом WRx. Входы WR1 и WR2 защелкивают информацию, стоящую на шине, во внутренних регистрах статического типа. Внутри БИС эти входы объединены по схеме WR1 & WR2. Таким образом, информация запишется только при W1=» H» и WR2=» L» одновременно. Такое решение позволяет осуществлять функцию CS (выбор кристалла) при большом количестве модулей на шине, или если на шине имеются другие устройства.

При записи адреса знакоместа указатель тетрады сбрасывается в положение SGx(L). Запись данных производится в младшую тетраду при высоком уровне сигнала на входе A0 сигналом на входе WRx. Поэтому же сигналу указатель тетрады данных переключается в положение SGx(H), сохраняя при этом тот же адрес знакоместа. Данные в старшую тетраду SGx(H) записываются аналогично младшей тетраде SGx(L). При записи второй тетрады содержимое регистра адреса инкрементируется и можно записывать данные в следующее знакоместо без записи адреса.

По адресу 0Fh расположен триггер блокировки шины. Запись в него DB0=» L» вызывает блокировку записи в БИС адресов и данных на 30 сигналов WRx. Разблокировка шины производится записью DB0=» H» по адресу 0Fh.

После подачи питания содержимое регистров SGx неопределенно, поэтому при включении питания необходимо сделать программную очистку регистров. Состояние триггера блокировки тоже неопределенно, поэтому перед началом ввода информации на индикатор, необходимо произвести разблокировку шины. Разблокировка шины производится записью DB-0=» H» по адресу 0Fh.

Таблица 3.6 - Характеристики ЖК модуля по постоянному току


4. Описание схемы электрической принципиальной

Схема электрическая принципиальная представлена на чертеже №2.

Модуль термометра выполнен на: двух микросхемах DS18B20, одна из которых передаёт данные с улицы, а другая - из помещения; резисторах R1, R2 предназначенных для нормальной работы микросхем.

Блок микроконтроллера выполнен на: микроконтроллере PIC16F88; кварцевом резонаторе ZQ; конденсаторах С1, С2; резисторе R3. Кварцевый резонатор ZQ и конденсаторы C1, C2 - элементы тактового генератора микроконтроллера. Кварцевым резонатором ZQ задается тактовая частота микроконтроллера, конденсаторы С1 и С2 необходимы для нормальной работы генератора. Резистор R3 обеспечивает сброс микроконтроллера.

Модуль индикатора представляет собой ЖК-индикатор MT10T9 и резистор R4. Резистор R4 предназначен для регулировки контрастности информации на дисплее.

Питается устройство от внешнего источника +5В.

При включении питания происходит инициализация микроконтроллера DA1 в котором выполняется программа начального запуска. Затем для проверки LCD дисплея на него подается сигнал, который выводит на все ячейки дисплея число 8. Затем на вход 17 МК поступают данные с датчика T2. Тоже самое происходит и с датчиком Т1. В МК выполняются операции которые выдаются для пользователя на дисплей LCD1 через выводы МК.

Рисунок 4.1 - Схема электрическая принципиальная

 

5. Описание работы с устройством


При включении питания Термометр отображает температуру в помещение и на улице.

Перед численным значением температуры дома ставится символ «d», перед значением температуры на улице - символ «u». При отрицательном значение температуры между символом «u» и значением температуры ставится знак «- «.

Рисунок 5.1 - Вид отображения информации

Термометр представляет собой компактное устройство, предназначенное для кратковременного включения с целью просмотра температуры.

Заключение

В ходе выполнения курсовой работы был разработан «Термометр». В пояснительной записки представлены схемы: электрическая структурная, электрическая функциональная, электрическая принципиальная с описанием. Также приведено описание всей элементной базы устройства, приведено описание работы пользователя с устройством.

Применение микроконтроллера PIC16F88 и специализированных микросхем DS18B20 позволило создать компактное, эргономичное устройство с минимальными массогабаритными и экономическими показателями.


Список использованных источников

1. www.promelec.ru;

2.       www.integral.by;

3.       www.microchip.ru.

.        www.chipdip.ru/product/mt-10t9-7tlg.aspx;

Похожие работы на - Шина Inter-Integrated Circuit Bus

 

Не нашли материал для своей работы?
Поможем написать уникальную работу
Без плагиата!
Без нейросетей!