Создание модели горизонтальной платформы с использованием интегрированной среды разработки Trace Mode 6
Введение
Важными показателями уровня организации промышленной безопасности на
производстве являются количественные оценки аварий и несчастных случаев с
тяжелыми последствиями, в том числе со смертельным исходом. Изменение этих
оценок характеризует эффективность принимаемых мер со стороны государства. В
связи с широким применением грузоподъемных кранов и значительным количеством
аварий и несчастных случаев при их эксплуатации представляет интерес анализ
показателей производственного травматизма и аварийности применительно к этим
машинам с учетом тенденций количественного и качественного изменения их парка
Согласно статистическим данным Ростехнадзора России, производственный
травматизм и аварийность на подъемных сооружениях занимают третье место (после
травматизма в угольной и горнорудной промышленности) и составляет примерно 90
аварий в год.
Приведенная статистика свидетельствует о необходимости поиска
дополнительных методов снижения аварийности и повышения безопасности парка
грузоподъемных кранов.
Обеспечение устойчивости грузоподъемных машин (ГПМ) является важнейшим
условием при разработке систем управления их рабочими операциями.
Это связано:
во-первых, с тем, что около половины всех аварий мобильных ГПМ связано с
их опрокидыванием,
во-вторых, с тем, что потеря устойчивости приводит, как правило, к
разрушению самой машины без возможности ее дальнейшего восстановления, а также
возможным вторичным разрушениям и человеческим жертвам. Особенно это важно,
когда по тем или иным причинам грузоподъемная машина в процессе эксплуатации
испытывает на себе ненормируемые внешние воздействия, представляющие собой
просадку почвы под выносными опорами, ветровые нагрузки, ошибки оператора-
крановщика.
В настоящий момент наиболее распространенным устройством, позволяющим контролировать
устойчивость установки, является ограничитель грузового момента, работающий в
индикаторном режиме, и не влияющий на управление машиной до момента достижения
критического значения устойчивости. Использование такой системы может привести,
вследствие динамических нагрузок при резком трогании груза, в худшем случае - к
опрокидыванию, в лучшем - к остановке работы с грузом, который мог бы быть поднят при более плавном разгоне. В то же время ручное
регулирование скорости может привести к тому, что более легкий груз будет
перемещаться медленней, чем того требуют условия безопасности. При большом
числе рабочих циклов с однородным грузом это может привести к значительным
потерям рабочего времени, которого можно было бы избежать при автоматическом
регулировании силы, приложенной к грузу со стороны рабочих механизмов.
Таким образом, задача создания автоматизированной системы управления ГПМ, обеспечивающей максимум эксплуатационной
производительности при сохранении условий устойчивости является актуальной. Система
должна выполнять следующие функции: постоянный контроль параметров ГПМ и
внешних факторов, влияющих на устойчивость; определение текущего значения
предельно допустимой нагрузки; выработка управляющих сигналов на исполнительные
механизмы ГПМ, обеспечивающих сохранение условия устойчивости; адаптация
алгоритмов управления к изменяющимся внешним условиям; прогнозирование
возможной просадки грунта под опорами ГПМ и заключение
о возможности продолжения данного вида работ на данной площадке; аварийное
отключение исполнительных механизмов и коррекция положения опорного контура и
параметров ГПМ.
Цель работы. Повышение уровня эксплуатационной производительности и
безопасности производства погрузоразгрузочных работ, выполняемых мобильными
ГПМ, при ненормируемых внешних воздействиях путем мониторинга грузовой
устойчивости и стабилизации опорного контура.
В первую очередь, исследования затрагивают мобильные ГПМ, работающие, как
правило, на неподготовленных площадках с ограниченным рабочим пространством.
Однако, вследствие подверженности других типов свободностоящих ГПМ тем же
внешним возмущающим факторам, для них применимы те же принципы обеспечения
устойчивости, а разрабатываемая система может быть к ним приспособлена при
внесении корректировок в алгоритмы управления, содержащиеся в памяти
управляющего устройства.
Достовериость научных положений и выводов подтверждается корректным
использованием фундаментальных положений теории грузовой устойчивости,
адекватностью разработанной математической модели реальным процессам,
подтверждением полученных теоретических результатов данными эксперимента и
результатами промышленной апробации.
1. Описание модели
Физическая модель
В качестве физической модели была создана установка,
имитирующая одну из диагоналей платформы . Модель состоит из двух вертикальных
штанг, соединенных балкой, имитирующей одну из диагоналей платформы. При помощи
реверсивных электродвигателей штанги могут подниматься или опускаться
независимо друг от друга.
Направление вращения каждого двигателя определяется
комбинацией включения и отключения пар управляющих реле, которые меняют
полярность подключения. Управляющая обмотка реле подключена к выходам
регулятора.
1.1 Элементы САР
В САР также применены: преобразователь интерфейса АС4, модуля ввода
сигналов тензодатчиков МВ110-224.4ТД, тензодатчики номиналом 244 Ом. Ниже
приводятся их краткие технические характеристики.
1.1.1 Технические характеристики АС4

1.1.2
Технические характеристики МВ110-224.4ТД
|
Питание
|
|
Напряжение питания
|
от 90 до 245 В переменного тока (номинальное напряжение 220
В) частотой от 47 до 63 Гц или от 20 до 60 В постоянного тока (номинальное
напряжение 24 В)
|
|
Потребляемая мощность, ВА, не более
|
5
|
|
Входы
|
|
Количество каналов измерения
|
4
|
|
Разрядность АЦП, бит
|
24
|
|
Схема подключения мостового тензодатчика
|
четырех- или шестипроводная
|
|
Сопротивление тензодатчика, Ом
|
от 87 до 1000
|
|
Максимальная нагрузка (нескольких параллельно подключенных
тензодатчиков) на один канал, Ом, не менее
|
87 (четыре датчика сопротивлением 350 Ом)
|
|
Номинальное напряжение питания (возбуждения) тензодатчика
от встроенного источника постоянного тока, В
|
2,5
|
|
Максимальная длина кабеля между прибором и датчиком
(дополнительная приведенная погрешность не более 1%), м, не более
|
100
|
|
Время обновления данных измерений в канале для
МВ110-224.4ТД, мс, не более:
|
|
- в режиме с возбуждением датчика постоянным напряжением:
|
|
включен один измерительный канал
|
130
|
|
включены два измерительных канала
|
135
|
|
включены три измерительных канала
|
210
|
|
включены четыре измерительных канала
|
280
|
|
- в режиме с возбуждением датчика знакопеременным
напряжением:
|
|
включен один измерительный канал
|
260
|
|
включены два измерительных канала
|
320
|
|
включены три измерительных канала
|
500
|
|
включены четыре измерительных канала
|
630
|
|
Время установления рабочего режима (предварительный
прогрев), мин, не более
|
20
|
|
Интерфейс
|
|
Интерфейс связи с компьютером
|
RS-485
|
|
Скорость передачи данных, кбит/с
|
2.4, 4.8, 9.6, 14.4, 19.2, 28.8, 38.4, 57.6, 115.2
|
|
Протокол передачи данных
|
ОВЕН Modbus RTU Modbus ASCII DCON
|
|
Корпус
|
|
Габаритные размеры корпуса
|
139×110×74
мм
|
|
Степень защиты корпуса
|
|
Температура окружающего воздуха
|
-10...+55 °С
|
Для корректной работы системы необходимы следующие элементы:
1. реле RE-403DLTU
. блок питания БП14-Д4.2
. БП30Б-Д3
. панель оператора СМИ-1
Ниже представлены их краткие характеристики
1.1.3 Технические характеристики
СМИ-1
.1.4 Технические характеристики БП07,БП14
Таблица 2.5 Технические характеристики БП30
1.1.5 Установка

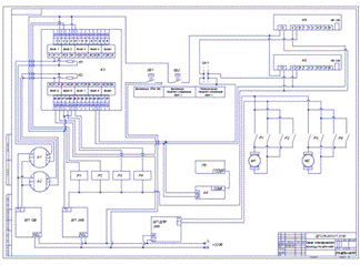
.1.6 Схема автоматизации
Перечень использованного оборудования.
а Датчик углового положения УИМ-15М
б Датчик высотного положения ДВП-П
в,1д Блок реле
г ТРМ148
э, 1ж СМИ1
к Адаптер сети АС3
и,1к Двигатель постоянного тока ДПР-74
л, 1м Измеритель сигналов ТИП-10.
1.1.7 Схема электрическая принципиальная
2. Экспериментальная часть
2.1 Структура проекта
|
№
|
Название
|
тип
|
|
1
|
Уставка
|
канал_float
|
|
2
|
Опора_2
|
канал_float
|
|
3
|
Параметр
|
канал_float
|
|
4
|
Руч_упр
|
канал_float
|
|
5
|
Опора_3
|
канал_float
|
|
6
|
Опора_4
|
канал_float
|
|
7
|
РУ_УПР
|
канал_float
|
|
8
|
Задание_2
|
канал_float
|
|
9
|
Задание_3
|
канал_float
|
|
10
|
Приветствие
|
канал_float
|
|
11
|
Угол_наклона
|
канал_CALL
|
|
12
|
Слой_УР
|
канал_CALL
|
|
13
|
Слой_граф
|
канал_CALL
|
|
14
|
Слой_модель
|
канал_CALL
|
|
15
|
канал_CALL
|
|
16
|
Датчик_положения
|
канал_CALL
|
|
17
|
Слой_приветствие
|
канал_CALL
|
|
18
|
Проект
|
канал_CALL
|
|
19
|
Слой
|
канал_CALL
|
|
20
|
Главная
|
канал_CALL
|
|
21
|
Информация
|
канал_CALL
|
грузоподъемный машина модель схема
|
№
|
Имя
|
Тип
|
Тип данных
|
|
1
|
Задание
|
In
|
Real
|
|
2
|
Пуск
|
In
|
Bool
|
|
3
|
Out
|
Out
|
Real
|
|
4
|
Опора_2
|
Out
|
Real
|
|
5
|
Руч_упр
|
In/out
|
Real
|
|
6
|
Опора_3
|
Out
|
Real
|
|
7
|
Задание_2
|
In
|
Real
|
|
8
|
Опора_4
|
Out
|
Real
|
|
9
|
Задание_3
|
In
|
Real
|
Использованные аргументы в программе_2:
|
№
|
Имя
|
Тип
|
Тип данных
|
|
1
|
уставка
|
In
|
Real
|
|
2
|
In
|
Bool
|
|
3
|
Канал_25
|
Out
|
real
|
Использованные аргументы в программе_3:
|
№
|
Имя
|
Тип
|
Тип данных
|
|
1
|
уставка
|
In
|
Real
|
|
2
|
Пуск
|
In
|
Bool
|
|
3
|
Параметр
|
In
|
Real
|
|
4
|
Разность
|
Out
|
Real
|
Созданные слои на экране:
|
№
|
Имя
|
|
1
|
Информация
|
|
2
|
Главная
|
|
3
|
Проект
|
|
4
|
Модель
|
|
5
|
График
|
|
6
|
РУ
|
|
7
|
АУ
|
|
8
|
Слой
|
Использованные элементы в проекте:
|
№
|
Название
|
Количество, шт
|
|
1
|
Выключатель_0
|
8
|
|
2
|
Выключатель_5
|
4
|
|
3
|
Выключатель_6
|
1
|
|
4
|
Стрелочный прибор
|
2
|
|
5
|
Ползунок
|
2
|
|
6
|
Кнопка
|
11
|
|
7
|
Архивный тренд
|
|
8
|
Отчет тревог ОТ узла
|
1
|
|
9
|
Цилиндр
|
6
|
|
10
|
Емкость
|
3
|
Управляемые переменные - подача давления в аутригеры
Контролируемые переменные - угол отклонения от горизонтали, положение платформы
2.2 Создание проекта
2.2.1 АУ
Для корректной работы составной части программы необходимо создать
функциональную основу, для чего создаем компонент «программу» и выбираем язык
программирования FBD
Добавляем функциональные блоки из встроенного набора:
Создаем аргументы программы:
Привязываем их соответственно к необходимым каналам:
Добавив все необходимые компоненты и коэффициенты, получим:
Проверяем верность соединений с помощью кнопки компиляция и диалогового
окна:
Программа скомпилирована успешно.