Розробка програмного забезпеченння для контролера

  • Вид работы:
    Курсовая работа (т)
  • Предмет:
    Информационное обеспечение, программирование
  • Язык:
    Украинский
    ,
    Формат файла:
    MS Word
    1,86 Мб
  • Опубликовано:
    2014-01-28
Вы можете узнать стоимость помощи в написании студенческой работы.
Помощь в написании работы, которую точно примут!

Розробка програмного забезпеченння для контролера

1. Розроблення алгоритмічної структури

Алгоритмічна структура алгоритму керування складається для кращого розуміння алгоритму управління, систематизації і структурування обробки інформації, а також вироблення необхідної послідовності керуючих дій для забезпечення нормального функціонування об’єкта. Алгоритмічна структура алгоритму керування є універсальним носієм інформації і не залежить від контролера, на якому цей алгоритм буде реалізований.

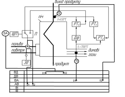
Оскільки даний технологічний процес є неперервним, тому доцільно провести розробку схеми керування технологічним об’єктом. Як бачимо в схемі АСК тепловим режимом трубчатої печі суміщені дві схеми регулювання температури вихідного продукту за витратою палива, які вибираються при допомозі щитового перемикача ЩП на два положення (контур 1 або контур 2). В першому контурі, сигнал з давача температури виходу (t=450 °С)іде на регулятор температури РТ1. Також на цей регулятор поступає сигнал по температурі димових газів (tг=700 °С), що пройшов блок диференціювання Дф. Сигнал з давача температури виходу (t=450 °С) також надходить на коректуючий регулятор РТ1, який в свою чергу формує завдання для регулятора температури РТ2 димових газів. До РТ2 ще надходить сигнал по температурі димових газів (tг=700 °С). Виходи обох контурів можуть подаватися на виконавчий механізм регулюючого клапана Кл1 на лінії подачі палива в залежності від положення щитового вимикача ЩП. Подачу повітря (степінь відкриття заслінки) регулюємо ручним за датчиком через контролер.

Схема керування технологічним об’єктом наведена на рис. 1.1.

Рис. 1.1 - Схема керування технологічним об’єктом

2. Вибір конфігурації контролера і схем підключення

.1 Вибір технічних засобів автоматизації

Вибір технічних засобів будемо здійснювати на основі структурної схеми автоматизації трубчатої печі. Усі регулятори реалізуємо програмно на мікропроцесорному контролері МІК-51.

Мікропроцесорний контролер МІК-51

МІК-51 - це компактний малоканальний багатофункціональний мікропроцесорний контролер, призначений для автоматичного регулювання та логічного управління технологічними процесами. Він призначений для застосування в електротехнічній, енергетичній, хімічній, металургійній, харчовій, цементній, скляній та інших галузях промисловості.

Архітектура контролера забезпечує можливість вручну або автоматично включати, відключати, перемикати і реконфігурувати контури регулювання, причому всі ці операції виконуються безударно незалежно від складності структури управління. У поєднанні з обробкою аналогових сигналів контролер МІК-51 дозволяє виконувати також логічні перетворення сигналів і виробляти не тільки аналогові або імпульсні, але і дискретні команди управління. Логічні функціональні блоки формують логічну програму крокового управління із завданням контрольного часу на кожному кроці. У поєднанні з обробкою дискретних сигналів контролер дозволяє виконувати також різноманітні функціональні перетворення аналогових сигналів і виробляти не тільки дискретні, але і аналогові керуючі сигнали.

МІК-51 містить засоби оперативного управління, розташовані на лицьовій панелі (рис. 1.1) контролера. Ці засоби дозволяють вручну змінювати режими роботи, встановлювати завдання, управляти ходом виконання програми, вручну управляти виконавчими пристроями, контролювати сигнали і показувати помилки.

Стандартні аналогові і дискретні датчики і виконавчі пристрої підключаються до контролера МІК-51 за допомогою індивідуальних кабельних зв'язків. Усередині контролера сигнали обробляються в цифровій формі.

Рис. 2.1 - Загальний вигляд контролера МІК - 51

Всі зовнішні ланцюги, крім ланцюгів електроживлення, підключаються до контролера за допомогою клемно-бл очних з'єднувачів КБЗ. Клемно-блочні з'єднувачі підключаються до контролера через роз'єм розташований на задній стінці приладу. Всі зовнішні ланцюги підключаються до контролера МІК-51 через 3 роз'єми розташованих на задній стінці приладу.

Клемно-блочні з'єднувачі призначені для монтажу на рейку DIN35x7, 5 EN50022.

Схема підключення контролера МІК-51 залежить від модифікації клемно - блочного з'єднувача.

Рис. 2.2 - Клемно-блочний з’єднувач КБЗ - 29 - 01

Контролер МІК-51 являє собою комплекс технічних засобів. До його складу входить центральний мікропроцесорний блок контролера, клемно - блочний з'єднувач та модуль розширення.

Для вибору моделі контролера і його конфігурації необхідно визначитись з переліком технічних засобів автоматизації, які будуть використовуватись для реалізації алгоритму управління. При цьому дуже важливо знати параметри сигналів від датчиків і на виконавчі механізми. На рис. 2.1 наведена спрощена функціональна схема автоматизації на якій показані датчики і виконавчі механізми, а також типи сигналів для їх підключення до мікропроцесорного контролера (МІК-51)

Рис. 2.3 - Спрощена схема автоматизації трубчастої печі: ВД - входи дискретні; ДВ - виходи дискретні; ВА - входи аналогові; АВ - аналогові виходи; ВІ - входи імпульсні; ІВ - імпульсні виходи

Вибір технічних засобів для реалізації алгоритму управління:

·        Для вимірювання температури димових газів tг=700 °С (ТЕ) - термометр опору (ТСПУ-9304) з вбудованим нормуючим перетворювачем і вихідним сигналом 0 - 20 мА. Вхідний аналоговий сигнал (01)

·        Для вимірювання температури виходу продукту t=450 °С (ТЕ) - термометр опору (ТСПУ 002-10) з вбудованим нормуючим перетворювачем і вихідним сигналом 0 - 20 мА. Вхідний аналоговий сигнал (02)

·        Перемикач (контура регулювання) (SА) - два вхідних дискретних сигнали: 01 - при виборі контура №1, 02 - при виборі контура №2

·        Клапан Кл 1 - пневматичний клапан з аналоговим електропневматичним перетворювачем. Управляючий сигнал 0 - 20мА. Аналоговий вихідний сигнал - 02

·        Клапан відсікаючий (заслінка) - пневматичний клапан з аналоговим електропневматичним перетворювачем. Управляючий сигнал 0 - 20 мА. Аналоговий вихідний сигнал - 01

Стисла технічна характеристика підібраних технічних засобів автоматизації

Короткі технічні характеристики термоперетворювача опору ТСПУ 002-10:

Область застосування, контрольоване середовище: вихідний сигнал: 4…20 мА; рідкі та газоподібні середовища.

Межі виміру,: -50… +500°С

Довжина монтажної частини, мм - 80…3150

Клас допуску - А; похибка ±0,1% від 1 вих

Показник теплової інерції, 40 с

Матеріал арматури: ст. 12Х18Н10Т

Живлення: 9…40 В постійного струму

Виконання IP54

Конструкція: без штуцера; арматура d-8; 10; з штуцером М20х1, 5; d-8; 1 0; укомплектований вбудованим вимірювальним перетворювачем ПІ 01.02

Маса, кг

,6 (монтажна довжина 1 м)

Термін служби - 9 років

ГОСТ, ТУ

ТУ 4211-005-02566817-97

№Держреєстру, сертифіката

-97

Рис. 2.4 - ТСПУ 002-10

Короткі технічні характеристики термоперетворювача опору ТСПУ - 9304:

Форма подання інформації: вихідний сигнал: 4…20 мА

Межі виміру: -50… +1000°С

Довжина монтажної частини: мм - 80…3000

Похибка вимірювання: 0,4…1,5

Живлення: 12… 36 В

Виконання: ПМ4; кліматичне: У3.1, -50… +50°С

Термін служби: 9 років

Конструкція: електронний блок вбудовується в головку первинного перетворювача; підключення приладу через роз'єм 2РМ14, або через клемні колодки; напруга живлення з блоку БППТ24.

Рис. 2.5 - ТСПУ -9304

Короткі технічні характеристики регулюючого клапана пневматичного РК-07:

призначення: для палива.

Робоче середовище Т -30… +100°С

Діаметр умовного проходу, Ду 100; 150; 200; 250 мм

Умовний тиск, Ру 20…100 кПа

Умовна пропускна здатність, Кv 40, 80, 160, 380м3 / ч

Технічні характеристики max витрата робочого середовища: 12… 36Нм3 / год;

Час закриття / відкриття: 40… 60с

Виконання загальнопромислове

Умови експлуатації -30… +60°С

Конструкція тип приводу ПВРОВ-125/60-0, 75;

Герметичність в затворі - клас щільності А

Габаритні розміри, мм 1250х505х588 (max)

Маса, кг 153…248

Термін служби: 12 років

ГОСТ, ТУ ГОСТ Р ІСО 9001-96

№Держреєстру, сертифіката №6300.3100/RU

Рис. 2.6 - Загальний вигляд РК-07

До цього клапана вибираємо аналоговий електропневматичний перетворювач ЕП - 0040: призначення: перетворення уніфікованого безперервного сигналу постійного струму в уніфікований пропорційний пневматичний безперервний сигнал.

Параметри ЕП - 0040 перетворювачі електропневматичні

Робоче середовище повітря під тиском

Вхідний сигнал: 4…20 мА

Вихідний сигнал 20…100 кПа (пневматичний аналоговий)

Вхідний опір 610±30 Ом (0…5А);

± 15 Ом (0…20, 4…20 мА)

Похибка ± 0,25; ±0,5; ±1,0%

клас точності 0,5

Технічні характеристики параметри вібрації: частота 25 Гц; амплітуда 0,1 мм; витрата повітря живлення не більше 2 л/мін

Живлення номінальний тиск повітря харчування 140 кПа

Споживана потужність -

виконання загальнопромислове

Умови експлуатації +5… +60°С, вологість до 80% (до 98% тр.ісп.)

Габаритні розміри, мм 36х48х130

Маса, кг 0,4

Термін служби 10 років

ГОСТ, ТУ ТУ 25-7304-008-87

№Держреєстру, сертифіката №Держреєстру 11051-87

Короткі технічні характеристики клапана відсікаючого ОК-30: призначення: управління газовими потоками в автоматизованих системах управління технологічними процесами хімічних виробництв, у тому числі в установках виділення кисню з атмосферного повітря методом короткоціклоновой безнагревной адсорбції (КБА).

Параметри ОК - 30 клапан відсікаючий

Робоче середовище Т +10… +40 ° С

Діаметр умовного проходу, Ду 30 мм

Умовний тиск, Ру 20… 100 кПа

Умовна пропускна здатність, Кv 8,1 м3 / ч

Термін служби: 12 років

Живлення постійний струм: 24В (ОК - 30); 48В (ОК - 30 -01); 100В (ОК - 30 -02); 110В (ОК - 30 -03); 220В (ОК - 30 -04);

змінний струм: 24В (ОК - 30 -05); 100В (ОК - 30 - 06); 220В (ОК - 30 -07)

Споживана потужність 7ВА

Конструкція нормально закритий;

приєднання керуючого тиску здійснюється трубками з матеріалу, стійкого до робочого і навколишнього середовищ;

вид управління - електромагнітний

Габаритні розміри, мм діаметр 124х203

ГОСТ, ТУ 5Д2.507.011 ТУ

Рис. 2.7 - Загальний вигляд ОК - 30

До цього клапана вибираємо аналоговий електропневматичний перетворювач ЕП - 0030:

призначення: перетворення уніфікованого безперервного сигналу постійного струму в уніфікований пропорційний пневматичний безперервний сигнал

Параметри ЕП - 0030 перетворювачі електропневматичні

Робоче середовище повітря під тиском

Вхідний сигнал 0… 5, 0… 20, 4… 20мА

Вихідний сигнал 20… 100кПа (пневматичний аналоговий)

Вхідний опір 610 ± 30 Ом (0… 5А);

± 15 Ом (0… 20, 4… 20мА)

Похибка ± 1,0%

клас точності 1,0

Технічні характеристики параметри вібрації: частота25Гц; амплітуда 0,35 мм;

витрата повітря живлення не більше 2 л/мін

Живлення номінальний тиск повітря живлення 140кПа

Споживана потужність -

Виконання корозійностійке;

пиловологозахищені: IP54

Умови експлуатації -50… +60 ° С, вологість до 95% (до 100% тр.ісп.)

Габаритні розміри, мм 55х105х165

Маса, кг 1,2

Термін служби 10 років

ГОСТ, ТУ ТУ 25-7304-008-87

№Держреєстру 11051-87

Для перемикання контурів регулювання використовуємо тумблер TSM102A1

Тип корпусу:

Виробник: NINIGI

Рис. 2.8 - Перемикач (тумблер) TSM102A1

.2 Конфігурування МПК і схеми підключення зовнішніх пристроїв

Як бачимо з вказаного вище для управління об’єктом необхідно сконфігурувати МПК який забезпечує підключення: 2 дискретних вхідних сигнали, 2 вхідних аналогових сигнали 4 - 20 мА і 2 аналогових вихідних сигнали 4-20 мА.

Для реалізації алгоритму управління на базі ПЛК МІК-51 у відповідності з типами і кількістю зовнішніх сигналів може бути вибрана регулююча модель МІК-51-04, що укомплектовується модулем розширення МР -51-04.

Рис. 2.9 - Модуль розширення МР -51-04

Базова модель контролера МІК-51 має 4 аналогових входи. З них 2 входи - універсальні, тобто до них можна підключати різні типи датчиків. Наприклад стандартні термометри опору, термопари та ін. До 2-х інших можна підключати датчики, виходом яких є уніфікований електричний сигнал.

Перетворення сигналів постійного струму 0-5 мА, 0 (4) -20 мА або сигналів постійної напруги 0-10В, 0-5В, 0-2В, 0-1В, 0-200 мВ, 0-100 мВ, 0-75 мВ, 0-50 мВ здійснюється за допомогою нормуючих резисторів, що входять до складу клемно - блочного з'єднувача. Вибір сигналу 0-20 мА або 4 -20 мА здійснюється програмно за допомогою функціонального блоку аналогового введення. Кожен аналоговий вхід гальванічно ізольований від інших аналогових входів та інших ланцюгів контролера.

Підключення аналогових входів за допомогою клемно-блочного з'єднувача КБЗ - 29-01 представлено на рисунку 2.10.

Рис. 2.10 - Підключення аналогових входів за допомогою клемно-блочного з'єднувача КБЗ - 29-01

-JP4 - перемички для налаштування аналогових входів АІ1-АІ4. Положення перемичок JP1 - JP4 на КБЗ-29-01 показано у таблиці 2.1

Таблиця 2.1. Положення перемичок JP1 - JP4 на клемно-блочному з’єднувачі КБЗ-29-01 для налаштування аналогових входів АІ1-АІ4


В нашому випадку використовуємо входи АІ3 і АІ4, що призначені для підключення уніфікованих аналогових сигналів.

При підключенні дискретних входів з використанням КБЗ-29-01 враховуємо, що кожен дискретний вхід гальванічно ізольований від інших дискретних входів і інших ланюцгів контролера. Для живлення дискретних входів потрібне зовнішнє живлення напругою 24В постійного струму.

Підключення дискретних входів за допомогою клемно-блочного з'єднувача КБЗ - 29-01 представлено на рис. 2.11. Тут НІ, Н2, Н3 - Індикатор стану відповідного дискретного входу. Індикатор світиться, якщо на дискретний вхід подано напругу = 24В.

Рис. 2.11 - Підключення дискретних входів за допомогою клемно-блочного з'єднувача КБЗ - 29-01

При підключенні аналогових виходів з використанням КБЗ-29-01 врахуємо, що аналоговий вихід базової моделі контролера є активним, тому для його живлення не потрібне зовнішнє джерело 24 В постійного струму. Аналоговий вихід гальванічно ізольований від інших ланцюгів контролера.

Положення перемичок на платі процесора для налаштування аналогового виходу показано на рисунку 2.12.

Рис. 2.12. Положення перемичок на платі процесора для налаштування аналогового виходу

Підключення аналогових виходів за допомогою клемно-блочного з'єднувача КБЗ-29-01 представлено на рис. 2.13.

Рис. 2.13 - Підключення аналогових виходів за допомогою клемно-блочного з'єднувача КБЗ-29-01

Таким чином, у відповідності з схемою підключення, аналогові сигнали будуть подаватись у контролер на відповідні входи алгоритму вводу AIN і алгоритми виводу АOT, а дискретні сигнали на відповідні входи алгоритмів DIN і DOT.

3. Розроблення прикладного програмного забезпечення для реалізації алгоритму керування

керування контролер автоматизація програмний

Програмування контролера МІК-51 здійснюється у програмному продукті АЛЬФА. У якості мови програмування в контролері МІК-51 використовується мова функціональних блокових діаграм Function Block Diagram (FBD), що надає користувачеві механізм об'єктного візуального програмування.

Функціональний блок - це графічне зображення виклику однієї з функцій. Реалізовані програмно, функціональні блоки утворюють область управління контролера. Функціональний блок є елементарною ланкою FBD-програм.

Контролер містить велику бібліотеку функціональних блоків, достатню для того, щоб вирішувати порівняно складні завдання автоматичного регулювання та логіко-програмного управління. Крім функціональних блоків автоматичного регулювання та логіко-програмного управління в бібліотеці є великий набір функціональних блоків, що виконують динамічні, статичні, математичні, логічні та аналого-дискретні перетворення сигналів.

Частина бібліотечних функціональних блоків виконує особливу задачу: вона пов'язує апаратуру контролера з основною масою функціональних блоків. До цих «зв'язкових» функціональних блоків відносяться:

-        функціональні блоки введення і виведення аналогових і дискретних сигналів,

-        функціональні блоки обслуговування лицьовій панелі,

-        функціональні блоки прийому та передачі сигналів через інтерфейсний канал.

У початковому стані функціональні блоки відсутні і ніякі функції по обробці сигналів контролером не виконуються. Апаратні елементи структури контролера (вхідні та вихідні УСО, лицьова панель, інтерфейсний канал) починають виконувати свої функції лише після того, як будуть використані відповідні функціональні блоки.

На рис. 3.1 наведений можливий варіант програми користувача для контролера МІК-51 на мові функціональних блоків в програмному продукті АЛЬФА (у режимі Print Screen).

Для зв‘язку програми з сигналами зовнішніх пристроїв використані алгоритми інтерфейсного зв‘язку (AIN, DIN, DOT, AOT), підключення до яких зовнішніх пристрої показано у відповідності до вище наведених схем підключення до МІК - 51 (Рис. 2.10; 2.11; 2.13)

Програма працює наступним чином.

Маємо два аналогові сигнали від давачів температури ТЕ1 (t=450 ° С) і ТЕ2 (t=700° С). Для них використовуємо алгоблоки AIN(05).

Сигнал з виходу AIN(05)_1 поступає на вхід PV блока PID(60) (регулятор температури РТ1). Одночасно даний сигнал надходить на вхід PV.М блока PID_CAS(61) (коректуючий регулятор), а також цей сигнал потрапляє на вхід 09DISP1 (дисплей ПАРАМЕТР) блока USER(63)_12 (панель оператора). Сигнал з виходу AIN(05)_2 поступає на вхід PV.S блока PID_CAS(61) (регулятор температури димових газів РТ2). Одночасно цей сигнал іде на вхід INP блоку DERIV(18) (блок диференціювання) звідки іде на вхід CORR_VALL(29) блока PID(60). Так само, як і сигнал від AIN(05)_1, сигнал від AIN(05)_2 потрапляє на вхід 09DISP1 (дисплей ПАРАМЕТР) блока USER(63)_13.

Завдання регулятору PID(60) формує блок за датчика SP(53)_5, в який заноситься потрібне значення уставки. Одночасно з виходу цього блока сигнал поступає на блок USER(63)_12 на вхід 10DISP2 (дисплей ЗАВДАННЯ).

Відповідно для формування завдання регулятору PID_CAS(61) використовуємо два блоки завдання SP(53)_6 і SP(53)_17. Вихід SP(53)_6 ще також іде на вхід 10DISP2 (дисплей ЗАВДАННЯ) блока USER(63)_13.

Вихід регулятора PID(60) 07 OUT іде на вхід 11DISP (дисплей ВИХІД) блока USER(63)_12.

Вихід регулятора PID_CAS(61) 07 OUT іде на вхід 11DISP (дисплей ВИХІД) блока USER(63)_13.

Для того, щоб здійснювати перемикання контурів регулювання використовуємо перемикач (2 дискретних входи, блоки DIN(06)_4 і DIN(06)_7). Виходи цих блоків ідуть на блок MAX(31), який задає номер більшого за значенням сигналу. Вихід блоку MAX (31) 01nNUM з’єднаний з входом nNUM 01 блока MUX (36) (перемикач по номеру). Також на входи INP1 та INP2 цього блока надходять сигнали з виходів OUT регуляторів PID(60) і PID_CAS(61) відповідно. Вихід блока MUX(36) під’єднуємо до входу блока AOT(08) (клапан подачі палива).

Подачу повітря реалізовуємо з використанням панелі оператора USER(63)_15. Вихід цього блока OUT. Sp іде на вхід блока AOT(08) (заслінка подачі повітря). Таким чином, залежно від вибору контура регулювання ми зменшуємо або збільшуємо ступінь відкриття клапана Кл1.

Рис. 3.1 - Програма користувача для контролера МІК-51

4. Відлагодження програмного забезпечення

Відлагодження програми бажано проводити в три етапи:

перед впровадженням на об’єкт;

доводка програми на об’єкті перед пуском установки;

доводка програми на об’єкті в режимі експлуатації.

Перший етап дає змогу максимально наблизити програму до робочого стану ще на етапі проектних робіт. Відсутність робочого об’єкту вимагає від розробника ПЗ імітації сигналів від датчиків, відповідно до умов функціонування цього об’єкту. Розробник чітко повинен уявляти як працює об’єкт, для того щоб імітувати сигнали в правильній послідовності та діапазонах сигналу. Так, наприклад, типовою помилкою є імітація спрацювання верхніх датчиків рівня при наборі перед нижніми, адже рівень набирається поступово.

В крос-системі Мікрол або на Пульті Ломіконта, імітація зовнішніх входів проводиться шляхом блокування відповідних зовнішніх змінних (ВА, ВД) та завдання їм необхідного (імітованого) значення.

Для зручності відладки програми на етапі розробки, інколи пишуть підпрограми імітації об’єкту в самому ПЛК. Таким чином структура системи з імітацією порівняно зі структурою без неї (рис. 4.1) буде мати вигляд як на рис. 4.2.

Як видно з рисунку 20, з існуючої програми видаляється (позначається як коментар) частина, яка відповідає за пере присвоєння входів та виходів проміжним змінним, що дає змогу відв’язати програму користувача від зовнішніх змінних. Це ще один аргумент на користь підходу запропонованого вище, щодо переприсвоєння.

Рис. 4.1 - Структура системи управління з реальним об’єктом

Рис. 4.2 - Структура системи управління з програмною імітацією об’єкту

В межах контролеру створюється частина програми, яка імітує роботу об’єкту управління. Внутрішні проміжні змінні, які відповідають за ВМ використовуються в програмі-імітаторі в якості вхідних значень, а які відповідають за датчики - в якості вихідних. Така структура дозволяє в будь-який момент відмовитись від імітації об’єкту, шляхом повернення коду пере присвоєння, та видалення коду (або його коментування) імітації об’єкту.

Для імітації температури в апараті, який підігрівається теплоагентом, можна використати наступну залежність:

                                   (4.1)

Оскільки величиною збурення можна знехтувати, Z=0 то залежність (4.1) перепишеться так:

 (4.2)

В програмі користувача розриваємо зв’язки блоків вводу AIN(05) і замість цього блока використовуємо блок суматора SUMM(13).На вхід INP2 суматора подаємо сигнал, який мав би іти на блок AOT(08) (виконавчий механізм Кл 1.

5. Розрахунок надійності спроектованої системи

Розрахунок надійності системи необхідно виконати двома методами, вважаючи її відновлюваною та невідновлюваною. Дані, необхідні для розрахунку вибрані з технічних характеристик приладів та приведені в таблиці 5.1.

Таблиця 5.1 - Вихідні дані для розрахунку надійності системи

№ п/п

Назва приладу

Наробка до відмови t, год

Інтенсивність відмови λ=1/t, 1/год

Час відновлення tв, год

Інтенсивність відновлення μ=1/tв, 1/год

1

МІК-51

50 000

2·10-5

5

0,2

2

ТСПУ-002-10

75 000

1,33·10-5

6

0,167

3

ТСПУ-9304

75 000

1.33·10-5

6

0,167

4

РК-07

100000

1·10-5

3

0,33

5

ОК-30

100000

1·10-5

3

0,33

6

ЕП-0040

85000

1.176·10-5

4

0,25

7

ЕП-0030

85000

1.176·10-5

4

0,25

8

TSM102A1

130000

0.7·10-5

2

0,5


Розрахунок надійності системи, що вважається невідновлюваною здійснено за допомогою програмного пакету MathCAD та подано нижче.

Якщо Р(t) ≤0.8 при t=2000 год. необхідно вжити заходів для підвищення надійності системи шляхом резервування найненадійніших елементів системи. Тоді знову зробити перерахунок.

Розрахунок надійності системи, що вважається відновлюваною здійснено за допомогою програмного пакету MathCAD та подано нижче.

Рис. 5.1 - Граф переходів для системи

Розрахунок надійності системи дав такі результати:

для невідновлюваної системи інтенсивність відмов λсис=9.658·10-5 1/год;

частота відмови системи на протязі 2000 год a(2000)=7.962·10-5;

для відновлюваної системи середня наробка до першої відмови 1.036·104 год.

Отже, розроблена система автоматичного керування є достатньо надійною та придатною для експлуатації (Р(t) ≤0.8).

В даній курсовій роботі я розробив прикладне програмне забезпечення для контролера МІК-51, що забезпечує керування об’єктом трубчаста піч за допомогою програмного продукту АЛЬФА.

В курсовій роботі я використав мікропроцесорний контролер фірми Мікрол МІК-51-04, з модулем розширення МР-51-04, плати вводу (MIC-5017) - виводу (МIC-5024). Запрограмував контролер згідно алгоритму функціонування установки мовою FBD. Підібрав технічні засоби автоматизації і коротко описав спосіб підключення цих засобів до об’єкта. Провів відлагодження програми користувача та розрахував надійність спроектованої схеми.

Список джерел

1.       Ельперін І.В. Промислові контролери: Навч. посіб. - К:НУХТ, 2003

.        Ельперін І.В., Пупена О.М. Контролери та їх програмне забезпечення. Курс лекцій. Частина 4. - К:НУХТ, 2013

3.         Електронний каталог продукції фірми MICROL.

4.       Ельперін І.В. Промислові контролери. Частина 1.: Конспект лекцій до вивчення дисц. Для студ. Спец. 6.092500 «автоматизоване управління технологічними процесами» і «Комп‘ютерно-інтегровані технологічні процеси і виробництва» напряму підготовки 0925 «Автоматизація і комп‘ютерно-інтегровані технології». - К.: НУХТ, 2007.

Похожие работы на - Розробка програмного забезпеченння для контролера

 

Не нашли материал для своей работы?
Поможем написать уникальную работу
Без плагиата!
Без нейросетей!