Основные технические характеристики щелочной аккумуляторной батареи, используемой в пассажирских вагонах

  • Вид работы:
    Реферат
  • Предмет:
    Транспорт, грузоперевозки
  • Язык:
    Русский
    ,
    Формат файла:
    MS Word
    84,09 Кб
  • Опубликовано:
    2014-02-23
Вы можете узнать стоимость помощи в написании студенческой работы.
Помощь в написании работы, которую точно примут!

Основные технические характеристики щелочной аккумуляторной батареи, используемой в пассажирских вагонах

Введение

Современные пассажирские вагоны оснащены сложным электрическим, радио- и холодильным оборудованием. В системах электроснабжения пассажирских вагонов для питания потребителей вагона во время стоянок и при небольших скоростях движения поезда служит аккумуляторная батарея (аккумулятор - это химический источник электрической энергии, который способен накапливать и сохранять электрическую энергию, а затем отдавать ее обратно).

Электрическая энергия аккумуляторных батарей используется для освещения, отопления и вентиляции помещений вагона, питания радиоаппаратуры и приборов, обеспечивающих безопасность движения поездов, охлаждения подаваемого в вагон воздуха, приведения в действие различных устройств, повышающих комфорт для пассажиров и облегчающий труд поездной бригады.

Для пассажирских вагонов применяются как щелочные, так и кислотные аккумуляторные батареи. Наибольшее применение получили щелочные аккумуляторные батареи, так как они изготавливаются из менее дефицитных материалов, а поэтому дешевле, чем кислотные.

На вагонах без кондиционирования воздуха с номинальным напряжением электрической сети 52 В устанавливают аккумуляторные батареи, состоящие из 26 кислотных или 38-40 щелочных аккумуляторов. На вагонах с кондиционированием воздуха с номинальным напряжением сети 112 В устанавливают батареи, состоящие из 56 кислотных или 82-86 щелочных аккумуляторов.

1. Конструкция и эскиз щелочной аккумуляторной батареи

Аккумуляторы являются электрохимическими источниками тока, которые при заряде превращают электрическую энергию в химическую, а при разряде - химическую в электрическую. Аккумуляторы состоят из полублоков, положительных и отрицательных электродов, изолированных друг от друга и помещенных в пластмассовый бак.

На пассажирских вагонах устанавливают щелочные аккумуляторные батареи с ламельными пластинами, которые собраны из специальных коробочек (ламелей), изготовленных из никелированной стальной ленты. Ламели, заполненные активной массой, соединены между собой в замок и скреплены друг с другом с двух сторон ребрами, к которым приварена контактная планка. Для свободного доступа электролита к активной массе в стенках ламелей имеется большое количество мелких отверстий (перфорация). Активная масса положительных пластин щелочных аккумуляторов состоит в основном из гидрата окиси никеля. Активная масса отрицательных пластин состоит из порошкового железа и его окислов с добавлением сернокислого никеля и сернокислого железа. Ламели впрессовываются в стальные рамки положительных и отрицательных пластин. Одноименные пластины собирают на общей шпильке вместе с выводным штырем.

Положительный и отрицательные полублоки при сборке аккумулятора соединяются между собой так, чтобы между каждыми двумя отрицательными пластинами находилась положительная. Между пластинками устанавливают сепараторы, представляющие собой эбонитовые палочки. Горловина для заливки электролита закрывается пробкой с вентильным отверстием для выхода газа.

Электролитами называют вещества, растворы которых проводят электрический ток, благодаря тому, что эти электролиты в растворе распадаются на заряженные частицы. К электролитам относятся кислоты, щелочи и соли. Все они диссоциируют на ионы при растворении в воде. В технике электролитами принято называть не сами эти вещества, а их растворы.

Для приготовления электролита применяют серную, так называемую аккумуляторную кислоту. Концентрированная аккумуляторная серная кислота представляет собой маслянистую прозрачную жидкость без цвета и запаха. Содержание в ней моногидрата H24 не менее 92-94%. Растворы серной кислоты характеризуются низкими температурами замерзания. Температура замерзания, как правило, с понижением концентрации электролита повышается, поэтому при глубоко разряженной батарее, когда плотность электролита уменьшается, электролит больше подвержен опасности замерзания, чем при хорошо заряженной батарее.

Емкость аккумулятора и срок его службы в сильной степени зависят также от чистоты электролита. Наличие в электролите вредных примесей во много раз сокращает срок службы и заметно уменьшает емкость. Вредные примеси в электролите могут разрушить электроды, ускорить образования сульфата свинца, отложиться в порах электродов.

В аккумуляторной серной кислоте допускается содержание примесей, таких как марганец - 0,00005%, железо - 0,006%, мышьяк - 0,00005%, хлор - 0,0005%, окислы азота - 0,00005%.

Для приготовления электролита применяют дистиллированную воду, которую получают однократной перегонкой технической воды в специальных перегонных аппаратах (дистилляторах).

Батареи состоят из аккумуляторов, соединенных последовательно перемычками. Перемычки устанавливают при монтаже аккумуляторов в батарею с плотным затягиванием перемычек гайками во избежание перемещений аккумуляторов относительно друг друга.

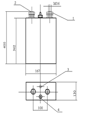
На рисунке 1 представлен эскиз щелочного аккумулятора типа ВНЖ-350П-У2.

Рисунок 1 - Эскиз щелочного аккумулятора

- положительный вывод; 2- отрицательный вывод; 3- указатель уровня электролита; 4- пробка вентиляционная

На рисунке 2 представлен эскиз аккумуляторной батареи

Рисунок 2 - Эскиз аккумуляторной батареи

- аккумулятор ВНЖ-350П-У2; 2- перемычка короткая; 3- перемычка длинная; 4- перемычка гибкая; 5- вывод длиной 1300 мм; 6- указатель уровня электролита; 7- пробка вентиляционная; 8- вывод длиной 2530 мм

. Неисправности аккумуляторной батареи, возникающие в процессе эксплуатации

К основным неисправностям, возникающим в процессе эксплуатации щелочных аккумуляторных батарей, относятся:

понижение емкости;

сильный нагрев аккумуляторов;

пониженное сопротивление батареи;

отсутствие газовыделения в аккумуляторе при зарядке, в то время как в других аккумуляторах оно протекает нормально.

Возможные причины неисправностей и способы их устранения свожу в таблицу 1.

Таблица 1 - Основные неисправности аккумуляторной батареи

Неисправность

Возможная причина

Способ устранения


Короткое замыкание в аккумуляторе

Промыть аккумулятор

Емкость понижена




Плотность электролита не соответствует норме

Довести плотность до требуемых величин


Содержание карбонатов в электролите более 70 г/дм3

Сменить электролит с предварительной промывкой аккумуляторов


Применение электролита без лития гидроокиси технической

Долить соответствующий электролит


Систематический недозаряд

Провести заряд режимами тренировочного цикла

Емкость понижена

Систематические глубокие разряды

Провести заряд режимами тренировочного цикла


Заряд при температуре электролита выше 45 0С

Провести заряд при температуре электролита от 15 до 40 0С


Понижена емкость положительного полублока

Сменить электролит


Понижена емкость отрицательного полублока

Ввести сернистый натрий

Сильный нагрев аккумулятора

Плохо завернуты гайки или загрязнены контакты

Подтянуть гайки и очистить контакты


Плотность электролита не соответствует норме или электролит не покрывает электроды

Откорректировать плотность электролита и долить электролит до требуемого уровня

Сопротивление изоляции батареи понижено

Наличие электролита на дне батарейного ящика

Удалить электролит из подвагонного ящика, вымыть и высушить ящик


Загрязнен батарейный ящик

Отмыть подвагонный ящик

Отсутствие газовыделения в аккумуляторе при зарядке

Внутреннее короткое замыкание

Проверить, если короткое замыкание обнаружено, заменить аккумулятор


. Виды и сроки технического обслуживания и ремонта щелочной аккумуляторной батареи

Проверка технического состояния аккумуляторных батарей проводится при техническом обслуживании вагонов, которые подразделяются на следующие виды:

техническое обслуживание (ТО-1) перед отправлением в рейс;

техническое обслуживание (ТО-3)- единая техническая ревизия 1 раз в 6мес.

ТО-1 включает:

осмотр аккумуляторных батарей в аккумуляторных ящиках, проверка крепления аккумуляторов в ящиках и выкатных тележках. При наличии загрязнений аккумуляторы протирают сухой ветошью, убирают влагу и пролитый электролит. При необходимости подтягивают гайки на выводах, перемычки с исправными наконечниками меняют на запасные;

проверка напряжения на каждом аккумуляторе. Если напряжение на аккумуляторе отсутствует, такой аккумулятор подлежит замене.

проводится проверка и корректировка уровня электролита по показаниям указателя уровня электролита. При этом поплавок указателя уровня должен находиться в пределах верхней и нижней рисок.

ТО-2 включает:

при техническом обслуживании ТО-2 выполняются все работы технического обслуживания ТО-1, а также:

проверка и корректировка плотности электролита, которая в зависимости от температуры окружающей среды должна соответствовать от 1,19 до 1,21 г/см3 до температуры -15 0С при эксплуатации, и от 1,26 до 1,28 г/см3 -ниже -15 0С.

ТО-3 включает:

во время технического обслуживания ТО-3 выполняются работы технического обслуживания ТО-2 и дополнительно следующие работы:

а) проверка сопротивления изоляции аккумуляторных батарей, которое в нормальных климатических условиях должно быть не менее 50 кОм;

б) анализ электролита на содержание щелочей и карбонатов;

в) проведение тренировочного и контрольного циклов.

(ДР) - деповской ремонт для восстановления работоспособности с заменой или ремонтом отдельных составных частей.

(КР-1) - капитальный ремонт первого объема для восстановления исправности и ресурса вагона путем замены или ремонта изношенных составных частей, а также модернизация отдельных узлов.

(КР-2) - капитальный ремонт второго объема для восстановления исправности и ресурса с частичным вскрытием кузова до металла, заменой изоляции и электропроводки.

(КВР) - капитально-восстановительный ремонт с использованием восстановленных конструкций кузова, обновлением внутреннего оборудования и создание современного интерьера.

. Технологический процесс ремонта аккумуляторной батареи

В электролите щелочных аккумуляторов, поступивших в ремонт, проверяют содержание солей угольной кислоты (карбонатов). Если содержание карбонатов составляет 70 г/дм3 и более, весь электролит сливают и аккумуляторную батарею подвергают специальной обработке: с аккумуляторов снимают чехлы, промывают и осматривают. Аккумуляторы, имеющие механические повреждения корпусов (пробои и глубокие вмятины, раздутие, изломы горловин, глубокую коррозию), борны с поврежденной резьбой и неисправные уплотнения борнов в месте выхода их из крышки, подвергают ремонту со вскрытием корпуса. Никель-железные аккумуляторы, у которых при проведении контрольного зарядно-разрядного цикла емкость будет меньше 80% номинальной, обрабатывают сернистым натрием. Если после этого емкость аккумуляторов не достигнет 80% номинальной, их ремонтируют со вскрытием корпуса.

Промывка аккумуляторов

Аккумуляторы, с которых сняты чехлы, гайки, шайбы, перемычки и пробки (в аккумуляторах, не имеющих пружинных клапанов), освобождают от электролита и промывают. Для ускорения слива электролита и промывки аккумуляторов используют приспособление, выполненное в виде поворотной корзины, смонтированной в подшипниках. В корзине можно размещать одновременно до 20 аккумуляторов; для удобства установки и выемки аккумуляторов один из верхних уголков корзины выполнен откидным. Посредством рычага с фиксатором корзину можно поворачивать и фиксировать в любом положении. Установив и закрепив аккумуляторы в корзине, корзину поворачивают и электролит из аккумуляторов выливается в поворотный лоток, по которому он поступает в отстойный бак. Вода в аккумуляторы подается по поворотной распределительной трубе, имеющей отводы, выполненные из тонкостенных стальных трубок с наконечниками, которые вводятся в горловины аккумуляторов.

Приспособление закрыто кожухом, служащим преградой для брызг. Аккумуляторы промывают до тех пор, пока вытекающая из них вода не станет чистой. После этого корзину опрокидывают и выливают из аккумуляторов воду. На этом же приспособлении можно промывать резиновые чехлы. Перед промывкой поворотный лоток приспособления направляют к дренажному приямку, в который сливается стекающая вода и продукты промывки. Для предохранения дренажа от засорения на выходе из приямка установлена сетка.

Обработка аккумуляторов при повышенном содержании карбонатов (свыше 70 г/дм3) заключается в следующем: аккумуляторы заливают подщелоченной водой, нагретой до 100 °С; через 2 ч воду выливают, встряхивая каждый аккумулятор, и снова заливают горячей подщелоченной водой, нагретой до 100° С; после отстоя в течение 16-20 ч воду снова выливают и подвергают аккумуляторы обычной промывке. Такую же промывку производят при замене калиевого электролита на натриевый электролит и наоборот.

Ремонт аккумуляторных пластин

Выполняется у аккумуляторов, отбракованных из-за механических повреждений или потери емкости. Аккумуляторы разбирают и заменяют дефектные элементы: пластины, сепараторы, борны, корпуса, гайки, шайбы и др. Для этого на фрезерном станке отрезают сварочный шов, соединяющий корпус аккумулятора с верхней крышкой. Затем корпус аккумулятора зажимают на винтовом прессе и извлекают блок пластин. Отворачивают гайки, крепящие борны к крышке аккумулятора, снимают изолирующие шайбы и крышку. После этого разбирают блок на полублоки, снимают, промывают и осматривают сепараторы и каждую пластину.

Основными внутренними дефектами щелочных аккумуляторов, снижающими их емкость, являются: обрыв соединительной контактной планки, выпадение активной массы, замыкание разноименных пластин выпавшей активной массой, налетами ржавчины или в результате коробления пластин при повреждении сепаратора.

Во время ремонта пластин зачищают места, подвергшиеся коррозии, и проверяют состояние активной массы путем просвечивания электрической лампой. Плотины с просветами, указывающими на выпадение активной массы из пакетов, или с поврежденными пакетами бракуют. Оторванные контактные планки крепят точечной электросваркой. Годные пластины промывают, сушат и спрессовывают в формах. Опресовку проводят для восстановления размеров разбухших пластин и надежного электрического контакта между активной массой и корпусом пластины.

При сборке полублоков и блоков должно быть сохранено установленное для данного типа аккумулятора число положительных и отрицательных пластин и их взаимное расположение. Между пластинами устанавливают исправные сепараторы. Блок в корпус устанавливают, применяя струбцины, которыми сжимают пластины. По мере ввода пластин в корпус струбцины постепенно передвигают по направлению к борнам. Через 20-30 мин после наполнения аккумулятора электролитом, проверяют вольтметром ЭДС, величина которой должна быть не менее 0,1 В. Отсутствие у аккумулятора ЭДС указывает на неправильность сборки или короткое замыкание между пластинами. На аккумулятор с ЭДС, большей 0,1 В, приваривают крышки, предварительно покрыв борны сырым асбестом. Крышку устанавливают так, чтобы нанесенная на нее маркировка совпадала с полярностью выводных борнов. Затем снимают асбест, устанавливают изоляционные шайбы и затягивают гайки борнов. Корпус собранных аккумуляторов окрашивают, сушат, на них надевают чехлы и проводят зарядно-разрядные циклы.

Порядок приготовления электролита

Электролит приготавливают только в чистой стальной или чугунной посуде. Предпочтительно иметь стальные баки с двумя кранами: один - для слива осветленной щелочи на высоте не менее 100 мм от дна, другой - для удаления скопившегося осадка, расположенного в дне. На один аккумулятор необходим 1 л дистиллированной воды, затем небольшими кусками засыпать твердый едкий натр РХ или

ТР массой 215 г, или калия гидрат окиси технический сорт первый (твердый) массой 270 г, перемешать для ускорения растворения. Затем при тщательном перемешивании к полученному раствору добавить гидроокись лития массой 20 г. Раствор тщательно перемешать до полного растворения лития. Приготовленный электролит охладить до температуры 25±10° С, проверить плотность с помощью ареометра.

Если плотность ниже требуемой (1,19 г/см3) , необходимо добавить едкий натр или кали едкое, если выше, добавить дистиллированную воду или конденсат. Дать электролиту отстояться до полного осветления (в течение времени от 6 до 12ч), после чего осветленную часть слить в герметически закрывающуюся стеклянную емкость.

Восстановление емкости никель-железных аккумуляторов

Активизация отрицательного полублока применяется в случае снижения емкости, а также после длительного хранения аккумуляторов до приведения в действие. Для активизации отрицательного полублока необходимо применить 9% сернистый натрий (Na2SЧ9Н2О) ГОСТ 2053-77 марки "чистый для анализа". Количество вводимого в аккумулятор сернистого натрия 100±5 г. Необходимо отобрать от 200 до 300 мл электролита из аккумуляторов в керамическую или стеклянную посуду с помощью ареометра для электролита типа АЭ-1 или с пипетки ТУ 25.11.968-77.

Электролит отбирать за час до окончания заряда, не прерывая его. Затем следует растворить отвешенный 9% сернистый натрий в отобранном электролите, залить в аккумулятор в течение последнего часа заряда. Через 2 ч после окончания заряда разрядить аккумулятор. Затем задать аккумулятору два тренировочных и один контрольный циклы.

При введении в действие аккумуляторов после длительного хранения необходимо 9% сернистый натрий растворить в электролите типа I из расчета 25 г на литр электролита. Залить раствор в аккумуляторы, и после 6 ч пропитки произвести проверку отсутствия короткого замыкания с помощью мультиметра.

. Оборудование, инструменты и приспособления, применяемые при ремонте аккумуляторной батареи

Для приведения батарей в рабочее состояние, проведения заряда и разряда применяется следующая аппаратура и оборудование:

зарядно-разрядный стенд или устройство;

амперметр и вольтметр класса точности не ниже 0,5 по ГОСТ 8711-93;

мегаомметр на 500 В класса точности 1,0 по ГОСТ 23706-93;

термометр промышленный ТЛ-2 с ценой деления 10С по ТУ 25-2021-003-88;

ареометр для электролита АЭ-101100-1400 или ареометр типа АЭ-1 с пипеткой ТУ 25.11.968-77;

сосуд из нержавеющей стали или небьющейся пластмассы;

пруток (палочка) из нержавеющей стали диаметром от 10 до 12 мм;

стеклянная трубка диаметром от 5 до 6 мм по ТУ 25-2034.1162-89;

бензино-воздушный аппарат;

слесарный инструмент;

литейная форма для отливки перемычек;

литейная форма для отливки выводных зажимов;

литейная форма для отливки борн;

очки защитные;

перчатки резиновые;

-кран для заливки электролита.

Принцип действия крана для заливки электролита:

Заливка в каждый аккумулятор прекращается автоматически по мере того, как уровень щелочного раствора в аккумуляторе достигнет контактов 1 винипластового наконечника 2. Кран соединен с раздаточным бачком резиновой трубкой. Электролит из бачка по этой трубке самотеком поступает, через штуцер 11 и канал в нижней винипластовой плите, под резиновые диафрагмы 3, прижатые к седлам штуцеров 4, пружинами 6. При подъеме штоков 7 (при нажатии рукой на кнопку 8) диафрагма поднимается и электролит через наконечники 2 поступает в аккумуляторы, а штоки 7, удерживаемые защелками 9 электромагнитных реле 10, остаются в верхнем положении.

Как только уровень щелочного раствора достигнет контактов 1, они замкнуться через электролит, катушка электромагнитного реле получит питание и сработает. Защелка 9 переместиться, освобождая рычаг штока 7, который своим клапаном прижимается к седлу штуцера 4, и подача электролита в наконечник 2 прекратиться.

В нерабочем положении кран стоит на противне, который поставляется в комплекте с другими деталями.

6. Выбор и обоснование метода ремонта аккумуляторной батареи

На вагоноремонтных предприятиях применяются два метода ремонта: стационарный и поточный.

При поточном методе ремонта вагонов обязательным условием является применение и использование современной высокопроизводительной техники, что позволяет:

- значительно увеличить выпуск отремонтированных вагонов с тех же площадей вагоносборочного производственного участка меньшим количеством работающих;

увеличить производительность труда, повысить качество ремонта и снизить его себестоимость;

значительно сократить долю ручного труда, тяжелые физические работы и увеличить долю механизированного труда;

обеспечить сокращение технологических маршрутов движения узлов и деталей при транспортировке;

совершенствовать управление производством;

установить наиболее оптимальный режим работы участка;

внедрить более рациональную организацию рабочих мест;

улучшить технико-экономические показатели производственной деятельности.

Основным звеном поточного производства является поточная линия, которая представляет собой совокупность рабочих мест, расположенных в последовательности осуществления операций технологического процесса.

Для ремонта щелочных аккумуляторных батарей выбираю стационарный метод. Выбор этого метода объясняется тем, что для ремонта вагонов требуется меньше производственных площадей, и исключаются потери времени на перемещение с одной ремонтной позиции на другую при поточном методе.

. Охрана труда при ремонте щелочной аккумуляторной батареи

Требования безопасности к конструкции аккумуляторов должно соответствовать требованиям ГОСТ 12.2.007.12-88.

Аккумуляторное помещение должно быть заперто на замок. Работникам, осматривающим эти помещения и выполняющим в них работу, ключи выдаются в соответствии с установленном в организации порядке. Все работы с серной кислотой, щелочью и свинцом должны выполнять специально обученные работники.

Помещение для заряда аккумуляторов должно быть сухим, обеспечено приточно-вытяжной вентиляцией с трехкратным обменом воздуха. Серная кислота должна храниться в стеклянных бутылях с притертыми пробками, снабженных бирками с ее названием. Бутыли с кислотой и порожние бутыли должны находиться в отдельном помещении при аккумуляторной батарее.

Стены и потолок помещения аккумуляторной, двери и оконные переплеты, металлические конструкции, стеллажи и другие части должны быть окрашены кислостойкой краской. Для окон необходимо применять матовое или покрытое белой клеевой краской стекло. Для освещения помещений аккумуляторных батарей должны применяться взрывозащитные светильники. Не менее одного светильника должно быть присоединено к сети аварийного освещения. Выключатели, штепсельные розетки, предохранители и автоматы должны располагаться вне аккумуляторного помещения. Осветительная электропроводка должна выполняться проводом в кислостойкой оболочке. При выходе из строя вентиляции в помещении заряд следует прекратить во избежание создания взрывоопасной ситуации.

При работе с кислотой и щелочью необходимо надевать костюм грубошерстный для кислоты, хлопчатобумажный - для щелочи, резиновые сапоги под брюки или галоши, резиновый фартук, защитные очки и резиновые перчатки. При приготовлении электролита следует вливать кислоту в воду. При нарушении целостности аккумуляторов и попадании на кожу электролита необходимо обязательно в течение от 10 до 15 мин произвести обильную промывку пораженных участков проточной водой, затем кожные покровы промыть водным раствором борной кислоты с массовой долей от 2 до 3% и немедленно обратиться к врачу. При ожогах электрическим током необходимо рану покрыть марлей, стараясь не касаться ее руками.

При работе с гаечным ключом и другими металлическими инструментами нельзя допускать коротких замыканий одновременным прикосновением к разнополюсным выводам аккумуляторов. Аккумуляторы, имеющие механические повреждения, категорически запрещается использовать для монтажа в батарею.

Обслуживание аккумуляторов производить только после отключения их от зарядного устройства. Батареи использовать только для питания потребителей электрической энергии пассажирских железнодорожных вагонов.

Запрещается проводить заряд и эксплуатацию аккумуляторов с уровнем электролита над верхними кромками электродов ниже 10 мм, так как снижение уровня электролита при заряде и в процессе эксплуатации может привести к интенсивному разогреву аккумуляторов, возникновению внутренних замыканий с последующим возгоранием сепарации.

При работах по пайке пластин в аккумуляторном помещении должны выполняться следующие требования:

- пайка разрешается не ранее чем через 2 часа после окончания заряда батареи;

место пайки ограждают негорючими щитами от остальной батареи;

- до начала работ вентилируют помещение в течение 2 часов.

Аккумуляторное помещение должно быть оборудовано средствами пожаротушения. К средствам пожаротушения относятся огнетушители ОСП-1 (самосрабатывающие порошковые), ОП-5 (углекислотные), а также топор или лом, лопата, песок.

аккумуляторный батарея вагон ремонт

Список используемой литературы

1. Драчев Г.Г. Аккумуляторы подвижного состава / Г.Г. Драчев.- М.: Транспорт, 1970. - 87 с.

. Егоров, В.П. Эксплуатация электрооборудования пассажирских вагонов / В.П. Егоров. - М.: Транспорт, 1980. - 30 с.

. Зорохович А.Е. Электро- и радиооборудование пассажирских вагонов / А.Е. Зорохович - М.: Транспорт, 1985. - 72 с.

. Инструкция по техническому обслуживанию оборудования пассажирских вагонов. - М.: Транспорт, 1986. - 24 с.

. Межотраслевые правила по охране труда при работе в электроустановках. - Мн.: Дизайн ПРО, 2009. - 63 с.

. Правила технической эксплуатации электроустановок потребителей. - Мн.: Минэнерго, 2009. - 65 с.

7. Сокол Т.С. Охрана труда / Т.С. Сокол. - Мн.: Дизайн ПРО, 2005. -

с.

Похожие работы на - Основные технические характеристики щелочной аккумуляторной батареи, используемой в пассажирских вагонах

 

Не нашли материал для своей работы?
Поможем написать уникальную работу
Без плагиата!
Без нейросетей!