Характеристика глайдера Ru 27
Введение
Автономные необитаемые подводные аппараты (АНПА)
представляют собой особый вид морской техники. Первоначально они нашли
применение в военной сфере, однако на сегодняшний день можно констатировать их
использование для широкого круга научных, исследовательских и прикладных задач,
связанных с освоением и мониторингом Мирового океана, поддержкой решения
экологических задач, задач прогнозирования климата, контроля биоресурсной базы,
разработкой подводных месторождений полезных ископаемых, сейсморазведкой,
использованием в качестве средств контроля и оповещения в чрезвычайтных
ситуациях. Таким образом, АНПА являются морскими техническими средствами
двойного назначения.
АНПА (в более общей трактовке - подводная
робототехническая система) -это еще и современная технология, обеспечивающая
завоевание лидирующего экономического положения в мире за счет повышения
экономической эффективности подводных работ.
Безусловными преимуществами использования АНПА
на больших глубинах являются: более высокая производительность, простота
эксплуатации, точность управления, меньшая стоимость, безопасность для
человека.
Развитие технологий подводной робототехники
показывает, что в будущем автономные необитаемые подводные системы будут
выполнять множество задач, связанных не только с экстремальными подводными
операциями, где их применение оказывается единственно возможным в силу сложных
физических условий или имеющейся угрозы для жизни человека, но и широкий спектр
задач двойного назначения.
1.Глайдеры, назначение, классификация
В состав автономных необитаемых подводных
аппаратов входит специальная группа аппаратов, использующих для своего
перемещения принцип изменения остаточной плавучести - подводных глайдеров.
Глайдер - автономный подводный аппарат (АНПА), приводимый в движение за счёт
изменения плавучести. В отличие от других типов АНПА, глайдеры не имеют винтов
или иных внешних движителей. Источником движения является изменение плавучести
.
Назначение:
§ обзорно-поисковые
работы, включая поиск и обследование затонувших объектов, инспекцию подводных
сооружений и коммуникаций (трубопроводов, кабелей, водоводов);
§ геологоразведочные
работы, включающие топографическую и фото-видеосьемку морского дна,
акустическое профилирование и картографирование рельефа;
§ подледные работы, в
том числе, обслуживание систем наблюдения и освещения подводной обстановки на
арктическом дне;
§ океанографические
исследования, мониторинг водной среды;
§ охрана морских
участков от несанкционированного проникновения;
§ комплексный
мониторинг текущего состояния районов морских промыслов; наблюдение за их
состоянием, обнаружение участков требующих принятия необходимых мер
восстановительного характера, определение мест повреждений.
Подводные глайдеры наделены новыми качествами:
мобильностью (способностью «покрывать»
значительные по площадям акватории);
эффективным использованием в составе
роботизированных комплексов различного назначения;
эффективными процедурами сбора информации и ее
передачи в центр обработки в масштабе времени близком к реальному;
оперативной корректировкой программного задания
миссии, определяемой возможностями современных телекоммуникационных технологий.
Условная классификация подводных глайдеров.
гибридные (с использованием гребного винта);
автономные (без использованием гребного винта);
По глубине погружения:
для малых губин (до 600м);
для средних губин (до 2000м);
для больших губин (до 6000м);
По водоизмещению:
малого водоизмещения (до 50кг);
среднего (до 150кг);
большого (>150кг);
По длине:
малой (до 1,5м);
средней (1,5-2,9м);
большой (>2,9м);
По автономности:
малой (до 1 года);
средней (1-2 года);
большой (2-4 года);
По скорости:
малой (до 0,2м/с);
большой (>0,5м/с);
1.1 Механизм изменения плавучести
Важнейшей системой подводных глайдеров является
механизм изменения плавучести (МИП). Назначение МИП состоит в изменении веса
или объема аппарата, что позволяет управлять плавучестью глайдера и, в
зависимости от знака плавучести, обеспечивать его погружение или всплытие. В
настоящее время используется (исследуется) несколько различных типов МИП,
которые применяются на подводных глайдерах и отличаются принципом действия.
Изменение плавучести можно
обеспечить :
) за счет положительной плавучести
поплавка с наполнителем, имеющим меньшую плотность, чем вода
) за счет плавучести балласта
) за счет изменения электрической
энергии
) за счет изменения температуры
) за счет химических реакций
)На большинстве необитаемых ПА, не
имеющих единого прочного корпуса значительных размеров, плавучесть создается
либо за счет дополнительных прочных плавучих объемов, либо за счет
использования плавучести новых материалов.
Эти материалы должны обладать
следующими свойствами:
а) плотность не должна превышать
значения 0,7 т/м3, так как при его дальнейшем увеличении объем поплавков растет
весьма быстро;
б) не должны вступать в реакцию с
водой и растворяться в воде;
в) не должны быть горючими и
токсичными;
г) их сжимаемость под действием
наружного давления и показатели теплового расширения должны быть равны или
превосходить аналогичные характеристики морской воды.
Этим требованиям в настоящее время
наиболее отвечает специальный композитный материал синтактик, состоящий из
полых стеклянных микросфер, заполненных эпоксидным компаундом. Его плотность
0,6 т/м3. Синтактик позволяет широко варьировать положительную плавучесть в
зависимости от рабочей глубины погружения аппарата, компактного расположения
блоков плавучести.
Положительную плавучесть ПА создают
также с помощью пустотелых поплавков, изготовляемых из высокопрочных сталей,
алюминия, титана, стеклопластика, стекла и других материалов. По мнению
специалистов США, такие пустотелые поплавки следует использовать в тех случаях,
когда компенсируемая сила тяжести сравнительно невелика и необходимо обеспечить
не изменяющуюся с погружением плавучесть ПА. Наибольшей плавучести при заданном
объеме можно достичь путем создания поплавков сферической формы. Наиболее
перспективными материалами для изготовления полых поплавков являются стекло и
стеклопластик.
)На современных ПА регулировка
плавучести осуществляется с помощью либо твердого, либо жидкого балласта.
Регулировка плавучести твердым
балластом в виде, например, стальной дроби с электромагнитным бесклапанным
запиранием, весьма надежна, однако оказывается невыгодной из-за большой массы
системы. Ее использовали преимущественно на батискафах, на которых обеспечить
работу насосов высокого давления (свыше 30 МПа) технически сложно.
В качестве жидкого балласта можно
использовать, во-первых, забортную воду, во-вторых, масло.
Во втором случае уравнительная
система состоит из двух цистерн. Одна цистерна прочная, другая эластичная, чаще
всего в виде резинового деформируемого внешним давлением мешка.
Обе цистерны соединены между собой
масляным насосом и представляют собой изолированную от внешней среды систему.
При перекачке масла из прочной цистерны в резиновый мешок или в противоположном
направлении меняется объем и, следовательно, плавучесть ПА. При этом точность
управления плавучестью аппарата довольно высокая. Объем уравнительной системы
чаще всего выбирают в пределах 3 % общего водоизмещения аппарата.
Погружение и всплытие ПА
осуществляется с изменением плавучести и без изменения плавучести. Первый
способ целесообразно использовать на обитаемых ПА, вероятно, и на ПР.
Погружение до глубины 2000 м и всплытие с нее целесообразно осуществлять без
изменения плавучести.
Второй способ применяется на
необитаемых ПА и может быть реализован на ПР.
Всплытие и погружение в обоих
случаях возможно с дифферентом, на ровный киль, с ходом и без хода.
Отрицательная плавучесть обычно
создается при погружении за счет приема на поверхности и сброса при достижении
заданной глубины твердого балласта. При этом, изменяя место подвески и массу
балласта, можно регулировать угол дифферента и скорость погружения.
Положительная плавучесть при всплытии может создаваться тем же способом .
3) Электрический МИП имеет достаточно много
вариантов технической реализации, в основе которых лежат насос или поршень с
линейным приводом для перекачки рабочей жидкости между внутренней и внешней (по
отношению к прочному корпусу) эластичными емкостями. В результате перекачки
рабочей жидкости между емкостями изменяется объем аппарата, вследствие чего
возникает сила плавучести того или иного знака. Энергопотребление подобного
электромеханического МИП в связи с достаточно невысокой эффективностью может
составлять до 60-70 % от общей энергии, потребляемой всеми системами и
устройствами аппарата.
) В термическом варианте МИП используется
принцип изменения агрегатного состояния воскообразного рабочего тела.
Термический механизм включает трубу-теплообменник, аккумулятор, клапанный
распределитель и две емкости - внутреннюю и внешнюю (по отношению к прочному
корпусу). Теплообменник представляет собой внешние трубы (расположенные вдоль
всего корпуса аппарата и имеющие большую площадь для обеспечения быстрого
теплообмена) заполненные рабочим телом, изменяющим фазовое состояние при
температуре 10 °С. В теплых приповерхностных слоях воды рабочее тело
нагревается, плавится и расширяется. Это расширение преобразуется в сжатие
жидкости в аккумуляторе энергии. Погружение глайдера инициируется перекачкой
жидкости из внешней емкости во внутренний резервуар.
При температурах ниже точки затвердевания сжатие
рабочего тела переводит жидкость из внутреннего резервуара обратно в
теплообменник. Для всплытия, энергия, накопившаяся в аккумуляторе, производит
работу пропорциональную произведению давления на объем вытеснения и цикл
повторяется.
На сегодня основным недостатком термического
глайдера является необходимость в перепаде температур не менее 10° С. Это
обстоятельство ограничивает применение термических глайдеров на 65 % Мирового
океана. Термоглайдер имеет весьма низкий к.п.д. - в силу малых разностей
температур он составляет около 3 %. Однако столь низкий к.п.д. не критичен, так
как запас энергии океана практически неограничен. В связи с этим термический
глайдер имеет дальность хода существенно превосходящую дальность электрического
глайдера.
) В основе химического механизм изменения
плавучести лежит явление резкого увеличения объема водорода, возникающее в
результате реакции гидрида лития с морской водой. При этом морская вода
вытесняется из реактивной камеры, создавая избыточную плавучесть. Полученный
при этом водород может использоваться для создания электроэнергии в топливных
элементах для питания системы управления и навигационно-измерительных приборов.
2. Глайдер
Ru 27 «Scarlet knight» (тип
Slocum)
Принцип действия глайдера Ru
27 представлен на рис. 1.
Чтобы существенно сэкономить расходуемую на движение
аппарата под водой энергию, используется эффект планирования, при котором НПА
погружается или всплывает по пологой, не обязательно прямолинейной, траектории,
позволяющей ему перемещаться в заданном направлении только за счет сил,
действующих на него со стороны морской среды. Изменение плавучести глайдеров,
как правило, обеспечивается путем изменения значения их осредненной плотности.
Так как плотность любого объекта может быть вычислена путем деления его массы
на его же объем, а масса объекта при перемещении поршня остается постоянной, то
задача сводится к определению величины изменяемого объема, необходимого для
достаточного изменения плавучести. Крылья, в свою очередь, позволяют глайдеру
управляемо перемещаться вперед.
Рис. 1. Принцип действия глайдера Ru
27.
Глайдер Ru
27 представляет собой торпедообразный НПА с крыльями и хвостовым оперением, в
котором расположено оборудование для обеспечения спутниковой связи.
Калиброванная часть НПА имеет диаметр 8,5 дюймов (216 мм), общая длина глайдера
составляет около 2360 мм. Его масса равняется 60,6 кг, при этом батареи
занимают почти 40% веса планера (23,8 килограмма). Общий объем глайдера равен
59,1 л.
Максимальная глубина погружения глайдера - 200
метров. Для контроля текущего значения глубины НПА имеет датчик
гидростатического давления. Кроме этого, на глайдере установлены датчики для
измерения температуры и солености воды. Это было сделано для того, чтобы по
возможности экономить энергию батарей НПА, сокращая время связи глайдера со
спутником.
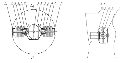
Схема системы управления остаточной плавучестью
подводного аппарата представлена на рис. 2. Система включает в свой состав
герметичный резервуар плавучести 1, с симметрично расположенными относительно
него двумя сильфонами 2 с крышками 3. Внутри сильфонов расположены в
направляющих 4 штоки 5 с роликами 6, сопряженные с поворотным копиром 7, ось
которого закреплена на выходном валу редуктора 8, а вход редуктора соединен с
приводным управляемым электродвигателем 9. На рис. 2 также схематично показан
корпус подводного аппарата 10.

Способ управления остаточной плавучестью
подводного аппарата заключается в следующем.
В исходном положении копир 7 ориентирован внутри
резервуара плавучести 1 таким образом, чтобы не оказывать на ролики 6 давления,
т.е. повернут к роликам 6 своим минимальным диаметром. При этом сильфоны 2
имеют минимальную длину и полностью скрыты внутри корпуса подводного аппарата
10. Подводный аппарат имеет базовую плавучесть. При необходимости увеличения
плавучести подводного аппарата, с помощью не показанной на рисунках системы
управления, подается питание на приводной электродвигатель 9. При этом вал
электродвигателя начинает вращаться, передавая крутящий момент на вход
редуктора 8, имеющего большое передаточное число. Выходной вал редуктора 8
начинает медленно вращаться, поворачивая копир 7, который, за счет своей формы,
начинает воздействовать на ролики 6, заставляя штоки 5 двигаться в направляющих
4 и увеличивать длину сильфонов 2. При этом часть сильфонов выдвигается в
забортное пространство, тем самым, увеличивая объем подводного аппарата и
придавая последнему положительную плавучесть. Максимальное увеличение длины
сильфонов 2 определяется формой копира 7. Плавучесть подводного аппарата 10
может регулироваться за счет либо дальнейшего увеличения длины сильфонов 2,
либо ее уменьшения.
Таким образом, предлагаемая система управления
остаточной плавучестью подводного аппарата позволяет решить задачу разработки
конструкции компактного устройства управления остаточной плавучестью
необитаемого подводного аппарата, и, в том числе, глайдера.
Заключение
Глайдеры способны находится в течение многих
дней, или даже недель под водой. Им всё ещё нужны батареи для движения, но они
чрезвычайно экономичны в потреблении энергии, потому что, большинство времени
они глиссируют (скользят). Глайдеры двигаются благодаря изменению своей
плавучести - они то погружается в глубины, то поднимается на поверхность.
Подъем обеспечивают крылья аппарата, а горизонтальные перемещения -
вертикальный хвостовой “плавник” и руль. Навигация такого судна осуществляется
с берега и с использованием системы GPS (система глобального позиционирования).
Глайдеры используют электроэнергию для
управления насосами и клапанами, чтобы перекачивать масло из внутренней камеры
во внешнюю и наоборот. Внутренняя камера находится в герметическом корпусе
торпедообразной формы, внешняя снаружи (обычно находится в затопляемой части корпуса).
Чтобы погрузиться, масло передаётся из внешнего резервуара во внутренний. Это
не изменяет массу аппарата, но уменьшает его объем, что уменьшает плавучесть и
заставляет его медленно погружаться. Для всплытия, масло наоборот накачивается
обратно во внешний резервуар.
Список используемой литературы
подводный аппарат глайдер
1.Р.В. Красильников Система и способ
управления плавучестью необитаемого подводного аппарата
.И.В. Кожемякин, К.В.
Рождественский, В.А. Рыжов, А.В. Смольников Разработка автономных необитаемых
подводных глайдеров