Програмований логічний контролер
Зміст
Вступ
.
Розроблення алгоритмічної структури алгоритму керування об’єктом
.
Вибір конфігурації контролера і схем підключення
.1
Схема автоматизації
.2
МПК Реміконт 130
.3
МПК МИК-130
.
Розроблення прикладного програмного забезпечення для реалізації алгоритму
керування
.1
Розроблення програми користувача на МПК Реміконт 130
.2
Розроблення програми користувача на МПК МИК-51
.
Відлагодження програми користувача
.
Розрахунок надійності спроектованої системи
Висновки
Список
літературних джерел
програмований логічний контролер алгоритмічний
Вступ
Програмо́ваний
логі́чний
контро́лер
(ПЛК)
-
електронний пристрій, який використовується для автоматизації
технологічних процесів таких як, управління конвеєрною
лінією,
насосами
на
станціях водопостачання, верстатами
з
числовим
програмним керуванням і т.п. По суті, це
спеціалізований комп'ютер реального часу, що
розроблений на основі мікроконтролера.
Основною його відмінністю від комп'ютерів загального призначення є значна
кількість пристроїв вводу-виводу для давачів
та
виконавчих пристроїв, а також можливість надійної роботи при несприятливих
умовах: широкий діапазон температур, висока
вологість,
сильні електромагнітні завади, вібрації і
т.п.
Основним принципом дії ПЛК є циклічна робота, у
якій контролер виконує по черзі окремі команди у такій послідовності, в якій
вони записані у програмі. На початку кожного циклу програма зчитує
"картину" стану входів контролера та записує їх стани (таблиця стану
входів процесу). Після виконання всіх команд і визначення (підрахунку)
актуального для даної ситуації стану виходів, контролер вписує стани виходів до
пам'яті, що є таблицею стану виходів процесу а операційна система виставляє
відповідні сигнали на виходи, котрі управляють виконавчими
механізмами. Отже всі сигнальні комбінації подаються у вхідний модуль
контролера, а програма відслідковує їх картину та реагує зміною станів виходів
на основі закладеного алгоритму.
Розробити систему керування
Система дозування фукнціонує у такий спосіб :
. Здійснити паралельне дозування компонентів.
. Дозування здійснюється насосами дозаторами Н1,
Н2, Н3 поршневого типу.
. Об’єм дози пропорційний числу колів поршня.
Спрацювання кінцевого вимикача фіксує завершення ходу поршня (циклу роботи
насоса). GS - кінцеві
вимикачі.
Дози: 1 продукт - nH1=80;
2 продукт - nH2=150;
3 продукт - nH3=45;
. Далі суміш підігрівається у відповідності з
діаграмою при виключеному змішувачі.
1. Розроблення
алгоритмічної структури алгоритму керування
Для зображення алгоритму керування у вигляді
алгоритмічної структури використовуються загальноприйняті умовні позначення,
які застосовуються для опису алгоритмів програмування. Основні
позначення згідно з ГОСТ 19.701-90 наведено у табл. 1.
Таблиця 1
|
Умовне позначення
|
Опис алгоритму
|
|
Умовне позначення
|
Опис алгоритму
|
|
|
Термінатор.
Вихід «до» або вхід «з» зовнішнього середовища. Початок
або кінець програми
|
|
|
Дані.
Символ відображає дані, носій яких не визначений
|
|
|
Символ
відображає функцію оброблення даних будь-якого виду. Виконання однієї або
групи операцій
|
|
|
Символ
відображає наперед визначений процес, що складається з однієї або групи
операцій
|
|
|
Символ
відображає рі-шення або функцію перемикального типу. Визначає, по якому з
кількох альтернативних виходів піде виконання алгоритму далі
|
|
|
З’єднувач.
Відображає вихід в одну частину схеми або вихід з іншої. Відповідні
з¢єднувачі
повинні мати однакові унікальні позначення
|
|
Ручне
введення. Відо-бражає дані, що вводяться вручну з будь-яких пристроїв
(клавіатура, кнопка, перемикач тощо)
|
|
|
Підготовка.
Символ відображає модифі-кацію команди з метою впливу на наступну функцію (модифікація
індексу)
|
Приклад блок-схеми алгоритму управління для
наведеного об’єкта представлений на рис.2.
Ні
Так
Ні Ні
Ні
Так
Так Так
Рис. 2 Блок-схема алгоритму управління
Продовження рис. 2 Блок-схема алгоритму
управління
2. Вибір конфігурації контролера і схем
підключення
.1 Схема автоматизації
Для вибору моделі контролера і його конфігурації
необхідно визначитись з переліком технічних засобів автоматизації, які будуть
використовуватись для реалізації алгоритму управління. При цьому дуже важливо
знати параметри сигналів від датчиків і на виконавчі механізми. На рис. 3
наведена спрощена функціональна схема автоматизації на якій показані датчики і
виконавчі механізми, а також типи сигналів для їх підключення до
мікропроцесорного контролера (МПК).
|
ВД
|
01 02 03
04
|
|
ДВ
|
01 02
03 04 05 06 07
|
|
ВА
|
01 02
|
|
АВ
|
01
|
|
|
ІВ
|
|
|
|
|
Рис. 3. Спрощена схема
автоматизації:
ВД - входи дискретні; ДВ - виходи дискретні; ВА
- входи аналогові;
АВ - аналогові виходи; ВІ - входи імпульсні; ІВ
- імпульсні виходи
Вибір технічних засобів.
Для вимірювання температури (ТЕ) - термометр
опору з вбудованим нормуючим перетворювачем і вихідним сигналом 0 - 20 мА.
Вхідний аналоговий сигнал (02).
Кнопка «Пуск» (SB)
- вхідний дискретний сигнал (01).
Кінцеві вимикачі GS1,
GS2, GS3
- Три вхідних дискретних сигнали 02, 03, 04.
Клапани Кл 1, Кл 2, Кл 3 - дискретні
електропневматичні клапани. 3 дискретних вихідних сигнали - 01, 03, 05.
Управління мішалкою за допомогою магнітного
пускача. Дискретний вихідний сигнал - 07.
Клапан Кл 4 - пневматичний клапан з аналоговим
електропневматичним перетворювачем. Управляючий сигнал 0 - 20 мА. Аналоговий
вихідний сигнал - 01.
Для регулювання тиску (PT)
- регулятор тиску з дистанційною передачею даних. Аналоговий вхідний сигнал 01.
Для подачі компонентів сировини використовуємо
поршневі насоси Н1, Н2, Н3. Три дискретних вихідних сигнала 02, 04, 06.
Таким чином для управління об’єктом необхідно
сконфігурувати МПК який забезпечує підключення: 4 дискретних вхідних сигнала, 7
дискретних вихідних сигналів, 2 вхідних аналогових сигнала 0 - 20 мА і 1
аналогового вихідного сигналу 0 - 10 В.
МПК Реміконт 130
Для реалізації алгоритму управління на базі
Реміконта 130, у відповідності з типами і кількістю зовнішніх сигналів може
бути вибрана регулююча модель Реміконта 130 з модифікацією - 15 .
Таким чином у вибраній модифікації контролера
встановлені два модуля пристрою зв‘язку з об‘єктом (ПЗО) :
МАС - модуль аналогових сигналів, який працює з
8 аналоговими входами і 2 аналоговими виходами і який під‘єднаний до розніму
зовнішніх з‘єднань «А»;
МСД 8/8 - модуль дискретних сигналів, який
працює з 8 дискретними входами і 8 дискретними виходами і який під‘єднаний до
розніму зовнішніх з‘єднань «Б».
Під‘єднання зовнішніх пристроїв до рознімів
контролера відбувається за допомогою клемно-блокових з‘єднань.
Таким чином, у відповідності з схемою
підключення, аналогові сигнали будуть подаватись у контролер на відповідні
входи алгоритму вводу ВАА і алгоритми виводу АВА, а дискретні сигнали на
відповідні входи алгоритмів ВДБ і ДВБ.
Схема підключення зовнішніх сигналів до Реміконт
130 наведена на рисунку 4.
Рисунок 4. Схема підключення зовнішніх сигналів
до Реміконт 130
2.3 МПК МИК-51
Для реалізації алгоритму управління на базі
МИК-51, у відповідності з типами і кількістю зовнішніх сигналів може бути
вибрана регулююча модель МИК-51-02 .
МІК-51 - це комплекс технічних засобів.
Складається він з окремих конструктивно автономних і функціонально закінчених
блоків: центрального блока контролера БК - 21 і блоків, що доповнюють
центральний блок контролера.
Центральний блок перетворює аналогову і
дискретну інформацію в цифрову форму, веде обробку цифрової інформації,
виробляє керуючу дію.
Додаткові блоки використовуються для
попереднього підсилення сигналів термоелектричних перетворювачів і
термоперетворювачів опору, формують дискретні вихідні сигнали для комутації
високих напруг, створюють зовнішні переключення і блокування і т.п.
МІК - 51 - це проектно-компонований виріб. Його
склад, ряд параметрів визначає споживач. В контролер вбудовані засоби
самодіагностування, сигналізації і ідентифікації несправностей.
Центральний блок контролер має три моделі:
БК-21 - регулююча;
БК - 22 - логічна;
БК - 23 - неперервно-дискретна.
Найбільш поширеною моделлю є модель БК-21, яка
реалізовує наступні функції:
) ручне встановлення або автоматична корекція
параметрів настройки алгоритму регулювання;
) безударна зміна режимів керування, безударне
ввімкнення, вимкнення, перемикання і конфігурація контурів регулювання;
) вибіркове оперативне керування і контроль за
контурами регулювання за допомогою 12-ти функціональних клавіш і двох 4-и
розрядних індикаторів;
) запис алгоритму ПГОП з можливістю
ультрафіолетового стирання;
) самодіагностика та індикація несправностей.
Структурну схему МІК-51 можна зобразити
наступним чином:
Рисунок 5 - Структур насхема МІК-51
В комплекті з МІК-51 можуть використовуватися
звичайні давачі і виконавчі механізми, які підключаються до МІК-51 за допомогою
індивідуальних кабельних з’єднань.
Без додаткових пристроїв МІК-51 ( як однакові,
так і різні моделі контролерів) можуть об'єднуватися в локальну керуючу мережу
“Транзит” кільцевої конфігурації. По витій парі дротів контролери можуть
обмінюватися інформацією в цифровій формі. З зовнішнім абонентом мережа
“Транзит” може взаємодіяти за допомогою шлюзу, який входить в склад МІК-51.
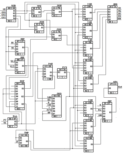
3. Розроблення прикладного програмного
забезпечення для реалізації алгоритму керування
.1 Розроблення програми користувача для МПК
Реміконт-130
На рисунку нижче наведений можливий варіант
програми користувача для Реміконта-130 на мові функціональних блоків. На схемі
окремі алгоритми зображені у вигляді прямокутників над яким вказано їх
позначення у відповідності з бібліотекою алгоритмів. У верхній частині зліва
вказується номер алгоблоку, куди записується алгоритм, справа - бібліотечний
номер. У нижній частині зліва - модифікатор для даного алгоритму, справа -
масштаб часу.
Для зв‘язку програми з сигналами зовнішніх
пристроїв використані алгоритми інтерфейсного зв‘язку (ВДБ, ВАА, ДВБ, АВА),
підключення до яких зовнішніх пристрої показано у відповідності до вище
наведеної схеми підключення до Р-130.
Дискретні виходи і входи алгоритму ПЕР,
записаного в алгоблок 25, підключені через алгоритм двохпозиційного управління
УДП, для яких встановлений модифікатор 02. Тобто сигнал логічної одиниці (по
передньому фронту) поданий на входи 01,02 викликає появу логічної одиниці на їх
виході 01, сигнал логічної одиниці (по передньому фронту) поданий на входи
03,04 викликає появу логічного нуля на виході 01.
Рисунок 6 - Програма користувача на МПК Реміконт
130
.2 Розроблення програми користувача на МПК
МИК-51
Рисунок 7 - Програма користувача на МПК МИК-51
. Відлагодження програми користувача
Загальні принципи
Відлагодження програми бажано проводити в три
етапи:
перед впровадженням на об’єкт;
доводка програми на об’єкті перед пуском
установки;
доводка програми на об’єкті в режимі
експлуатації.
Перший етап дає змогу максимально наблизити
програму до робочого стану ще на етапі проектних робіт. Відсутність робочого
об’єкту вимагає від розробника ПЗ імітації сигналів від датчиків, відповідно до
умов функціонування цього об’єкту. Розробник чітко повинен уявляти як працює
об’єкт, для того щоб імітувати сигнали в правильній послідовності та діапазонах
сигналу. Так, наприклад, типовою помилкою є імітація спрацювання верхніх
датчиків рівня при наборі перед нижніми, адже рівень набирається поступово.
В крос-системі Мікрол, імітація зовнішніх входів
проводиться шляхом блокування відповідних зовнішніх змінних (ВА, ВД) та
завдання їм необхідного (імітованого) значення. Правильність роботи відслідковується
по зміні відповідних вихідних змінних (АВ, ДВ) та технологічних повідомлень.
В середовище PL7
PRO для відладки
використовують таблиці анімації або/та засіб Runtime
Screener. Принципи імітації
аналогічні як в Мікрол, однак замість блокування зовнішніх входів проводиться
їх форсування. Інколи у розробника є можливість імітувати сигнали підключивши
до ПЛК зовнішні імітатори:
вимикачі або перемикачі;
задавачі струму або напруги;
резистори змінного опору тощо.
Такі засоби дають можливість перевірити не
тільки роботу програми але і повністю обчислювальний канал.
Інколи у розробника немає можливості використати
необхідні модулі входів/виходів, що приводить до неможливості форсування та
зміни вхідних змінних. В цьому випадку частину програми переприв’язки змінних
(див. таб.3) можна виділити як коментар, тим самим вилучити з робочого циклу
програми, і імітувати значення тільки проміжних змінних.

В межах контролеру створюється частина програми,
яка імітує роботу об’єкту управління.
5. Розрахунок надійності спроектованої системи
Розрахунок надійності системи необхідно виконати
двома методами, вважаючи її відновлюваною та невідновлюваною. Дані, необхідні
для розрахунку вибрані з технічних характеристик приладів та приведені в
таблиці 5.1.
Таблиця 5.1 - Вихідні дані для розрахунку
надійності системи
|
№ п/п
|
Назва приладу
|
Наробка
до відмови t, год
|
Інтенсивність
відмови λ=1/t, 1/год
|
Час відновлення tв, год
|
Інтенсивність
відновлення μ=1/tв, 1/год
|
|
1
|
ТСМ 100М
|
200 000
|
0,5·10-6
|
8
|
0,125
|
|
2
|
Modicon M340
|
50 000
|
2·10-5
|
5
|
0,2
|
|
3
|
HoneyWell Eclipse
|
100 000
|
1·10-5
|
4
|
0,25
|
|
4
|
Метран-350
|
100 000
|
1·10-5
|
3
|
0,33
|
|
5
|
EMERSON 1035
|
150 000
|
6,67·10-6
|
4
|
0,25
|
Розрахунок надійності системи, яка вважається
невідновлюваною
Наробка до відмови і-го елементу системи, год:
Інтенсивність відмови і-го елементу
системи,1/год:
Інтенсивність відмови системи, 1/год:
Ймовірність безвідмовної роботи системи на
протязі 2000 год:
Час безвідмовної роботи системи, год:
Частота відмови системи напротязі 2000
год,1/год:
Розрахунок надійності системи, вважаючи її
відновлюваною
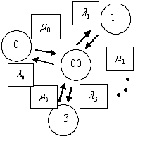
Розрахунок надійності систем керування
Логічна схема розрахунку надійності включає такі
послідовно з"єднані пристрої:
Тип обладнання
TCM 100M
Eclipse

1035
Розрахунок надійності відновлювальної системи
без резервуання
Граф системи представлений на рисунку. Роботоздатними
системами є 00
Система диференційних рівнянь , що
описуєнадійність роботи розглянутої системи поданої у перетвореннях Лапласа
буде такою
А також добавимо балансне рівняння
Прирівнявши члени з похідними до нуля (s=0)
, одержимо систему яка описує усталені значення ймовірностей перебування
системи у відповідних станах. Розв'яжимо дану систему рівнянь
Тоді отримаємо:
Тоді коефіцієнт готовності
Коефіційієнт потоку відмов
Середня наробка до відмови складає, год
Розрахунок надійності системи дав такі
результати:
для невідновлюваної системи інтенсивність відмов
λсис=5.167·10-5
1/год;
частота відмови системи на протязі 2000 год a(2000)=4.659·10-5;
для відновлюваної системи середня наробка до
першої відмови 1.98·104 год.
Отже, розроблена система автоматичного
керування є достатньо надійною та придатною для експлуатації.
У разі якщо Р(t)
≤0.8 при t=2000год.
необхідно вжити заходів для підвищення надійності системи шляхом резервування
найненадійніших елементів системи. Тоді знову зробити перерахунок.
Висновок
В даній курсові роботі, відповідно до наданого
завдання, було розроблено спрощену схему автоматизації та алгоритм керування.
Останній виконано у вигляді алгоритмічної структури.
За допомогою спеціалізованих програм розроблено
програмне забезпечення:
для МПК Реміконт Р-130
для МПК МІК51 - програмне забезпеченя Alfa.
Наведено схеми підмикання датчиків та виконавчих
механізмів до модулів контролерів.
Було проведено розрахунок надійності системи.
Список літературних джерел
1.
Ельперін І.В. Промислові контролери: Навч.посіб. - К.: НУХТ, 2003. - 320 с.
.
Ельперін І.В. Промислові контролери. Частина 1.: Конспект лекцій до вивчення
дисц. Для студ. Спец. 6.092500 «автоматизоване управління технологічними
процесами» і «Комп‘ютерно-інтегровані технологічні процеси і виробництва»
напряму підготовки 0925 «Автоматизація і комп‘ютерно-інтегровані технології». -
К.: НУХТ, 2007. - 84 с.
.
Ельперін І.В. Промислові контролери. Частина 2.: Конспект лекцій до вивчення
дисц. Для студ. Спец. 6.092500 «автоматизоване управління технологічними
процесами» і «Комп‘ютерно-інтегровані технологічні процеси і виробництва»
напряму підготовки 0925 «Автоматизація і комп‘ютерно-інтегровані технології». -
К.: НУХТ, 2007. - 84 с.
.
Мікропроцесорні пристрої і системи управління в харчовій промисловості: Навч.
Посібник /І.В.Ельперін, Є.Л.Календро, А.П.Ладанюк. -К.: ІСДО, 1994. - 140 с.
.
Мікропроцесорні та програмні засоби автоматизації: Метод. вказівки до виконання
курс. проекту для студ. спец. 6.092501 “Автоматизоване управління
технологнічними процесами” та 6.092502 “Комп‘ю-терно-інтегровані технологічні
процеси та виробництва”ден. та заоч .форм навчання / Уклад.: І.В.Ельперін,
В.М.Кушков, Г.В.Кабальський. - К.: УДУХТ, 2001. - 16 с.
.
Мікропроцесорні пристрої та системи автоматики: Метод. Вказівки до вивчення
дисципліни для студтів спец. . 7.092501 “Автоматизація технологнічних процесів
і виробництв заоч.форми навчання” / Уклад.: І.В.Ельперін, В.М.Кушков. - К.:
УДУХТ, 1998. - 20 с.
.
І.В. Ельперін, О.М.Пупена. Контролери та їх програмне забезпечення: Частина 4.:
Для студентів напряму 6.050202 "Автоматизація та комп’ютерно-інтегровані
технології" - К.: НУХТ, 2013.