|
Кут обзору град.120
|
|
|
Швидкість обзору ,
град/с.95
|
|
|
Тривалість реверсу tp, с
|
0,09
|
|
Статичний момент опору, приведений до вала
двигуна Мс, Н мм6,5
|
|
|
Гарантійний термін роботи Т, год
|
1300
|
Вважати:
. Режим роботи привода симетрично-реверсивний
за графіком, а реверс двигуна здійснюється електронним блоком керування.
. Приведений момент інерції
усього привода може бути обчислений за формулою:
,
де
-
момент інерції ротора двигуна
Виконати:
. Підібрати двигун,
вважаючи, що передаточне відношення усього привода лежить у межах
, перевірити
здатність двигуна забезпечити потрібне кутове прискорення ланок привода.
. Розбити загальне
передаточне відношення привода відповідно до умови:
,
яка забезпечує мінімізацію
моменту інерції редуктора; передаточне відношення останнього ступеня
уповільнення взяти у межах
.
. Обчислити міжосьову
відстань останнього ступеня зачеплення редуктора привода з урахуванням величини
максимального потрібного рушійного моменту на валу двигуна. Коефіцієнт
зовнішньої динаміки під час розрахунку взяти
.
. Обчислити модуль
третього ступеня уповільнення
. Назначити інші модулі зачеплень,
забезпечуючи умову:
.
5. Розрахувати фрикційну
муфту, яка працює без змащення, з умови передачі моменту, що не перевищує на
20% максимальний потрібний момент на валу.
. Підбір двигуна
Для підбору двигуна визначаємо
діапазон обертів, у якому має обертатися його ротор.
Оскільки передаточне
відношення всього привода має бути у межах
, то:
, (2.1)
де
- оберти
вала двигуна (вхідна ланка);
- оберти вала пристрою огляду
(вихідна ланка).
Визначаємо оберти вала
пристрою:
, (2.2)
де
- кутова
швидкість вала пристрою огляду у градусній мірі.
Тоді з 2.1 діапазон обертів
вала двигуна буде:
. (2.3)
Відтак з Довідника по
електродвигунам з урахуванням статичного моменту опору, який даний в завданні
вибираємо двигуни:
1) ДПМ-30-Н1-03
;
) ДПМ-30-Н1-06
;
) ДПМ-35-Н1-01
;
) ДКМ-6-12
;
) ДКМ-16-12
;
) ДКМ-25-12
;
) ДКМ-40-12
;
Обираємо двигун ДПМ-30-Н1-03,
оскільки він найбільше задовольняє технічним умовам. На рисунку 2.1 зображене
ескізне виконання двигуна.
Рисунок 2.1 - Ескізне виконання
двигуна ДПМ-30-Н1-03
Оскільки привод рухається зі сталим
кутовим прискоренням, то максимальний момент двигуна має бути більшим від
головного моменту сил інерції привода, тобто повинна виконуватися умова:
, (2.4)
де
-
максимальний момент двигуна;
- момент інерції привода,
приведений до вала двигуна;
- кутова швидкість вала двигуна;
- кутове прискорення ротора
двигуна;
- тривалість реверсу.
Момент інерції якоря:
;
;
;
;
Звідси знайдемо
:
Робимо перевірку виконання
умови 2.4:
;
;
Тоді:
Отже, умова 2.4 виконується.
. Перевірка режиму роботи
двигуна
Потужність двигуна:
(3.1)
.
Для нормальної роботи двигуна
його середній рушійній момент не повинен перевищувати номінальний. Отже,
повинна виконуватися умова:
(3.2)
Оскільки режим роботи двигуна не
постійний, то його середній момент визначається так званим еквівалентним
моментом:
, (3.3)
де
- рушійні
моменти двигуна в і-ті фази циклу;
- тривалість і-тих фаз циклу;
- тривалість усього циклу.
Щоб перевірити виконання
умови 3.3, будуємо циклограму кутових швидкостей вала двигуна. Оскільки цикл
симетричний, то:
тривалість прискорення:
;
тривалість огляду:
;
тривалість гальмування:
;
;
;
.
Тривалість циклу:
Відповідно до циклограми
швидкостей обчислюємо циклограму моментів.
Динамічний момент у періоди
пуску та реверсу визначається за формулою:
(3.4)
і дорівнює по модулю головному
моменту сил інерції, що діють на привод під час реверсування, тобто:
Рушійні моменти в інтервалі
часу
для
(за завданням)
будуть:
;
;
;
;
;
.
Для симетричного циклу з
трьома парами (шістьома), попарно однаково навантажених ділянок, формула 3.3
може бути представлена у вигляді:
(3.5)
Підставляючи отримані дані у 3.5,
одержуємо:
Режим роботи двигуна
відповідає його нормальній експлуатації, тому що
>
.
. Кінематичний розрахунок
Обчислюємо необхідне
передаточне відношення всього приводу:
Визначаємо передаточні
відношення ступенів, беручи
.
Тоді передаточне відношення
редуктора:
Передаточні відношення
ступенів визначаємо за формулами:



Знаходимо числа зубів коліс,
призначаючи за ДСТ значення передаточних відношень, близьких до розрахункових.
Беремо сумарне число зубів пари коліс у межах
,
забезпечуючи
.
Розраховуємо кількість зубів
шестерень з урахуванням, що
:
;
;
;
;
;
.
Отримані данні заносимо в
таблицю 4.1:
Таблиця 4.1 - Розрахункові
параметри
редуктора
|
       
|
|
|
|
|
|
|
|
|
|
2,31
|
3,05
|
4,035
|
27,2
|
62,832
|
22,22
|
67,771
|
17,875
|
72,126
|
Округляємо числа зубів і, якщо
потрібно, перепризначуємо їх. Фактичні передаточні числа ступенів і всього
привода будуть записуємо у таблицю 4.2:
Таблиця 4.2 - Прийняті параметри
редуктора
|
        
|
|
|
|
|
|
|
|
|
|
|
27
|
63
|
22
|
68
|
18
|
72
|
2,31
|
3,05
|
4,035
|
284,4
|
Відхилення проектного і фактичного
значень передаточного відношення всього приводу буде:
, що допускається.
Використовуючи фактичні
передаточні відношення ступенів, визначаємо обороти валів
:
;
;
;
;
.
Кінематична схема азимутального
привода дзеркала літакової радіолокаційної антени з реверсом дзеркал показана
на кресленні КРМП.432056.001К. Привод складається з електродвигуна і
триступеневого редуктора, вихідна шестерня z4’ якого
знаходиться в зачепленні із зубчастим сектором закріпленим на осі дзеркала
антени. Всі зубчаті колеса, окрім
та
, жорстко закріплені шпонками, вибір
та розрахунок яких проводиться в розділі 10.5.
. Силовий розрахунок
Знаходимо максимальні
моменти, що діють на валах, за формулами:
;
;
;
,
де
- ККД
зубчатої циліндричної передачі
Отримані данні заносимо до
таблиці 5.1:
Таблиця 5.1 - Максимальні
моменти, що діють на валах
6. Міжосьові відстані
Міжосьову відстань
визначаємо
за формулою:
[мм], (6.1)
де
-
зовнішньої динаміки;
- коефіцієнт, що враховує тип
редуктора;
- коефіцієнт, що враховує лінійну
швидкість обертання шестерень;
- допустиме контактне навантаження;
- коефіцієнт ширини зубчастого
колеса;
Допустиме контактне
напруження визначається за формулою:
,
де
- межа
контактної витривалості активних поверхонь зубів, яка знаходиться за формулою:
,
де
- твердість
поверхонь зуба за шкалою Брінеля.
- довговічності, де
- базове
число циклів;
- число еквівалентних навантажень;
- коефіцієнт безпеки.
Для визначення
назначаємо
матеріал зубчастих коліс - конструкційну сталь марки
. Вибираємо
твердість шестерні
, колеса
. Тоді:
для шестерні:
;
для колеса:
;
Відповідно до значень
і
за допомогою
допоміжної літератури знаходимо
:
для шестерні:
для колеса:
Число еквівалентних
навантажень
знаходимо
за еквівалентною тривалістю циклу
. Її знаходимо відповідно до
циклограми роботи привода і відповідних значень рушійних моментів за формулою:
.
Тоді за ресурс
год
кількість циклів сканування буде:
Число еквівалентних циклів
навантажень на поверхню зубів, для шестерні
і колеса
:
;
(6.2)
З формул 6.2 знаходимо
та
:
Заносимо дані до таблиці 6.1:
Таблиця 6.1 - Параметри
навантажень на поверхні зубів
|
    
|
|
|
|
|
|
|
0,045
|
1729490
|
639
|
828858,1
|
158
|
204944,57
|
Для вибраних сталей і відповідних їм
базових чисел циклів коефіцієнти довговічності будуть рівні значенням у таблиці
6.2:
Таблиця 6.2 - Параметри навантажень
та довговічності на поверхні зубів
;
.
Коефіцієнт безпеки для
прийнятих сталей і їхньої термічної обробки становить:
. Тоді
допустимі напруження будуть:
для шестерні
:
;
для колеса
:
;
Під час розрахунку міжосьової
відстані будемо використовувати мінімальне значення:
.
Призначаємо коефіцієнт ширини
зубчастого вінця колеса
.
З огляду на тип редуктора,
твердість сталі та коефіцієнт ширини колеса знаходимо
.
Під час проектувального
розрахунку вважаємо, що
.
Заносимо дані для знаходження
міжосьової відстані
до таблиці
6.3:
Таблиця 6.3 - Дані для
знаходження міжосьової відстані
|
   
|
|
|
|
|
|
4,035
|
1,1
|
1055
|
0,125
|
792,14
|
Підставляючи ці значення у формулу
6.1, визначаємо розрахункову міжосьову відстань:
.
Тоді розрахункове значення
модуля для третього зачеплення буде:
.
Використовуючи умову
,
призначаємо:
;
;
.
За призначеними модулями і
розрахованою кількістю зубів знаходимо міжосьові відстані:
;
;
.
. Геометричні розміри
зубчастих коліс
Основні геометричні розміри
ступенів зачеплення редуктора визначаємо згідно з формулами, наведеними у
таблиці 7.1 і заносимо до цієї самої таблиці:
Таблиця 7.1 - Параметри і
розміри зачеплень редуктора
|
Назва параметра
|
Позначення, розрахункова формула
|
Зубчасті колеса
|
|
|
1 ступ.
|
2 ступ.
|
3 ступ.
|
Зовн.
|
|
|
     
|
|
|
|
|
|
|
|
Модулі зачеплень
|
0,30,40,50,8
|
|
|
|
|
|
Числа зубів
|
27632268187218
|
|
|
|
|
|
|
|
|
Ділильний діаметр
|
8,118,98,827,293614,4
|
|
|
|
|
|
|
|
|
Діаметр вершин зубів
|
8,719,59,628103716
|
|
|
|
|
|
|
|
|
Ширина вінця зубчастого колеса
|
1,6882,252,81-
|
|
|
|
|
|
Міжосьова відстань
|
13,51822,5-
|
|
|
|
|
З визначених даних, можна
зробити висновок, що внутрішня частина редуктору є достатньо компактною, що є
позитивно для легкості розрахунку корпусу редуктора, але негативно
відображається на термін роботи зубчатих коліс, тобто зростає вірогідність
поломки зуба колеса або перевантаження електродвигуна. Для запобігання таких
негативних наслідків на перший вал (діаметр якої -
) ставиться
фрикційна муфта, вибір розрахунок якої ведеться в пункті 10.1.
. Визначення діаметрів валів
і підшипників
Першим валом є вал двигуна.
Отже:
.
Мінімальні діаметри проміжних
валів розраховуємо за формулою:
,
де і - порядковий номер вала
на кінематичному ланцюзі.
Вал із фрикційною муфтою:
. Беремо 4 мм. Ділянку вала під
зубчасте колесо для зручності його насадження візьмемо 4 мм. Діаметр вала від
зубчатого колеса
і до
фрикційної муфти беремо 2 мм. Діаметр вала під шестерню, що ковзає, беремо 4
мм.
Другий проміжний вал:
Беремо 5 мм.
Вихідний вал:
Візьмемо 6 мм.
де
- крутний
момент на валу, Н∙мм;
- допустиме значення дотичних
напружень, МПа. Беремо
.
Підшипники підбираємо за
стандартом відповідно до діаметра цапф валів. Для параметрів редуктора беремо
підшипника кульові радіальні однорядні (ДСТ 8338-75). На рисунку 8.1 зображене
ескізне виконання підшипника
Вал із фрикційною муфтою. Для
цапфи
- підшипник
№24, з внутрішнім діаметром
;
Другий проміжний вал. Для
цапфи
- підшипник
№25
.
Вихідний вал. Для цапфи
- підшипник
№26
.
На рисунку 8.1 зображене
ескізне виконання підшипника
Рисунок 8.1 - Ескізне
виконання підшипника ДСТ 8338-75
9. Ескізне компонування
редуктора
Ескізне компонування
виконується на міліметровому папері в масштабі 2:1. Спочатку проводять осьові
лінії валів, використовуючи значення міжосьових відстаней. Потім схематично
показують вали, підшипники, зубчасті колеса і внутрішню поверхню корпусу.
Відстані між шестернями, що насаджені на одному валу визначаються на розсуд
конструктора.
Розміри, що уторилися на
початковій стадії ескізного компонування редуктора, використовують для
остаточного розрахунку валів та підшипників редуктора.
Мета ескізного компонування
редуктора:
1) Виявити положення зубчастих
коліс відносно опорів валів;
) Приблизно визначити
відстань між опорами валів для подальшого визначення положень опорів валів;
) Приблизно визначити розміри
внутрішніх стінок корпусу редуктора.
Побудову ескізного
компонування починають з проставляння осьових ліній при їх міжосьових відстанях
. Далі,
проставляють діаметри валів; насаджують підшипники на шліци; визначаються з
розміщенням електродвигуна та зубчастих коліс; проставляють діаметри вершин
зубів зубчастих коліс, та ширину їх вінців.
. Розрахунок та побудова
основних вузлів привода
Вибір та розрахунок
фрикційної муфти
Вибираємо фрикційну муфту
згідно ГОСТ 15622-96 (рисунок 10.1), так як вона здатна надійно захистити
зубчаті колеса від пошкоджень, а електродвигун від перевантажень. Розрахунок
муфти проведений з урахуванням того, щоб не використовувати для неї спеціальні
мастила.
Момент, що розвивається на
парах
робочих поверхонь дисків фрикційної муфти:
де,
- зусилля
піджаття з боку пружини;
- коефіцієнт тертя;
- середній діаметр робочих
поверхонь дисків;
- число дисків.
Цей момент не повинний
перевищувати максимальний момент, переданий валом, помножений на коефіцієнт
зовнішньої динаміки
і
коефіцієнт запасу моменту тертя
, чи бути менше його. Отже, при
установці муфти на валу 2, повинне виконуватися рівність:
Призначаючи зовнішній діаметр
дисків
і
внутрішній
, маємо:
.
Прийнявши матеріал поверхонь
тертя дисків - сталь по металокераміці без змащення
, при
,
,
, одержуємо
зусилля піджаття дисків:
9,6 Н.
Рисунок 10.1 - Ескізне
виконання фрикційної муфти ГОСТ 15622-96: 1 - Пластина-регулятор; 2 - Пружина;
3 - Вал з зубчатим колесом, що ковзає; 4 - Зубчате колесо
Таблиця 10.1 - Габаритні дані
фрикційної муфти ГОСТ 15622-96
Розрахунок електродвигуна
Рисунок 10.2 - Ескізне виконання
двигуна ДПМ-30-Н1-03
Таблиця 10.2 - Габаритні дані
двигуна ДПМ-30-Н1-03
Вибір та розрахунок з’єднувальних
болтів
Діаметр болта, який з’єднує
ущільнювач манжети, кришку вал-шестерні та фрикційної муфти з верхньою кришкою
корпусу редуктора, М3 - 3мм. Обираємо болт ГОСТ 1491-80 (рисунок 10.3.1).
Рисунок 10.3.1 - Ескізне виконання
болта ГОСТ 1491-80
Таблиця 10.3.1 - Габаритні дані
болта ГОСТ 1491-80
Діаметр болта, який з’єднує
електродвигун і нижню кришку корпусу, М3 - 3мм. Обираємо болт ГОСТ 7785-81
(рисунок 10.3.2)
Рисунок 10.3.2 - Ескізне виконання
болта ГОСТ 7785-81
Таблиця 10.3.2 - Габаритні дані
болта ГОСТ 7785-81
Вибір та розрахунок з’єднувального
штифта
Діаметр штифта, який з’єднує верхню
та нижню кришки корпусу редуктора - 3мм. Обираємо штифт ГОСТ 24296-93 (рисунок
10.4).
Рисунок 10.4 - Ескізне виконання
штифти ГОСТ
24296-93
Таблиця 10.4 - Габаритні дані штифти
ГОСТ
24296-93
Вибір та розрахунок шпонки
Розміри прямокутної шпонки (рисунок
10.5) по ГОСТ 23360-78.
Рисунок 10.5 - Ескізне виконання
шпонки ГОСТ 23360-78
Таблиця 10.5 - Габаритні дані штифти
ГОСТ
24296-93
Вибір та розрахунок манжети
Приймаємо діаметр вихідного вала під
манжетне ущільнення ДСТ 58752-79 (тип 1, манжети гумові армовані) 6 мм.
Рисунок 10.6
- Ескізне виконання манжети ДСТ 58752-79 (тип 1)
Таблиця 10.6 - Габаритні дані
манжети ДСТ 58752-79 (тип 1)
Вибір та розрахунок підшипників
Вибираємо підшипники кулькові
радіальні однорядні ДСТ 8338-75 (рисунок 10.7) №24, 25, 26.
Рисунок 10.7 - Ескізне виконання
підшипника ДСТ 8338-75
Таблиця 10.7 - Конструктивні розміри
підшипників
Розрахунок та побудова зубчастих
коліс
Розрахунок та побудова зубчастого
колеса z1
Рисунок 10.8.1 - Ескізне виконання
зубчастого колеса z1
Розрахунок основних конфігурацій
зубчатого колеса z1 зважаючи, що його основі параметри та міжосьова
відстань між валами зчеплення шестерень:
;
;
;
Дані розрахунків заносимо до
таблиці 10.8.1, розмір L [мм] берем з використаної літератури.
Таблиця 10.8.1 -
Конструктивні розміри зубчастого колеса z1
|
d
|
dД
|
dB
|
b
|
L
|
|
3
|
8,1
|
8,7
|
1,688
|
6
|
Розрахунок та побудова зубчастого
колеса z2
Рисунок 10.8.2 - Ескізне виконання
зубчастого колеса z2
Розрахунок основних конфігурацій
зубчатого колеса z2 зважаючи, що його основі параметри та міжосьова
відстань між валами зчеплення шестерень:
;
;
;
Дані розрахунків заносимо до
таблиці 10.8.2, розмір L [мм] берем з використаної літератури.
Таблиця 10.8.2 -
Конструктивні розміри зубчастого колеса z2
|
d
|
dД
|
dB
|
b
|
L
|
|
4
|
18,9
|
19,5
|
1,688
|
7
|
Розрахунок та побудова зубчастого
колеса z2’
Рисунок 10.8.3 - Ескізне виконання
зубчастого колеса z2’
Розрахунок основних конфігурацій
зубчатого колеса z2’ зважаючи, що його основі параметри
та міжосьова відстань між валами зчеплення шестерень:
;
;
;
Дані розрахунків заносимо до
таблиці 10.8.3, розмір L [мм] берем з
використаної літератури.
Таблиця 10.8.3 -
Конструктивні розміри зубчастого колеса z2’
|
d
|
dД
|
dB
|
b
|
L
|
|
2
|
8,8
|
9,6
|
2,25
|
10,5
|
Розрахунок та побудова зубчастого
колеса z3
Рисунок 10.8.4 - Ескізне виконання
зубчастого колеса z3
Розрахунок основних конфігурацій
зубчатого колеса z3 зважаючи, що його основі параметри та міжосьова
відстань між валами зчеплення шестерень:
;
;
;
Дані розрахунків заносимо до
таблиці 10.8.4, розмір L [мм] берем з використаної літератури.
двигун
кінематичний редуктор привод
Таблиця 10.8.4 -
Конструктивні розміри зубчастого колеса z3
|
d
|
dД
|
dB
|
b
|
L
|
|
5
|
27,2
|
28
|
2,25
|
5
|
Розрахунок та побудова зубчастого
колеса z3’
Так як зубчасте колесо z3’
виконане
разом с другим валом в вигляді вал-шестерні, то
всі розрахунки проводимо як для вал-шестерні.
Рисунок 10.8.5 - Ескізне виконання
вал-шестерні
Розрахунок основних конфігурацій
зубчатого колеса z3’
зважаючи, що його основі параметри:
;
;
;
Дані розрахунків заносимо до
таблиці 10.8.5, розмір L [мм] берем з використаної літератури.
Визначення інших конфігурацій
вал-шестерні:
- розмір шпонки вставляємої в
зубчасте колесо z3
;
.
;
;
;
Таблиця 10.8.5 -
Конструктивні розміри зубчастого колеса z3’
|
d
|
dД
|
dB
|
b
|
L
|
|
5
|
9
|
10
|
2,81
|
11
|
Розрахунок та побудова зубчастого
колеса z4
Рисунок 10.8.6 - Ескізне виконання
зубчастого колеса z4
Розрахунок основних розмірів
зубчатого колеса z4 зважаючи, що його основі параметри та міжосьова
відстань між валами зчеплення шестерень:
;
;
;
Дані розрахунків заносимо до
таблиці 10.8.6, розмір L [мм] берем з використаної літератури.
Таблиця 10.8.6 -
Конструктивні розміри зубчастого колеса z4
|
d
|
dД
|
dB
|
b
|
L
|
|
6
|
36
|
37
|
2,81
|
9
|
Розрахунок та побудова зубчастого
колеса z4’
Рисунок 10.8.7 - Ескізне виконання
зубчастого колеса z4’
Розрахунок основних розмірів
зубчатого колеса z4’ зважаючи, що його основі параметри
та міжосьова відстань між валами зчеплення шестерень (в залежності від умов передаточних
відношень механізмів які не входять в склад редуктора):
;
;
;
Дані розрахунків заносимо до
таблиці 10.8.7, розмір L [мм] берем з використаної літератури.
Таблиця 10.8.7 -
Конструктивні розміри зубчастого колеса z4’
|
d
|
dД
|
dB
|
b
|
L
|
|
6
|
14,4
|
16
|
2
|
9
|
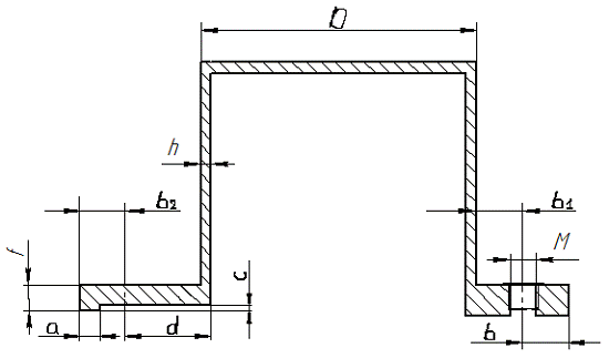
Призначення розмірів кришки муфти та
вал-шестерні
Враховуючи міжосьову відстань а12
, параметри та розміри фрикційної муфти, параметри та розміри
вал-шестерні, для зручності
кріплення кришки
вал-шестерні
та
фрикційної муфти виготовляємо їх як одну деталь - кришка муфти та вал-шестерні.
Рисунок 10.9 - Ескізне виконання
кришки муфти та вал-шестерні
Розмір М обирається з
урахуванням діаметру різьби (M - діаметр різьби) для болта - 3мм; h -
товщина стінки кришки муфти; с - довжина простору між валом та кришкою;
- відстань
між простором (між валом і кришкою) та краєм кришки; b - відстань між зовнішнім
краєм стінки кришки муфти та віссю кріплення болта; b1 - відстань
між краєм кришки муфти та віссю кріплення болта; b2 - відстань між
краєм кришки вал-шестері та віссю кріплення болта; d - відстань між віссю
кріплення болта та внутрішньої стінки кришки муфти. Так як вся кришка закриває
частину корпусу редуктора в том числі і вал шестерню, то розмірність величини f
вибираємо як товщина корпусу - 3мм. Величині h назначаємо розмірність в 1мм,
так як цього достатньо щоб захистити муфту від зовнішніх механічних факторів.
b = b1 = b2
Розміри кришки муфти та вал-шестерні
наведені у таблиці 10.9:
Таблиця 10.9 - Конструктивні розміри
кришки муфти та вал-шестерні
|
M
|
h
|
f
|
b1
|
b2
|
b
|
d
|
D
|
c
|
a
|
|
3
|
1
|
3
|
5
|
5
|
5
|
7,5
|
30
|
0,5
|
3
|
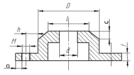
Призначення розмірів ущільнювача
манжети
Рисунок 10.10 - Ескізне виконання
ущільнювача манджети
Розмір М обирається з урахуванням
діаметру різьби (M - діаметр різьби) для болта - 3мм. Так як кришка закриває
частину корпусу редуктора, то розмірність величини f
вибираємо
як товщина корпусу - 3мм.
Розміри кришки наведені у таблиці
10.10:
Таблиця 10.10 - Конструктивні
розміри ущільнювача манжети
|
M
|
h
|
f
|
L
|
c
|
a
|
d
|
D
|
|
3
|
1
|
3
|
5
|
5
|
5
|
10,5
|
30
|
двигун кінематичний
редуктор привод
Висновки
Під час виконання курсової роботи я
набув навичок розрахунку, вибору та конструювання деталей машин та механізмів,
детальніше - привода радіолокаційної літакової системи.
З даних розрахунків можна зробити
висновки, що дана конструкція відображає прагнення до мінімальної її маси і
розмірів, задля зручності розміщення механізму, а також задля менших
матеріальних затрат. Деякі частини корпусу мають складну форму, що є не легшим
його виготовленням, але більш є надійнішими в роботі привода. Під час
розрахунку були погрішності, які в цей момент і були враховані. Даний привод
має параметри, які як можна ближче відповідають ідеальним параметрам. Попри всі
недоліки, які можуть бути знайдені в даному механізмі, він може надійно
працювати при умовах, для яких він розрахований. Для запобігання всіх поломок і
пошкоджень було вжито заходів: захист від корозії всього апарату в цілому,
захист від механічних пошкоджень зубчастих коліс і від перевантажень
електродвигуна, захист від попадання в редуктор сторонніх тіл, змащування всіх
підшипників і зубчастих коліс.
Список літератури
1. Анурьев В.И. Справочник
Конструктора-машиностроителя: В 3-х т. - М.: Машиностроение, 1979.-1436 с. - Т.
1-3.
. Дунаев П.Ф. Конструирование
узлов и деталей машин. - М.: Высшая школа, 1978. - 352 с.
. Дунаев П.Ф., Леликов О.П. Детали
машин. Курсовое проектирование
4. Иосилевич Г.В. Прикладная
механика. - Москва: Высшая школа, 1985. - 190
с.
. Катаев В.П., Макутов М.А.,
Гусенков А.П. Расчеты деталей машин и конструкций на прочность и долговечность.
-
М.: Машинопостроение, 1985. - 223 с.
6. Подшипники качения.
Справочник-каталог/ Под редакцией В.Н. Нарышкина, Р.В. Карасташевского. -
М.: Машиностроение, 1984. - 280 с.
. Рощин Г.И. Несущие конструкции и
механизмы РЭА. - М.: Высшая школа, 1981. - 375 с.
. Чернилевский Д.П. Детали машин и
механизмов. Курсовое проектирование. - Киев:
Высшая школа, 1987.