Расчет и конструирование поршневого компрессора
Содержание
.Термодинамический расчёт
.1 Техническое задание
.2 Выбор схемы компрессора
.3 Определения необходимого числа
ступеней сжатия в компрессоре
.4 Распределение давлений по
ступеням сжатия
.5 Определение секундных объёмов,
описываемых поршнями первой и второй ступеней
.6 Определение активной площади
поршней
.7 Определение предварительных
значений диаметров цилиндров
.8 Определение частоты вращения
коленчатого вала компрессора
.9 Определение индикаторной мощности
компрессора
.10 Определение мощности,
потребляемой компрессором
.11 Определение полезного действия
компрессора
.12 Выбор двигателя
. Динамический расчёт компрессора
.1 Уравновешивание компрессора
.1.1 Уравновешивание вращающихся
масс
.1.2 Уравновешивание поступательно
движущихся масс
.2 Расчёт маховика
.2.1 Построение индикаторных
диаграмм
.2.2 Построение силовых диаграмм
.2.3 Построение диаграммы суммарного
противодействующего момента
. Расчёт газоохладителя
.1 Определение расхода охлаждающей
воды
.2 Определение необходимой
поверхности теплообмена
.3 Определение основных
геометрических параметров
. Расчёт клапанов
.1 Первый вариант
.1.1 Первая ступень
.1.2 Вторая ступень
.2 Второй вариант
.2.1 Первая ступень
.2.2 Вторая ступень
. Выбор масла
Заключение
Список использованной литературы
1. Термодинамический расчёт
компрессор
поршень коленчатый вал
Термодинамический расчёт состоит в
определении промежуточных термодинамических параметров по заданным начальным (
и
) и конечным
(
), с учётом
потерь в межступенчатых коммуникациях и газоохладителе, а также в определении
индикаторной и изотермической мощностей.
.1 Техническое задание
Необходимо спроектировать поршневой
компрессор с заданными параметрами:
Сжимаемый газ - воздух;
Конечное давление воздуха
;
Производительность компрессора
;
Начальная температура воздуха
;
Относительная влажность воздуха
;
Начальное давление воздуха
;
Схема компрессора L-образный
компрессор;
Температура охлаждающей воды
;
Коэффициент недоохлаждения
;
Коэффициент
;
Коэффициент герметичности
;
Относительное мёртвое пространство
первой ступени
;
Относительное мёртвое пространство
второй ступени
;
Относительные потери на всасывание
первой ступени
;
Относительные потери на всасывание
второй ступени
;
Относительные потери на нагнетание
первой ступени
;
Относительные потери на нагнетание
второй ступени
;
Дополнительные технические
требования - стационарный компрессор.
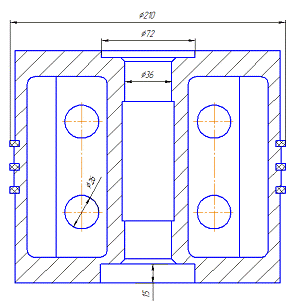
.2 Выбор схемы компрессора
Проектируемый компрессор по своим
параметрам соответствует компрессорам общепромышленного назначения средней
производительности.
Такие компрессоры целесообразно
выполнять крейцкопфными. Компоновка цилиндров, согласно техническому заданию,
вертикально-горизонтальная (L-образная). Такая схема несколько
уступает оппозитному расположению цилиндров с точки зрения уравновешенности
машины, но позволяет уменьшить занимаемую компрессором площадь.
Рис. 1.1. Схема L-образного
поршневого компрессора
1.3 Определение необходимого числа ступеней
сжатия в компрессоре
Общее отношение давлений в компрессоре:
На основании статистических данных
по уже выполненным компрессорам [1, с.92] определяем, что оптимальное значение
ступеней сжатия равно 2. К такому же результату можно прийти, задаваясь
отношением давлений в одной ступени, которое лежит в пределах от 3 до 5.
Назначая
, найдём
число ступеней:
Ближайшее целое значение числа
ступеней z=2.
.4 Распределение давлений по
ступеням сжатия
Отношение давлений в ступенях
вычислим согласно:
Отношение давлений газа в цилиндрах:
Отношение давлений газа в цилиндре
первой ступени:
Находим промежуточное давление:
.5 Определение секундных объёмов,
описываемых поршнями первой и второй ступеней
При нахождении секундных объёмов,
описываемых поршнями первой и второй ступеней, примем во внимание следующее.
Проектируемый компрессор - крейцкопфный со ступенями двойного действия. В таких
ступенях утечки происходят только через сальники, и их относительная величина
весьма мала. Учитывая неизбежную неточность при задании перетечек в ступени, не
имеет смысла уточнять объёмы, описываемые поршнями, введением в расчёты весьма
малой величины относительных утечек через сальники. Будем также считать, что
основная часть конденсата выделяется в межступенчатом холодильнике
(конденсацией водяных паров в концевом холодильнике будем пренебрегать). Тогда
производительность второй ступени должна быть равна заданной производительности
компрессора, а объём, описываемый поршнем второй ступени, может быть найден по
формуле:
,
где
- заданная массовая производительность
компрессора;
- плотность воздуха перед второй
ступенью;
- коэффициент производительности
второй ступени (
).
Массовая производительность первой
ступени в нашем случае должна быть больше таковой второй ступени только на
величину конденсации водяных паров в межступенчатой коммуникации. Тогда объём,
описываемый поршнем первой ступени, может быть найден по формуле:
,
где
- плотность воздуха перед первой
ступенью;
- коэффициент производительности
первой ступени, учитывающий также относительную массу водяных паров,
сконденсировавшихся в межступенчатом холодильнике (
).
Определим составляющие коэффициента
производительности для i-ступени:
,
где
- объёмный коэффициент;
- относительная величина мёртвого
пространства;
- показатель политропы расширения.
Показатель политропы расширения
находится из формулы:
Здесь
п - показатель политропы сжатия,
который для машин с водяным охлаждением цилиндров находится по приближённой
формуле
, где k -
показатель адиабаты.
Величина
находится
из уравнения:
,
где
- коэффициент, значения которого
изменяются от 0,92 до 1.
Выбираем
, тогда:
Принимая
, получим:
Далее находим величину
:
Коэффициент давления
учитывает
влияние газодинамических сопротивлений линии всасывания на производительность
ступени:
Вычислим значения
для первой
и второй ступеней:
Для определения коэффициента
подогрева
используем
формулу:
Согласно рекомендациям, принимаем
,
Определяем коэффициент подогрева для
первой и второй ступеней:
Относительная доля потери
производительности, вызываемая конденсацией водяных паров после первой ступени,
определяется по формуле:
,
где
- относительная влажность воздуха
при условиях всасывания;
и - давление насыщенных паров при
температуре всасывания в первую ступень
;
- давление воздуха, всасываемого в
первую ступень;
и
- универсальные газовые постоянные
соответственно сжимаемого воздуха и водяного пара.
Подставляя эти значения в предыдущее
уравнение, получим:
Теперь, имея все составляющие
коэффициентов производительности, определяем значения самих коэффициентов:
Плотность воздуха перед всасывающим
патрубком первой ступени определяем по формуле:
Плотность воздуха перед всасывающим
патрубком второй ступени определяем по формуле:
Здесь
- давление на всасывании во вторую
ступень;
- температура на всасывании во
вторую ступень, которая находится по формуле:
,
где
- температура охлаждающей воды;
- недоохлаждение газа после
холодильника первой ступени.
Получаем:
Плотность воздуха
определяется
по формуле:
Расчётная массовая
производительность компрессора
определяется по формуле:
Теперь, имея все составляющие для
определения объёмов, описываемых поршнями, найдём эти объёмы:
.6 Определение активной площади
поршней
Активная площадь поршня ступени с
номером i
находится
из уравнения:
,
где
- секундный объём, описываемый
поршнем этой ступени;
- средняя скорость поршня.
Для определения
необходимо
задаться средней скоростью поршня. В компрессорах с производительностью до
обычно
находится в диапазоне от 2 до 5 м/с, данное ограничение вызвано необходимостью
обеспечить надёжную и экономичную работу клапанов.
Принимая
, получим:
1.7 Определение предварительных
значений диаметров цилиндров
В ступенях двойного действия со
штоком с одной стороны поршня (что соответствует выбранной схеме компрессора)
диаметры цилиндров находятся по формуле:
,
где
- площадь штока.
Найдём диаметр цилиндра первой
ступени:
Соответствующая этому диаметру
площадь штока находится по формуле:
Диаметр цилиндра второй ступени:
.8 Определение частоты вращения
коленчатого вала компрессора
Частота вращения коленчатого вала n
определяется по формуле:
,
где
- ход поршня.
Выбираем
, то есть
ход поршня из стандартного размерного ряда, тогда:
При приводе от электродвигателя
необходимо путём варьирования S и
получить
частоты, соответствующие стандартным частотам вращения роторов
электродвигателя. Задаём асинхронную частоту вращения двигателя
. Частота
вращения вала компрессора определяет соответствующую среднюю скорость поршня:
Скорректируем диаметры цилиндров с
учётом полученной средней скорости поршня:
Полученные диаметры цилиндров
необходимо округлить до номинальных диаметров поршневых колец [1, с.355].
Тогда:
.9 Определение индикаторной мощности
компрессора
Индикаторная мощность компрессора
определяется
по формуле:
Здесь z - число
ступеней;
- индикаторная мощность i-й ступени,
которая определяется из уравнения:
,
где
- давление на всасывание в ступень;
- средняя относительная потеря
давления на всасывание в ступень;
- секундная теоретическая
производительность ступени;
- относительная величина мёртвого
пространства в ступени;
- отношение давлений в цилиндре;
и
- величины, определяемые по
формулам:
Подставим все известные величины в
формулы для определения индикаторной мощности ступеней:
Индикаторная мощность компрессора
определяется по формуле:
.10 Определение мощности,
потребляемой компрессором
Мощность, потребляемая компрессором,
определяется из уравнения:
,
где
- механический коэффициент
полезного действия компрессора, которым задаются, используя статистические
данные (для угловых машин в крейцкопфном исполнении обычно находится в
интервале 0,9 - 0,95).
Принимая
, получим:
.11 Определение полезного действия
компрессора
Совершенство многоступенчатых
компрессоров оценивается изотермным коэффициентом полезного действия:
Здесь
- изотермная мощность компрессора,
вычисляемая по формуле:
Тогда:
.12 Выбор двигателя
Необходимо подобрать двигатель по
каталогам, зная номинальную мощность компрессора и скорость вращения вала.
Учитывая возможность перегрузки компрессора в работе, мощность двигателя
выбирают несколько большей, для компрессоров малой производительности запас
мощности обычно выбирается в пределах 15 - 25%.
Выберем электродвигатель 4А315М8У3
|
Мощность,
кВт
|
Частота
вращения с учётом проскальзывания, об/мин
|
Ток
при 380В, А
|
КПД,
%
|
Коэффициент
мощности
|
Масса, кг
|
|
|
110
|
735
|
212
|
93,5
|
0,85
|
6
|
940
|
А - асинхронный двигатель
- высота оси вращения (габарит)
S - установочный
размер по длине станины
- число полюсов.
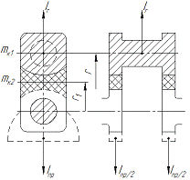
2. Динамический расчёт компрессора
.1 Уравновешивание компрессора
Рассмотрим механизм движения
компрессора. Поршень, шток и крейцкопф совершают только
возвратно-поступательные движения, коленчатый вал - вращательное, шатун -
сложное плоскопараллельное, которое можно рассматривать как результат сложения
двух движений: возвратно-поступательного вместе с крейцкопфом и вращательного
вместе с коленчатым валом. В связи с этим массу шатуна
и
.
Массу колена вала, совершающую
вращательное движение, приводят к пальцу кривошипа. Согласно Рис. 2 она будет
определяться как
Таким образом, масса
возвратно-поступательно движущихся частей, приведённых к центру крейцкопфного
пальца, для каждого ряда будет определяться по формуле:
Масса вращающихся частей составит:
Остальные величины, необходимые для
расчёта:
Рис. 2. Схема колена вала
Радиус кривошипа:
Угловая скорость вращения вала:
Длина шатуна:
Отношение радиуса кривошипа к длине
шатуна:
Шатун выбираем стандартный [1, с.168]:
|
l, мм
|
D, мм
|
d, мм
|
B, мм
|
b, мм
|
m, кг
|
|
380
|
100
|
45
|
50
|
50
|
7,7
|
Выбираем стандартный крейцкопф К-25 [1, с.176]:
|
Номинальная
поршневая сила, кН
|
D (номинальный)
|
d (номинальный)
|
(резьба
штока)L (не более)lB
(не
более)b m, кг
|
|
|
|
|
|
|
|
25
|
160
|
50
|
205135150115558,7
|
|
|
|
|
|
|
Коленчатый вал спроектирован так,
что при вращении неуравновешенной будет только шейка вала из чугуна ВЧ35 ГОСТ
7293-85 плотностью
,
находящаяся на расстоянии r от оси вращения вала.
Масса шейки вала
Шток выполнен из стали 40Х ГОСТ
4543-71 плотностью
Масса штока с гайкой
Поршень первой ступени выполняем
дисковым с шестью рёбрами жёсткости из алюминиевого сплава АДО ГОСТ 4784-97
плотностью
, а
уплотнительные кольца - из качественного перлитного чугуна.
Суммарная масса поршня первой
ступени
Поршень второй ступени выполняем
дисковым с четырьмя рёбрами из чугуна СЧ10 ГОСТ 1412-85 плотностью
, а уплотнительные
кольца - из качественного перлитного чугуна.
Суммарная масса поршня второй
ступени
Сведём найденные массы в таблицу:
|
Поршень
первой ступени ( )19,01 кг
|
|
|
Поршень
второй ступени ( )19,04 кг
|
|
|
Шток
( )7,89 кг
|
|
|
Крейцкопф
с крейцкопфным пальцем ( )13,6 кг
|
|
|
Шатун
( )6,8 кг
|
|
|
Колено
вала ( )10,1 кг
|
|
.1.1 Уравновешивание вращающихся масс
Неуравновешенные вращающиеся массы
коленчатого вала и части шатунов создают неуравновешенные силы инерции
,
действующие на вал в плоскости кривошипа:
легко может быть уравновешена двумя
одинаковыми противовесами, закреплёнными на щеках коленчатого вала со стороны,
противоположной шейке. Так как радиусы закрепления противовесов и шейки не
равны, их массы будут различны. Приравняем противоположные силы инерции и
выразим массу противовесов:
, тогда:
2.1.2 Уравновешивание поступательно
движущихся масс
Массы возвратно-поступательно
движущихся частей по рядам одинаковы:
Результирующая сила инерции первого
порядка в этом случае постоянна по модулю:
,
направлена по радиусу кривошипа и
может быть уравновешена с помощью двух дополнительных противовесов общей массой
Таким образом: суммарная масса всех
противовесов составит:
Силы инерции второго порядка не
уравновешиваются и остаются свободными. Амплитудное значение их
равнодействующей определяется по формуле:
Направление сил инерции второго
порядка показано на рис.3.
Рис. 3. Направление сил инерции
второго порядка
.2 Расчёт маховика
.2.1 Построение индикаторных
диаграмм
Процесс работы компрессора
сопровождается действием газовых сил (со стороны крышки
и со
стороны вала
), сил
трения
и суммарной
силы инерции
,
характеризующих значение суммарной поршневой силы
.
Значения составляющих суммарной силы
непостоянны и зависят от вращения вала. Составляющие
: сила,
действующая вдоль шатуна,
и сила,
действующая нормально к оси ряда N, которая раскладывается на
тангенциальную силу
, действующую
перпендикулярно оси кривошипа, и на силу, направленную по кривошипу
. (см. Рис.
4).
Следовательно:
Рис. 4. Схема сил
Для определения изменения газовых
сил по ходу поршня найдём сначала значения средних усилий всасывания
и
нагнетания
:
для первой ступени:
для второй ступени:
Индикаторные диаграммы строятся с
учётом мёртвого пространства:
Линию сжатия строят в соответствии с
уравнением политропы сжатия:
,
где
,
- координаты точки, соответствующей
началу сжатия;
,
- текущие координаты.
Линию расширения строят аналогично,
пользуясь уравнением политропы расширения:
,
где
,
- координаты точки, соответствующей
началу расширения;
Для построения диаграмм найдём
поправку Брикса:
Выполненные расчёты относятся к
полостям цилиндров, расположенных со стороны крышек. Рассчитывая газовые усилия
на поршень, со стороны коленчатого вала, следовало бы учитывать влияние штока.
Но, так как площадь штока
мала по
сравнению с площадью поршня
, ошибка при определении газовых
усилий без учёта влияния штока не превышает 3,5 %. Поэтому, выполняя построение
индикаторных диаграмм, будем считать, что усилия, действующие на поршень со
стороны коленчатого вала, равны усилиям со стороны крышки, но действуют в
противоположном направлении и в противофазе.
Первая ступень:
Рис. 5. Индикаторные диаграммы
полостей первой ступени
Вторая ступень:
Рис. 6. Индикаторные диаграммы
полостей второй ступени
Для проверки правильности построения
индикаторных диаграмм определим графическим путём индикаторную мощность
ступеней и сравним её с индикаторной мощностью, полученной в результате
термодинамического расчёта:
,
где
- среднеиндикаторная поршневая сила
в ступени, которая находится с помощью планиметрирования индикаторных диаграмм
полостей соответствующих ступеней;
- ход поршня;
- частота вращения вала
компрессора.
Учитывая, что в нашем случае
индикаторные диаграммы обеих полостей в каждой ступени одинаковы, получим:
,
где
- масштабный коэффициент поршневой
силы;
- площадь индикаторной диаграммы
одной полости цилиндра.
Значения площадей:
Получим значения среднеиндикаторных
сил и индикаторных мощностей ступеней:
Индикаторная мощность компрессора:
При выполнении термодинамического
расчёта были получены:
Результаты близки друг к другу,
следовательно, индикаторные диаграммы построены правильно.
.2.2 Построение силовых диаграмм
Выполним построение диаграмм
поршневых сил. По оси ординат будем откладывать усилия вдоль оси ряда P, а по оси
абсцисс - угол поворота коленчатого вала
. При перенесении усилий с
индикаторных диаграмм на силовую диаграмму учтём поправку Брикса e, введение
которой приводит в соответствие углы поворота коленчатого вала и перемещения
поршня. На силовые диаграммы нанесём также силы инерции возвратно-поступательно
движущихся масс и силы трения в цилиндрово-поршневой группе.
Значение силы инерции возвратно-поступательно
движущихся масс для одного ряда (значения сил определяются для каждого ряда
отдельно, но данные силы одинаковы для обоих рядов) определяется по формуле:
Рис. 7. Силовые диаграммы для ряда с первой
ступенью
Силы трения в рядах полагают постоянными по
модулю и меняющими знак в мёртвых точках. Для их расчёта воспользуемся
формулой:
,
где
- индикаторная мощность ступеней
соответствующего ряда.
Так как
:
Тогда, с учётом направления
действующих сил (газовые силы со стороны крышки отрицательные), суммарная
поршневая сила равна:
Рис. 8. Силовые диаграммы для ряда со второй
ступенью
Следует заметить, что в мёртвых точках кривая
суммарной поршневой силы терпит разрыв, равный удвоенной силе трения в ряду,
что свидетельствует о правильности построения силовых диаграмм.
Вычислим составляющие суммарной
поршневой силы
:
Нормальные силы, действующие на
стенки цилиндра:
,
где
- угол между осями цилиндра и
шатуна, определяемый по формуле:
;
Усилия по шатуну:
;
Тангенциальные усилия на кривошип:
;
Радиальные усилия на кривошип:
.
Усилия на шатунную шейку вала
определены из следующего соотношения:
,
Рис. 9. Диаграммы нормальных сил и
радиальных усилий
Рис. 10. Диаграммы нормальных сил и
радиальных усилий
2.2.3 Построение диаграммы
суммарного противодействующего момента
В рабочих полостях компрессора
происходит изменение давления газа и, следовательно, сил, действующих на поршни
со стороны газа при вращении вала. Переменными в этом случае будут также силы
инерции и силы трения поршней о стенки цилиндров. Противодействующий момент на
валу компрессора, который создают эти силы, зависит от угла поворота вала и не
может оставаться постоянным в течение полного его поворота. Если предположить,
что со стороны привода к валу приложен постоянный момент, равный среднему
значению противодействующего, то при некоторых положениях вала он будет меньше
его, а при других - больше. При недостаточном приложенном моменте угловая
скорость вращения вала будет уменьшаться, в противном случае - увеличиваться.
Приводом поршневого компрессора, как
правило, служит электродвигатель, в котором из-за неравномерности скорости
вращения вала возникают нежелательные пульсации потребляемого тока.
Неравномерность вращения вала может быть уменьшена с помощью маховика,
накапливающего энергию при избытке приложенного момента и возвращающего её при
его недостатке. Расчёт требуемого момента инерции маховика может быть выполнен
по кривой противодействующего момента:
,
где i - номер
ступени.
Рис. 11. Диаграмма противодействующего момента
первой ступени
Рис. 12. Диаграмма противодействующего момента
второй ступени
Дополнительно учтём момент сил инерции
вращательного движения, опустив ось абсцисс на его величину:
Рис. 13. Диаграмма суммарного
противодействующего момента
По диаграмме суммарного
противодействующего момента определим значение среднего момента
и нанесём
его на эту диаграмму.
Величина среднего момента
пропорциональная потребляемой компрессором мощности:
Из термодинамического расчёта:
.
Следовательно, графические
построения выполнены достаточно точно.
Планиметрированием найдём площадки,
образованные кривой суммарного противодействующего момента и прямой
и построим
векторную диаграмму. Общая высота этой диаграммы определяет предельное
изменение кинетической энергии маховика на протяжении одного оборота
коленчатого вала.
Рис. 14. Векторная диаграмма
площадок
Определим требуемый момент инерции
маховика:
,
где
- абсолютное значение изменения
энергии маховика за один оборот вала (соответствует площади наибольшей из
площадок, ограниченных
и кривой
);
- степень неравномерности вращения.
В случае привода от электродвигателя
Из векторной диаграммы
;
.
Функции маховика вполне может
выполнять ротор электродвигателя. Потребность в установке дополнительного
маховика отсутствует.
3. Расчёт газоохладителя
.1 Определение расхода охлаждающей
воды
Необходимый расход охлаждающей воды
через газоохладитель:
,
где Q - тепловой
поток, отводимый в газоохладителе;
- удельная теплоёмкость воды;
и
- температуры охлаждающей воды на
входе и выходе из газоохладителя.
Принимаем:
Расчёт расхода охлаждающей воды
производится с учётом, что:
,
где
- тепловой поток, отводимый от
сухого газа;
- тепловой поток, отводимый от
влажного газа, уходящий на конденсацию.
При незначительных изменениях
теплоёмкости газа при постоянном давлении тепловой поток при охлаждении сухого
газа:
,
где
- массовая производительность
первой ступени;
- удельная теплоёмкость
охлаждаемого газа;
и
- температуры охлаждаемого газа на
входе в газоохладитель и выходе из него.
Согласно техническому заданию,
температура охлаждающей воды
.
Произведём приближённый расчёт, при
котором:
Получаем:
.2 Определение необходимой
поверхности теплообмена
Необходимую площадь поверхности
теплообмена определяют из уравнения:
,
где k -
коэффициент теплопередачи;
- средний температурный напор.
В компрессоростроении допускают, что
коэффициент теплоотдачи k постоянен по всей поверхности
теплообмена. По экспериментальным данным, предложенным кафедрой КВХТ СПбГПУ,
принимаем:
Средний температурный напор
определяем по формуле Грасгофа:
,
где
- поправочный коэффициент,
зависящий от температур теплоносителей на входе в газоохладитель и выходе из
него и взаимной ориентации направлений потоков охлаждаемой и охлаждающей
жидкостей. Он зависит от безразмерных комплексов R и P:
Находим
из
зависимостей [1, с.252]:
.3 Определение основных
геометрических параметров
Газоохладитель состоит из
тонкостенных гладких трубок, у которых отношение наружного диаметра к
внутреннему
.
Количество трубок в пучке
газоохладителя определяется по формуле:
где
- внутренний диаметр трубок;
l - длина
трубок.
Принимаем внутренний диаметр трубок:
Принимаем длину газоохладителя из
конструктивных соображений:
Тогда:
Найдём площадь загромождения
трубками проточной части для газа:
,
где
- наружный диаметр трубок.
Площадь для прохождения газа между
трубками вычисляется по формуле:
где
- допустимая скорость газа в
газоохладителе при поперечном обтекании;
- плотность газа на входе в
газоохладитель.
,
где
- давление газа на входе в
газоохладитель;
- температура газа в
газоохладителе.
Площадь внутренней поверхности
кожуха газоохладителя:
Внутренний диаметр кожуха
газоохладителя:
Стенки кожуха газоохладителя
рекомендуется брать равными 10 мм, следовательно:
4. Расчёт клапанов
Будем производить расчёт по
дополнительной мощности, расходуемой на преодоление сопротивления в клапанах
одной полости цилиндра:
для всасывающих клапанов:
для нагнетательных клапанов:
,
где
и
- безразмерные работы;
- коэффициент влияния силы
упругости в клапане в предположении, что масса пластины равна 0;
- коэффициент влияния массы
пластины.
Для прямоточных клапанов:
|
Со
стороны крышки
|
Со
стороны вала
|
|
0,020,01
|
|
|
|
0,030,05
|
|
|
|
|
и
находятся по номограммам [1, с.214]
в зависимости от безразмерного хода и условного числа Маха:
Данные, необходимые для расчёта:
Показатель адиабаты:
Диаметры поршней:
Радиус кривошипа:
Относительные мёртвые пространства:
Частота вращения:
Давления всасывания:
Давления нагнетания:
Температуры всасывания:
Температуры нагнетания:
Угловая скорость:
.1 Первый вариант
Выбираем клапаны ПИК 125-0,4А
|
Площадь,
см2, не менее
|
Диаметр,
мм
|
Мёртвый
объём клапана, см3
|
Масса,
кг, не более
|
|
эквивалентная
|
на
входе
|
посадочный
d1
|
наружный
d2
|
всасывающего
|
нагнетательного
|
|
|
20,4
|
27,4
|
125
|
137
|
82
|
123
|
1,8
|
Устанавливаем на первой ступени 6 клапанов со
стороны крышки и 6 клапанов со стороны вала. На второй - 4 со стороны крышки и
4 со стороны вала.
.1.1 Первая ступень
Дополнительная мощность, необходимая
компрессору:
4.1.2 Вторая ступень
Дополнительная мощность, необходимая
компрессору:
.2 Второй вариант
Выбираем клапаны ПИК 110-0,4А
|
Площадь,
см2, не менее
|
Диаметр,
мм
|
Мёртвый
объём клапана, см3
|
Масса,
кг, не более
|
|
эквивалентная
|
на
входе
|
посадочный
d1
|
наружный
d2
|
всасывающего
|
нагнетательного
|
|
|
16,2
|
22,8
|
110
|
122
|
57,0
|
100,0
|
1,4
|
Устанавливаем на первой ступени 4 клапана со
стороны крышки и 4 клапана со стороны вала. На второй - 2 со стороны крышки и 2
со стороны вала.
.2.1 Первая ступень
Дополнительная мощность, необходимая
компрессору:
.2.2 Вторая ступень
Дополнительная мощность, необходимая
компрессору:
Заключение: выбираем первый вариант,
т.к. для него потери мощности меньше, чем для второго варианта.
Относительные потери мощности в
клапанах:

.
5. Выбор смазки
В поршневых компрессорах
используются 2 системы смазки:
смазка цилиндров и сальников штоков;
смазка узлов трения механизма
движения.
при выборе смазывающего материала
необходимо предусмотреть ряд требования, таких, как достаточная вязкость при
рабочих температурах, стабильность свойств, хорошая подвижность, а также учесть
некоторые важные детали: температура воспламенения, сжимаемый газ (применение
минерального масла в компрессоре, где сжимается кислород или другие агрессивные
газы, может привести к взрыву), чем выше скорость, тем меньше вязкость.
Для смазки узлов трения механизма
движения выберем масло индустриальное 30 с кинематической вязкостью
при
температуре 50ºC и
температурой вспышки 180ºC.
Циркуляционная система смазки
сконструирована таким образом, чтобы использовать вращение коленчатого вала. То
есть насосы приводятся в движение конической зубчатой передачей. Масло под
действием разности давлений, создаваемой шестерёнчатым насосом, подаётся во
внутренний канал коленчатого вала, затем часть смазывает втулки шатуна, а
остальная часть разбрызгивается на направляющие крейцкопфа.
Для смазывания цилиндров и сальников
штоков применяется масло компрессорное К-12, имеющее кинематическую вязкость
при
температуре 100ºC и
температуру вспышки 220ºC. Подача
компрессорного масла осуществляется специальным насосом - лубрикатором, который
имеет несколько плунжерных насосных элементов с индивидуальным регулированием
количества подаваемого каждым насосным элементом масла, а также -
каплеуказателями, позволяющими регулировать подачу масла. Используем лубрикатор
с приводом от коленчатого вала.
Заключение
В ходе выполнения курсового проекта
был спроектирован воздушный поршневой компрессор ВУ 7/18, предназначенный для
снабжения сжатым воздухом пневматического инструмента и оборудования в
различных областях промышленности.
Компрессор представляет собой
двухступенчатую крейцкопфную машину с вертикально-горизонтальным расположением
цилиндров. Атмосферный воздух через фильтр поступает в цилиндр первой ступени,
сжимается в нём до промежуточного давления, подаётся в межступенчатый
холодильник и далее поступает в цилиндр второй ступени, где сжимается до
конечного давления. Из компрессора через воздухосборник воздух подаётся в
пневматическую сеть предприятия.
В каждом ряду расположено по одному
цилиндру двойного действия. Компрессор сжимает воздух от атмосферного давления
до 0,8 МПа.
Между ступенями газ охлаждается в кожухотрубном
газоохладителе. Вода для системы охлаждения и газоохладителя отбирается из сети
и должна иметь температуру не выше 20ºC. Вода,
пройдя масляный и газовый охладители и цилиндры, поступает в сливные воронки.
Список использованной литературы
1. Поршневые компрессоры: Учеб.
пособие для студентов вузов, обучающихся по специальности «Холодильные и
компрессорные машины и установки»/
Б.С.Фотин, И.Б.Пирумов,
И.К.Прилуцкий, П.И.Пластинин; Под общ. ред. Б.С.Фотина. - Л.: машиностроение.
ленингр. Отд-ние, 1987. - 372 с.: ил.
. Поршневые компрессоры. Теория,
конструкции и основы проектирования. Френкель М.И., изд-во «Машиностроение»,
1969, 744 стр. + 3 вкладки. Табл. 78. Илл. 470. Библ.135 назв.
. Поршневые компрессоры. Том 1.
Теория и расчёт. - 3е изд., доп. - М.: КолосС, 2006. - 456 с.: ил. - (Учебники
и учеб. пособия для студентов высш. учеб. заведений)
. Объёмные компрессоры: Атлас
конструкций: учеб. пособие О-29 для студентов вузов по специальности
«Холодильные и компрессорные машины»/ Г.А.Поспелов, П.И.Пластинин, А.И.Шварц и
др.: Под общ. ред. Г.А.Поспелова. - М.: машиностроение, 1994. - 120 с.: ил.
. Теория, расчёт и конструирование
поршневых компрессоров. Самодействующие клапаны: Учеб. пособие/ И.Б.Пирумов,
Б.С.Хрусталёв, И.В.Хрусталёва, О.Ю.Устюшенкова. СПб: Изд-во Политехн. ун-та,
2006, 106 с.
. Поршневые компрессоры. Том 2.
Основы проектирования. Конструкции. -М.: Колосс, 2008. - 711 с. Пластинин П.И.
. Конструкция и расчет
автотракторных двигателей. -М.: Машиностроение 1964. Вихерт М.М., Ляхов М.И.
ред. Ю.А. Степанова.