Разработка технологического процесса механической обработки венца соплового

  • Вид работы:
    Курсовая работа (т)
  • Предмет:
    Другое
  • Язык:
    Русский
    ,
    Формат файла:
    MS Word
    1,53 Мб
  • Опубликовано:
    2013-12-11
Вы можете узнать стоимость помощи в написании студенческой работы.
Помощь в написании работы, которую точно примут!

Разработка технологического процесса механической обработки венца соплового

Назначение детали

Заданием курсового проекта предусматривается разработка технологического процесса механической обработки венца соплового Б-741463 при годовом объеме производства 33000 штук. Базовым вариантом технологического процесса является технологический процесс ООО УДМЗ, разработанный для мелкосерийного производства.

Венец сопловой является неотъемлемой частью газовой турбины в составе турбокомпрессора. Он располагается перед рабочими лопатками газовой турбины и закрепляется в её корпусе. Комплект лопаток венца и рабочих лопаток образуют ступень. Проходя через ступень, потенциальная энергия газа преобразуется в кинетическую энергию потока, а затем в механическую энергию на валу.

Венец изготовлен из стали 20Х13 ГОСТ 5949-75.

Расчет заготовки

Деталь для расчета - венец сопловой (рис. 1).

Поковка.

Исходные данные по детали:

Рис. 1 - Чертеж детали для расчета припусков

Исходные данные расчета:

Масса поковки (расчетная) - 2,025 кг.(1,35·1,5=2,025 расчетный коэффициент Kp=1,5 (табл.2.18.1));

Класс точности - Т3 (табл.2.16.1);

Степень сложности - С1 (табл. 2.17.1 отношение масс Gп:Gф=0,67).

Припуски и кузнечные напуски.

Основные припуски на размеры (табл. 2.24.1):

,5 - диаметр 203 мм и частота поверхности 10;

,5 - диаметр 153 мм и частота поверхности 10;

,0 - диаметр 140 мм и частота поверхности 10;

1,8 - диаметр отверстия 32 (для резьбы ) и частота поверхности 10;

,8 - толщина 16 и частота поверхности 10;

,8 - толщина 7 и частота поверхности 10;

,8 - толщина 5 и частота поверхности 10;

Дополнительный припуск, учитывающий отклонение от плоскостности - 0,4мм.

Штамповочный уклон (табл. 2.21. 1) на наружной поверхности - не более 50, принимается 30; на внутренней поверхности - не более 70, принимается 70.

Размеры поковки и их допустимые отклонения рис. 2.

Допускаемые отклонения (табл.2.23. 1).

Размеры поковки, мм:

диаметр 203+2,5·2=208 ,принимается 208;

диаметр 153+(2,5+1)·2=160 ,принимается 160;

диаметр 140+(2+1)·2=146 ,принимается 146;

толщина 16+1,8+1,8+0,5·2=20,4, принимается 21;

толщина 7+1,8-1,8+0,3-0,3=7, принимаем 7;

толщина 5+1,8-1,8+0,3-0,3=5, принимаем 4;

диаметр отверстия 32-(2+0,4)·2=27,2, принимаем 27;

Радиусы закругления наружных углов (табл. 2.22) на глубину полости ручья штампа, мм:

до 50 - не менее 2,5 , принимается 3;

св. 50 - не менее 3, принимается 3.

Рис. 2 - Чертеж заготовки

Варианты схем обработки

Вариант I

№ опер.

Название операции.

Содержание операции.

Оборудование.

001

Поковка

-

-

002

Термическая обработка

-

-

005

Токарно- Винторезная. Подрезать торец, точит поверхность с подрезкой торца, расточить отверстие.163



010

Токарная с ЧПУ. Подрезать торец, расточить отверстие, точить канавку.1П756ДФ301



015

Плоскошлифовальная. Шлифовать поверхность.3Е756Л



020

Токарная с ЧПУ. Подрезать торец, расточить отверстие.1П756ДФ301



025

Вертикально -сверлильная Сверлить отверстие.2Н135



030

Разметка Разметить контуры лопаток.Плита



035

Горизонтально - фрезерная Фрезеровать каналы6Р82Г



040

Фрезерная с ЧПУ. Фрезеровать каналы6Р13Ф301



045

Фрезерная с ЧПУ. Фрезеровать каналы6Р13Ф301



050

Фрезерная с ЧПУ. Фрезеровать каналы6Р13Ф301



055

Слесарная

Зачистить заусенцы и неровности, притупить кромки

Верстак слесарный

060

Промывка

-

Машина моечная

065

Контроль -Стол контрольный.




Вариант II

№ опер.

Название операции.


Оборудование.

001

Штамповка


-

002

Термическая обработка.


-

005

Токарно- Винторезная.

163


010

Токарная сЧПУ.

1П756ДФ321


015

Плоскошлифовальная.

3Е756Л


020

Токарная с ЧПУ.

1П756ДФ321


025

Вертикально -сверлильная

2Н135


030

Разметка

Плита


035

Горизонтально - фрезерная

6Р82Г


040

Фрезерная с ЧПУ.

6Р13Ф301


045

Слесарная


Верстак слесарный

050

Промывка


Машина моечная

055

Контроль

Стол контрольный.



Анализ вариантов

Окончательно принимаем второй вариант схемы обработки как наиболее технологичный и менее трудоёмкий в условиях крупносерийного производства.

Требуемый такт выпуска деталей

Требуемый такт выпуска деталей рассчитывается по формуле:

мин

Где Фд - Действительный годовой фонд работы станка в одну смену (принимаем Ф =1860 часов.

Н - число рабочих смен (принимаем равным 1).

Д - годовая программа выпуска (по исходным данным Д=33000 шт.)

- коэффициент потерь (принимаем равным 0,9)

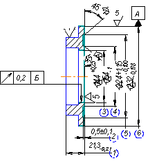
Размерный анализ

Рис. 3 - Схема размерного анализа механической обработки венца соплового

Рассмотрим размерный анализ технологического процесса обработки венца показанный на рис. 3.

Расчет припусков:

Из размерной цепи «а»:

мм

Условие припуска выполняется т.к. Z1>0;

Из размерной цепи «б»:

мм

Условие припуска выполняется т.к. Z2>0;

Из размерной цепи «в»:

мм

Условие припуска выполняется т.к. Z3>0.

Нормирование технологического процесса

Операция 005. Токарно-винторезная. Станок модели 163.

Заготовка- штамповка, вес 2.025 кг, материал сталь 20Х13 ГОСТ 5949-75.

Группа материала 3, табл. 4.1[3], кут=0.84.

Размер партии деталей 37 шт.

Условие выполнения операции: операция выполняется за два перехода, заготовка устанавливается в самоцентрирующийся патрон.

Инструмент, для перехода 1 резец торцевой ВК8, переход 2, резец расточной ВК8.

Переход 1. Режимы резания выбираем по табл. 4.4 [1]. Для S=0,12 мм/об t=2 мм V=48 мм/мин. С учетом коэффициента кут=0.84 получим V=48x0,84 = 40 мм/мин.

об/мин.

По ряду оборотов станка 163 берем 63 об./мин. Тогда максимальная фактическая скорость будет равна:

мм/мин.

По ряду подач станка выбираем ближайшую к назначенной, S=0.12 мм/об.

Переход выполняется за 2 прохода.

Определяем Т0

мин

Переход 2. Режимы резания выбираем по табл. 4.4 [1]. Для S=0,2 мм/об t=1 мм V=49 мм/мин. С учетом коэффициента кут=0.84 получим V=49x0,84 = 41 мм/мин.

об/мин.

По ряду оборотов станка 163 берем 100 об./мин. Тогда максимальная фактическая скорость будет равна:

мм/мин.

По ряду подач станка выбираем ближайшую к назначенной, S=0.23 мм/об.

Переход выполняется за 2 прохода.

Определяем Т0

мин

Съем фаски при ручной подаче - Т=0,6 мин.

Определяем Т0 по переходам

мин

Определение вспомогательного времени.

. Установить деталь весом 3,4 кг в самоцентрирующийся патрон по карте 51 [3]. Туст =0,52'; примем время на снятие детали равным Туст

. Первый переход

а) изменить число оборотов шпинделя по карте 61 [3] 0,06';

б) время на проход (карта 60 [3]) -

для первого перехода TВ1=0,17'.

. Второй переход так же Tв2=0,17'.

мин

Определение времени по обслуживанию рабочего места, на отдых и естественные надобности. По карте 49 [3] аабс=2,5%, аотд.=4%.

мин

мин

Подготовительно-заключительное на одну деталь равно 0,49мин

мин

Операция 010. Токарная с ЧПУ. Станок 1П756Ф321.

Заготовка - штамповка, вес 2.025, материал сталь 20Х13 ГОСТ 5949-75,

Группа материала 12, табл. 4.1 [3], кvm=0,7.

Размер партии деталей 40шт.

Условие выполнения операции: операция выполняется за два перехода, заготовка устанавливается в самоцентрирующийся патрон.

Инструмент для перехода 1 - резец проходной, оснащенный пластинкой ТС Т15К6, φ=450; переход 2, резец расточной ТС Т15К6, φ=600.

Переход 1. Режимы резания выбираем по табл. 4.4 [1]. Для S=0,1мм/об t=1 мм V=120мм/мин. С учетом коэффициента kvm=0,7 получим V=120×0,7=84м/мин.

.

По ряду оборотов станка 1М756Ф321 берем 90 об/мин. Тогда максимальная фактическая скорость будет равна:

м/мин

По ряду подач станка выбираем ближайшую к назначенной, S=0,2 мм/об. Переход 2. Режимы резания выбираем по табл. 4.4 [1]. Для S=0,2мм/об V=100×0,7=70м/мин.

.

Принимаем для станка 1П756Ф321 берем 100 об/мин.Тогда максимальная фактическая скорость будет равна:

м/мин; S = 0.2 мм/об

Определяем основное время по переходам.

;


Определение вспомогательного времени.

.Установить деталь весом 14 кг в самоцентрирующийся патрон по карте 51 [3]. tуст=0,46’; примем время на снятие детали равным tуст.

. Первый переход

а) изменить число оборотов шпинделя по карте 61[3] 0,06’;

б) время на проход (карта 60 [3]) -0,2’;

для первого перехода ta1=0,26’.

Второй переход так же ta2=0,26’.

=tуст+ tсн+ tа1+ tа2=0,46+0,46+0,26+0,26=1,44’

Определение времени по обслуживанию рабочего места, на отдых и естественные надобности. По карте 49[3] аобс=2,5%, аотд=4%.


Определение подготовительно-заключительного времени.

Количество инструментов в наладке 2.

Организационная подготовка, карта 21 [4] поз. 2, 3, 4, 9+3+2=14´;

Установить исходные режимы, карта 21 поз. 13 0,3+0,3=0,6´;

Установить, снять кулачки, карта 21 поз. 6 - 7,3´;

Установить режущие инструменты, 1+1=2´

Набрать программу, карта 21 поз. 31 - 8´;

Установить исходные координаты (нулевое положение), карта 21 поз.33 - 3´;

Пробная обработка, Тпр. об. = 8,9´

Итого: Тпз. = 43,8´.

Подготовительно - заключительное время на одну деталь 43,8/40 = 1,1´.

Тшт.к. = Тшт + Тп.з = 16,96 + 1,1 = 18,06´

Операция 015. Плоскошлифовальная. Станок модели 3Е756Л.

Заготовка- отливка, вес 2,8 кг, материал сталь 20Х13 ГОСТ 5949-75,

Группа материала 3, табл. 4.1[3].

Размер партии деталей 112 шт.

Условие выполнения операции: заготовка устанавливается в оправку.

Режимы резания выбираем по табл. 4.24 [1]. Для S=0,01 мм/об, V=20 мм/мин.

об/мин.

По ряду оборотов станка 3Б161 берем 24 об./мин.

Определяем Т0

мин

Определение вспомогательного времени.

Установить деталь в оправку и закрепить хомутиком.

Туст =0,34, примем время снятия равным Туст =0,34мин

. Время на проход 0,24мин.

мин

Определение времени по обслуживанию рабочего места, на отдых и естественные надобности. По карте 49 [3] аабс=2,5%, аотд.=4%.

мин

мин

Подготовительно-заключительное на одну деталь равно 0,14мин

мин

Операция 020. Токарная с ЧПУ. Станок модели 1П756Ф321

Заготовка-штамповка, вес 2 кг, материал сталь 20Х13 ГОСТ 5949-75,

Группа материала 12, табл. 4.1[3], kvm = 0.7

Условие выполнения операции: операция выполняется за три перехода по программе, заготовка устанавливается в самоцентрирующийся патрон.

Инструмент для перехода 2 и 3 резец проходной упорный, оснащенный пластинкой ТС Т15К6, φ=900; переход 4, резец расточной ТС Т15К6, φ=600.

Переход 2. Режимы резания выбираем по табл. 4.4[1]. Для S = 0.2 мм/об, t = 1 мм,= 120 м/мин. С учетом коэффициента кvm = 0.7 получим V = 120x0.7=84 м/мин.


Принимаем для станка 1М756Ф321 90 об/мин. Тогда максимальная фактическая скорость будет равна:

м/мин

По ряду подач станка выбираем, S = 0.2 мм/об.

Переход 3. Режимы по табл. 4.4[1] S = 0.2 мм/об. V = 100∙0.7 = 70 м/мин.

об/мин.

Принимаем для станка 1П756Ф321 берем 110 об/мин. Тогда максимальная фактическая скорость будет равна:

м/мин., S = 0.2 мм/об.

Переход 4. Режимы по табл. 4.4[1] S = 0.2 мм/об. Для чистого прохода Ra = 1.25 подача будет S = 0.05 мм/об. V = 100∙0.7 = 70 м/мин

об/мин.

Для станка 1П756Ф321 берем 300 об/мин. Тогда максимальная фактическая скорость будет равна:

об/мин., S = 0,2 мм/об.

Определяем основное время по переходам:

.

´

Определение вспомогательного времени.

Установить деталь весом 11 кг в самоцентрирующийся патрон по карте 51[3].уст = 0.46´; примем время на снятие детали равным tуст.

Первый переход:

а) изменить число оборотов шпинделя по карте 61[3] 0,06´;

б) время на проход (карта 60[3]) 0,2´;

для первого перехода tв1 = 0,26´

Второй переход также tв2 = 0,26´

Tв = tуст + tсн + tв2 + tв3 + tв4 = 0,46+0,46+0,26+0,26+0,26 = 1,7´

Определение времени по обслуживанию рабочего места, на отдых и естественные надобности. По карте 49[3] аабс. = 2,5%, аотд. = 4%.

´.

´

Определение подготовительно - заключительного времени.

Количество инструментов в наладке 2.

.Организационная подготовка, карта 21 [4] поз. 2, 3, 4, 9+3+2=14´;

2.Установить исходные режимы, карта 21 поз. 13 0,3+0,3=0,6´;

3.Установить, снять кулачки, карта 21 поз. 6 - 7,3´;

4.Установить режущие инструменты, 1+1=2´

5.Набрать программу, карта 21 поз. 31 - 8´;

6.Установить исходные координаты (нулевое положение), карта 21 поз.33 - 3´;

7.Пробная обработка, Тпр. об. = 22,34´

Итого: Тпз. = 57,24´.

Подготовительно - заключительное время на одну деталь 57,24/40 = 1,43´.

Тшт.к. = Тшт + Тп.з = 25,68 + 1,43 = 27,11´.

Операция 025.Вертикально- сверлильная. Станок модели 2Н135.

Заготовка- отливка, вес 2,9 кг, материал сталь 20Х13 ГОСТ 5949-75,

Группа материала 3, табл. 4.1[3], кут=0.84.

Размер партии деталей 42 шт.

Условие выполнения операции: операция выполняется за пять переходов, заготовка устанавливается на подставку в кондуктор.

Переход 1. Режимы резания выбираем по табл. 4.13 [1]. Для S=0,14 мм/об t=5,5 мм V=13 мм/мин. С учетом коэффициентов кут=0.84 и кv=0.86 получим V=13x0,84x0,86 = 9 мм/мин.

об/мин.

По ряду оборотов станка 2М55 берем 250 об./мин. Тогда максимальная фактическая скорость будет равна:

мм/мин.

По ряду подач станка выбираем ближайшую к назначенной, S=0.16 мм/об. Переход выполняется за 4 прохода.

Определяем Т0

мин

Переход 2. Режимы резания выбираем по табл. 4.13 [1]. Для S=0,14 мм/об t=4,25 мм V=13 мм/мин. С учетом коэффициентов кут=0.84 и кv=0.86 получим V=13x0,84x0,86 = 9 мм/мин.

об/мин.

По ряду оборотов станка 2М55 берем 315 об./мин. Тогда максимальная фактическая скорость будет равна:

мм/мин.

По ряду подач станка выбираем ближайшую к назначенной, S=0.16 мм/об.

Переход выполняется за 2 прохода.

Определяем Т0

мин

Переход 3. Режимы резания выбираем по табл. 4.13 [1]. Для S=0,08 мм/об t=2,5 мм V=15 мм/мин. С учетом коэффициентов кут=0.84 и кv=0.86 получим V=15x0,84x0,86 = 10 мм/мин.

об/мин.

Для экономии времени работы и ресурса станка берем по ряду оборотов станка 2М55 - 315 об./мин. Тогда максимальная фактическая скорость будет равна:

мм/мин.

По ряду подач станка выбираем ближайшую к назначенной, S=0.16 мм/об.

Переход выполняется за 4 прохода.

Определяем Т0

мин

Переход 4. Режимы резания выбираем по табл. 4.13 [1]. Для S=0,61 мм/об t=1мм V=10 мм/мин. С учетом коэффициентов кут=0.84 и кv=0.91 получим V=10x0,84x0,86 = 9 мм/мин. С учетом коэффициента кs=0.41 S=0,61x0,41=0,25.

об/мин.

По ряду оборотов станка 2М55 берем 250 об./мин. Тогда максимальная фактическая скорость будет равна:

мм/мин.

По ряду подач станка выбираем ближайшую к назначенной ручную подачу S=0.1 мм/об.

Переход выполняется за 6 проходов.

Определяем Т0

мин

Переход 5. Характеристики станка при нарезание резьбы рассчитывается в зависимости от вида резьбы.

М 10х1,5=11мм=60 об/мин

мм/мин

Подача равна шагу резьбы.

Переход выполняется за 2 прохода.

Определяем Т0

мин

Определяем Т0 по переходам

мин

Определение вспомогательного времени.

. Установить деталь весом 2,9 кг на подставку по карте 51 [3]

Туст =0,30; примем время на снятие детали равным Туст

. Установить кондуктор на деталь ТустК =0,4; примем время на снятие кондуктора равным Туст; На операции устанавливается 2 кондуктора.

. Изменение направления резания(поворот детали)

Тпов.дет. =0,16.

. Замена инструмента на переходах.

Тзам. =0,35


Определение времени по обслуживанию рабочего места, на отдых и естественные надобности. По карте 49 [3] аабс=2,5%, аотд.=4%.

мин

мин

Подготовительно-заключительное на одну деталь равно 0,84мин

мин

Операция 035.Фрезерная. 6Р13Ф301.

Исходные данные: переход 2

Инструмент - фреза концевая, материал быстрорежущая сталь Р18, копирная, длинная, с коническим хвостовиком, диаметр 36, L = 265 мм, z = 6.

Условия выполнения перехода: фрезерование отверстий последовательно по программе, врезание поперечной подачей до центра отверстия, дообработка вертикальной подачей. L рабочего хода инструмента для одного отверстия

мм

Выбор подачи. По карте 35[3] для фрезы диаметром 36 мм принимаем Sz = 0.05 мм на зуб. n = 325 об/мин.

м/мин.мин = Sz· z ∙ n = 0.05 · 6 · 325 = 97.5 м/мин.

Определяем основное технологическое время для перехода

´

Переход 3. Зенкерование 12 отверстий по сверлению.

Для перехода 3 принимаем значение Т0 для одного отверстия равным примерно 0,1 мм.

Т04 = 0,1·12 = 1,2´.

Для перехода 4 режимы резания по таблице 4.13 [1] V = 21·0.7 = 17 м/мин.

= 0.15 мм/об.

´.

Определение основного времени для операции

´

Определение вспомогательного времени.

Время на установку и снятие детали по карте 59[3] tуст = 0,9´;

Установить исходные режимы, карта 21, поз. 2, 3, 4 23+3+2=28´;

Установит режущие инструменты, 1+1+1 = 3´;

Набрать программу карта 21 поз. 31-8´;

Установить исходные координаты, карта 21 поз 33-3´;

Пробная обработка, Тпр.об. = 14´;

Итого: Тп.з. = 56,9´.

Подготовительно-заключительное время на одну деталь 60,94/40 = 1,53´.

Операция 040.Основными параметрами являются крутящий момент и мощность резания.

Переход 1

Частота вращения инструмента


Крутящий момент

где

Х = 0,72;= 0,8.

Получим


Мощность резания

деталь выпуск венец сопловый

Переход 2

Частота вращения инструмента


Крутящий момент


где

Х = 0,72;= 0,8.

Получим

Мощность резания


Условные обозначения:

Тв уст и снят - вспомогательное время на установку и снятие детали;

То - основное время;

Тв пер - вспомогательное время, связанное с переходом;

Тп.з. - подготовительно - заключительное время;

Тобс. - время на обслуживание рабочего места;

Тшт. - штучное время.

Номер операции и перехода.

То

Тв уст и снятия.

Тв пер

Тп.з.

Тобс.

Тшт.

Тшт.к.

005

2

5,48

0,21

0,43

1,23

0,09

14,57

15,8


3

1,76


0,19






4

3,1


0,25






5

1,52


0,31





010

2

1,69

0,21

2,8

1,4

0,06

12,26

13,66


3

1,8


3,1






4

0,28


0,19






5

1,44


0,32






6

0,17


0,20





015

2

1,23

0,21

0,37

0,08

0,05

2,4

3

020

2

0,1

0,8

2,8

1,4

0,06

7,36

8,76


3

0,57


0,19






4

0,63


2,8





025

2

0,22

0,1

0,1

0,6

0,05

0,56

1,16

030

-

-

-

-

-

8,67

-

035

11,8

0,8

7,11

1,15

0,11

19,82

20,97

040

2

8,8

1,9

0,2

1,3

0,3

17,6

18,9


3

6,2


0,2





045

-

-

-

-

-

27,22

-


-








-







Расчет потребного количества оборудования

Венец сопловой

Порядок расчета: (Объем выпуска-33000 штук).

Определение трудоёмкости изготовления детали . Расчетное количество оборудования


Коэффициент загрузки


№ опер

Тшт

Трудоемкость изготовления детали А, мин

Модель Оборудования

Дейст. год. фонд работы, часов.

Расч. кол-во QP.

Принимаемое кол-во Q.

Коэф загрузки.

005

14,57

364250

163

4000

1,9

2

0,76

010

12,26

306500

1П756ДФ321

4000

1,6

2

0,63

015

2,4

60000

3Е756Л

4000

0,31

1

0,25

020

7,36

184000

1П756ДФ321

4000

0,96

1

0,77

025

0,56

14000

2Н135

4000

0,07

1

0,06

030

8,67

216750

Плита

4000

1,13

2

0,45

035

19,82

495500

6Р82Г

4000

2,58

3

0,69

040

17,6

440000

6Р13Ф301

4000

2,29

3

0,61

045

27,22

680500

Верстак сл.

4000

3,54

4

0,71


Действительный годовой фонд работы для всех операций принимаем

Расчетный коэффициент загрузки для серийного производства

Расчет приспособления

Расчет силы резания при сверлении отверстий ф5 мм опер. 015.


Коэффициенты для материала быстрорежущая сталь при обработке конструкционной стали с  МПа сверлом Р6М5 имеем [3](28) Ср=7; у=0.7; q=0,4; m=0,2.


Режимы резания S, n, D взяты из расчета режимов резания на операцию.

Н

Нм

Эффективная мощность резания:

кВт

Мощность станка 5,5 кВт больше эффективной мощности резания, что позволяет работать с указанными режимами на данном станке.

Рис. 4

Список используемой литературы

1. Наливайко В.И. Разработка технологических процессов механической обработки деталей ДВС. Справочные материалы. Учеб. Пособие. Екатеринбург, 2004. 178 с.

. Справочник технолога-машиностроителя: В 2 т. / Под ред. А.Г. Косиловой и Р.К. Мещерякова. 4-е изд., перераб. и доп. М.: Машиностроение, 1986. Т1 656 с: Т.2 496 с.

. Справочник нормировщика-машиностроителя: В 4 т. Т. 2. Техническое нормирование станочных работ / Под ред. Е.И. Стружестраха, М: Машгиз, 1961. 892 с.

. Общемашиностроительные нормативы времени и режимов резания. Для нормирования работ выполняемых на станках с ЧПУ. М. Экономика. 1990 г.

. Горошкин А.К. Приспособления для металлорежущих станков. Справочник. М. Машиностроение, 1979. 303 с.

Похожие работы на - Разработка технологического процесса механической обработки венца соплового

 

Не нашли материал для своей работы?
Поможем написать уникальную работу
Без плагиата!
Без нейросетей!