Разработка современной автоматизированной системы управления откачной машины
Содержание:
Введение
. Технологический раздел
.1 Технология охлаждения дефлекторов
жидким гелием
.2 Технология изготовления детали
«Прокладка»
.3 Выводы
. Конструкторский раздел
.1 Откачная машина (ОМ)
.2 Исполнительные устройства
.3 Выводы
. Система управления
.1 Существующая система управления,
недостатки и варианты решений
.2 Выбор контрольно-измерительного
оборудования
.3 Выбор управляющих устройств
.4 Выбор типов линий связи,
протоколов, преобразователей интерфейсов
.5 Выбор управляющего компьютера и программного
обеспечения
.6 Структура системы управления
.7 Выбор силовой электроарматуры
.8 Выбор силовых и сигнальных
кабелей
.9 Монтаж системы управления
.10 Режимы работы откачной машиной,
управление
.11 Выводы
. Безопасность жизнедеятельности
.1 Электробезопасность
.2 Основы радиационной безопасности
.3 Обеспечение комфортных условий
окружающей среды на рабочем месте оператора ОМ
.4 Выводы
. Исследовательский раздел
.1 Уровнемер Model
LM-500 Liquid
Cryogen Level
Monitor
.2 Исследование линейности и инерционности
азотного датчика
.3 Выводы
. Организационно-экономический
раздел
.1 Заработная плата рабочих,
социальные отчисления
.2 Расходы предприятия
.3 Расчёт общих производственных
затрат
.4 Выводы
Заключение
Список литературы
Введение
Цель дипломного проектирования - разработка
современной автоматизированной системы управления откачной машины (АСУ ОМ).
Одной из экспериментальных установок, работающей
на ускорительном комплексе У-70 (ИФВЭ, Протвино), является установка ОКА,
предназначенная для получения, выделения из общего потока и исследования
каонов. Для их выделения используются СВЧ-сепаратор заряженных частиц,
состоящий из двух дефлекторов, настроенных на выделение каонов из общего пучка.
Для обеспечения высокой добротности системы
дефлекторы должны находиться в состоянии сверхпроводимости. Для достижения
этого состояния они должны быть охлаждены до сверхнизких температур (<4.5
К). Эту задачу выполняет криогенно-вакуумная установка (КВУ) 21-го канала. КВУ
- сложная технологическая система, конструктивно состоящая из разных агрегатов.
Её назначение - охлаждение дефлекторов жидким гелием (He).
Одним из агрегатов в составе КВУ является
откачная машина (ОМ). Её назначение - откачка испаряющегося газообразного гелия
из сосудов-криостатов, в которых установлены дефлекторы. За счёт непрерывной
откачки паров и уменьшения газового давления происходит дополнительное
охлаждение и понижение температуры жидкого гелия. Режим работы ОМ позволяет
выйти на рабочую температуру Т=1,8 оК и ниже.
Существующая на данный момент система управления
ОМ является технически и морально устаревшей. Для включения/отключения насосов
и клапанов применяются релейно-контактные схемы с ручным (кнопочным)
управлением. Все двигатели насосов работают на одной (номинальной) частоте
оборотов n = 1500 об/мин. При
таком способе управления для изменения температуры в дефлекторах приходится
применять метод неполной работы ОМ: включать и отключать некоторые насосы или
целые ячейки для того, что бы выйти на требуемый режим.
1. Технологический раздел
.1 Технология охлаждения дефлекторов жидким
гелием
азотный
датчик криогенный уровнемер
В этом подразделе рассмотрим проблему
криогенного (сверхнизкого) охлаждения дефлекторов жидким гелием.
.1.1 Охлаждение дефлекторов
Для обеспечения высокой добротности
СВЧ-резонатора его необходимо охладить до сверхнизких температур для достижения
состояния сверхпроводимости. В качестве хладореагента применяется жидкий гелий
(He), температура
кипения (сжижения) при атмосферном давлении Тк = 4,2о К. При такой температуре
происходит внутрифазовое изменение состояния гелия и резко меняются его
физические свойства. Жидкий гелий при температурах выше 2,17о К называют гелий I
(He I),
при более низких температурах - гелий II
(He II).
He II
обладает свойством сверхтекучести - практически полным отсутствием вязкости
(способность достаточно большого объёма жидкости буквально «провалиться» сквозь
микроскопическое отверстие за доли секунды). He
II обладает хорошими
теплоотводными свойствами (в 300 млн. раз лучше, чем He
I).
Основной расчётный рабочий режим СВЧ-сепаратора
достигается при его захолаживании до температуры Тс = 1,8о К. Для достижения
заданного режима гелий необходимо охладить ниже температуры кипения и
температуры перехода в сверхпроводящую фазу. Задачу получения жидкого гелия и
охлаждение им дефлекторов решает созданная на 21 канале криогенно-вакуумная
установка (КВУ).
.1.2 Криогенно-вакуумная установка (КВУ)
Криогенная система для охлаждения
сверхпроводящего ВЧ-сепаратора (Рис. 1)построена по схеме с сателлитным рефрижератором,
где в качестве холодогенерирующей установки использована установка
КГУ500-4,5/140. Эта установка потребляет 60 г/с газообразного гелия при
давлении 25 бар и производит 5 г/с жидкого гелия, часть которого через вентиль
подается в ванну промежуточного охлаждения (ВПО), пары гелия из которой
возвращаются в КГУ (рефрижераторная нагрузка). Жидкий гелий в ВПО используется
для охлаждения в теплообменнике прямого потока и в теплообменнике избыточного
потока гелия сателлитного рефрижератора, направляемого на охлаждение
дефлекторов. Остальная часть гелия из КГУ дросселируется через вентиль и после
охлаждения в теплообменнике, расположенном в ВПО, подается в контур
сателлитного рефрижератора, обеспечивая в нем избыточный поток. Эта часть гелия
не возвращается в КГУ и является для нее ожижительной нагрузкой.
Рис. 1 Криогенно-вакуумная установка (КВУ) 21
канала
Основной поток гелия для охлаждения дефлекторов
создается сателлитным рефрижератором, основой которого является Большой
вакуумный теплообменник (БВТО), охлаждающий поток сжатого гелия (7-10 г/с, 25
бар) от комнатной температуры до температуры близкой к температуре жидкого
гелия. После БВТО поток гелия направляется в ВПО, где дросселируется в вентиле,
охлаждается в теплообменнике и затем получает поток от КГУ через теплообменник.
После ВПО этот поток по криогенному коллектору попадает в распределительный
бокс, где делится на две части, каждая из которых по своему криогенному
трубопроводу направляется в криостаты RF1
и RF2, перед которыми
охлаждается в низкотемпературных теплообменниках и дросселируется через вентили
в гелиевые сосуды дефлекторов, соответственно.
Обратный поток паров гелия из гелиевых сосудов
дефлекторов охлаждает прямой поток гелия в низкотемпературных теплообменниках,
БВТО, затем откачивается и сжимается компрессором, после чего направляется в
КГУ и БВТО и цикл повторяется. Получение и поддержание необходимой температуры
дефлекторов ниже 4,4 оК осуществляется путем откачки паров из гелиевых сосудов
дефлекторов с помощью откачной машины.
.1.3 Понижение температуры жидкости методом
понижения давления
Скорость испарения можно искусственно
увеличивать и контролировать, непрерывно понижая давление пара над зеркалом
жидкости. С уменьшением давления при неизменном объёме газа уменьшается и его
температура (следствие из закона Шарля: при V
= const, p/T
= const). Это позволяет
свободно испаряться большему числу молекул с меньшей энергией, что в свою
очередь ускоряет процесс испарения. При повышении интенсивности испарения
увеличиваются теплопотери жидкости, что приводит к дальнейшему понижению
температуры.
При испарении гелия растёт концентрация
газообразной компоненты, что приводит к росту давления и уменьшению скорости
охлаждения и переходу жидкости к нагреву. Для избежания этого процесса
испаряющийся гелий необходимо непрерывно откачивать. Именно для этого в состав
КВУ включена откачная машина. Её назначение - управлять скоростью испарения
гелия, выходить на заданное давление (температуру) и поддерживать его неизменным.
.2 Технология изготовления детали «Прокладка»
В рамках выполнения дипломного проекта была
выполнена аттестационная работа по разделу «Технология». В этом разделе была
разработана технология изготовления детали типа «Прокладка».
.2.1 Назначение детали
Данная деталь (Рис. 2) используется для
установки насоса АВЗ-180 на фундаментальную плиту.
Рис. 2 Прокладка
.2.2 Анализ технологичности детали
Правила обеспечения технологичности конструкции
изделий регламентируется ГОСТом 25069 и методическими рекомендациями МР-186-85.
Точность размеров: диаметры наружных
поверхностей выполняются по h12;
отверстия по Н12.
Качество поверхностного слоя: Шероховатость
наружних торцов составляет Rz=12,5
мкм, остальных наружних поверхностей соответствуют Rz=25
мкм, внутренних поверхностей Rz=25
мкм.
Предельные отклонения: Неуказанные предельные
отклонения наружных поверхностей - h14,
внутренних поверхностей - H14.
.2.3 Определение массы детали и характера (вида)
производства
Необходимо изготовить 32 накладки (по четыре на
каждый из восьми насосов). Найдём массу детали:
Плотность стали 20: r
= 7,85×
103 кг/м3 = 7,85 г/см3.
Найдем объем Vдет
детали. Для этого разобьем ее на простейшие геометрические фигуры (Рис. 3).
Объём рассчитываем складыванием и вычитанием
объёмов простейших фигур:
Рассчитаем массу детали:
Тип производства определяем как единичное в силу
необходимости выпустить всего одну партию в короткий интервал времени для
специальных (не коммерческих) нужд.
Рис. 3 Схема разбивки детали на простые фигуры
1.2.4 Определение параметров заготовки
В качестве исходной заготовки выбираем прокат
стальной горячекатаный круглый (ГОСТ 2590-2006) диаметром 230 мм обычной
точности. Заготовка для единичного изделия представляет собой стальной кругляш
(цилиндр). Для определения толщины заготовки назначим припуски на подрезку
торцов ø230
(ø226) мм.
Обработка торцов осуществляется в два прохода:
черновой и чистовой. Суммарный припуск будет равен их сумме. Назначим припуск
1,2 мм на черновую обработку, и 0,3 мм - на чистовую. Суммарный припуск на одну
сторону будет равен 1,5 мм, но обе - 3 мм.
Максимальная толщина детали - 67 мм, таким
образом ширина заготовки составит h
= 70 мм (Рис. 4). Масса заготовки равна:
Рис. 4 Заготовка для изготовления детали
«Прокладка»
1.2.5 Разработка маршрутного и операционного
технологического процесса изготовления детали
|
Номер
|
Наименование
и содержание операции
|
Режущий
инструмент
|
Обрабатывающий
станок
|
|
Операции
|
Перехода
|
|
|
|
|
005
|
|
Токарная
ЧПУ. Зажим заготовки в патроне за ø230 мм.
|
|
Токарный
станок с ЧПУ с горизонтальной станиной модели MicroPanther 446.
|
|
1
|
Черновая
подрезка торца ø230
мм.
|
Резец
подрезной.
|
|
|
|
Чистовая
подрезка торца ø230
мм.
|
|
|
|
2
|
Черновое
точение наружного диаметра ø142 мм.
|
Резец
проходной упорный.
|
|
|
|
Чистовое
точение наружного диаметра ø142 мм.
|
|
|
|
|
Подрезка
торца ø142/
ø230 мм.
|
|
|
|
3
|
Обработка
канавки ø142/ ø166 мм.
|
Канавочный
резец.
|
|
|
4
|
Сверление
сквозного отверстия ø22
мм.
|
Сверло
ø22
мм.
|
|
|
5
|
Черновое
растачивание отверстия ø30
мм,
глубиной 20 мм.
|
Резец
расточной
|
|
|
6
|
Черновое
точение наружного диаметра ø226 мм.
|
Резец
проходной упорный.
|
|
|
|
Чистовое
точение наружного диаметра ø226 мм.
|
|
|
|
7
|
Черновая
подрезка торца ø226
мм.
|
Резец
четырёхгранный.
|
|
|
|
Чистовая
подрезка торца ø226
мм.
|
|
|
|
|
Черновая
подрезка торца ø82/
ø226 мм.
|
|
|
|
|
Чистовая
подрезка торца ø82/
ø226 мм.
|
|
|
|
010
|
|
Фрезерная
ЧПУ. Зажим заготовки в патроне за ø226 мм.
|
|
Вертикальный
обрабатывающий центр с линейными направляющими модели Challenger
MM-430.
|
|
1
|
Центрование
8 отверстий ø2
мм.
|
Сверло
центровочное
|
|
|
2
|
Сверление
8 отверстий ø12
мм.
|
Сверло
ø12
мм.
|
|
|
3
|
Фрезерование
паза шириной 31 мм, длиной 52 мм.
|
Фреза
концевая ø16 мм.
|
|
|
4
|
Обработка
фасок отверстий и кромок детали по 0,5 мм×45о.
|
Зенкер
ø12
мм.
|
|
.2.6 Расчёт режимов резания.
Чистовое наружное точение ø142.
Глубина резания, t,
мм. Глубина резания - толщина стружки, срезаемая за один проход, измеренная в
направлении, перпендикулярном к обрабатываемой поверхности. Глубина резания
равна припуску на данном этапе обработки.
t = 0,2 мм.
Подача S
[мм/об]. Подача - перемещение режущей кромки инструмента относительно
обработанной поверхности заготовки за единицу времени. Подача при чистовой
обработке выбирается в зависимости от необходимой шероховатости и радиуса при
вершине резца.
Примем S
= 0,25 мм/об.
Скорость резания Vрез
[м/мин]. Скорость резания - перемещение в единицу времени произвольной точки,
взятой на активной части главной режущей кромки, относительно обрабатываемой
поверхности заготовки.
T - период стойкости
режущего инструмента, для токарныз резцов он составляет 30÷60
мин,
с учётом, что обработка носит многоинструментальный характер (К=2), примем T
= 120 мин.
По значениям стойкости и подачи выбираем из
таблицы значение коэффициентов CV,
x, y,
m: CV
= 350, x = 0,15, y
= 0,2, m = 0,2.
KV -
поправочный коэффициент, рассчитываемый по формуле:
где Kmv
- коэффициент, учитывающий качество обрабатываемого материала; Knv
- коэффициент, отражающий состояние поверхности заготовки; Kuv
- коэффициент, учитывающий качество материала инструмента, Кφ
- коэффициент,
учитывающий влияние параметров резца на скорость резания.
Заготовка - сортовой стальной прокат,
коэффициент Kmv
рассчитываем по формуле:
Для стали 20 σВ
= 420 МПа. Материал режущего инструмента сталь Т15К6, поэтому берём КГ = 1, nv
= 1. Отсюда находим Kmv
= 1,8. Для поверхности без корки Knv
= 1, для материала резца Kuv
= 1, Кφ
- 0,7 (угол
в плане φ=90о).
Рассчитываем поправочный коэффициент:
Определяем
расчётную скорость резания:
Частота вращения шпинделя [об/мин]
рассчитывается по формуле:
где d0
- исходный диаметр до обработки, d0
= 142 мм.
Коробка скоростей имеет бесступенчатое
регулирование, потому принимаем: nф
= nрас
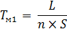
Машинное время, Tм1
[мин] - время для выполнения одного технологического прохода.
Где L
- расчётная длина (ширина) обработки, определяется в направлении подачи и равна
расстоянию между начальным и конечным положениями инструмента/детали с учётом
врезания, перебегов, взятия пробных стружек (если они имеют место в этом
переходе), мм; n - число
оборотов инструмента (детали), мин-1; S
- подача инструмента (детали) за один оборот, мм/об.
Таблица режимов резания
|
№
Опер.
|
№
пер
|
Проход
|
Глуб.
рез. tмм
|
Подача
S мм/об
|
Стойкость
T мин
|
Коэффициенты
|
 м/минn, об/мин
|
Тм,
мин
|
|
|
|
|
|
|
|
Cv
|
x
|
y
|
m
|
q
|
Kmv
|
Knv
|
Kuv
|
|
p
|
|
|
|
|
005
|
1
|
1
(чер)
|
1,2
|
1
|
120
|
280
|
0,15
|
0,45
|
0,20
|
-
|
1,8
|
1
|
1
|
1
|
-
|
188
|
260
|
0,44
|
|
|
1
(чист)
|
0,3
|
0,25
|
120
|
350
|
0,15
|
0,20
|
0,20
|
-
|
1,8
|
1
|
1
|
1
|
-
|
384
|
532
|
0,86
|
|
2
|
11
(чер)
|
4
|
2
|
120
|
280
|
0,15
|
0,45
|
0,20
|
-
|
1,8
|
1
|
1
|
0,7
|
-
|
110
|
195
|
1,02
|
|
|
1
(чист)
|
0,2
|
0,25
|
120
|
350
|
0,15
|
0,20
|
0,20
|
-
|
1,8
|
1
|
1
|
0,7
|
-
|
282
|
633
|
0,23
|
|
|
1
(чист)
|
0,4
|
0,25
|
120
|
350
|
0,15
|
0,20
|
0,20
|
-
|
1,8
|
1
|
1
|
0,7
|
-
|
256
|
574
|
0,3
|
|
3
|
1
(чист)
|
-
|
0,3
|
120
|
47
|
-
|
0,80
|
0,20
|
-
|
1,8
|
1
|
0,65
|
0,7
|
-
|
39
|
88
|
0,11
|
|
4
|
1
(чист)
|
11
|
0,4
|
100
|
9,8
|
-
|
0,50
|
0,20
|
0,40
|
1,8
|
1
|
1
|
-
|
-
|
38
|
550
|
0,33
|
|
5
|
3
(чер)
|
1,5
|
0,2
|
120
|
350
|
0,15
|
0,20
|
0,20
|
-
|
1,8
|
1
|
1
|
0,9
|
-
|
286
|
3000
|
0,11
|
|
6
|
1
(чер)
|
1,8
|
1
|
120
|
280
|
0,15
|
0,45
|
0,20
|
-
|
1,8
|
0,9
|
1
|
0,7
|
-
|
111
|
154
|
0,17
|
0,2
|
0,25
|
120
|
350
|
0,15
|
0,20
|
0,20
|
-
|
1,8
|
1
|
1
|
0,7
|
-
|
282
|
390
|
0,34
|
|
7
|
1
(чер)
|
1,2
|
1
|
120
|
280
|
0,15
|
0,45
|
0,20
|
-
|
1,8
|
1
|
1
|
1
|
-
|
188
|
260
|
0,43
|
|
|
1
(чист)
|
0,3
|
0,25
|
120
|
350
|
0,15
|
0,20
|
0,20
|
-
|
1,8
|
1
|
1
|
1
|
-
|
384
|
532
|
0,85
|
|
|
6
(чер)
|
2
|
1
|
120
|
280
|
0,15
|
0,45
|
0,20
|
-
|
1,8
|
1
|
1
|
1
|
-
|
176
|
684
|
0,62
|
|
|
1
(чист)
|
0,2
|
0,25
|
120
|
350
|
0,15
|
0,20
|
0,20
|
-
|
1,8
|
1
|
1
|
1
|
-
|
408
|
575
|
0,70
|
|
010
|
1
|
8
(чер)
|
1
|
0,1
|
30
|
7
|
-
|
0,70
|
0,20
|
0,40
|
1,8
|
1
|
1
|
-
|
-
|
42
|
6688
|
0,07
|
|
2
|
8
(чист)
|
6
|
0,25
|
50
|
9,8
|
-
|
0,50
|
0,20
|
0,40
|
1,8
|
1
|
1
|
-
|
-
|
44
|
637
|
1,26
|
|
3
|
1
(чист)
|
-
|
0,5
|
240
|
46,7
|
-
|
0,5
|
0,33
|
0,45
|
0,59
|
1
|
1
|
-
|
0,1
|
37,5
|
745
|
0,42
|
В случае, если обработка осуществляется за
несколько проходов, машинное время рассчитывается по формуле:
Где i
- число проходов.
.2.7 Расчёт штучного времени операций
Норма штучного времени на операцию:
Тшт = Т0 + Тв + Тпз/N
Где Т0 - технологическое (основное) время, Тв -
вспомогательное время, Тпз - подготовительно-заключительное время, N
- партия.
Тпз = 30 мин, Тпз/N
= 0,94 мин
Операция 005:
Т01 = 0,44 + 0,86 + 1,02 + 0,23 + 0,3 + 0,11 +
0,33 + 0,11 + 0,17 + 0,34 + 0,43 + 0,85 + 0,62 + 0,70 = 6,51 мин
Тв1 = 3 мин
Операция 010:
Т02 = 0,07 + 1,26 + 0,42 = 1,75 мин
Тв2 = 2 мин
Норма штучного времени:
Тшт = Т01 + Т02 + Тв1 + Тв2 + Тпз
Тшт = 6,51 + 1,75 + 3 + 2 + 0,94 = 14,2 мин
1.2.8 Выбор технологического оборудования
Токарный станок с ЧПУ с горизонтальной станиной
модели MicroPanther
446.
Рис.
5 Токарный станок MicroPanther 446
Станки
MicroPanther 446 (Рис. 5) имеют классическую конструкцию, зарекомендовавшую
себя как одну из самых надежных за долгие годы эксплуатации подобного
оборудования. Горизонтальная станина изготовлена из высококачественного чугуна
марки «Механит» и гарантирует высокую жесткость и виброустойчивость.
Жесткий шпиндельный узел установленный на 4-рех
конических двухрядных роликовых подшипниках приспособлен для нагруженной
работы, так же он хорошо сбалансирован для чистовой обработки на высоких
скоростях. Высокоточные ШВП класса точности С3 со сдвоенной гайкой гарантируют
высокую жесткость и точность. Станок оснащается 8-ми позиционной гидравлической
револьверной головкой с временем индексации между соседними позициями 0,79
секунды. Все элементы электрического шкафа отвечают европейским нормам CE.
Технические характеристики станка
|
Зона
обработки
|
|
Наибольший
диаметр заготовки, обрабатываемый над:
|
|
Станиной,
мм
|
446
|
|
Суппортом,
мм
|
240
|
|
Выемкой,
мм
|
546
|
|
Наибольшая
длина обрабатываемой детали, мм
|
600
|
|
Расстояние
между центрами, мм
|
850
|
|
Шпиндель
|
|
Диапазон
вращения шпинделя, об/мин
|
3000
|
|
Диаметр
патрона, мм
|
200
|
|
Отверстие
в шпинделе, мм
|
52
|
|
Посадочный
размер под токарный патрон
|
А2-5
|
|
Мощность
главного двигателя, кВт
|
5,5/7,5
|
|
Рабочая
зона
|
|
Перемещение
суппорта по оси X, мм
|
250
|
|
Перемещение
суппорта по оси Z, мм
|
900
|
|
Подачи
|
|
Ускоренное
перемещение по оси X, мм
|
15
м/мин
|
|
Ускоренное
перемещение по оси Z, мм
|
15
м/мин
|
|
Револьверная
головка
|
|
Количество
позиций револьверной головки
|
8
|
|
Сечение
резца, мм × мм
|
25
× 25
|
|
Задняя
бабка
|
|
Перемещение
пиноли задней бабки, мм
|
165
мм
|
|
Диаметр
пиноли задней бабки, мм
|
65
мм
|
|
Конус
пиноли задней бабки
|
Морзе
4
|
|
Точность
|
|
Точность
позиционирования по X/Z, мм
|
±
0,005
|
|
Повторяемость
по X/Z, мм
|
0,005
|
|
Система
охлаждения
|
|
Производительность
насоса подачи охлаждающей жидкости, л/мин
|
20
|
|
Давление
насоса подачи охлаждающей жидкости, кг/см2
|
0,65
|
|
Масса
и габариты
|
|
Масса
станка, кг
|
2100
|
|
Длина,
мм
|
2230
|
|
Ширина,
мм
|
1560
|
|
Высота,
мм
|
1790
|
Вертикальный обрабатывающий центр с линейными
направляющими модели Challenger
MM-430.
Рис. 6 Обрабатывающий центр Challenger
MM-430
· Предназначен для скоростной обработки деталей из
стали, чугуна и легких сплавов. Обрабатывающие центры серии VL предназначены
для обработки деталей сложной криволинейной формы из сталей, чугуна и легких
сплавов из литых и штампованных заготовок.
· Станина изготовлена из
высококачественного чугуна марки «Механит» и обладает высокой жесткостью и
виброустойчивостью.
· Высококлассные линейные направляющие
дают возможность перемещаться шпиндельной бабке и столу со скоростью до 24
м/мин.
· Шпиндель с максимальной частотой
вращения до 8 000 об/мин.
· Круговой инструментальный магазин
типа «диск» на 16 позиций расположен на одной колонне вместе со шпинделем.
· Высокомоментные сервоприводы
напрямую соединены с шариковинтовыми передачами по всем осям.
· Высокоточные ШВП класса точности С3
со сдвоенной гайкой гарантируют высокую жесткость и точность даже при
долговременных тяжелых нагрузках.
Технические характеристики станка
|
Стол
|
|
Размеры
стола, мм
|
900
× 410
|
|
Максимально
допустимая нагрузка на стол, кг
|
350
|
|
Т-образные
пазы, шт/мм
|
4/16/100
|
|
Шпиндель
|
|
Диапазон
вращения шпинделя, об/мин
|
8000
|
|
Конус
шпинделя
|
ISO40 7:24
|
|
Мощность
главного двигателя, кВт
|
5,5
/ 7,5
|
|
Перемещения
|
|
Перемещение
по оси X, мм
|
760
|
|
Перемещение
по оси Y, мм
|
430
|
|
Перемещение
по оси Z, мм
|
400
(460 - опция)
|
|
Расстояние
от конуса шпинделя до стола, мм
|
102
- 562
|
|
Расстояние
от конуса шпинделя до направляющих колонны
|
480
мм
|
|
Подачи
|
|
Рабочие
подачи X, Y, Z
|
1
- 10000 мм/мин
|
|
Ускоренные
перемещения X, Y, Z
|
24
м/мин
|
|
Магазин
инструментов
|
|
Количество
мест
|
16
|
|
Тип
магазина
|
«диск»
|
|
Хвостовик
инструмента
|
ВТ40
|
|
Максимальный
вес инструмента, кг
|
5,4
|
|
Максимальный
диаметр инструмента, мм
|
89
|
|
Точность
|
|
Точность
позиционирования X, Y, Z, мм
|
±0,005
|
|
Повторяемость
X, Y, Z, мм
|
±0,003
|
|
Масса
и габариты
|
|
Масса
станка, кг
|
3630
|
|
Длина,
мм
|
2200
|
|
Ширина,
мм
|
1950
|
|
Высота,
мм
|
2095
|
.2.9 Разработка управляющей программы
изготовления детали «Прокладка»
Кодирование управляющих программ соответствует
ГОСТ 20999-78.
Каждая управляющая программа состоит из
последовательности кадров. Признаком начала программы является символ «%».
Разделы программы, которые могут быть пропущены,
обозначаются символом «Пропуск кадра». Пропуск кадра обозначается символом «/»
(косая черта), которая ставится перед адресом номера кадра. Каждая программа
должна заканчиваться командой М02.
Тексты, поясняющие управление программы
необходимо заключить в круглые скобки. Внутри скобок не должно быть символов
«%», « : », ПС. Информация в скобках устройством ЧПУ не воспринимается и не
обрабатывается.
Вся информация внутри управляющей программы
задается в виде кадров. Длина кадра - переменная, порядок слов - свободный, способ
записи слов - адресный.
Каждый кадр содержит:
признак начала кадра, задаваемый адресом N
или символом « : »;
числовую информацию (геометрическую и
технологическую), необходимую для данного этапа обработки, с соответствующими
адресами;
признак конца кадра - ПС.
Порядок номеров кадра управляющей программы
произвольный, но для удобства в работе рекомендуется упорядочить
последовательность в сторону возрастания и использовать нумерацию кадров
кратную пяти или десяти.
Максимальная длина кадра не должна превышать 80
символов.
Исходными данными для разработки управляющей
программы являются: расчетные значения подач, скорости резания, а также
координаты опорных точек.
005. Токарная, переход 1: черновая подрезка
торца ø230
мм,
инструмент - подрезной резец
|
Точка
|
X
|
Z
|
ΔX
|
ΔZ
|
|
1
|
-116
|
+68,8
|
-
|
-
|
|
2
|
-
|
-
|
+116
|
-
|
005. Токарная, переход 1: чистовая подрезка
торца ø230
мм,
инструмент - подрезной резец
|
Точка
|
X
|
Z
|
ΔX
|
ΔZ
|
|
-116
|
+68,5
|
-
|
-
|
|
-
|
-
|
+116
|
-
|
. Токарная, переход 2: черновое наружное точение
ø142
мм,
инструмент - проходной упорный резец
|
Точка
|
X
|
Z
|
ΔX
|
ΔZ
|
|
1
|
-111
|
+69,5
|
-
|
-
|
|
2
|
-
|
-
|
-36
|
|
3
|
-
|
-
|
-1
|
+36
|
|
4
|
-
|
-
|
+5
|
-
|
|
5
|
-
|
-
|
-
|
-36
|
|
6
|
-
|
-
|
-1
|
+36
|
|
7
|
-
|
-
|
+5
|
-
|
|
8
|
-
|
-
|
-
|
-36
|
|
9
|
-
|
-
|
-1
|
+36
|
|
10
|
-
|
-
|
+5
|
-
|
|
11
|
-
|
-
|
-
|
-36
|
|
12
|
-
|
-
|
-1
|
+36
|
|
13
|
-
|
-
|
+5
|
-
|
|
14
|
-
|
-
|
-
|
-36
|
|
15
|
-
|
-
|
-1
|
+36
|
|
16
|
-
|
-
|
+5
|
-
|
|
17
|
-
|
-
|
-
|
-36
|
|
18
|
-
|
-
|
-1
|
+36
|
|
19
|
-
|
-
|
+5
|
-
|
|
20
|
-
|
-
|
-
|
-36
|
|
21
|
-
|
-
|
-1
|
+36
|
|
22
|
-
|
-
|
+5
|
-
|
|
23
|
-
|
-
|
-
|
-36
|
|
24
|
-
|
-
|
-1
|
+36
|
|
25
|
-
|
-
|
+5
|
-
|
|
26
|
-
|
-
|
-
|
-36
|
|
27
|
-
|
-
|
-1
|
+36
|
|
28
|
-
|
-
|
+5
|
-
|
|
29
|
-
|
-
|
-
|
-36
|
|
30
|
-
|
-
|
-1
|
+36
|
|
31
|
-
|
-
|
+4,8
|
-
|
|
32
|
-
|
-
|
-
|
-36
|
. Токарная, переход 2: чистовое наружное точение
ø142
мм,
инструмент - проходной упорный резец
|
Точка
|
X
|
Z
|
ΔX
|
ΔZ
|
|
1
|
-71
|
+69,5
|
-
|
-
|
|
2
|
-
|
-
|
-
|
-36
|
. Токарная, переход 2: подрезка торца ø142/
ø 230 мм, инструмент - проходной упорный резец
|
Точка
|
X
|
Z
|
ΔX
|
ΔZ
|
|
-71
|
+33,5
|
-
|
-
|
|
-
|
-
|
-45
|
-
|
. Токарная, переход 3: обработка канавкиø142/
ø 230 мм, инструмент - канавочный резец
|
Точка
|
X
|
Z
|
ΔX
|
ΔZ
|
|
1
|
-34,5
|
+69,5
|
-
|
-
|
|
2
|
-
|
-
|
-
|
-3
|
. Токарная, переход 4: сверление сквозного
отверстия ø22 мм, инструмент -
сверло с цилиндрическим хвостовиком
|
Точка
|
X
|
Z
|
ΔX
|
ΔZ
|
|
1
|
0
|
+70,5
|
-
|
-
|
|
2
|
-
|
-
|
-
|
-72,5
|
|
3
|
-
|
-
|
-
|
+72,5
|
005. Токарная, переход 5: черновое растачивание
отверстия ø30 мм, глубиной 20 мм,
инструмент - проходной упорный резец.
|
Точка
|
X
|
Z
|
ΔX
|
ΔZ
|
|
1
|
-12,5
|
+69,5
|
-
|
-
|
|
2
|
-
|
-
|
-
|
-20,7
|
|
3
|
-
|
-
|
+1
|
+20,7
|
|
4
|
-
|
-
|
-2,5
|
-
|
|
5
|
-
|
-
|
-
|
-20,7
|
|
6
|
-
|
-
|
+1
|
+20,7
|
|
7
|
-
|
-
|
-2
|
-
|
|
8
|
-
|
-
|
-
|
-21
|
|
9
|
-
|
-
|
+5
|
-
|
. Токарная, переход 6: черновое наружное точение
ø226
мм,
инструмент - проходной упорный резец.
|
Точка
|
X
|
Z
|
ΔX
|
ΔZ
|
|
1
|
-113,2
|
+69,5
|
-
|
-
|
|
2
|
-
|
-
|
-
|
-70,5
|
. Токарная, переход 6: чистовое наружное точение
ø226
мм,
инструмент - проходной упорный резец.
|
ТочкаXZΔXΔZ
|
|
|
|
|
|
1
|
-113
|
+69,5
|
-
|
-
|
|
2
|
|
|
-
|
-70,5
|
. Токарная, переход 7: черновая подрезка торца
ø22/ø226
мм, инструмент - четырёхгранный резец.
|
ТочкаXZΔXΔZ
|
|
|
|
|
|
1
|
-10
|
+67,3
|
-
|
-
|
|
2
|
-
|
-
|
-104
|
-
|
005. Токарная, переход 7: чистовая подрезка
торца ø22/ø226
мм,
инструмент - четырёхгранный резец.
|
ТочкаXZΔXΔZ
|
|
|
|
|
|
1
|
-10
|
+67,0
|
-
|
-
|
|
2
|
-
|
-
|
-104
|
-
|
. Токарная, переход 7: черновая подрезка торца ø82/ø226
мм,
инструмент - четырёхгранный резец.
|
Точка
|
X
|
Z
|
ΔX
|
ΔZ
|
|
1
|
-41
|
+77
|
-
|
-
|
|
2
|
-
|
-
|
-
|
-2
|
|
3
|
-
|
-
|
-20
|
-8
|
|
4
|
-
|
-
|
-74
|
-
|
|
5
|
-
|
-
|
+10
|
|
6
|
-
|
-
|
-
|
-2
|
|
7
|
-
|
-
|
-20
|
-8
|
|
8
|
-
|
-
|
-74
|
-
|
|
9
|
-
|
-
|
+94
|
+10
|
|
10
|
-
|
-
|
-
|
-2
|
|
11
|
-
|
-
|
-20
|
-8
|
|
12
|
-
|
-
|
-74
|
-
|
|
13
|
-
|
-
|
+94
|
+10
|
|
14
|
-
|
-
|
-
|
-2
|
|
15
|
-
|
-
|
-20
|
-8
|
|
16
|
-
|
-
|
-74
|
-
|
|
17
|
-
|
-
|
+94
|
+10
|
|
18
|
-
|
-
|
-
|
-2
|
|
19
|
-
|
-
|
-20
|
-8
|
|
20
|
-
|
-
|
-74
|
-
|
|
21
|
-
|
-
|
+94
|
+10
|
|
22
|
-
|
-
|
-
|
-1,8
|
|
23
|
-
|
-
|
-20
|
-8
|
|
24
|
-
|
-
|
-74
|
-
|
005. Токарная, переход 7: чистовая подрезка
торца ø
82/ø226 мм, инструмент - четырёхгранный
резец
|
Точка
|
X
|
Z
|
ΔX
|
ΔZ
|
|
1
|
-41
|
+63,2
|
-
|
-
|
|
2
|
-
|
-
|
-
|
-2
|
|
3
|
-
|
-
|
-20
|
-8
|
|
4
|
-
|
-
|
-74
|
-
|
. Фрезерная, переход 1: центровка 8 отверстий ø2
мм,
инструмент - центровочное сверло
|
Точка
|
X
|
Y
|
Z
|
ΔX
|
ΔY
|
ΔZ
|
|
1
|
+98
|
0
|
+34
|
-
|
-
|
-
|
|
2
|
-
|
-
|
-
|
-
|
-
|
-7
|
|
3
|
-
|
-
|
-
|
-
|
-
|
+7
|
|
4
|
-
|
-
|
-
|
-28,7
|
+69,3
|
-
|
|
5
|
-
|
-
|
-
|
-
|
-
|
-7
|
|
6
|
-
|
-
|
-
|
-
|
-
|
+7
|
|
7
|
-
|
-
|
-
|
-69,3
|
+28,7
|
-
|
|
8
|
-
|
-
|
-
|
-
|
-
|
-7
|
|
9
|
-
|
-
|
-
|
-
|
-
|
+7
|
|
10
|
-
|
-
|
-
|
-69,3
|
-28,7
|
-
|
|
11
|
-
|
-
|
-
|
-
|
-
|
-7
|
|
12
|
-
|
-
|
-
|
-
|
-
|
+7
|
|
13
|
-
|
-
|
-
|
-28,7
|
-69,3
|
-
|
|
14
|
-
|
-
|
-
|
-
|
-
|
-7
|
|
15
|
-
|
-
|
-
|
-
|
-
|
+7
|
|
16
|
-
|
-
|
-
|
+28,7
|
-69,3
|
-
|
|
17
|
-
|
-
|
-
|
-
|
-
|
-7
|
|
18
|
-
|
-
|
-
|
-
|
-
|
+7
|
|
19
|
-
|
-
|
-
|
-69,3
|
-28,7
|
-
|
|
20
|
-
|
-
|
-
|
-
|
-
|
-7
|
|
21
|
-
|
-
|
-
|
-
|
-
|
+7
|
|
22
|
-
|
-
|
-
|
+69,3
|
+28,7
|
-
|
|
23
|
-
|
-
|
-
|
-
|
-
|
-7
|
|
24
|
-
|
-
|
-
|
-
|
-
|
+7
|
010. Фрезерная, переход 2: сквозное сверление 8
отверстий ø12 мм, инструмент -
сверло
|
Точка
|
X
|
Y
|
Z
|
ΔX
|
ΔY
|
ΔZ
|
|
1
|
+98
|
0
|
+34
|
-
|
-
|
-
|
|
2
|
-
|
-
|
-
|
-
|
-
|
-24
|
|
3
|
-
|
-
|
-
|
-
|
-
|
+24
|
|
4
|
-
|
-
|
-
|
-28,7
|
+69,3
|
-
|
|
5
|
-
|
-
|
-
|
-
|
-
|
-24
|
|
6
|
-
|
-
|
-
|
-
|
-
|
+24
|
|
7
|
-
|
-
|
-69,3
|
+28,7
|
-
|
|
8
|
-
|
-
|
-
|
-
|
-
|
-24
|
|
9
|
-
|
-
|
-
|
-
|
-
|
+24
|
|
10
|
-
|
-
|
-
|
-69,3
|
-28,7
|
-
|
|
11
|
-
|
-
|
-
|
-
|
-
|
-24
|
|
12
|
-
|
-
|
-
|
-
|
-
|
+24
|
|
13
|
-
|
-
|
-
|
-28,7
|
-69,3
|
-
|
|
14
|
-
|
-
|
-
|
-
|
-
|
-24
|
|
15
|
-
|
-
|
-
|
-
|
-
|
+24
|
|
16
|
-
|
-
|
-
|
+28,7
|
-69,3
|
-
|
|
17
|
-
|
-
|
-
|
-
|
-
|
-24
|
|
18
|
-
|
-
|
-
|
-
|
-
|
+24
|
|
19
|
-
|
-
|
-
|
-69,3
|
-28,7
|
-
|
|
20
|
-
|
-
|
-
|
-
|
-
|
-24
|
|
21
|
-
|
-
|
-
|
-
|
-
|
+24
|
|
22
|
-
|
-
|
-
|
+69,3
|
+28,7
|
-
|
|
23
|
-
|
-
|
-
|
-
|
-
|
-24
|
|
24
|
-
|
-
|
-
|
-
|
-
|
+24
|
. Фрезерная, переход 3: фрезерование паза длиной
52 мм, шириной 31 мм, инструмент - концевая фреза
|
Точка
|
X
|
Y
|
Z
|
ΔX
|
ΔY
|
ΔZ
|
R
|
|
1
|
0
|
0
|
+68
|
-
|
-
|
-
|
-
|
|
2
|
-
|
-
|
-
|
-
|
-
|
-21
|
-
|
|
3
|
-
|
-
|
-
|
-
|
+10,5
|
-
|
-
|
|
4
|
-
|
-
|
-
|
-10,5
|
-
|
-
|
-
|
|
5
|
-
|
-
|
-
|
-7,5
|
-7,5
|
-
|
7,5
|
|
6
|
-
|
-
|
-
|
+7,5
|
-7,5
|
-
|
7,5
|
|
7
|
-
|
-
|
-
|
+21
|
-
|
-
|
-
|
|
8
|
-
|
-
|
-
|
+7,5
|
+7,5
|
-
|
7,5
|
|
9
|
-
|
-
|
-
|
-7,5
|
+7,5
|
-
|
7,5
|
|
10
|
-
|
-
|
-
|
-10,5
|
-
|
-
|
-
|
.3 Выводы
Сформулирована технологическая задача получения
и поддержания криогенных температур. Описана система криогенного обеспечения
для охлаждения дефлекторов, откачная машина для поддержания и управления
температурой.
Описана технология обработки и изготовления
детали типа «Прокладка». Определены исходные параметры заготовки, припуски на
обработку, рассчитаны режимы резания. Был произведён выбор технологического
оборудования. Составлена программа для обработки детали на современных станках
с ЧПУ.
2. Конструкторский раздел
В конструкторском разделе рассмотрим устройство
и принцип функционирования откачной машины. Произведём описание существующих
(работающих) устройств, а так же выберем дополнительные, необходимые для
создания современной автоматизированной системы управления.
.1 Откачная машина (ОМ)
Откачная машина (ОМ) (Рис. 7)
криогенно-вакуумной установки представляет комплекс технических средств,
назначение которого - откачка газообразного гелия из дефлекторов и
холодогенерирующей установки (КГУ 500). Основу ОМ составляют 24 насоса 3 типов
(по 8 насосов каждого типа): пластинчато-роторные насосы 2ДВН-500 и 2ДВН-1500 и
агрегат вакуумный золотниковый АВЗ-180.
Насосы в составе ОМ объединены в откачные ячейки
(ОЯ). Каждая ячейка включает в себя три насоса, по одному каждого типа,
установленных последовательно: 2ДВН-500, 2ДВН-1500, АВЗ-180. Между насосами
установлены теплообменники, охлаждаемые подводимой к ним водой. Вода так же
применяется и для охлаждения насосов АВЗ-180 и 2ДВН-1500.
Откачные ячейки соединены между собой
параллельными трубами перед входами насосов (входные трубы) и на выхлопах
АВЗ-180. Перед всасами всех насосов установлены вакуумные клапаны, такие же
клапаны установлены на выхлопах 2ДВН-1500 и 2ДВН-500. Входные трубы соединены
между собой ещё двумя клапанами.
Рис. 7 Структурная схема откачной машины
Откачная машина в сеансе работает поступенно, в
режиме компрессора. Рабочий режим должны обеспечивать 6 откачных ячеек (2
ячейки - резервные, на случай выхода некоторых основных из строя). В начальный
момент в дефлекторах жидкий гелий имеет температуру 4,4 оК, давление
газообразного гелия около 107 кПа. Сначала включаются насосы АВЗ-180, при этом
клапаны на всасах и выхлопах насосов 2ДВН-500 и 2ДВН-1500 закрыты, а клапаны
между входными трубами открыты. С их помощью давление в дефлекторах понижается
до 4,0-5,0 кПа. При этом давлении насосы АВЗ-180 начинают «захлёбываться» (не в
состоянии дальше понижать давление на всасе), и тогда включаются насосы
2ДВН-500 соответствующих ячеек (открываются соответствующие клапаны всаса,
выхлопа, закрывается второй клапан соединения входных труб). Они понижают
давление в дефлекторах до 2,5-3,0 кПа. Когда и они начинают «захлёбываться»,
подключаются насосы 2ДВН-1500 (открываются и закрываются соответствующие
клапаны), понижая давление до 1,5-1,6 кПа (основной рабочий режим).
2.2 Исполнительные устройства
.2.1 Насосы 2ДВН-500 и 2ДВН-1500
Насосы 2ДВН-500, 2ДВН-1500 (Рис. 8)
предназначены для откачки воздуха и газов, неагрессивных к серому чугуну,
конструкционной стали и минеральным маслам, и взрывобезопасных в условиях
проточной части и зубчатого редуктора.
Насосы 2ДВН относятся к классу ротационных
компрессорных машин объёмного действия, внешнего сжатия, с двумя поршнями
одинакового профиля. Насос приводится через упругую пальцевую муфту
электродвигателем, корпус которого соединён фланцем с насосом. Система смазки
подшипников и шестерён - жидкостная, циркуляционно-барботажная. Охлаждение
насоса 2ДВН-500 - воздушное, при этом в значительной степени используется поток
воздуха, создаваемый электродвигателем. Насос 2ДВН-1500, кроме того, имеет ещё
и систему водяного охлаждения.
В пазах вращающегося ротора, ось которого
смещена относительно оси неподвижного статора на величину эксцентриситета,
установлены несколько пластин с пружинами. Вращаясь вместе с ротором, эти
пластины одновременно совершают вращательно-поступательные движения в пазах
ротора. Рабочими камерами являются объёмы, ограниченные соседними пластинами, а
также поверхностями ротора и статора. При вращении ротора рабочая камера,
соединённая с полостями всасывания, увеличивается в объёме и происходит её
заполнение. Затем она переносится в зону нагнетания. При дальнейшем перемещении
её объём уменьшается и происходит вытеснение (сжатие) газа из рабочей камеры.
Насос 2ДВН-500 укомплектованы трёхфазными
асинхронными электродвигателями, 2ДВН-500 - АИР 112 М2, 2ДВН-1500 - АИР 132 М2.
Рис. 8 Насосы 2ДВН (500 и 1500).
Технические характеристики насосов 2ДВН-500 и
2ДВН-1500
|
Характеристики
|
2ДВН-500
|
2ДВН-1500
|
|
Быстродействие,
не менее, л/с
|
500
|
1500
|
|
Максимальная
разность давлений, кПа
|
1,0
|
1,0
|
|
Тип
комплектующего электродвигателя
|
АИР
112 М2
|
АИР
132 М2
|
|
Мощность
двигателя, кВт
|
7,7
|
11
|
|
Момент
сопротивления, Н*м
|
19,3
|
27,2
|
|
КПД
насоса
|
0,8
|
0,8
|
|
Частота
вращения, об/мин
|
2890
|
2950
|
|
Расход
охждающей воды, л/ч
|
-
|
360
|
|
Габаритные
размеры, мм
|
1340x600x850
|
1840x600x850
|
|
Масса,
кг
|
550
|
830
|
.2.2 Насос АВЗ-180
Вакуумный насос АВЗ-180 (Рис. 9) -
электронасосный агрегат с золотниковым одноступенчатым насосом предназначен для
откачки воздуха, неагрессивных газов и парогазовых смесей, предварительно
очищенных от капельной влаги и механических загрязнений, из герметичных
вакуумных систем в стационарных установках, находящихся в производственных
помещениях, при температуре окружающей среды от 10 до 35о C
(создание глубокого и среднего вакуума).
Агрегат АВЗ состоит из насоса, маслоотделителя,
асинхронного электродвигателя АИР 160 S2,
смонтированного на основании, закрепленном на корпусе насоса. Передача
вращательного движения от двигателя к насосу осуществляется посредством
клиновых ремней с передаточным отношением 0,5. Натяжение ремней обеспечивается
натяжными винтами. Шкивы насоса и двигателя после их установки и закрепления
агрегата закрываются ограждением. Сверху на корпус насоса устанавливается
маслоотделитель. Входной и выходной патрубки закрыты заглушками. Насос имеет
водяное (проточное) охлаждение.
Рис. 9 Габаритные и присоединительные размеры
агрегата АВЗ-180
Насос имеет две рабочие камеры. В рабочей камере
вращается эксцентрик с надетым на него плунжером. При вращении эксцентрика газ
из откачиваемого объема через окно в прямоугольной части плунжера поступает в
полость всасывания. Одновременно в полости сжатия происходит сжатие и
вытеснение откачиваемой среды. При вращении плунжер не касается стенок роторных
камер, а проходит около них с необходимым зазором. Вал насоса вращается в двух
подшипниках, расположенных в передней и задней крышках. Уплотнение по валу со
стороны маховика и между камерами обеспечивается посредством манжет.
Технические характеристики насоса АВЗ-180
|
Производительность,
не менее, л/c
|
180
|
|
Максимальная
разность давлений, кПа
|
1,0
|
|
Тип
комплектующего двигателя
|
АИР
160 S2
|
|
Мощность
двигателя, кВт
|
15
|
|
Момент
сопротивления, Н*м
|
73
|
|
КПД
насоса
|
0,77
|
|
Частота
вращения, об/мин
|
1460
|
|
Передаточное
отношение клиноремённой передачи
|
0,5
|
|
Габаритные
размеры, мм
|
1070x875x1055
|
|
Масса,
кг
|
870
|
.2.3 Асинхронные электродвигатели АИР
Асинхронные электродвигатели АИР с короткозамкнутым
ротором (Рис. 10), благодаря простоте конструкции, отсутствию подвижных
контактов, высокой ремонтопригодности, невысокой цене по сравнению с другими
электрическими двигателями применяются практически во всех отраслях
промышленности и сельского хозяйства. Они используются для привода
вентиляционного оборудования, насосов, компрессорных установок, станков,
эскалаторов и многих других машин.
Рис. 10 Габаритные размеры электродвигателей АИР
Габаритные размеры двигателей АИР (112 М2, 132
М2, 160 S2)
|
Размер,
мм
|
АИР
112 М2
|
АИР
132 М2
|
АИР
160 S2
|
|
I30
|
475
|
510
|
625
|
|
h31
|
297
|
345
|
435
|
|
d24
|
300
|
350
|
350
|
|
I1
|
80
|
80
|
110
|
|
I10
|
140
|
178
|
178
|
|
I31
|
70
|
89
|
108
|
|
d1
|
32
|
38
|
42
|
|
d10
|
12
|
12
|
15
|
|
d20
|
265
|
300
|
300
|
|
d22
|
14
|
19
|
19
|
|
d25
|
230
|
250
|
250
|
|
b10
|
190
|
216
|
254
|
4
|
4
|
4
|
|
h
|
112
|
132
|
160
|
|
I21
|
15
|
18
|
15
|
|
I20
|
4
|
5
|
5
|
|
h10
|
12
|
13
|
20
|
|
h5
|
35
|
41
|
45
|
|
b1
|
10
|
10
|
12
|
Проверочный расчёт электродвигателей.
Откачная машина в сеансе рассчитана на
непрерывную работу около полутора месяца (900 - 1100 ч. и более) при
непрерывной, неизменной нагрузке, то есть функционируют в продолжительном
режиме работы S1. Это самый
простой режим работы, в нём устанавливается неизменная температура всех частей
электродвигателя. При режиме S1
не требуется выполнять дополнительный расчёт по определению нагрева двигателя.
Выполним проверочный расчёт чтобы убедиться, что
используемые электродвигатели подходят для данного режима работы. Проверка
двигателей осуществляется по двум условиям:
Расчётная мощность насоса определяется по
формуле:
Где Mс
- момент сопротивления насоса, nном
- номинальные обороты насоса, ηнас
- КПД насоса.
Выполним проверочный расчёт электродвигателя АИР
112 М2 (в комплекте к насосу 2ДВН-500).
Характеристики электродвигателя АИР 112 М2
|
Мощность,
кВт
|
7,5
|
|
Напряжение,
В
|
380
|
|
Ток,
А
|
15,07
|
|
Частота
вращения, об/мин
|
2890
|
|
КПД,
%
|
86
|
|
Cos φ
|
0,88
|
|
Ммакс/Мн
|
2,5
|
|
Мп/Мн
|
2,2
|
|
Iп/Iн
|
7,5
|
|
Момент
инерции, кг*м2
|
0,0185
|
|
Масса,
кг
|
48
|
Определим расчётную мощность насоса:
Мощность данного двигателя удовлетворяет
условию.
Частоты вращений электродвигателя и насоса
одинаковы, так как они соединены по безредукторной схеме, и следовательно:
Данный электродвигатель удовлетворяет полностью
удовлетворяет всем рабочим условиям.
Выполним проверочный расчёт электродвигателя АИР
132 М2 (в комплекте к насосу 2ДВН-1500).
Характеристики электродвигателя АИР 132 М2
|
Мощность,
кВт11
|
|
|
Напряжение,
В
|
380
|
|
Ток,
А
|
21,1
|
|
Частота
вращения, об/мин
|
2950
|
|
КПД,
%
|
88
|
|
Cos φ
|
0,9
|
|
Ммакс/Мн
|
2,0
|
|
Мп/Мн
|
1,6
|
|
Iп/Iн
|
7,5
|
|
Момент
инерции, кг*м2
|
0,0227
|
|
Масса,
кг
|
78
|
Определим расчётную мощность насоса:
Мощность данного двигателя удовлетворяет
условию.
Частоты вращений электродвигателя и насоса
одинаковы, так как они соединены по безредукторной схеме, и следовательно:
Данный электродвигатель удовлетворяет полностью
удовлетворяет всем рабочим условиям.
Выполним проверочный расчёт электродвигателя АИР
160 S2 (в комплекте к
насосу АВЗ-180).
Характеристики электродвигателя АИР 160 S2
|
Мощность,
кВт15
|
|
|
Напряжение,
В
|
380
|
|
Ток,
А
|
28,8
|
|
Частота
вращения, об/мин
|
2930
|
|
КПД,
%
|
89
|
|
Cos φ
|
0,89
|
|
Ммакс/Мн
|
3,0
|
|
Мп/Мн
|
2,1
|
|
Iп/Iн
|
7,5
|
|
Момент
инерции, кг*м2
|
0,0500
|
|
Масса,
кг
|
116
|
Определим расчётную мощность насоса:
Мощность данного двигателя удовлетворяет
условию.
Электродвигатель сопряжён с насосом ремённой
передачей с коэффициентом 0,5, то есть выходная частота вращения будет в 2 раза
меньше.
Данный электродвигатель удовлетворяет полностью
удовлетворяет всем рабочим условиям.
.2.4 Клапан латунный электромагнитный муфтовый
(исполнение НЗ) типа SMS-TORK
T-GP
103 ДУ 15
Клапан электромагнитный типа SMS-TORK
T-GP
(Рис. 11) предназначен для автоматического управления подачей воздуха, холодной
и горячей воды (до 85 оС), а также других жидких и газообразных сред,
неагрессивных к материалам корпуса, уплотнений и мембраны. Представляет собой
2/2 ходовой нормально закрытый соленоидный клапан непрямого действия.
Данный тип клапанов используется для управления
потоками охлаждающей воды к насосам 2ДВН-1500 и АВЗ-180.
Рис. 11 Клапан
SMS-TORK T-GP 103 ДУ
15.
Характеристики клапана SMS-TORK
T-GP
103 ДУ 15
|
Напряжение
питания, В
|
220
± 10%
|
|
Активная
мощность катушки, Вт
|
6
|
|
Время
срабатывания, с
|
0,1
|
|
Присоединительный
размер
|
G 1/2
|
|
Проходное
сечение, мм
|
14,5
|
|
Рабочее
давление, бар
|
0,5
… 16
|
|
Пропускная
способность, л/мин
|
70
|
|
Температура
рабочей среды, оС
|
-10
… +80
|
|
Степень
электрозащиты
|
IP65
|
|
Масса
изднлия, кг
|
0,71
|
.2.5 Вакуумные клапаны с электромагнитным
приводом КВМ-25 и КВМ-63.
Вакуумные клапаны с электромагнитным приводом
типа КВМ (Рис. 12)предназначены для герметичного перекрытия вакуумных систем в
диапазоне давлений от 1*10-5 до 1,07*105 на трубопроводах для воздуха и
неагрессивных газов. Под действием возникающего магнитного поля катушки якорь
втягивается, преодолевая усилие пружины и поднимает заслонку. Клапан
закрывается пружиной при прекращении подачи тока в цепь катушки электромагнита.
Открытие и закрытие клапана дистанционное.
Рис. 12 Клапаны КВМ-63 (слева) и КВМ-25 (справа)
Клапаны КВМ-63 используются в качестве клапанов
всаса и выхлопа насосов 2ДВН (500 и 1500), КВМ-25 - в качестве шунтирующих
клапанов в обход насосов АВЗ-180.
|
Характеристики
|
КВМ-25
|
КВМ-63
|
|
Пропускная
способность, не менее, л/с
|
14,2
|
180
|
|
Диаметр
условного прохода, мм
|
25
|
63
|
|
Питание
электромагнита, напряжение, В, частота, Гц
|
220
± 11 50
|
220
± 11 50
|
|
Потребляемый
ток в открытом состоянии, не более, А
|
0,35
|
0,6
|
|
Время
открывания/закрывания,
с
|
0,1
|
0,5
|
|
Габаритные
размеры, мм
|
185
x
85 x 26,2
|
320
x
150
x 70
|
|
Масса,
не более, кг
|
1,9
|
8
|
|
Средний
ресурс до кап. Ремонта, циклов, не менее
|
60
000
|
60
000
|
|
Продолжительность
включения, %
|
100
|
100
|
.2.6 Клапан запорно-регулирующий прямоходный
однодроссельный КЗР-Аргонавт (DN
= 65 мм).
· Диаметр условного прохода DN
- 65 мм.
· Средняя наработка на отказ - 100 000
ч.
· Средний ресурс - 80 000 ч.
· Температура рабочей среды - до +150
оС.
· Допустимая величина относительной
протечки в положении «закрыто» - менее 0,0005 % от Kvs.
· Пропускная характеристика -
линейная.
· Перепад давления на плунжере - 1,6
МПа.
· Пропускная способность до 63 м3/ч.
· Тип электропривода - STO.1
(P = 16 Вт)
· Время полного открытия или закрытия
- от 30 до 180 с.
· Датчик степени открытия клапана -
резистивный или токовый (0 … 5 мА, 0 … 20 мА, 4 … 20 мА).
· Установочное положение на
трубопроводе - любое, кроме положением привода вниз.
· Напряжение питания 220 В, 50 Гц.
· Степень защиты IP54
или IP65.
· Имеется ручной дублёр управления и
механический показатель положения плунжера.
· Коэффициент гидравлического
сопротивления x = 6,2 … 6,6.
· Масса 31 кг.
· Габаритные размеры 615 x
290 x 220 мм.
Регулируемые клапаны КЗР-Аргонавт (Рис. 13)
устанавливаются на всасах насосов АВЗ-180 для предварительного регулирования
понижаемого давления и прокачки (имеющиеся насосы начинают давать хорошее
разрежение при первоначальном давлении 14 - 15 кПа).
Рис. 13 Регулируемые клапаны КЗР-Аргонавт.
.3 Выводы
В данном разделе было описано и выбрано основное
технологическое (исполнительное) оборудование, произведены проверочные расчёты
электродвигателей насосов.
3. Система управления
В разделе, посвящённом системе управления ОМ,
разработаем схему АСУ ОМ, определим необходимое для её построения оборудование
и арматуру.
.1 Существующая система управления, недостатки и
варианты решений
Существующая система управления ОМ имеет два
существенных недостатка, не позволяющих полностью использовать ресурсы
исполнительных агрегатов.
) Неуправляемые электродвигатели насосов.
Двигатели насосов работают только при номинальных значениях частоты и
напряжения, обеспечивающих только номинальные обороты и, тем самым, постоянную
производительность. Это приводит к тому, что для изменения производительности
ОМ (с целью изменения температуры в дефлекторах) некоторые из насосов
приходится периодически вручную отключать/подключать.
Предлагаемое решение: для управления
производительностью ОМ использовать частотное регулирование оборотов
электродвигателей насосов при помощи преобразователей частоты (ПЧ). Это
позволит плавно (без переключения насосов) выходить на заданную рабочую
температуру. Использование современных ПЧ с дистанционным микропроцессорным
управлением позволит управлять насосами дистанционно (по интерфейсу) посредством
сигналов с датчиков состояния дефлекторов и самой откачной машины. Таким
образом, возможно создать замкнутую систему автоматического управления с
авторегулированием.
) Релейно-контактные схемы с ручным (кнопочным)
управлением. Существующие схемы пуска/торможения насосов, защиты двигателей,
открытия/закрытия клапанов выполнены на релейной, морально устаревшей, основе.
Пуск, торможение, переключение ступеней осуществляются вручную нажатиями на
соответствующие кнопки. Это вносит ощутимый человеческий фактор в работу
системы (возможные ошибки, промахи оператора).
Предлагаемое решение: управление режимами работы
и устройствами ОМ реализовать программным способом на современных
микропроцессорных устройствах (ПЛК, Prom
PC). Это позволит
избежать человеческого фактора оперативного управления и убрать из системы
громоздкие и сложные релейные шкафы.
.2 Выбор контрольно-измерительного оборудования
Выбираемое в этом подразделе оборудование служит
для получения информации о состоянии технологических параметров (внутренних
параметров ОМ).
.2.1 Датчик давления Метран-100
Интеллектуальные датчики давления серии
Метран-100 (Рис. 14) предназначены для измерения и непрерывного преобразования
значения давления в унифицированный аналоговый токовый и/или цифровой сигнал в
стандарте протокола HART/RS-485.
Рис. 14 Датчик давления Метран-100
Управление параметрами датчика: кнопочное, со
встроенной панели; с помощью HART-коммуникатора
или компьютера; с помощью программы IPC-Master
и компьютера или программных средств АСУ ТП. Имеется встроенный фильтр
радиопомех, внешняя кнопка установления «нуля». Непрерывная самодиагностика.
|
Минимальный
диапазон измеряемых давлений, кПа
|
0
- 0,4
|
|
Максимальный
диапазон измеряемых давлений, кПа
|
0
- 100
|
|
Основная
погрешность измерений, %
|
±
0,1
|
|
Диапазон
перенастроек пределов измерений, до
|
25:1
|
|
Выходные
сигналы*
|
0
- 5 мА, 0 - 20 мА, 4 - 20 мА, HART-протокол, RS-485
|
|
Типы
исполнения (по ГОСТ 12997)
|
Обыкновенное,
взрывозащищённое, для эксплуатации на АЭС
|
|
Межпроверочный
интервал
|
3
года
|
*Тип выходных сигналов зависит от типа датчика и
встроенного микропроцессора
.2.2 Массовый кориолисовый расходомер и
плотномер MicroMotion
Кориолисовые расходомеры и плотномеры Micro
Motion (Рис. 15)
производства «Метран» предназначены для прямого измерения массового расхода,
плотности, температуры, вычисления объёмного расхода жидкостей, газов и
взвесей. Все измерения выполняются в реальном времени. Расходомеры Micro
Motion конструктивно
состоят из сенсора расхода и микропроцессорного преобразователя. Выпускается 9
серий сенсоров и 9 моделей преобразователей, функциональные возможности которых
отвечают самым различным требованиям.
Рис. 15 Сенсор Elite
CMFS010 с
преобразователем 2200
Для проектируемой системы выбираем сенсор серии Elite,
модель CMFS010
(стандартная модель), и микропроцессорный преобразователь, модель 2200.
Основные характеристики сенсора и
преобразователя
|
Условный
проход сенсора, мм15; 25
|
|
|
Максимальны
измеряемый расход, кг/ч
|
108
|
|
Температурный
диапазон, оС
|
-240
… +204
|
|
Номинальное
давление в трубках сенсора, МПа
|
12,5
(нержавеющая сталь)
|
|
Основная
относительная погрешность измерений массового расхода газов
|
±0,35
%
|
|
Основная
относительная погрешность измерений температуры, оС
|
±1
|
|
Выходной
сигнал преобразователя
|
12
- 20 мА, 4 - 20 мА, HART-протокол
|
|
Напряжение
питания преобразователя, В
|
Постоянное,
±50
|
.2.3 Термопреобразователи сопротивления ДТС
Термопреобразователи ДТС (Рис. 16) применяются
для измерения температуру масла во всех двигателях откачной машины. Полученные
значения используются в качестве сигналов обратной связи для контроля
допустимого температурного режима работы АД и, при необходимости (при
перегреве), их остановки.
Характеристики термопреобразователей ДТС
|
Рабочий
диапазон измеряемых температур, оС
|
-50
… +150
|
|
Класс
допуска
|
В;
С
|
|
Группа
климатического исполнения
|
2Д;
Р2
|
|
Условное
давление, МПа
|
10
|
|
Показатель
тепловой инерции, не более
|
10
… 30 с
|
|
Количество
чувствительных элементов
|
1
|
|
Сопротивление
изоляции, не менее, МОм
|
100
|
|
Схема
соединения внутренних проводников
|
2-х,
3-х, 4-х проводная
|
|
Степень
защиты датчика по ГОСТ 14254-96
|
IP54
|
|
Материал
защитной арматуры
|
Сталь
12Х18Н10Т
|
Для проектируемой системы выбираем
термопреобразователи ДТС044.
D = 8 мм, М = 12×1,5
L = 30 мм
*Длина кабельного вывода выбирается при заказе
Рис. 16 Габаритные размеры термопреобразователя
ДТС044
.2.4 Полупроводниковые датчики температуры Honeywell
TD4A.
Полупроводниковые датчики температуры Honeywell
TD4A
(Рис. 17) имеют линейный выход, малое время отклика и высокую точность,
взаимозаменяемы без дополнительной калибровки. Чувствительный элемент -
кремниевый кристалл с тонкоплёночной резистивной структурой.
Данные датчики применяются для измерения
температуры теплообменников перед насосами 2ДВН-500 и АВЗ-180.
Рис. 17 Полупроводниковый датчик температуры Honeywell
TD4A.
Основные характеристики датчика Honeywell
TD4A
|
Диапазон
измеряемых температур, оС
|
-40
… +150
|
|
Номинальное
сопротивление (при 20 оС), Ом
|
2000
|
|
Напряжение
питания, В
|
10
|
|
Схема
соединения внутренних проводников
|
2-х
проводная
|
|
Линейность
|
±0,2
%
|
|
Максимальная
погрешность
|
±2,5
%
|
|
Потребляемый
ток, мА
|
1,0
|
|
Материал
корпуса
|
Алюминий
|
.2.5 Блок измерения температуры ИТП-16
Блок ИТП-16 (Рис. 18) является разработкой
сотрудников отдела электроники и автоматизации (ОЭА) ИФВЭ. Блок предназначен
для измерения температур в диапазоне -25°C
до +105°C с использованием
полупроводниковых ИС температуры AD592. Блок имеет два встроенных гальванически
развязанных интерфейса RS-485
и CAN.
Посредством этого блока будет производиться
считывание информации с температурных датчиков Honeywell
TD4A
(температура теплообменников).
Рис. 18 Блок измерения температуры ИТП-16
Отличительные особенности:
· Высокая предварительно установленная точность:
не хуже 0,5 °C при 25 °C;
· Превосходная линейность: не хуже
0,15 °C в диапазоне 0 … 70 °C;
· Широкий температурный диапазон: -25
… +105 °C;
· Широкий диапазон напряжения питания:
+4 … +30 В;
· Высокая повторяемость и
стабильность;
· Линейный токовый выход с крутизной
1мкА/K;
· Преобразователь температура/ток;
· Минимальная ошибка из-за
саморазогрева;
Технические характеристики блока ИТП-16
|
Количество
измерительных каналов
|
16
|
|
Схема
подключения датчиков
|
2-х
проводная
|
|
Погрешность
измерений
|
0,1
% (при длине измерительной линии 100 м)
|
|
Исполнение
|
Конструктив
«Вишня»
|
|
Питание,
В
|
220
|
|
Тип
защиты
|
Плавкий
предохранитель
|
|
Потребляемая
мощность блока, Вт
|
2
|
.3 Выбор управляющих устройств
Управляющие устройства используются для
непосредственного управления исполнительным оборудованием.
.3.1 Трёхфазные частотно-регулируемые
преобразователи ТРИОЛ АТ04
ТРИОЛ АТ04 - универсальный низковольтный 0.4 кВ
трёхфазный частотно-регулируемый преобразователь для управления широким
спектром производственных машин и механизмов, которые оснащены приводными
низковольтными (класса напряжения 0.4 кВ) трёхфазными асинхронными
электродвигателями (АМ) мощностью от 5.5 до 315 кВт. Ряд ТРИОЛ АТ04 содержит
пятнадцать моделей электроприводов (005, 007, 011, 015, 022, 037, 055, 075,
090, 110, 132, 160, 200, 250, 315).
Основные параметры и технические характеристики
|
Шкала
мощностей:
|
5,5
… 315 кВт
|
|
Питающая
сеть:
|
3
x 380 В,
+10 %, - 15%, 50 (60) Гц ± 2% (с заземлённой либо изолированной нейтралью)
|
|
Выходное
напряжение:
|
3
x (0 … 380)
В ± 2% (значение макс. выходного напряжения программируется)
|
|
Выходная
частота:
|
0
… 400 Гц ± 0,05% (значение макс. и мин. Частоты программируется)
|
Не
менее 0,95 (без двигателя)
|
|
Коэффициент
мощности:
|
Не
менее 0,95
|
|
Условия
окружающей среды:
|
Рабочая
температура +1 … +40 оC, влажность (без
конденсации) до 90%
|
|
Кратковременное
допустимое отклонение напряжения питающей сети, при котором преобразователь
сохраняет работоспособное состояние:
|
-40%
|
|
Сопротивление
изоляции гальванически не связанных цепей относительно корпуса, не менее:
|
10
мОм
|
|
Электрическая
прочность изоляции
|
2500
В, 50 Гц, в течении 1 минуты
|
Функциональные возможности
|
Основные
|
Управление
работой АД во всех режимах: пуск по заданному алгоритму; длительная работа в
заданном диапазоне частот и нагрузок; реверс; торможение и останов по
заданным алгоритмам.
|
|
Регулирование
технологического параметра за счёт встроенного ПИД-регулятора.
|
|
Защита
ПЧ, АД и механизмов в аварийных и нештатных режимах.
|
|
Дистанционный
приём и обработка сигналов управления, задания параметров и режимов, в том
числе по каналу последовательной связи от управляющих машин и систем высшего
уровня.
|
|
Дополнительные
|
Сигнализация,
отображение и дистанционная передача информация о параметрах и режимах
работы.
|
|
Учёт
отработанного времени.
|
|
Регистрация
отказов, нештатных и аварийных режимов.
|
Управление приводами можно осуществлять в ручном
режиме, либо в автоматическом. Ручное управление осуществляется с пульта
оператора, либо дистанционно. В автоматическом режиме регулирование частоты
вращение электродвигателя происходит в замкнутой системе. Регулирование
осуществляется либо встроенным программным ПИД-регулятором по сигналам с
датчиков обратной связи, либо по математической модели управляемого процесса
без датчиков обратной связи. В электроприводах ТРИОЛ реализовано скалярное и
векторное управление работой.
Для приёма управляющих и задающих сигналов
преобразователь содержит:
· 6 дискретных входов;
· до 6 аналоговых входов;
· 2 канала интерфейса RS-485
с поддержкой протокола Modbus;
Для управления внешними устройствами
электропривод содержит:
· до 6 релейных выходов;
· 2 аналоговых выхода;
В преобразователях ТРИОЛ АТ04 предусмотрена
возможность увеличения числа входов/выходов с помощью дополнительных
встраиваемых субмодулей расширений.
Преобразователь способен измерять токи и
напряжения на фазовых обмотках двигателя посредством встроенных датчиков.
Предусмотрены следующие аппаратные и программные
защиты преобразователя и электродвигателя:
· От токов недопустимой перегрузки и короткого
замыкания;
· От замыкания на «землю»;
· От неполнофазного режима работы сети
и электродвигателя;
· От перенапряжения на силовых
элементах схемы;
· От недопустимых отклонений и
исчезновения напряжения питающей сети;
· От недопустимого перегрева силовых
элементов схемы;
· От неисправностей и сбоев системы
управления;
· От недопустимых отклонений
технологического параметра;
Кроме вышеперечисленных видов защит, в
преобразователе предусмотрены режимы ограничения минимальной и максимальной
мощности, минимальной рабочей частоты, а также введение запрещённых
(резонансных) рабочих частот. О текущем состоянии электропривода можно узнать
по состоянию элементов индикации, либо по информации, выводимой на дисплей ПУ.
Выбор моделей силовых преобразователей.
Для выбора моделей силовых частотных
преобразователей необходимо рассчитать полную мощность электродвигателя насоса
и его номинальный ток.
Полная мощность электродвигателя рассчитывается
по формуле:
Где Q
- реактивная мощность электродвигателя.
Номинальный ток рассчитывается по формуле:
Определим полную мощность и номинальный ток
электродвигателя АИР 112 М2 (насос 2ДВН-500). Преобразователь должен быть
рассчитан на мощность P
= 7,5 кВт.
Вычисляем полную мощность электродвигателя:
Определяем номинальный ток двигателя:
Для управления данным электродвигателем выбираем
преобразователь модели АТ04-11 исполнения IP21
(Рис. 19).
|
Номинальная
мощность, кВт
|
15
|
|
Номинальная
мощность электродвигателя, кВт
|
11
|
|
Номинальный
ток нагрузки, Ih, А
|
22
|
|
Масса,
кг
|
20
|
Определим полную мощность и номинальный ток
электродвигателя АИР 132 М2 (насос 2ДВН-1500). Преобразователь должен быть
рассчитан на мощность P
= 11 кВт.
Вычисляем полную мощность электродвигателя:
Определяем номинальный ток двигателя:
Для управления данным электродвигателем выбираем
преобразователь модели АТ04-15 исполнения IP21
(Рис. 19).
|
Номинальная
мощность, кВт
|
20
|
|
Номинальная
мощность электродвигателя, кВт
|
15
|
|
Номинальный
ток нагрузки, Ih, А
|
30
|
|
Масса,
кг
|
22
|
Определим полную мощность и номинальный ток
электродвигателя АИР 160 S2
(насос АВЗ-180). Преобразователь должен быть рассчитан на мощность P
= 15 кВт.
Вычисляем полную мощность электродвигателя:
Определяем номинальный ток двигателя:
Для управления данным электродвигателем выбираем
преобразователь модели АТ04-22 исполнения IP21
(Рис. 19).
|
Номинальная
мощность, кВт
|
30
|
|
Номинальная
мощность электродвигателя, кВт
|
22
|
|
Номинальный
ток нагрузки, Ih, А
|
45
|
|
Масса,
кг
|
24
|
Рис. 19 Габаритные размеры преобразователей
ТРИОЛ АТ04 011 … 022 IP21
.3.2 FAB
AF-10MR-A
Логические модули FAB
(ARRAY, Тайвань)
представляют собой программируемые реле с релейными или транзисторными выходами
(Рис. 20). Они достаточно просты и доступны для изучения и эксплуатации, и в
тоже время, позволяют создать гибкую систему автоматизации достаточно сложных
объектов.
Рис. 20 Логический модуль FAB
AF-10MR-A
Особенности модулей FAB:
· Съемный ЖК-дисплей на 4 строки по 10 символов;
· Встроенный календарь и часы
реального времени;
· Дистанционное управление и передача
речевых сообщений по телефонной линии;
· Возможность коммуникации по RS-485
для удаленного обслуживания и мониторинга. В
комплекте идет несложная (бесплатная) SCADA-программа для ПК;
· Высокая нагрузочная способность
выходов: реле - до 10А, транзисторы - до 2А;
· Широкий диапазон рабочей температуры
окр. среды: -25...+55 грд.С;
· Программирование с ПК или ЖК-панели.
Защита доступа к программе с помощью пароля;
· Память
программы: 64K;
· Объем программы: 127 функциональных
блоков, 127 таймеров, 127 счетчиков, 127 интервалов RTC;
Технические характеристики
|
Напряжение
питания, В
|
АС:
100 ... 240
|
|
Входы
|
6
дискретных входов АС
|
|
Выходы
|
4
выхода (реле)
|
|
Память,
Кбайт
|
64
|
|
Объём
программы
|
127
функциональных блока
|
|
Язык
программирования
|
FBD
|
|
Сопротивление
изоляции, МОм
|
7
|
|
Защита
|
IP20
|
|
Температура
окружающей среды, оС
|
-25
... +55 (без ЖК-панели), -5 ... +55 (с ЖК-панелью),
|
|
Температура
хранения, оС
|
-40
... +70
|
|
Сертификация
|
CE, UL
|
.4 Выбор типов линий связи, протоколов,
преобразователей интерфейсов
Посредством выбираемых линий связи и
преобразователей осуществляется связь устройств друг с другом и с другими
уровнями АСУ, образуя таким образом единую технологическую систему.
.4.1 Modbus,
стандарт RS-485
Modbus - открытый
коммуникационный протокол, основанный на архитектуре «клиент-сервер». Протокол
был разработан фирмой Modicon,
спецификция впервые была опубликована в 1979 г. Применяется для организации
удалённой связи между электронными устройствами. Для передачи используются
физические стандарты RS-232,
RS-422, RS-485.
RS-485 -
стандарт физического уровня для асинхронного интерфейса. Регламентирует
электрические параметры полудуплексной последовательной многоточечной
дифференциальной линии связи типа «общая шина».
Электрические и временные характеристики
интерфейса RS-485:
· До 32 приёмопередатчиков в одном сегменте сети;
· Максимальная длина одного сегмента:
1200 м;
· Только один передатчик активный;
· Максимальное количество узлов в сети
- 256 с учётом магистральных усилителей;
· Скорость передачи зависит от длины
линии связи: от 62,5 кбит/с при 1200 м до 10000 кбит/с при 10 м;
· Тип приёмопередатчиков -
дифференциальный, потенциальный. Изменение входных и выходных напряжений на
линиях A и B: Ua (Ub) от −7В до +12В (+7В);
· Состояние логической «1»: Ua больше
Ub (гистерезис 200мВ) - MARK, OFF;
· Состояние логического «0»: Ua меньше
Ub (гистерезис 200мВ) - SPACE, ON;
.4.2 Преобразователь интерфейсов HART
710
Модуль HART-710
позволяет устройству Modbus Master получить доступ к устройствам HART Slave,
что даёт возможность пользователям легко интегрировать в сеть Modbus приборы,
работающие по HART протоколу. Сеть Modbus может быть построена на основе
последовательных интерфейсов RS-232, RS-422 или RS-485. Шлюз HART-710
поддерживает как Modbus RTU, так и Modbus ASCII протоколы.
Преобразователь HART-710
необходим для подключения к линии RS-485
Modbus расходомера Micro
Motion (Метран), оснащённого
только встроенным HART-протоколом.
Функциональные возможности шлюза HART-710:
· 32-битный процессор 100 МГц;
· Поддержка двух ведущих HART-устройств;
· Возможность работать в режимах
«точка-точка» и «точка-мультиточка»;
· До 16 модулей на одной HART-шине;
· Поддержка протоколов Modbus
RTU и Modbus
ASCII;
· Изолированный универсальный порт COM1:
RS-232/422/485;
· Светодиодные индикаторы наличия
напряжения питания, ошибки и работы;
· Встроенный сторожевой таймер;
· Монтаж на DIN-рейку;
· Рабочие температуры: от -25 до +75 оC.
Рис. 21 Преобразователь интерфейсов HART-710
Технические характеристики
|
Процессор
|
32
бит, 100 МГц
|
|
Flash-память
|
512
кбайт
|
|
SRAM-память
|
64
кбайт
|
|
EEPROM-память
|
16
кбайт
|
|
WDT (сторожевой таймер)
|
Сторожевой
таймер IC
|
|
ESD-защита
|
4
кВ класс С
|
|
COM 1 коннектор
|
9-контактный
терминальный блок
|
|
Скорость
передачи данных (кбод)
|
До
115200
|
|
HART-интерфейс
|
2-контактный
терминальный блок
|
|
Напряжение
питания, В
|
+10
… +30 VDC
|
|
Защита
|
Защита
от переполюсовки напряжения
|
|
Потребляемая
мощность, Вт
|
1
|
|
Установка
|
Монтаж
на DIN-рейку
|
|
Размеры
(W × L × H), мм
|
72
× 33 × 122
|
.5 Выбор управляющего компьютера и программного
обеспечения
В качестве управляющего устройства верхнего
уровня целесообразно использовать промышленный компьютер (ПК). Выбираемая
машина должна удовлетворять следующим основным требованиям:
. Встроенный процессор Intel
Pentium 4 или мощнее
2. Иметь встроенную сетевую карту с
поддержкой Ethernet.
. Наличие по меньшей мере трёх USB-портов
для подключения периферийных устройств.
. Наличие по меньшей мере двух встроенных
портов RS-485.
. Возможность расширения за счёт
встраиваемых плат.
Оптимальным решением для управления и
диспетчеризации ОМ является использование графических мнемосхем, на которых
будут отображаться текущие параметры её состояния (давление, температура, токи
и т.д.) в удобной графической форме. Для создания таких мнемосхем целесообразно
использование программного пакета LabVIEW,
поскольку в ИФВЭ уже накоплен богатый опыт работы с ним.
Исходя из данных требований, выбираем
промышленный компьютер Front
Compact 162.012. под
управлением операционной системы Windows
7 и программную платформу LabNIEW
2012.
.5.1 Промышленный компьютер Front Compact
162.012
Малогабаритные высокопроизводительные компьютеры
Front Compact (Рис. 22) являются оптимальным решением для встраиваемых
вычислительно-управляющих систем (банкоматы, платежные терминалы и т.п.), а так
же для мобильных бортовых комплексов. Компактные компьютеры характеризуются
пониженным энергопотреблением, отсутствием принудительного охлаждения, широким
диапазоном входного напряжения электропитания и удобной для встроенного монтажа
конструкцией корпуса.
Рис. 22 Промышленный компьютер Front
Compact 162.012
Характеристики компьютера Front
Compact 162.012
|
Процессор
|
Intel Atom D525 1.8/1M
|
|
Чипсет
|
Intel ICH8M
|
|
Видеоадаптер
|
Intel GMA 3150
|
|
Сетевой
контроллер 10/100/1000 Mbit
|
2 × RJ-45
|
|
Объём
оперативной памяти (изначально)
|
2
Gb
|
|
Порты
USB (всего)
|
4 × USB 2.0
|
|
Порты
USB
(выделено)
|
4 × USB 2.0
|
|
Порты
RS-232
(всего)
|
RS-232 4 × DB-9, RS-422/485 2
× RJ-45
|
|
Порты
RS-232
(выделено)
|
RS-232 4 × DB-9, RS-422/485 2
× RJ-45
|
|
Количество
слотов расширения PCI
|
1
|
|
Количество
слотов расширения PCI-E × 4
|
1 (PCIe ×1 Signal)
|
|
Количество
слотов расширения PCI-E × 16
|
1 (PCIe ×2 Signal)
|
|
Накопитель
HDD, Гб
|
250 Gb SATA 2,5"
|
|
Сетевой
адаптер 10/100
Mbit
|
2 × RJ-45
|
|
Мощность
блока питания, Вт
|
90
|
|
Размеры
(Г ×
Ш
×
В),
мм
|
219
× 136 × 188
|
.5.2 Программная платформа LabVIEW.
LabVIEW
- среда разработки и платформа для выполнения программ, созданных на
графическом языке программирования «G»
фирмы National
Instruments. LabVIEW
используется в системах сбора и обработки данных, а также для управления
техническими объектами и технологическими процессами. Идеологически LabVIEW
очень близка к SCADA-системам,
но в отличии от них в большей степени ориентирована на решение задач
автоматизации научных исследований и экспериментов.
Программа LabVIEW называется и
является виртуальным прибором <#"700064.files/image067.gif">
Рис. 23 Структурная схема системы управления.
.7 Выбор силовой электроарматуры
Выбираемая в этом подразделе электроарматура
служит для внешнего (ручного) управления АСУ и индикации её состояния.
.7.1 Силовой блок выходного фильтра
последовательного включения БФ2М.1
Блок выходного фильтра БФ2М.1 (Рис. 24)
предназначен для ограничения перенапряжения на зажимах приводного
электродвигателя и защиты изоляции его обмоток от пробоя и ускоренного старения
при подключении к шкафу преобразователя ТРИОЛ «длинным кабелем».
Блок БФ2М.1 устанавливается в непосредственной
близости (не далее 1 м) от электродвигателя. Перенапряжение на зажимах
двигателя обусловлены волновыми явлениями в кабеле при прохождении крутых
фронтов импульсов (до 100 нс) выходного напряжения транзисторного (IGBT)
преобразователя ТРИОЛ.
Блок БФ2М.1 является слаботочным блоком
параллельного подключения и содержит резистивно-ёмкостные цепи для защиты от
перенапряжения кабеля и нагрузки - обмотки двигателя. Блок выполнен в виде
компактного шкафа с легкосъёмной передней панелью.
Рис. 24 Габаритно-установочные размеры блока
БФ2М.
.7.2 Кнопка ХВ2-ВА 42
Кнопка ХВ2 (Рис. 25) с номинальным напряжением
изоляции 660 В предназначена для встраивания в нормализованные (D
= 22 мм) отверстия. Используется в качестве кнопки «АВАРИЙНЫЙ СТОП» для
электроприводов.
Рис. 25 Кнопка ХВ2-ВА 42
|
Номинальное
напряжение, В
|
До
400
|
|
Коммутируемый
ток, А
|
До
5
|
|
Диаметр
толкателя, мм
|
40
|
|
Диаметр
монтажного отверстия, мм
|
22
|
|
Рабочее
положение
|
Произвольное
|
.7.3 Лампа сигнальная AD22-22DS
Арматура светосигнальная AD22-22DS
(Рис. 26) со светодиодной матрицей с номинальным напряжением изоляции 660 В
предназначена для встраивания в нормализованные (D
= 22 мм) отверстия. Используется для индикации состояния приводов и клапанов.
Рис. 26 Сигнальные лампы AD22-22DS
|
Номинальное
напряжение, В
|
~220, 50 Гц
|
|
Длительный
номинальный ток, мА
|
20
|
|
Диаметр
монтажного отверстия, мм
|
22
|
|
Диапазон
рабочих температур, оС
|
-5
… +60
|
|
Рабочее
положение
|
Произвольное
|
|
Цвета
|
Красный,
жёлтый, зелёный и др.
|
.7.4 Выбор автоматических выключателей
Коммутацию тока на преобразователи частоты
необходимо осуществлять через автоматические выключатели (автоматы) во
избежание возможного их выхода из строя из-за скачков тока. Выбор классов
автоматов будем осуществлять по мощности нагрузки и номинальному току по
таблице, с сайта «выключатель-автоматический.рф». Находим пересечение ближайших
больших характеристик по таблице и по имеющейся ссылке выбираем класс автомат.
Рис. 27 Автомат серии ABB
SH203L
3P
Выберем автоматический выключатель для
коммутация преобразователя ТРИОЛ АТ04-11. Мощность преобразователя Р = 15 кВт,
номинальный ток Ih
= 22 А. Выбрать нужно трёхфазный автомат, схема подключения - треугольник. Этим
параметрам соответствует класс С25 3Р.
Выбираем автоматический выключатель ABB
(SH203L
C25) 3P
25А (C) 4,5 кА (Рис 27).
|
Количество
полюсов
|
3Р
|
|
Тип
характеристики срабатывания
|
С
|
|
Номинальный
ток, А
|
25
|
|
Максимальное
рабочее напряжение, В
|
254/440
переменного,
60 постоянного/полюс
|
|
Номинальная
отключающая способность, кА
|
4,5
|
|
Предельная
отключающая способность, кА
|
4,5
|
|
Количество
модулей
|
1
|
|
Сечение
кабеля, мм
|
1
… 25
|
|
Монтаж
|
На
DIN-рейку
|
Выберем автоматический выключатель для коммутация
преобразователя ТРИОЛ АТ04-15 (Р = 20 кВт, Ih
= 30 А, трёхфазный, схема подключения - треугольник). Класс необходимого
автомата - С32 3Р.
Выбираем автоматический выключатель ABB
(SH203L
C32) 3P
32А (C) 4,5 кА.
|
Количество
полюсов3Р
|
|
|
Тип
характеристики срабатывания
|
С
|
|
Номинальный
ток, А
|
32
|
|
Максимальное
рабочее напряжение, В
|
254/440
переменного,
60 постоянного/полюс
|
|
Номинальная
отключающая способность, кА
|
4,5
|
|
Предельная
отключающая способность, кА
|
4,5
|
|
Количество
модулей
|
1
|
|
Сечение
кабеля, мм
|
1
… 25
|
|
Монтаж
|
На
DIN-рейку
|
Выберем автоматический выключатель для
коммутация преобразователя ТРИОЛ АТ04-22 (Р = 30 кВт, Ih
= 45 А, трёхфазный, схема подключения - треугольник). Класс необходимого
автомата - С50 3Р.
Выбираем автоматический выключатель ABB
(SH203L
C50) 3P
50А (C) 4,5 кА.
|
Количество
полюсов3Р
|
|
|
Тип
характеристики срабатывания
|
С
|
|
Номинальный
ток, А
|
50
|
|
Максимальное
рабочее напряжение, В
|
254/440
переменного,
60 постоянного/полюс
|
|
Номинальная
отключающая способность, кА
|
4,5
|
|
Предельная
отключающая способность, кА
|
4,5
|
|
Количество
модулей
|
1
|
|
Сечение
кабеля, мм
|
1
… 25
|
|
Монтаж
|
На
DIN-рейку
|
.8 Выбор силовых и сигнальных электрокабелей
Определим сечение и тип кабелей, используемых
для питания преобразователей частоты и электродвигателей.
Для подключения преобразователя к сети и
подключения электродвигателя рекомендуется использовать четырёхжильный (три
фазы и нейтраль) медный экранированный кабель или четырёхжильный кабель,
проложенный в металлическом корпусе, так как незаэкранированные кабели могут
вызвать нежелательные проблемы с электрическими помехами. Сечение жил силовых
кабелей выбираются в соответствии ПУЭ (правила устройства электроустановок) и
номинальным током электродвигателя. При выборе сечения жил кабеля будем
руководствоваться максимально допустимой плотностью тока: для медных жил j
= 10 А/мм2.
Для подключения преобразователей частоты и
электродвигателей выберем 4-х жильный экранированный силовой кабель FaberKabel,
фирмы Klaus
Faber AG.
Необходимые сечения подбираем по таблице (Рис. 28):

Подключение частотных преобразователей:
Для подключения преобразователя ТРИОЛ АТ04-11 (I
= 22 А, Р = 15 кВт) выбираем кабель с сечением жилы 2,5 мм :
|
Число
жил/сечение,
мм2
|
4
x
2,5/2,5
|
|
Внешний
диаметр, мм
|
15,3
|
|
Масса
кабеля, кг/м
|
0,34
|
Для подключения преобразователя ТРИОЛ АТ04-15 (I
= 30 А, Р = 20 кВт) выбираем кабель с сечением жилы 4 мм (превышение допустимой
мощности минимально):
|
Число
жил/сечение,
мм2
|
4
x
4/4
|
|
Внешний
диаметр, мм
|
17,3
|
|
Масса
кабеля, кг/м
|
0,46
|
Для подключения преобразователя ТРИОЛ АТ04-22 (I
= 45 А, Р = 30 кВт) выбираем кабель с сечением жилы 10 мм:
|
Число
жил/сечение,
мм2
|
4
x
10/10
|
|
Внешний
диаметр, мм
|
21
|
|
Масса
кабеля, кг/м
|
0,765
|
Подключение электродвигателей:
Для подключения электродвигателя АИР 112 М2 (I
= 15,07 А) выбираем кабель с сечением жилы 1,5 мм (превышение допустимой
плотности тока минимальное, практически допустимо использовать данный кабель):
|
Число
жил/сечение,
мм2
|
4
x
1,5/1,5
|
|
Внешний
диаметр, мм
|
14,2
|
|
Масса
кабеля, кг/м
|
0,25
|
Для подключения электродвигателя АИР 132 М2 (I
= 21,1 А) выбираем кабель с сечением жилы 2,5 мм:
|
Число
жил/сечение,
мм24 x
2,5/2,5
|
|
|
Внешний
диаметр, мм
|
15,3
|
|
Масса
кабеля, кг/м
|
0,34
|
Для подключения электродвигателя АИР 160 S2
(I = 28,8 А) выбираем
кабель с сечением жилы 4 мм:
|
Число
жил/сечение,
мм24 x
4/4
|
|
|
Внешний
диаметр, мм
|
17,3
|
|
Масса
кабеля, кг/м
|
0,46
|
Блок БФ2М.1 подключается к зажимам
электродвигателя проводом с сечением не менее 1,5 мм2. Выберем трёхжильный
кабель соответствующего сечения:
|
Число
жил/сечение,
мм23 x
1,5/1,5
|
|
|
Внешний
диаметр, мм
|
13,2
|
|
Масса
кабеля, кг/м
|
0,22
|
Для подключения запорной и светосигнальной
арматуры выберем гибкий одножильный медный провод серии ПВ-3 диаметром 0.5 мм с
номинальным напряжением до 450 В, частотой до 400 Гц.
Для подключения цепей управления рекомендуется
использовать многожильные экранированные кабели с сечением жилы 0,5 … 1 мм2.
Для подключения датчиков температуры двигателя и
степени открытия клапана выберем экранированный кабель FRAF
с двумя жилами сечением 0,75 мм2.
|
Число
жил/сечение,
мм22 x
0,75
|
|
|
Внешний
диаметр, мм
|
5,4
± 0,2
|
|
Масса
кабеля, кг/м
|
0,056
|
|
Минимальный
радиус изгиба, мм
|
54
|
|
Соответствует
стандартам
|
IEC 60332-3 Cat. C; CEI 20-22/II
|
Для создания промышленной сети RS-485
Modbus выберем однопарный
кабель КИПаЭВт 2 x 0,78.
|
Число
пар в кабеле1
|
|
|
Электрическое
сопротивление жилы постоянному току при температуре 20 °C, не более, Ом/100м
|
5,9
|
|
Волновое
сопротивление на частоте 1 МГц, Ом
|
120
± 12
|
|
Электрическая
ёмкость пары, не более, пФ/м
|
42
|
|
Коэффициент
затухания при частоте 1 МГц при температуре 20 °C, не более, дБ/100м
|
1,65
|
|
Наружный
размер кабеля, D, не более, мм
|
7,3
|
|
Минимальный
радиус изгиба кабеля, мм
|
73
|
|
Масса
кабеля, кг/м
|
0,05
|
|
Диапазон
рабочих температур, оС
|
-40
… +70
|
.9 Монтаж системы управления
Монтаж (внешние подключения) силовых и
сигнальных кабелей устройств АСУ осуществляется посредством клеммных зажимов и
разъёмных соединений.
По функциональному назначению и электрическим свойствам
внешние соединители преобразователей ТРИОЛ АТ04 делятся на две группы: клеммные
зажимы для подключения внешних цепей управления, а также клеммные зажимы и
разъёмные соединения для подключения силовых цепей. Для подключения внешних
цепей управления и силовых цепей необходимо снять верхние крышки (кожух) шкафа
преобразователя.
.9.1 Подключение силовых цепей преобразователей
ТРИОЛ
Для подключения силовых цепей в преобразователях
ТРИОЛ АТ04 предназначены клеммники XT6
(A, B,
C, N,
U, V,
W, Rd+,
Rd-). Конструктивно
клеммники выполнены в керамических (пластмассовых) корпусах, узел крепления
токопроводящей жилы кабеля выполнен с зажимом «под винт».
Порядок подключения силовых кабелей:
· Заземлите шкаф преобразователя проводником
минимальной длины, подключённым к болту заземления (при использовании
изолированной нейтрали снимите перемычку между зажимом «Нейтраль» и корпусом
преобразователя);
· Соедините экраны (трубы) кабелей с
заземляющим болтом шкафа преобразователя;
· Фазы электродвигателя соедините с выходными
зажимами шкафа преобразователя;
· Фазы питающей сети переменного тока
соедините с входными зажимами шкафа преобразователя (чередование фаз не имеет
значения);
· Дополнительные силовые блоки
подключите согласно схеме.
Назначение клемм клеммника ХТ6
|
Цепи
питающей сетиКлеммы 1, 2, 3
|
|
|
Линия
нейтрали
|
Клемма
4
|
|
Цепи
электродвигателя
|
Клеммы
5, 6, 7
|
|
Цепи
блока тормозных резисторов
|
Клеммы
8 (+), 9 (-)
|
3.9.2 Подключение сигнальных цепей
преобразователей ТРИОЛ
Для подключения цепей ввода и вывода сигналов в
преобразователях ТРИОЛ АТ04 предназначены клеммники XT1,
XT2, XT3,
XT5 (клеммники XT1,
XT3, XT5
конструктивно выполнены в корпусе, совмещённом с разъёмным соеденителем).
Клеммники XT15, XT16
используются для подключения дополнительных блоков.
Назначение клеммников цепей управления
|
ХТ1
|
Предназначен
для подключения внешних дискретных сигналов (6 дискретных входов Rвх = 2
кОм, 1 - 10 … 20 мА).
|
|
ХТ2
|
5
программируемых дискретных выходов (250 В, 3А).
|
|
ХТ3
|
Многофункциональный
клеммник, предназначенный для подключения внешних устройств, в его сотав
входят клеммы: 1. Питание 24 В, 0,5 А для датчика технологического параметра,
дистанционного пульта и т. п. (0 - 5 мА, 0(4) - 20 мА, 0 - 10 В). 2. 2
гальванически не связанных программируемых аналоговых входов. 3. Клеммы
подключения внешней кнопки «АВАРИЙНЫЙ СТОП»
|
|
ХТ5
|
1
дискретный выход «Электропривод включён» (250 В, 3 А) и 1 программируемый
дискретный выход (250 В, 3 А).
|
|
ХТ15
ХТ16
|
Клеммники,
используемые при установке дополнительных блоков. Клеммники ХТ15, ХТ16 устанавливаются
при наличии следующих блоков расширений: 1. Субблок интерфейса RS-485. 2.
Субблок аналоговых выходов (2 программируемых аналоговых выхода 1 - 5 мА,
0(4) - 20 мА, 0 -10 В). 3. Субблок аналоговых входов (2 гальванически не
связанных программирумых аналоговых входа 1 - 5 мА, 0(4) - 20 мА, 0 - 10 В).
4. Субблок аналоговых входов (4 гальванически связанных программируемых
аналоговых входа 0 - 5 мА, 0(4) - 20 мА, 0 - 10 В). 5. Субмодуль
технологический.
|
Назначим клеммы для подключения внешних цепей
для каждого преобразователя (электропривода).
ТРИОЛ АТ04-022 (насос АВЗ-180)
|
Клапан
T-GP 103 ДУ 15
(охлаждающая вода)
|
Клеммник
ХТ2, клеммы 1, 2, 3
|
|
Регулирующий
клапан КЗР-Аргонавт (всас насоса)
|
Клеммник
ХТ2, клеммы 4, 5, 6
|
|
Клапан
КВМ-25 (шунтирующий клапан)
|
Клеммник
ХТ2, клеммы 6, 7, 9
|
|
Датчик
температуры ДТС (температура масла двигателя)
|
Клеммник
ХТ3, клеммы 3 (+), 4 (-)
|
|
Датчик
степени открытия клапана КЗР-Аргонавт
|
Клеммник
ХТ3, клеммы 5 (+), 6 (-)
|
|
Кнопка
«АВАРИЙНЫЙ СТОП»
|
Клеммник
ХТ3, клеммы 9, 10
|
|
Сигнальные
лампы «Насос включен», «Насос выключен»
|
Клеммник
ХТ5, клеммы 1, 2, 3
|
|
Интерфейс
RS-485
|
Клеммник
ХТ15, клеммы 2, 4, 6
|
ТРИОЛ АТ04-011 (насос 2ДВН-500)
|
Клапан
КВМ-63 (клапан всаса)Клеммник ХТ2, клеммы 1, 2, 3
|
|
|
Клапан
КВМ-63 (клапан выхлопа)
|
Клеммник
ХТ2, клеммы 4, 5, 6
|
|
Датчик
температуры ДТС (температура масла двигателя)
|
Клеммник
ХТ3, клеммы 3 (+), 4 (-)
|
|
Кнопка
«АВАРИЙНЫЙ СТОП»
|
Клеммник
ХТ5, клеммы 9, 10
|
|
Сигнальные
лампы «Насос включен», «Насос выключен»
|
Клеммник
ХТ3, клеммы 1, 2, 3
|
|
Интерфейс
RS-485
|
Клеммник
ХТ15, клеммы 2, 4, 6
|
ТРИОЛ АТ04-015 (насос 2ДВН-1500)
|
Клапан
T-GP 103 ДУ 15
(охлаждающая вода)Клеммник ХТ2, клеммы 1, 2, 3
|
|
|
Клапан
КВМ-63 (клапан всаса)
|
Клеммник
ХТ2, клеммы 4, 5, 6
|
|
Клапан
КВМ-63 (клапан выхлопа)
|
Клеммник
ХТ2, клеммы 7, 8, 9
|
|
Датчик
температуры ДТС (температура масла двигателя)
|
Клеммник
ХТ3, клеммы 3 (+), 4 (-)
|
|
Кнопка
«АВАРИЙНЫЙ СТОП»
|
Клеммник
ХТ3, клеммы 9, 10
|
|
Сигнальные
лампы «Насос включен», «Насос выключен»
|
Клеммник
ХТ5, клеммы 5 (+), 6 (-)
|
|
Интерфейс
RS-485
|
Клеммник
ХТ15, клеммы 2, 4, 6
|
.10 Режимы работы откачной машиной, управление
В процессе эксплуатации откачной машины можно
выделить три режима её работы: пуск ОМ, рабочий режим, остановка. На каждом из
этих этапов применяются разные алгоритмы управления.
Перед запуском ОМ необходимо убедиться в
исправности всех входящих в её состав устройств и электропроводки во избежания
аварий и несчастных случаев. В случае обнаружения неисправностей остановить все
работы и сообщить о них ответственному лицу.
До начала программного управления ОМ включить
электропитание всех исполнительных и измеряющих элементов, устройств
управления. Включить и настроить управляющий компьютер, преобразователи ТРИОЛ.
.10.1 Алгоритм пуска ОМ
1. Проводится инициализация, программа
опрашивает все датчики и преобразователи частоты для проверки их состояния и
начальных значений.
2. Если все устройства работают исправно,
оператору посылается соответствующее уведомление. При неисправности каких либо
элементов система должна уведомить оператора о них.
. Если какие либо параметры ОМ не
соответствуют начальным условиям, производится их коррекция.
. Если система полностью готова к работе,
то она предлагает оператору инициировать пуск и переходит в режим ожидания.
. Оператор инициирует пуск ОМ.
. Включается привода насосов АВЗ-180,
одновременно открываются клапаны подачи охлаждающей воды к ним.
. Через 30 секунд система открывает оба
клапана, соединяющие коллекторные трубы ОМ.
. Система начинает открытие регулируемых
клапанов на всасах насосов АВЗ-180 для регулирования прокачки и давления.
. При достижении давления 14 - 15 кПа на
всасах насосов АВЗ-180 открытие клапанов всаса останавливается.
. При падении давления на всасах насосов
АВЗ-180 до 4 кПа соответствующие клапаны вновь начинают открываться до достижения
прежнего (14 - 15 кПа) значения давления.
. Цикл повторяется до полного открытия
клапанов всаса и установления значения давления 4 кПа.
. При получении сигнала о достижении
первого промежуточного состояния дефлекторов открыть клапаны выхлопов насосов
2ДВН-500.
. ерез 30 секунд включается привода
насосов 2ДВН-500.
. Через 30 секунд открываются клапаны
всасов насосов 2ДВН-500 и закрывается клапан между коллекторами 150 и 100.
. При получении сигнала о достижении
второго промежуточного состояния дефлекторов открыть клапаны выхлопов насосов
2ДВН-1500, одновременно открыть клапаны подачи охлаждающей воды к ним.
. Через 30 секунд включается привода
насосов 2ДВН-1500.
. Через 30 секунд открываются клапаны
всасов насосов 2ДВН-1500 и закрывается клапан между коллекторами 200 и 150.
. При достижении конечного состояния
дефлекторов система уведомляет оператора о завершении цикла пуска ОМ.
Графическое изображение алгоритма пуска ОМ
приведено на рисунке (Рис. 29).
Рис. 29 Алгоритм пуска откачной ячейки
.10.2 Динамическое регулирование параметров
дефлекторов
В основном рабочем режиме (выйдя на заданную
температуру) необходимо поддерживать неизменную температуру и уровень жидкого
гелия не ниже верхней точки (грани) дефлекторов. Алгоритм регулирования в этом
режиме определяется требованиями к основным техническим параметрами.
Температура гелия регулируется работой насосов.
Для точного регулирования в узком диапазоне применяется частотное управление
(изменение прокачки управлением частотой оборотов электродвигателей), при более
грубом (в более широком диапазоне) возможно отключение/подключение отдельных
насосов или даже целых ячеек.
Уровень гелия контролируется при помощи
уровнемера. Если уровень упал ниже допустимого («оголил» дефлектор) необходимо
уменьшить прокачку для снижения испарения и подать соответствующий сигнал на
систему управления КВУ для увеличения прямого потока жидкого гелия (в случае,
если это позволяют резервы установки).
.10.3 Остановка ОМ
Наиболее простой режим, в нём производится
одновременная остановка всех насосов и закрытие клапанов всасов и выхлопов
(клапаны всасов всех насосов закрываются сразу, клапаны выхлопов - с задержкой
30 сек.). Одновременно открываются коллекторные клапаны. В случае необходимости,
открывается клапаны «поста смены атмосферы» (насос, подключенный к общей
коллекторной трубе) и с его помощью производится выравнивание давления
газообразного гелия во всех частях ОМ.
.11 Выводы
В данном разделе указаны проблемы и недостатки
существующей системы управления и предложен вариант её развития и
совершенствования. Была описана структура автоматизированной системы
управления, выбрано необходимое для её построения контрольно-измерительное,
управляющее оборудование, программное обеспечение. Выбрана необходимая
электроарматура, определены типы и сечения соединительных кабелей. Были описаны
режимы работы ОМ, разработаны алгоритмы, необходимые для её управления.
4. Безопасность жизнедеятельности
В данном разделе рассматриваются опасные и
вредные факторы, присутствующие при работе на ОМ, и соответствующие им нормы и
правила безопасности.
.1 Электробезопаность
.1.1 Общие правила
Среди энергоносителей, используемых
технологическим оборудованием в машиностроении, электрическая энергия
используется каждой единицей оборудования. Природный горючий газ, водяной пар,
как правило, только дополняют энергоносители в соответствии с технологическим
процессом. Поэтому электрическая безопасность эксплуатации технологического
оборудования имеет первостепенное значение.
В соответствии с требованием ГОСТ 12.1.030-81
«Электробезопасность. Защитное заземление. Зануление.», защитное заземление или
зануление должно обеспечивать защиту людей от поражения электрическим током при
прикосновении к металлическим нетоковедущим частям, которые могут оказаться под
напряжением в результате повреждения изоляции. Защитное заземление следует
выполнять преднамеренным электрическим соединением металлических частей
электроустановок с "землей" или ее эквивалентом. Зануление следует
выполнять электрическим соединением металлических частей электроустановок с
заземленной точкой источника питания электроэнергией при помощи нулевого
защитного проводника. Защитному заземлению или занулению подлежат металлические
части электроустановок, доступные для прикосновения человека и не имеющие
других видов защиты, обеспечивающих электробезопасность.
Защитное заземление или зануление
электроустановок следует выполнять во всех случаях при номинальном напряжении
380 В и выше переменного тока и при 440 В и выше постоянного тока. При работах
в условиях с повышенной опасностью и особо опасных работах по ГОСТ 12.1.013-78
и ГОСТ 12.0.003-74 «Опасные и вредные производственные факторы.
Классификация.», защитное заземление или зануление электроустановок следует
выполнять при номинальном напряжении переменного тока от 42 В до 380 В и от 110
В до 440 В постоянного тока.
В качестве заземляющих устройств
электроустановок в первую очередь должны быть использованы естественные
заземлители. Допустимые напряжения прикосновения и сопротивления заземляющих
устройств должны быть обеспечены в любое время года. В качестве заземляющих и
нулевых защитных проводников следует использовать специально предназначенные
для этой цели проводники. Материал, конструкция и размеры заземлителей, заземляющих
и нулевых защитных проводников должны обеспечивать устойчивость к механическим,
химическим и термическим воздействиям на весь период эксплуатации. Зануление
должно быть выполнено в стационарных электроустановках трехфазного тока в сети
с заземленной нейтралью, а также с заземленной средней точкой в трехпроводных
сетях постоянного тока.
При занулении фазные и нулевые защитные
проводники должны быть выбраны таким образом, чтобы при замыкании на корпус или
на нулевой проводник, возникал ток короткого замыкания, обеспечивающий
отключение автомата или плавление плавкой вставки ближайшего предохранителя. В
цепи нулевых защитных проводников не должно быть разъединяющих приспособлений и
предохранителей. Если они одновременно служат для целей зануления, допускается
применение разъединительных приспособлений, которые одновременно с отключением
нулевых рабочих проводников отключают также все проводники, находящиеся под
напряжением.
Сопротивление заземляющего устройства, к
которому присоединены нейтрали генераторов, трансформаторов или выводы
однофазного источника питания электроэнергией, с учетом естественных
заземлителей и повторных заземлителей нулевого провода должно быть не более 2,4
Ом при междуфазных напряжениях 660, 380 и 220В трехфазного источника питания.
Для однофазного источника питания при 380, 220 и 127В не более 8 Ом.
В электроустановках переменного тока в сетях с
изолированной нейтралью или изолированными выводами однофазного источника
питания электроэнергией защитное заземление должно быть выполнено в сочетании с
контролем сопротивления изоляции. Сопротивление заземляющего устройства в
стационарных сетях должно быть не более 10 Ом. Площадь сечения защитных
проводников регламентируется «Правилами устройства электроустановок»
утвержденного Министерством энергетики РФ и выбирается из следующих
соображений.
В случае, когда сечение фазных проводников - S
не более 16 мм2 , сечение защитных проводников должно быть не менее сечения
фазных проводников. Если сечение фазных проводников 16 < S
≤
35, то сечение защитных проводников должно быть не менее 16 мм2 . При большой
мощности потребляемой станком, когда S
> 35 мм2 , сечение защитных проводов берется как S
/ 2. Предельно допустимое электрическое сопротивление защитного заземления при
мощности оборудования до 100 кВА и U
≤
1000 В не должно превышать 10 Ом.
.1.2 Защитное заземления
Заземляющее устройство состоит из системы
глубинных заземлителей, представляющих собой металлические штыри диаметром 15
мм и длиной 1,5 - 2 м забитых в грунт ниже поверхности земли. Их располагают по
периметру здания на расстоянии друг от друга не более 1,5м и не менее глубины
их погружения. Верхняя часть заземлителей соединяется проводниками, которые
образуют заземляющий контур. От него заземляющие проводники вводятся в здание для
присоединения к технологическому оборудованию. В искусственных заземляющих
устройствах расположенных за пределами производственного здания, заземлители
располагают по схеме сетки, также соединив их вершины заземляющими
проводниками.
При многоэлектродной конфигурации
заземлителя на итоговое сопротивление заземления оказывает влияние расстояние
между заземляющими электродами. В формулах расчета заземления этот фактор как
раз и учитывается величиной "коэффициента использования
<#"700064.files/image074.gif">
Rзу =(0,137×200/160) + Rз = 8 Ом
Rз = 7,84 Ом
Электрическое сопротивление
одиночного глубинного заземлителя, изготовленного из круглого металлического
стержня, расчитывается по формуле:
Где R1 -
сопротивление одиночного глубинного заземлителя, Ом; ρ -удельное
сопротивление грунта
<#"700064.files/image076.gif">
Необходимое число глубинных
заземлителей рассчитываем по формуле:
Где Rзу - необходимое сопротивление
многоэлектродного заземляющего устойства, Ом, R1 - сопротивление одиночного
глубинного заземлителя, Ом, Ки =1 - коэффициент использования
<#"700064.files/image078.gif">
Полученный результат округляем в
большую сторону. Вклад электрического сопротивления соединительного
заземляющего проводника здесь не учитывается.
N = 4
.2 Основы радиационной безопасности
Радиационная безопасность -
научно-практическая дисциплина, решающая комплекс теоретических и практических
задач, связанных с уменьшением возможности возникновения аварийных ситуаций и
несчастных случаев на радиационно-опасных объектах.
.2.1 Ионизирующее излучение
Излучение, взаимодействие которого
со средой вызывает образование электрических зарядов называется ионизирующим.
Ионизирующее излучение представляет собой поток частиц, обладающих дискретным
или непрерывным спектром энергии. Данные частицы могут иметь(α - частицы и β - электроны)
или не иметь(γ
- кванты,
нейтроны) электрического заряда.
При прохождении через вещество
заряженных частиц происходит передача ими своей энергии, расходующейся на
возбуждение и ионизацию атомов и молекул. Для количественного определения
переданной веществу энергии вводят понятие линейной передачи энергии S:
S = dE/dl
где dE-энергия, теряемая заряженной
частицей в среде при прохождении элемента пути dl.
Заряженные частицы проходят разное
расстояние в веществе в зависимости от их энергии и свойств мишени. В мягкой
биоткани пробег α
- частиц
составляет несколько десятков микрон, а электронов 0.02 … 1.9 см. γ -кванты при
прохождении через вещество способны взаимодействовать с ним тремя путями: за
счёт фотоэффекта, комптоновского рассеяния, образования электронно-позитронных
пар (для высокоэнергетических квантов). Нейтроны, проходя через вещество
вызывают ядерные реакции так, что в конечном итоге образуются заряженные
частицы. Можно утверждать, что все виды перечисленных видов излучения являются
ионизирующими.
.2.2 Облучение организма
Облучение организма можно подразделить
на внешнее и внутреннее. Внешнее облучение возникает в результате попадания
потока частиц в организм извне. Такое облучение могут создавать технологические
установки, содержащие радиоактивные изотопы или ускорители частиц. Воздействие
источника внешнего облучения на организм зависит от той энергии, которую несут
частицы, величины их свободного пробега, расстояния от источника и его
активности, а также времени облучения. Наибольшую опасность представляют
источники нейтронного и γ-излучения,
так как нейтроны и γ-кванты
обладают наибольшей проникающей способностью.
Внутренне облучение вызывается
попавшими в организм радиоактивными веществами. Наибольшую опасность
представляют собой a- радиоактивные источники, поскольку вся энергия излучения
поглощается в непосредственной близости от местонахождения источника, принося
наибольший вред.
Ионизирующее излучение в основном
носит вред тем, что под его воздействием происходит разрушение генетического
аппарата клеток, что приводит либо к их гибели, либо, что хуже для организма в
целом, к трансформации с утраченной дифференцировкой. Такие клетки могут
образовать злокачественную опухоль, прорастающую в органы и нарушающие их
работу. При получении определенной дозы облучения возникает так называемая
лучевая болезнь, которая характеризуется поражением кроветворной системы,
поражением слизистой оболочки тонкой кишки, нервной системы.
.2.3 Дозиметрия
Для определения меры той части
энергии, которая поглощена веществом при облучении ионизирующим излучением
используют понятие поглощенной дозы:
D = dE/dm
где dE - энергия,
поглощаемая элементом вещества массой dm. Единица дозы - Гр (грей) равна 1
Дж/кг. Поглощенную дозу чаще всего выражают, используя внесистемную единицу
“рад”:
рад = 0,01 Дж/кг
Мощность дозы Р выражает дозу, полученную в
единицу времени:
Р = D/t
где t
- время облучения. Эту величину измеряют в рад/с или рад/ч:
рад/с = 0,01 Вт/кг
Для измерения поглощённой дозы γ-излучения
используют непосредственно измеряемую величину экспозиционной дозы Dэ, которая
выражает ту часть энергии потока γ
-квантов, которая пошла на образование фотоэлектронов, комптоновских электронов
и электрон-позитронных пар. Единица измерения в системе СИ-Кл/кг. Чаще измеряют
экспозиционную дозу в рентгенах: Р = 2,58×10-4 Кл/кг
Мощность экспозиционной дозы обычно измеряют в
мкР/ч.
Можно показать, что, приближенно, поглощенная
биологической тканью доза γ - излучения
численно равна экспозиционной дозе в воздухе. Для этого необходимо соблюдения в
системе “электронного равновесия" - условия, при котором все электроны,
образующиеся в результате взаимодействия g-излучения со средой, полностью в ней
поглощаются, что, по всей вероятности, и происходит в действительности.
.2.4 Биологический эквивалент рада
Различные виды ионизирующего излучения
по-разному воздействуют на биологическую ткань. Для введения количественной
характеристики биологического воздействия на организм вводят так называемый
“коэффициент качества излучения”, который зависит от величины линейной передачи
энергии. Эта зависимость приведена в таблице:
|
Линейная
передача энергии, мэВ/мкм воды
|
Коэффициент
качества излучения
|
|
3,5
и меньше
|
1
|
|
7
|
2
|
|
23
|
5
|
|
53
|
10
|
|
175
|
20
|
Биологический эквивалент рада - доза любого
излучения, обладающая тем же биологическим действием, что доза в 1 рад γ
- излучения.
Коэффициенты качества приведены в таблице:
|
Виды
излученияКоэффициент качества излучения
|
|
|
γ
- излучение
|
1
|
|
β
- излучение
|
1
|
|
α
- излучение
|
10
|
Эквивалентная доза излучения сложного состава
определяется по формуле:
Где Dэкв - эквивалентная поглощенная
доза, бэр; Dп,i и KKi поглощенные дозы в радах и коэффициенты качества
соответствующих компонент излучения.
.2.5 Предельно допустимые дозы
облучения
Приведённые ниже значения предельных
доз облучения, согласно НРБ определяются, как не наносящие вреда здоровью, при
наблюдении современными методами за облучаемыми, при равномерном накоплении в
течение 50-и лет.
|
Группа
органовДоза, бэр/год
|
|
|
Всё
тело, костный мозг
|
5
|
|
Лёгкие,
желудочно-кишечный тракт
|
15
|
|
Костная
ткань, щитовидная железа
|
30
|
|
Кисти
рук
|
75
|
В свете представленных данных необходимо
проведение постоянного сравнения доз, получаемых работниками в сфере атомной
энергетики, с предельными с целью защиты их от поражения радиацией.
.2.6 Расчёт защитных экранов от γ
- излучения
Предположим, что имеется источник γ
- излучения
сложного состава, создающий дозу D0,i для каждой компоненты и полную дозу D0
без защитного экрана, и известна предельная доза облучения Dпр, по данным НРБ,
то сначала рассчитывают так называемую кратность ослабления ki для i-ой
компоненты:
а затем по таблице находят
необходимую толщину защиты для имеющегося в наличие материала, выбирают
максимальную и к ней прибавляют толщину слоя при k=2 для данной компоненты.
Таким образом, можно вычислить толщину экрана для защиты от γ - излучения из
ряда доступных материалов (свинец, чугун, бетон).
|
Материал
защиты
|
Слой
половинного ослабления, см
|
Плотность,
г/см3
|
Масса
1 см2 слоя половинного ослабления
|
|
Свинец
|
1,8
|
11,3
|
20
|
|
Сталь
|
2,5
|
7,86
|
20
|
|
Бетон
|
6,1
|
3,33
|
20
|
|
Слежавшийся
грунт
|
9,1
|
1,99
|
18
|
|
Вода
|
18
|
1,00
|
18
|
|
Воздух
|
15
000
|
0,0012
|
18
|
|
Древесина
|
29
|
0,56
|
16
|
|
Обеднённый
уран
|
0,2
|
19,1
|
3,9
|
4.2.7 Правила радиационной безопасности при
работе на ОМ
Откачная машина территориально расположена на
территории здания ВП1. Источниками радиационной опасности (излучения) являются
каналы вывода частиц из ускорителя (здание построено впритык к галерее каналов
вывода) и экспериментальная установка СВД (находится в соседнем с ОМ зале ПК).
Поэтому при работе на ОМ необходимо неукоснительно соблюдать следующие правила:
. К работе оператора ОМ допускаются лица
старше 18 лет, прошедшие медицинское обследование с тщательным обследованием на
пригодность работы в радиационных условиях.
2. Оператор обязан пройти инструктаж по
радиационной безопасности, прежде чем приступать к работе.
. Работа на ОМ организуется посменно,
поэтому не рекомендуется находиться в её помещениях в нерабочее время (не в
свою смену) без необходимости.
. Во время работы оператор должен
постоянно иметь при себе специальную кассету с фотоплёнкой, по состоянию
которой (кассету выдают перед началом сеанса и изымают по его окончании) можно
судить о полученной за период работы дозе излучения.
. Оператор ОМ должен проходить
медицинское обследование не реже одного раза в год. Без предоставления
соответствующего документа он не будет допущен до работы.
. В помещении операторской должен
постоянно находиться дозиметр для оперативного измерения уровня излучения. В
случае превышения допустимого радиационного фона немедленно покинуть помещение
и сообщить об этом начальнику смены в ОРИ (отдел радиационных исследований).
. Во время сеанса не рекомендуется без
надобности подходить близко к ограждению установки СВД. При зажженной
сигнальной лампе «радиация» проход за ограждение запрещён категорически
(частицы летят в атмосфере).
. При перемещении по территории зданий
ВП1 и ПК необходимо выбирать маршруты, проходящие в стороне от каналов вывода
частиц и установки СВД.
.3 Обеспечение комфортных условий окружающей
среды на рабочем месте оператора ОМ
Метеорологические условия, или микроклимат, в
производственных условиях определяются следующими параметрами: температурой
воздуха, относительной влажностью и скоростью движения воздуха на рабочем
месте. При воздействии высокой температуры воздуха, возможен перегрев
организма, который характеризуется повышением температуры тела, обильным
выделением пота, учащением пульса и дыхания, резкой слабостью, головокружением
и в тяжелых случаях - появлением судорог и возникновением теплового удара.
Особенно неблагоприятные условия возникают в том случае, когда наряду с высокой
температурой в помещении наблюдается повышенная влажность, ускоряющая
возникновение перегрева организма. Вследствие резких колебаний температуры в
помещении, обдувания холодным воздухом (сквозняки) на производстве имеют место
простудные заболевания.
В соответствии с ГОСТ 12.1.005-88 «Общие
санитарно-гигиенические требования к воздуху рабочей зоны" устанавливаются
оптимальные и допустимые метеорологические условия для рабочей зоны помещения,
при выборе которых учитываются:
время года - холодный и переходный периоды со
среднесуточной температурой наружного воздуха ниже 10°С и теплый период с
температурой 10°С и выше;
легкие физические работы с энергозатратами до
172 Дж/с (100 ккал/ч);
физические работы средней тяжести с
энергозатратами 172-293 Дж/с (150-250 ккал/ч);
тяжелые физические работы с энергозатратами
более 293 Дж/с.
Минимальная скорость движения воздуха, ощущаемая
человеком, составляет 0,2 м/с. В зимнее время года скорость движения воздуха в производственных
помещениях не должна превышать 0,6 м/с, а летом - 1,0 м/с. В горячих цехах
допускается увеличение скорости обдува рабочих до 3,5 м/с.
Все производственные помещения делятся на
помещения с незначительными избытками явной теплоты, приходящиеся на 1 м3
объема помещения - 23,2 Дж/м3с и менее, и со значительными избытками - более
23,2 Дж/м3с. Явная теплота - это теплота, поступающая в рабочее помещение от
оборудования, отопительных приборов, нагретых материалов, людей и оказывающая
влияние на температуру воздуха в этом помещении. Так, для легкой работы,
выполняемой в помещениях с незначительными избытками явной теплоты в холодный
период года, допустимые параметры следующие: температура 19-25°С, относительная
влажность не более 75%, скорость движения воздуха не более 0,2 м/с.
Естественное и искусственное освещение
производственных помещений должно соответствовать утвержденным нормам
проектирования естественного и искусственного освещения: СНиП 23-05-095
«Естественное и искусственное освещение». В помещениях с недостаточным
естественным светом и без естественного света должны применяться установки
искусственного ультрафиолетового облучения в соответствии с санитарными нормами
проектирования промышленных предприятий и Указаниями к проектированию установок
искусственного ультрафиолетового облучения на промышленных предприятиях, ГОСТ
ИСО 8995-2002 «Освещение рабочих систем внутри помещений».
При искусственном освещении нормируемая величина
освещенности 150лк должна быть обеспечена системой общего освещения. В
механических, в помещениях с кондиционированной атмосферой и подготовительных
помещениях цехах следует применять систему комбинированного освещения (общее и
местное), в котором общее освещение должно составлять не менее 300 лк. В
рабочей зоне должна быть обеспечена освещенность 1500 лк. При наладке, ремонте
и устранении сбоев освещенность должна быть 2500 лк. При использовании
люминесцентного освещения должна быть исключена возможность возникновения
стробоскопического эффекта.
Чистка стекол, оконных проемов и световых
фонарей должна производиться не реже 2 раз в год. Чистка ламп и осветительной
арматуры должна производиться: в механических цехах станкостроительных заводов,
в цехах с кондиционированной воздушной атмосферой и заготовительных цехах не реже
4 раз в год; в механических цехах инструментальных заводов и инструментальных
цехах - не реже 2 раз в год.
.4 Выводы
Были выявлены основные вредные и опасные факторы
при работе с откачной машиной: высокие токи и напряжения преобразователей и
электродвигателей, повышенный радиационный фон. Обозначены необходимые меры для
снижения риска получения ущерба (травм, заболеваний, осложнений): наличие
защитного заземления, радиационных экранов, необходимость контроля
радиационного фона в помещениях, регулярный медосмотр сотрудников, работающих
на ОМ.
5. Исследовательский раздел
В этом разделе приводится описание криогенного
уровнемера Model
LM-500, методы и
результаты исследования его азотного датчика.
5.1 Уровнемер
Model LM-500 Liquid Cryogen Level Monitor
LM-500
представляет собой 2-х канальный уровнемер специального назначения,
используемый для измерения уровней жидкого гелия (He)
и азота (N2) (Рис. 30).
Разработан и выпущен американской фирмой Cryomagnetics
Inc. Model
LM-500 - компактный
прибор (63.5*140*190.5 мм, 1.59 кг), способен работать как в автономном режиме,
так и в сопряжении с PC/ПК.
Принцип работы гелиевого датчика основан на
изменении сопротивления датчика из сверхпроводящей проволоки, погруженного в
низкотемпературную жидкость. Погруженная длина охлаждается до температуры
жидкости и приобретает свойство сверхпроводимости (R=0).
С ростом уровня жидкости сопротивление датчика пропорционально падает, что
позволяет установить зависимость h=k/R,
где k - коэффициент
калибровки (определяется типом датчика).
Рис. 30 Криогенный уровнемер LM-500
Азотный датчик - ёмкостного типа, представляет
собой цилиндрический конденсатор (Рис. 31). При погружении его в жидкий азот он
представляет собой два параллельно соединённых конденсатора с разными
диэлектрическими проницаемостями. Суммарная ёмкость вычисляется по формуле:
Где Н - длина датчика, h
- длина погружённой части датчика, d1
- диаметр внутреннего стрежня (цилиндра), d2
- диаметр внешнего цилиндра, εж
- диэлектрическая проницаемость жидкого азота, Си - ёмкость проходного
изолятора.
Рис. 31 Схема ёмкостного датчика уровня
- Одновременное измерение уровня гелия и азота в
автоматическом (непрерывном) или ручном (по требованию) режимах.
- Выборка и хранение операций.
- Отображение уровня в сантиметрах,
дюймах, процентах.
- Работа с датчиками с активной длиной
до 200 см.
- Возможность ручной калибровки
датчиков с передней панели.
- Интерфейс RS-232
для связи с ЭВМ (опционально можно заказать конфигурацию с аналоговым входом
(4-20 мА) и/или интерфейсом IEEE-488.2).
- Яркий двухстрочный дисплей.
- Регулируемый источник постоянного
тока.
- Наличие бесплатных драйверов устройства для
пакета LabView.
.2 Исследование линейности и инерционности
азотного датчика
Рис. 32 Схема исследования азотного датчика
уровня
Описанный выше уровнемер предполагается
использовать в качестве датчика технических параметров (уровней жидкого азота и
гелия) дефлекторов. С целью проверки линейности его характеристики и
исследования его инерционности было проведено несколько лабораторных
исследований азотного датчика уровнемера.
В ходе исследования на датчик были нанесены
риски (метки) с шагом 1 см, и его дискретно (шагами) погружали в сосуд с жидким
азотом, одновременно снимая показания с дисплея преобразователя. В двух других
опытах датчик сразу был погружён на полную глубину (до дна), а затем
дискретными шагами извлекался из сосуда (Рис. 32).
По мере исследования происходило
совершенствование эксперимента (методом проб и ошибок) и учитывание факта
инерционности, что позволило в конечном счёте получить результаты, близкие к
истинным (указанными производителями). Результаты были сведены в таблицу, на
основании которой построены графики (характеристики) с результатами
экспериментов (Рис. 33, 34, 35).
|
Эксперимент
№1
|
Эксперимент
№2
|
Эксперимент
№3
|
|
Глубина
погружения датчика, см
|
Показания
уровнемера, см
|
Глубина
погружения датчика, см
|
Показания
уровнемера, см
|
Глубина
погружения датчика, см
|
Показания
уровнемера, см
|
|
47
|
26,5
|
34
|
31,3
|
30
|
28,2
|
|
46
|
25,3
|
33
|
30,7
|
29
|
27,4
|
|
45
|
24,8
|
32
|
29,7
|
28
|
26,4
|
|
44
|
24,6
|
31
|
28,7
|
27
|
25,4
|
|
43
|
22,2
|
30
|
27,7
|
26
|
24,3
|
|
42
|
20,9
|
29
|
26,7
|
25
|
23,3
|
|
40
|
19,2
|
28
|
25,2
|
24
|
22,3
|
|
39
|
17,8
|
27
|
24,2
|
23
|
21,6
|
|
38
|
16,5
|
26
|
23,2
|
22
|
20,6
|
|
37
|
15,1
|
25
|
22,4
|
21
|
19,4
|
|
36
|
14,0
|
24
|
21,4
|
20
|
18,4
|
|
35
|
13,7
|
23
|
20,1
|
19
|
17,4
|
|
-
|
-
|
22
|
19,8
|
18
|
16,5
|
|
-
|
-
|
21
|
18,7
|
17
|
15,1
|
|
-
|
-
|
-
|
-
|
16
|
14,8
|
Рис. 33 Эксперимент №1
Рис. 34 Эксперимент №2
Рис. 35 Эксперимент №3
Исследования также позволили установить характер
«тепловой» инерционности датчика (Рис. 36). Несмотря на то, что данный датчик
ёмкостного типа, он имеет определённую временную тепловую зависимость. При
погружении датчика преобразователю требуется несколько (3 … 5) секунд для
«выхода» значения на дисплее на приблизительный уровень («выход» осуществляется
по характеристике, близкой к прямой), и ещё несколько секунд для стабилизации
его показаний. После же извлечения датчика показания также быстро падают до
значения 2 - 3 см, но эти последние сантиметры уровнемер «теряет» длительное
время, порядка 5 - 7 мин, до тех пор, пока его температура не сравняется с
окружающей (характеристика отогрева носит нелинейный характер). Это
характеристики необходимо учесть при проектировании системы снабжения жидким
азотом во избежание его переполнения/нехватки.
Рис. 36 Инерционная характеристика азотного
датчика
Для более точного и детального исследования
характеристик датчика предлагается использовать специальный испытательный стенд
(Рис. 37). Стенд представляет штатив с подвижным узлом, на котором смонтировано
устройство точного позиционирования на основе микрометрического винта
(преобразует вращательное движение регуляционного винта в точное поступательное
перемещение). Таким образом, можно осуществлять малые точные перемещения
датчика. При помощи такого стенда можно с довольно высокой точностью определить
чувствительность и точность исследуемого датчика.
Рис. 37 Схема стенда для точного исследования
датчика уровнемера
.3 Выводы
В результате лабораторного исследования азотного
датчика криогенного уровнемера в ходе нескольких экспериментов была
подтверждена линейность его характеристики. Кроме того, были получены временные
параметры тепловой инерционности датчика, необходимые для правильной настройки
системы сбора данных о состоянии дефлекторов. Предложена схема испытательного
стенда для точных исследований свойств датчика.
6. Организационно-экономический раздел
В данном разделе рассмотрим факторы,
определяющие затраты предприятия на производство. Произведём расчёт
себестоимости изготовления одной детали типа «Прокладка».
.1 Заработная плата рабочих, социальные
отчисления
Оплата труда рабочих складывается из
составляющих:
· Оплата операций и работ в соответствии с
разрядными нормами и расценками.
· Почасовая оплата труда.
· Доплаты по разрядным (сдельным) и
повременно-премиальным системам оплаты труда.
· Доплаты к основным разрядным
расценкам в связи с отклонениями от нормативных условий производства
(несоответствие оборудования, материалов, инструмента и др. отклонения от
технологии).
Основная заработная плата рабочего
рассчитывается по формуле:
Сосн = (1+k)×
(∑tштi/60)
×(Счс/100)
Где Сосн - основная заработная плата, k
- коэффициент доплат (премии и т.д.), ∑ - количество (сумма) операций в
соответствии с технологическим процессом, tштi
- норма штучно-калькуляционного времени на i-ю
операцию, Счс - часовая тарифная ставка.
Дополнительная заработная плата складывается из:
оплаты отпусков, компенсации за неиспользуемый отпуск, выплата вознаграждений,
сверхурочных и т.д.
Сдоп = Сосн×kдоп
Где Сдоп - дополнительная заработная плата, kдоп
- коэффициент дополнительной заработной платы.
Помимо заработной платы предприятие должно
отчислять некоторые деньги на социальные нужды (социальное, медицинское
страхование, пенсионные отчисления и т.д.). Эти отчисления рассчитываются:
Ссоц = (Сосн + Сдоп) ×kсоц
Где Ссоц - социальные отчисления, kсоц
- коэффициент социального отчисления.
.2 Расходы предприятия
Расходы предприятия (помимо выплаты заработной
платы рабочим и социальных отчислений) складываются из стоимости исходных
ресурсов (материалы, оборудование, наладка), транспортных расходов, расходов на
энергию, организационные расходы и т.д. Ниже перечисляются основные из них:
Амортизационные отчисления.
Амортизация - процесс переноса по частям стоимости основных средств и
нематериальных активов по мере их физического износа и морального устаревания
на стоимость производимой продукции/услуг. Амортизационные отчисления -
отчисления части стоимости (затрат на производство) готовой продукции <http://ru.wikipedia.org/wiki/%D0%9E%D1%81%D0%BD%D0%BE%D0%B2%D0%BD%D1%8B%D0%B5_%D1%81%D1%80%D0%B5%D0%B4%D1%81%D1%82%D0%B2%D0%B0>
для возмещения их износа. Амортизационные отчисления включаются в издержки
производства или обращения. Амортизационные отчисления зависят от срока службы
оборудования и определяются таким образом, что бы по истечении этого срока на
отложенные средства можно было приобрести точно такое же или эквивалентное ему
по возможностям.
Цеховые расходы. Цеховые расходы
складываются из стоимости исходных материалов, инструментов и оборудования. Эти
расходы напрямую зависят от выпускаемой продукции (наименования и количества).
Энергетические расходы включают в
себя прежде всего затраты на электроэнергию для работы оборудования и освещения
(и других дополнительных функций) цеховых помещений, приобретение топлива
(бензин, газ, уголь и т.д.), затраты на паровое отопление. Расходы по этой
статье определяются требуемым количеством энергоносителей (кВ∙ч, кг, м3)
и их тарифной стоимостью.
Организационные расходы.
Организационные расходы состоят из затрат на управление предприятием и
организации его работы. Они включают в себя заработную плату
непроизводственного (управляющего, обслуживающего) персонала, расходы на
транспорт и связь, канцелярию.
.3 Расчёт общих производственных
затрат
Произведём расчёт денежных затрат,
необходимых для производства одной детали типа «прокладка». Так как
изготавливаемое изделие является внутренним (некоммерческим) заказом
предприятия, не производится расчёт его рыночной стоимости (цены).
Исходные материалы (сырьё).
Исходный материал - круглый сортовой
прокат ø230
из
стали 20, цена за 1 кг составляет 95 р. Масса одной заготовки составляет 22,8.
Стоимость заготовки: 22,8∙95 = 2166 р. Масса готового изделия составляет
10,7 кг, на выходе имеем 12,1 кг стружки. Цена стружки составляет 62 р/кг.
Возвратная стоимость: 12,1∙62 = 750,2 р. Итого расход на материалы
составляет: 2166 - 750,2 = 1415,8 р.
Заработная плата рабочих.
Тариф основной заработной платы
составляет 115 р/ч. Штучное время составляет 14,2 мин = 0,24 ч. Основная
заработная плата: 115∙0,24 = 27,6 р. Дополнительная заработная плата
составляет 18 % от основной: 27,6∙0,18 = 4,97 р. Общая заработная плата:
27,6 + 4,97 = 32,57 р.
Социальные отчисления составляют
34,2 % от общей заработной платы: 32,57∙0,342 = 11,14 р.
Амортизационные отчисления
составляют 17 % от основной заработной платы: 32,57∙0,17 = 5,54 р.
Цеховые расходы составляют 120 % от
основной заработной платы: 32,57∙1,2 = 39,09 р.
Энергетические расходы составляют 12
% от основной заработной платы: 32,57∙0,12 = 3,9 р.
Общезаводские расходы составляют 10
% от основной заработной платы: 32,57∙0,1 = 3,26 р.
Итого себестоимость одного изделия
составляет: 1415,8 + 32,57 + 11,14 + 5,54 + 39,09 + 3,9 + 3,26 = 1511,2 р.
|
Вид
затрат
|
На
одно изделие, руб
|
|
Исходные
материалы
|
1415,8
|
|
Общая
заработная плата
|
32,57
|
|
Социальные
отчисления
|
11,14
|
|
Амортизационные
отчисления
|
5,54
|
|
Цеховые
расходы
|
39,09
|
|
Энергетические
расходы
|
3,9
|
|
Общезаводские
расходы
|
3,26
|
|
Итоговая
себестоимость
|
1511,2
|
.4 Выводы
В данном разделе были проанализированы факторы,
влияющие на себестоимость изготавливаемой продукции и произведён её расчёт для
выпуска одного конечного изделия.
Заключение
Результатом моего дипломного проекта стала
разработка автоматизированной системы управления откачной машины.
В технологическом разделе была сформулирована
технология понижения температуры методом откачки паров, разработан процесс
изготовления детали типа «прокладка», для установки агрегата АВЗ-180 на
фундаментальную плиту.
В конструкторском разделе были определены
исполнительные устройства, необходимые для управления технологическими
параметрами, произведены проверочные расчёты электродвигателей насосов.
В разделе, касающемся системы управления, была
разработана структурная схема АСУ, выбрано контрольное, сигнальное и
управляющее оборудование, монтажная электроарматура, программное обеспечение.
В разделе о безопасности жизнедеятельности
выявлены вредные и опасные факторы, угрожающие здоровью и жизни персонала
откачной машины, указаны необходимые меры для обеспечения максимальной
безопасности.
В исследовательском разделе было проведено
исследование азотного датчика криогенного уровнемера с целью проверки его
характеристики, повторяемости и для определения его инерционности.
В экономико-организационном разделе указаны и
рассчитаны расходы на изготовление детали типа «Прокладка».
Список литературы
. Справочник
технолога-машиностроителя. / Под редакцией Дальского, том 1.
2. Справочник
технолога-машиностроителя. / Под редакцией Дальского, том 2.
. Подготовка
и оформление курсового проекта по дисциплине «Технологические процессы и
производства. / Учебно-методическое пособие, Кудрявов Н.М.
. Триол.
Руководство по эксплуатации. Электропривод транзисторный регулируемый
асинхронный Триол АТ04 - АТ06.
. Экономика
организаций (предприятий). / Учебник, под редакцией Сергеева И.В.