Разработка методического обеспечения лабораторного практикума по биофизике
Министерство образования
и науки Российской Федерации
Государственное
образовательное учреждение
высшего профессионального
образования
«КУБАНСКИЙ
ГОСУДАРСТВЕННЫЙ УНИВЕРСИТЕТ»
Физико-технический
факультет
Кафедра физики и
информационных систем
ДИПЛОМНАЯ РАБОТА
Разработка методического
обеспечения лабораторного практикума по биофизике
Работу выполнил Глинов Дмитрий Викторович
Научный руководитель
канд. пед. наук, доц. Л.Ф. Добро
Краснодар 2013
Реферат
Глинов Д.В. РАЗРАБОТКА МЕТОДИЧЕСКОГО ОБЕСПЕЧЕНИЯ
ЛАБОРАТОРНОГО ПРАКТИКУМА ПО БИОФИЗИКЕ.
БИОФИЗИКА, УЧЕБНЫЙ КОМПЛЕКС, ЛАБОРАТОРНЫЕ РАБОТЫ, ПОРОГ
СЛЫШИМОСТИ, АУДИОМЕТРИЯ, ВРЕМЯ ПРОСТОЙ СЕНСОМОТРОНОЙ РЕАКЦИИ, ПОЛЕ ЗРЕНИЯ,
СЛЕПОЕ ПЯТНО.
Объектом разработки данной дипломной работы является элементы
учебно-методического комплекса по биофизике, лабораторный практикум.
Цель работы - разработка и изготовление лабораторного
оборудования по биофизике.
В результате выполнения дипломной работы были сконструированы
приборы для лабораторных работ по биофизике, дополнены уже имеющиеся
лабораторные работы, методический материал с теоретическими сведениями и
указаниями к выполнению работ по биофизике.
Содержание
Введение
.
Организация учебного процесса в высшей школе
.1
Лабораторные работы, их роли в учебном процессе
.2
Лабораторные работы, их роли в учебном процессе
.2.1
Вводно-мотивационный этап
.2.2
Операционно-познавательный этап
.2.3
Контрольно-оценочный этап лабораторных работ
.
Учебно-методический комплекс по биофизике
.1
Требования к уровню освоения содержания дисциплины «Биофизика»
.2
Требования к уровню освоения содержания дисциплины
.3
Содержание разделов дисциплины «Биофизика»
.3.1
Разделы дисциплины и виды занятий
.3.2
Содержание разделов дисциплины «Биофизика»
.3.3
Лабораторный практикум по биофизике
.4
Требования к результатам освоения образовательных программ бакалавриата
.
Создание лабораторного практикума по биофизике
.1
Лабораторная работа «Определение порога слышимости человека методом
аудиометрии. Построение аудиограмм»
.2
Лабораторная работа «Измерение времени простой сенсомоторной реакции »
.3
Лабораторная работа «Определение поля зрения глаза, поля обзора. Обнаружение
слепого пятна»
.
Педагогический эксперимент
.1
Описание условий проведения эксперимента
.2
Проведение педагогического эксперимента
Заключение
Список
использованных источников
Введение
В 90-е годы XX века перед образованием в нашей стране встали
новые задачи, а именно: переход России к рыночной экономике требовал
преодоления опасности накапливающегося отставания России от мировых тенденций
экономического и общественного развития. Обновление содержания образования
стало важной задачей развития российской системы образования. Поэтому от
современного образования требовалось и требуется уже не простое фрагментарное
включение методов исследовательского обучения в образовательную практику, а
целенаправленная работа по развитию исследовательских способностей, специально
организованное обучение студентов умениям и навыкам исследовательского
поиска[1]. Самые ценные и прочные знания добываются самостоятельно, в ходе
собственных творческих изысканий. Для учащегося естественнее и гораздо легче
постигать новое, действуя подобно ученому (проводить собственные исследования -
наблюдая, ставя эксперименты, делая на их основе собственные суждения и
умозаключения.
Исследовательская деятельность дает возможность развивать
познавательную активность, но ее нужно уметь использовать. Для этого необходимо
создать условия для овладения культурной исследовательской деятельности при
обучении студентов биофизике.
Формирование лабораторного комплекса по биофизике ставит
своей целью развитие у студентов способности быть субъектом исследовательской
деятельности через освоение культурных способов решения исследовательских задач
в процессе обучения биофизике. Для этого необходимо:
3 Обладать способностью выполнять эксперименты и
интерпретировать результаты по проверке корректности и эффективности решений;
4 Обладать способностью видеть естественную сущность
проблем, возникающих в ходе профессиональной деятельности, привлечь для их
решения соответствующий физико-математический аппарат;
Обладать готовностью к участию в проведении
медико-биологических и научно-технических исследований с применением
технических средств, информационных технологий и методов обработки результатов.
Лабораторные работы играют большую роль в учебном процессе по
многим фундаментальным, общеинженерным и специальным дисциплинам, которые
изучаются в высших и средних учебных заведениях. На лабораторных занятиях
студенты воспринимают, наблюдают, исследуют явления природы, технические и
другие процессы, изучают объекты техники, устройство и принцип действия
измерительной аппаратуры, методику измерений.
Выполнение лабораторных работ необходимо для достижения
образовательных целей на уровне специальности, а также дидактических и
развивающих целей учебных дисциплин и их составляющих.
Так, они обеспечивают связь теории с практикой, развивают
самостоятельность и способность к постановке и проведению экспериментов,
пониманию и интерпретации фактов, к анализу явлений и синтезу, к оценке
полученной информации, применению знаний на практике.
Целью дипломной работы является разработка лабораторного
практикума по биофизике и обоснование необходимости лабораторных работ в
учебном процессе.
1. Организация учебного процесса в высшей школе
.1 Формы организации учебного процесса
Учебный процесс в высшей школе - это сложная система
организации, управления и развития познавательной деятельности студентов, это
процесс многостороннего формирования специалиста высшей квалификации. Учебный
процесс функционирует как единое целое в составе определяющих его сущность
элементов и вследствие этого является результативным.
Процесс обучения реализуется через конкретные формы его
организации.
К организационным формам обучения, которые одновременно
являются способами непрерывного управления познавательной деятельностью
студентов, относят:
- лекции;
- семинары;,
коллоквиумы;
лабораторные работы;
практикумы;
самостоятельную работу;
научно-исследовательскую работу студентов;
производственную;
педагогическую;
дипломную практики и др.
Среди перечисленных форм работы в вузе важнейшая роль
отводится аудиторным занятиям: лекциям, семинарским и лабораторным занятиям.
Учебный процесс в вузе слагается из деятельности педагога -
преподавания учебной дисциплины и деятельности студента - учения. Чтобы
осуществлять этот процесс, необходимо его организовать.
На каждом этапе обучения решаются как общие (т.е., на решение
которых направлен весь процесс обучения), так и специфические задачи (т.е., что
доминируют в конкретном этапе этого процесса). В зависимости от доминирующих
целей и особенностей усвоения знаний, умений и навыков выделяются следующие
этапы процесса обучения:
- формирование новых знаний;
- закрепление и совершенствование знаний;
формирование умений и навыков;
применение знаний на практике;
повторение;
систематизация знаний;
контроль усвоения знаний, умений и навыков.
Те или иные этапы, а чаще всего их совокупность лежат в
основе конструируемых форм организации обучения.
Учение истолковывается как саморазвитие личности на основе
собственной образовательной инициативы. Обучение же выступает как «механизм»,
поддерживающий данный процесс на уровне его стимулирования, выявления и
предъявления студентам его наиболее значимых направлений, его текущей и
итоговой диагностики, сопутствующей корректировки, оптимизации с точки зрения
средств и способов достижения образовательного результата.
.2 Лабораторные работы, их роль в учебном процессе
Лабораторные работы играют большую роль в учебном процессе по
многим фундаментальным, общеинженерным и специальным дисциплинам, которые
изучаются в высших и средних учебных заведениях. Они являются одной из форм
учебных занятий и одним из практических методов обучения, в котором учебные
цели достигаются при постановке и проведении студентами экспериментов, опытов,
исследований с использованием специального оборудования, приборов,
измерительных инструментов и других технических приспособлений [2,3]. На
лабораторных занятиях студенты воспринимают, наблюдают, исследуют явления
природы, технические и другие процессы, изучают объекты техники, устройство и
принцип действия измерительной аппаратуры, методику измерений [4].
Многие преподавателей высших учебных заведений сталкиваются с
проблемой постановки лабораторных работ, разработки методических материалов по
их постановке и проведению, испытывая при этом трудности методического
характера в связи с тем, что в педагогической литературе этим вопросам уделено
недостаточно внимания.
Выполнение лабораторных работ необходимо для достижения
образовательных целей на уровне специальности, а также дидактических и
развивающих целей учебных дисциплин и их составляющих.
Таким образом, они обеспечивают связь теории с практикой,
развивают самостоятельность и способность к постановке и проведению
экспериментов, пониманию и интерпретации фактов, к анализу явлений и синтезу, к
оценке полученной информации, применению знаний на практике. На уровне учебных
дисциплин лабораторные работы обеспечивают знакомство с оборудованием,
приборами, средствами измерения, с методикой исследования, пополняя знания
фактами, они позволяют определить и проверить теоретические зависимости.
В зависимости от задач, решаемых на лабораторных занятиях,
различают ознакомительные, экспериментальные и проблемно-поисковые лабораторные
работы.
В ознакомительных лабораторных работах проводится изучение
конструктивных особенностей, устройство средств производственной деятельности
(оборудования, инструментов приспособлений и т.д.) и средств исследовательской
деятельности (испытательных установок, приборов и т.д.), а также их наладка и
настройка.
Экспериментальные лабораторные работы включают
экспериментальные и исследовательские задания. Это могут быть задания по
изучению и отработке методики проведения различных исследований (например,
методики определения ударной вязкости при изучении сопротивления материалов),
по конструированию, переконструированию и доконструированию различных схем и
приспособлений (например, составление электрических схем для измерения свойств
объектов, изменение конструкции зубчатой передачи для достижения вариаций
передаточного числа, по исследованию влияния различных факторов на свойства
объектов, по определению степени соответствия экспериментальных и расчетных
данных, по проверке, иллюстрации, подтверждению законов, закономерностей и т.д.
Проблемно-поисковые работы также включают постановку и
проведение экспериментов. Отличаются они только степенью проблемности
экспериментальных задач. При этом речь идет об уровнях проблемности этих задач
для студентов: новизне объектов, условий, в которых проводится эксперимент по
сравнению с известными ранее. К этой группе лабораторных работ относятся и
работы по проверке различных гипотез учебного и научного уровня проблемности.
На основе деятельностного подхода к анализу лабораторных
работ в их структуре выделяют такие этапы:
вводно-мотивационный;
операционно-познавательный;
контрольно-оценочный;
заключительный [5].
Вводно-мотивационный этап включает определение и сообщение
темы лабораторной работы, формирование ее дидактической и развивающей цели и
мотивацию цели.
Центральным звеном лабораторной работы является
операционно-познавательный. Именно он включает подготовку к выполнению
практических заданий и выполнение их. При подготовке к занятию преподаватель
формирует перечень практических задач и заданий, формирует перечень и
проектирует методику актуализации опорных знаний и способов деятельности,
проектирует методику формирования ориентировочной основы деятельности и
организацию проведения лабораторной работы. При проведении занятия на этом
этапе сообщается перечень задач и заданий студентам, актуализируются опорные
знания и способы действий, формируется ориентировочные основы деятельности,
организуется исполнение дидактического проекта данного этапа работы, выполнение
студентами лабораторных заданий.
На этапе контроля и оценки студенты проводят обработку
экспериментальных данных и результатов выполнения лабораторных задач,
формулируют выводы, а также оценивают степень достижения целей работы.
Заключительный этап включает оформление отчета и сдачу работы
преподавателю [6].
Каждый из этапов лабораторной работы имеет свои особенности в
проектировании, организации и проведении. Рассмотрим их более подробно.
.2.1 Вводно-мотивационный этап
Выбор и формулировка тем лабораторных работ.
Тематика лабораторных работ определяется учебной программой
по дисциплине, конкретизируется для каждой специальности в рабочей программе по
дисциплинам в зависимости от специфики и направления подготовки специалистов,
часов, выделенных для лабораторного практикума в учебном плане и наличия
необходимой лабораторной базы. При этом, в первую очередь планируют проведение
лабораторных работ, наиболее значимых для профессиональной подготовки и
формирования практических способов деятельности.
Формулировка названия лабораторной работы должна включать
необходимые компоненты структуры основной задачи, решаемой на занятии, и
указания на характер действий студентов по отношению к этой задаче. Действия
студентов обычно указываются такими терминами, как изучение, конструирование,
определение и т.д. Компонентами структуры основной задачи являются:
- объект - та часть материального мира, процесса, явления, на
которую направлена деятельность учащегося при выполнении лабораторной работы;
- предмет - та сторона объекта, которая изучается или
исследуется;
процедура - характер, вид, способ воздействия на
объект с целью получения результата [7]. При этом объект, предмет или процедура
должны быть новыми для студентов.
Формулировка цели лабораторной работы.
Цель - это сознательный образ ожидаемого результата [8],
указатель будущего состояния системы (объекта), к которому она стремится [9].
Поскольку лабораторные работы представляют собой одну из форм учебных занятий,
их целью является изменение личности учащегося. В когнитивной области структуры
личности студентов эти изменения могут быть охарактеризованы эталонами учебных
действий с указанием уровня их сформированности в соответствии с таксономией
целей так, как это предложено в [10]:
- выполнять действия с опорой на внешний источник
информации (схемы, алгоритмы, инструкции, указания и т.д.);
- выполнять действия самостоятельно, с опорой на
усвоенные ранее знания и способы действия;
выполнять автоматизированные действия, то есть
действия на основе прочно сформированных автоматизированных навыков.
Нередко цели лабораторных работ преподаватели формулируют
через действия педагога (сформировать, развить, обеспечить...) или через цели
выполнения эксперимента (определить магнитную проницаемость..., измерить
твердость стали...). Однако такие формулировки не дают возможности оценить,
достигнута ли главная цель - изменение в личности учащегося, сформирована ли
его способность выполнять те или иные практические действия... Постановка цели
должна обеспечить возможность диагностики достижения целей занятия. Например,
цель лабораторной работы по изучению методов измерения твердости металлических
материалов является формирование способности студентов измерять твердость таких
материалов. Доказательством достижения этой цели будут служить умения
самостоятельно и правильно выбирать метод измерения твердости, выполнять такие
измерения и оценивать точность, с которой определена твердость.
Мотивация цели лабораторных работ чаще всего проводится путем
раскрытия практического, профессионального значения результат лабораторной
работы, обеспечения интереса к теме, организации соревновательности при
выполнении заданий и т.д. Например: освоив методику измерения твердости
металлических материалов, Вы сможете применить ее. Для контроля термической
обработки изделий [11].
.2.2 Операционно-познавательный этап
Формирование перечня практических учебных задач лабораторной
работы.
Средством достижения дидактической цели лабораторной работы
являются практические задачи, решаемые на занятиях и выполняемые в определенных
условиях и определенными методами. Они являются этапами достижения целей всей
лабораторной работы и формируются в результате декомпозиции общей задачи
исследования, определяя план действий по ее решению.
Компонентами структуры задач являются: предмет - задача,
находящаяся в исходном состоянии, продукт - модель требуемого (конечного)
состояния предмета, то есть требования задачи, процедура, приводящая к
изменению предмета задачи, то есть средства, способы и методы достижения
конечного состояния предмета задачи [12]. Эта процедура может быть указана
студентам, в этом случае их действия приобретают репродуктивный характер. Если
же процедура им не известна или определена лишь в общем виде, деятельность
студентов по решению задачи приобретает черты творчества. Представленный таким
образом перечень задач лабораторной работы позволяет составить план выполнения
операционно-познавательного этапа лабораторной работы. Следует указать, что
составленный таким образом план может быть реализован в случае, если имеется в
наличии материальное обеспечение лабораторной работы. В противном случае его
приходится корректировать с учетом особенностей материальной базы.
Актуализация опорных знаний и способов деятельности.
Основные теоретические положения, актуализация которых
необходима для выполнения практических задач лабораторной работы, обычно
составляют раздел методических указаний к лабораторной работе, называемый
«Основные теоретические положения», в виде текста и ссылок на рекомендуемые
литературные источники. Текст чаще всего составляется путем перечисления,
определения и пояснения основных содержательных элементов, знания которых
необходимы для выполнения практических задач. Этот раздел студенты могут
осваивать на занятии или при подготовке к нему. В любом случае для допуска
студентов к выполнению практической части работы следует провести проверку
усвоения опорного материала, уделив особое внимание вопросам техники
безопасности. В лабораторных работах ознакомительного характера описание
опорного материала зачастую входит в состав ориентировочной основы деятельности
в виде описания объектов деятельности: натурных образцов, схем, оборудования,
приборов и т.д.
Планирование проведения лабораторной работы требует учета ее
типа (ознакомительная или экспериментальная), а разработка плана эксперимента -
выбора его типа традиционный или факторный. При традиционном планировании
изменяется лишь одна независимая переменная, при факторном плане их может быть
две и больше.
Формирование ориентировочной основы деятельности. Любое
действие, в том числе действия студентов по выполнению лабораторной работы,
включает ориентировочную, исполнительную и контрольно-корректировочную части.
Ориентировочная часть действия направлена на правильное и рациональное построение
исполнительной части или выбор одного из возможных вариантов исполнения.
Содержание ориентировочной основы деятельности может быть различным и
отличаться как полнотой определения условий выполнения действия, так и
обобщенностью и способом получения. Полнота ориентировочной основы деятельности
характеризуется наличием или недостатком компонентов в ее структуре [13], таких
как:
- объект преобразования или исходный материал для
деятельности (проблемы, задания, заготовки, материалы, компоненты схем и т.д.);
- образ конечного продукта или представление о
результатах действий (описание закономерности, численного результата, модели,
схемы, образца, изделия и т.д.);
средства деятельности (справочники, таблицы,
приборы, инструменты, а также знания, необходимых законов, фактов, способов
преобразования, владение методами и способами выполнения действий в умственной
и материальной форме);
технология деятельности (алгоритм действия,
расчетная формула, показ или описание последовательности выполнения операций в
виде инструкции, технологической карты и т.д.).
В методических указаниях к лабораторной работе
ориентировочная основа деятельности может быть разных типов: полной или
неполной, в конкретном или общем виде.
Исполнительная деятельность студентов по выполнению
лабораторного задания.
Структура операционной части и исполнительные действия
студентов в ознакомительных лабораторных работах чаще всего включают такие
действия, как наблюдение, эскизирование, зарисовка схем, запись алгоритма
действия, сборка схем, регулирование и наладка механизмов и т.д. В результате
выполнения этих лабораторных работ студенты должны демонстрировать такие
действия, как: назвать и указать на образце или схеме отдельные конструктивные
блоки и объяснить их функциональное назначение, перечислить конструктивные
особенности устройства прибора, объяснить характер и указать сферу их
использования, зарисовать схему установки или прибора и обозначить отдельные
элементы, разобрать или собрать установку, измерительную схему, произвести
регулировку или настройку прибора, станка и т.д.
Особым видом лабораторных работ являются те, центральной
частью которых является проведение лабораторных учебных экспериментов
(экспериментальные работы). По характеру задач, решаемых при выполнении таких
лабораторных работ их можно разделить на два вида: работы по освоению методики
измерения различных характеристик и работы по изучению поведения, характеристик
объектов, измерению этих характеристик в зависимости от условий эксперимента. В
последних методы измерения служат основой, базовыми операциями, которые
используются студентами при проведении исследований.
В результате выполнения экспериментальных лабораторных работ
по освоению методики измерений студенты должны демонстрировать такие умения,
как: определять характеристики объектов и измерять их предусмотренными методами
с требуемым качеством, использовать методы определения свойств объектов и
измерение их характеристик для выполнения экспериментальных заданий, оценивать
точность выполненных измерений и характер их интерпретации и т.д. При
очевидности вспомогательной функции таких лабораторных работ им следует уделять
должное внимание. Не освоив методов исследования и измерения характеристик
объектов, студенты не смогут выполнить лабораторные задания по изучению зависимостей,
определению влияния различных факторов, так как результаты исследований могут
оказаться недостоверными. При выполнении лабораторных работ по освоению
методики измерений следует уделять большое внимание отработке методов оценки
точности измерений, учету систематических и случайных погрешностей
доверительного интервала, возможностей и границ использования отдельных методов
и оборудования.
Экспериментальные работы второго вида требуют разработки
плана проведения эксперимента и выбора типа алгоритма его выполнения. При этом
в зависимости от характера дидактической задачи, могут использоваться разные
типы алгоритмов:
- алгоритм воспроизведения. Практическая лабораторная
задача решается в строгом соответствии с системой правил, следуя которым
студенты в определенном порядке воспроизводят те или иные операции
(регламентированная последовательность действий);
- алгоритм распознавания. Словесное описание
последовательности действий заменяют чертежом, фотографией, в соответствии с
которыми требуется собрать схему, механизм. При этом студенты из
несистематизированного набора деталей, узлов должны распознать те, которые
подходят для данной конструкции, увидеть за условными обозначениями чертежа
различные детали, элементы схем, отобразить их и сконструировать механизм,
схему;
проблемный алгоритм. Это система общепринятых правил
и операций, выполняя которые в определенной последовательности студенты
выполняют поисковую и исследовательскую деятельность, направленную на
разрешение проблемной ситуации [14].
В зависимости от типа предложенного студентам алгоритма их
исполнительные действия существенно отличаются. Если в лабораторных работах
ознакомительного характера чаще всего используют алгоритмы распознавания, то в
экспериментальных работах по изучению методики, приемов выполнения действий -
алгоритмы воспроизведения. В исследовательских лабораторных работах наряду с
алгоритмами воспроизведения используют проблемные алгоритмы.
Организация выполнения лабораторных работ может отличаться в
зависимости от формы их проведения: фронтальной, цикловой, индивидуальной
[14,15]. Различия в форме организации лабораторных работ определяют особенности
их подготовки и методики проведения: с организацией индивидуальной или
групповой деятельности студентов. В последнем случае необходимо продумать
целесообразность принципов организации группы (цепочка, сеть, звезда [16] и
методику распределения ролей в группе, в том числе - выделение лидера) [17].
Организация лабораторной работы включает также подготовку
материальной базы: предметов и средств учебной деятельности. К ним относятся
материалы, заготовки, детали, инструменты, приспособления, измерительные
средства, испытательные установки, оборудование и т.д. Этот перечень с
указанием характеристик и необходимого количества предметов обязательно
приводится в методических указаниях в разделе «Организация лабораторной
работы».
.2.3 Контрольно-оценочный этап лабораторных работ
Целью этого этапа лабораторных работ является обработка,
анализ и оценка результатов выполнения заданий и формулирование выводов. В
методических указаниях по этому разделу следует указать требуемую форму
представления результатов (описание, таблицы, графики, зависимости), а также,
при необходимости, конкретизировать эти требования в той или иной степени:
представить заголовки таблиц, графиков, формулировки выводов с пропуском
ключевых слов и т.д. очень важно обратить внимание студентов на необходимость
сопоставления выводов с поставленными целями и задачами лабораторной работы для
оценки достигнутого результата.
В заключительной части методических указаний к лабораторной
работе формулируются требования к содержанию и оформлению отчета и критерии
оценки результатов выполнения работы студентами. Как правило в отчете требуется
привести:
- точное название темы лабораторной работы;
- формулировку целей и задач;
протокол испытаний (если они предусмотрены) или
протокол хода выполнения заданий;
таблицы и графики, полученные зависимости;
формулировку выводов;
оценку результатов (степени соответствия результата
цели).
Описанная методика проектирования и подготовки лабораторных
работ позволит обратить внимание преподавателей на особенности этой формы
учебных занятий, конкретизировать требования, предъявляемые к структуре и
содержанию методических указаний по их выполнению и облегчить выполнение
лабораторных работ студентам за счет унификации их структуры и требований в
разных учебных заведениях, на разных кафедрах и по разным учебным дисциплинам.
2. Учебно-методический комплекс по биофизике
.1 Требования к уровню освоения содержания дисциплины
«Биофизика»
лабораторный практикум биофизика методический
Дисциплина «Биофизика» входит в учебный план подготовки
специалистов по направлению 200402 «Инженерное дело в медико-биологической
практике», бакалавров по направлениям 201000.62 «Биотехнические системы и
технологии», 011200.62 «Физика», а также магистров по направлению 011800.68
«Радиофизика». Цель его изучения состоит в ознакомлении слушателей с основами
биофизических процессов в живых системах. Исходный уровень знаний студентов
подразумевает знакомство с общей физикой, общей биологией и владение
математическим аппаратом в пределах стандартного курса математического анализа,
теории вероятности. В процессе освоения курса важную роль играет проведение
семинарских занятий, практических лабораторных работ, контрольных работ. В
конце семестра предполагается проведение коллоквиума. Итоговая оценка
складывается из оценки теоретических знаний и выполнения практических
лабораторных работ по основным разделам биофизики.
Данная дисциплина ставит своей целью: овладеть базовыми
знаниями о сущности биофизических процессов, протекающих в организме живых
систем.
Основные задачи дисциплины:
- усвоить основы общей биофизики и законы термодинамики
жизнедеятельности организма;
- изучить биофизические явления на молекулярном,
клеточном и органном уровне в биологических системах;
изучить генез биоэлектрических явлений в живых
системах;
усвоить механизмы различных воздействий на
биологические объекты.
2.2 Требования к уровню освоения содержания
В результате изучения дисциплины студент должен:
- знать основы и иметь общие представления о биофизических
явлениях, происходящих в живых системах;
- уметь четко сформулировать современные понятия,
законы и раскрыть генез биофизических процессов в организме;
приобрести практические навыки дискуссий по основам
биофизических явлений в живых системах.
Объем дисциплины и виды учебной работы.
В Кубанском государственном университете для студентов
специальности «Инженерное дело в медико-биологической практике» учебным планом
предусмотрен следующий объем дисциплины и виды учебной работы, представленный в
таблице 1
Таблица 1 - Виды учебной работы
|
Вид учебной
работы
|
Всего часов
|
Семестры
|
|
Общая
трудоемкость
|
170
|
6
|
|
Аудиторные
занятия
|
86
|
|
|
Лекции
|
34 час.
|
|
|
Практические
занятия
|
|
|
|
Лабораторные
работы
|
52 час.
|
|
|
Самостоятельная
работа
|
84
|
|
|
Вид итогового
контроля
|
|
экзамен 6
семестр
|
2.3 Содержание разделов дисциплины «Биофизика»
.3.1 Разделы дисциплины и виды занятий
Таблица 2 - Разделы дисциплины и виды занятий
|
№
|
Раздел
дисциплины
|
Лекции
|
Лабораторные
занятия
|
Самостоятельная
работа студента
|
|
Раздел 1
|
Основы общей
биофизики
|
2
|
4
|
6
|
|
Раздел 2
|
Молекулярная
биофизика.
|
4
|
6
|
10
|
|
Раздел 3
|
Биофизика
клетки
|
10
|
14
|
22
|
|
Раздел 4
|
Биофизика
сложных систем организма
|
10
|
14
|
22
|
|
Раздел 5
|
Биофизика сенсорных
систем организма
|
2
|
4
|
8
|
|
Раздел 6
|
Биофизические
основы взаимодействия физических факторов с живыми системами
|
6
|
10
|
16
|
|
Итого
|
|
34
|
52
|
84
|
.3.2 Содержание разделов дисциплины
Введение. Биофизические процессы в биосистемах. Предмет курса
и его задачи. Структура, содержание курса, его связь с другими дисциплинами и
место в подготовке специалиста.
Тема 1 Молекулярная биофизика. Макромолекулы, их физические
свойства. Состав и структуры белковых молекул, сильные и слабые взаимодействия,
связь между первичной и пространственной структурами белка. Нуклеиновые
кислоты, генетический код, биосинтез белка. Мутации. Проблемы молекулярной
биофизики.
Тема 2 Функции клеток и клеточных структур. Физические
свойства клеток Клетка как структурная и функциональная единица живого
организма. Единые принципы строения клеток. Клеточные мембраны, их структура,
конформационные свойства и роль в жизнедеятельности клеток. Искусственные
мембраны и их роль в изучении свойств биомембран.
Тема 3 Мембранный транспорт веществ. Диффузия и уравнения
диффузии. Электрохимический градиент. Фильтрация и осмос, осмотическое и
онкотическое давления, водный обмен. Активный транспорт веществ, его роль в
поддержании ионных градиентов. Основные биофизические методы определения
физических свойств клеток.
Тема 4 Биоэлектрические явления. Пассивные электрические
свойства биотканей и электрическая активность биообъектов. Электрическое
сопротивление клеток, и тканей, сопротивление нервного волокна, находящегося в
электролите. Поляризация, частотные свойства биообъектов.
Тема 5 Активные биоэлектрические явления. Механизм
возникновения биоэлектрических потенциалов. Доннановский равновесный потенциал.
Расчет мембранной разности потенциалов. Потенциал покоя клеток, его
физиологические функции. Особенности регистрации биопотенциалов.
Тема 6 Потенциал действия. Энергия раздражения и возбуждения,
порог раздражения. Проницаемость мембраны при раздражении. Рефрактерные
периоды, реобаза, хронаксия. Представление о модели Ходжкина-Хаксли.
Распространение нервного импульса. Миелиновая оболочка нервного волокна,
сальтаторная передача возбуждения. Моделирование процессов нервного
возбуждения. Синаптическая передача, химический и электрический механизмы
передачи информации в синапсах. Постсинаптический потенциал, трансформация
ритма в синапсах. Высокопроницаемые контакты клеточных мембран.
Тема 7 Основы термодинамики процессов жизнедеятельности.
Термодинамические системы. Функции состояния систем, энтропия биосистем.
Основные закономерности термодинамики открытых систем. Кинетика биологических
процессов. Неравновесные процессы и основные положения неравновесной
термодинамики в биологии. Понятие о периодических химических и биологических
процессах.
Тема 8 Теплообразование в организме животных. Места
теплообразования в организме теплокровных животных. Условия передачи тепла из
организма в окружающую среду. Регулирование температуры в живых организмах.
Тема 9 Мышечное сокращение. Структура мышц и мышечных белков.
Механизм мышечного сокращения, роль кальция. Связь между силой сокращения и
удлинением саркомера. Теплота активации и теплота укорочения мышечного волокна.
Тема 10 Зрительный анализатор. Строение глаза как оптической
системы. Системы саморегулирования в зрительном анализаторе. Фоторецепторная
система глаза. Передача информации от фоторецепторных клеток. Фотохимические
теории световой и темновой адаптаций. Закон Вебера-Фехнера. Разрешающая
способность глаза. Спектральная чувствительность. Субъективные и физические
характеристики цвета. Субъективные эффекты при цветовых ощущениях.
Трехкомпонентная теория цветового зрения, векторное представление цвета.
Понятие о колориметрических системах. Кодирование информации в органе зрения.
Тема 11 Слуховой анализатор. Восприятие звука.
Механорецепция. Этапы преобразования сигнала в органе слуха, микрофонный
потенциал. Кодирование информации в органе слуха. Вестибулярный аппарат, его
строение и функции.
Тема 12 Рецепция запаха и вкуса. Рецепция запаха и
молекулярное узнавание. Стереохимическая теория восприятия запаха.
Экспериментальные исследования рецепции запаха. Вкусовой анализатор, рецепторы
вкусовых сосочков. Вкусовая адаптация. Химическое строение вещества и его вкус.
Тема 13 Кожный анализатор. Тактильная, болевая и
температурная рецепции. Кожные рецепторы. Дифференцированная возбудимость
кожного анализатора. Кожные системы связи. Рецепторы мышц и суставов.
Электрорецепторы. Преобразование информации в электрорецепторах.
Тема 14 Биофизика кровообращения. Транспортная функция
системы кровообращения. Физические свойства и основные компоненты крови.
Текущая кровь как двухфазная система. Математические модели течения крови по
жестким и эластичным сосудам. Исследования гемодинамических показателей системы
кровообращения.
Тема 15 Биофизика дыхания. Система дыхания. Внешнее дыхание.
Параметры системы дыхания. Растяжимость легких, сопротивление дыханию.
Заключение. Основные направления развития биофизики и
практическое использование биофизических закономерностей функционирования
биообъектов при создании медицинской техники.
.3.3 Лабораторный практикум по биофизике
Лабораторные занятия интегрируют теоретико-методологические
знания и практические умения и навыки студентов в едином процессе деятельности
учебно-исследовательского характера. Эксперимент играет существенную роль в
подготовке студентов, которые должны иметь навыки исследовательской работы с
первых шагов своей профессиональной деятельности. «Лаборатория» происходит от
латинского слова «labor» - труд, работа, трудность. Его смысл с далеких времен
связан с применением умственных и физических усилий для разрешения возникших
научных и жизненных задач.
Лабораторные работы имеют ярко выраженную специфику в
зависимости от учебной специальности. Поэтому в каждом конкретном случае
уместны частные методические рекомендации. Из общепедагогических рекомендаций
отметим следующие.
Совместная групповая деятельность - одна из самых эффективных
форм. Ее конкретная ориентация зависит от усилий преподавателя. Важно так
проводить практические задания, чтобы они активизировали мыслительную
деятельность студентов, вооружали их методами практической работы.
Важнейшей стороной любой формы практических занятий являются
упражнения. Основа в упражнении - пример, который разбирается с позиции теории,
развитой в лекции. Как правило, основное внимание уделяется формированию
конкретных умений, навыков, что и определяет содержание деятельности студентов
- решение задач, графические работы, уточнение категорий и понятий науки,
являющихся предпосылкой правильного мышления и речи. Проводя упражнения со
студентами, следует специально обращать внимание на формирование способности к
осмыслению и пониманию.
Опыт показывает, что в подавляющем большинстве случаев ни в
школе, ни в институте не обучают целенаправленной логике рассуждений на
материале отдельных предметов, не учат правилам и логическим требованиям
определения понятий. В результате понимание определения, умение его
самостоятельно сформулировать подменяется буквальным запоминанием готовой
формулировки.
Эффективность обучения, как в вузе, так и в школе, зависит от
органического сочетания двух сторон -высокого качества обучающей работы
преподавателя и активной учебно-познавательной деятельности обучающегося.
Поэтому совершенствование учебного процесса в вузе осуществляется путем
повышения качества работы преподавателей: читаемых ими лекций, проводимых
практических и лабораторных занятий, стимулирования активной
учебно-познавательной деятельности студентов, рациональной организации процесса
учения.
Для естественнонаучных дисциплин особенно важны практические
формы организации обучения, поскольку фундаментальные понятия нельзя усвоить
без прямых наблюдений и экспериментального изучения явлений и процессов.
Лабораторные занятия в наибольшей степени требуют активной
деятельности студента по сравнению с другими формами организации обучения. Они
предусматривают обязательное общение преподавателя с каждым студентом и
позволяют эффективно управлять его самостоятельной работой.
Лабораторные занятия можно рассматривать как форму
организации учебного процесса, на которой формируются умения применять
полученные теоретические знания при постановке и проведении экспериментальных
исследований, практические навыки обращения с оборудованием, что способствует
развитию творческих способностей.
Лабораторные работы наиболее благоприятны для выяснения
непонятного, для осознания изучаемых физических явлений, показа значимости
приобретенных теоретических знаний.
Соотнесение содержания и формы учебного эксперимента с
современными научными представлениями постоянно обсуждается в
научно-методической литературе, включая учебные пособия с разработкой тех или
иных лабораторных занятий. Однако организационная сторона затрагивается редко,
хотя играет отнюдь не второстепенную роль. Недостаточно исследованы возможности
практических и лабораторных занятий по биофизике для осуществления
профессионализации обучения студентов, улучшения их экспериментальной и общей
подготовки.
Можно выделить ряд недостатков в методике подготовки и
проведения лабораторных занятий по дисциплинам естественнонаучного цикла:
- оборудование, применяемое на лабораторных занятиях, не
всегда отвечает современным требованиям;
- темы лабораторных работ часто не совпадают с уже
изученным материалом;
слишком подробные методические описания для
лабораторных работ, что придает им воспроизводящий характер;
недостаточная самостоятельная подготовка студентов к
выполнению работы;
у студентов не всегда хватает навыков в анализе
наблюдаемых явлений и умений делать выводы из эксперимента;
основное время студенты тратят на выполнение
промежуточных второстепенных действий, в результате эффективность эксперимента
значительно снижается;
недостаточное внимание обращается на формирование
культуры педагогического труда студентов;
не всегда учитывается индивидуальная подготовка
студентов;
оценивается довольно часто предоставленный отчет о
выполнении лабораторной работы, а приобретенные практические умения и навыки
учитываются недостаточно.
Вышеприведенные недостатки организации и проведения
лабораторных занятий по естественнонаучным дисциплинам, а также характерные
недостатки в знаниях и умениях студентов свидетельствуют о необходимости
совершенствования теории и методики организации и проведения лабораторных
занятий.
Методические описания лабораторных работ содержат подробные
указания к выполнению, и что порой препятствует повышению активности,
самостоятельности студентов на занятии.
Следует отметить, что содержание и методика проведения
лабораторных занятий совершенствуются более медленными темпами по сравнению с
другими видами учебных занятий.
2.4 Требования к результатам освоения основных
образовательных программ бакалавриата
Выпускник должен обладать следующими профессиональными
компетенциями (ПК):
1 Общепрофессиональными компетенциями:
способностью выявить естественнонаучную сущность проблем,
возникающих в ходе профессиональной деятельности, привлечь для их решения
соответствующий физико-математический аппарат (ПК-2);
- готовностью учитывать современные тенденции развития
электроники, измерительной и вычислительной техники, информационных технологий
в своей профессиональной деятельности (ПК-3);
способностью собирать, обрабатывать, анализировать и
систематизировать научно-техническую информацию по тематике исследования,
использовать достижения отечественной и зарубежной науки, техники и технологии
(ПК-6);
способностью разрабатывать проектную и техническую
документацию, оформлять законченные проектно-конструкторские работы в
предметной сфере биотехнических систем и технологий (ПК-11);
готовностью осуществлять контроль соответствия
разрабатываемых проектов и технической документации на изделия и устройства
медицинского и экологического назначения стандартам, техническим условиям и
другим нормативным документам (ПК-12).
2 Производственно-технологической деятельностью:
способностью выполнять эксперименты и интерпретировать
результаты по проверке корректности и эффективности решений (ПК-19);
- готовностью к участию в проведении
медико-биологических, экологических и научно-технических исследований с
применением технических средств, информационных технологий и методов обработки
результатов (ПК-20).
3 Монтажно-наладочная деятельностью:
способностью проводить поверку, наладку и регулировку
оборудования, и настройку программных средств, используемых для разработки,
производства и настройки биомедицинской и экологической техники (ПК-28).
3. Создание лабораторного практикума по биофизике
Лабораторный практикум по курсу «Биофизика» органически
связан со многими областями современного естествознания и служит научной
основой решения многих прикладных технических задач.
Формирование навыков выполнения физического эксперимента -
необходимый элемент физико-технического образования. Анализ экспериментальных
данных позволяет убедиться в соответствии выводов теории результатам опытов.
В ходе исследования устанавливаются количественные
зависимости между различными явлениями, которые определяются в результате
измерений. Вследствие различных причин никакое измерение не может быть
выполнено абсолютно точно, поэтому следует не только определять саму величину,
но и оценивать погрешность измерений.
Описания лабораторных работ настоящего практикума построены
по общей схеме и включают необходимые сведения о цели работы, используемом
оборудовании, порядке выполнения и форме представления результатов измерений. В
каждой работе излагаются также основы теории рассматриваемых физических
явлений. При подготовке к лабораторным работам необходимо также пользоваться
конспектами лекций, учебной и специальной литературой.
.1 Лабораторная работа «Определение порога слышимости человека
методом аудиометрии. Построение аудиограмм»
Цель лабораторной работы: исследование слухового анализатора
методом тональной пороговой аудиометрии.
Приборы и принадлежности: генератор синусоидальных волн (Sine
Wave Generator), стереоскопические наушники, вольтметр В7-38.
Краткая теория:
Проблемы со слухом встречаются у 4-6 % населения земного
шара. По данным Минздрав-соцразвития РФ острая сенсоневральная тугоухость
составляет 62,2% среди заболеваний внутреннего уха, требующих экстренной
ЛОР-помощи. Сенсоневральная тугоухость относится к числу социально значимых
заболеваний, поражает все возрастные группы населения.
Функциональная характеристика слухового анализатора имеет
важное значение не только для диагностики ушных заболеваний, но и для
профотбора (отбор кандидатов для некоторых профессий, определение
выносливости). Особенно важным является массовое исследование детей с целью
выделить группы с начинающимися нарушениями слуха (для последующей профилактики
тугоухости). Наконец, большую роль играют методы функционального исследования
уха при выборе приборов, улучшающих слух. Каждая из упомянутых задач имеет
определенный объем и свой метод исследования функций звукового анализатора.
Картина заболевания бывает иногда настолько ясна, что используют только самые
несложные приемы, позволяющие получить достаточные сведения о функциональных
способностях уха.
Воздействуя на слух, звук вызывает раздражение. В свою
очередь раздражение создает у человека субъективный эффект - ощущение.
Раздражение и его параметры - это физические величины, которые могут быть
измерены. Параметры ощущения (громкость, высота, тембр) измерить нельзя. О них
можно лишь составить представление, на основании словесного описания
испытуемого [18].
Порог слышимости зависит от частоты, т.е. чувствительность
слуха не везде одинаково высока во всем слуховом диапазоне. График кривой
порога слышимости строится на основе зависимости порогового значения силы звука
от частоты. Обычно сила звука выражается относительным значением: все пороговые
значения имеют отношение к пороговому значению силы звука, полученному при 1000
Гц. Поскольку диапазон звуков, воспринимаемых ухом, определяется значениями в
десятичной степени, слуховой порог обычно выражается логарифмическими единицами
(децибелами: дБ). За 1Б принимают уровень, интенсивность которого в 10 раз
больше L0.
Таким образом, при расчете все пороговые значения амплитуды
сначала относятся к значению, полученному для 1000 Гц и преобразовываются в дБ
при помощи формулы:


, (4)
где U1000 - пороговое значение амплитуды при 1000 Гц, Ux
- пороговое значение амплитуды при других частотах.
Полученная зависимость интенсивности звука (звукового давления) L
от частоты ν тона
называется спектральной характеристикой уха на пороге слышимости или
аудиограммой.
Метод измерения остроты слуха называют аудиометрией.
Аудиометрия (от лат. audio - cлышу и...метрия) - исследование
чувствительности слуха с помощью электроакустических приборов, аудиометров,
которые позволяют строго дозировать интенсивность звуковых сигналов,
осуществлять исследование на всех звуковых частотах, функциональные пробы по
диагностике пороговой дифференциальной чувствительности, интенсивности, маскировки.
Существующие в настоящее время аудиометрические тесты можно
разделить на следующие основные группы:
1 Субъективные методы (психоакустические методы):
- тональная аудиометрия (пороговая, надпороговая);
- течевая аудиометрия;
2 Объективные методы:
Акустическая импедансометрия (тимпанометрия, акустическая
рефлексометрия);
- Регистрация различных классов слуховых вызванных
потенциалов;
Отоакустическая эмиссия [19].
В данной лабораторной работе студентам предложено исследовать
слуховой анализатор методом тональной пороговой аудиометрии.
Цель тональной пороговой аудиометрии: определение порогов
слышимости (порогов слухового восприятия) наименьшей интенсивности,
воспринимаемой испытуемым в 50% предъявлении.
Аудиометр представляет собой генератор звуковой частоты,
частоту и интенсивность звука которого можно регулировать.
При проведении аудиометрии отсчёт порога восприятия ведётся
от нулевого уровня, который соответствует среднему порогу слышимости для
молодых людей с нормальным слухом. Изменение порога восприятия по сравнению с
нулевым уровнем указывает на отклонения слуха у испытуемого от
среднестатистической нормы.
Отклонения порога восприятия от нулевого уровня на ± 10 дБ
считаются лежащими в пределах нормы [19].
В медицинской практике принято при построении аудиограмм ось
L направлять вниз (рисунок 1)
Рисунок 1 - Аудиограмма при нормальном слухе
Ход работы:
К генератору синусоидальных волн подключите наушники,
убедитесь, что кнопка подачи сигнала на наушники находится в отжатом состоянии.
К выходу генератора (Amplifier Out) подключите вольтметр
В7-38, который должен быть установлен в режим измерения переменного напряжения
(нажата кнопка «V~», предел измерения 300 В).
Вращением ручки регулировки амплитуды против часовой стрелки
до упора установите минимальное значение выходного напряжения генератора
4 Включите генератор (кнопка включения расположена на задней
панели) и установите частоту 40 Гц.
Наденьте на испытуемого наушники и, медленно вращая ручку
регулировки амплитуды, установите диапазон генератора в 200 Гц, а частоту в 100
Гц. Регулятор амплитуды должен находиться в положении «0». Отрегулируйте
значение амплитуды так, чтобы звук можно было легко услышать. Проверьте, легко
ли слышатся звуки с частотой 1000 и 10000 Гц при одинаковой амплитуде, т.е. они
должны быть ни очень громкими, ни слишком тихими. Если это условие не
соблюдается, повторно отрегулируйте амплитуду и частоты.
Медленно вращая ручку регулировки амплитуды, зафиксируйте
величину напряжения U, при которой пациент начнет слышать звук. Следите за тем,
чтобы испытуемый не видел никаких значений хода эксперимента. Запишите в
таблицу 3 полученные значения.
Продолжайте измерение на частотах ν = 125 Гц, 250 Гц, 500 Гц, 1000 Гц, 1500 Гц, 2000 Гц, 3000 Гц, 4000
Гц, 6000 Гц, 8000 Гц, записывая при этом значения напряжения на вольтметре.
Полученные значения напряжения занесите в таблицу 3.
Таблица 3 -Зависимость напряжения от частоты
|
ν, Гц
|
U, В
|
Порог
слышимости (по эксперименту) L, дБ
|
Порог
слышимости (по ГОСТу) Lг, дБ
|
|
125
|
|
|
22,1
|
|
250
|
|
|
11,4
|
|
500
|
|
|
4,4
|
|
1000
|
|
|
2,4
|
|
1500
|
|
|
2,4
|
|
2000
|
|
|
-1,3
|
|
3000
|
|
|
-5,8
|
|
4000
|
|
|
-5,4
|
|
6000
|
|
|
4,3
|
|
8000
|
|
|
12,6
|
По формуле (4) рассчитайте пороговый уровень звукового
давления и занесите рассчитанные данные в таблицу 3.
Полученные в ходе расчетов значения нанесите на систему
координат, где на оси ординат отсчитывается значения порога слышимости в дБ, а
логарифмическое значение частоты - на оси абсцисс (рисунок 3).
Рисунок 3 - График зависимости порога слышимости от частоты
Определите частоту, при которой восприятие звука при
максимальной интенсивности прекращается (верхний порог слышимости). Выбор шага
по частоте определите самостоятельно.
Для определения величины потери слуха пациента необходимо
сравнить полученную кривую порога слышимости на отдельных частотах с
аналогичной кривой для здорового человека (ГОСТ)[20].
Выводы: студентам был предоставлен подобранный и составленный
методический материал, который включает в себя не только общие теоретические
данные по теме «Определение порога слышимости человека методом аудиометрии.
Построение аудиограммы», но и описание заданий с указаниями к выполнению. После
выполнения учащимися необходимых измерений, им необходимо было построить
графики зависимости порога слышимости от частоты.
Для проверки работоспособности методики исследования
слухового анализатора, были построены аудиограммы людей, различной возрастной
группы и сравнены со значениями, приведенными в ГОСТ Р ИСО 389-7-2011 (рисунок
4).
Рисунок 4 - График кривой порога слышимости
Из полученного графика следует, что у испытуемого 70 лет
четко видно отклонение от нормы, на графике это обозначается повышением порога
слышимости в районе 4000-6000 Гц, это связанно с тем, что у испытуемого
наблюдается тугоухость. После сбора анамнеза, подтвердились эти предположения.
У испытуемого имеется подтвержденная тугоухость.
У испытуемой 31 лет, наблюдается скачек на графике в районе
4000 Гц. Это отклонение появляется у людей, работающих на шумном производстве.
После сбора анамнеза, подтвердилось, что работа испытуемой связана с постоянным
шумом.
У испытуемого 22 лет, а также еще у 16 человек примерно той
же возрастной группы, не выявлено существенных отклонений графика от значений
по ГОСТу. Это свидетельствует, что порог слышимости соответствует их возрастной
категории, и испытуемые не подвержены вредными факторами, которые могли бы
ухудшить их слух.
.2 Лабораторная работа «Измерение времени простой
сенсомоторной реакции»
Цель лабораторной работы:
Измерение времени простой сенсомоторной реакции на световой и
звуковой раздражители.
Приборы и принадлежности:
Устройство психофизиологического тестирования «Рефлексометр».
Краткая теория:
Время реакции человека - интервал времени от начала
воздействия на организм какого-либо раздражителя до ответной реакции организма.
Состоит из трёх фаз: время прохождения нервных импульсов от
рецепторов до коры головного мозга; время, необходимое для восприятия нервных
импульсов головным мозгом и организации ответной реакции в центральной нервной
системе; время ответного действия организма. Время реакции зависит от типа
раздражителя (звук, свет, температура, давление и т. д.) и его интенсивности,
тренированности организма на восприятие этого раздражителя, его ожидаемости и
др.
Время реакции на раздражители различной модальности различно.
Самое короткое время реакции получается в ответ на слуховые раздражители, более
продолжительные - на световые, самое длинное - на обонятельные и тактильные.
По степени сложности произвольные реакции человека можно
разделить на следующие четыре вида:
простая сенсомоторная реакция;
сенсомоторная реакция различия;
сенсомоторная реакция выбора;
реакция на движущийся объект.
Простой сенсомоторной реакцией в психологии называют реакцию,
которая осуществляется в условиях предъявления одного заранее известного
сигнала и получения одного определённого ответа.
Например, в ответ на звуковой, световой, тактильный и т. д.
сигналы человек должен как можно быстрее осуществить определённое действие -
нажать на ключ или произнести определённый слог. Исследования показывают, что
при надпороговой интенсивности раздражителя время простой реакции определяется
в основном физической природой раздражителя и особенностями воспринимающего
рецептора. Самая большая скорость простой реакции была получена при
использовании звуковых и тактильных сигналов (105 - 180 мс). Скорость реакции
на зрительный сигнал оказалась существенно меньшей (150 - 225 мс).
Это объясняется тем, что время рецепции звуковых и тактильных
раздражителей намного короче времени реакции зрительного раздражителя, так как
в последнем случае значительную долю времени занимает фотохимический процесс,
преобразующий световую энергию в нервный импульс.
Сенсомоторной реакцией различения обозначают реакцию, которая
производится в условиях, когда человек должен реагировать только на один из
двух или нескольких сигналов (буквы, звуки, слоги), и, соответственно, ответное
действие должно совершаться только на этот сигнал.
Сенсомоторной реакция выбора имеет место также при
предъявлении двух или нескольких сигналов, но при условии, что нужно отвечать
на каждый из них своим определённым действием. По сравнению с временем простой
реакции время реакции различения и время реакции выбора заметно удлиняется.
Время реакции на раздражители различной модальности различно.
Самое короткое время реакции получается в ответ на слуховые раздражители, более
продолжительные - на световые, самое длинное - на обонятельные и тактильные
[21].
При управлении техникой кроме времени реакции необходимо
также учитывать время движения органов человеческого тела и время
взаимодействия оператора с органами управления (таблица 4).
Таблица 4 - Значение времени реакции при различных движениях
тела
|
Характеристика движений
|
Время
выполнения (сек)
|
|
Движение
пальцами
|
0,17
|
|
Движение
ладонью
|
0,33
|
|
Нажатие
рукой/ногой на педаль
|
0,72
|
|
Сгибание и
разгибание ноги
|
1,33
|
|
Сгибание и
разгибание руки
|
0,72
|
|
Реакция
водителя на сигнал светофора
|
0,3-0,5
|
|
Считывание
показания стрелочного прибора
|
1
|
|
Восприятие
цифры или транспаранта
|
0,2
|
|
Фиксация
предмета глазами
|
0,28
|
|
Включение
одиночно расположенного тумблера
|
0,18
|
|
Опознание
оператором простого сигнала
|
0,4
|
Зависимость времени реакции от уровня тренированности, пола,
возраста и различного рода влияний на организм.
Экспериментально показано (Н.И. Крылов, 1957, Н.И. Чуприкова,
1957, Е.И. Бойко, 1964, Е.Н. Сурков, 1984, В.П. Озеров, 1989), что:
Под влиянием тренировки время реакции не только
укорачивается, но и стабилизируется, т.е. становится менее подверженным
различного рода влияниям.
Укорочение времени реакции наиболее существенно в первые дни
выполнения соответствующих упражнений.
Простая реакция поддается влиянию упражнений в заметно
меньшей степени, чем реакция выбора. В частности, после лишь одного дня занятий
время реакции выбора может сократиться на 30-40 %, тогда как простой
сенсомоторной реакции - лишь на 10 %.
Каковы причины укорочения времени реакции после соответствующих
тренировок? Известно, что всякий новый раздражитель сначала вызывает
ориентировочную реакцию с более или менее обширной и длительной иррадиацией
возбудительного процесса по коре больших полушарий, которая затем сменяется
фазой концентрации. По мере повторения раздражителя имеет место привыкание,
которое сопровождается все менее выраженной иррадиацией возбуждения с
одновременным повышением динамичности возникающих нервных процессов.
Постепенная редукция фазы иррадиации и достижение определенного уровня
хронической (или статической) концентрации возбудительного процесса в коре,
по-видимому, и являются одной из важнейших причин укорочения времени реакции в
процессе тренировки.
Вторая причина, тесно связанная с первой, состоит в
нарастающей по мере упрочения условных связей, стойкости корковых очагов
возбуждения. Третья причина связана с изменением самой структуры временных
связей, заменой более сложных второсигнальных ассоциаций более простыми
первосигнальными.
Начиная с 3,5-4 и до 18-20 лет время реакции неуклонно
сокращается. Затем оно стабилизируется, а после 40 лет по мере старения
постепенно возрастает примерно в 1,5 раза (А.Г.Усов, 1960).
В ряде исследований (Е.П.Ильин, 1983, Е.Н.Сурков, 1984,
Озеров, 1989) отмечаются половые различия, состоящие в том, что среднее время
реакции у девочек, по сравнению с мальчиками, и у женщин, по сравнению с
мужчинами, несколько длиннее [22].
Таблица 5 - Зависимость времени простой сенсомоторной реакции
человека от физического и психоэмоционального состояния человека
|
Время, с
|
Реакция
|
|
< 0,15
|
Невероятно
быстрая реакция
|
|
0,15-0,24
|
Хорошая реакция
|
|
0,24-0,32
|
Средняя реакция
|
|
> 0.32
|
Плохая реакция
|
Описание установки:
Измерить время позволяет устройство «Рефлексометр», в котором
в качестве раздражителя использованы световой и звуковой сигналы
Установка состоит из блока формирования сигнала, имеющим
буквенно-цифровой индикатор (1); блока управления с кнопками пуска (остановки)
регистрирующего устройства (3) и блока светового (звукового) сигналов (2).
Результаты тестирования выводятся на буквенно-цифровой индикатор и хранятся в
памяти микроконтроллера.
В этом приборе микроконтроллер выполняет все основные
функции, а именно, подаёт тестовые сигналы, измеряет время реакции, выводит
информацию на буквенно-цифровой индикатор и хранит её в своей энергонезависимой
памяти (EEPROM - электрически стираемое перепрограммируемое Постоянное
Запоминающее Устройство (ПЗУ)).
Прибором управляют с помощью кнопки (Пуск/Сброс), нажатиями
на которую последовательно переключают режимы работы, либо компьютерной мышью.
Нажатие сопровождается звуковым сигналом.
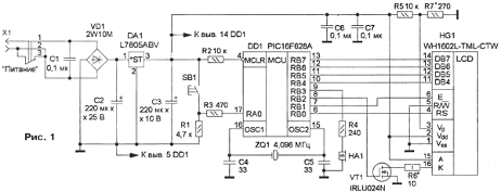
Схема прибора показана на рисунке 6.
Рисунок 6 - Электрическая схема рефлексометра
Тактовая частота микроконтроллера стабилизирована кварцевым
резонатором ZQ1. Его частота (4,096 МГц) выбрана так, чтобы было удобно
использовать её для измерения временных интервалов. К линии порта RA0 (вывод
17) микроконтроллера через токоограничивающий резистор R3 подключена кнопка
SB1. Если её контакты разомкнуты, на этой линии порта присутствует низкий
уровень, если замкнуты - высокий. Для отображения информации применён ЖКИ HG1
со встроенным контроллером. Он отображает две строки по шестнадцать символов в
каждой и снабжён светодиодной подсветкой.
Управление индикатором осуществляет микроконтроллер DD1 по
линиям RBO, RB1 и RB4-RB7, загрузка данных происходит полубайтами. Подборкой
резистора R7 устанавливают желаемую контрастность изображения. На линии порта
RB2 формируется сигнал управления полевым транзистором VT1, который включает
(выключает) подсветку ЖКИ, резистор R6 - токоограничивающий. На линии порта RB3
формируется импульсный сигнал частотой 4 кГц, который через резистор R4
поступает на акустический излучатель НА1.
Питают устройство от внешнего источника постоянного или
переменного напряжения 8... 12 В, потребляемый ток не превышает 130 мА. Диодный
мост VD1 выпрямляет переменное напряжение или подводит постоянное напряжение к
элементам устройства в требуемой полярности. Напряжение питания
микроконтроллера и ЖКИ стабилизировано интегральным стабилизатором DA1,
конденсаторы С1-СЗ, С6, С7 - сглаживающие.
После подачи питающего напряжения происходит считывание
данных из EEPROM микроконтроллера. Звучит короткий однократный звуковой сигнал
и включается подсветка индикатора HG1. В его верхней строке появляется надпись
«Record Рекорд». Справа выводится лучший результат текущего сеанса - при первом
включении это максимально возможный измеряемый временной интервал - 9,999 с.
Слева - лучший результат за всё время работы прибора, при первом включении
также 9,999 с.
До нажатия кнопки SB1 происходит генерация значения
длительности предстартовой паузы. Она составляет от 1 до 8,2 с и носит
случайный характер. После нажатия на кнопку SB1 и её отпускания начнётся отсчёт
предстартовой паузы, сброс информации ЖКИ, отключение его подсветки. Затем
акустический излучатель подаёт однократный звуковой сигнал. По истечении паузы
наступает момент старта - включается подсветка ЖКИ, звучит звуковой сигнал
(световой сигнал) и начинается отсчёт времени. Прибор измеряет время реакции в
интервале 0.001...9,999 с шагом 0,001 с.
Если испытуемый не нажимает на кнопку в течение 9,999 с,
звуковой сигнал прекращается и прибор переходит в исходное состояние, когда
отображаются лучшие результаты. При нажатии на кнопку в течение указанного
временного интервала происходит остановка счёта, звуковой сигнал отключается.
На верхней строке ЖКИ появляется надпись «Reaction Реакция», на нижней слева -
число измерений (максимум 255), справа - измеренное время реакции.
Далее проводятся сравнения полученного результата с лучшими
результатами за текущее и за всё время работы прибора. При фиксации нового
рекорда происходит перезапись данных в EEPROM микроконтроллера. После нажатия
на кнопку SB 1 и её отпускания прибор переходит в исходное состояние. Если
нажать на кнопку до момента старта (фальстарт), зазвучит двукратный звуковой
сигнал, включится подсветка ЖКИ и в верхней строке появится надпись «F.start Ф.
старт». Через несколько секунд прибор перейдёт в исходное состояние [23].
Ход работы:
1 Включите прибор, установив тумблер в положение «Вкл.» После
подачи питающего напряжения, звучит короткий однократный звуковой сигнал и
включается подсветка индикатора. В его верхней строке появляется надпись
«Record Рекорд». Справа выводится лучший результат текущего сеанса, слева -
лучший результат за всё время работы прибора.
Сядьте за столом в удобной позе. Испытуемый должен смотреть
только на блок светового (звукового) сигналов. Переведите правый тумблер в
положение «Звук».
Положите руку на панель органов управления установки (кнопка
«Пуск/Сброс», компьютерную мышь) так, чтобы указательный палец правой (левой)
руки свободно располагался на кнопке.
Нажмите кнопку «Пуск/Сброс». После нажатия на кнопку и её
отпускания начнётся отсчёт предстартовой паузы, сброс информации ЖКИ,
отключение его подсветки. Затем акустический излучатель подаёт однократный
звуковой сигнал и начинается отсчёт времен. По истечении паузы наступает момент
старта - включается подсветка ЖКИ, звучит звуковой сигнал и начинается отсчёт
времени. Прибор измеряет время реакции в интервале 0.001...9,999 с шагом 0,001
с.
При появлении звукового сигнала, необходимокак можно быстрее,
нажать на кнопку мыши и остановить счёт, звуковой сигнал отключается. На
верхней строке ЖКИ появляется надпись «Reaction Реакция», на нижней слева -
число измерений (максимум 255), справа - измеренное время реакции.
Нажмите на кнопку «Пуск/Сброс», в результате чего прибор
переходит в исходное состояние. Если нажать на кнопку мыши до момента старта (фальстарт),
зазвучит двукратный звуковой сигнал, включится подсветка ЖКИ и в верхней строке
появится надпись «F.start Ф. старт». Через несколько секунд прибор перейдёт в
исходное состояние.
Измерение необходимо проводить от 10 до 30 раз, затем найти
среднее значение времени реакции. Переключив тумблер в положение «Свет»,
повторите действия 1-13.
Из полученных результатов отнимите время, затраченное на
движения фалангой пальца (0.17 сек.). Полученное значение времени реакции на
световой и звуковой раздражители, сравните со значениями, приведенными в
таблице 3.
Выводы: для данной лабораторной работы было создано
устройство психофизиологического тестирования «Рефлексометр»» с подробным
описанием заданий, с указаниями к выполнению работы.
Для определения скорости сенсомоторной реакции исследовались
добровольцы обоего пола в возрасте от 19 до 23 лет в различном
психоэмоциональном состоянии. Тест проводился в условиях тишины и отсутствия
других раздражителей, в удобном положении тела и наличием опоры для локтя, чтобы
уменьшить влияние статического сокращения мышц руки. Для определения скорости
простой сенсомоторной реакции испытуемым предъявлялись визуальные раздражители
в виде лампы зеленого цвета диаметром 0,3 см. и звукового сигнала. При
появлении необходимого сигнала - зеленого цвета, задача добровольца -
максимально быстро нажать на клавишу. Время между появлением сигналов было
случайным и колебалось от 1 до 7 секунд. Испытуемые были предупреждены, что в
каждой серии исследования сначала им будут предъявляться 10 световых
(исследование времени простой сенсомоторной реакции), затем 10 звуковых,
сигналов.
Испытание проводилось на 15 испытуемых, 5 из которых
находились заторможенном состоянии.
Оценивалось только время сенсомоторной реакции, ошибки
выполнения задания исключались. С целью борьбы с артефактами исключались первые
значения в каждой реакции, время которых превышало 2000 мс. Последние заведомо
превышают время сенсомоторной реакции и чаще всего связаны с отвлечением
испытуемых от выполнения теста.
По результатом проведенных исследований следует, что у десяти
студентов время среднее время реакции на световой раздражитель приблизительно
равно 0,327 с, на звуковой - 0,302 с. Эти значения соответствуют нормой для
обычного, нетренированного человека. У пятерых студентов, находящихся в
заторможенном, вызванных непродолжительным сном, среднее время реакции на
световой раздражитель было равным 0,497, на звуковой раздражитель - 0,472 с.
Эти значения соответствуют низкой простой сенсомоторной реакции.
Тем не менее эти результаты являются нормой, т.к. время
реакции человека находится в промежутке от 0,1 до 0,5 сек. Например, время
продолжительности формирования ответного действия водителя на сигналы светофора
в населенном пункте 0,3-0,4 с. Время реакции зависит от степени тренерованности
человека. У более тренерованных людей время реакции достаточно низкая, примерно
0,13-0,15 с. На время реакции влияют такие факторы как утомляемость,
невнимательность, прием тонизирующих веществ или алкоголя. При приеме небольшой
его дозы алкоголя, время реакции увеличивается в 2-4 раза.
.3 Лабораторная работа «Определение поля зрения глаза, поле
обзора. Обнаружение слепого пятна»
Цель работы:
Определение поля зрения правого и левого глаза для белого,
синего, красного и зеленого цветов; определение положения слепого пятна.
Приборы и принадлежности:
Периметр Форстера, транспортир со стрелкой, магнит, диски с
цветными наклейками (маркёры).
Краткая теория:
Полем зрения называется пространство, видимое глазом человека
при фиксации взгляда в одной точке. Величина поля зрения у различных людей
неодинакова и зависит от глубины расположения и формы глазного яблока,
надбровных дуг и носа, сетчатки глаза, а также функционального состояния
организма. Различают цветовое (хроматическое) и бесцветное (ахроматическое)
поля зрения. Ахроматическое поле зрения больше хроматического, так как оно
обусловлено деятельностью палочек, которых больше, и расположены они
преимущественно на периферии сетчатки. Для различных цветов поле зрения также
неодинаково: больше всех оно для белого маркёра (горизонтальная протяженность
составляет примерно 180°, а самое узкое для зеленого. Границы ахроматического
поля зрения составляют: кнаружи - примерно 100°, кнутри и кверху - 60° и книзу
- 65° (рисунок 9) [24].
Рисунок 9 - Периметрический снимок ахроматического и
хроматического полей зрения
- поле зрения черно-белого видения; 2 - поля зрения для
желтого цвета, 3- поля зрения для синего цвета, 4- поля зрения для красного
цвета, 5 - поля зеленого цвета.
Полем обзора называется область, воспринимаемая подвижным
глазом при неподвижной голове.
Слепое пятно называется область на сетчатке, которая не
чувствительна к свету, место входа зрительного нерва из глазного яблока - диск
зрительного нерва. При попадании изображения в область слепого пятна оно
становится невидимым.
Слепые пятна в двух глазах находятся в разных местах
(симметрично), поэтому при нормальном использовании обоих глаз они незаметны;
кроме того, мозг корректирует воспринимаемое изображение; потому для
обнаружения слепого пятна необходимы специальные приёмы. Со стороны носа, а
следовательно вне оптической оси глаза, к area centralis примыкает зрительный
диск, где собираются зрительные нервные волокна, покидающие глаз в составе зрительного
нерва. Эта область лишена фоторецепторов, нечувствительна к свету и именуется
слепым пятном [25].
Методика исследования поля зрения на периметре Ферстера
состоит в следующем. Больного помещают в светлой комнате спиной к окну. Один
глаз закрывают монокулярной повязкой, подбородок устанавливают на подставку
периметра. Исследуемым глазом больной неподвижно фиксирует белую точку в центре
дуги периметра.
Для определения границ поля зрения на белый цвет белый объект
диаметром 5 мм медленно передвигают от периферии к центру до тех пор, пока
больной, продолжая фиксировать центральную точку, не увидит белого объекта, о
чем он сообщает ударом карандаша по столу. Деление дуги, на которой больной
заметил белый объект, соответствует границе поля зрения. Полученные данные
наносят на круговую систему координат (образец) (рисунок 10).
Рисунок 10 - Круговая система координат (образец)
Ход работы:
Подготовка установки к работе
Прикрепите периметр к краю рабочего стола при помощи струбцины,
стержня, зажимной стойки и прямоугольного зажима так, чтобы открытая часть
периметра была повернута к окну.
2 Вкрутите указатель в штатив (не касаясь стержня периметра)
вертикально прямо и закрепите его при помощи рифленой гайки.
Прикрепите шкалу транспортира к стержню периметра так, чтобы
она находилась строго горизонтально и крепилась при помощи рифленой гайки.
При помощи зажимной стойки прикрепите столик на ножке к
штативной основе, отрегулируйте его высоту, чтобы глаз испытуемого находился
точно по центру периметра.
В качестве проверки поверните периметр на 360º. Шкала транспортира должна вращаться вместе с периметром, а
периметр не должен ударяться о струбцину или столик на ножке. Затем закрепите
периметр в горизонтальном положении.
Порядок выполнения работы
1 Усадите тестируемого так, чтобы ему удобно было держать
голову на столике длительное время без движения (при необходимости
отрегулируйте высоту стула).
Глаза испытуемого должны быть направлены в точку внутреннего
центра периметра в течение всего эксперимента. Прикрепите белый маркер к
периметру во внутреннем центре как ориентир для глаза. Другой глаз должен быть
закрыт в течение эксперимента. Передвигайте белые или цветные маркеры через
поле зрения при помощи магнита с внешней стороны периметра.
Передвигайте белый маркер из точки внешней границы в центр
внутренней поверхности периметра до тех пор, пока тестируемый не заметит его
(глаза испытуемого при этом должны смотреть в центр). Определите значение по
шкале за периметром и внесите его в круговую систему координат (рисунок 12).
Рисунок 12 - Нормальные граница поля зрения
Повторяйте измерение с шагом в 30º (отсчитывая на шкале транспортира) до тех пор, пока поле зрения
не будет полностью нанесено на круговую систему координат. Затем проведите
аналогичные измерения для второго глаза.
Не информируя испытуемого, повторите эксперимент с синими,
красными и зелеными маркерами (часто меняйте цвета). Тестируемый должен
сообщать, как только увидит цвет маркера (как правило, бесцветный, сероватый
маркер замечается гораздо раньше).
Обнаружение поля обзора
Повторите эксперимент предыдущего раздела для белого цвета
при неподвижной голове, но подвижном глазе. Экспериментальные данные нанесите
на диаграмму. Объясните разницу полученных диаграмм.
Определение слепого пятна
Для обнаружения слепого пятна необходимо закрыть левый глаз,
правым смотреть вперед и медленно отодвигать предмет (диск с белой наклейкой)
из поля зрения в правую сторону до тех пор, пока в каком-то месте поля зрения
этот предмет неожиданно исчезнет. Эксперимент проводить при горизонтальном
положении периметра.
На удалении 12-18º от центра в височной
половине располагается слепое пятно. Это - физиологическая абсолютная скотома.
Скотома - слепой участок в поле зрения, не связанный с его
периферическими границами. Область сетчатой оболочки глаза с частично
изменённой или полностью выпавшей остротой зрения, окружённая нормальными или
относительно сохранными световоспринимающими элементами глаза («палочками» и «колбочками»)).
Она соответствует проекции диска зрительного нерва.
Увеличение слепого пятна имеет диагностическое значение.
Центральные скотомы выявляют при кампиметрии. Пациент
фиксирует взглядом светлую точку в центре плоской черной доски и следит за появлением
и исчезновением белой (цветной) метки, которую врач перемещает по доске, и
отмечает границы дефектов поля зрения.
Центральные и парацентральные скотомы появляются при
поражении папилломакулярного пучка зрительного нерва, сетчатки и хормодеи. Центральная
скотома может быть первым проявлением рассеянного склероза.
Вывод: Исследование по данной лабораторной работе проводилось
на студентах 2 и 3 курсов, специальности «Инженерное дело в
медико-биологической практике» и направления «Физика (бакавриат)». Всего было
исследовано 15 человек.
Студентам было предложено описание лабораторной работы с
подробными указаниями к выполнению исследования. После выполнения данного
эксперимента, учащиеся должны били нанести данные по эксперименту на круговую
систему координат (рисунок 13,14), указав на ней место нахождения слепого
пятна.
Рисунок 13 - Поля зрения и слепого пятна левого глаза
Подведя итоги эксперимента можно сказать, что у студентов
слепое пятно находится на удалении 12-25º от центра в височной
половине, что соответствует нормой, т.к. это физиологическая абсолютная
скотома.
4. Педагогический эксперимент
.1 Описание условий проведения эксперимента
После того как был создан лабораторный практикум, стало
необходимым провести практическую проверку его работоспособности. Эксперименты
были проведёны на базе лаборатории биофизики ауд. 312 С физико-технического
факультета Кубанского Государственного Университета. Испытуемыми стали
некоторые преподаватели, студенты 3-го курса специальности «Инженерное дело в
медико-биологической практике», 2 курса направление «Физика (бакалавриат)» и
магистров 1 курса направления ««Радиофизика»» изучающие Биофизику.
Студенты выполняли работу в несколько этапов:
изучение методического материала;
получение допуска к выполнению работы;
выполнение лабораторной работы на реальной установке;
отчёт по выполненной работе.
Поэтапное проведение эксперимента дало возможность оценить
качество каждой части практикума и исправлять обнаруженные недочёты по мере их
возникновения.
4.2 Проведение педагогического эксперимента
На первом этапе студентам был предоставлен подобранный и
составленный мною методический материал, который включает в себя не только
общие теоретические данные по теме биофизика зрения, но и описание заданий с
указаниями к выполнению.
Второй этап - выполнение лабораторной работы. Это самая
ответственная часть работы. Сложность заключалась в том, что реальную установку
перед работой нужно настроить, а так как установка весьма точная, то настраивать
нужно очень аккуратно. Да и непосредственное проведение опытов требует большой
аккуратности. Выполнение работы вызвало меньше затруднений, у студентов, в
отличие от тех студентов, которые не прошли предыдущий этап. Но, не смотря на
все сложности, студентам очень понравилось работать с новыми приборами, так как
весь эксперимент приближен к реальным исследованиям на диагностической
аппаратуре, которые выполняются в больницах: определение поля зрения,
построение аудиограммы. По полученным результатам ребята могли почти достоверно
определить наличие той или иной болезни.
Заключением стал отчёт по выполненной работе. Для студентов,
которые прошли предыдущие два этапа, пройти третий этап защиты не составило
большого труда. Материал, который содержится в описании к работе, достаточно
широко охватывает и работу и теорию. Во время сдачи отчёта знания студентов
проверялись по тестам и контрольным вопросам, которые включены в документ с
описанием к лабораторной работе. Нужно было проверить знания студентов не
только теоретические, но и практические, то есть студент должен знать не только
по какой формуле нужно вычислять экспериментальные данные, но и как называются
и как выглядят те или иные составляющие на установке.
Заключение
В результате исследования обзора литературы выяснено, что в
принятой в настоящее время системе методов обучения важное место занимают
практические методы. Наибольшее значение имеет учебный эксперимент в обучении
естественным наукам, которые являются экспериментальными. Если не проводить
лабораторных работ, то теория останется без практического применения и
понимания.
Лабораторные занятия в наибольшей степени требуют активной
деятельности студента по сравнению с другими формами организации обучения. Они
предусматривают обязательное общение преподавателя с каждым студентом и
позволяют эффективно управлять его самостоятельной работой.
Дидактический материал лабораторных работ создан на основе
анализа литературных источников и информации, полученной при помощи глобальной
всемирной информационной сети Internet.
В результате проделанной работы были усовершенствованы
некоторые лабораторные работы и собрано два новых прибора, на основе которых
были разработаны новые лабораторные работы.
В результате выполнения дипломной работы разработано методическое
пособие по биофизике (лабораторный практикум) на новом оборудовании, которое по
своим характеристикам соответствующим медицинскому оборудованию. Создана
экспериментальная база для проведения лабораторных работ по биофизике.
Апробирование результатов было проведено на студентах 3 курса, специальности
«Инженерное дело в медико-биологической практике», 2 курса направления «Физика
(бакалавриат)» и на группе магистров, направления «Радиофизика».
Разработанные лабораторные работы успешно применяются в
преподавании биофизики в университете.
Список использованных источников
1
Лазарев В.С. Управление инновациями в школе. Учебное пособие - М., Центр
педагогического образования, 2008.-532 с.
.
Психолого-педагогический словарь для учителей и руководителей
общеобразовательных учреждений. - Ростов-на-Дону: «Феникс», 1998.-554с.
Фіцула
М.М. Навчальний посібник для студентів вищих педагогічних закладів освіти. -
Тернопіль: 2 Навчальна книга - Богдан», 1997.-192с.
Арыдин
В.М., Атанов Г.А. Учебная деятельность студентов / Справочное пособие для
абитуриентов, студентов, молодых преподавателей /.-Донецк: ЕАЧ-пресс, 2000
г.-80с.
5
Чернилевский Д.В. Технологи обучения в средней специальной школе /Учебное
пособие для студентов педагогических учебных заведений /.-К:ВШ,1990.-198с.
Ашеров
А.Т., Сашко Г.И. Построение лабораторных работ по изучению педагогических
технологий с опорой на структуру деятельности специалиста / Управління якістю
педагогічної освіти /Збірник матеріалів П Міжнародної науково-практичної
конференції. - Донецьк:ДІПО І ППАПН України,2002.-136с.
Ашеров
А.Т. Подготовка, экспертиза и защита диссертации / Учебное пособие.- Харьков:
Издательство УИПА, 2002.-135с.
Советский
энциклопедический словарь - М.: Советская энциклопедия, 1984.
Якунин
В.А. Педагогическая психология - СПб: Полиус,1998.
Комплекс
нормативных документов для разработки составляющих систем и документов высшего
образования.- К.,1988.
11
Белова К.: Проблеми інженерно-педагогічної освіти: збірник наук. пр. / Укр.
інж.-пед. акад.. - Х., 2003.- Вип. 5. - С. 218-225.
12
Талызина Н.Ф. Педагогическая психология: Учебник для студентов средних
педагогических учебных заведений. 3-е издание стапеотип..-М.:Издательский центр
«Академия»,1999.-288с.
Кудрявцев
Т.В. Психология технического мышления.- М: ВШ,1975.-303с.
Кудрявцев
Т.В. Психология технического мышления.- М: ВШ,1975.-303с.
Рогинский
В.М. Азбука педагогического труда / Пособие для начинающих преподавателей
технического вуза /.- М: ВШ,1990.-112с.
Мелецинек
А. Инженерная педагогика. - М.: МАДИ (ГУ),1998.-185с.
Басова
Н.В. Педагогика и практическая психология.- Ростов-на-Дону: Феникс,1999.
Вологдин
Э.И. Слух и восприятие звука: [Курс лекций] / Э.И. Вологдин. -
Санкт-Петербург,2012. - 36 с.
Тавартиладзе
Г.А., Гвелесиани Т. Г. Клиническая аудиология.-М.: Святигор Пресс, 2003.- 74 с.
ГОСТ
Р ИСО 389-7-2011. Опорный порог слышимости при прослушивании в условиях
свободного и диффузного звукового полей.-М.:Стандартинформ, 2012.-6 с.
Милов
В.Н., Щляхтин Г.С. Измерение времени сенсомоторных реакций человека: [ Методические
указания к лабораторным работам по курсу «Общий психологический практикум (Тема
1. Психомоторика)»].-Нижний Новгород, 2001.-3-4 с.
Кирой
В.Н. Физиологические методы в психологии: [учебное пособие] / Кирой В.Н.-
Ростов-на-Дону: Изд-во ООО «ЦВВР», 2003 - 224 с.
Ковалев
А. Прибор для измерения времени реакции / Ковалев А.// Радио. - 2012. - № 3. -
C. 49-50.
Глазные
болезни: Учебник / Под ред. В.Г. Копаевой. - М.:Медицина, 2002. -560 с.
Слепое
пятно // Свободная энциклопедия: Википедия. - 2013. (Рус.).- URL:
http://ru.wikipedia.org/wiki/Слепое_пятно [15.03.2013].