|
Параметры
|
Fadal
VMC 3016
|
ГФ 2171.С5
|
6ДМ80ШФ2
|
ГФ 3171M
|
CNC KNUTH WF4.2 2
|
|
Размеры рабочей
поверхности стола, мм
|
990 х 406
|
1600 х 400
|
320 х 800
|
1600 х 400
|
320 х 800
|
|
Рабочая зона
Перемещение по оси X (продольное): мм Перемещение по оси Y (поперечное): мм
Перемещение по оси Z (вертикальное): мм
|
762 406.4 508
|
1010 400 430
|
1000 400 400
|
1010 400 400
|
500 350 400
|
|
Скорость
перемещения в режиме быстрого хода (X/Y/Z): м/мин
|
25.4
|
7
|
3
|
7
|
3
|
|
Скорость подачи
в режиме резания: (X/Y/Z): м/мин
|
20.32
|
7
|
3
|
7
|
3
|
|
Скорость
вращения шпинделя: об/мин
|
15000
|
2500
|
12000
|
8000
|
4000
|
|
Мощность кВт
|
11
|
7,5
|
26
|
7,5
|
|
Максимальная
длина инструмента: мм
|
381
|
250
|
95
|
250
|
95
|
|
Максимальный
диаметр инструмента: мм
|
76.2
|
25
|
15
|
25
|
15
|
|
Габаритные
размеры, мм: длина ширина высота
|
2500 2120 2460
|
3100 3135 2850
|
2420 2760 2015
|
2600
2600 3250
|
2900 2150 2330
|
|
Масса, кг
|
3878
|
5700
|
3250
|
6800
|
2000
|
Для того чтобы станок обладал высокими техническими
характеристиками, необходимо, чтобы его показатели качества находились в
требуемых пределах в течение всего периода эксплуатации и обеспечивали
изготовление продукции заданной точности. Поэтому необходимо оценить начальные
(статические) показатели качества станков.
Для сравнения станков используются такие важные параметры,
как: частота вращения шпинделя, влияющая на шероховатость обработки детали;
мощность электродвигателя главного движения, влияющая на окружную скорость
фрезы и силу резания при фрезеровании; категории ремонтной сложности, влияющие
на время ремонта оборудования; индекс точности, влияющий на точность обработки
заготовки; ресурс точности - время в течении которого станок сможет
поддерживать необходимую точность без настройки; радиальное биение шпинделя,
влияющее на точность обработки детали и другие параметры. Сравнивая параметры
предложенных станков с нашим станком, делаем выводы о пригодности станка по
выбранным параметрам сравнения.
Краткие сведения станков-аналогов.
Fadal VMC 3016 - Вертикально-фрезерные
станки, выпущенные компанией Fadal, отличаются высоким качеством исполнения,
надежностью и точностью в работе. Производитель предлагает широкий выбор
фрезерных обрабатывающих центров, поэтому Вы без труда найдете удовлетворяющий
всем Вашим требованиями станок. Следует отметить, что продукция Fadal отличается оптимальным
сочетанием цена-качество.
Вертикально-фрезерный станок от компании Fadal отличается
характеристиками, позволяющими качественно выполнять свои функции. ЧПУ,
устанавливаемое на оборудование, обеспечивает его высокую производительность.
Удобство работы со станками определяется возможностью просмотра микрокоманд на
жидкокристаллических экранах, которыми оснащаются все модели
вертикально-фрезерных станков.
ГФ 2171.С5 - Фрезерный станок по металлу с ЧПУ ГФ2171.С5
и МСИ на 12 инструментов - предназначен для обработки деталей сложной
конфигурации из стали, чугуна, цветных и легких металлов, а также других
материалов. Наряду с фрезерными операциями на станке можно производить точное
сверление, растачивание, зенкерование и развертывание отверстий.
Большая мощность привода главного движения, широкий диапазон
подач и частот вращения шпинделя, высокая жесткость конструкции фрезерного
станка ГФ2171 позволяют применять фрезы, изготовленные из быстрорежущей стали,
а также инструмент, оснащенный пластинками из твердых и сверхтвердых
синтетических материалов.
Фрезерный станок с ЧПУ ГФ2171 оснащен трех-координатным
устройством ЧПУ системы NC-210 и электроприводами подач OMRON (Япония), что
позволяет производить обработку сложных криволинейных поверхностей.
ДМ80ШФ - Универсальный фрезерный с ЧПУ 6ДМ80ШФ2 с
крестовым столом предназначен для выполнения всех видов фрезерных работ,
сверления, зенкерования и растачивания отверстий на деталях из черных и цветных
металлов, их сплавов и пластмасс в единичном, мелкосерийном и серийном
производстве, что позволяет существенно расширить технологические возможности
инструментального фрезерного станка.
Применение в приводе подач серводвигателя с частотным
бесступенчатым регулированием, в сочетании с оригинальным конструктивным
решением автоматической раздачи движения на управляемые оси, дало возможность
задания параметров обработки и последовательности перемещений рабочих органов
станка непосредственно с пульта оператора.
Конструктивные особенности универсального фрезерного станка с
ЧПУ по металлу 6ДМ80ШФ2 использование комплектующих изделий ведущих зарубежных
фирм, таких как Merlin Gerin, Lenze, Mitsubishi Electric, позволили обеспечить
максимальное удобство в работе, охватить широкий диапазон режимов обработки,
повысить надежность и производительность станка и достичь наибольших
показателей точности и качества обработки.
Вертикально-фрезерный станок с ЧПУ ГФ3171М предназначен для
обработки деталей сложной конфигурации из стали, чугуна, цветных и легких
металлов, а также других материалов. Наряду с фрезерными операциями на станках
можно производить точное сверление, растачивание, зенкерование и развертывание
отверстий.
Большая мощность привода главного движения, широкий диапазон
подач и частот вращения шпинделя, высокая жесткость конструкции станков
позволяют применять фрезы, изготовленные из быстрорежущей стали, а также
инструмент, оснащенный пластинками из твердых и сверхтвердых синтетических
материалов.
Вертикально-фрезерный станок с ЧПУ ГФ3171М оснащен трех или
четырех-координатным устройством ЧПУ и следящими электроприводами подач, что
позволяет производить обработку сложных криволинейных поверхностей.
Станки выпускаются в различных модификациях по напряжению и
частоте питающей сети. Поставляются запасные части.
Комплектуются системами ЧПУ NC-210, NC-200, NC-110, FMS-3000,
4СК, МАЯК, SINUMERIC-802D.
По желанию заказчика станки могут быть оснащены любыми
другими системами ЧПУ.
Основные преимущества
вертикально-фрезерного станка с ЧПУ ГФ3171М.
Более высокие верхний предел частот вращения и мощность
шпинделя позволяют эффективно использовать современный режущий инструмент,
оснащенный пластинками из сверхтвердых композиционных материалов.
Увеличение скорости быстрых перемещений и рабочих подач делает
станок более производительным.
Реверсивный привод главного движения вертикально-фрезерного
станка с ЧПУ ГФ3171М обеспечивает технологическую возможность нарезание на
станке резьбы метчиками без применения специального патрона.
Отсутствие подвижной консоли позволяет устанавливать на столе
станка заготовки значительно большей массы.
Моноблочная компоновка станка (под крюк) без отдельно стоящих
станции управления и гидростанции позволяет существенно сократить
производственные площади, занимаемые станком.
CNC станок KNUTH WF 4.2 для универсального
применения в мастерских.
· Гасящие вибрации
технические характеристики, благодаря массивной конструкции с ребрами
жесткости;
· Полностью закрытый
рабочий стол обеспечивает защиту окружения от стружки и охлаждающей жидкости;
· Лоток для стружки под
рабочим столом для удобного удаления остатков материала;
· Оптимальные затраты
времени на оснастку, благодаря гидравлическому зажиму инструмента (стандартная
комплектация);
· Ход пиноли вертикальной
фрезерной головки позволяет производить обработку в ручном режиме;
· Закаленные направляющие с
антифрикционным покрытием, которое уменьшает трение и износ сопряженных
поверхностей, таким образом увеличивая срок службы деталей;
· Бесступенчатая
регулировка частоты вращения шпинделя (40 - 4000 об/мин) позволяет обработку
разнообразных материалов;
· ЧПУ GPlus 450 с
интуитивным управлением способствует максимальной эффективности и
рентабельности использования CNC-станка.
При рассмотрении вышеуказанных станков, сравнение их технических
характеристик. Можно сделать вывод о том, что наиболее подходящим по размеру
стола и мощности электродвигателя, частоте оборотов и рабочей зоне
использования в качестве прототипа является вертикальный обрабатывающий центр Fadal VMC 3016.
.3 Компоновка, конструктивные проработки и
описание станка прототипа
Fadal VMC 3016 - Вертикально-фрезерный
станок от компании Fadal отличается характеристиками, позволяющими качественно выполнять
свои функции. ЧПУ, устанавливаемое на оборудование, обеспечивает его высокую
производительность. Удобство работы со станками определяется возможностью
просмотра микрокоманд на жидкокристаллических экранах, которыми оснащаются все
модели вертикально-фрезерных станков.
Движения в станке
Компоновка шпиндельного узла - вертикальная.
Главные движения:
· Вертикальное перемещение фрезерной
головки, которое осуществляется при помощи механизма подъема. (Y)
· Поперечное перемещение фрезерной головки.
(Z)
· Продольное перемещение фрезерной головки.
(X)
· Вращение фрезы.
· Автоматическое продольное перемещение стола.
1.4
Определение класса точности станка
Требуемый класс точности МРС для обработки деталей заданной
точности принимается на основании расчетов и анализа.
Первый параметр R рассчитывается по данным рабочего чертежа по
наиболее точному размеру и качеству поверхности.
,
где,
- шероховатость детали
- допуск на размер, определяем по наиболее точному размеру и
качеству поверхности, определяем для размера
сравниваем с
табличным, ближайшим для соответствующего класса точности станка
по таблице 3.2.1
Таблица 3.2.1
|
R
|
A
|
P
(x)
|
|
Н
|
0.05
|
0.56
|
0.85
|
|
П
|
0.025
|
0.32
|
0.9
|
|
В
|
0.0125
|
0.25
|
0.99
|
|
А
|
0.0063
|
0.2
|
0.999
|
|
С
|
0.0032
|
0.6
|
0.9999
|
Принимаем класс точности станка - П
Определяем значение радиального биения для шпинделя
2.
Технологическая часть
.1
Расчет режимов резания
. Определение скорости резания:
Скорость резания определяем по формуле:
,
где значения коэффициента Сv, периода стойкости Т и показателей степени, приведенные в таблице
3.3.1, взяты из [10]
Таблица 3.3.1
|
qxytmpUBSТ
|
|
|
|
|
|
|
|
|
|
|
|
234
|
0.44
|
0.24
|
0.26
|
3
|
0.37
|
0.13
|
0.1
|
30
|
0,1
|
80
|
Общий поправочный коэффициент на скорость резания учитывающий
фактические условия резания определяется по формуле[10]:
,
где коэффициент, учитывающий качество обрабатываемого
материала:
;
,
,
,
коэффициент учитывающий состояние поверхности заготовки:
,
коэффициент учитывающий материал заготовки:
,
Тогда скорость резания будет равна
.
2.2 Определение
силы резания
Главная составляющая сила при фрезеровании - окружная сила,
определяется по формуле [10]:
,
где z-число зубьев фрезы, n - частота вращения фрезы.
Таблица 3.3.2
|
Ср
|
х
|
у
|
U
|
q
|
w
|
|
12.5
|
0.85
|
0.75
|
1
|
0.73
|
-0.13
|
Поправочный коэффициент на качество обрабатываемого материала
равен:
.
Тогда сила резания будет равна:
Определение мощности резания(эффективной)
Определение КПД
Подшипники (8) - 0.98
Ременные передачи (1) - 0.98
.3
Выбор марки двигателя
Правильный выбор электродвигателя, особенно по мощности,
правильная установка имеют важное значение для нормальной работы станка. Если
мощность двигателя занижена, то возможности станка не будут полностью
использованы, возможны значительные сокращения срока службы и аварий
электродвигателя. Завышение мощности ведет к систематической недогрузки
электродвигателя и соответственно понижению его КПД. При работе
электродвигателя с непрерывной, постоянной нагрузкой выбирают двигатель с
равной или несколько большей номинальной мощностью.
Приведенная мощность резания
,
При выборе электродвигателя пользуемся [12]. Выбираем асинхронный
двигатель марки 4АМ90L2У3 ГОСТ
215150-69 с синхронной частотой
и мощностью 3 кВт.
АМ90L2У3: 4 - порядковый номер серии; А - вид
двигателя - асинхронный; станина и щиты чугунные или стальные; М -
модернизированный; 90 - высота оси вращения ротора; L-высота оси вращения; 2 - число полюсов; У3 - климатическое
исполнение и категория размещения (для работы в зонах с умеренным климатом) по
ГОСТ 215150-69.
Частота асинхронная будет равна:
где f = 50 Гц - частота тока, Гц= 1 - число пар полюсов= 4.6% = 0,046
- коэффициент скольжения
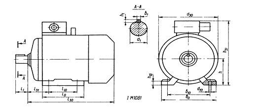
Рисунок 3.4.1
Эскиз электродвигателя
Габаритные размеры электродвигателя
|
Двигатель
|
Габаритные
размеры
|
Установочные и
присоединительные размеры
|
|
l30
|
h31
|
d30
|
l1
|
l10
|
l31
|
d1
|
d10
|
b10
|
h
|
|
ГОСТ 215150-69
|
350
|
243
|
208
|
50
|
125
|
56
|
24
|
10
|
140
|
90
|
2.4 Разработка кинематической схемы механизма
главного движения
При проектировании для передачи вращательного движения от
двигателя к шпинделю главного движения используем клиноременную передачу.
Определяем диаметр шкива шпинделя, мм
,
где N - мощность резания, кВт
- число оборотов шпинделя, мин-1.
,
где
- скорость резания

Определяем диаметр шкива на двигатель
Принимаем
по ГОСТ 20889-75
Уточняем число оборотов шпинделя, мин-1.
В ременной передаче будем использовать плоский хлопчатобумажный
цельнотканый пропитанный ремень.
Межосевое расстояние, мм
Угол обхвата меньшего шкива
Длина ремня, мм
Ширина ремня, мм
,
где
- допускаемая удельная окружная сила на
единицу ширины, Н/мм.
- поправочный коэффициент, зависящий от рода и расположения
передачи,
- поправочный коэффициент на влияние угла обхвата,
- поправочный коэффициент на влияние скорости,
- поправочный коэффициент на влияние режима работы.
В соответствии со стандартом принимаем ширину ремня 20 мм.
3.
Конструкторская часть
.1 Расчет и выбор параметров шпинделя
Шпиндель, являющийся конечным звеном привода главного
движения и предназначенный для крепления инструмента или заготовки оказывает
существенно, часто лимитирующее, влияние на точность, производительности и
надежность всего станка. Шпиндельные узлы станков в соответствии с
предъявляемыми к ним требованиям должны обеспечить следующее:
1. Передачу на инструмент или заготовку расчетных
режимов для заданных технологических операции.
2. Точность вращения, оцениваемую радиальным и осевым
биением переднего конца шпинделя.
. Жесткость (радиальная и осевая), определяемая по
деформации шпинделя под нагрузкой. Деформация шпиндельных узлов в общем балансе
упругих перемещений доходит до 50%. Исходя из нормальной работы подшипников,
жесткость на участках между опорами ограничивают величиной 500-700 Н/мкм.
. Высокие динамические качества, которые определяются
амплитудой колебаний переднего конца шпинделя и частотой собственных колебаний.
Желательно что бы собственная частота шпинделя была не ниже 500-600 Гц.
. Минимальные тепловыделения и температурные
деформации шпиндельного узла.
. Долговечность шпиндельных узлов.
Для шпинделя станка выбираем материал Сталь 40Х ГОСТ 4543-71,
с поверхностной закалкой с нагревом ТВЧ до твердости HRCв 48-56
Метод смазывания определяется надежностью работы шпиндельного
узла. Метод циркуляционного смазывания более всего оптимален для данного
станка.
Для уплотнения шпинделя используем контактное манжетное
резиновое армированное уплотнение с пружиной.
Определяем минимальный диаметр шпинделя по условию жёсткости,
так как этот способ отвечает всем ограничениям по условию прочности, поэтому расчёт
считается достаточным.
где Nдв - мощность двигателя МГД, кВт;
nр -
рабочая частота вращения шпинделя (6-я), об/мин.
Исходя из соображений оптимальной массы вала и необходимых
размеров под конус ВТ45, принимаем диаметр 80 мм под сдвоенные подшипники.
Общую длину шпинделя (l) примем
равной длине шпинделя из прототипа, равной 500 мм
Вылет шпинделя со стороны режущего инструмента:
Левая консоль:
Расстояние между опорами:
Проверка:
Корпус шпиндельного узла имеет форму параллелепипеда.
Жесткость корпуса увеличивается за счет увеличения жесткости стенок
непосредственно в местах приложения нагрузки путем простановки бобышек и ребер.
Ориентировочно толщина стенки (по литейным условиям) равна
.
где L, B, H габаритные размеры корпуса.
3.2
Выбор подшипников
Работа шпинделя зависит от выбора его опор. Жесткость
шпиндельного узла, его виброустойчивость, а так де точность вращения связаны с
конструкцией опор. В качестве опор шпинделя применяют подшипники качения и
подшипники скольжения с жидкостным трением.
Выбор опор осуществляется исходя из основных требований,
предъявляемый к опорам шпинделей:
1. Высокая точность вращения;
2. Опоры шпинделя должны быть долговечны. Нормальный
срок службы подшипников качения принимается 5000 часов;
. Виброустойчивость опор;
. Одинаковая работа во всем диапазоне применяемых
скоростей и нагрузок;
. Эксплуатационные преимущества;
На точность вращения шпинделя так же влияет точность шейки
шпинделя.
Исходя из заданной схемы установки подшипников на шпинделе:
202Х. Для восприятия радиальных нагрузок выбираем двухрядные радиально-упорные
подшипники[5].
Для первой опоры выбираем подшипник шариковый
радиально-упорный сдвоенный легкой серии 236216 ГОСТ 832-78.
Таблица 3. Геометрические и конструктивные параметры
подшипника С222-236216 ГОСТ 832-78
|
d
|
B
|
r
|
r1
|
Масса, кгС, Н
|
|
|
|
80
|
140
|
52
|
3
|
0,5
|
0,3242563
|
|
|
Обозначение подшипников:
Подшипник С222-236216 ГОСТ 832-78
С - категория вибрации подшипника,
- ряд момента трения;
- группа радиального зазора;
-класс точности подшипника;
-конструктивное исполнение;
-тип подшипника;
-серия диаметров;
-диаметр отверстия.
Для второй опоры выбираем подшипник шариковый
радиально-упорный сдвоенный легкой серии 336216 ГОСТ 832-78.
Таблица 4. Геометрические и конструктивные параметры подшипника
С222-336216 ГОСТ 832-78
|
dDBrr1 Масса, кгС, Н
|
|
|
|
|
|
|
|
|
80
|
140
|
52
|
3
|
0,5
|
0,3227376
|
|
|
Обозначение подшипников:
Подшипник С222-336216 ГОСТ 832-78
С - категория вибрации подшипника,
- ряд момента трения;
- группа радиального зазора;
-класс точности подшипника;
-конструктивное исполнение;
-тип подшипника;
-серия диаметров;
-диаметр отверстия.
Список
литературы
1. Анурьев
В.И. Справочник конструктора-машиностроителя. В 3. т. М.: Машиностроение. Т.3.
1980. 575 с.
2. Кучер
А.М. и др. Металлорежущие станки (альбом общих видов, кинематических схем и
узлов). Л.: Машиностроение, 1972. 365 с.
. Металлорежущие
станки и промышленные работы: Метод. указания, контрольные задания и рабочая
программа для студентов заочной формы обучения спец. 120100 / Сост. Ю.А.
Филиппов, Л.В. Ручкин, З.С. Дроздова, В.Д. Утенков; САА. Красноярск, 2002,84 с
. Обработка
металлов резанием: Справочник технолога[Текст]/А.А. Панов, В.В. Аникин, Н.Г.
Бойм; под общ. ред. А.А. Панова. 2-е изд, перераб и доп.-М.: Машиностроение,
2004.-784с, ил.
. Подшипники
качения: справочник-католог / под ред. В.Н. Нарышкина и Р.В. Коросташевского. -
М.: Машиностроение, 1984. - 240 с, ил.
. Проектирование
металлорежущих станков и станочных систем: Справочник - учебник. В 3-х т./А.С.
Проников, Е.И. Борисов, В.В. Бушуев и др, под общ. ред. А.С. Проникова. - М.:
Издательство МГТУ имени Н.Э. Баумана: Машиностроение, 1995-317 с, ил.
. Проников
А.С. Расчет и конструирование металлорежущих станков. Изд. 2-е. «Высшая школа»,
1968,431 с, ил.
. Проников.А.С.
Металлорежущие станки и автоматы. М.: Машиностроение, 1985. 479 с.
. Пуш
В.Э. Металлорежущие станки. М.: Машиностроение, 1986. 562 с.
. Справочник
технолога - машиностроителя. В 2. т./ Под ред. А.Г. Косиловой и Р.К.
Мещерякова. 4-е изд., перераб. и доп. М.: Машиностроение. Т.2. 1986. 496 с.
. Тарзиманов
Г.А. Проектирование металлорежущих станков. М.: Машиностроение, 1980. 288 с.
. Шейнблит
А.Е., Курсовое проектирование деталей машин: Учеб. Пособие для техникумов. -
М.: Высшю шк., 1991. -423 с.
станок точность центр резание