Проектування кульового крану КШ – 65х14
Міністерство освіти та науки, молоді
та спорту України
Національний технічний університет
"Харківський політехнічний
інститут"
Курсовий проект з дисципліни
"Проектування кульового крану КШ
- 65х14"
Підготував: студент групи ЕМ-80а
Татаріс Е.А.
Перевірив: доц. Дранковський В.Е.
Харків 2013
Зміст
Вступ
1. Фонтанування свердловини
2. Компоновка фонтанної арматури
3. Призначення вузлів фонтанноїарматури
4. Класифікація фонтанної арматури
5. Прямоточна шиберна засувка
6. Пробковий кран
7. Кульковий кран КШ-65х14
7.1 Технічна характеристика
7.2 Опис патенту (№66032А)
7.3 Збірка кульового крану
7.4 Принцип роботи кульового крану
8. Визначення прохідного перерізу в кульовому затворі крану КШ -
65Х14
Джерела інформації
Вступ
Згідно з Енергетичною стратегією головними районами приросту
вуглеводневої сировини є Дніпровсько-Донецька, Карпатська і
Причорноморсько-Кримська нафтогазоносні провінції. Пошук, розвідка й освоєння
нафтових і газових родовищ на шельфі Чорного і Азовського морів є одним з найбільш
перспективних напрямків розвитку сировинної бази нафтової і газової
промисловості.
Україна має значні доведені запаси і потенційні ресурси нафти
і природного газу. Потенційні ресурси природного газу становлять 5,4 трлн. куб.
м, газового конденсату - понад 400 млн. тонн, нафти - 850 млн. тонн.
Видобуток газу, газового конденсату і нафти здійснюють ДК
"Укргазвидобування", ВАТ "Укрнафта" і ДАТ
"Чорноморнафтогаз", на які припадає 92% видобутку нафти і конденсату
і 91% видобутку газу в Україні. Підприємствами Компанії експлуатуються 234
газових, нафтових, газоконденсатних та нафтогазоконденсатних родовищ. Значна
частина з них знаходиться на завершальній стадії розробки і характеризується
ускладненими геологічними і технологічними умовами експлуатації.
Видобуток природного газу в Україні протягом тривалого
періоду скорочувалася; у 1997-2000 роках рівень видобутку стабілізувався на
рівні 18 млрд. куб. м на рік. За останні чотири роки він зростає і в 2008р.
склав 21 млрд. куб. м., в тому числі по НАК "Нафтогаз України" - 19,2
млрд. куб. м. Цього вдалося досягти за рахунок впровадження заходів з
підвищення ефективності використання виробничої та ресурсної баз, введення в
розробку нових родовищ і покладів.
Видобуток нафти і конденсату в Україні протягом 1998-2008
років зберігається на рівні 3,7-4,5 млн. т на рік. У 2008 році
нафтогазовидобувні підприємства НАК "Нафтогаз України" видобули 3,9
млн. т нафти з конденсатом. Стабілізація видобутку досягнута за рахунок буріння
нових нафтових свердловин, ефективного використання діючого фонду свердловин,
впровадження вторинних і третинних методів збільшення нафтовіддачі.
Основні напрямки подальшого розвитку нафтогазовидобувних
підприємств України.
нарощування власних запасів вуглеводнів за рахунок збільшення
обсягів та ефективності сейсмічних досліджень та пошуково-розвідувального
буріння на перспективних площах і родовищах;
поступове збільшення видобутку газу і нафти за рахунок
введення нових потужностей та інтенсифікації видобутку з існуючих родовищ;
інтенсифікація освоєння нафтогазових ресурсів акваторії
Чорного і Азовського морів;
оновлення і модернізація парку бурового та
нафтогазопромислового обладнання;
збільшення обсягів та глибини переробки видобутої сировини з
метою нарощування виробництва товарної продукції (зрідженого газу, бензину,
дизельного палива і т.д.);
участь в освоєнні нафтогазових ресурсів інших держав.
За 2008 рік нафтогазовидобувні підприємства виконували
геологорозвідувальні роботи на 79 площах та родовищах в трьох нафтогазоносних
регіонах України - Західному, Східному та Південному.
Обсяг пошуково-розвідувального буріння за рахунок власних
коштів підприємств склав 168,6 тис. метрів.
Закінчені будівництвом 56 пошукових та розвідувальних
свердловин; передані в експлуатацію 33 свердловини.
За результатами пошуково-розвідувальних робіт у 2008 році
відкрито 3 нові родовища:
Будівское, газоконденсатне, Сумська область
Недільное, газоконденсатне, Харківська область
Підлісківскоє, нафтове, Полтавська область.
кульовий кран фонтанування свердловина
Відкрито нові продуктивні поклади на 7 родовищах, які
знаходяться в розвідці або розробці.
Приріст запасів вуглеводнів промислових категорій склав 28,4
млн. тонн умовного палива.
Підприємства продовжували сейсморозвідувальні дослідження (2D
і 3 D сейсміки) як на суші, так і на перспективних структурах шельфу Чорного
моря.
Обсяг експлуатаційного буріння склав 206,6 тис. метрів.
Закінчені будівництвом 66 експлуатаційних свердловин; передані в експлуатацію
63 свердловини.
Перспективний видобуток нафти в Україні буде визначатися в
основному наступними факторами: рівнем світових цін на паливо, податковими
умовами і рівнем застосування науково-технічних досягнень в розвідці і розробці
родовищ, а також якістю розвіданою сировинної бази.
У даному проекті виконано розрахунок кульового крану типу
КШ-65х14. Для фонтанної арматури АФ1-65х14 ГОСТ 13846-89. Фонтанна арматура з
підвішуванням свердловинного трубопроводу в трубній головці, з фонтанної
ялинкою за типовою схемою 1, з ручним керуванням, з умовним проходом ствола
65мм та бокових відводів 65 мм, на робочий тиск 14 МПа. Прилуцького родовища,
для свердловини, яка здійснює видобуток нафти фонтанним способом.
1.
Фонтанування свердловини
Фонтанування нафтової свердловини - це процес руху нафти від
її забою до гирла, що відбувається під дією пластової енергії.
Фонтанування нафтових свердловин відбувається під впливом
енергії стиснутих порід і пластових рідин, а також енергії стислій газової
фази, що виділяється з нафти і розширюється в процесі підйому її на поверхню.
Воно відбувається в тому випадку, якщо перепад тиску між пластовим і забійним
буде достатнім для подолання протитиску стовпа рідини і втрат тиску на тертя.
Для пуску свердловини в експлуатацію фонтанні способом потрібно або зменшити
питому вагу знаходиться в ній рідини, або знизити її рівень.
Фонтанування свердловин в процесі випробування випробувачем
пластів може відбутися в двох випадках: при катастрофічному падінні рівня
промивної рідини в затрубному просторі зважаючи негерметичності пакеровкі
гумового елемента і через бурильні труби, якщо - не закривається впускний
клапан.
Так само воно можливе в тому випадку, якщо з пласта на вибій
надходять флюїди, кількість енергії яких не менше, ніж потрібно її для їх
підйому на поверхню.
Фонтанування свердловини припиняється, коли пластової енергії
стає недостатньо для підйому рідини від вибою свердловини на поверхню. Зазвичай
процес фонтанування свердловини намагаються продовжити нагнітанням в
свердловину стисненого газу або повітря.
На фонтанування свердловин впливає величина буферного тиску.
З підвищенням тиску на гирлі свердловини важче забезпечити її фонтанування до
високого ступеня обводнення, однак при цьому зростає ефективність системи збору
нафти і газу. Застосування прогресивної системи збору та транспорту нафти і
газу, при якій продукція транспортується за рахунок буферних тисків на
свердловинах, призводить до скорочення числа об'єктів, що вимагають
обслуговуючого персоналу, і до максимальної концентрації технологічних об'єктів
в пунктах обслуговування та інше.
Коли фонтанування свердловини припинялося або, коли воно не
відбувалося внаслідок недостатнього тиску в пласті, приступали до вичерпування
нафти з свердловини.
Для фонтанування свердловин необхідно, щоб пластовий тиск був
більше гідростатичного тиску рідини (газорідинної суміші або газу) в стовбурі
свердловини. Підйом рідини за рахунок гідростатичного напору відбувається
тільки до певної глибини, де тиск стає менше тиску насичення. Тоді з рідини
починає виділятися газ, який сприяє подальшому піднесенню її на поверхню.
Для фонтанування свердловини необхідно, щоб ефективний
газовий був більше або дорівнює питомій витраті газу при оптимальному режимі.
Фонтанний спосіб експлуатації нафтових свердловин найбільш
економічний і вигідний.
Вибравши в курсовому проекті даний спосіб експлуатації і
вибрав тип фонтанної арматури трійникового типу, я закріплю свої знання.
2. Компоновка
фонтанної арматури
Дана фонтанна арматура трійникового типу складається з
трубної головки і фонтанної ялинки. Трубна головка складається з хрестовини,
кранів і манометра, потім йде перекладна котушка (патрубок з внутрішнім
різьбленням) і фонтанна ялинка яка складається з хрестовини, кранів і
манометра.
У світі існують також і інші арматури фонтанного типу.
Арматура хрестового типу (мал. 1). Її відмінність від арматури трійникового
типу (мал. 2) в тому, що на фонтанної ялинці відсутні трійники, замість них
використовуються хрестовини. А також хрестова арматура по висоті менше
тройніковой; це полегшує її обслуговування.
Фонтанну арматуру виготовляють для однорядного і дворядного
підйомників. Фонтанні труби при обладнанні свердловин під однорядний підйомник
підвішують до перекладної котушці, угвинчуючи їх безпосередньо в нарізаний
нижній кінець котушки або за допомогою спеціальної перекладної втулки.
Арматура для дворядного підйомника відрізняється від описаної
лише тим, що до цієї схеми додається трійник з засувкою на бічному відводі,
який встановлюють на верхній фланець хрестовика. Тоді котушку встановлюють на
додаваємий до схеми трійник.
Мал. 1. Фонтанна арматура хрестового типу для однорядного
підйомника
Мал. 2. Фонтанна арматура трійникового типу для дворядного
підйомника.
Фонтанна арматура призначена для герметизації гирла
свердловини, контролю та регулювання режиму експлуатації нафтових, газових та
газоконденсатних свердловин. А також для проведення на них ряду технологічних
операцій.
На відміну від колонних голівок, фонтанна арматура
стандартизована ГОСТ 13846 - 89 "Арматура фонтанная и нагнетательная.
Типовые схемы. Основные параметры и технические требования к конструкции".
Стандарт регламентує:
Типові схемы, їх 6. З них 4-трійникові и 2-хрестові
Умовний внутрішній прохід по стовбуру і бічним відводам
ялинки і трубної головки, мм. Ду - 50, 65, 80, 100, 150.
Робочий тиск, МПа. Рр - 14, 21, 35, 70, 105, 150.
У цьому стандарті в таблиці дається поєднання умовних
проходів і робочих тисків.
В цілому фонтанна арматура являє собою з'єднання на фланцях:
трійників, хрестовин, запірних пристроїв (засувок і кранів) і дроселів, що
складається з трубної головки і фонтанної ялинки.
Трубна головка встановлюється на колонну головку. Вона
призначена для підвішування одного, рідше двох рядів підйомних труб (НКТ),
герметизації в затрубному просторі і контролю тиску, а так само для виконання
ряду технологічних операцій при освоєнні, дослідженнях, експлуатації та ремонті
свердловини. Колони НКТ підвішуються двома способами: на різьбі і в муфтового
підвісці.
При однорядній конструкції ліфта труби, колонна НКТ
підвішується на муфтовій підвісці, яка встановлюється в хрестовик трубної
головки.
При дворядної конструкції, для внутрішнього ряду труб муфтову
підвіску встановлюють у трійнику трубної головки, а для зовнішнього ряду - в
хрестовик.
Трубна головка своїм нижнім фланцем за допомогою шпильок і
гайок кріпиться до верхнього фланця колонної голівки.
Ялинка фонтанної арматури, встановлюється на трубній голівці,
призначена для регулювання режиму експлуатації свердловин, установки
спеціальних пристроїв для спуску глибинних приладів або скребків для чищення
парафіну, заміру тиску і температури на гирлі свердловини, транспортування
продукції свердловини через маніфольд в шлейф на замірні пункти, а так ж для
проведення ряду технологічних операцій.
В процесі монтажу фонтанної арматури на свердловині проводять
перевірку вільного проходження спеціального шаблону крізь стовбур арматури.
У фонтанної ялинці розрізняють стовбур і бічні відводи, звідси
схема може бути трійниковою або хрестовою. Бічні відводи називаються струнами.
На проміжних фланцях бічних відводів передбачена установка
манометрів для контролю тиску і кишені для термометрів, для контролю
температури продукції, що надходить зі свердловини.
Фонтанні арматури з двострунною схемою ялинки застосовуються
на свердловинах, перекривати потік продукції якої, при заміні вузлів і деталей,
не бажано.
При трійниковій двострунній схемі ялинки експлуатувати
свердловину необхідно по верхній струні. При хрестовій - по будь-якій з струн.
За запасним струнах продукція зі свердловини направляється в
тих випадках, коли проводиться заміна швидкозношуваних деталей, дроселя,
засувки або ремонт робочої струни.
На вимогу замовника бічні струни фонтанної арматури можуть
бути обладнані двома запірними пристроями. Одна з яких, перша від стовбура -
запасна, а друга - робоча.
Контроль тиску здійснюється манометрами, при цьому вентиль
під манометр служить для його роз'єднання з робочою порожниною і скидання тиску
до атмосферного.
На проміжних фланцях бічних відводів передбачаються отвори
під кишені для термометрів. Бічні струни фонтанної арматури закінчуються
відповідними фланцями для приварки до ліній маніфольда.
На фланцях бічних відводів трубної головки і фонтанної ялинки
передбачаються отвори для подачі інгібіторів корозії і гідратоутворення в
затрубний простір і стовбур ялинки.
При низьких і середніх робочих тисках, очікуваних на гирлі
свердловини, до 35 МПа, рекомендується застосовувати трійникові схеми, а понад
35 МПа - хрестові схеми.
У фонтанної арматури ущільнення між фланцями здійснюється
овальним кільцем з м'якої сталі.
Для регулювання фонтанного струміню ійого напрямку в викидних
лініях служать засувки або крани, встановлені на бічних відводах хрестовин або трійників.
На викиді після засувки або крана поміщають спеціальну
болванку з наскрізним отвором або шайбу звану штуцером (мал.3 і 4). З його
допомогою підтримують заданий режим роботи свердловини, що полягає в
раціональному витрачанні пластової енергії, тобто у встановленні шляхом
регулювання струменя такого добового дебіту свердловини, який забезпечував би
тривале і безперебійне фонтанування з найбільшою здобиччю нафти за цей період.
Також крім змінюваних забійних штуцерів, за кордоном широко
застосовують і інші змінювані прилади, наприклад запобіжні клапани. Запобіжний
звільнюючий клапан діє миттєво.
Він пристосований для встановлення певної норми течії
продукції (дебіту) свердловини; якщо фонтанний струмінь з яких-небудь причин
збільшиться, клапан закриється і фонтанування по підйомним трубах припиниться.
Спостереження за роботою фонтанних свердловин ведеться за
показаннями двох манометрів, встановлених на кожній свердловині. Верхній
манометр призначений для виміру тиску нагирлі свердловини, яке називається
буферним. По нижньому манометру, що встановлюється на хрестовик трубної
головки, визначається затрубний тиск.
Мал. 3. Штуцер сураханського типу для свердловин, що дають
нафту з піском
Мал. 4. Швидкозмінний штуцер для свердловин, що не мають в
нафти піску
4.
Класифікація фонтанної арматури
Фонтанні арматури класифікуються за конструктивними і
міцнісним ознаками:
. За робочим тиском.
Трійникова і хрестова фонтанні арматури випускаються на
робочий тиск 7, 14, 21, 35, 70, 100, 140 МПа. Залежно від очікуваного тиску при
експлуатації на гирлі свердловини встановлюють фонтанну арматуру, розраховану
на даний робочий тиск.
. За схемою виконання.
Мал. 5. Типові схеми фонтанних арматур
. За кількістю спускаємих у свердловину рядів труб.
Діаметр і довжину колони підйомних труб встановлюють для
кожного пласта дослідним шляхом, виходячи з очікуваного дебіту, пластового
тиску, глибини свердловини і умов експлуатації. Умовні діаметри підйомних труб
від 33 до 114 мм.
Розрізняють однорядні і дворядні підйомники. Застосування
двох рядів труб в фонтанних свердловинах дозволяє більш раціонально
використовувати енергію розширюваного газу і запобігати утворенню піщаних
пробок на вибої.
Зазвичай у фонтанну свердловину спускають однорозмірну
колону, частіше з труб діаметром 73 мм або ж ступінчасту колону з комбінацією
труб діаметром (у мм): 114 і 89; 114 і 73; 114,89 і 73; 102,89 і 73; 89 і 73 та
ін.
. За розміром прохідного перетину стовбура арматури і бічних
відводів.
Діаметри прохідних перетинів від 50-150 мм. Діаметри бічних
відводів від 50-100 мм.
. За конструкцією запірних пристроїв.
До запірних пристроїв відносяться кранові пристрої: з
конічною пробкою (мал.6) і з кульової пробкою (мал.8), та прямоточні шиберні
засувки (мал.7). Мінус кранових засувок в їх недостатньої герметичності.
Особливості прямоточної засувки в тому, що при русі потоку
через неї нафтата газ не стикаються з ущільнювальними поверхнями, завдяки чому
досягається вкрай незначний їх знос.
У порівнянні з шиберною засувкою прохідний пробковий кран має
більшу корозійну стійкість, має менший габаритний розмір і меншу масу.
Залежно від вимог, що пред'являються до фонтанної арматури -
запірні пристрої виконуються з ручним, дистанційним та автоматичним
управлінням. Останні відносяться, перш за все, до свердловин на морському
шельфі, на окремих стаціонарних платформах, підводних свердловинах, а також до
свердловин, в продукції яких міститься велика кількість шкідливого для здоров'я
сірководню і вуглекислого газу. Управляти такими арматурами людині стає
небезпечно.
Головна відмінність фонтанної арматури з прямоточними
засувками від фонтанної арматури з крановими засувками полягає не тільки в
різних конструкціях запірних пристроїв (засувки і крани), а в тому, що при
очікуваних високих робочих тисках, на гирлі свердловини, в нижній стовбурної
частини фонтанної ялинки використовують не одну, а дві засувки - центральну і
корінну. У даному випадку корінна засувка виконана з дистанційним управлінням,
але це не завжди обов'язково. При цьому, штатне управління фонтанною арматурою
здійснюється центральною засувкою, а корінна служить для управління в аварійній
ситуації.
При виборі запірних пристроїв орієнтуються на сформовану
практику, коли при робочих тисках на гирлі свердловини до 14 МПа застосовують
кранові пристрої з конічними або кульовими пробками. При тисках понад 14 МПа,
застосовують прямоточні шиберні засувки.
Мал.5. Прямоточна шиберна засувка
Мал.6. Пробковий кран
а) б)
Мал.8. Кульовий кран КШ - 65х14: у розрізі (а), з
подовжувачем (б).
5. Прямоточна
шиберна засувка
Принцип роботи прямоточних шиберних засувок полягає у
переміщенні плоско - паралельного шибера перпендикулярно відносної осі вхідного
і вихідного сідел, вбудованих в корпусі засувки.
Переміщення шибера відбувається при обертанні штурвала
насадженого на верхній кінець невидвіжного шпинделя, нижній кінець якого на
різьбі ввернутий в шибер або він пов'язаний Т - подібним з'єднанням.
У результаті обертання шпинделя шибер переміщується вгору або
вниз по різьбі і займає при цьому два положення. Фіксація відкритого або
закритого положення засувки визначається крайніми положеннями шибера: упором в
днище корпусу - закрито, упором у верхню кришку - відкрито.
Прямоточна шиберна засувка сконструйована таким чином, що в
ній як у відкритому, так і в закритому положеннях робоча середа (нафта, газ) не
стикається з робочими ущільнювальними поверхнями. За цим вона має високу
стійкість до абразивного впливу механічних домішок, які містяться в робочому
середовищі і знос ущільнюючої поверхні незначний.
Як правило, це засувки двосторонньої дії, тобто після зносу
одного боку шибера при повороті засувки на 180о вона може
експлуатуватися з іншого боку.
Характерними технічними особливостями сучасних прямоточних
шиберних засувок є використання ущільнення типу "метал по металу" у
сполученні між шибером, сідлами і корпусом. При цьому плоскі поверхні шибера
повинні бути строго паралельні торцевих поверхонь сідел і мати високу ступінь
чистоти обробки (дзеркальні поверхні), яка досягається тонким шліфуванням і при
необхідності - поліруванням.
Крім того робочі поверхні шибера і сідел мають спеціальні
покриття, які забезпечують високу зносостійкість проти ерозійного і корозійного
впливу.
Наявність плоского хвилястого пружинного кільця встановленого
між сідлом і корпусом підтримує постійний контакт між шибером і сідлом, створюючи
ущільнення при зниженому робочому тиску.
Осьове навантаження, сприйняте двома комплектами прецизійних
підшипників зводячи до мінімуму крутний момент при відкритті - закритті
засувки.
Наявність легко замінного зрізувального штифта - для
запобігання від надмірного крутного моменту при відкритті - закритті.
Кран працює тільки з мастилом, подача якого в порожнину
корпусу здійснюється через канал в шпинделі, за допомогою натискного болта 5 і
зворотного клапана 6.
Мастило герметизує затвор крана і різьбу шпинделя, полегшує
поворот конусної пробки 2 і запобігає корозії металу. Зазвичай кран з конусною
пробкою оснащений спеціальним пристроєм для віджимання конусної пробки 2, при
її заклинюванні в корпусі 4. З цією метою використовують гвинт 3, який
угвинчується до контакту зі сталевою кулькою, розміщеною в підставі конусної
пробки 2.
Вся операція з виключення заклинювання відбувається за
відсутності тиску в корпусі крана.
Фонтанні арматури за умовами експлуатації (зв'язок з надрами,
можливість відкритого фонтанування, викидів і т.п.) відносяться до одного з
найбільш відповідальних видів нафто - газопромислового обладнання.
При експлуатації фонтанних арматур необхідно чітко
дотримувати наступне правило: будь-яке запірний пристрій фонтанної арматури
(засувка, кран) ні в якому разі не повинно використовуватися для регулювання
дебіту свердловини. Воно повинно знаходитися тільки у відкритому чи закритому
положенні.
Регулювання дебіту нафтових і газових свердловин здійснюється
тільки регульованими або нерегульованими штуцерами, які вбудовуються в бічні
(робочої) струни фонтанних арматур.
7. Кульовий
кран КШ-65х14
Представлена запатентована в Україні (патент № 66032А)
кандидатом технічних наук, доцентом, академіком Української нафтогазової
академії (УНГА), відомим фахівцем в області створення, дослідження та
виробництва нафтогазопромислового і бурового обладнання Ценципером Адольфом
Ісааковичем конструкція кульового крана типу КШ - 65х14 з умовним проходом Ду
65мм на робочий тиск 14 МПа. Кульові крани такого типу використовуються у
складі фонтанних арматур, якими оснащуються нафтогазові свердловини.
Представлені технічні характеристики цього крану.
Наведені результати експлуатації в умовах нафтового промислу
дослідного зразка кульового крана, що показали високий ступінь герметичності і
надійності в численних циклах. Вказані переваги нової конструкції кульових
кранів: істотне зниження маси, надійність спрацьовування, повна безпека в
експлуатації.
7.1 Технічна
характеристика
У системі ВАТ "Укрнафта" із приблизно 2500 видобувних
свердловин значний фонд становлять свердловини, які експлуатуються штанговими
глибиннонасосними установками (ШГНУ) та електровідцентровими насосними
установками (ЕВНУ). Як відомо, цей фонд має постійну тенденцію кількісного
збільшення внаслідок переводу свердловин з фонтанного способу видобування нафти
на механізований або зразу після завершення буріння.
При цьому робочий тиск на усті свердловин, які експлуатуються
ШГНУ і ЕВНУ, рідко перевищує тиск у системі збору нафти 4,5-5,0 МПа. Крім того,
переважна кількість фонтанних свердловин має на усті робочий тиск до 10 - 12
МПа.
У той самий час фонтанні арматури (вітчизняні та
імпортовані), якими облаштовуються перелічені категорії свердловин як в
західних, так і в східних НГВУ, мають робочий тиск 21 або 35 МПа. Тоді як
чинний ГОСТ 13846-89 "Арматура фонтанная и нагнетательная. Типовые схемы,
основные параметры и технические требования к конструкции" передбачає
робочий тиск 14 МПа на різні умовні проходи по стволу "ялинки" Ду:
50, 65, 80, 100 мм і на бокових відводах Ду: 50 і 65 мм.
Виходячи з цього, в співдружності розробник - виробник -
споживач створено і виготовлено у ВАТ "Потенціал" кульовий кран нової
конструкції (рисунок), запатентованний в Україні (патент № 66032А), який
пройшов міжвідомчі іспити та промислову експлуатацію.
Технічна характеристика крана типу КШ-65х14
Умовний прохід,D мм 65
Робочий тиск, МПа 14
Будівельна довжина, мм 350
Ширина, мм 190
Висота (без подовжувача), мм259
Маса, кг 25,8
Довжина подовжувача, мм700
Щільність матеріалу кулі,ρ кг/м3 7710
Витрата робочого середовища, Q м3/с 0.012
Питома вага нафти, γ Н/м2 8050
Два дослідні зразки кульових кранів КШ-65х14 було встановлено
в НГВУ "Охтирканафтогаз": один на наливному стояку для заправки
пластової води в автоцистерни на Бугриватівському родовищі як роздавальна
засувка, другий - на св.166 Рибальського родовища на факельній (продувальній)
лінії фонтанної арматури як перфораційна засувка. Тобто, кульовий кран КШ-65х14
призначено для експлуатації як запірного пристрою (засувки) у складі фонтанної
арматури, де умови експлуатації докорінно відрізняються від умов експлуатації
перфораційної засувки на факельній лінії, до конструкції якої пред'являються
найвищі технічні вимоги щодо надійності її проти спрацювання і забезпечення
герметичності. Це було зроблено спеціально для перевірки роботи кульового крана
в екстремальних умовах.
Робочий тиск, при якому експлуатувалась роздавальна засувка,
мав мінімальне значення 0,15-0,20 МПа, на перфораційній засувці - 8,0-9,0 МПа.
Такий вибір теж було зроблено спеціально, бо щільність і герметичність
кульового крана з "плаваючою" кулею доцільно перевіряти не тільки на
максимальний пробний тиск, а и на мінімальний тиск. Кількість циклів
відкриття-закриття кульових кранів КШ-65х14 на 01.07.2005 становила: як роздавальної
засувки - понад 2850, як перфораційної засувки - понад 170. За весь період
експлуатації, яка продовжується, крани КШ-65х14 показали високу надійну
герметичність, відмов у роботі не було.
Виходячи з достатньо довгого періоду експлуатації кульових
кранів КШ-65х14, стало можливим визначити основні переваги нових кульових
кранів порівняно з аналогічними, які постачаються на нафтогазовий ринок
України:
. Надійна герметизація за рахунок високої якості
робочих поверхонь (дзеркальних) кулі і сідел, а також автоматизованого їх
сумісного притирання на спеціальних станках.
2. Значна довговічність кулі і сідел, для виготовлення
яких використали високолеговану, стійку проти спрацювання сталь 38X2 МЮА,
термічно оброблену з високою твердістю HRCэ - 64.
. Крани абсолютно безпечні в роботі, оскільки весь
процес складання виконується ізсередини корпуса і кран не мас традиційної
горловини, в яку встановлюються: шток, манжети, натискувальна втулка, опірне
кільце, кришка, ущільнювальне кільце, болти кріплення тощо.
. Завдяки новому технічному рішенню крани - компактні,
в 1,6-1,9 разу (залежно від типорозміру) зменшено їх масу, відповідно і
фонтанної арматури в цілому. Це при тому, що крани мають стандартні фланцеві
з'єднання (ГОСТ 28919-01.07.92 "Фланцевые соединения устьевого
оборудования. Типы, основные параметры и размеры") і однакову будівельну
довжину.
. Істотно спрощено складання - розбирання крана, який
містить практично вісім деталей, що займає 4-6 хв.
Тому, на думку авторів, має сенс освоїти в країні власне серійне
виробництво (для цього є усі можливості) якісних фонтанних арматур на робочий
тиск 14 МПа, головним елементом яких є засувка або кран. Таке оснащення
свердловин дає змогу значно зменшити металомісткість арматур і, як наслідок,
різко знизити її вартість.
7.2 Опис
патенту (№66032А)
Кульовий кран, що містить циліндричний корпус,
"плаваючу" кулю з центральним отвором, осі, кінематично зв’язані з
кулею, рукоять, ущільнення, який відрізняється тим, що осі мають сферичні
поверхні, які спираються на внутрішню циліндричну поверхню корпуса, при цьому
рукоять має поперечку, яка в положеннях "відчинено-зачинено" своєю
твірною циліндричної поверхні спирається на твірну циліндричної поверхні
спирається на твірну зовнішньої циліндричної поверхні корпуса у взаємно перпендикулярному
напрямі.
Винахід відноситься до нафтогазової, нафтопереробної та
нафтохімічної промисловості, зокрема до устьової та запірно-регулюючої
арматури, працюючої під тиском, і може бути використаний при облаштуванні
нафтових та газових свердловин, об'єктів нафтогазопереробці, нафтохімії та ін.
Відомий кульовий кран (див. рекламний проспект ЦКБ
"Титан", м. Волгоград, РФ), який містить циліндричний корпус, два
різзевих фланця, з'єднаних з корпусом болтами, дві підпружинених втулки, кулю з
центральним отвором, виконану заодно з двома осями, кришку, з'єднану з корпусом
сегментами, кільцями та болтами. Одна вісь кулі встановлена в корпусі, інша - в
кришці і виконана з квадратним продовженням, на якому за допомогою болта та
кільця монтується рукоять. В необхідних місцях крану монтуються ущільнення.
Недоліком цієї конструкції є корпусна громіздкість (ливарні або ковані
заготовки) і велика кількість болтових з'єднань, що призводить до великої ваги
(при інших рівних умовах - діаметр отвору і робочий тиск), а також ускладнення
і подовження зборки крану. Зборка ускладнена тим, що один кінець вісі
встановлюється в корпусі, інший - в кришці. Це потребує високої точності при
виготовленні та підгонці при зборці.
Найбільше близьким до запропонованого технічного рішення є
кран кульовий прохідний (див. "Каталог продукции ОАО "Юго-Камский
машиностроительный завод им. Лепсе", с. Юго - Камськ, Пермська обл., РФ),
який містить три двофланцевих циліндричних корпуси, з'єднаних між собою
болтовими з'єднаннями. Проміжний корпус містить два підпружинених сідла,
"плаваючу" кулю з центральним отвором, одну вісь, яка одним
Т-образним кінцем входить до пазу кулі, іншим кінцем з'єднується з рукояттю.
Недоліки цього технічного рішення наступні. По-перше, це корпусна громіздкість
(ливарні або ковані заготовки) і велика кількість болтових з'єднань, що в
цілому призводить до великої ваги кульового крану. По-друге, дуже ускладнюється
та значно подовжується зборка крану. По-третє, хоча куля і виконана
"плаваючою", але її кінематичний зв'язок з однією віссю створює
несиметричну опору кулі, що підвищує крутний момент на рукояті при відчиненні
крану.
В основу винаходу поставлено задачу удосконалення кульового
крану шляхом оснащення осей, кінематично зв'язаних з кулею, сферичними
поверхнями та встановлення їх зсередини корпуса, які спираються на його
внутрішню циліндричну поверхню, при цьому рукоять має поперечку, яка в
положеннях "відчинено-зачинено" своєю твірною циліндричної поверхні
спирається на твірною зовнішньої циліндричної поверхні корпуса у взаємно
перпендикулярному напрямі, зниження ваги, спрощення і скорочення терміну зборки
кульового крану, зниження крутного моменту при відкриванні кулі.
Поставлена задача вирішуються за рахунок того, що в кульовому
крані, який містить циліндричний корпус, "плаваючу" кулю з
центральним отвором, вісі, кінематично зв'язані з кулею, рукоять, ущільнення,
постачений осями, які мають сферичні поверхні, які спираються на внутрішню
циліндричну поверхню корпуса, при цьому рукоять має поперечку, яка в положеннях
"відчинено-зачинено" своєю твірною циліндричної поверхні спирається
на твірну зовнішньої циліндричної поверхні корпуса у взаємно перпендикулярному
напряму.
Наявність осей, кінематично зв'язаних з кулею, і постачених
сферичними поверхнями, які спираються на внутрішню циліндричну поверхню
корпуса, дає змогу обертанню рукояті з осями і кулею. Встановлення осей
зсередини корпуса дозволяє створити компактну конструкцію кульового крану,
використати в якості циліндричного корпуса трубні заготовки і при інших рівних
умовах зменшити вагу, спростити і скоротити термін зборки кульового крану в
цілому. Постачання рукояті крану поперечкою, яка в положеннях
"відчинено-зачинено" своєю твірною циліндричної поверхні спирається
на твірну зовнішньої циліндричної поверхні корпуса у взаємно перпендикулярному
напряму дає змогу створити симетричну схему опор осей кулі, що знижує крутний
момент при відкриванні кулі.
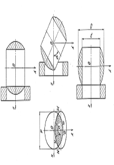
На приведених кресленнях показано запропонований кульовий
кран:
мал.9 - вертикальна проекція кульового крану,
мал.10 - розріз А-А (горизонтальна проекція) кульового крану,
мал.11 - розріз Б-Б (профільна проекція) кульового крану.
Кульовий кран містить корпус 1, в якому розташовано сідло 2 і
дві осі 3, встановлені в радіальних отворах. В корпус 1 на різі встановлюється
перехідних 4 з розташованим в ньому сідлом 2. Між седлами 2 розміщена куля 5 з
центральним отвором, який разом з відповідними отворами в корпусі 1 и
перехіднику 4 становить єдиний отвір кульового крану Куля 5 має два симетричних
поздовжніх паза, в яких розташовано Т - образні кінці осей З 3 іншого боку вісі
3 виконані у виді квадратів, які входять до відповідних квадратних отворів
рукояті в Рукоять складається із двох серег, з'єднаних поперечною 7, яка. в
свою чергу, з'єднана з ручкою Поперечка 7 своєю твірною циліндричної поверхні
знаходиться на зовнішній циліндричній поверхні корпуса.
Вісі 3 мають сферичні поверхні 8, які спираються у внутрішню
циліндричну поверхню 0 корпуса 1. Ущільнення кульового крана - 10. На кресленні
мал.11 рукоять 6 умовно повернута.
7.3 Збірка
кульового крану
Збірка кульового крана призволиться наступним чином.
В корпус 1 встановлюється сідло 2. Зсередини корпуса 1 в
радіальному напрямку симетрично встановлюються обидві вісі 3 таким чином, що їх
сферичні поверхні спираються у внутрішню циліндричну поверхню 9 корпуса 1,
одночасно квадрати осей 3 входять у відповідні квадратні отвори попередньо
зорієнтованої рукояті в. Далі рукоять в встановлюється в положення
"зачинено", при цьому поперечка 7 рукояті спирається на зовнішню циліндричну
поверхню корпуса 1. Після цього в корпус 1 вставляється куля 5, в поздовжні
пази якої входять Т-образні кінці осей 3. Куля 5 просувається до контакту з
посадочним місцем сідла 2 корпуса 1. Далі перехідник 4 з встановленим в ньому
другим сідлом 2 вгвинчується до контакту посадочного місця седла з кулею 5.
Збірка кульового крана завершена і має положення "зачинено".
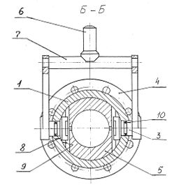
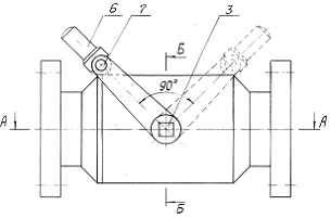
7.4 Принцип
роботи кульового крану
Кульовий кран працює наступним чином.
Положення "відчинено" - "зачинено"
призводиться обертом по годинниковій стрільці або проти рукояті 6 ручкою на 90°
до натиску циліндричної поверхні поперечки 7 на зовнішню циліндричну поверхню
корпуса 1. При цьому обертання осей З призволиться за рахунок сферичних
поверхонь 8, контактуючих з внутрішньою поверхнею 9 корпуса 1. Одночасно за
рахунок Т-образного з'єднання осей 3 обертається куля 5, яка відчиняє чи
зачиняє кульовий кран. Куля 5 є "плаваючою", оскільки кінематично
жорстко не пов'язана з взаємодіючими елементами: седлами 2 і осями 3. Тому в
положенні "зачинено" куля 5 під тиском рідини, газу та ін.
притискується (в залежності від напряму потоку) до одного із седел 2 і
перекриває отвір кульового крану.
Мал.9.
Мал.10.
Мал.11.
8. Визначення
прохідного перерізу в кульовому затворі крану КШ - 65Х14
Кульовий затвор у загальному вигляді являє: собою сталеву
кулю діаметром D яка обертається між вхідним і вихідним сідлами навколо
вертикальної осі на кут 90о (рисунок, вхідне сідло не показано).
Отвір d усередині кулі відповідає внутрішньому діаметру сідел, а також проходу
крана, трубопроводу і т. н. У відкритому положенні отвір кулі збігається а
внутрішнім діаметром сідел, при цьому гідравлічний опір практично дорівнює
нулю. У міру закривання куля, обертаючись на кут відносно напряму потоку
середовища, змінює цей опір від нуля до максимального, тому при силових
розрахунках кульових затворів дуже важливо мати математичне визначення зміни прохідного
перерізу.
Якщо виникаючий під час закривання кулі прохідний переріз
спроектувати на поверхню, перпендикулярну осі вихідного сідла, то геометричною
формою такого перерізу будуть два сегменти, спряжені загальною хордою М: при
цьому верхній МтМ є сегментом кола сідла, а нижній MnN - сегментом
еліпса проходу в кулі.
У загальному вигляді підсумкова площа прохідного перерізу
кульового затвора F дорівнює:
=Sk+Se, (1)
де Sk, Se - площа сегмента кола та
еліпса, відповідно.
При цьому
e=Sk*cosφ, (2)
тоді:
= Sk (1+ cosφ), (3)
Площа сегмента кола дорівнює:
Sk=
, (4)
Кут α пербуває
у складній залежності від кута обертання кулі φ. Із трикутника OAN, в якому ОА
= у - поточна ордината, виходить:

= 
, ON = 
, 
= 
, 
= 
(5)
Визначення поточної ординати у здійснюється таким чином.
Через те, що підсумкову площу прохідного перерізу обмежено перетинальними
лініями кола та еліпса, вирішуємо систему рівнянь відносно осей ХОУ:

(6)
Введемо позначення:

,
де x, y - поточні координати в системі ХОУ; a, b
- напівосі еліпса.
Оскільки центр еліпса - крапка О1 -
переміщується відносно центра кола О, взятого за початок координат, то
рівняння еліпса після підстановки значень a і b набуде вигляду:
(7)
при цьому: x=O, y0=OO1=d/2sinφ.
Перетворимо формулу (7) з урахуванням значень x0
іy0:
і, підставивши значення x з рівняння кола (6)
після перетворення отримаємо тричленне квадратне рівняння:

(8)
корні я кого дорівнюють:
i
Корінь у1 не задовольняє, оскільки при φ =0о у =
, а корінь у2 задовольняє, оскільки при φ = 0̊ у1 = 0.
Таким чином, поточна ордината дорівнює:

(9)
Після підстановки значення кута α із формули (5) до рівняння до рівняння
(4) і з рівняння (4) до формули (3) остаточно підсумкова площа прохідного
перерізу кульового затвора дорівнюватиме:

(10)
Із формули (10) видно, що при заданому значенні d площа
прохідного перерізу кульового затвора F залежить тільки від кута
обертання кули φ (табл.1).
Отримана формула дає можливість розрахувати миттєве значення такої площі, що, в
свою чергу, необхідно при силових розрахунках кульового затвора. У таблиці 2
наведені розрахунки прощ прохідного перерізу в кульовому затворі крана КШ -
64х14.
Таблиця 1. Результати розрахування за формулою (10) (зміну F
наведено у безрозмірних одиницях)
|
φ, град
|
0
|
10
|
20
|
30
|
40
|
50
|
60
|
70
|
80
|
90
|
|
Fx
|
1
|
0,883
|
0,750
|
0,616
|
0,481
|
0,349
|
0,231
|
0,126
|
0,044
|
0
|
Таблиця 2. Результати розрахунків за формулою (10) (площа F
вказана ум2)
|
φ, град
|
0
|
10
|
20
|
30
|
40
|
50
|
60
|
70
|
80
|
90
|
|
F
|
0.00332
|
0.00292
|
0.00250
|
0.00205
|
0,00160
|
0,00117
|
0,00076
|
0,00042
|
0,00015
|
0
|
φ, град
|
0
|
10
|
20
|
30
|
40
|
50
|
60
|
70
|
80
|
90
|
|
ξ
|
0,02
|
0,23
|
0,98
|
2,7
|
6,4
|
14,8
|
35,7
|
116
|
815
|
4450
|
Для проведення розрахунків зусилля, діючого на кульовий
затвор під час його закривання, крім визначення прохідного перерізу F,
на який діє перепад тиску середовища ∆р, необхідно знати ще
коефіцієнт гідравлічного опору ξ (табл.2).
Таким чином, при заданій витраті робочого середовища,
користуючись формулою (10), отриманою автором, табл.1 ш табл.2, можна за
достатньою точністю визначити поточний перепад тиску в кульовому затворі за
відомою формулою:
 (11)
де Q - витрата робочого середовища: γ - питома вага; g - прискорення
сили тяжіння.
Результати розрахунку  наведені у таблиці 4.
Таблиця 4. Результати розрахунків ∆Р
|
ξ
|
0,02
|
0,23
|
0,98
|
2,7
|
6,4
|
14,8
|
36,7
|
116
|
815
|
4450
|
|
|
107,2
|
1593,75
|
9264,14
|
62313,6
|
276228
|
638777
|
3651744
|
38852483
|
2140101936
|
|
Розрахувавши значення  і поточний переріз площею F, далі можна визначити зусилля
притиску, яке діє на кулю до вихідного сідла, крутній момент тертя кулі, який
необхідно подолати для відкривання - закривання кульового затвора у будь-якому
поточному положенні.
Мал.12. Схема закриття прохідного перерізу
Джерела
інформації
1. Ценципер
А.И. Основы глубиннонасосной добычи нефти и газа. - Х.: НТУ "ХПИ",
2012
2. Ценципер
А.І. Визначення динамічного моменту інерції кульових затворів запірної арматури
// Нафтова і газова промисловість / НАК "Нафтогаз України". К.: 2005
№6. С.38. (Журнал)
. Ценципер
А.І. Визначення прохідного перерізу в кульових затворах // Нафтова і газова
промисловість / НАК "Нафтогаз України". К.: 2006 №2. С.28. (Журнал)
. Ценципер
А.І. Новий кульовий кран // Нафтова і газова промисловість / НАК "Нафтогаз
України". К.: 2006 №5.С. 19. (Журнал)
. Басарыгин
Ю.М. Технологические основы освоения и глушения нефтяных и газовых скважин. -
М.: ООО "Недра-Бизнессцентр", 2001
. Бухаленко
Е.И. Нефтепромысловое оборудование. - М.: Недра, 1990
. Лаврушко
П.Н. Эксплуатация нефтяных и газовых скважин. - М.: Недра, 1971
. Мищенко
И.Т. Скважинная добыча нефти. - М.: "Нефть и Газ" РГУ нефти и газа
им. И.М. Губкина, 2003
Похожие работы на - Проектування кульового крану КШ – 65х14
|