Проектирование станка для резки полосовых заготовок
Реферат
СТАНОК, НОЖ РОЛИКОВЫЙ, ПРИВОД, СТОЛ, МОТОР-РЕДУКТОР, ВАЛ, ПОДШИПНИК,
ЦЕПНАЯ ПЕРЕДАЧА, УПОР ПЕРЕДВИЖНОЙ.
Объектом разработки является станок для резки полос из углеродистой и
коррозионно-стойкой стали толщиной до 3 мм, поставляемой в рулонах.
Цель работы - разработка конструкции несущей системы и привода вращения
роликовых ножей, обеспечивающей высокую производительность в сочетании с
точными размерами по ширине листа и комфортными условиями эксплуатации.
В процессе работы проводился анализ технологии разделительных операций
применительно к листовому материалу на ОАО «РузХиммаш» и потребность в
повышении производительности технологических процессов, возможность
использования специализированных средств, альтернативных гильотинным ножницам.
Производился синтез кинематической схемы, прорабатывалась конструкция приводов
и узлов несущей системы станка для резки полос, выполнялись проектировочные и
проверочные расчеты его механизмов.
В результате проведенной работы разработаны чертежи конструкции станка
для резки полос шириной до 700 мм. Технические характеристики вновь
спроектированного станка позволяют применять его как для резки углеродистых и
низколегированных, так и для коррозионно-стойких сталей.
Основные конструктивные и технико-экономические характеристики:
возможность эффективного использования рулонной стали для изготовления вагонных
конструкций за счет уменьшения количества сварных швов.
Степень внедрения - станок может быть использован на заготовительных
участках ОАО «РузХиммаш». Станок может также использоваться для резки
неметаллических листовых материалов (резины, паронита).
Содержание
Введение
. Конструирование и расчет станка для отрезки полос
.1 Требования к проектируемому станку
.2 Разработка компоновочной схемы станка
.3 Выбор основных характеристик привода
.4 Расчет привода при обработке углеродистой стали
.5 Расчет привода при обработке коррозионно-стойкой стали
.6 Проверка тягового усилия на ножах
. Определение себестоимости станка
.1 Определение стоимости основных материалов
.2 Определение стоимости покупных изделий и полуфабрикатов
.3 Определение стоимости возвратных отходов
.4 Расчёт заработной платы производственных рабочих
.5 Расчёт цеховых и общезаводских расходов
.6 Определение полной себестоимости
. Безопасность жизнедеятельности
.1 Состояние организации службы охраны труда на предприятии
.2 Рациональная организация рабочего места
.3 Техника безопасности на участке
.4 Состояние травматизма на производственном объекте
.5 Противопожарные мероприятия
.5 Мероприятия по экологической безопасности
Заключение
Список использованных источников
Введение
В современном вагоностроительном производстве (особенно при изготовлении
кузовов) значительный объем деталей представляют собой пластины и оболочки,
выполненные из листового материала толщиной 0,8…3 мм. Металлургические
предприятия поставляют стальной прокат по ГОСТ 19903-74 в виде листов мерной
ширины и длины, а также рулонную сталь по ГОСТ 19904-90 и ГОСТ 19903-74.
Применение рулонной стали имеет ряд преимуществ, в частности, при изготовлении
габаритных элементов обшивки имеется возможность использовать длинномерные
детали, выполненные на всю длину без поперечных стыковых сварных швов. Тем
самым увеличивается производительность заготовительных операций за счет
уменьшения объема сварочных работ.
Другим существенным преимуществом рулонной стали является компактность
рулона по сравнению с листом мерных размеров, возможность использования
универсальных грузозахватных крановых приспособлений при разгрузке, лучшая
сохранность материала при длительном хранении.
Кроме того, иногда имеется возможность совмещения разделительных и
формоизменяющих операций, например, резка полосовой заготовки и одновременное
продавливание на ней гофр.
К разделительным операциям относятся операции, в результате которых происходит
полное или частичное отделение одной части материала от другой по замкнутому
или незамкнутому контуру. Примеры разделительных операций: отрезка, вырезка,
врубка, пробивка, надрезка, обрезка, зачистка.
Отрезка - отделение одной части материала от другой по незамкнутому
контуру производится на ножницах или в штампах. Отрезку в штампах используют,
как правило, для малогабаритных деталей высокой точности, а отрезку на ножницах
- в качестве начальных разделительных операций, предшествующих гибке, формовке,
вытяжке и другим формоизменяющим операциям.
Ножницы для отрезки листового материала бывают параллельные, гильотинные,
роликовые и вибрационные. На рисунке 1 приведены схема работы гильотинных и
роликовых ножниц.
Рисунок
1 - Схема работы ножниц
станок полоса отрезка
Гильотинные ножницы получили наибольшее распространение. С помощью
гильотинных ножниц можно отрезать заготовки от мерных листов по ширине, длине
или под углом, а также производить резку рулонной стали поперек полотна. Это
оборудование отличается простотой настройки и высокой надежностью.
К недостаткам гильотинных ножниц относятся значительный шум при их
работе, динамические нагрузки от ударов подвижного ножа о разрезаемый лист, а
также ограниченность габаритов заготовки длиной ножа.
Этих недостатков лишены роликовые ножницы, отличающиеся непрерывной
работой без дополнительных динамических нагрузок и шума. Длина отрезаемой
заготовки ограничена только емкостью рулона.
Одним из факторов, сдерживающих широкое применение рулонной стали в
вагоностроении, является отсутствие на машиностроительных предприятиях
оборудования, подобного роликовым ножницам. Серийно выпускаемые модели таких
ножниц отличаются высокой стоимостью, а примитивные образцы изготовленные кустарным
способом - низкой надежностью и точностью.
Таким образом, существует потребность во внедрении станка для резки
полосовых заготовок большой длины, работающего по принципу роликовых ножниц и
предназначенного для работы с рулонной сталью. Вместе с тем, такой станок может
использоваться также для отрезки полос из мерных листов, хотя и менее
эффективно, чем гильотинные ножницы.
1 Конструирование и расчет станка для отрезки полос
.1 Требования к проектируемому станку
Создание технологического оборудования, отвечающих современным народного,
должно предусматривать их наибольший экономический эффект и высокие
технико-экономические и эксплуатационные показатели.
Основные требования, предъявляемые к создаваемой машине: высокая
производительность, надежность, технологичность, ремонтопригодность,
минимальные габариты и масса, удобство эксплуатации, экономичность.
Необходимо разработать конструкцию станка для резки полос,
предназначенных для работы с рулонной сталью шириной до 1250 мм, причем ширина
отрезаемой полосы в пределах от 70 до 700 мм.
Необходимо предусмотреть возможность работы как с углеродистыми и
низколегированными конструкционными сталями (Ст 3, 09Г2С), так и с аустенитными
коррозионно-стойкими сталями типа 12Х18Н10Т.
Производительность вновь проектируемого станка должна быть не менее трех
погонных метров полосы в минуту.
Номинальная потребляемая мощность станка не должна превышать 2 кВт.
Конструкция режущего узла должна обеспечивать возможность регулировки захода и
торцевого зазора роликов без разборки всего узла.
Станок предназначен для совместного использования с устройством размотки
и подачи рулонного материала.
.2 Разработка компоновочной схемы станка
На рисунке 2 представлена компоновка предлагаемого станка.
Рисунок 1 - Компоновка станка для резки полосовых заготовок
Станок состоит из стола, установленного на металлоконструкции и привод.
На рабочей поверхности стола установлен режущий узел, передвижные упоры и
рольганг. Привод устанавливается на нижней обвязке и включает в себя
мотор-редуктор и коробку передач, обеспечивающую две частоты вращения роликовых
ножей.
Схема рабочего пространства станка приведена на рисунке 2. Разрезаемый
лист разматывается с рулона и подается на поверхность стола. В середине стола расположен
режущий узел, состоящий из двух валов с роликовыми ножами. Валы связанны между
собой зубчатой передачей с передаточным отношением i = 1, вследствие чего
верхний и нижний ролики вращаются с одинаковыми частотами вращения, но в
противоположные стороны.
При подаче листа в зону захода роликов происходит надрез кромки, после
чего полотно увлекается вращающимися роликами, обеспечивающими непрерывную
резку полосы. Чтобы отрезаемая полоса своей кромкой не терлась о стол, его
поверхность, расположенная под полосой имеет занижение на 6 мм относительно
остальной поверхности стола.
Рисунок 2 - Схема рабочего пространства
Настройка станка на требуемую ширину листа осуществляется перестановкой
упоров. Упоры имеют возможность перемещаться вдоль пазов, расположенных вдоль
коротких сторон стола, при с помощью левого упора устанавливается требуемая
ширина полосы, а правый упор выставляется на ширину рулона.
Для исключения трения полосы о поверхность стола также предусмотрен рольганг,
ролики которого выдвинуты над поверхностью стола на 3 мм.
При проектировании станка рассчитывались размеры рабочей поверхности
стола (рисунок 3).
Ширина стола B = 1555 мм и минимальные расстояния от кромок стола до
поверхностей упоров 150 мм обеспечивают возможность разрезания рулонной стали
шириной ≈ 1255 мм, которая на 5 мм превышает ширину, указанную в
техническом задании. Расстояние от поверхности левого упора до режущей кромки
ножей 703 мм соответствует предельной ширине отрезаемой полосы.
Длина стола L = 4000 мм обеспечивают возможность использования станка для
резки листов мерной длины, а его высота H = 1550 мм согласована с паспортной
высотой устройства для размотки и подачи рулона.
На рисунке 4 показана конструкция режущего узла, позволяющая производить
регулировку торцевого зазора ножей без разборки всего узла.
Для обеспечения хорошего качества кромки отрезаемой полосы между рабочими
торцами роликовых ножей точного должен быть выдержан зазор 0,05 … 0,008 мм.
Изготовление и сборка режущего узла, обеспечивающие требуемый зазор без
подгонки и регулировки невозможно, поэтому в конструкции предусмотрены
регулировочные прокладки.
Рисунок 3 - Размеры рабочей поверхности стола
Для точного выставления торцевого зазора необходимо ослабить стопорный
винт на защитном кольце (рисунок 4 вид А) верхнего ножа, затем переместить
кольцо влево открыв доступ к месту размещения прокладок. Затем необходимо
ослабить круглую гайку, расположенную слева от верхнего ножа, освободив прокладки.
Для уменьшения торцевого зазора необходимо уменьшить толщину комплекта
прокладок путем удаления лишних прокладок или их подшлифовкой. Выполнив
корректировку толщины прокладок необходимо затянуть круглую гайку и проверить
работу режущего узла. Если на кромках отрезаемой полосы отсутствуют дефекты
(замятия, заусенцы), значит зазор выставлен правильно. После этого необходимо
установить кольцо защитное на прежнее место и застопорить его винтом.
Рисунок 4 - Режущий узел
Конструкция прокладок приведена на рисунке 5.
Рисунок 5 - Разрезная регулировочная прокладка
Каждая прокладка представляет собой два полукольца, которые
устанавливаются по отдельности. Таким образом, имеется возможность быстрой
регулировки зазора без разборки режущего узла.
Так как техническим заданием предусмотрено использование станка для резки
различных материалов, то для получения оптимальных технологических режимов
оборудование целесообразно оснастить коробкой передач, регулирующей частоту
вращения роликовых ножей.
Далее приведен расчет привода вращения ножей.
.3 Выбор основных характеристик привода
В качестве источника движения выбираем мотор-редуктор планетарный
зубчатый двухступенчатый типа 1МПз2 с радиусом расположения осей сателлитов 80
мм, частотой вращения выходного вала 17,7 об/мин. Конструктивное исполнение по
способу монтажа - на лапах, с горизонтальным расположением выходного вала
(схема 111 по ГОСТ 30164). Электродвигатель асинхронный 4AX90LB8 на номинальное
напряжение сети переменного тока 380В, номинальной мощностью NН = 1,5 кВт с
частотой вращения ротора n = 700 об/мин. Обозначение выбранного
мотор-редуктора: «Мотор-редуктор МПз2-50-18-111-1-380»
КПД мотор-редуктора ηР с учетом потерь в опорах ηД = 0,96 и в зацеплениях ηЗ = 0,7
ηР = ηД · ηЗ = 0,96 · 0,7 = 0,672
Тогда фактическая мощность на выходном вал
= NН · ηР = 1,5 · 0,672 = 1,0 кВт
Для получения требуемой частоты вращения ножа частоту вращения выходного
вала мотор-редуктора необходимо понизить до n1 = 7 об/мин (для резки
аустенитной коррозионно-стойкой стали) и n2 = 10 об/мин (для резки углеродистой
и низколегированной стали). Понижение осуществляем при помощи двухступенчатой
коробки передач с числом зубьев парных колес 20/40 и 25/35 и цепной передачи с
числами зубьев 20/24.
Вычислим ряд частот вращения ножа= n · 20/40 · 20/24 = 17,7 · 0,5 · 0,83
= 7,4 об/мин= n · 25/35 · 20/24 = 17,7 · 0,71 · 0,83 = 10,5 об/мин
Определяем крутящий момент на выходе редуктора
.4
Расчет привода при обработке углеродистой стали
Выполним
расчет привода при включении передачи 25/35 (n2 = 10,5 об/мин).
В
соответствии с расчётной цепочкой определяем крутящие моменты на валах привода.
На
первичном валу коробки передач MI = M = 539500 Н·мм;
На
выходном валу коробки передач
На
валу роликового ножа
где
hЗ = 0,98 [1, с. 24] - коэффициент полезного действия
цилиндрической прямозубой передачи;
hР = 0,96 [1, с. 24]
- коэффициент полезного действия цепной передачи,
hП = 0,99 [1, с. 25]
- коэффициент полезного действия пары подшипников качения.
Выполним
проектировочный расчет зубчатой передачи 25/35.
Выбираем
материал колёс - сталь 40Х, термообработка - закалка токами высокой частоты
(т.в.ч.) до твёрдости на поверхности не менее HRCЭ60 [1, с. 82].
Определяем
допускаемые контактные напряжения
где
sHlimb - предел контактной выносливости для
легированных сталей высокой твёрдости
sHlimb = 17HRC + 70 =
17×60 + 70 = 1090 МПа
КHL
= 1 [2, с. 33] - коэффициент долговечности;
[SH]
= 1,1 [2, стр. 33] - коэффициент безопасности.
Определяем
предварительное межосевое расстояние исходя из условия обеспечения достаточной
контактной выносливости активных поверхностей зубьев
где
Ка = 49,5 [2, с. 32] - коэффициент, учитывающий угол наклона зуба для
прямозубых колёс;
КНb = 1,35 [2, с. 32] - коэффициент, учитывающий неравномерность
распределения нагрузки по ширине зуба при несимметричном расположении колёс
относительно опор валов;
yba = 0,3 [1, с. 103]
- коэффициент ширины венца относительно межосевого расстояния.
По
предварительному межосевому расстоянию определяем модуль зацепления
По
ГОСТ 9563-60* принимаем модуль зацепления m = 5 мм [2, с. 36].
Определяем делительные
диаметры колёс z1 и z2= mz1 = 5×25 = 125 мм= mz2 = 5×35 = 175 мм
Уточняем межосевое расстояние
Определяем требуемую ширину колес
[b] = aw · ψba = 150 · 0,3 = 45 мм
Назначаем седьмую степень точности передачи [2, с. 32].
При модуле m = 5 мм и ширине венца b = 45 мм определяем контактные
напряжения на активных поверхностях зубьев
где
КН - уточнённый коэффициент, учитывающий неравномерность распределения нагрузки
по ширине зуба
КН
= КНb × КНu = 1,35 × 1,05 = 1,42
КНb = 1,08 [2, с. 32] - при несимметричном расположении колёс относительно
опор валов;
КНu = 1,1 [2, с. 40] - при окружной скорости передачи u £ 5 м/с и коэффициенте ширины венца yba = 0,3.
Из
расчёта видно, что контактные напряжения на активных поверхностях зубьев не
превышает предельно допустимых для выбранного материала и термообработки
sН = 834 МПа < [sН] = 991 МПа
Следовательно,
колёса удовлетворяют требованиям контактной выносливости.
Определяем
окружную силу, действующую в зацеплении
Определяем
радиальную силу, действующую в зацеплении
=
Ft × tga = 8632 × tg20° = 3142 Н
где
a = 20° - угол зацепления.
Проверяем
зубчатые зацепления на изгибную прочность.
Определяем
допускаемые напряжения изгиба
где
- предел усталостной прочности при изгибе для стали
40Х закаленной при отнулевом цикле изменения напряжений изгиба
= 13,5 ·
HRC = 13,5 · 60 = 810 МПа
[SF]’
= 1,8 [2, с. 44] - коэффициент безопасности для легированных сталей;
[SF]”
= 1 [2, с. 45] - коэффициент, учитывающий непостоянство механических свойств
материала безопасности для легированных сталей и зависящий от метода получения
заготовки для штампованных заготовок.
При
работе цилиндрической прямозубой передачи при одинаковых материалах и ширинах
зубчатых венцов наибольшие изгибные напряжения возникают у зубчатых колёс
имеющих меньшее число зубьев, поэтому проверочный расчёт на прочность при
изгибе будем проводить для колеса z1.
Определяем
действующие изгибные напряжения для колеса z1.
где
KF = 1,26 [2, с. 43] - коэффициент, учитывающий неравномерность распределения
напряжений по ширине зуба,= 3,9 [2, стр. 42] - коэффициент формы зуба.
Из расчёта видно, что изгибные напряжения не превышает предельно
допустимых для выбранного материала и термообработки
sF = 189 МПа < [sF]=
386 МПа
Следовательно, рассчитанная передача удовлетворяет требованиям изгибной
прочности.
Выполним проектировочный расчет цепной передачи. Исходные данные для
расчёта цепной передачи:
вращающий момент на ведущей звёздочке
Т1 = МII = 732792 Н×мм;
вращающий момент на ведомой звёздочке
Т2 = МIII = 835735 Н×мм;
число зубьев ведущей звёздочки z1 = 20;
число зубьев ведомой звёздочки z2 = 24.
передаточное число цепной передачи
= z2 / z1 = 24/20 = 1,2;
частота вращения ведущей звездочки
= n2 · u = 10,5 · 1,2 = 12,6 об/мин;
Определяем коэффициент условий эксплуатации
КЭ = kД · kА · kН · kР · kС · kП = 1 · 1 · 1 · 1,25 · 1,5 · 1 = 1,875
где kД = 1 -коэффициент динамически при спокойной нагрузке;А = 1 -
коэффициент при межосевом расстоянии в пределах А=(20…50)t;Н = 1 - коэффициент
при наклоне линии центров к горизонту не более 60º;Р = 1,25 - коэффициент при
периодическом регулировании натяжения цепи;С = 1,5 - коэффициент при
периодической смазке;П = 1 - коэффициент при односменной работе.
Определяем предварительное значение допускаемого давления в шарнирах цепи
[p] = [p’] · [1 + 0,01(z1 - 17)] = 42,8 · [1 + 0,01(20 - 17)] = 44 МПа
где [p’] = 42,8 МПа - допускаемое давление при числе зубьев меньшей
звездочки z1 = 17
Определяем ориентировочное значение шага однорядной цепи
Принимаем цепь приводную однорядную роликовую типа ПР по ГОСТ13568-97 с
параметрами [2, с. 147, таблица 7.16]:
шаг t = 38,1 мм;
разрушающая нагрузка Q = 12700 Н;
масса одного метра цепи q = 5,5 кг/м;
проекция опорной поверхности шарнира
АОП ≈ 0,28 · t2 = 0,28 · 38,12 = 406,5 мм2.
Определяем скорость цепи
Определяем
диаметр делительной окружности ведущей звёздочки
Определяем
диаметр наружной окружности ведущей звёздочки
где
d1 = 22,12 мм [2, таблица 7.15, с. 147].
Определяем окружную силу в передаче
Ftц = 2Т1 / dД1 = 2 · 732792 / 243,55 = 6018 Н
Проверяем давление в шарнире цепи
МПа
Из расчёта видно, что расчётное давление в шарнире цепи меньше допускаемого:
р < [р] = 44 МПа, следовательно, выбранная цепь может быть использована.
Определяем ориентировочное межосевое расстояние передачи
ац ≈ 20 × t = 20 × 38,1 ≈
762 мм = 0, 762 м
Определяем силы, действующие на цепь:
окружная Ftц = 6018 Н;
от центробежных сил FJ = q × J2 = 5,5 × 0,162 ≈ 0 Н;
от провисания цепи Ff = 9,81 × kf × q × aЦ =
9,81×3×5,5×0,762 = 123 Н.
где kf = 3 [2, с. 151] - коэффициент при наклоне линии центров передачи
60º.
Определяем расчётную нагрузку на валы
= Ftц + 2×Ff = 6018 + 2×123 = 6264 Н.
Определяем коэффициент запаса прочности цепи на растяжение
> 1
где
Q = 12700 Н - разрушающая нагрузка [2, с. 147, таблица 7.16];Д = 1 -
коэффициент динамичности нагрузки [2, с. 149].
Расчётный коэффициент запаса прочности цепи на растяжение s = 2 больше
единицы, следовательно, условие прочности цепи выполнено.
Далее произведен расчет валов коробки передач.
Исходными данными для расчета являются нагрузки, действующие на валы со
стороны механических передач (эти нагрузки были определены при расчете
соответствующих передач), а также осевые размеры валов. При расчете валов не
учитываем весовые нагрузки в виду их незначительности по сравнению с усилиями в
передачах.
Ориентировочные размеры валов получим из предварительной эскизной
компоновки редуктора с учетом расположения цилиндрических зубчатых колес.
Расчетная схема для силового расчета коробки передач представлена на рисунке 5.
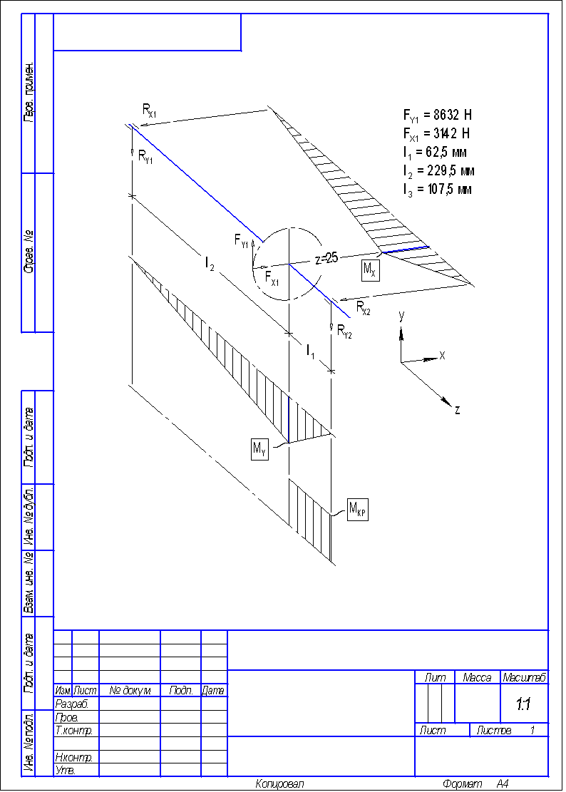
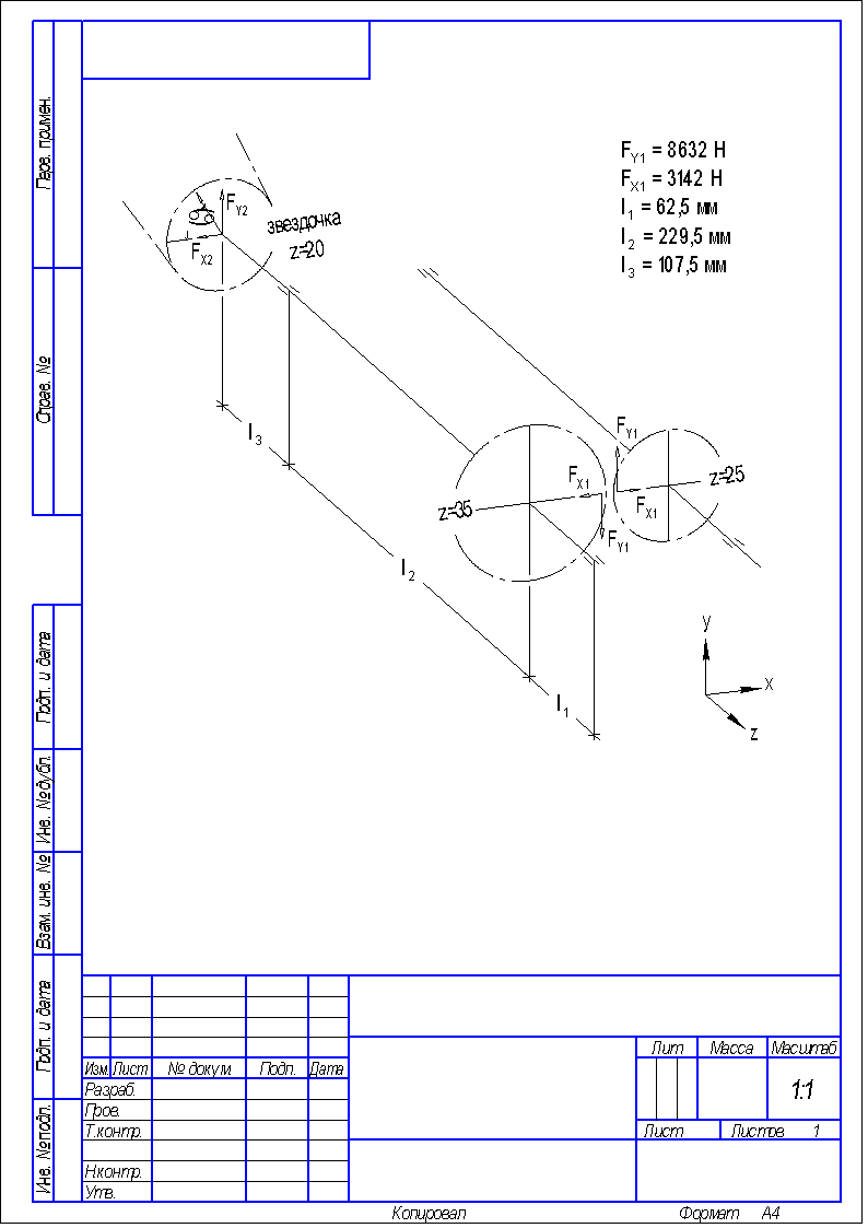
Произведем расчет вала I.
По посадочным диаметрам валов под опоры подбираем стандартные подшипники:
подшипник 210 ГОСТ 8338-75 (внутренний диаметр 50 мм).
Расчетная схема вала, эпюры моментов представлены на рисунке 6.
Для определения реакции опоры RY1 составляем уравнение моментов
относительно опоры «2»
где
FY1 = 8632 Н - вертикальная сила в зацеплении колес 25/35, равная окружной;
ℓ1
= 62,5 мм; ℓ2 = 229,5 мм - осевые размеры вала (рисунок 6).
Рисунок 5 - Схема нагружения валов
Рисунок 6 - К расчету вала I
Для определения реакции опоры RY2 составляем уравнение моментов
относительно опоры «1»
Проверяем
правильность определения опорных реакций, составив уравнение проекций сил на
вертикальную ось
Для
определения реакции опоры RX1 составляем уравнение моментов относительно опоры
«2»
Для
определения реакции опоры RX2 составляем уравнение моментов относительно опоры
«1»
Проверяем
правильность определения опорных реакций, составив уравнение проекций сил на
горизонтальную ось
Определяем
суммарные радиальные реакции опор
Рассмотрим
наиболее нагруженный подшипник.
Эквивалентная
нагрузка
РЭ2
= R2 · V · Кб · КТ = 7219 · 1 · 1,2 · 1 = 8662,8 Н
где V = 1 [3, с. 212] - коэффициент от вращения внутреннего кольца;
Кб = 1,2 [3, с. 214, таблица 9.19] - коэффициент от условий работы;
КТ = 1 [3, с. 214, таблица 9.19] - коэффициент от температуры.
Для более нагруженного подшипника вычисляем расчетный ресурс
где а1 = 1 [3, 132] - коэффициент, учитывающий вероятность отказов
подшипника;
а2 = 0,7 [3, 132] - коэффициент, учитывающий условия работы;= 35100 [3,
с. 233, таблица 136] - динамическая грузоподъемность.
Рекомендуемое значение расчетного ресурса для заданных условий работы
10000 ч [4, с. 129, таблица 71]. Так как расчетный ресурс подшипников больше
требуемого, то делаем вывод о достаточной надежности подшипников вала I.
Уточненный расчет вала состоит в определении коэффициентов запаса
прочности для опасных сечений и сравнения их с допускаемыми значениями [S] =
2,5 [3, с. 162].
Определим коэффициенты запаса прочности для опасного сечения ведущего
вала, принимая, что нормальные напряжения изменяются по симметричному циклу, а
касательные - по отнулевому (пульсирующему).
Назначаем материал вала - сталь 45, имеющую механические свойства:
временное сопротивление на разрыв sв =598 МПа;
предел выносливости по нормальным напряжениям s-1 =309 МПа;
предел выносливости по касательным напряжениям t-1 =179 МПа.
Определяем результирующие изгибающие моменты в середине посадочного места
колеса
где
MY - изгибающий момент в опасном сечении в плоскости y0z
=
RY1 · ℓ2 = 1848 · 229,5 = 424116 Н·мм
-
изгибающий момент в опасном сечении в плоскости y0z
=
RX1 · ℓ2 = 673 · 229,5 = 154453,3 Н·мм
В
качестве концентратора напряжений в середине колеса выступают шлицы.
Предварительно намечаем шлицы легкой серии (наружный диаметр 58 мм, внутренний
диаметр 52 мм, ширина шлица 10 мм, число шлицев 8).
Проверяем
вал на усталостную прочность в опасном сечении при одновременном действии
изгибающего и крутящего моментов. Для этого определяем коэффициент запаса
усталостной прочности
где
Ss - коэффициент запаса усталостной прочности при изгибе
s-1 = 309 МПа [3, с.
200] - предел выносливости стали 45 при изгибе;σ / (εσ∙β)
= 2,17 [5, с. 554] - эффективный
коэффициент концентрации напряжений изгиба;
b - поправочный
коэффициент, учитывающий качество обработки и состояние поверхности вала (для
термообработанных валов с последующим шлифованием);
es - масштабный
фактор, учитывающий влияние размеров сечения вала на усталостную прочность;
sV - амплитуда цикла
изгибных напряжений при симметричном цикле
-
момент сопротивления изгибу шлицевого сечения вала
= 52 мм - диаметр впадин
шлицев;
ξ
= 1,13 - коэффициент, учитывающий
усиление вала выступами шлицевt - коэффициент запаса
усталостной прочности при кручении
t-1 = 179 МПа [3, с. 200] - предел выносливости при
кручении;τ
/ (ετ∙β) = 3,84 [5, с.
554] - эффективный коэффициент концентрации напряжений кручения;
b - поправочный коэффициент, учитывающий качество
обработки и состояние поверхности вала (для термообработанных валов с
последующим шлифованием);
et - масштабный фактор, учитывающий влияние размеров
сечения вала на усталостную прочность;
tV - амплитуда цикла напряжений при кручения
КР - момент сопротивления
кручению сечения вала
ψτ = 0,1 - коэффициент чувствительности материала вала к
постоянной составляющей отнулевого цикла касательных напряжений;
tМ = tV = 8,6 МПа - постоянная
составляющая отнулевого цикла касательных напряжений
Из расчета видно, что фактический
коэффициент запаса усталостной прочности для опасного сечения вала S = 3,5
больше предельно допустимого коэффициент запаса [S] = 2,5, следовательно,
рассчитанный вал обладает достаточной усталостной прочностью.
Проверяем на прочность
шпоночное соединение выходного конца быстроходного вала с полумуфтой по
допускаемым напряжениям смятия [sСМ]=100 МПа [3, с.
170]
где d = 58 мм - диаметр
вала,- длина рабочей грани шпонки= l - b = 100 - 16 = 84 мм= 40 мм - общая
длина шпонки,= 5 мм - высота шпонки,= 3 мм - глубина шпоночного паза на валу;=
5 мм - ширина шпонки.
Проверяем на прочность
шлицевое соединение блока шестерен с валом по допускаемым напряжениям смятия [sСМ] = 100 МПа [3, с. 175]
где z = 8 - число шлицев,
АСМ - расчетная площадь
смятия,
- средний радиус соединения
= 0,25(D+d) = 0,25(58+52) =
27,5 мм
= 58 мм - диаметр вершин
шлицев,= 52 мм - диаметр впадин шлицев,= 0,5 мм - фаска при вершине шлица.
Из расчета видно, что
напряжение смятия в шлицевом соединении не превышает предельно допустимого,
т.е. sСМ = 14 МПа < [sСМ] = 100 МПа.
Произведем расчет вала II.
Расчетная схема вала, эпюры моментов представлены на рисунке 7.
Рисунок 7 - К расчету вала II
Определяем предварительные значения диаметра вала из расчета на чистое
кручение по пониженным касательным напряжениям
где
[τ]
= 16 МПа [3, с. 161] - допускаемое
напряжение при кручении.
По
посадочным диаметрам валов под опоры подбираем стандартные подшипники:
подшипник 113 ГОСТ 8338-75 (внутренний диаметр 65 мм).
Для
определения реакции опоры RY1 составляем уравнение моментов относительно опоры
«2»
где
FY1 = 8632 Н - вертикальная сила в зацеплении колес 25/35, равная окружной;-
вертикальная составляющая силы в цепной передаче
FY2 = FB · cos 60º = 6264 · cos 60º =
5423 Н
ℓ1
= 62,5 мм; ℓ2 = 229,5 мм; ℓ3 = 107,5 мм - расстояние от места
приложения нагрузки до середин опор вала.
Для
определения реакции опоры RY2 составляем уравнение моментов относительно опоры
«1»
Проверяем
правильность определения опорных реакций, составив уравнение проекций сил на
вертикальную ось
Для
определения реакции опоры RX1 составляем уравнение моментов относительно опоры
«2»
где
FX1 = 3124 Н - горизонтальная сила в зацеплении колес 25/35, равная
радиальной;- горизонтальная составляющая силы в цепной передаче
FX2 = FB · sin 60º = 6264 · sin 60º =
3132 Н
Для
определения реакции опоры RX2 составляем уравнение моментов относительно опоры
«1»
Проверяем
правильность определения опорных реакций, составив уравнение проекций сил на
горизонтальную ось
Определяем
суммарные радиальные реакции опор
Рассмотрим
наиболее нагруженный подшипник.
Эквивалентная
нагрузка
РЭ2
= R2 · V · Кб · КТ = 8877 · 1 · 1,2 · 1 = 10652,4 Н
где V = 1 [3, с. 212] - коэффициент от вращения внутреннего кольца;
Кб = 1,2 [3, с. 214, таблица 9.19] - коэффициент от условий работы;
КТ = 1 [3, с. 214, таблица 9.19] - коэффициент от температуры.
Для более нагруженного подшипника вычисляем расчетный ресурс
где а1 = 1 [3, 132] - коэффициент, учитывающий вероятность отказов
подшипника;
а2 = 0,7 [3, 132] - коэффициент, учитывающий условия работы;= 30700 [3,
с. 233, таблица 136] - динамическая грузоподъемность.
Рекомендуемое значение расчетного ресурса для заданных условий работы
10000 ч [4, с. 129, таблица 71]. Так как расчетный ресурс подшипников больше
требуемого, то делаем вывод о достаточной надежности подшипников вала II.
Определим коэффициенты запаса прочности для предположительно опасных
сечений ведомого вала.
Определяем результирующие изгибающие моменты в середине посадочного места
подшипника «1»
где
MY1 - изгибающий момент в опасном сечении в плоскости y0z
MY1
= FY2 · ℓ3 = 5423 · 107,5 = 582972,5 Н·мм
-
изгибающий момент в опасном сечении в плоскости y0z
=
FX · ℓ1 = 3132 · 107,5 = 336690 Н·мм
Определяем
результирующие изгибающие моменты в середине посадочного места зубчатого колеса

=
RY2 · ℓ1 = 8781 · 62,5 = 548812,5 Н·мм
-
изгибающий момент в опасном сечении в плоскости y0z
=
RX2 · ℓ1 = 1302 · 62,5 = 81375 Н·мм
Из
эпюр изгибающих моментов положение опасного сечения очевидно - это сечение в
середине посадочного места подшипника «1». В качестве концентратора напряжений
выступает переходная посадка с возможным натягом.
Проверяем
вал на усталостную прочность в опасном сечении при одновременном действии
изгибающего и крутящего моментов. Для этого определяем коэффициент запаса
усталостной прочности
где
Ss - коэффициент запаса усталостной прочности при изгибе
s-1 = 309 МПа [3, с.
200] - предел выносливости стали 45 при изгибе;σ / (εσ∙β)
= 3,52 [5, с. 554] - эффективный
коэффициент концентрации напряжений изгиба;
b - поправочный
коэффициент, учитывающий качество обработки и состояние поверхности вала (для
термообработанных валов с последующим шлифованием);
es - масштабный
фактор, учитывающий влияние размеров сечения вала на усталостную прочность;
sV - амплитуда цикла
изгибных напряжений при симметричном цикле
-
момент сопротивления изгибу круглого сечения вала
= 65 мм - диаметр вала в
опасном сечении;t - коэффициент запаса усталостной прочности при
кручении
t-1 = 179 МПа [3, с. 200] - предел выносливости при
кручении;τ
/ (ετ∙β) = 3,79 [5, с.
554] - эффективный коэффициент концентрации напряжений кручения;
et - масштабный фактор, учитывающий влияние размеров
сечения вала на усталостную прочность;
tV - амплитуда цикла напряжений при кручения
КР - момент сопротивления
кручению сечения вала
ψτ = 0,1 - коэффициент чувствительности материала вала к
постоянной составляющей отнулевого цикла касательных напряжений;
tМ = tV = 6,7 МПа - постоянная
составляющая отнулевого цикла касательных напряжений
Из расчета видно, что
фактический коэффициент запаса усталостной прочности для опасного сечения вала
S = 3,1 больше предельно допустимого коэффициент запаса [S] = 2,5,
следовательно, рассчитанный вал обладает достаточной усталостной прочностью.
Проверяем на прочность
шпоночное соединение вала с зубчатым колесом z = 35 по допускаемым напряжениям
смятия [sСМ] = 100 МПа [3, с. 170]
где d = 75 мм - диаметр вала
в шпоночном соединении,- длина рабочей грани шпонки
lP = l - b = 100 - 20 = 80 мм
= 100 мм - общая длина
шпонки,= 12 мм - высота шпонки,= 7,5 мм - глубина шпоночного паза на валу;= 20
мм - ширина шпонки.
.5 Расчет привода при
обработке коррозионно-стойкой стали
Выполним расчет привода при
включении передачи 20/40 (n2 = 7,4 об/мин).
В соответствии с расчётной
цепочкой определяем крутящие моменты на валах привода.
На первичном валу коробки
передач
= M = 539500 Н·мм;
На выходном валу коробки
передач
На валу роликового ножа
где hЗ = 0,98 [1, с. 24] - коэффициент полезного действия цилиндрической
прямозубой передачи;
hР = 0,96 [1, с. 24] - коэффициент полезного действия
цепной передачи,
hП = 0,99 [1, с. 25] - коэффициент полезного действия
пары подшипников качения.
Выполним проектировочный
расчет зубчатой передачи 20/40.
Материалы передачи и
требования к термообработке для передачи 20/40 аналогичны передаче 25/35.
Основные расчетные характеристики (согласно 1.4):
модуль зацепления m = 5 мм;
ширина венца b = 45 мм;
межосевое расстояние aW = 150
мм;
передаточное число u = 2;
допускаемые контактные
напряжения [σH] = 991 МПа;
уточнённый коэффициент
контактных напряжений КН = 1,42;
допускаемые изгибные
напряжения [σF] = 463 МПа;
Определяем контактные
напряжения на активных поверхностях зубьев
Из расчёта видно, что
контактные напряжения на активных поверхностях зубьев не превышает предельно
допустимых для выбранного материала и термообработки
sН = 976 МПа < [sН] = 991 МПа
Следовательно, колёса
удовлетворяют требованиям контактной выносливости.
Определяем окружную силу,
действующую в зацеплении
Определяем радиальную силу,
действующую в зацеплении
= Ft × tga = 107902 × tg20° = 3927 Н
где a = 20° - угол зацепления.
Определяем действующие
изгибные напряжения для колеса z1.
где
KF = 1,204 [2, с. 43] - коэффициент, учитывающий неравномерность распределения
напряжений по ширине зуба,= 4,09 [2, стр. 42] - коэффициент формы зуба.
Из расчёта видно, что изгибные напряжения не превышает предельно
допустимых для выбранного материала и термообработки
sF = 254 МПа < [sF]=
386 МПа
Следовательно, рассчитанная передача удовлетворяет требованиям изгибной
прочности.
Выполним проектировочный расчет цепной передачи 20/24. Исходные данные
для расчёта цепной передачи:
вращающий момент на ведущей звёздочке Т1=МII=1046846 Н×мм;
вращающий момент на ведомой звёздочке Т2=МIII=1193907 Н×мм;
передаточное число цепной передачи u = 1,2;
частота вращения ведущей звездочки
n = n1 · u = 7,4 · 1,2 = 8,9 об/мин;
коэффициент условий эксплуатации КЭ = 1,875
допускаемое давление в шарнирах цепи [p] = 44 МПа
шаг цепи t = 38,1 мм;
разрушающая нагрузка Q = 12700 Н;
масса одного метра цепи q = 5,5 кг/м;
проекция опорной поверхности шарнира АОП = 406,5 мм2.
диаметр делительной окружности ведущей звездочки dД1 = 243,55 мм;
диаметр наружной окружности ведущей звёздочки DД1 = 260,59 мм;
межосевое расстояние передачи ац = 762 мм = 0, 762 м
Определяем скорость цепи
Определяем окружную силу в передаче
ц = 2Т1 / dД1 = 2 · 1046846 / 243,55 = 8597 Н
Проверяем давление в шарнире цепи
МПа
Из расчёта видно, что расчётное давление в шарнире цепи меньше
допускаемого: р < [р] = 44 МПа, следовательно, выбранная цепь может быть
использована.
Определяем силы, действующие на цепь:
окружная Ftц = 8597 Н;
от центробежных сил FJ = 0 Н (см. 1.4);
от провисания цепи Ff = 123 Н (см. 1.4).
Определяем расчётную нагрузку на валы
= Ftц + 2×Ff = 8597 + 2×123 = 8843 Н.
Определяем коэффициент запаса прочности цепи на растяжение
> 1
Расчётный коэффициент запаса прочности цепи на растяжение s=1,5 больше
единицы, следовательно, условие прочности цепи выполнено.
Далее произведен расчет валов коробки передач.
Расчетная схема для силового расчета коробки передач в режиме резки
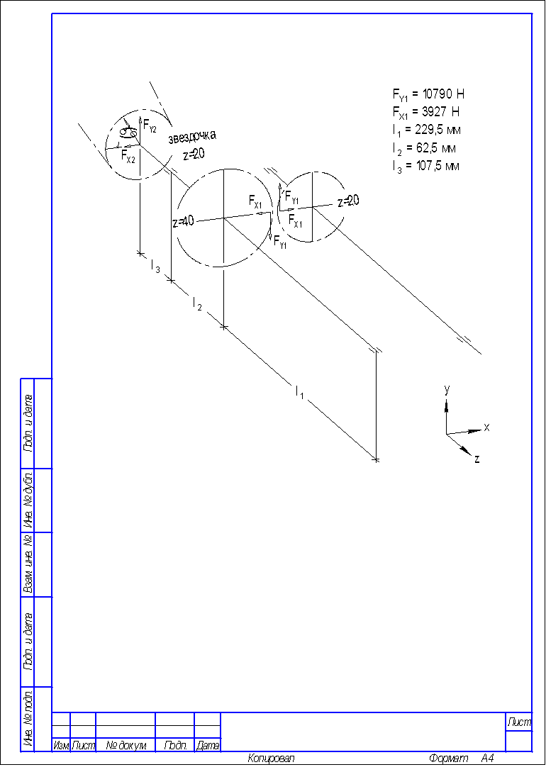
коррозионно-стойкой стали представлена на рисунке 8.
Произведем расчет вала I.
Расчетная схема вала, эпюры моментов представлены на рисунке 9.
Для определения реакции опоры RY1 составляем уравнение моментов
относительно опоры «2»
где
FY1 = 10790 Н - вертикальная сила в зацеплении колес 20/40, равная окружной;
ℓ1
= 229,5 мм; ℓ2 = 62,5 мм - расстояние от места приложения нагрузки до
середин опор вала (рисунок 9).
Рисунок 8 - Схема нагружения валов
Для определения реакции опоры RY2 составляем уравнение моментов
относительно опоры «1»
тогда
Проверяем
правильность определения опорных реакций, составив уравнение проекций сил на
вертикальную ось
Рисунок 9 - К расчету вала I
Для определения реакции опоры RX1 составляем уравнение моментов
относительно опоры «2»
Для
определения реакции опоры RX2 составляем уравнение моментов относительно опоры
«1»
Проверяем
правильность определения опорных реакций, составив уравнение проекций сил на
горизонтальную ось
Определяем
суммарные радиальные реакции опор
Рассмотрим наиболее нагруженный подшипник.
Эквивалентная нагрузка
РЭ1 = R1 · V · Кб · КТ = 9024 · 1 · 1,2 · 1 = 10828,8 Н
где V = 1 [3, с. 212] - коэффициент от вращения внутреннего кольца;
Кб = 1,2 [3, с. 214, таблица 9.19] - коэффициент от условий работы;
КТ = 1 [3, с. 214, таблица 9.19] - коэффициент от температуры.
Для более нагруженного подшипника вычисляем расчетный ресурс
где а1 = 1 [3, 132] - коэффициент, учитывающий вероятность отказов
подшипника;
а2 = 0,7 [3, 132] - коэффициент, учитывающий условия работы;= 35100 [3,
с. 233, таблица 136] - динамическая грузоподъемность.
Рекомендуемое значение расчетного ресурса для заданных условий работы
10000 ч [4, с. 129, таблица 71]. Так как расчетный ресурс подшипников больше
требуемого, то делаем вывод о достаточной надежности подшипников вала I.
Определим коэффициенты запаса прочности для опасного сечения ведущего
вала.
Определяем результирующие изгибающие моменты в середине посадочного места
колеса
где
MY - изгибающий момент в опасном сечении в плоскости y0z
=
RY1 · ℓ2 = 8480 · 62,5 = 530000 Н·мм
-
изгибающий момент в опасном сечении в плоскости y0z
=
RX1 · ℓ2 = 3086 · 62,5 = 192875 Н·мм
Проверяем
вал на усталостную прочность в опасном сечении (в середине колеса z = 25),
ослабленного шлицами. Для этого определяем коэффициент запаса усталостной
прочности
где
Ss - коэффициент запаса усталостной прочности при изгибе
s-1 = 309 МПа [3, с.
200] - предел выносливости стали 45 при изгибе;σ / (εσ∙β)
= 2,17 [5, с. 554] - эффективный коэффициент
концентрации напряжений изгиба;
b - поправочный
коэффициент, учитывающий качество обработки и состояние поверхности вала;
es - масштабный
фактор, учитывающий влияние размеров сечения вала на усталостную прочность;
sV - амплитуда цикла
изгибных напряжений при симметричном цикле
=
15598 мм3 - момент сопротивления изгибу шлицевого сечения вала (см. 1.4);t = 5,3 - коэффициент запаса усталостной прочности при кручении (см.
1.4).
Из
расчета видно, что фактический коэффициент запаса усталостной прочности для
опасного сечения вала S = 3,1 больше предельно допустимого коэффициент запаса
[S] = 2,5, следовательно, рассчитанный вал обладает достаточной усталостной
прочностью.
Проверяем
на смятие соединения быстроходного вала: шпоночное соединение с полумуфтой и
шлицевое соединение с блоком шестерен по допускаемым напряжениям [σСМ] = 100 МПа.
Так
как крутящий момент на входе коробки передач для обоих режимов одинаков, то
напряжения смятия на рабочих гранях шпонки и шлицев равны 55 и 14 МПа
соответственно (см. 1.4). Следовательно, шлицевое и шпоночное соединения
удовлетворяют требованиям прочности при смятии.
Произведем расчет вала II.
Расчетная схема вала, эпюры моментов представлены на рисунке 10.
Для определения реакции опоры RY1 составляем уравнение моментов
относительно опоры «2»
где
FY1 = 10790 Н - вертикальная сила в зацеплении колес 20/40, равная окружной;
ℓ1
= 229,5 мм; ℓ2 = 62,5 мм; ℓ3 = 107,5 мм - расстояние от места
приложения нагрузки до середин опор вала.
Для
определения реакции опоры RY2 составляем уравнение моментов относительно опоры
«1»
Рисунок 10 - К расчету вала II
Проверяем правильность определения опорных реакций, составив уравнение
проекций сил на вертикальную ось
Для
определения реакции опоры RX1 составляем уравнение моментов относительно опоры
«2»
где
FX1 = 3927 Н - горизонтальная сила в зацеплении колес 20/405, равная
радиальной;- горизонтальная составляющая силы в цепной передаче
FX2 = FB · sin 60º = 8843 · sin 60º =
3829 Н
Для
определения реакции опоры RX2 составляем уравнение моментов относительно опоры
«1»
Проверяем
правильность определения опорных реакций, составив уравнение проекций сил на
горизонтальную ось
Определяем
суммарные радиальные реакции опор
Рассмотрим наиболее нагруженный подшипник.
Эквивалентная нагрузка
РЭ1 = R1 · V · Кб · КТ = 8561 · 1 · 1,2 · 1 = 10273,2 Н
где V = 1 [3, с. 212] - коэффициент от вращения внутреннего кольца;
Кб = 1,2 [3, с. 214, таблица 9.19] - коэффициент от условий работы;
КТ = 1 [3, с. 214, таблица 9.19] - коэффициент от температуры.
Для более нагруженного подшипника вычисляем расчетный ресурс
где а1 = 1 [3, 132] - коэффициент, учитывающий вероятность отказов
подшипника;
а2 = 0,7 [3, 132] - коэффициент, учитывающий условия работы;= 30700 [3,
с. 233, таблица 136] - динамическая грузоподъемность.
Рекомендуемое значение расчетного ресурса для заданных условий работы
10000 ч [4, с. 129, таблица 71]. Так как расчетный ресурс подшипников больше
требуемого, то делаем вывод о достаточной надежности подшипников вала II.
Определим коэффициенты запаса прочности для предположительно опасных
сечений ведомого вала.
Определяем результирующие изгибающие моменты в середине посадочного места
подшипника «1»
где
MY1 - изгибающий момент в опасном сечении в плоскости y0z
MY1
= FY2 · ℓ3 = 7658 · 107,5 = 823235 Н·мм
-
изгибающий момент в опасном сечении в плоскости y0z
=
FX · ℓ1 = 3132 · 107,5 = 336690 Н·мм
Определяем
результирующие изгибающие моменты в середине посадочного места зубчатого колеса
где
MY2 - изгибающий момент в опасном сечении в плоскости y0z
=
RY2 · ℓ1 = 5129 · 229,5 = 1177105,5 Н·мм
-
изгибающий момент в опасном сечении в плоскости y0z
=
RX2 · ℓ1 = 569 · 229,5 = 130585,5 Н·мм
Из
эпюр изгибающих моментов положение опасного сечения очевидно - это сечение в
середине посадочного места колеса z = 40. В качестве концентратора напряжений
выступает шпоночный паз глубиной 7,5 мм и шириной 20 мм.
Проверяем
вал на усталостную прочность в опасном сечении при одновременном действии
изгибающего и крутящего моментов. Для этого определяем коэффициент запаса
усталостной прочности
где
Ss - коэффициент запаса усталостной прочности при изгибе
s-1 = 309 МПа [3, с.
200] - предел выносливости стали 45 при изгибе;σ / (εσ∙β)
= 2,37 [5, с. 554] - эффективный
коэффициент концентрации напряжений изгиба;
b - поправочный
коэффициент, учитывающий качество обработки и состояние поверхности вала;
es - масштабный
фактор, учитывающий влияние размеров сечения вала на усталостную прочность;
sV - амплитуда цикла
изгибных напряжений при симметричном цикле
-
момент сопротивления изгибу круглого сечения вала
= 75 мм - диаметр вала в
месте посадки колеса z = 40;= 7,5 мм - глубина шпоночного паза на валу;= 20 мм
- ширина шпоночного паза;t - коэффициент запаса усталостной прочности при
кручении
t-1 = 179 МПа [3, с. 200] - предел выносливости при
кручении;τ
/ (ετ∙β) = 2,61 [5, с.
554] - эффективный коэффициент концентрации напряжений кручения;
et - масштабный фактор, учитывающий влияние размеров
сечения вала на усталостную прочность;
tV - амплитуда цикла напряжений при кручения
КР - момент сопротивления
кручению сечения вала
ψτ = 0,1 - коэффициент чувствительности материала вала к
постоянной составляющей отнулевого цикла касательных напряжений;
tМ = tV = 6,6 МПа - постоянная
составляющая отнулевого цикла касательных напряжений
Из расчета видно, что
фактический коэффициент запаса усталостной прочности для опасного сечения вала
S = 3,7 больше предельно допустимого коэффициент запаса [S] = 2,5,
следовательно, рассчитанный вал обладает достаточной усталостной прочностью.
Проверяем на прочность
шпоночное соединение вала с зубчатым колесом z = 40 по допускаемым напряжениям
смятия [sСМ] = 100 МПа [3, с. 170]
где d = 75 мм - диаметр вала
в шпоночном соединении,=80 мм - длина рабочей грани шпонки (см. 1.4);= 12 мм -
высота шпонки,= 7,5 мм - глубина шпоночного паза на валу;= 20 мм - ширина
шпонки.
.6 Проверка тягового усилия
на ножах
Построим схему относительного
расположения ножей и листовой заготовки на момент начала резания (рисунок 11).
Определяем радиальную силу на
ноже [1, с. 65]
где S = 3 мм - расчетная
толщина листа;
σВ = 445 МПа - временное сопротивление на разрыв
материала листа;
α
= 25,78º - угол захвата ножей при
расчетной толщине листа;
Определяем суммарную силу на
ноже [1, с. 65]
= 1,3 · PR = 1,3 · 1106 =
1438 Н
Окружную силу на ноже
определим решив векторное уравнение
Для решения этого уравнения
построим план сил на момент начала резания (рисунок 1). Проводим вектор
длиной ℓR = 60 мм (длина вектора принимается
произвольно). Далее из начала вектора
проводим
дугу окружности радиусом r
Рисунок 11 - Схема сил на
роликах
= ℓ 1,3 = 60 · 1,3 = 78
мм
Опустив перпендикуляр из
конца вектора
на дугу r = 78 мм, найдем конечную точку векторов
и
.
Фактическое значение окружной
силы
найдем из соотношения
где ℓТ ≈ 50 мм -
длина вектора
на плане сил.
Тогда
Определяем крутящий момент на
ролике
М = R · PT =
75 · 922 = 69150 Н·мм
где R = 75 мм -
радиус режущей кромки ролика.
Проектировочные расчеты
привода производились исходя из заданной в техническом задании потребляемой
мощности 1,5 кВт. При этом крутящий момент на роликовых ножах M =
83574 Н·мм - для углеродистой и низколегированной стали и M =
1193991 Н·мм - для коррозионно-стойкой стали. Очевидно, что спроектированный
станок обладает достаточной прочностью и пригоден для обработки широкой
номенклатуры рулонных материалов.
2. Определение себестоимости
станка
Определение себестоимости будем проводить по следующим статьям:
1) Сырьё и основные материалы;
2) Покупные изделия и полуфабрикаты;
3) Транспортно-заготовительные расходы;
4) Возвратные отходы;
5) Основная заработная плата
производственных рабочих;
6) Дополнительная заработная плата
производственных рабочих;
7) Начисления на заработную плату;
8) Цеховые расходы;
9) Общезаводские расходы;
10)Внепроизводственные
расходы.
.1 Определение стоимости основных материалов
Стоимость основных материалов определяем по общей формуле
СОМ = ЦОМ × КОМ;
где ЦОМ - цена одного килограмма материала, р.;
КОМ - норма расхода материала, кг.
Определяем стоимость проката круглого сечения диаметром 105 мм из стали
20
СОМ = ЦОМ × КОМ = 28,2 × 86,94 = 2451,71 р.
где ЦОМ = 28,2 р. - цена одного килограмма выбранного сортамента;
КОМ = 86,94 кг. - норма расхода выбранного сортамента.
Определяем стоимость проката круглого сечения диаметром 95 мм из стали 20
СОМ = ЦОМ × КОМ = 28,2 × 13,23 = 373,09 р.
где ЦОМ = 28,2 р. - цена одного килограмма выбранного сортамента;
КОМ = 13,23 кг. - норма расхода выбранного сортамента.
Определяем стоимость проката круглого сечения диаметром 70 мм из стали 20
СОМ = ЦОМ × КОМ = 28,2 × 33,08 = 932,86 р.
где ЦОМ = 28,2 р. - цена одного килограмма выбранного сортамента;
КОМ = 33,08 кг. - норма расхода выбранного сортамента.
Определяем стоимость проката круглого сечения диаметром 50 мм из стали 20
СОМ = ЦОМ × КОМ = 28,2 × 13,23 = 373,09 р.
где ЦОМ = 28,2 р. - цена одного килограмма выбранного сортамента;
КОМ = 13,23 кг. - норма расхода выбранного сортамента.
Определяем стоимость листа горячекатаного толщиной 16 мм из стали 10ХСНД
СОМ = ЦОМ × КОМ = 30,3 × 97,02 = 2939,71 р.
где ЦОМ = 30,3 р. - цена одного килограмма выбранного сортамента;
КОМ = 97,02 кг. - норма расхода выбранного сортамента.
Определяем стоимость листа горячекатаного толщиной 12 мм из стали
10ХСНДСОМ = ЦОМ × КОМ = 30,3 × 1079,27 = 32701,88 р.
где ЦОМ = 30,3 р. - цена одного килограмма выбранного сортамента;
КОМ = 1079,27 кг. - норма расхода выбранного сортамента.
Определяем стоимость листа горячекатаного толщиной 10 мм из стали 10ХСНД
СОМ = ЦОМ × КОМ = 30,3 × 779,98 = 23633,39 р.
где ЦОМ = 30,3 р. - цена одного килограмма выбранного сортамента;
КОМ = 779,98 кг. - норма расхода выбранного сортамента.
Определяем стоимость листа горячекатаного толщиной 8 мм из стали 10ХСНД
СОМ = ЦОМ × КОМ = 30,3 × 122,47 = 3710,84 р.
где ЦОМ = 30,3 р. - цена одного килограмма выбранного сортамента;
КОМ = 122,47 кг. - норма расхода выбранного сортамента.
Определяем стоимость листа горячекатаного толщиной 6 мм из стали 10ХСНД
СОМ = ЦОМ × КОМ = 30,3 × 15,44 = 467,83 р.
где ЦОМ = 30,3 р. - цена одного килограмма выбранного сортамента;
КОМ = 15,44 кг. - норма расхода выбранного сортамента.
Определяем стоимость крепёжных изделий
СОМ = ЦОМ × КОМ = 35 × 19,7 = 689,5 р.
где ЦОМ = 35 р. - цена одного килограмма крепежа;
КОМ = 19,7 кг. - чистый вес крепежа.
Определяем стоимость прочих материалов СОМ = 835,14 р.
Определяем стоимость сварочных материалов СОМ = 2053,62 р.
Определяем стоимость лакокрасочных материалов СОМ = 1026,81 р.
Определяем стоимость консервации СОМ = 479,18 р.
Определяем общую стоимость основных материалов
СОМ = 2451,71 + 373,09 + 932,86 + 373,09 + 2939,71 + 32881,86 +
+ 23633,39 + 3710,84 + 467,83 + 689,5 + 835,14 + 2053,62 +
+ 1026,81 + 479,18 = 72848,63 р.
.2 Определение стоимости покупных изделий и полуфабрикатов
Стоимость покупных изделий полуфабрикатов определяем по общей формуле
СПИ = ЦПИ × КПИ;
где ЦПИ - цена одной покупной единицы, р.;
КПИ - необходимое количество покупных единиц, шт.
Результаты расчётов стоимости покупных изделий и полуфабрикатов
представлены в таблице 1.
Таблица 1 - Стоимость покупных изделий и полуфабрикатов
|
Наименование
|
Количество
|
Цена за штуку, р.
|
Стоимость, р.
|
|
Гидроцилиндр HCJ.140.25.830
- 01
|
4
|
4050
|
16200
|
|
Гидроцилиндр HCС.60.25.860
- 01
|
2
|
6200
|
12400
|
|
Гидроцилиндр HCJ.30.25.360
- 01
|
4
|
2100
|
8400
|
|
Редуктор планетарный
|
5500
|
5500
|
|
Электродвигатель
асинхронный
|
10
|
650
|
6500
|
Определяем транспортно-заготовительные расходы. Принимаем
транспортно-заготовительные расходы равными 7% от стоимости сырья, основных
материалов, покупных и комплектующих изделий. Тогда
СОМ = (СОМ + СПИ) ×0,07 = (72848,63 + 49000) ×0,07 = 8529,4 р.
.3 Определение стоимости возвратных отходов
Стоимость возвратных отходов определим по общей формуле
СВО = ЦВО × (КОМ - МИ);
где ЦВО - цена одного килограмма отходов, р.;
КОМ - норма расхода материала, кг.;
МИ - чистый вес изделия, кг.
Определяем стоимость возвратных отходов проката круглого сечения
диаметром 105 мм из стали 20
СВО = ЦВО × (КОМ - МИ) = 2,65 × (86,94 - 48,3) = 102,4 р.
где ЦВО = 2,65 р. - цена килограмма отходов выбранного сортамента;
КОМ = 86,94 кг. - норма расхода выбранного сортамента;
МИ = 48,3 кг. - чистый вес изделия.
Определяем стоимость возвратных отходов проката круглого сечения
диаметром 95 мм из стали 20
СВО = ЦВО × (КОМ - МИ) = 2,65 × (13,23 - 12,6) = 1,67 р.
где ЦВО = 2,65 р. - цена килограмма отходов выбранного сортамента;
КОМ = 13,23 кг. - норма расхода выбранного сортамента;
МИ = 12,6 кг. - чистый вес изделия.
Определяем стоимость возвратных отходов проката круглого сечения
диаметром 70 мм из стали 20
СВО = ЦВО × (КОМ - МИ) = 2,65 × (33,08 - 31,5) = 4,19 р.
где ЦВО = 2,65 р. - цена килограмма отходов выбранного сортамента;
КОМ = 33,08 кг. - норма расхода выбранного сортамента;
МИ = 31,5 кг. - чистый вес изделия.
Определяем стоимость возвратных отходов проката круглого сечения
диаметром 50 мм из стали 20
СВО = ЦВО × (КОМ - МИ) = 2,65 × (13,23 - 12,6) = 1,67 р.
где ЦВО = 2,65 р. - цена килограмма отходов выбранного сортамента;
КОМ = 13,23 кг. - норма расхода выбранного сортамента;
МИ = 12,6 кг. - чистый вес изделия.
Определяем стоимость возвратных отходов листа горячекатаного толщиной 16
мм из стали 10ХСНД
СВО = ЦВО × (КОМ - МИ) = 2,65 × (97,02 - 92,4) = 12,24 р.
где ЦВО = 2,65 р. - цена килограмма отходов выбранного сортамента;
КОМ = 97,02 кг. - норма расхода выбранного сортамента;
МИ = 92,4 кг. - чистый вес изделия.
Определяем стоимость возвратных отходов листа горячекатаного толщиной 12
мм из стали 10ХСНД
СВО = ЦВО × (КОМ - МИ) = 2,65 × (1085,21 - 1004,82) = 213,03 р.
где ЦВО = 2,65 р. - цена килограмма отходов выбранного сортамента;
КОМ = 1085,21 кг. - норма расхода выбранного сортамента;
МИ = 1004,82 кг. - чистый вес изделия.
Определяем стоимость возвратных отходов листа горячекатаного толщиной 10
мм из стали 10ХСНД
СВО = ЦВО × (КОМ - МИ) = 2,65 × (779,98 - 745,98) = 79,5 р.
где ЦВО = 2,65 р. - цена килограмма отходов выбранного сортамента;
КОМ = 779,98 кг. - норма расхода выбранного сортамента;
МИ = 745,98 кг. - чистый вес изделия.
Определяем стоимость возвратных отходов листа горячекатаного толщиной 8
мм из стали 10ХСНД
СВО = ЦВО × (КОМ - МИ) = 2,65 × (122,47 - 113,4) = 24,04 р.
где ЦВО = 2,65 р. - цена килограмма отходов выбранного сортамента;
КОМ = 122,47 кг. - норма расхода выбранного сортамента;
МИ = 113,4 кг. - чистый вес изделия.
Определяем стоимость возвратных отходов листа горячекатаного толщиной 6
мм из стали 10ХСНД
СВО = ЦВО × (КОМ - МИ) = 2,65 × (15,44 - 14,7) = 1,96 р.
где ЦВО = 2,65 р. - цена килограмма отходов выбранного сортамента;
КОМ = 15,44 кг. - норма расхода выбранного сортамента;
МИ = 14,7 кг. - чистый вес изделия.
Определяем общую стоимость возвратных отходов:
СВО = 102,4 + 1,67 + 4,19 + 1,67 + 12,24 +
+ 213,03 + 79,5 + 24,04 + 1,96 = 440,7 р.
Определяем общую стоимость основных материалов и покупных изделий с
учётом транспортно-заготовительных расходов за вычетом стоимости возвратных
отходов
СМ = СОМ + СПИ + СТ-З - СВО = 72849 + 49000 + 8529 - 441 = 129937 р.
.4 Расчёт заработной платы производственных рабочих
Основная заработная плата производственных рабочих формируется из
тарифной части основной заработной платы и доплат (50% к тарифной заработной
плате).
Тарифный фонд основной заработной платы в соответствии с тарифными
ставками и нормами времени составляет 21591 р.
Основная заработная плата производственных рабочих (тариф + доплаты)
составит:
ЗОСН = 21591 ´ 1,5 = 32387 р.
Принимаем дополнительную заработную плату производственных рабочих равной
30% от основной, тогда:
ЗДОП = Зосн´0,3 = 32387 ´ 0,3 = 9716 р.
Принимаем начисления на заработную плату равными 26% от основной и дополнительной
заработной платы, тогда:
ЗНАЧ = (ЗОСН + ЗДОП)´0,26 = (32387 + 9716)´0,26 = 10947 р.
.5 Расчёт цеховых и общезаводских расходов
Принимаем цеховые расходы равными 320% от основной заработной платы
производственных рабочих (данные отдела труда и заработной платы ОАО
«РузХиммаш»), тогда:
РЦ = ЗОСН ´ 3,20 = 32387 ´ 3,20 = 103638 р.
Принимаем общезаводские расходы равными 285% от основной заработной платы
производственных рабочих (данные отдела труда и заработной платы ОАО
«РузХиммаш»), тогда:
РЗ = ЗОСН ´ 2,85 = 32387 ´ 2,85 = 92303 р.
.6 Определение полной себестоимости
Производственная себестоимость определяется по формуле:
СПР = 72848,63 - 440,7 + 8529,4 + 49000 + 32387 + 9716 +
+ 10947 + 103638 + 92303 = 378928 р.
Принимаем внепроизводственные расходы равными 1,2% от производственной
себестоимости, тогда:
РН.ПР = СПР ´ 0,012 = 378928 ´0,012 = 4547 р.
Определяем полную себестоимость
СПОЛН. = СПР + РН.ПР = 378928 + 4547 = 383475 р.
Определяем структуру себестоимости по статьям затрат в процентах: по
общей формуле
1) Сырьё и основные материалы 19%
2) Покупные изделия и полуфабрикаты
12,8%
3) Транспортно-заготовительные расходы
2,2%
4) Возвратные отходы -0,1%
5) итого материала 33,9%
6) Основная зарплата производственных
рабочих 8,4%
7) Дополнительная зарплата рабочих 2,5%
8) Начисления на заработную плату 2,9%
9) Цеховые расходы 27%
10)Общезаводские
расходы 24,1%
11)Внепроизводственные
расходы 1,2%
Анализ структуры себестоимости, что изделие материалоемкое (34%
себестоимости); 51% себестоимости составляют накладные расходы (27% - цеховые
расходы и 24% - общезаводские расходы). Низка доля заработной платы с
начислениями - 13,8%.
Таблица 2 - Технико-экономические показатели проекта
|
Статья калькуляции
|
Сумма, р.
|
% в структуре себестоимости
|
|
Сырьё и основные материалы
|
72849
|
19
|
|
Покупные изделия и
полуфабрикаты
|
49000
|
12,8
|
|
Транспортно-заготовительные
расходы
|
8529
|
2,2
|
|
Возвратные отходы
|
-441
|
-0,1
|
|
Итого материалов и покупных
изделий
|
129937
|
33,9
|
|
Основная заработная плата
производственных рабочих
|
32387
|
8,4
|
|
Дополнительная заработная
плата производственных рабочих
|
9716
|
2,5
|
|
Начисления на заработную
плату
|
10947
|
2,9
|
|
Цеховые расходы
|
103638
|
27
|
|
Внепроизводственные расходы
|
4547
|
1,2
|
|
Полная себестоимость
|
383475
|
100
|
3. Безопасность жизнедеятельности
.1 Состояние организации службы охраны труда на предприятии
Общее руководство работой по охране труда и технике безопасности, а также
ответственность за правильную постановку этой работы возлагается на руководителей
предприятия (учреждения): директора, главного инженера. В цехах, участках - на
соответствующего руководителя участка: начальника цеха, заведующего
лабораторией, начальника смены, мастера. Непосредственное руководство по
организации охраны труда осуществляет главный инженер предприятия.
Проведение текущих мероприятий по охране труда отражается в соглашениях
по охране труда, являющихся официальным приложением, составной частью
коллективных договоров, а также в единых комплексных планах оздоровительных
мероприятий. Ежегодные соглашения по охране труда - это важная правовая форма
планирования мероприятий по охране труда. В соглашениях по охране труда
уточняются и дополняются мероприятия по охране труда по цехам, участкам,
агрегатам, устанавливаются сроки проведения каждого мероприятия, указываются
лица, ответственные за их проведение. Для проведения мероприятий по охране
труда предприятия выделяют в установленном порядке средства и необходимые
материалы. Расходование этих средств и материалов на другие цели запрещается.
Важное значение имеют правовые нормы, которые регулируют деятельность
администрации предприятий (учреждений) и других должностных лиц, направленную
на организацию предупреждения несчастных случаев и устранение вредных и опасных
условий труда. В целях охраны труда ТК возлагает на администрацию предприятий,
учреждений, организаций, во-первых, проведение инструктажа рабочих и служащих
по технике безопасности, производственной санитарии, противопожарной охране и
другим правилам охраны труда, и, во-вторых, осуществление постоянного контроля
над соблюдением работниками всех требований инструкций по охране труда.
Инструктаж и обучение работников правилам безопасных приёмов и методов работы
должны проводиться обязательно на всех предприятиях и в организациях,
независимо от характера и степени опасности производства, а также квалификации
и стажа работы работающих по данной профессии или должности. На рабочих и
служащих, в свою очередь, возлагаются также обязанности: соблюдение инструкций
по охране труда, установленных требований обращения с машинами и механизмами и
пользования средствами индивидуальной защиты. Невыполнение этих обязанностей
рабочими и служащими является нарушением трудовой дисциплины. Инструкции по
охране труда устанавливают правила выполнения работ и поведения работающих в
производственных помещениях.
Особую роль в организации работы по предотвращению несчастных случаев и
проведению мероприятий, обеспечивающих безопасные и здоровые условия труда,
играет инженерная служба техники безопасности. Служба техники безопасности
подчиняется непосредственно главному инженеру предприятия и осуществляет всю
работу под его руководством.
Служба техники безопасности занимается: методическим руководством и
контролем за выполнением производственными участками и цехами законов об охране
труда, действующих норм и правил техники безопасности и производственной
санитарии; организацией разработки и внедрения в производство более совершенных
конструкций ограждающих и предохранительных устройств, герметизации и механизации
отдельных производственных процессов и операций; подготовкой предложений для
научно-исследовательских и проектных институтов по проведению исследовательских
работ в области улучшения условий труда и техники безопасности на производстве;
проверкой выполнения мероприятий по технике безопасности и производственной
санитарии, предусмотренных в коллективных договорах.
Работники службы техники безопасности выполняют также следующую работу:
составляют отчеты о несчастных случаях, связанных с производством, а также об
освоении средств, ассигнованных на мероприятия по технике безопасности и
производственной санитарии; осуществляют контроль за составлением отделом
снабжения заявок на материалы и оборудование для осуществления мероприятий по
улучшению охраны труда, техники безопасности и производственной санитарии;
организуют разработку производственных инструкций по технике безопасности,
составляемых в соответствии с типовыми инструкциями, и представляют их на
утверждение главному инженеру.
Работники службы техники безопасности имеют право: проводить проверку
состояния техники безопасности во всех цехах и на участках предприятия;
запрещать работу на технологическом оборудовании в условиях, явно опасных для
жизни или здоровья работающих; требовать от руководителей цехов и отделов
система систематического учета и своевременного расследования несчастных
случаев на производстве.
Специалисты отдела техники безопасности также контролируют обеспеченность
рабочих мест инструкциями по технике безопасности, проводят на рабочем месте
проверку знаний рабочих и дают обязательные для руководства цеха указания об
отстранении от работы лиц, не имеющих необходимых знаний правил безопасности и
инструкций.
Важнейшей задачей отдела техники безопасности является привлечение всего
коллектива к участию в разработке и внедрении мероприятий по охране труда, а
также к контролю за состоянием охраны труда на предприятии.
.2 Рациональная организация рабочего места
Правильное расположение и компоновка рабочего места, обеспечение удобной
позы и свободы трудовых движений, использование оборудования, отвечающего
требованиям эргономики и инженерной психологии, обеспечивают наиболее
эффективный трудовой процесс, уменьшают утомляемость и предотвращают опасность
возникновения профессиональных заболеваний.
На заготовительном участке расположено оборудование для разделительных
операций: гильотинные и роликовые ножницы, разрезные станки. Существенное
влияние на эффективность и безопасность работы оборудования и персонала
оказывает правильный выбор типа и размещения органов управления машинами и
механизмами. При компоновке постов и пультов управления учитываем то, что в
горизонтальной плоскости зона обзора без поворота головы составляет 120°, с
поворотом - 225°; оптимальный угол обзора по горизонтали без поворота головы -
30…40° (допустимый 60°), с поворотом - 130°.
Допустимый угол обзора по горизонтали оси зрения составляет 130°,
оптимальный - 30° вверх и 40° вниз.
Для управления станком использован унифицированный пульт ПУС-25Э, имеющий
сертификаты соответствия нормам безопасности и эргономики.
Рукоятки управления станком расположены так, чтобы они находились в
пределах досягаемости. Наиболее важные органы управления - кнопка аварийного
отключения и рукоятка пуска привода расположены соответственно, спереди и
справа от оператора. Все органы управления станком сконцентрированы в зоне
досягаемости правой руки. Глубина рабочей панели не превышает 10 см. Высота
пульта, предназначенного для работы стоя, составляет 85 см, а его панель
наклонена к горизонтальной плоскости на 15°.
Для лучшего различения рукоятки разны по форме и размеру, окрашены в
разные цвета. Рукоятки переключения скоростей имеют маркировку. Это позволяет
оператору различать их на ощупь и переключать рычаги, не отрывая глаз от
работы.
3.3 Техника безопасности на участке
Проектируемый станок для резки полосовых заготовок будет размещаться на
заготовительном участке и является объектом повышенной опасности. Рассмотрим
конструктивные особенности станка, призванные защитить работающего от травм, а
также основные приемы безопасной работы на оборудовании.
При проектировании станка требования безопасности учитывались при выборе
высоты бортов столешницы и места размещения редуктора и электродвигателя; для
настройки станка на требуемую ширину полосы дополнительно спроектированы
травмобезопасные ограничительные приспособления. Электродвигатель привода
заземлен в соответствии с требованиями ГОСТ 12.2.007.0-75 и ГОСТ 21130-75,
электропневматическое оборудование имеет степень защиты не ниже IP44 по ГОСТ
14254-80.
Для обеспечения безопасности при перемещении заготовок и готовых изделий
на участке предусмотрен шаговый транспортер, позволяющий механизировать
межоперационные транспортные операции. Так как участок расположен вне зоны
действия общецеховые подъемно-транспортных устройств, на нем имеются
индивидуальные подъемно-загрузочные устройства (настенный кран-укосина,
кран-балка грузоподъемностью 2 тонны).
Типовая инструкция по технике безопасности при работе на разрезных
станках запрещает производить измерение заготовок на ходу станка, так как это
связано с опасностью травмирования режущим инструментом (роликами).
Для контроля размеров обрабатываемых деталей станок необходимо
останавливать. Однако частые остановки и пуски станка вредно отражаются на
механизмах и увеличивают время обслуживания станка. Поэтому в процессе резания
следует как можно шире применять приборы автоматического контроля.
При работе на разрезных станках широко применяются защитные очки,
индивидуальные щитки и спецодежда. Защитные очки и индивидуальные щитки
используют главным образом для защиты органов зрения от металлического и
теплового воздействия различных факторов производственной среды. Применение
очков и щитков предупреждает ранение глаз, отлетающими частицами обрабатываемой
детали и инструмента (стружкой, абразивной пылью, различными металлическими
осколками), ожоги глаз раскаленными частицами металлов.
Средства индивидуальной защиты глаз обязательны, когда станки не снабжены
устройством, автоматически отводящим стружку из рабочей зоны.
В процессе эксплуатации и обслуживания станка необходимо следить за тем,
чтобы выступающие подвижные части привода и исполнительных органов всегда были
всегда закрыты кожухами. Не допускается работа на станке до тех пор, пока
рабочий обслуживающий станок, полностью не освоит технику управления и
обслуживания последнего. При установке полосы на столешницу, необходимо строго
следить за тем, чтобы рука не находилась напротив роликовых ножей. Боковые
дверки тумбы можно открывать только после выключения станка поворотом рукоятки
главного рубильника на панели управления.
.4 Состояние травматизма на производственном объекте
Основными травмирующими факторами на механическом участке являются:
оборудование, падающие предметы, заводской транспорт, нагретые поверхности и
электрический ток, прочие.
Из опыта эксплуатации разрезного станка, аналогичного проектируемому, в
течение года на участке среднесписочное число работающих в цехе составило 16
человек. При этом было зафиксировано два несчастных случая. Общее количество нетрудоспособных
дней по ним - 8. Оба несчастных случая произошли в результате невыполнения
правил безопасности при загрузке полосы в станок, что привело к перелому пальца
в первом случае и порезу ладони во втором.
На основании данных определяем показатели травматизма по участку.
Показатель частоты
где
Т = 2 - число несчастных случаев;
Р
= 16 человек - среднесписочное число работающих.
Показатель
тяжести
где
Д = 8 - общее количество нетрудоспособных дней.
Показатель
потерь
Определяем
коэффициент трудоспособности коллектива
,
где
Фрв - фонд рабочего времени, определяемый по формуле
где
ДВ = 105 - количество выходных дней;
ДПР
= 9 - количество праздничных дней;
ДОТП
= 30 - количество отпускных дней.
Коэффициент
травматизма определяем по формуле
.
Выпуск
валовой продукции с учетом травматизма и заболеваний вычисляется по формуле
р.
где
В1 = 250 р. - себестоимость одного рабочего дня.
Общий
ущерб от травматизма за один год
где
СБП = 1818 р. - сумма выплаченная по больничным листам (100% от заработной
платы при среднем заработке 5 тысяч).
Анализ производственного травматизма позволяет сделать выводы, что оба
несчастных случая произошли в результате не выполнения правил безопасности при
эксплуатации станка (установка слишком короткого отрезка полосы), что привело к
существенным материальным потерям. Таким образом, необходимо разработать ряд
мероприятий, направленных на более жесткое выполнение техники безопасности
работниками цеха, усовершенствовать конструкцию станка таким образом, чтобы
установку заготовок малых размеров можно было производить в зоне, удаленной от
режущей части роликов. Последняя рекомендация учтена при проектировании нового
станка.
3.5 Противопожарные мероприятия
Для заготовительных участков машиностроительных предприятий наиболее
характерна пожарная опасность, а также опасность взрыва - внезапной
разгерметизации аппаратов с избыточным внутренним давлением. Это связано со
значительным количеством горючих жидкостей, сжиженных газов и твёрдых
материалов, большое количество ёмкостей и аппаратов под давлением для хранения
пожароопасные продукты, большая оснащённость электроустройствами.
Причины пожаров, возникающих на производственных участках и цехах,
следующие: нарушение технологического режима; неисправность
электрооборудования; самовозгорание промасленной ветоши; износ и коррозия
трубопроводов и сосудов под давлением; искры при электро- и газосварочных
работах; конструктивные недостатки оборудования; ремонт оборудования на ходу;
реконструкция установок с отклонением от технологических схем.
В практике тушения пожаров наибольшее распространение получили способы
прекращения горения: изоляция очага горения от воздуха или снижение путём
разбавления воздуха негорючими газами концентрации кислорода до значения при
котором не может происходить горение; охлаждение очага горения ниже
определённых температур; интенсивное торможение (ингибирование) скорости
химической реакции в пламени; механический срыв пламени в результате
воздействия на него струи газа или воды; создание условий огнепреграждения,
т.е. таких условий, при которых пламя распространяется через узкие каналы.
К первичным средствам пожаротушения относятся простейшие приборы,
используемые рабочими и членами добровольной пожарной дружины при возникновении
пожара (внутренние водопроводные пожарные краны, ручные огнетушители,
гидропульт, ведро, инструмент для растаскивания горящего материала и друге
средства). На механическом участке, оборудованном многоцелевыми станками,
организован пункт, оснащенный пожарным оборудованием. Подступы к этому пункту
оставляют всегда свободными.
Приведем основные характеристики производственного корпуса, в котором
расположен заготовительный участок.
Производственный корпус представляет собой двухэтажное здание с подвалом
размерами в плане 66,4×16,39 м, пристроенное к
административно-бытовому корпусу. Стены здания - кирпичные, перекрытия -
обетонированные металлические балки, по которым уложена бетонная плита,
чердачное покрытие - деревянные стропила и деревянная обрешетка, обработанные
огнезащитным составом, кровля - металлическая. Здание отвечает требованиям II
степени огнестойкости.
Административно-бытовой корпус отделен от производственного противопожарной
стеной. Площадь каждого этаже административно-бытовой части 750 м2. Здание
имеет две рассредоточенные обычные лестничные клетки, имеющие выходы наружу.
Выходы из подвала предусмотрены через общие лестничные клетки. Из лестничной
клетки имеется выход на чердак и кровлю.
Для внутреннего пожаротушения в здании имеется противопожарный
водопровод, обеспечивающий расход воды 2,5 л/с.
Наружное пожаротушение предусматривается от гидрантов городской
водопроводной сети с расходом 20 л/с.
Пожароопасные помещения оборудованы автоматической пожарной
сигнализацией, предназначенной для обнаружения пожара с помощью пожарных
извещателей и сообщения о месте его возникновения на приемно-контрольное
устройство Рубин-3, размещенное в помещении диспетчерской на первом этаже.
Осуществление связи с подразделениями пожарной охраны осуществляется с помощью
телефонной сети от приемно-контрольного пункта, на котором предусмотрено
круглосуточное дежурство.
Непосредственно на участке размещаем два огнетушителя ОУ-2 на расстоянии
50…60 м друг от друга. Пожарные гидранты размещают на расстоянии не более 50 м
друг от друга, не далее 2,5 м от края дороги и не менее 5 м от стен зданий.
При возникновении пожара должен решаться вопрос о путях эвакуации и
эвакуационных выходах, люди должны покинуть здание в течение минимального
времени, которое определяется кратчайшим расстоянием от места их нахождения до
выхода наружу. Расстояние от любого рабочего места до выхода должно быть не
менее 60 м. В данном случае здание одноэтажное. Исходя из этого, при
проектировании здания следует спроектировать два эвакуационных выхода. Это
будут ворота с двух сторон здания.
.6 Мероприятия по экологической безопасности
Окружающий человека атмосферный воздух непрерывно подвергается
загрязнению. Воздух производственных помещений загрязняется выбросами
технологического оборудования или при проведении технологических процессов без
локализации отходящих веществ. Удаляемый из помещения вентиляционный воздух
может стать причиной загрязнения атмосферного воздуха промышленных площадок и
населённых мест. Кроме того, воздух промышленных площадок и населённых мест
загрязняется технологическими выбросами цехов, транспортных средств и других
источников. Современное машиностроение развивается на базе крупных
производственных объединений, включающих заготовительные и механические цехи,
цехи абразивной обработки материалов, цехи покрытий и крупное литейное
производство.
Абразивная обработка на станках сопровождается выделением пыли, туманов,
масел и эмульсий, которые через вентиляционную систему выбрасываются из
помещений.
Средства защиты атмосферы должны ограничивать наличие вредных веществ в
воздухе среды обитания человека на уровне ПДК. Соблюдение требований
достигается локализацией вредных веществ в месте их образования, отводом из
помещения или от оборудования или рассеиванием в атмосфере. В цехе реализуются
следующие варианты защиты атмосферного воздуха: вывод токсичных веществ из
помещений общеобменной вентиляцией, локализация токсичных веществ в зоне их
образования местной вентиляцией, очистка загрязнённого воздуха специальными
аппаратами и его возврат в производственное помещение, если воздух после
очистки в аппарате соответствует нормативным требованиям к приточному воздуху;
очистка технологических газовых выбросов в специальных аппаратах, выброс и
рассеивание в атмосфере.
В последнее время вопросы рационального использования природных ресурсов
приобрели исключительно острое значение. Заводы «РузХиммаш» имеет следующие
технические средства очистки выбросов в атмосферу: пылеулавливающая установка
для улавливания пыли от обдирочно-шлифовального станка, вытяжная установка для
заточных станков, газоулавливающая установка для улавливания паров кислот,
щелочей. Таким образом, для каждого вида загрязнения существует свой метод, специальный
аппарат, который позволяет с минимальными затратами энергии получать высокую
степень очистки.
В настоящее время основным источником загрязнения гидросферы являются
промышленные предприятия. Под загрязнением водных ресурсов понимают любые
изменения физических, химических и биологических свойств воды в водоемах в
связи со сбрасыванием в них жидких, твердых и газообразных веществ, которые
причиняют или могут создать неудобства, делая воду данных водоемов опасной для
использования, нанося ущерб народному хозяйству, здоровью и безопасности
населения.
Механический участок, оснащенный гидроабразивными станками, использует
большое количество воды в качестве смазочно-охлаждающей жидкости. Отработанная
вода представляет собой взвесь мельчайших частиц стекла, образующихся в
результате резания стекла, а также частицами абразива. Кроме этого, при влажной
оборке помещения участка в канализацию сливается вода, загрязненная силикатной
пылью, частицами бытового мусора, нефтепродуктами, а также биологическими загрязнителями.
В связи со значительным объемом сточных вод возникает необходимость
обезвреживать, очищать сточные воды и утилизировать их.
Очистка сточных вод - обработка сточных вод с целью разрушения или
удаления из них вредных веществ. Освобождение сточных вод от загрязнения -
сложное производство. В нем, как и в любом другом производстве имеется сырье
(сточные воды) и готовая продукция (очищенная вода).
Методы очистки сточных вод можно разделить на механические, химические,
физико-химические и биологические.
Цеховая канализация оснащена приборами, использующие механические методы:
из сточных вод путем отстаивания и фильтрации удаляются механические примеси.
Стоки из цехового отстойника поступают в общезаводскую канализацию, а
затем на очистную станцию. На станции сточные воды проходят физико-химическую
обработку: из сточных вод удаляются тонкодисперсные и растворенные
неорганические примеси путем коагуляции. С этой целью станция оборудована
установкой «Флокил», предназначена для приготовления раствора коагулянта,
который затем дозируется в электрореакторе «Элион».
Основным направлением работы по охране и рациональному использованию
водных ресурсов заводом «РузХиммаш» является строительство и реконструкция
локальных и узловых очистных сооружений, внедрение системы оборотного
водоснабжения, улучшение эксплуатации и повышение эффективности работы
имеющихся сооружений для очистки хозяйственно-бытовых и производственных
сточных вод, сокращение сброса загрязнённых сточных вод, утечек и потерь воды.
Заключение
На основе выполненного дипломного проекта я научился рассчитывать
основные параметры станка для резки полосовых заготовок, используемый для
работы с рулонной сталью, а также научился конструировать детали и узлы станка:
сварные рамы, коробку передач.
Так же я ознакомился с конструкцией оборудования для разделительных
операций холодной штамповки, изучил технологию заготовительных производств на
ОАО “РузХиммаш», изучил используемые средства механизации и автоматизации.
Я научился рассчитывать себестоимость изготовления нестандартного
оборудования. Ознакомился с методами и средствами обеспечения безопасности
производства.
Данный дипломный проект имеет большое значение в развитии навыков
самостоятельной творческой работы, рационализации, изобретательства,
пользования справочной литературой, ГОСТами, нормами, таблицами, а также
навыками производства, расчётов и составления расчётно-пояснительных записок к
проектам.
Список использованных источников
1 Ицкович, Г. М. Курсовое проектирование деталей машин:
учебно-справочное пособие для ВУЗов - 6-е изд., перераб. - М.: Машиностроение,
1970. - 558 с., ил.
Курсовое проектирование деталей машин: учеб. пособие для
учащихся машиностроительных специальностей техникумов. / С. А. Чернавский, К.
Н. Боков, И. М. Чернин [и др.] - 2-е изд., перераб и доп. - М.: Машиностроение,
1977. - 416 с.: ил.
Технология материалов в приборостроении. / Под ред. А. Н.
Малова. - М. Машиностроение, 1969, 442 с
Анурьев, В. И. Справочник конструктора - машиностроителя в
3-х томах: Т.1. М.: Машиностроение, 1978 - 727 с.
Анурьев, В. И. Справочник конструктора - машиностроителя в
3-х томах:, Т.2. М.: Машиностроение, 1978 - 784 с.
Анурьев, В. И. Справочник конструктора - машиностроителя в
3-х томах:, Т.3. М.: Машиностроение, 1978 - 728 с.
Гамрат-Курек, Л.И. Экономическое обоснование дипломных
проектов. М.: Высшая школа 1985., 158 с.
Охрана производственных сточных вод и утилизация осадков /
Под редакцией В.Н. Соколова М.: Стройиздат 1992, - 115 с.
Безопасность жизнедеятельности: учебник для ВУЗов. / С. В.
Белов, А. В. Ильницкая, А. Ф. Козьяков. - 2-е изд., исп. и доп. - М.: Высш.
шк., 1999. - 448 с.: ил.
10 Кукин, П.П. Безопасность технологических процессов и
производств. Охрана труда. / П. П. Кукин, В. Л. Лапин, Н. Л. Пономарев, Н. И.
Сердюк. ГУП. “Издательство Высшая школа”, 2001, - 120 с.: ил.