Особенности получения структуры доэвтектоидной стали

  • Вид работы:
    Реферат
  • Предмет:
    Другое
  • Язык:
    Русский
    ,
    Формат файла:
    MS Word
    1,83 Мб
  • Опубликовано:
    2013-10-09
Вы можете узнать стоимость помощи в написании студенческой работы.
Помощь в написании работы, которую точно примут!

Особенности получения структуры доэвтектоидной стали

Содержание

1. Структура доэвтектойдной стали

1.1 фазовые превращения стали

2. Получение структуры доэвтектойдной стали

2.1 Полный отжиг

2.2 Неполный отжиг

2.3 Нормализация

2.4 Нагрев

Список использованной литературы

1. Структура доэвтектойдной стали


Структура доэвтектоидных сталей при всех температурах ниже 723 состоит из зерен феррита и зерен перлита, а заэвтектоидных сталей - из зерен перлита и зерен цементита. Структура стали, содержащей 0 8 % углерода и называемой эвтектоидной, состоит при температурах ниже 723 только из зерен перлита. При комнатной т-ре структура доэвтектоидной стали состоит из избыточного феррита, выделившегося из аустенита между линиями GS и PS, и перлита, который образовался при эвтектоидном превращении. С увеличением содержания углерода возрастает количество перлитной и уменьшается количество ферритной составляющей. В эвтектоидных сталях (около 0 8 % С) весь аустенит превращается в перлит. С) вследствие понижения растворимости углерода в гамма-железе (линия ES) из аустенита выделяется вторичный цементит. При т-ре 723 С происходит эвтектоидное превращение. В результате этого превращения сталь приобретает структуру, состоящую из зерен перлита и сетки вторичного цементита. Толщина сетки возрастает с увеличением содержания углерода. В сплавах, содержащих 2 06 - 4 3 % С (доэвтектические чугуны), после выделения из жидкого раствора аустенита при т-ре 1147 С (линия ECF) происходит эвтектическое превращение (см. Эвтектика) Жс - АЕ Ц, образуется механическая смесь аустенита и цементита - ледебурит. В соответствии с линией ES диаграммы из аустенита выделяется избыточный углерод в виде вторичного цементита, а при т-ре 723 С аустенит превращается в перлит.

При кристаллизации эвтектического чугуна (около 4 3 % С) весь жидкий раствор превращается в ледебурит. В заэвтектических чугунах (4 3 - 6 67 % С) из расплава в области CDF кристаллизуется первичный цементит, структура их состоит из ледебурита и первичного цементита. Выше т-ры 723 С ледебурит представляет собой эвтектическую смесь аустенита и цементита, причем состав аустенита в зависимости от т-ры описывается линией SE. Ниже т-ры 723 С ледебурит является эвтектической смесью перлита эвтектоидного состава и цементита. При недогреве в структуре доэвтектоидных сталей наблюдается остаточный феррит либо мартенсит неравномерного строения. При перегреве возникает игольчатый мартенсит, размеры игл которого тем больше, чем значительнее был перегрев в процессе аустенитизации. Наиболее объективным методом оценки оптимальности режима нагрева является травление мартенситной структуры для выявления бывшего зерна аустенита. Полный отжиг применяют для перекристаллизации всей структуры доэвтектоидной стали с целью измельчения зерна ферритной и перлитной составляющих и снятия остаточных напряжений. Таким образом, в результате вторичной кристаллизации структура доэвтектоидных сталей состоит из зерен феррита и зерен перлита

1.1 фазовые превращения стали

Превращение перлита (ферритно-цементитной смеси) в аустенит. Оно протекает при нагреве любой стали выше точки Ас1 хотя бы на один градус. Кроме того, при дальнейшем нагреве в доэвтектоидных сталях в интервале температур Ас1 - Ас3 в аустените растворяется избыточный феррит. Выше точки Ас3 стали находятся в однофазном аустенитном состоянии. Причем чем выше температура, тем крупнее получается аустенитное зерно. Для получения мелкого аустенитного зерна сталь необходимо нагревать всего на 30 - 50 оС выше точки Ас3. Превращение аустенита в перлит. Этот процесс происходит в верхнем температурном интервале (Ас1 - 550 оС) диаграммы изотермического превращения переохлажденного аустенита. Например, при скоростях охлаждения V1 и V2 аустенит распадается с образованием перлитных структур в интервале температур ас и а'с' соответственно Следует иметь в виду, что чем выше скорость охлаждения, тем ниже температурный интервал распада аустенита, дисперснее и тверже получается смесь феррита и цементита. Продукты распада аустенита (перлит, сорбит, тростит) имеют пластинчатое строение и отличаются друг от друга степенью дисперсности пластин феррита и цементита.

2. Получение структуры доэвтектойдной стали


Структура доэвтектойдной стали образовывается в результате распада аустенита при охлаждении, состоит из феррита и феррито-цементита смеси (перлита), дисперсность которой зависит от степени переохлаждения, и по мере снижения температуры превращение имеет все большую дисперсность (зернистый перлит, пластичный перлит, сорбит, тро-остит). Количество перлита и феррита зависит от содержания углерода в стали, при содержании < 0,02% C структура состоит из феррита, при содержании 0,8%С - из одного перлита.

Основной фактор, от которого зависит микроструктура стали после отжига 2-го рода, - это степень переохлаждения аустенита. Разновидности отжига 2-го рода различаются главным образом способами охлаждения и степенью переохлаждения аустенита, а также положением температур нагрева относительно критических точек.

Необходимая степень переохлаждения аустенита достигается или при непрерывном охлаждении, или при изотермической обработке.

На рисунке на примере доэвтектоидной стали схематично изображены режимы охлаждения, соответствующие основным разновидностям отжига 2-го рода: полный (1), изотермический (2), нормализационный (3) отжиг (нормализация) и патентирование (4).


При отжиге или нормализации для получения мелкого зерна необходимо тщательно следить за показаниями термопары и не допускать перегрева, т.е. сильного повышения температуры по сравнению с нормальной температурой отжига или нормализации. При перегреве мелкие вначале зерна аустенита начнут расти, сделаются крупными (см. фиг.93), а из крупных зерен аустенита получатся при последующем охлаждении крупные зерна феррита и перлита. Перегретая при отжиге сталь получится такой же крупнозернистой, какой она была и до отжига.

Схема изменения структуры доэвтектоидной стали при отжиге и нормализации.

2.1 Полный отжиг


При отжиге сталь после нагрева выше критической точки медленно охлаждается вместе с печью. Проведение отжига 2-го рода основано на использовании фазового превращения в отличие от отжига 1-го рода <#"699093.files/image003.gif">

Рисунок 2. Температура нагрева сталей для отжига 2-го рода:

- полный отжиг;

- неполный отжиг;

- сфероидизирующий отжиг;

- нормализация.

 

Охлаждение при отжиге проводят с такой малой скоростью, чтобы аустенит распадался при небольшой степени переохлаждения. Так как в легированных сталях аустенит более склонен к переохлаждению (смотрите рисунокСхематические диаграммы изотермического распада аустенита <#"699093.files/image004.gif"> 

Рисунок 3. Микроструктура доэвтиктоидной стали. Х 100:

а - видманшеттова структура литой стали;

б - та же сталь после полного отжига.

 

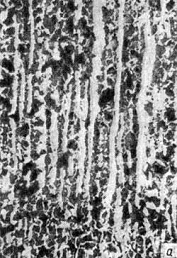
Если температура окончания горячей обработки давлением (ковки, прокатки) слишком высока, то успевает вырасти крупное зерно аустенита, а если температура слишком низка, то возникает строчечная структура.

 

Рисунок 4. Строчечная структура доэвтектоидной стали:

а - Х 70;

б - Х 300.

 

У сварного шва имеются такие же недостатки структуры, как у литой стали, причем по соседству с зоной литой структуры находится зона стали, перегретой в твердом состоянии. Во время проведения операций термической обработки возможен перегрев стали. Например, при гомогенизационном отжиге сталь необходимо нагревать до температур 1100 - 1200°С, при которых вырастает крупное аустенитное зерно.

Для устранения указанных недостатков структуры, возникших при литье, горячей деформации, сварке и термообработке, необходимо провести полную фазовую перекристаллизацию. При нагреве до температуры Ас3+ (20 - 40°С) образуется мелкое аустенитное зерно, из которого при охлаждении складывается равномерная и мелкая структура, состоящая из феррита и перлита.


Строение сорбита получается тем более дисперсным, а механические свойства тем более высокими, чем с более высокой температуры производится охлаждение. Вот почему температуры нормализации часто выбираются более высокими, чем температуры отжига. Может быть, в таком случае имеет смысл еще больше повысить температуры нормализации? Ведь в этом случае, надо полагать, строение сорбита получится еще более дисперсным, а механические свойства стали еще более высокими. А вот это наполовину неверно: действительно, чем выше температура нормализации, тем строение сорбита получится более дисперсным, а свойства тем не менее не повысятся, а понизятся: начнет сказываться перегрев, и крупное зерно сведет на нет преимущества дисперсного строения сорбита.

структура доэвтектоидная сталь отжиг

Список использованной литературы

1.       Тушинский, Л.И. Методы исследования материалов/ Л.И. Тушинский, А.В. Плохов, А.О. Токарев, В.Н. Синдеев. - М.: Мир, 2004. - 380 с.

2.       Лахтин, Ю.М. Материаловедение/ Ю.М. Лахтин. - М.: Металлургия, 1993. - 448 с.

.        Фетисов, Г.П. Материаловедение и технология металлов/ Г.П. Фетисов, М.Г. Карпман и др. - М.: Высшая школа, 2001. - 622 с.

.        Евстратова, И.И. Материаловедение/ И.И. Евстратова и др. - Ростов-на-Дону: Феникс, 200 - 268 с.

.        Маркова, Н.Н. Железоуглеродистые сплавы/ Н.Н. Маркова. - Орел: ОрелГТУ, 200 - 96 с.

.        Ильина, Л.В. Материалы, применяемые в машиностроении: справочное пособие/ Л.В. Ильина, Л.Н. Курдюмова. - Орел: ОрелГТУ, 2007.15-20 стр

7.       <http://turboreferat.ru/metallography/dojevtektoidnaya-stal/137611-701138-page1.html>

.        <http://www.inmetal.ru/50-zakalka-doyevtektoidnyx-i-zayevtektoidkyx-stalej.html>

Похожие работы на - Особенности получения структуры доэвтектоидной стали

 

Не нашли материал для своей работы?
Поможем написать уникальную работу
Без плагиата!
Без нейросетей!