Оперативные данные о значениях параметров в доменной печи
Содержание
Введение
. Разработка системы и расчет ее надежности
.1 Описание системы
.2 Выбор элементов и расчёт надёжности системы
. Расчет надежности передачи информации в системе
Заключение
Список использованной литературы
Введение
металл доменный печь температура
Одним из резервов повышения производительности металлургических агрегатов
в отрасли черной металлургии, улучшение качества выплавляемого металла и
технико-экономических показателей, является автоматизация процесса
регулирования температуры. Однако эффективность автоматизации проявляется
только при наличии объективной информации о процессе. В связи с этим, одной из
актуальных проблем автоматизации процесса контроля температуры в доменной печи,
является создание информационно-измерительного комплекса.
Автоматизированная система контроля в доменной печи обеспечивает сбор и
обработку текущей информации о температуре в реальном масштабе времени и без
вмешательства человеческого фактора, тем самым, увеличивая точность измерения и
избежания аварийных ситуаций.
1. Разработка системы и расчёт её надёжности
.1 Описание системы
Автоматизированная система, предназначена для сбора, хранения, обработки
и выдачи информации о текущей температуре в доменной печи. Оптимальная
температура в доменной печи - 13800С. Поэтому, основной задачей
рассматриваемой системы, является определение и показ в виде диаграмм
отклонения температуры от наиболее благоприятной величины. А также она
позволяет оперативно выявлять аварийные ситуации, в случае выхода температуры
за допустимые приделы.
Предлагаемая система содержит:
¾ первичные измерительные преобразователи - термопары;
¾ операционный усилитель, предназначенный для усиления сигналов
термопар;
¾ коммутатор для уменьшения числа соединений с ЭВМ;
¾ аналого-цифровой преобразователь (АЦП) для согласования
аналоговых источников измерительных сигналов с цифровыми устройствами обработки
(ЭВМ);
¾ ЭВМ со специализированным программным обеспечением,
осуществляющая непрерывный циклический опрос термопар с периодом не менее 10-15
минут, её обработку и выдачу собранной информации на монитор;
Вариант исполнения системы изображён в виде следующей схемы.
Рис.1
Система, предназначенная для выдачи данных о температуре в доменной печи,
работает следующим образом. При включении, система автоматически производит
самотестирование для определения работоспособности. Далее осуществляется
непрерывный циклический опрос (с периодом не менее 10-15 минут) трех термопар.
Из-за низкого выходного сигнала термопар, мы вынуждены на выходе каждого
поставить операционный усилитель, который будут усиливать сигнал до величины,
воспринимаемой аналоговым мультиплексором. Затем сигнал через АЦП поступает на
ЭВМ, где происходит вычисление средней температуры и отклонения от наиболее
благоприятной температуры, а также определение изменения температуры, по
сравнению с предыдущим циклом. Вся полученная информация поступает в ППЗУ.
Также в ППЗУ записывается дата и текущее время суток. После вся информация в
виде диаграммы выводится на монитор, которую по необходимости можно распечатать
на принтере. Помимо этого пользователь может вывести на монитор информацию о
температуре в доменной печи за последний год. Проанализировав данные, можно
будет принять меры для обеспечения более оптимальной температуры.
.2 Выбор элементов и расчёт надёжности системы
Поскольку для рассматриваемой системы наиболее благоприятная температура
13800С, которую не всегда можно достичь, мы будем рассматривать
работу термопары в пределах от 1200 0С до 1600 0С, с
погрешностью измерения температуры не более ±5% и с периодом опроса датчиков
равным 10-15 минут, то в предлагаемой системе используются следующие элементы:
) В качестве датчиков температуры были подобраны термопары типа ТПР
(ПР-30/668-обозначение градуировки по ГОСТ 6616-74).
Работа
термопары основывается на явлении термоэлектричества, открытого немецким
физиком Т. Зеебеком и заключается в следующем. Если составить цепь из двух
различных проводников (или полупроводников) А и В, соединив их между собой
концами (рис.2), причем температуру
одного
места соединения сделать отличной от температуры
другого,
то в цепи потечет ток под действием ЭДС, называемой термоэлектродвижущей силой
(термо-ЭДС) и представляющей собой разность функций температур мест соединения
проводников:
. Проводники, составляющие термопару, называются
термоэлектродами, а места их соединения - спаями. То есть, зная температуру
одного спая и измеряя этот ток или напряжение, можно однозначно определить
неизвестную температуру другого спая.
Рис.2
В
нашем случае материал термоэлектродов: платинородий (30%) - платинородий (6%).
Пределы измерения данной термопары: 300…1600 0С. Рассматриваемому
приделу температур 1200 …1600 0С будет соответствовать следующий
придел термо-ЭДС: 6,904…11,429 мВ. Приделы допускаемых отклонений:
. Температура спая:
.
2) Проблема усиления сигналов термопар связана с низким выходным
напряжением (6,904…11,429 мВ). Усилитель должен хорошо подавлять синфазные
помехи промышленной частоты (50 Гц) и иметь стабильное дифференциальное усилие.
Этим условиям удовлетворяет операционный усилитель К140УД1А со следующими
характеристиками:
- К=900 - коэффициент усиления;
- Uп=
6,3В - напряжение источников питания;
- Iп=6мА - ток потребления;
есм=
7мВ - напряжение смещения;
- Iвх=7мкА - входной ток;
- Rн
5,05кОм - сопротивление нагрузки.
Условно-графическое обозначение операционного усилителя приведено на
рис.3.
Рис.3:
1- напряжение питания
; 8- напряжение питания
; 2, 4,
12-коррекция (частотная); 10- инвертирующий вход ОУ; 11- неинвертирующий вход
ОУ; 7- дополняющий выход; 5- общий вывод.
Так как усилитель имеет коэффициент усиления по напряжению, равный 900,
то на выходе схемы компенсации напряжения термо-ЭДС усиливается примерно до
6…10В.
) Для коммутатора аналоговых сигналов используется четырёхканальный
аналоговый коммутатор КР590КТ1 (мультиплексор) со следующими характеристиками:
число каналов - 4;
Uип=9В - напряжение источника питания;
-
Uком=
15В - коммутируемое напряжение (максимально допустимое
напряжение, прикладываемое между входом и выходом коммутатора);
Iком=
5мА - коммутируемый ток (протекающий по открытому
каналу коммутатора);
tвкл=0,03мкс - время переключения коммутатора;
Uвх0=0…0,8В, Uвх1=7,7…12В
- напряжения для управления адресными входами.
Условно-графическое
обозначение:
Рис.4. Где: 1, 3, 5, 7- входы 1-го
(^) мультиплексора; 16, 15, 9, 8- входы 2-го (#) мультиплексора; 4- общий
выход; 10- напряжение питания; 2- вход выбора одного из мультиплексоров; 6-
адресный вход 1-го (^) мультиплексора; 14- адресный вход 2-го (#)
мультиплексора.
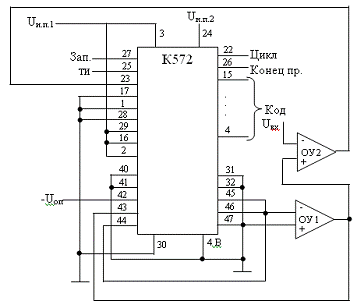
) В качестве АЦП используется аналого-цифровой преобразователь К572ПВ1А
со следующими параметрами:
число разрядов - 12;
Uвх=12В - входное напряжение;
Iпт=5мА - потребляемый ток 5мА;
tп=170мкс - время преобразования;
-
Uоп=
15В опорное напряжение.
Условно-графическое
обозначение:
Рис.5.
1- последовательный вход; 2- вход управления СР (старшими разрядами); 3-
напряжение питания
; 4-15- цифровые входы (выходы); 16- вход управления
МР (младшими разрядами); 17- вход управления режимом Р (т.е. режимом ЦАП -
АЦП); 22- выход «Цикл»; 23- вход сравнения; 24- напряжение питания
; 25- вход ТИ (тактовых импульсов); 26- выход «Конец
преобразования»; 27- вход «Запуск»; 28- вход «Цикл»; 29-вход стробирования ЦАП;
30- цифровая земля; 31- конечный выход матрицы R-2R;
32- общий вывод резисторов R1, R2; 40- вывод резистора R1; 41- вывод резистора R2; 42- опорное напряжение; 43- аналоговый вход 1; 44-
аналоговый вход 2; 45- общий вывод резисторов аналоговых входов 1, 2; 46-
аналоговый выход 1; 47- аналоговый выход 2; 48-аналоговая земля.
) ЭВМ. Системный блок состоит из:
- системы X86-based PC;
процессора Intel(r) Celeron(tm) Processor GenuineIntel ~400 МГц;
- жесткого диска HDD 40 Gb WD 400BB;
оперативной памяти DIMM DDR 128 Mb PC2700 M.tec.
Время
наработки на отказ системного блока 3 месяца или
часов.
Монитор, служащий для отображения сведений о температуре в доменной печи
и другой информации, а также для ввода корректирующих параметров системы, фирмы
Samotron 55Е. Который имеет следующие
параметры: размер диагонали экрана «15», диапазоп рабочих температур -20…+500С.
Время
наработки на отказ монитора 2 года или
часов.
Составим спецификацию.
|
№ эл-та
|
Наименование
|
Кол-во
|
Тип
|
Параметр надёжности, ч
|
|
1
|
Термопара
|
3
|
ТПР
|
0,032·106
|
|
2
|
Операционный усилитель
|
3
|
К140УД1А
|
0,05·106
|
|
3
|
Коммутатор
|
1
|
КР590КТ1
|
0,06·106
|
|
4
|
АЦП
|
1
|
К572ПВ1А
|
0,05·106
|
|
5
|
Системный блок
|
1
|
X86-based PC
|
2,232·103
|
|
6
|
Монитор
|
1
|
Samotron 55Е
|
1,752·104
|
|
7
|
Клавиатура
|
1
|
LOGITECH Classic
|
3,36·102
|
Рассчитаем интенсивность отказов каждого элемента по формуле
,
где Т - время наработки на отказ.
;
;
;
;
;
;
.
Рассчитаем
суммарную интенсивность отказа:

(ч-1).
Вычислим
вероятность безотказной работы системы в течение 7000 часов:
Считается,
что если P(t)>0,96, то изделие работает надежно. В данном
случае имеем, что: 0,96 >P(t)=
Построим
график зависимости P(t).
Из
графика следует, что время, в течение которого вероятность безотказной работы
системы больше 0,96, составляет примерно 12 ч. Это связано с низким параметром
надежности ЭВМ. При необходимости увеличения надежности системы, необходимо
подобрать более надежный узел информационно-измерительного комплекса - ЭВМ.
2.
Расчёт надёжности передачи информации в системе
)
Подготовка статистических данных о наработке на отказ и времени восстановления
Исходные
данные (схема номер 9) представим в виде таблицы 2.1.
Таблица
2.1
|
Номер схемы
|
Наименование документа
|
Примечание
|
|
9
|
схема
|
Данные в табл. 2.2. (00мин. 00сек.)
|
Таблица 2.2
|
Номер схемы
|
Начало работы Конец работы Время восстановления
|
1
|
2
|
3
|
4
|
5
|
6
|
|
14
|
tН1
|
10.00.00
|
11.25.15
|
11.36.32
|
12.25.00
|
13.43.45
|
14.59.45
|
|
tК1
|
10.56.23
|
11.26.03
|
11.38.09
|
13.13.13
|
14.56.11
|
16.30.00
|
|
tвi
|
00.28.52
|
00.10.29
|
00.46.51
|
00.30.32
|
00.03.34
|
|
Таблица 2.3
|
Номер схемы
|
Обозначение показателя
|
Номер s-го
замера времени обработки i-го
запроса Время обработки
|
|
9
|
s
|
1
|
2
|
3
|
4
|
5
|
|
tis(00мин.00сек)
|
02.14
|
02.14
|
02.16
|
02.15
|
02.14
|
) Расчет оценки средней наработки на отказ (Т0)
Суммарное время пребывания системы в работоспособном состоянии
рассчитывается по формуле:
где
N - суммарное за период испытаний количество прерываний
работоспособного функционирования системы, N = 6;
tнl
- момент времени фактического начала работы после наступления (l-1)-го
прерывания;
tкl
- момент времени фактического окончания работы при наступлении l-го
прерывания.
Тогда:
TP = (11.25.15-10.00.00) + (11.26.03-11.25.15) +
(11.38.09-11.36.32) +
(13.13.13-12.25.00)+(14.56.11-13.43.45)+(16.30.00-14.59.45)
=3383+48+97+2893+4346+5415 = 16182(сек.)
Средняя наработка на отказ рассчитывается по формуле:
,
где
k - суммарное число отказов.
(сек.)
)
Расчет оценки среднего времени восстановления
Среднее
время восстановления системы в работоспособное состояние после отказа
рассчитывается по формуле:
,
где
k = N-1 - число отказов, после которых происходило
восстановление во время испытаний;Bj - время
восстановления системы после j-го отказа.

((11.25.15-10.56.23)
+ (11.36.32-11.26.03) + (12.25.00-11.38.09) + (13.43.45-13.13.13) +
(14.59.45-14.56.11))=
1443,6 (сек.)
)
Расчет оценки среднего времени реакции на получение входного сигнала
Среднее
время реакции системы на входной сигнал рассчитывается по формуле:
,
где
m = 5 - количество замеров времени обработки сигнала;s
- время обработки s-го сигнала.
2.14+2.14+2.16+2.15+2.14) =
·675 = 134,6 (сек.)
)
Расчет оценки коэффициента готовности системы
Расчет
значения коэффициента готовности системы производится по следующей формуле:
Тогда:
.
)
Расчет оценки вероятности надежного преобразования входной информации 9-й
схемой
Вероятность
надежного преобразования входной информации рассчитывается по формуле:
,
где
To и ТB - среднее время наработки
на отказ и восстановления после отказа системы;
Треак.=134,6
(сек.) - среднее время реакции системы на входной сигнал.
.
)
Определение значения доверительной вероятности a для
интервала оценивания
Выберем
доверительную вероятность a=0,95. При такой вероятности
достигается достаточная надёжность и точность.
)
Расчет доверительных границ заданных показателей надежности
Расчет
нижней (
) и верхней (
)
доверительных границ для показателя наработки на отказ производится по
формулам:
,
,
где
коэффициенты r1 (k, a) и r3 (k, a) берутся из таблиц 1.1. и 1.2. [1]: r1=2,29, r3=0,57 при
k=6;
(сек.) -
оценка, рассчитанная в предыдущем пункте;
a=0,95- доверительная
вероятность.
Тогда:
(сек.);
(сек.).
Расчет
нижней (
) и верхней (
)
доверительных границ для показателя времени восстановления работоспособности
системы производится по формулам:
,
,
где
r1=2,54, r3=0,55 при k=5;
(сек.) -
оценка, рассчитанная в пункте (3);
a - доверительная
вероятность, a=0,95.
Тогда:
(сек.);
(сек.).
Расчет
нижней (
) и верхней (
)
доверительных границ для показателя коэффициент готовности системы производится
по формулам:
,
.
Следовательно:
;
.
Расчет
нижней (
) и верхней (
)
доверительных границ вероятности надежного преобразования входной информации
производится по формулам:
;
.
Тогда:
;
.
)
Результаты, полученные при обработке исходных данных, сведём в следующую
таблицу.
|
Среднее время наработки на отказ [сек]
|
Среднее время восстановления работоспособности после отказа
[сек]
|
Коэффициент готовности
|
Вероятность надежного преобразования запрашиваемой выходной
информации
|
|
          
|
|
|
|
|
|
|
|
|
|
|
|
|
1537,2
|
2697
|
6176,1
|
793,98
|
1443,6
|
3666,7
|
0,295
|
0,65
|
0,886
|
0,27
|
0,62
|
0,867
|
Заключение
В ходе выполнения данной курсовой работы, мы рассчитали вероятность
безотказной работы аппаратной части и информационной. Следовательно, общая
вероятность надёжного преобразования информации формируется из произведения
вероятности безотказной работы аппаратной части и надёжного преобразования
информационной части за 6.30 (10.00.00-16.30.00) часов работы, то есть:
,
где
- вероятность безотказной работы аппаратной части при
t=6.30 и 
(ч-1);
-
вероятность безотказной работы информационной части. Тогда:
.
По полученному результату видно, что большое влияние на уменьшение
вероятности безотказной работы всей системы вносит информационная часть.
Повысит параметр надежность преобразования информации можно за счет
усовершенствования программного обеспечения. Если рассматривать вероятность
безотказной работы аппаратной части за 6.30 часов, то она примерно равна
единице, за более длительный срок эксплуатации вероятность безотказной работы
аппаратной части имеет низкое значение. И для повышения этого параметра
необходимо модифицировать рассматриваемую часть, в нашем случае подобрать ЭВМ с
более высоким параметром надежности.
Список использованной литературы
1 Гутников В.С. Интегральная электроника в измерительных
устройствах. - 2-е изд., перераб. и доп. - Л.: Энергоатомиздат. Ленингр.
отд-ние, 1988. - 304 с.: ил.
Левшина Е.С., Новицкий П.В. Электрические измерения
физических величин: (Измерительные преобразователи). Учеб. пособие для вузов. -
Л.: Энергоатомиздат. Ленингр. Отд-ние, 1983. - 320 с., ил.
Цифровые и аналоговые интегр. микросхемы: Справочник / С.В.
Якубовский, Л.И. Ниссельсон, В.И. Кулешова и др.; Под ред. С.В. Якубовского. -
М.: Радио и связь,1989. - 496 с.: ил.
Вениаминов В.Н., Лебедев О.Н., Мирошниченко А.И. Микросхемы и
их применение: Справ. пособие, 3-е изд., перераб. и доп. - М.: Радио и
связь,1.240с. - (Массовая радиобиблиотека; Вып.114).
Булычев А.Л. и др. Аналоговые интегральные схемы:
Справочник/А.Л. Булычев, В.Г. Галкин, В.А. Прохоренко. - 2-е изд., перераб. и
доп. - М.: Беларусь, 1993. - 382 с.: черт.
Хоровиц П., Хилл У. Искусство схемотехники: В 2-х т.Т.2. Пер.
с англ. Изд. 2-е, стереотип. - М.: Мир, 1984 - 590 с., ил.
Тлеухан Н., Полевой А., Савелов В., Колесников А., Ананьев
А., Маевский В., Махнев А. Нейронный измерительно-вычислительный комплекс для
контроля влажности и плотности шихтовых материалов.//СТА. - 2001. - №1. -
С.26-31.