Модернизация токарно-револьверного станка 1Г340ПЦ
ВВЕДЕНИЕ
Курсовое проектирование - важная составляющая часть учебного процесса. В
ходе курсового проектирования студенты приобретают опыт самостоятельного
решения практических задач, изучают современные конструкции технических
устройств и тенденции их развития, приобретают навыки использования средств
вычислительной техники при решении задач.
Работа над курсовым проектом является тем процессом, который даёт
возможность студентам проявить свои творческие способности, интуицию и
фантазию, поскольку принятие решений в проектах мало связано с применяемостью
материалов и комплектующих изделий.
В данном курсовом проекте производится проектирование привода подач на
базе станка 1Г340ПЦ. Целью выполнения является закрепление знаний полученных
при изучении курса “Конструирование станков и средств автоматизации”
В ходе выполнения курсового проекта необходимо произвести расчёт
технических характеристик станка. Спроектировать привод подач и произвести его
кинематический расчёт, расчёт зубчатых передач, валов, подшипников. Произвести
расчет и обоснование конструкции тягового устройства. Выбрать тип смазки и
систему смазки, тип масла.
При выполнении необходимо учесть исходные данные.
1. ОПРЕДЕЛЕНИЕ ТЕХНИЧЕСКИХ ХАРАКТЕРИСТИК
СТАНКА
Исходными данными для определения необходимой мощности привода будут:
-
максимальный диаметр обрабатываемого вала
обрабатываемый
материал Сталь 45, σв =810
МПа, HB220.
Инструментальный
материал - быстрорежущая сталь.
Скорости
резания
:
где
T - стойкость инструментального материала, мин
D - диаметр
заготовки, мм
СV,
q, m, y -имперические коэффициенты,
KV -
поправочный коэффициент
м/мин
Определение
частоты вращения шпинделя
;
Принимаем
стандартное значение частоты вращения
Крутящий момент
Н*м

подача,

коэффициенты
и показатели степеней
коэффициент,
учитывающий качество обрабатываемого материала на силовые зависимости
Мощность
резания,
:
Выбор
электродвигателя станка
По рассчитанным мощности и частоте вращения шпинделя выбираем из частотно
регулируемый асинхронный электродвигатель серии 4А и выписываем его основные
характеристики:
· Электродвигатель 4А132S4У3 ;
· мощность электродвигателя Nдв=7,5 кВт;
· синхронная частота вращения n=1500 об/мин;
· номинальная частота вращения n=1455 об/мин;
· коэффициент полезного действия η=88 %.
2. КИНЕМАТИЧЕСКИЙ РАСЧЁТ ПРИВОДА ПОДАЧ
Определение диапазона регулирования
Диапазон регулирования коробки подач определяется как отношение
предельных подач
;
Знаменатель геометрического ряда
;
Принимаем
стандартное значение знаменателя геометрического ряда
Определяем
значения подач привода и частот вращения ходового винта, округляя их до
стандартных
Для
определения частот вращения разделим значения подач на шаг ходового винта Рхв,
который равен 5 мм.
Таблица
2.1 - Частоты вращения привода
главного движения
|
№
|
S, мм/мин
|
n, об/мин
|
|
1
|
12,5
|
2,5
|
|
2
|
16
|
3,15
|
|
3
|
20
|
4
|
|
4
|
25
|
5
|
|
5
|
31,5
|
6,3
|
|
6
|
40
|
8
|
|
7
|
50
|
10
|
|
8
|
63
|
12,5
|
|
9
|
80
|
16
|
|
10
|
100
|
20
|
|
11
|
125
|
25
|
|
12
|
160
|
31,5
|
Составим 2 варианта структурной формулы привода
Строим структурную сетку привода по первому варианту
;
Рисунок
2.1 - 1-й вариант структурной сетки
привода подач
-й вариант
Рисунок 2.2 - 2-й вариант структурной сетки привода подач
Выбираем 1-й вариант, так как это расположение более предпочтительно.
График подач
Рисунок 2.3 - График подач
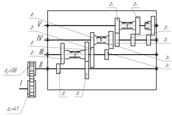
Рисунок 2.4 - Кинематическая схема коробки подач
Определение передаточных отношений
Определяем передаточные отношения и числа зубьев зубчатых колес для
каждой передачи. Покажем расчет только первой зубчатой передачи, остальные
расчеты сведём в таблицу 3.2
Определение чисел зубьев колёс
Минимальное
число зубьев рекомендуется
, а сумма
зубьев сопряжённых колёс
.
Таблица
2.2- Определение чисел зубьев колес
коробки подач
|
Передаточное отношение
|
Сумма зубьев
|
Число зубьев (диаметр
шкивов)
|
|
i
|
|
|
|
|
1
|
2
|
3
|
4
|
5
|
|
i1=0,699
|
i1 =1,43199z1=41z2=58
|
|
|
|
|
i2=0,25
|
i2 =499z3=20z4=79
|
|
|
|
|
i3=0,7
|
i3 =1,4299z5=41z6=58
|
|
|
|
|
i4=1
|
i4 =199z7=50z8=49
|
|
|
|
|
i5=0,35
|
i5 =2,899z9=26z10=73
|
|
|
|
|
i6=0,35
|
i6 =2,899z11=26z12=73
|
|
|
|
|
i7=2,8
|
i7 =0,3599z13=73z14=26
|
|
|
|
Определение крутящих моментов для привода
подач
Крутящий
момент,
:
Осевая
сила,
Где:
Где:
=200; Х=1,0; Y=0,75;n=0
Где:
=1,0
=1,08
=1,0
=0,93
Где:
=800
n=1
Где:
=67; Х=1,2; Y=0,65;n=0
Где:
=1,0
=0,7
=1,07
=1,0
Где:
=800
n=1
Крутящий момент на выходном валу привода
подач определяется:
.
РАСЧЁТ ЭЛЕМЕНТОВ КОРОБКИ ПОДАЧ
Расчёт
зубчатых передач
Проектный расчёт цилиндрической зубчатой передачи на выносливость зубьев
при изгибе
Рассчитаем
самую нагруженную зубчатую передачу с передаточным отношением
. Данная передача является прямозубой и состоит из
шестерни с числом зубьев
и колеса с числом зубьев
.
Материал
для колеса и шестерни: Сталь 40Х
Модуль
передачи (мм) должен удовлетворять условию:
где
вспомогательный коэффициент, для прямозубых передач
;
исходный
расчетный крутящий момент на шестерне,
коэффициент
нагрузки для шестерни,
;
число
зубьев шестерни,
;
коэффициент,
учитывающий форму зуба,
;
отношение
ширины колеса b к модулю m, рекомендуется ширину венца
принимать равной 6-10 модулям:
;
допускаемое
напряжение для материала шестерни, МПа:
где
предел выносливости материала зубьев;
коэффициент
долговечности,
.
принимаем
.
Определим
основные геометрические параметры передачи:
Делительные
диаметры найдём по формуле:
Межосевое
расстояние передачи аω:
Диаметры
вершин зубьев:
Диаметры
впадин зубьев:
Ширина
венца:
Проектный
расчёт передачи на контактную выносливость зубьев
Проектный
расчёт передачи на контактную выносливость зубьев:
где
вспомогательный коэффициент,
для прямозубых передач;
коэффициент
нагрузки,
;
отношение
рабочей ширины венца передачи к начальному диаметру шестерни,
.
Допускаемое
контактное напряжение для прямозубых передач:
где
базовый предел контактной выносливости поверхностей
зубьев,
коэффициент
безопасности,
.
-
условие выполняется.
Проверочный
расчет на выносливость зубьев при изгибе
Удельная
расчетная окружная сила (Н):

где
расчётная окружная сила, Н;
ширина
венца по основанию зуба, мм;
коэффициент,
учитывающий динамическую нагрузку в зацеплении, которая возникает вследствие
колебаний масс колёс и ударов в зацеплении,
;
коэффициент,
учитывающий неравномерность распределения нагрузки по ширине венца, которая
возникает вследствие погрешностей изготовления колёс, упругих деформаций валов,
зазорах в подшипниках,
;
коэффициент,
учитывающий при расчёте прямозубых передач распределение нагрузки между
зубьями,
.
Расчётное
напряжение изгиба зубьев:
где
коэффициент формы зуба,
;
коэффициент,
учитывающий перекрытие зубьев,
;
коэффициент,
учитывающий наклон зуба,
.
Допускаемое
напряжение при расчёте зубьев на выносливость при изгибе:
Уточняем
допускаемое напряжение при расчёте зубьев на выносливость при изгибе:
где
длительный предел выносливости зубьев при изгибе
коэффициент,
учитывающий влияние шлифования переходной поверхности зубьев,
;
коэффициент,
учитывающий влияние упрочнения переходной поверхности зубьев в результате
механической обработки,
;
коэффициент,
учитывающий особенности работы зубьев при передаче реверсивной нагрузки,
;
коэффициент,
учитывающий размеры зубчатого колеса,
;
коэффициент
режима нагружения и долговечности,
;
коэффициент,
отражающий чувствительность материала к концентрации напряжений:
коэффициент,
учитывающий параметры шероховатости переходной поверхности зуба,
;
коэффициент
безопасности:
где
коэффициент безопасности, учитывающий нестабильность
свойств материала зубчатого колеса и ответственность зубчатой передачи,
;
коэффициент,
учитывающий способ получения заготовки,
;
Подставив
значения в формулу 4.7, получим:
В
нашем случае
и
, т.е.
проверка на выносливость зубьев при изгибе выполняется
Расчёт
передачи на контактную выносливость зубьев
Удельную окружную силу находим по формуле :
где
расчётная окружная сила, Н;
ширина
венца по основанию зуба, мм;
коэф.,
учитывающий динамическую нагрузку в зацеплении,
;
коэффициент,
учитывающий неравномерность распределения нагрузки по ширине венца,
;
Подставив
значения в формулу и получим:
Расчётное контактное напряжение находим по формуле:
где
коэффициент, учитывающий форму сопряжённых
поверхностей зубьев в полюсе зацепления,
;
коэффициент,
учитывающий механические свойства материала сопряжённых зубчатых колёс
;
коэффициент,
учитывающий суммарную длину контактных линий;
передаточное
число;
начальный
диаметр шестерни, мм;
Коэффициент
определяем в зависимости от коэффициентов торцевого и
осевого перекрытия:
;
Получаем
.
Подставив
значения в формулу и получим:
Уточняем
допускаемое контактное напряжение:
где
коэффициент, учитывающий параметр шероховатости
поверхностей зубьев,
;
коэффициент,
учитывающий окружную скорость v,
;
коэффициент,
учитывающий влияние смазочного материала,
;
коэффициент,
учитывающий размеры зубчатого колеса,
;
коэффициент
режима нагружения и долговечности,
;
коэффициент
безопасности,
;
предел
выносливости зубьев на контактную выносливость;
Подставив
значения в формулу 3.15, получим:
В
нашем случае
, что удовлетворяет условию.
Основные геометрические параметры зубчатых передач коробки подач
Рассчитаем делительные диаметры исходя из назначенных модулей зубчатых
колёс тi и количества зубьев Zi по формуле 4.2, диаметры вершин и
впадин зубьев, а также ширину венца по формулам 4.4, 4.5, 4.6 и сведём
полученные результаты в таблицу 3.1.
Таблица 3.1 - Геометрические параметры зубчатых передач
|
№
|
m
|
Zi
|
di
|
dai
|
dfi
|
bi
|
|
1
|
2,5
|
79
|
197,5
|
202,5
|
196,25
|
14
|
|
2
|
2,5
|
20
|
50
|
55
|
48,75
|
14
|
|
3
|
2,5
|
26
|
65
|
70
|
63,75
|
14
|
|
4
|
2,5
|
73
|
182,5
|
187,5
|
181,25
|
14
|
|
5
|
2,5
|
73
|
182,5
|
187,5
|
181,25
|
14
|
|
6
|
2,5
|
26
|
65
|
70
|
63,75
|
14
|
|
7
|
2,5
|
73
|
182,5
|
187,5
|
181,25
|
14
|
|
8
|
2,5
|
65
|
70
|
63,75
|
14
|
|
9
|
2,5
|
49
|
122,5
|
127,5
|
121,25
|
14
|
|
10
|
2,5
|
50
|
125
|
130
|
123,75
|
14
|
|
11
|
2,5
|
58
|
145
|
150
|
143,75
|
14
|
|
12
|
2,5
|
41
|
102,5
|
107,5
|
101,25
|
14
|
|
13
|
2,5
|
79
|
197,5
|
202,5
|
196,25
|
14
|
|
14
|
2,5
|
20
|
50
|
55
|
48,75
|
14
|
Межосевое расстояние найдём :
· между 1 и 2 валами:
· между 2 и 3 валами и между VII и VIII :
· между 3 и 4 валами:
Δ=±(0,6…0,7)·fа=42…49 мкм; принимаем Δ=±0,045 мм.
Расчет валов
Предварительный расчет валов и выбор подшипников
Диаметры посадок подшипников на валы:
,мм
где
Т-момент на соответствующем валу, Н×м.
мм,
принимаем d=20 мм
мм, принимаем
d=25 мм
мм,
принимаем d=25 мм
мм,
принимаем d=20 мм
Диаметры
валов необходимо согласовать с диаметрами внутренних колец подшипников.
На
1 валу
:
Шариковые
радиальные однорядные ГОСТ 8338-75: 204(2
шт.).
На
2 валу
:
Шариковые
радиальные однорядные ГОСТ 8338-75: 205(2
шт.).
На
3 валу
:
Шариковые
радиальные однорядные ГОСТ 8338-75: 205(2
шт.).
На
4 валу
:
Шариковые
радиальные однорядные ГОСТ 8338-75: 204(2
шт.).
Составление
расчетной схемы и определение реакций опор.
Для определения реакций в подшипниках будем рассматривать вал, как балку,
нагруженную силами, действующими на колеса.
Наиболее нагруженным валом в коробке скоростей является 4, на который
действует силы в зубчатом зацеплении.
Определим окружную силу в зацеплении:
где
делительный диаметр колеса;
- крутящий
момент на колесе.
-
крутящий момент на колесе .
-
крутящий момент на колесе.
Радиальная
сила:
где
a - угол исходного контура, a=200.
По
чертежу определяем места расположения сил и расстояние до точек их приложения,
переносим их на рисунок 5:
.
Для облегчения расчёта применим относительную систему координат
совпадающую с направлениями сил Fr и Ft.
Рисунок 3 - Схема нагружения вала.
Горизонтальная плоскость.
а) Определим опорные реакции:
Проверка:

б)
Строим эпюру изгибающих моментов относительно оси Х в характерных сечениях:
Вертикальная
плоскость.
а)
Определим опорные реакции:
Проверка:
б)
Строим эпюру изгибающих моментов относительно оси Y в характерных
сечениях:
Определяем
суммарные радиальные реакции:
Определяем
суммарные изгибающие моменты в наиболее нагруженных точках.
Расчёт вала
на сопротивление усталости
Цель расчёта - определить коэффициенты запаса прочности в опасных
сечениях вала и сравнить их с допускаемыми.
Анализ конструкции вала, а также эпюр изгибающих моментов МX и
МY показывает, что наиболее опасным является сечение С.
Расчет сечения C на
сопротивление усталости.
Концентратором напряжений является скользящая посадка ступицы
цилиндрического колеса на вал, а также шлицевой участок вала.
Принимаем материал вала Сталь 40Х, для которого:
sВ=900 МПа;sТ=750 МПа; s-1=410 МПа;t-1=240 МПа.
Определим соотношения Кs/Кd и Кt/ Кd концентратора напряжений.
Кs =1,7; Кt=1,55; Кd=0,77.
Тогда Кs/Кd = 1,7/0,77=2,21; Кt/ Кd = 1,55/0,77=2,01.
Так как посадочная поверхность вала шлифуется, то KF=1, а
также, так как поверхность вала дополнительно не упрочняется, то KV=1.
Суммарные коэффициенты КsD и КtD:
КsD= (Кs/Кd+ KF-1)/ KV=(2,21+1-1)/1=2,21
КtD = (Кt/Кd+ KF-1)/ KV=(2,01+1-1)/1=2,01
Результирующий изгибающий момент в рассматриваемом сечении C:
Для
сечения С вала диаметром
с прямобочными шлицами:
· осевой момент сопротивления сечения:
где
ξ
= 1,205 - для шлицев средней серии.
· полярный момент сопротивления сечения:
Амплитуда
напряжений цикла:
где
крутящий момент в сечении С.
Среднее
напряжение цикла:

Коэффициенты
ys и yt:
Коэффициенты
запаса по нормальным и касательным напряжениям:
Коэффициент
запаса прочности по усталости в сечении C:
Расчёт
вала на статическую прочность
Проверка
статической прочности проводится по условию:
где
эквивалентное напряжение;
предельное
допускаемое напряжение;
коэффициент
перегрузки;
Условие
прочности выполняется.
Расчёт
подшипников
Для рассчитываемого вала проверяем наиболее нагруженный подшипник.
Выбираем подшипник шариковый радиальный однорядный ГОСТ 8338 -75, легкая
серия, обозначение 204, параметры: d = 20 мм, D = 47 мм, В = 14 мм, Cr = 12,7
кН, Cor = 6,2 кН..
И подшипник шариковый радиальный однорядный ГОСТ 8338 -75, легкая серия,
обозначение 205, параметры: d = 25 мм, D = 52 мм, В = 15 мм, Cr = 14 кН, Cor =
7 кН.
Проверим
пригодность подшипников в опоре С, т.к. реакция в данной опоре наибольшая и
равна
Пригодность подшипников определяется сопоставлением расчётной
динамической грузоподъёмности с базовой, или базовой долговечности с требуемой
по условиям:
Crp ≤ Cr или Lh ≥ Lh.
Требуемая долговечность подшипника Lh = 2·104.
Расчётная динамическая грузоподъёмность определяется по формуле:
RE - эквивалентная динамическая нагрузка, Н;
ω - угловая скорость вала, с-1;
m
- показатель степени, m = 3.E = V· Rr ·Kб ·Kт
где
V - коэффициент вращения, V = 1;r - суммарная реакция подшипника;б
- коэффициент безопасности, =1,4;т - температурный коэффициент, = 1.
RE
= 1· 646,1 ·1,4 ·1 = 904,54 Н
условие Crp ≤ Cr выполняется.
Произведём
расчёт подшипника на долговечность
условие
выполняется.
Выбранный
подшипник обеспечивает основные эксплуатационные требования.
. ОБОСНОВАНИЕ И ВЫБОР КОНСТРУКЦИИ
ТЯГОВОГО МЕХАНИЗМА
Тяговый механизм служит для перемещения подвижных узлов станка по
направляющим прямолинейного или вращательного движения. Он являются последним
звеном кинематической цепи привода подач, вспомогательных движений или главного
привода (карусельные, протяжные, строгальные, долбежные станки).
Чтобы обеспечить в проектируемом станке высокие технико-экономические
показатели, такие как производительность, точность, надежность, тяговые
устройства должны удовлетворять следующим требованиям:
обеспечивать заданный закон перемещения и скорости; в подавляющем
большинстве станков скорость должна быть постоянной;
иметь высокий КПД;
обладать высокой жесткостью, которая является одной из главных
характеристик тягового устройства и влияет на статические и динамические
погрешности исполнительного узла станка;
иметь малый момент инерции, что определяет быстродействие привода и
точность обработки;
обладать высокой чувствительностью к малым перемещениям;
зазоры должны отсутствовать;
износ в процессе эксплуатации должен быть минимальным.
В зависимости от назначения станка, его конструкции и габаритных размеров
применяют различные виды тяговых устройств.
Передача винт-гайка скольжения:
Для передачи винт-гайка скольжения характерны:
. Возможность использования малого шага и соответственно малое
передаточное отношение при однозаходной резьбе и небольшой скорости подачи;
.Самоторможение при использовании одно- и двухзаходных винтов и
соответственно возможность применения передачи для вертикальных движений и
узлов, совершающих установочные перемещения под нагрузкой;
. Относительно низкая износостойкость;
. Низкий коэффициент полезного действия.
Передача зубчатое колесо - рейка:
К недостаткам передачи можно отнести: сложность обеспечения равномерности
медленных движений, особенно в точных станках, отсутствие самоторможения.
Однако большое передаточное отношение, простота и высокий КПД делают этот
привод высокоэффективным в токарных, револьверных, сверлильных станках, а также
в приводе различных вспомогательных перемещений.
Также существует несколько типов тяговых механизмов, имеющих
узконаправленную область применения. Так например в приводах подач автоматических
и полуавтоматических станков широко применяются кулачковые механизмы. Для
поперечно-строгальных станков в основном используется кулисный привод.
Исходя из приведенных характеристик тяговых механизмов для проектируемого
привода подач выбираем в качестве тягового механизма передачу зубчатое
колесо-рейка.
5. РАСЧЁТ ТЯГОВОГО УСТРОЙСТВА
Определяем скорость движения рейки ( стола):
,
где
mк, zк, nрк -
соответственно модуль, число зубьев и число оборотов в минуту реечного колеса;
Требуемое
число оборотов реечного колеса:
Необходимое
число оборотов реечн.ого колеса при осуществлении обратного хода:
Скорость
обратного хода принимаем исходя из соотношения
и
устанавливаем её в пределах 56-75 м/мин.
При
движении во время рабочего хода стол преодолевает составляющую Pz силы резания и силу трения стола в направляющих. Величина тягового
усилия:
где
Py - составляющая силы резания, направленная
перпендикулярно плоскости стола, Н;
Q - вес
движущихся частей, Н;
f - приведенный
коэффициент трения в направляющих.
При
реверсировании стола имеют место два вида сопротивлений: сила инерции движущих
масс при разгоне стола и сила трения в направляющих.
Сила
инерции массы суппорта:
,
где
mc - масса суппорта, кг;
V0 - скорость обратного хода, м/мин;
t - полное время
реверсирования (время на остановку в конце рабочего хода и разгон в начале
холостого хода), сек.
Сила
инерции вращающихся масс привода:
,
где
I0 - момент
инерции вращающихся во время обратного хода масс привода, приведённых к валу
привода, приведённых к валу реечного колеса, кг·м2;
Полная
величина сил инерции:
Сила
трения во время обратного хода:
Тяговое
усилие обратного хода:
В
качестве расчётного для определения несущей способности деталей привода и его
мощности следует принимаем большее из тяговых усилий:
.
Модуль
передачи выбираем из условия:
, (см.
[2], стр. 47)
где
Ψbm
- отношение ширины колеса к модулю, принимаем Ψbm
= 11 (z1 = 12 -
число зубьев шестерни);
Тогда
Принимаем стандартный m = 2 мм
Таблица
6.1 - Геометрические параметры
передачи зубчатое колесо-рейка.
|
Число зубьев
|
m,мм
|
d,мм
|
da,мм
|
df,,мм
|
b,мм
|
|
Зубчатое колесо
|
12
|
2
|
24
|
28
|
23
|
10
|
|
Рейка
|
42
|
2
|
-
|
-
|
-
|
-
|
6. НАЗНАЧЕНИЕ СИСТЕМЫ СМАЗКИ ПРИВОДА
При проектировании привода смазыванию подлежат передачи и подшипники. Цель
смазывания - защита от коррозии, снижение интенсивности износа трущихся
поверхностей, отвод тепла и продуктов износа от контактируемых поверхностей, а
также снижение шума.
Для смазывания закрытых зубчатых передач применяем циркуляционную смазку.
Она смазывает узлы коробки скоростей, коробки подач, шпиндельной бабки и
консоли. Смазка механизмов узлов станка производится от индивидуальных насосов,
расположенных в станине, консоли и салазках.
Масло для смазки шпиндельной бабки подводится из станины при помощи
гибкого шланга к верхнему фланцу бабки. От фланца через сверление в корпусе
масло поступает к подшипникам и зубчатым колесам вала шпиндельной бабки, через
маслоуказатель капельным методом к подшипникам гильзы.
Смазка зубчатых колес и подшипников коробки скоростей осуществляется от
плунжерного насоса, установленного внутри станины и приводимого в действие
эксцентриком.
Смазка механизмов коробки подач производится разбрызгиванием масла,
подводимого трубкой из консоли.
Смазка консоли осуществляется плунжерным насосом централизованной смазки
коробки подач и консоли, который засасывает масло через сетку фильтра из
масляной ванны и подает его по трубке к маслораспределителю.
Сорт масла для смазывания передач рекомендуется выбирать в зависимости от
контактного напряжения и окружной скорости. Для смазывания передач и
подшипников в данной коробке скоростей, будем использовать масло индустриальное
ИГП-30
Выбираем марку масла ИГП-30, основные характеристики в таблице 7.1
токарный револьверный станок привод
Таблица 6.1 Основные характеристики минерального масла ИГП-30
Обозначение Класс
точности по ISO 6743/4-1981 ГОСТ
ИВKOH
KOH

|
|
|
|
|
|
|
|
|
|
|
|
|
|
мг/1г
|
|
|
|
|
|
|
|
|
|
|
|
|
ИГП-30
|
НМ
|
ТУ38 101413-78
|
28-31
|
90
|
0,6-1
|
0,5
|
200
|
-15
|
885
|
НМ-масла с антикоррозионными, антиокислительными и противоизносными
присадками;
Централизованная импульсная смазочная система, предназначенная для подачи
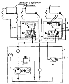
смазочного материала на токарно-револьверном станке 1Г34ОПЦ (рис. 7.1). В
систему входят смазочная станция 1, станция реле давления 2, насос 3,
импульсные питатели 4 и 9, маслораспылители 5, переключатель 6, бесконтактный
путевой переключатель 7, гидроцилиндр 8, гидрораспределитель 10.
Рисунок 6.1 - Централизованная импульсная смазочная система
Рисунок 6.2 - Схема расположения смазываемых и смазочных устройств
. МЕРОПРИЯТИЯ ПО БЕЗОПАСНОСТИ КОНСТРУКЦИИ
1. Общие требования техники безопасности к конструкции.
.1. Защитные устройства.
.1.1. Ременные передачи, расположенные вне корпусов станков и
представляющие опасность травмирования, должны иметь ограничения для удобства и
безопасного открывания при помощи устройств.
.1.2. Выступающие при работе за габарит станка внешние торцы сборочных
единиц должны окрашиваться под углом 45° чередующимися полосами жёлтого и
чёрного цвета.
.1.3. Защитные устройства, ограждающие зону обработки должны защищать
работающего на станке и людей, находящихся вблизи станка, от отлетающей стружки
и СОЖ.
.1.4. Защитные устройства не должны вызывать неудобства при работе.
.1.5. Поверхность стола, защитных устройств, станочных принадлежностей и
приспособлений не должны иметь острых кромок и заусенцев.
.2. Предохранительные и блокирующие устройства.
1.2.1. Станок должен иметь переходные устройства, предотвращающие
самопроизвольное опускание шпинделей, поперечин.
.2.2. Станок должен иметь предохранительные устройства от перегрузки.
.2.3. Перемещение сборочных единиц станка должно в крайних положениях
ограничиваться устройствами, исключающими перебеги за допустимые размеры.
.2.4. Устройства закрепления на станке патронов, оправок и других съёмных
элементов, должны исключать самопроизвольное ослабление при работе закрепляемых
устройств и сдвигании съёмных элементов при реверсировании вращения.
.2.5. В станках, имеющих реверсивные приводы главного движения и
механизированные подачи, должна предусматриваться блокировка, обеспечивающая
выключение главного движения не раньше выключения подачи.
.3. Органы управления.
.3.1. Органы ручного управления должны быть выполнены и расположены так,
чтобы их использование было удобно и безопасно.
.3.2. Рукоятки и другие органы управления станком должны быть снабжены
фиксаторами, не допускающими самопроизвольных перемещений органов управления.
.3.3. Перемещение рукояток при отжиме и зажиме не должны быть направлены
в стороны режущего инструмента.
.3.4. Расположенное и конструкция органов управления должны исключить
задерживание на них стружки.
.4. Смазка, охлаждение, отвод стружки.
.4.1. Форма станка и его элементов должны обеспечивать удобный отвод
стружки и СОЖ из зоны обработки и удаление стружки со станка.
.4.2. Станки следует оборудовать централизованной системой смазки.
.4.3. В резервуарах смазочной системы, устанавливаемых около станков и
расположенных в основании станины, должны быть предусмотрены отверстия для
откачивания масла насосом.
.4.4. Устройства для ввода СОЖ в зону обработки должны обеспечивать
возможность удобного и безопасного регулирования их положения, надёжной
фиксации, и необходимость распределения жидкости в зоне резанья.
. Электрооборудование, защитные меры.
.1. Каждый станок должен иметь вводный выключатель ручного действия,
размещённый в безопасном месте.
.2. На шкафах, нишах, которые недостаточно ясно показывают, что содержат
электрическую аппаратуру, должны быть помещены предупреждающие знаки
электрического напряжения по ГОСТ 12.4.026 - 76.
.3. Остаточное напряжение у электрического оборудования недопустимо.
.4. Каждый станок должен иметь орган аварийного отключения красного
цвета.
.5. Металлические части электрических аппаратов с ручным приводом должны
быть надёжно соединены с защитной цепью.
.6. Электрооборудование должно быть защищено нулевой защитой, исключающей
самопроизвольное включение станка.
.7. Все металлические части должны быть оснащены легко обозримыми
устройствами заземления, вблизи от места ввода питающих приводов.
Так же в настоящее время в целях безопасности широко нашли применение
элементы автоматизации: концевые выключатели, бесконтактные выключатели,
фотоэлектрические датчики, датчики инфракрасного излучения, таймеры, лазеры.
Такого рода устройства не только повышают безопасность труда на рабочем месте,
но и увеличивают производительность.
ЗАКЛЮЧЕНИЕ
В ходе выполнения данного курсового проекта на базе токарно-револьверного
станка 1Г340ПЦ модернизировал привод подачи. При заданном числе ступеней подач z = 12 модернизировал коробку подач:
уменьшил количество зубчатых колес. При данной модернизации произвёл расчёт
тягового устройства, выбрал двигатель для коробки подач с учётом продольной
подачи. Все эти параметры находятся в переделах допустимых значений. А также
была выбрана система смазки и мероприятия по безопасности конструкции.