Модернизация сверлильно-фрезерно-расточного станка модели 250V
ФЕДЕРАЛЬНОЕ
АГЕНТСТВО ПО ОБРАЗОВАНИЮ
Государственное
образовательное учреждение высшего профессионального образования
«Тихоокеанский
государственный университет»
Институт
(факультет) Институт информационных технологий
Кафедра
Технологической информатики и информационных систем
ВЫПУСКНАЯ КВАЛИФИКАЦИОННАЯ РАБОТА
Тема: Модернизация
сверлильно-фрезерно-расточного станка модели 250V
Специальность150900.62 «Технология,
оборудование и автоматизация машиностроительных производств»
Дипломник Речкалова О.Л.
Руководитель
Давыдов В.М.
Хабаровск -
2014 г.
Введение
Создание материально-технической базы и необходимость непрерывного
повышения производительности труда ставит перед машиностроителями весьма
ответственные задачи.
Основное требование к современному производству - дать как можно больше
продукции лучшего качества и с наименьшей стоимостью - относится прежде всего,
к машиностроению, призванному обеспечить технический прогресс всех отраслей
народного хозяйства. Выполнение этого требования обеспечивается не только за
счет простого количественного роста производства (нового капитального
строительства, увеличение рабочей силы, модернизации устаревшего оборудования и
создания нового), но и путем лучшего использования имеющейся техники, хорошей
организации труда, внедрения передовой технологии, распространения передового
опыта и применения прогрессивной оснастки.
Интенсификация производства в машиностроении связана с модернизацией
средств производства на базе применения новейших достижений науки и техники.
Техническое перевооружение, подготовка производства новых видов продукции
машиностроения и модернизация средств производства неизбежно включают процессы
проектирования средств технологического оснащения и их изготовления.
1. Технические характеристики станка-аналога
Станок вертикальный сверлильно-фрезерно-расточной модели 250V предназначен для
высокопроизводительной обработки деталей из различных конструкционных
материалов в условиях единичного, мелкосерийного и серийного производства.
Выполняет операции сверления, растачивания, нарезания резьбы, прямолинейного,
контурного и объемного фрезерования.
Область применения: машиностроение, инструментальное производство
(изготовление штампов, пресс форм, электродов, в том числе из графита, значков,
медалей и т.д.) и другие отрасли народного хозяйства.
Рис. 1 Станок вертикальный сверлильно-фрезерно-расточной модели 250V
Технические характеристики станка Таблица 1.1
|
MAX мощность станка. Рmax, кВт.
|
Масса станка. m,
кг.
|
Число оборотов n min, c-1
|
Число оборотов n max, c-1
|
габариты станка, мм
|
Точность по ГОСТ 8-82
|
|
5.5
|
1500
|
0
|
3000
|
1300´2000´2100
|
Н, П, В, А, С.
|
2. Обоснование технической характеристики станка
2.1 Определение предельных диаметров сверла и рациональных режимов
резания
Режимы резания на вертикально-сверлильном станке с ЧПУ Таблица 2.1
|
Технологические переходы
|
Инструменты
|
Режимы резания
|
|
Тип
|
диаметр
|
Глубина резания, мм
|
Подача, мм/об
|
Скорость резания, м/мин
|
|
Режимы резания на
вертикально - сверлильных станках Конструкционная углеродистая сталь, 
|
|
1. сверление
|
быстрорежущие
|
25-30
|
|
0,29-0,41
|
24-28
|
|
твердосплавные
|
21-30
|
|
0,22-0,35
|
49-58
|
|
2. зенкерование
|
быстрорежущие
|
25-35
|
0,5-1,0
|
0,5-0,7
|
20-22
|
|
твердосплавные
|
25-35
|
0,5-1,0
|
0,5-0,7
|
64-72
|
|
3. развертывание
|
быстрорежущие
|
21-80
|
0,2-0,4
|
0,7-0,8
|
10,6-13
|
|
твердосплавные
|
св.20
|
0,2-0,4
|
0,8-1,2
|
10
|
|
конические
|
13-100
|
|
0,1-1,0
|
6
|
|
4. нарезание резьбы
|
метчики машинные
|
24-45
|
|
|
12,6-26,5
|
|
Серый чугун, HB180-220
|
|
5. сверление
|
быстрорежущие
|
25-30
|
|
0,58-0,72
|
26-30
|
|
твердосплавные
|
25-30
|
|
0,37-0,5
|
80-87
|
|
6. зенкерование
|
быстрорежущие
|
25-35
|
0,5-1,0
|
0,75-1,0
|
26-29
|
|
твердосплавные
|
25-35
|
0,6-1,3
|
0,75-0,9
|
86-97
|
|
7. развертывание
|
быстрорежущие
|
21-80
|
0,2-0,4
|
2,2-4,0
|
4,1-5,1
|
|
твердосплавные
|
10-50
|
|
1,0-1,3
|
60-80
|
|
конические
|
13-100
|
|
0,15-0,9
|
7
|
|
8. нарезание резьбы
|
метчики машинные
|
24-45
|
|
|
8,9-19
|
|
Режимы резания на
горизонтально-расточных станках (Сталь)
|
|
9. Наружное продольное и
поперечное точение суппортом планшайбы: черновое по корке
|
Резцы Т14К8
|
|
5-9
|
0,6-0,8
|
45-50
|
|
10. Растачивание борштангой
|
Резцы Т5К10
|
|
5-9
|
0,6-0,8
|
41-45
|
|
11. Прорезание канавок на
поверхности
|
Резцы Р6М5
|
|
|
0,12-0,15
|
16,2-19
|
|
12. Фрезерование плоскостей
и уступов
|
фрезы концевые Р6М5
|
16-50
|
3-5
|
0,06-0,09
|
39-45
|
|
13. Фрезерование пазов
|
фрезы шпоночные Р6М5
|
16-40
|
5-10
|
0,05-0,7
|
25
|
|
14. Сверление
|
сверла ВК8
|
20-30
|
|
0,19-0,35
|
49-58
|
|
15. Развертывание
|
развертки цилиндрические
Т15К6
|
21-80
|
|
1,2-2,0
|
60-80
|
|
серый чугун, НВ 190-210
|
|
16. Наружное продольное и поперечное
точение суппортом планшайбы: черновое по корке
|
Резцы ВК8
|
|
3,5-6,2
|
0,75-1,0
|
35-45
|
|
17. Растачивание борштангой
|
Резцы ВК8
|
|
3,5-6,2
|
0,75-1,0
|
30-35
|
|
18. Прорезание канавок на
поверхности
|
Резцы ВК8
|
|
|
0,1-0,14
|
37-42
|
|
19. Фрезерование плоскостей
и уступов
|
фрезы концевые Р6М5
|
20-50
|
4-6
|
0,1-0,15
|
32-37
|
|
20. Фрезерование пазов
|
фрезы концевые ВК8
|
16-32
|
6-10
|
0,05-0,08
|
45-50
|
|
21. Сверление
|
сверла Р6М5
|
20-60
|
|
0,52-0,9
|
16-21
|
|
22. Развертывание
|
развертки цилиндрические
ВК6
|
21-80
|
0,1-0,2
|
1,0-2,0
|
60-80
|
|
23. Подрезание торцов и
цекование отверстий
|
пластины подрезные и
цековки ВК8
|
20-70
|
|
0,09-0,2
|
12-16
|
|
24.нарезание резьбы на
проход
|
Метчики Р6М5
|
20-45
|
|
|
8,5-19
|
|
Режимы резания на
вертикально-фрезерных станках (сталь)
|
|
25. Фрезерование плоскостей
и уступов
|
фрезы концевые Т5К10
|
20-50
|
5-6
|
0,1-0,12
|
85-90
|
|
26. фрезерование пазов
|
фрезы т-образные Р6М5
|
25-50
|
|
0,02-0,04
|
27-30
|
|
серый чугун
|
|
27. фрезерование плоскостей
и уступов
|
фрезы концевые Р6М5
|
16-50
|
до3,5
|
до0,07
|
46-75
|
|
28.Фрезерование пазов
|
фрезы концевые Р6М5
|
16-25
|
|
0,04-0,05
|
23-25
|
Для заданной модели вертикально-сверлильного станка 2А135 наибольший
диаметр сверления Dб = 35 мм, тогда
наименьший диаметр сверла:
При
сверлении в сплошном материале глубина резания:
При
рассверливании:
где
D - диаметр сверла, d - диаметр
отверстия в заготовке.
Наибольший
диаметр сверления Dб для универсальных вертикально и
радиально-сверлильных станков является их основным параметром и должен
соответствовать ГОСТ 1227-72. При зенкеровании и развёртывании глубина резания
равна величине припуска на сторону tм = 0,5 мм, tб =
2 мм. При чистовом развёртывании отверстий диаметром 5 … 80 мм припуск на
сторону tм= 0,05 мм, tб = 0,25 мм. При черновом
развёртывании припуск на сторону tм= 0,1 мм, tб = 0,2 мм.
Наибольшая
и наименьшая подачи (для самого мягкого материала (цв. металлы) при работе со
свёрлами наибольшего и наименьшего диаметра) по табл. 1.11 [1]:
мм/об
мм/об
Наибольшая
и наименьшая скорости резания при сверлении:
м/мин
м/мин
сверления
и характеристику инструмента;
Т
- стойкость инструмента;
S - подача;
D - диаметр
инструмента;
НВ
- твёрдость обрабатываемого материала (табл. 1.25 [1])
Предельные
значения частот вращения шпинделя:
мин-1
мин-1
Диапазоны
регулирования привода главного движения и подачи
2.2 Определение силовых параметров процесса резания и эффективной
мощности привода.
Наибольшее осевое усилие, действующее при сверлении:
кН
Определим
значение наибольшего крутящего момента при сверлении самого твёрдого материала:
кН∙м
Значения
коэффициентов С1, z, y, n определяем по табл. 1.32 [1]
кВт
Мощность
электродвигателя главного движения определяется по наибольшей эффективной
мощности резания:
кВт
где:
k - коэффициент перегрузки станка, k =
1,2 … 1,3.
η - КПД привода с вращательным главным движением (η = 0,7 … 0,85).
Так
как модернизируемый станок имеет только один электродвигатель, то при
определении его мощности должна быть учтена мощность, расходуемая также и в
цепях привода подачи и вспомогательных движений. Мощность, потребляемая на
движение подачи, обычно невелика и составляет от мощности привода главного
движения для сверлильных станков 4 …5%. Следовательно, мощность
электродвигателя станка будет равна:
кВт
По
найденной мощности выбираем двигатель типа АИР100L2, для
которого: Nдв = 5,5 кВт nдв = 3000 мин-1
3.
Кинематический расчёт привода
.1
Определение числа скоростей привода
По
известным значениям Rn (здесь Rv) и знаменателю геометрического ряда φ (примем φ = 1,41) находим число скоростей Z привода по
формуле [1]:
Число
скоростей принимаем Z = 9, как и в коробке скоростей модернизируемого
станка 2А135.
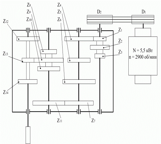
где
D1 = 140 мм, D2 = 178 мм,
Z1 = 27, Z2 =
34, Z3 = 21, Z4 = 55, Z5 =48, Z6 = 61, Z7 = 34, Z8 = 17, Z9 = 65,
Z10 = 35, Z11 =
48, Z12 = 68, Z13 = 34, Z14 =
50
Зная
числа зубьев шестерён, определим передаточные числа:
Числа
зубьев колёс привода Табл.3.1
|
D
|
D1:D2
|
Z
|
Z1:Z4
|
Z2:Z5
|
Z3:Z6
|
Z7:Z11
|
Z8:Z12
|
Z9:Z13
|
Z10:Z14
|
|
Диаметры шкивов
|
140:178
|
Число зубьев
|
27:55
|
34:48
|
21:61
|
34:48
|
17:68
|
65:34
|
35:50
|
|
i
|
0,78
|
i
|
0,38
|
0,71
|
0,34
|
0,71
|
0,25
|
1,91
|
0,7
|
|
|
ΣZ
|
82
|
82
|
82
|
82
|
85
|
99
|
85
|
Зная частоту вращения электродвигателя и передаточные числа всех
ступеней, построим график частот вращения привода:
График частот вращения привода.
4. Геометрический и силовой расчёт привода
Так как для проектных расчетов нас интересует наиболее нагруженный режим,
то рассчитываем силовые и кинематические параметры для наименьших угловых
скоростей валов.
Для расчётов примем [2]:
ηз = 0,97 - КПД зубчатой передачи;
ηм = 0,98 - КПД муфты;
ηпк = 0,99 - КПД подшипников качения;
ηрп = 0,88 - КПД клиноремённой
передачи.
Вал I:
кВт
мин-1
с-1
Н∙м
Вал
II:
кВт
мин-1
с-1
Н∙м
Вал
III:
кВт
мин-1
с-1
Н∙м
Вал
IV:
кВт
мин-1
с-1
Н∙м
5.
Определение модуля зубчатых колёс и геометрический расчёт привода.
Модули
зубчатых колёс рассчитываем, исходя из прочности зуба на изгиб и усталости
поверхностных слоёв по формулам:
;
,
где:
k = kд ∙ kк ∙ kр =
2,4 - коэффициент, учитывающий изменение нагрузки по сравнению с номинальной от
действия различных факторов,
где:
kд ≈ 2 - коэффициент динамичности нагрузки;
kк ≈ 1,2 -
коэффициент концентрации нагрузки;
kр ≈ 1 -
коэффициент режима.
N - номинальная
передаваемая мощность вала с шестерней;
n - минимальная
частота вращения шестерни;
z - число зубьев
шестерни;
y = (0,1 …0,13)
- коэффициент формы зуба;
ψ = (6 … 10) - коэффициент ширины;
i - передаточное
отношение пары;
σдоп - допускаемое напряжение контактной нагрузки;
Rв - допускаемое
напряжение изгибной нагрузки.
Первоначально
предполагая, что зубчаты колёса изготовлены из стали 40Х (σв = 900 МПа, σт = 750 МПа), со средней твёрдостью шестерни НRCср = 45
(улучшение и закалка ТВЧ), по известным из курса «Детали машин» формулам [2]
примем σдоп и Rв равными :
МПа
МПа
Из
полученных модулей выбираем наибольший и округляем его до ближайшего
стандартного значения и принимаем для всех пар данной групповой передачи.
Первая
ступень (зацепление 21:61, валы I - II):
Принимаем
m = 2,5
Вторая
ступень (зацепление 34:48, валы II - III):
Принимаем
m = 3
Третья
ступень (зацепление 17:68, валы III - IV):
Принимаем
m = 6
.2
Расчёт геометрических параметров зубчатых колёс
Первая
ступень:
Шестерня
z = 27
Делительный
диаметр:
мм
Диаметр
вершин зубьев:
мм
Диаметр
впадин зубьев:
мм
Шестерня
z = 34
Делительный
диаметр:
мм
Диаметр
вершин зубьев:
мм
Диаметр
впадин зубьев:
мм
Шестерня
z = 21
Делительный
диаметр:
мм
Диаметр
вершин зубьев:
мм
Диаметр
впадин зубьев:
мм
Шестерня
z = 55
Делительный
диаметр:
мм
Диаметр
вершин зубьев:
мм
Диаметр
впадин зубьев:
мм
Шестерня
z = 48
Делительный
диаметр:
мм
Диаметр
вершин зубьев:
мм
Диаметр
впадин зубьев:
мм
Шестерня
z = 61
Делительный
диаметр:
мм
Диаметр
вершин зубьев:
мм
Диаметр
впадин зубьев:
м
Ширина
шестерён ступени:
;
мм
мм
Ширину
колёс данной ступени конструктивно принимаем на 3 - 5 мм меньше ширины
шестерён.
Вторая
ступень:
Шестерня
z = 34
Делительный
диаметр:
мм
Диаметр
вершин зубьев:
мм
Диаметр
впадин зубьев:
мм
Шестерня
z = 48
Делительный
диаметр:
мм
Диаметр
вершин зубьев:
мм
Диаметр
впадин зубьев:
мм
Ширина
шестерни ступени:
;
мм
мм
Ширину
колеса данной ступени конструктивно принимаем на 3 - 5 мм меньше ширины
шестерни.
Третья
ступень:
Шестерня
z = 17
Делительный
диаметр:
мм
Диаметр
вершин зубьев:
мм
Диаметр
впадин зубьев:
мм
Шестерня
z = 65
Делительный
диаметр:
мм
Диаметр
вершин зубьев:
мм
Диаметр
впадин зубьев:
мм
Шестерня
z = 35
Делительный
диаметр:
мм
Диаметр
вершин зубьев:
мм
Диаметр
впадин зубьев:
мм
Шестерня
z = 68
Делительный
диаметр:
мм
Диаметр
вершин зубьев:
мм
Диаметр
впадин зубьев:
мм
Шестерня
z = 34
Делительный
диаметр:
мм
Диаметр
вершин зубьев:
мм
Диаметр
впадин зубьев:
мм
Шестерня
z = 50
Делительный
диаметр:
мм
Диаметр
вершин зубьев:
мм
Диаметр
впадин зубьев:
мм
Ширина
шестерён ступени:
;
мм
мм
Ширину
колёс данной ступени конструктивно принимаем на 3 - 5 мм меньше ширины
шестерён.
.3
Определение степени точности зубчатых колёс
Определяем
степень точности зубчатых колёс данной группы исходя из допускаемой окружной
скорости по таблице 3.34 [1]:
Для
проектируемого привода окружная скорость шестерни Z1 равна:
м/с
Назначаем
7-ую степень точности.
.4
Определение диаметров валов
Диаметры
валов рассчитываем приближённо по формуле:
М
= Т - крутящий момент, равный вращающему моменту на валу;
[τ] - допускаемое напряжение на кручение
МПа
Вал
I:
мм
Принимаем
d = 22 мм Вал II:
мм
Принимаем
d = 30 мм Вал III:
Принимаем
d = 30 мм Вал IV:
мм
.
Определение фактических контактных напряжений и напряжений изгиба зубьев
зубчатых колёс привода. Выбор материала и термообработки
Контактные
напряжения σн в зацеплении определим по формуле [1]:
,
где:
K - вспомогательный коэффициент (для прямозубых колес K =
438);t = 2∙T∙103/d -
окружная сила в зацеплении;
Kнα = 1 (для прямозубых колёс) - коэффициент, учитывающий
распределение нагрузки между зубьями;
Kнβ = 1 - коэффициент концентрации нагрузки [2];
Kнv -
коэффициент концентрации нагрузки, зависящий от окружной скорости [2].
Напряжения
изгиба σF для
шестерни и колеса определим по формулам:
,
,
где:
YF1 и YF2 - коэффициенты формы зубьев шестерни и колеса [2];
KFα аналогичен
Kнα;
KFβ аналогичен
Kнβ;
KFv аналогичен Kнv;
Yβ = 1
После
определения контактных напряжений и напряжений изгиба подбираем материал и термообработку,
обеспечивающие прочность на изгиб и износостойкость.
Зацепление
27:55
Н
Н/мм2
Н/мм2
Н/мм2
Материал
обоих колёс - сталь 40Х, т. о. - закалка до твёрдости 45…50 HRC.
Зацепление
34:48
Н
Н/мм2
Н/мм2
Н/мм2
Материал
обоих колёс - сталь 40Х, т. о. - закалка до твёрдости 45…50 HRC.
Зацепление
21:61
Н
Н/мм2
Н/мм2
Н/мм2
Материал
обоих колёс - сталь 40Х, т. о. - закалка до твёрдости 45…50 HRC.
Зацепление
34:48
Н
Н/мм2
Н/мм2
Н/мм2
Материал
обоих колёс - сталь 40Х, т. о. - закалка до твёрдости 45…50 HRC.
Зацепление
17:68
Н
Н/мм2
Н/мм2
Н/мм2
Материал
обоих колёс - сталь 40Х, т. о. - закалка до твёрдости 45…50 HRC.
Зацепление
65:34
Н
Н/мм2
Н/мм2
Н/мм2
Материал
обоих колёс - сталь 40Х, т. о. - закалка до твёрдости 45…50 HRC.
Зацепление
35:50
Н
Н/мм2
Н/мм2
Н/мм2
Материал
обоих колёс - сталь 40Х, т. о. - закалка до твёрдости 45…50 HRC.
7.
Расчёт валов коробки скоростей
Вал
I
Вертикальная
плоскость:
Определим
реакции в опорах:
Эпюра
изгибающих моментов:
;
Н∙м;
Н∙м;
Горизонтальная
плоскость:
Определим
реакции в опорах:
Эпюра
изгибающих моментов:
;
Н∙м;
Н∙м;
Суммарные
реакции в опорах:
Суммарный
изгибающий момент в опасном сечении:
∙м
Вал
II
Вертикальная
плоскость:
Определим
реакции в опорах:
Эпюра
изгибающих моментов:
;
Н∙м;
Н∙м;
Горизонтальная
плоскость:
Определим
реакции в опорах:
Эпюра
изгибающих моментов:
;
Н∙м;
Н∙м;
Суммарные
реакции в опорах:
Суммарный
изгибающий момент в опасном сечении:
∙м
Вал
III
Вертикальная
плоскость Определим реакции в опорах:
Эпюра
изгибающих моментов:
;
Н∙м;
Н∙м;
Горизонтальная
плоскость Определим реакции в опорах:
Эпюра
изгибающих моментов:

;
Н∙м;
Н∙м;
Суммарные
реакции в опорах
Суммарный
изгибающий момент в опасном сечении:
∙м
Вал
IV
Вертикальная
плоскость. Определим реакции в опорах:
Эпюра
изгибающих моментов:
;
Н∙м;
;
Горизонтальная
плоскость
Определим
реакции в опорах:
Эпюра
изгибающих моментов:
;
Н∙м;
;
Суммарные
реакции в опорах:
Суммарный
изгибающий момент в опасном сечении:
∙м
8.
Проверочный расчёт подшипников
Пригодность
выбранных подшипников определяем сопоставлением расчётной динамической
грузоподъёмности Сrр с базовой Сr gпо
условию:
Расчётную
динамическую грузоподъёмность определим по формуле:
где:
m = 3 - показатель корня дл конических
роликоподшипников;
ω - угловая скорость вращения рассматриваемого вала;
Lh = 10000 ч -
ресурс работы для зубчатых передач;
RE - суммарная
реакция подшипника, определяемая по формуле:
Где:
V = 1 - коэффициент вращения;
Rr - суммарная
реакция подшипника;
Kб = 1,3 -
коэффициент безопасности для металлорежущих станков;
Kт = 1 -
температурный коэффициент.
Вал
I
а)
Опора А: подшипник 7205 (Сr = 23900 Н, лёгкая серия [2])
Н
Н <
23900 Н
Данный
подшипник пригоден
б)
Опора В: подшипник 7205 (Сr = 23900 Н, лёгкая серия [2])
Н
Н <
23900 Н
Данный
подшипник пригоден
Вал
II
а)
Опора А: подшипник 7206 (Сr = 29800 Н, лёгкая серия [2])
Н
Н <
29800 H
Данный
подшипник пригоден
б)
Опора В: подшипник 7205 (Сr = 29800 Н, лёгкая серия [2])
Н
Н <
29800 Н
Данный
подшипник пригоден
Вал
III
а)
Опора А: подшипник 7206 (Сr = 29800 Н, лёгкая серия [2])
Н
Н <
29800 Н
Данный
подшипник пригоден
б)
Опора В: подшипник 7205 (Сr = 29800 Н, лёгкая серия [2])
Н
Н <
29800 Н
Данный
подшипник пригоден
Вал
IV
а)
Опора А: подшипник 7208 (Сr = 42400 Н, лёгкая серия [2])
Н
Н <
42400 Н
Данный
подшипник пригоден
б)
Опора В: подшипник 7208 (Сr = 42400 Н, лёгкая серия [2])
Н
Н <
42400 Н
Данный
подшипник пригоден
зажимный
сверло вал привод
9. Расчёт шпиндельного узла
.1 Расчёт на жесткость
При расчётах на жёсткость будем учитывать горизонтальную составляющую
силы резания - Ру:
Н (табл.
1.32)
Допускаемое
смещение переднего конца шпинделя:
где
l - расстояние между опорами (мм);
Жёсткость
переднего конца шпинделя:
где
Е = 2,1∙105 Н/мм2 - модуль Юнга для стали;
а
- расстояние от конца шпинделя до первой опоры;
- момент
инерции переднего конца шпинделя;
- приведённый
диаметр переднего конца шпинделя.
Тогда
смещение переднего конца шпинделя будет равно:
12мм
y < [y] -
условие выполняется.
9.2 Расчёт шпинделя на виброустойчивость
При расчёте шпинделей на виброустойчивость сравнивают частоту собственных
колебаний шпинделя и частоту вынужденных колебаний с целью избежать явления
резонанса [3].
-
коэффициент расстройства системы,
где:
Ω
- вынужденные колебания системы;
ω - собственные колебания системы.
колеб/с
где:
n = 2190 - максимальная частота вращения шпинделя;
колеб/с
где:
g - ускорение свободного падения [см/с2];
y - смещение
переднего конца шпинделя;
Тогда
ω > Ω, следовательно явления резонанса не произойдёт.
.3
Расчёт подшипников в шпиндельном узле
Упорный
подшипник в т. В будет воспринимать только осевую нагрузку Рх:
Радиальные
подшипники в т. А и В будут воспринимать осевую нагрузку Ру:
Статическая
грузоподъёмность радиальных подшипников шпиндельного узла:
Опора
A: подшипник 207 (Сr = 20100 Н,
лёгкая серия [2])
Н
Н <
20100 Н
Данный
подшипник пригоден
Опора
В: подшипник 207 (Сr = 20100 Н, лёгкая серия [2])
Н
Н <
20100 Н
Данный
подшипник пригоден
10. Служебное назначение приспособление и условие производства
Рис.
10.1 Эскиз детали.
Материал
детали: Сталь 50 (HB 220; sв = 65…85 кг/мм2). Принимаем
среднее значение: sв = 80 кг/мм2 или sв = 800 МПа.
Производство - серийное.
Приспособление предназначено для обработки отверстия Æ20Н9 на вертикальном
сверлильно-фрезерно-расточном станке. Приспособление - вспомогательное орудие
производства, установленное на МРС с целью установки и закрепления заготовки в
определенном положении относительно направляющих элементов (кондукторных
втулок).
Необходимо добиться снижения себестоимости детали за счет устранения разметки
и снижения затрат времени на закрепление.
Применение приспособлений обеспечивает более высокую степень точности и
взаимозаменяемости деталей при их сборке, причём это достигается трудом менее
квалифицированных операторов.
Функции, выполняемые станочными приспособлениями, многосторонние и
многообразные.
Они позволяют решать следующие задачи:
) повышение качества продукции;
) повышение производительности труда;
) снижение утомляемости оператора;
) расширения технической возможности станков;
) автоматизация процесса обработки заготовок [1].
В зависимости от вида производства технический уровень и структура
станочных приспособлений различны. В условиях крупносерийного производства
широкое распространение получила система универсально-сборных приспособлений,
основанная на использовании стандартных деталей и узлов. Этот вид
приспособлении более мобилен в части подготовки производства и не требует
значительных затрат.
При разработке приспособлений имеются широкие возможности для проявления
творческой инициативы по созданию конструкций, обеспечивающих наибольшую
эффективность и рентабельность производства, по снижению стоимости
приспособлений и сокращению сроков их изготовления. Приспособления должны быть
удобными и безопасными в работе, быстродействующими, достаточно жёсткими для
обеспечения заданной точности обработки, удобными для быстрой установки на
станок, что особенно важно при периодической смене приспособлений, простыми и
дешёвыми в изготовлении, доступны для ремонта и замены изношенных деталей [3].
Кондукторные приспособления устанавливают на стол металлорежущего станка
с базированием на центральный точный паз стола с помощью сменных пальцев или
шпонок с закреплением болтами; также станочные приспособления должны иметь
проушины и места под прижимные планки.
Корпус приспособления служит для установки на нем с определенной
точностью элементов, базирующих и закрепляющих деталей, а также для закрепления
кондукторной втулки.
Прихват предназначен для передачи закрепляющего усилия на корпус детали.
Опорные пластины служат для установки средних и крупных заготовок
обработанными плоскими поверхностями.
11. Описание схем базирования детали
Технологическим процессом изготовления данной детали (рис.7) будет
являться сверление.
Каждое приспособление должно обеспечивать выполнение всех функций,
обусловленных операцией. Среди них главной является базирование заготовки, то
есть придание ей требуемого положения в приспособлении. После базирования
заготовку необходимо закрепить, чтобы она сохранила при обработке неподвижность
относительно приспособления.
Базирование и закрепление - это два разных элемента установки заготовки.
Они выполняются последовательно. Базирование нельзя заменить закреплением. Если
из шести опорных точек отсутствует одна или несколько, то у заготовки остается
одна или несколько степеней свободы. Это значит, что в направлении
отсутствующих опорных точек положение заготовки не определено и заменить
отсутствующие опорные точки закреплением с целью базирования нельзя.
При обработке заготовки на нее действуют силы резания. Их величина,
направление и место приложения могут изменяться в процессе обработки одной
поверхности, влияя на положение заготовки в приспособлении.
Опорные элементы имеют разнообразную конструкцию, которая зависит от
формы базы и числа лишаемых степеней свободы. Они разделяются на основные и
вспомогательные опоры. Кроме того, опоры бывают неподвижными, подвижными,
плавающими и регулируемыми.
Основные опорные элементы характеризуются тем, что каждый из них
реализует одну или несколько опорных точек для базирования заготовки. Будучи
соответствующим образом размещенными в приспособлении, они образуют необходимую
при выбранном способе базирования совокупность опорных точек. К основным опорам
относятся: опорные штыри, пальцы, пластины, центры, призмы (ГОСТ 12193-12197,
12209-12216, 13440-13442, 4743).
Вспомогательные опорные элементы отличаются тем, что они подводятся к
заготовке после того, как она получила необходимое базирование с помощью
основных элементов. Такие опоры используются для увеличения числа точек
контакта заготовки с приспособлением с целью повышения жесткости системы. К
вспомогательным опорам относятся регулируемые и плавающие одиночные опоры,
люнеты (ГОСТ 4084-4086, 4740).
Для базирования необработанных цилиндрических баз используют узкие
призмы, трехкулачковые патроны.
Рис.11.1
Базирование заготовки
12.
Расчёт режима резания
Технологическая
операция:
сверление
поверхности прямоугольного сечения.
Материал заготовки: Сталь 50

МПа
Глубина
резания:
При
сверлении глубина резания t=0,5D. (75)
t = 0,5 × 18 = 9 мм.
Подача:
При
сверлении отверстий без ограничивающих факторов выбираем максимально допустимую
по прочности сверла подачу [1].
S = 0,38 ¸0,43 мм/об.
Принимаем
S = 0,40 мм/об.
Скорость
резания:
Скорость
резания, м/мин, при сверлении
где
Кv - общий поправочный коэффициент на скорость резания,
учитывающий фактические условия резания.
Кv =
КМV × КИV × Кlv
Где
КМV - коэффициент на обрабатываемый материал;
КМV =
; КГ = 1,0; nv = 1,0
КМV =
;
КИV -
коэффициент на инструментальный материал; КИV = 1,0.
Кlv -
коэффициент учитывающий глубину сверления. Кlv = 1,0.
Кv =
0,94 × 1,0 × 1,0 = 0,94.
Значения
коэффициентов Сv, q, y, m, и периода стойкости Т - приведены в [1].
Сv =
9,8; q = 0,40; y = 0,50; m =
0,20; Т = 20мин.
Материал
режущей части - Р6М5.
Крутящий
момент и осевая сила:
Рассчитываются
по формулам:
Мкр
=
P0 =
Значения коэффициентов См и Ср и показателей степени приведены в 1.
Коэффициент, учитывающий фактические условия обработки, в данном случае
зависит только от материала обрабатываемой заготовки и определяется выражением
КР = КМР.
КМР
=
; n=0,75/0,75, тогда КМР =
;
См
= 0,0345; q = 2,0; y = 0,8; Ср = 68; q = 1,0; y =
0,7.
Мкр
=
;
P0 =
;
Мощность
резания:
Мощность резания кВт, рассчитывают по формуле:
;
,65 > [2,2], что не допустимо. ([2,2] - действительная мощность
станка). Следовательно нужно уменьшать скорость резания в 1,2 раза, для
уменьшения мощности.
Таким
образом действительная скорость резания будет равна
Проверка:
,2
£ [2,2] условие выполняется.
13. Выбор и расчет установочных элементов
Деталь установочной плоскостью базируется на опорные пластины, они служат
для установки заготовок с обработанными плоскими поверхностями. Пластины
размещаются по периметру базовой плоскости. Они не должны выходить за край, но
должны быть как можно ближе к нему. Для того чтобы выбрать пластины рассчитаем
теоретическую площадь пластины, а затем выберем ближайшую по ГОСТу. Конструкция
предполагает наличие двух пластин ( n = 2 ).
Расчет установочных элементов заключается в определении фактической и
расчетной площадей установочных элементов, а также в определении фактического
удельного давления на пластины.
Определяем общую расчетную площадь установочных элементов Fуэ по формуле:
где Q' - сила, действующая на установочные элементы;- допустимая
предельная нагрузка ; q = 50 МПа; таким образом, отсюда:
Определяю
расчетную площадь одной пластины:
Фактическая
площадь пластин определяется по следующей формуле:
Fуэ
факт. = n · L · B
Здесь
L - длина пластины; В - её ширина.уэфакт = 2 · 60 · 14 = 1680 мм
Определяю
фактическое удельное давление qфакт. по формуле:
Вывод:
установочные элементы работают без перегрузок.
Принимаем
опорные пластины по ГОСТ 4743-68 со следующими параметрами Таблица 13.1
|
В
|
L
|
H
|
b
|
l
|
l1
|
d
|
d1
|
h
|
h1
|
c
|
кол-во отв.
|
|
14
|
60
|
8
|
12
|
10
|
40
|
5,5
|
10
|
4
|
1
|
0,6
|
2
|
Рис.
13.1 Опорная пластина
Пластины крепятся к плите приспособления двумя винтами М3х11,5 ГОСТ
1491-80
Рис.
13.2 Эскиз винта
Корпус выбирается конструктивно.
14. Выбор направляющих элементов приспособления
В качестве направляющего инструмент элемента на сверлильном станках
используются кондукторные втулки.
В рассматриваемом примере выбирается быстросменная кондукторная втулка
7051-4788 по ГОСТ 18432-73 (рисунок 10), так как высокие требования к точности
отверстия (восьмой квалитет) не позволяет его обработать одним инструментом.
Рис. 14.1 Эскиз быстросменной втулки