Методы получения заготовок в машиностроении
Содержание
1. Обоснование выбора заготовки
2. Разработка маршрута обработки детали
3. Выбор технологического оборудования и инструмента
4. Определение промежуточных припусков, допусков и размеров
4.1 Табличным методом на все поверхности
4.2 Аналитическим методом на один переход или на одну операцию
5. Назначение режимов резания
5.1 Назначение режимов резания аналитическим методом на одну
операцию
5.2 Табличным методом на остальные операции
6. Компоновка станочного приспособления на одну из операций механической
обработки
7. Расчет приспособления на точность механической обработки
Литература
1.
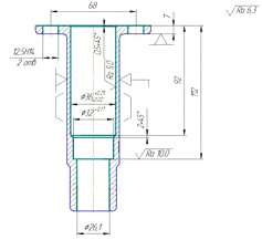
Обоснование выбора заготовки
Оптимальный метод получения заготовки подбирают в зависимости
от ряда факторов: материала детали, технических требований по ее изготовлению,
объема и серийности выпуска, формы поверхностей и размеров деталей. Метод
получения заготовки, обеспечивающий технологичность и минимальную себестоимость
считается оптимальным.
В машиностроении для получения заготовок наиболее широко
применяют следующие методы:
литье;
обработку металлов давлением;
сварку;
комбинации этих методов.
Каждый из вышеперечисленных методов содержит большое число
способов получения заготовок.
В качестве метода получения заготовки принимаем обработку
металла давлением. Выбор обоснован тем, что материалом детали является
конструкционная сталь 40Х. Дополнительным фактором, определяющим выбор
заготовки, является сложность конфигурации детали и тип производства (условно
принимаем что деталь изготавливается в условиях серийного производства.
Принимаем штамповку на горизонтально-ковочных машинах.
Данный тип штамповок позволяет получать заготовки минимальной
массой 0,1 кг, 17-18 квалитета точности с шероховатостью 160-320 мкм в условиях
мелкосерийного производства.
заготовка машиностроение маршрут деталь
2. Разработка
маршрута обработки детали
Маршрут обработки детали:
Операция 005. Заготовительная. Штамповка на КГШП.
Заготовительный цех.
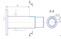
Операция 010. Фрезерная.
Сверлильно-фрезерно-расточной станок 2254ВМФ4.
. Фрезеровать плоскость, выдерживая размер 7.
2. Сверлить 2 отверстия D 12,5.
. Зенкеровать отверстие D 26,1.
. Зенкеровать отверстие D32.
. Зенкеровать отверстие D35,6.
. Развернуть отверстие D36.
. Зенковать фаску 0,5 х 450.
Операция 015. Токарная.
Токарно-винторезный 16К20.
. Подрезать торец, выдерживая размер 152.
2. Точить поверхность D37, выдерживая размер 116.
. Точить 2 фаски 2 х 450.
. Нарезать резьбу М30х2.
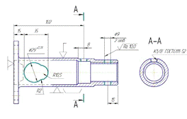
Операция 020. Фрезерная
Вертикально-фрезерный 6Р11.
. Фрезеровать поверхность, выдерживая размеры 20 и 94.
Операция 025. Вертикально-сверлильная.
Вертикально-сверлильный 2Н125.
Установ 1.
. Сверлить 2 отверстия D9.
2. Сверлиль отверстие D8,5.
. Нарезать резьбу К1/8/.
Установ 2.
. Сверлить отверстие D21.
. Сверлить отверстие D29.
Операция 030 Слесарная.
Притупить острые кромки.
Операция 035. Технический контроль.
3. Выбор
технологического оборудования и инструмента
Для изготовления детали "Наконечник" подбираем
следующие станки
1. Сверлильно-фрезерно-расточной станок с ЧПУ и
инструментальным магазином 2254ВМФ4;
2. Токарно-винторезный станок 16К20;
. Вертикально-фрезерный станок 6Р11;
. Вертикально-сверлильный станок 2Н125.
В качестве станочных приспособлений используем: для
токарной-операции - 4-х кулачковый патрон, для остальных операций - специальные
приспособления.
При изготовлении данной детали используется следующий режущий
инструмент:
Фреза торцевая с механическим креплением многогранных
пластин: фреза 2214-0386 ГОСТ 26595-85 Z = 8, D = 100 мм.
Сверло спиральное с коническим хвостовиком обычной точности,
диаметром D = 9 мм. с нормальным хвостовиком, класса точности Б. Обозначение:
2301-0023 ГОСТ 10903-77.
Сверло спиральное с коническим хвостовиком обычной точности,
диаметром D = 12,5 мм. с нормальным хвостовиком, класса точности Б.
Обозначение: 2301-0040 ГОСТ 10903-77.
Сверло спиральное с коническим хвостовиком обычной точности,
диаметром D = 21 мм. с нормальным хвостовиком, класса точности Б. Обозначение:
2301-0073 ГОСТ 10903-77.
Сверло спиральное с коническим хвостовиком обычной точности,
диаметром D = 29 мм. с нормальным хвостовиком, класса точности Б. Обозначение:
2301-0100 ГОСТ 10903-77.
Зенкер цельный с коническим хвостовиком из быстрорежущей
стали, диаметром D = 26 мм. длиной 286 мм для обработки сквозного отверстия.
Обозначение: 2323-2596 ГОСТ 12489-71.
Зенкер цельный с коническим хвостовиком из быстрорежущей
стали, диаметром D = 32 мм. длиной 334 мм. для обработки глухого отверстия.
Обозначение: 2323-0555 ГОСТ 12489-71.
Зенкер цельный с коническим хвостовиком из быстрорежущей
стали, диаметром D = 35,6 мм. длиной 334 мм. для обработки глухого отверстия.
Обозначение: 2323-0558 ГОСТ 12489-71.
Развертка машинная цельная с коническим хвостовиком D36 мм.
длиной 325 мм. Обозначение: 2363-3502 ГОСТ 1672-82.
Зенковка коническая типа 10, диаметром D = 80 мм. с углом при
вершине 90. Обозначение: Зенковка 2353-0126 ГОСТ 14953-80.
Резец правый проходной упорный отогнутый с углом в плане 90o
типа 1, сечения 20 х 12. Обозначение: Резец 2101-0565 ГОСТ 18870-73.
Резец токарный резьбовой с пластинкой из быстрорежущей стали
для метрической резьбы с шагом 3 типа 1, сечения 20 х 12.
Обозначение: 2660-2503 2 ГОСТ 18876-73.
Метчик машинный 2621-1509 ГОСТ 3266-81.
Для контроля размеров данной детали, применяем следующий мерительный
инструмент:
Штангенциркуль ШЦ-I-125-0,1 ГОСТ 166-89;
Штангенциркуль ШЦ-II-400-0,05 ГОСТ 166-89.
Для контроля размера отверстия D36 используем калибр -
пробку.
Набор образцов шероховатости 0,2 - 0,8 ШЦВ ГОСТ 9378 - 93.
4.
Определение промежуточных припусков, допусков и размеров
4.1 Табличным
методом на все поверхности
Необходимые припуски и допуски на обрабатываемые поверхности
выбираем по ГОСТ 1855-55.
Припуски на механическую обработку детали
"Наконечник"
|
Размер, мм.
|
Шерохова-тость, мкм.
|
Припуск, мм.
|
Допуск на размер, мм
|
Размер с учетом припуска, мм.
|
|
|
Ra 5
|
Черновая 8 Получистовая 1,5 Чистовая 0,5
|
|
|
|
|
Rа 6,3
|
Черновая 3,0 Чистовая 3,0
|
|
|
|
 37Rа 6,33
|
|
|
|
|
|
152
|
Rа 6,3
|
4,2
|
|
|
4.2
Аналитическим методом на один переход или на одну операцию
Расчет припусков аналитическим методом производим для поверхности 
Шероховатость Ra5.
Технологический маршрут обработки отверстия состоит из
зенкерования, чернового и чистового развертывания
Технологический маршрут обработки отверстия состоит из
зенкерования и чернового, чистового развертывания.
Расчет припусков производим по следующей формуле:

(1)
где R
- высота неровностей профиля на предшествующем переходе;

- глубина дефектного слоя на предшествующем переходе;

- суммарные отклонения расположения поверхности (отклонения от
параллельности, перпендикулярности, соосности, симметричности, пересечения
осей, позиционное) на предшествующем переходе;

- погрешность установки на выполняемом переходе.
Высоту микронеровностей R
и глубину дефектного слоя 
для каждого перехода находим в таблице методического пособия.
Суммарное значение 
, характеризующее качество поверхности штампованных заготовок
составляет 800 мкм. R
= 100 мкм; 
= 100 мкм; R
= 20 мкм; 
= 20 мкм;
Суммарное значение пространственных отклонений оси обрабатываемого
отверстия 
относительно оси центра определится по формуле:

, (2)
где 
- смещение обрабатываемой поверхности 
относительно поверхности используемой в качестве технологической
базы при зенкеровании отверстий, мкм

(3)
где 
- допуск на размер 20 мм. 
= 1200 мкм.

- допуск на размер 156,2 мм. 
= 1600 мм.

Величину коробления отверстия следует учитывать как в
диаметральном, так и в осевом сечении.

, (4)
где 
- величина удельного коробления для поковок. 
= 0,7, 
и L - диаметр и длина обрабатываемого отверстия. 
= 20 мм, L = 156,2 мм.

мкм.

мкм.
Величина остаточного пространственного отклонения после
зенкерования:
Р2 = 0,05
Р = 0,05 
1006 = 50 мкм.
Величина остаточного пространственного отклонения после чернового
развертывания:
Р3 = 0,04
Р = 0,005 
1006 = 4 мкм.
Величина остаточного пространственного отклонения после чистового
развертывания:
Р4 = 0,002
Р = 0,002 
1006 = 2 мкм.
Остаточная погрешность при черновом развертывании:

0,05 ∙ 150 = 7 мкм.
Остаточная погрешность при чистовом развертывании:

0,04 ∙ 150 = 6 мкм.
Производим расчет минимальных значений межоперационных припусков:
зенкерование.

мкм.
Черновое развертывание:

мкм.
Чистовое развертывание:

мкм.
Наибольший предельный размер по переходам определяем
последовательным вычитанием от чертежного размера минимального припуска каждого
технологического перехода.
Наибольший диаметр детали: dР4 = 36,25 мм.
Для чистового развертывания: dР3 = 36,25 - 0,094
=36,156 мм.
Для чернового развертывания: dР2 = 35,156 - 0,501 =
35,655 мм.
Для зенкерования:
Р1 = 35,655 - 3,63 = 32,025 мм.
Значения допусков
каждого технологического перехода и заготовки принимаем по таблицам в
соответствии с квалитетом, используемого метода обработки.
Квалитет после
чистового развертывания: 
;
Квалитет после
чернового развертывания: H12;
Квалитет после
зенкерования: H14;
Квалитет
заготовки: 
.
Наименьшие
предельные размеры определяем вычетанием допусков от наибольших предельных
размеров:
MIN4= 36,25 - 0,023 = 36,02 мм.MIN3 =
36,156 - 0,25 = 35,906 мм.MIN2 = 35,655 - 0,62 = 35,035 мм.MIN1
= 32,025 - 1,2 = 30,825 мм.
Максимальные
предельные значения припусков ZПР. МАХ равны разности наименьших
предельных размеров. А минимальные значения ZПР. МIN соответственно
разности наибольших предельных размеров предшествующего и выполняемого
переходов.
ПР. МIN3 = 35,655 - 32,025 = 3,63 мм.ПР. МIN2
= 36,156 - 35,655 = 0,501 мм.ПР. МIN1 = 36,25 - 36,156 = 0,094 мм.ПР.
МAX3 = 35,035 - 30,825 = 4,21 мм.ПР. МAX2 = 35,906 - 35,035 =
0,871 мм.ПР. МAX1 = 36,02 - 35,906 = 0,114 мм.
Общие припуски ZО.
МАХ и ZО. МIN определяем, суммируя промежуточные припуски.
О. МAX = 4,21 + 0,871 + 0,114 = 5, 195 мм.О.
МIN = 3,63 + 0,501 + 0,094 = 4,221 мм.
Полученные данные
сводим в результирующую таблицу.
Технологические переходы обработки
поверхности 
Элементы припуска
|
Расчетный припуск  , мкм. Допуск δ, мкмПредельный размер,
мм. Предельные значения припусков, мкм
|
|
|
|
|
|
|
RZ
|
h
|
P
|
|
|
|
|
|
|
|
|
Заготовка
|
800
|
1006
|
150
|
|
1200
|
30,825
|
32,025
|
|
|
|
Зенкерование
|
100
|
100
|
50
|
7
|
2 ∙ 1665
|
620
|
35,035
|
35,655
|
3630
|
4210
|
|
Развертывание черновое
|
20
|
20
|
4
|
6
|
2 ∙ 250
|
250
|
35,906
|
36,156
|
501
|
871
|
|
Развертывание чистовое
|
|
|
|
|
2 ∙ 47
|
0,23
|
36,25
|
94
|
114
|
|
Итого
|
|
|
|
|
|
|
|
|
4225
|
5195
|
Окончательно получаем размеры:
Заготовки: dЗАГ. =
;
После зенкерования: d2 = 35,035+0,62 мм.
После чернового развертывания: d3 = 35,906+0,25
мм.
После чистового развертывания: d4 = 
мм.
Диаметры режущих инструментов отображены в пункте 3.
5. Назначение
режимов резания
5.1
Назначение режимов резания аналитическим методом на одну операцию
Фрезерная операция. Фрезеровать плоскость, выдерживая размер
7 мм.
а) Глубина резания. При фрезеровании торцевой фрезой глубина
резания определяется в направлении параллельном оси фрезы и равна припуску на
обработку. t =2,1 мм.
б) Ширина фрезерования определяется в направлении,
перпендикулярном к оси фрезы. В = 68 мм.
в) Подача. При фрезеровании различают подачу на зуб, подачу
на один оборот и подачу минутную.

(5)
где n - частота вращения фрезы, об/мин;- число зубьев фрезы.
При мощности станка N = 6,3 кВт S = 0,14.0,28 мм/зуб.
[1; с.283; табл.33]
Принимаем S = 0,18 мм/зуб.

мм/об.
в) Скорость резания.

(6)
Где Т - период стойкости. В данном случае Т = 180 мин. 
- общий поправочный коэффициент [1; с.290; табл.40]

(7)

- коэффициент учитывающий обрабатываемый материал.

nV (8) НВ
= 170; nV = 1,25 (1; с.262; табл.2)

1,25 =1,15

- коэффициент, учитывающий материал инструмента; 
= 1
(1; с.263; табл.5)

- коэффициент, учитывающий состояние поверхности заготовки; 
= 0,8 (1; с.263; табл.6)

V = 445; Q
= 0,2; х = 0,15; y = 0,35; u = 0,2; P = 0; m = 0,32 (1; с.288; табл.39)

м/мин.
г) Частота вращения шпинделя.

(9) n 
об/мин.
Корректируем по паспорту станка: n = 400 об/мин.

мм/мин.
д) Фактическая скорость резания

(10)

м/мин.
е) Окружная сила.

(11)

n (12)
где n = 0,3 (1; с.264; табл.) 
0,3 = 0,97
СP =54,5; Х = 0,9; Y = 0,74; U = 1; Q = 1; W = 0.
5.2 Табличным
методом на остальные операции
Назначение режимов резания табличным методом произоводится
согласно справочнику режимов резания металлов. Полученные данные вносим в
результирующую таблицу.
Режимы резания на все поверхности.
|
Наименование операции и перехода
|
Габаритный размер
|
Глубина резания, мм.
|
Подача, мм/об. (мм/мин)
|
Скорость резания, м/мин
|
Частота вращения шпинделя, об/мин.
|
|
D (B)
|
L
|
|
|
|
|
|
Операция 010 Фрезерная
|
|
|
|
|
|
|
|
1. Фрезеровать поверхность, выдерживая размер 7
|
92
|
50
|
2,1
|
1,44
|
125,6
|
400
|
|
2. Сверлить 2 отверстия  12,512,576,250,0815,7400
|
|
|
|
|
|
|
|
3. Зенкеровать отверстие  26,1. 26,11523,050,0820,49250
|
|
|
|
|
|
|
|
4. Зенкеровать отверстие  32. 321122,950,0825,12250
|
|
|
|
|
|
|
|
5. Зенкеровать отверстие  35,635,6921,80,0817,89160
|
36
|
92
|
0,02
|
0,05
|
18,08
|
160
|
|
7. Зенковать фаску 0,5 х 45o
|
37
|
0,5
|
0, 25
|
0,1
|
29,05
|
250
|
|
Операция 015 Токарная
|
|
|
|
|
|
|
|
1. Подрезать торец, выдерживая размер 152
|
40
|
-
|
2,1
|
0,3
|
90,43
|
720
|
|
2. Точить поверхность D37, выдерживая размер
116
|
37
|
36
|
1,5
|
0,2
|
55,8
|
480
|
|
3. Нарезать резьбу М30х2
|
30
|
40
|
2
|
2
|
15,07
|
160
|
|
Операция 020 Фрезерная
|
|
|
|
|
|
|
|
Фрезеровать поверхность, выдерживая размеры 20
и 94
|
22
|
20
|
2
|
1,44
|
125,6
|
400
|
|
Операция 025 Вертикально-сверлильная
|
|
|
|
|
|
|
|
1. Сверлить 2 отверстия  995,54,50,0811,3400
|
|
|
|
|
|
|
|
2. Сверлить отверстие  8,58,534,250,0810,7400
|
|
|
|
|
|
|
|
3. Сверлить отверстие  2121410,50,0410,55160
|
|
|
|
|
|
|
|
4. Сверлить отверстие  2929414,50,0414,6160
|
|
|
|
|
|
|
6. Компоновка
станочного приспособления на одну из операций механической обработки
Проектируем станочное приспособление для
вертикально-сверлильного и вертикально-фрезерных станков.
Приспособление представляет собой плиту (поз 1.) на которую с
помощью штифтов (поз.8) и винтов (поз.7) монтируются 2 призмы (поз.10). Со
стороны одной из призм расположен упор (поз.3) с расположенным в нем пальцем,
служащим для базирования заготовки. Прижим детали обеспечивается за счет планки
(поз 3), которая одним краем свободно вращается вокруг винта (поз.5), а в
другой ее край, имеющий форму прорези, входит винт с последующим прижимом
гайкой (поз.12).
Для фиксации приспособления на столе станка в теле плиты
выполнены проушены и вмонтированы 2 шпонки (поз.13), служащие для центрования
приспособления. Транспортировка осуществляется в ручную.
7. Расчет
приспособления на точность механической обработки
При расчете точности приспособления необходимо определить
допускаемую величину погрешности εпр, для чего определяем все
составляющие погрешности. (в качестве координирующего размера принимаем D29+0.28)
В общем случае погрешнось определяется по формуле:
где 
- допуск на координирующий размер. В данном случае Т = 0,28 мм;

- коэффициент точности, учитывающий возможное отклонение
рассеяния значений составляющих величин от закона нормального распределения (
= 1,0…1,2 в зависимости от количества значимых слагаемых, чем их
больше, тем коэффициент меньше), принимаем 
;

- коэффициент, учитывающий долю погрешности обработки в суммарной
погрешности, вызываемой факторами, не зависящими от приспособления: 
= 0,3…0,5; принимаем 
= 0,3;
Остальные значения формулы представляют собой совокупность
погрешностей, определяемых ниже.
. Погрешность базирования eб
возникает при несовпадении измерительной и технологической баз. При обработке
отверстия погрешность базирования равна нулю.
. Погрешность закрепления заготовки εз возникает в результате действия сил зажима. Погрешность
закрепления при использовании ручных винтовых зажимов равна 25 мкм.
. Погрешность установки приспособления на станке 
зависит от зазоров между присоединительными элементами
приспособления и станка, а также от неточности изготовления присоединительных
элементов. Она равна зазору между Т-образным пазом стола и установочным
элементом. В используемом приспособлении размер ширины паза равна 18H7 мм.
Размер установочной шпонки 18h6. Предельные отклонения размеров 
и 
. Максимальный зазор и соответственно максимальная погрешность
установки приспособления на станке 
= 0,029 мм.
. Погрешность износа 
- погрешность, вызванная износом установочных элементов
приспособлений, характеризующее отклонение заготовки от требуемого положения
вследствие износа установочных элементов в направлении выполняемых размеров.
Приближенно износ установочных элементов может определяться по
следующей формуле:
где U0 - средний износ установочных элементов
для чугунной заготовки при усилии зажима W = 10 кН и базовом числе
установок N = 100000;
k1, k2, k3,
k4 - коэффициенты, учитывающие соответственно влияние
на износ материала заготовки, оборудования, условий обработки и числа установок
заготовки, отличающиеся от принятых при определении U0.
При установке на опорные гладкие пластины U0 =
40 мкм.
k1 = 0,95 (сталь незакаленная); k2 = 1,25
(специальное); k3 = 0,95 (лезвийная обработка стали с
охлаждением); k4 = 1,3 (до 40000 установок)

мкм.
. Геометрическая погрешность станка εст после чистовой обработке равна 10 мкм.
Определяем погрешность приспособления:

мкм.
Суммарная погрешность обработки заготовки по координирующему
размеру с использованием приспособления не должна превышать величину допуска Т
на него, указанному в чертеже. Приведенное условие имеет вид:
где 
- статические погрешности, связанные с приспособлением, а также
погрешности, в явном виде влияющие на точность изготовления приспособления.

- погрешности, зависящие от технологического процесса и в
явном виде на точность изготовления приспособления не влияющие.
Значения погрешностей первой группы найдены выше.
Суммарная погрешность обработки, не зависящая от приспособления 
определяется как часть допуска на координирующий размер:

мкм

мкм.

мкм. - Условие выполняется.
Литература
1.
Справочник технолога машиностроения; - М.: "Машиностроение" под
редакцией А.Г. Косиловой, Р.К. Мещеряков; 2 тома; 2003 г.
.
Н.А. Нефедов, К.А. Осипов; Сборник задач и примеров по резанию металлов и
режущему инструменту; - М.: "Машиностроение"; 1990 г.
.
Б.А. Кузьмин, Ю.Е. Абраменко, М.А. Кудрявцев, В.Н. Евсеев, В.Н. Кузьминцев;
Технология металлов и конструкционные материалы; - М.:
"Машиностроение"; 2003 г.
.
А.Ф. Горбацевич, В.А. Шкред; Курсовое проектирование по технологии
машиностроения; - М.: "Машиностроение"; 1995 г.
.
В.Д. Мягков; Допуски и посадки. Справочник; - М.: "Машиностроение";
2002 г.
.
В.И. Яковлева; Общемашиностроительные нормативы режимов резания; 2-е издание; -
М.: "Машиностроение"; 2000 г.
.
В.М. Виноградов; Технология машиностроения: введение в специальность; - М.:
"Академия"; 2006 г.;