Кинематический анализ и настройка металлорежущих станков
Контрольная работа
Кинематический анализ и настройка металлорежущих станков
Введение
Технологические процессы, связанные
с обработкой металлов резанием, являются неотъемлемой и важнейшей частью
производственного процесса машиностроения в современном быстроразвивающемся
мире. Динамичное развитие требует всё больших ресурсов, что напрямую влияет на
преобразования в области станкостроения.
Для достижения большей точности при
обработке ответственных деталей важную роль играют кинематический анализ и
настройка оборудования.
Задание
По заданному варианту из таблицы
рассчитать кинематическую настройку зубофрезерного станка мод. 5Е32. для
нарезания зубьев цилиндрического зубчатого колеса. Для этого необходимо:
1) для гитары главной
кинематической цепи подобрать из набора сменных зубчатых колес Ζсм
= 18, 20, 23, 27, 30 (2 шт.), 33, 37, 40, 42 сменные колеса с числом зубьев А и
В, которые при условии совместимости А + В = 60 с погрешностью не более 3÷5%
соответствуют необходимому передаточному отношению
=
А / В ≈
,
где V = 30÷40 м/мин - скорость резания, dфр = 50÷100 мм - диаметр модульной червячной
фрезы.
) для гитары
кинематической цепи обката и деления подобрать из набора сменных зубчатых колес
Ζсм = 23, 24 (2 шт.), 25 (2 шт.), 30, 33, 34, 35, 36 (2 шт.),
37, 40, 41, 43, 45, 43 (2 шт.), 50, 53, 55, 57, 53, 59, 60, 61, 62, 67, 70, 73,
75, 79, 30, 33, 85, 90, 92, 95, 97, 93, 100, 101, 103, 127, 157 сменные
колеса с числом зубьев a2,
b2, c2
и d2, которые при числе зубьев дополнительных сменных колес l /
f = 54/54 точно соответствуют необходимому передаточному отношению
=
a2∙c2/(b2∙d2)
=
.
) для гитары кинематической
цепи вертикальных подач подобрать из набора сменных зубчатых колес, указанного
в п. 2, сменные колеса с числом зубьев a
и b, которые с погрешностью не более 3÷5%
соответствуют необходимому передаточному отношению 
, где
≈
(0,15÷0,25)∙m
- вертикальная подача
1. Описание
кинематических цепей
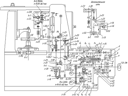
Рисунок 1. Кинематическая схема
зубофрезерного станка мод. 5Е32
При нарезании цилиндрических
зубчатых колес фреза и заготовка совершают четыре формообразующих движения:
) главное движение B1(V) - вращение фрезы со скоростью резания V;
) движение обката и деления B2(z) - вращение заготовки, необходимое для нарезания требуемого числа
зубьев z;
) движение подачи П3(Sв) - вертикальное перемещение фрезы со скоростью подачи Sв;
) добавочное вращение заготовки В4(β) - необходимо при нарезании
винтовых зубьев с углом наклона β.
Эти движения осуществляют четыре
кинематических цепи:
Главная кинематическая цепь связывает
вращение электродвигателя мощностью 4,5 кВт через клиноремённую передачу
126/240; гитару скоростей А, Б; три конические зубчатые передачи 25/25;
цилиндрическую косозубую передачу 18/72 с вращением фрезы и обеспечивает снятие
стружки со скоростью резания V.
Кинематическая цепь вертикальных
подач связывает вращение заготовки с вращением ходового винта, сообщающего
фрезерному суппорту вертикальную подачу Sв, мм за один оборот заготовки. Движение цепи вертикальных подач
начинается от заготовки (стола) 1х96/1, вал XVIII, червячная передача
2/24, гитара подач
, вал VXI, муфта М1, вал XVII, зубчатая передача
45/36, коническая передача 19/19, вал XXI, коническая передача 16/16, вал XXII, червячная передача
4/20, муфта М2, вал XXIII, муфта М3, червячная передача. 5/30, винт t10х1, ползун.
Кинематическая структура фрезерного
станка
2. Кинематическая
настройка станка
) Расчетные движения конечных звеньев главной кинематической цепи:
, где
nфр
= V/(p∙
)
- требуемая частота вращения шпинделя.
Знак ®
символизирует необходимое соответствие (но не равенство) расчетных перемещений.
Уравнение
кинематического баланса и формула настройки:
,
,
где
= 1440 об/мин - частота
вращения электродвигателя;
V
= 35 м/мин - скорость резания;
- передаточное число
постоянных передач;
= 100 мм = 0,1 м -
диаметр модульной червячной фрезы;
= А/В (А+В = 60 по
условию задачи) - передаточное число органа настройки.
Откуда
.
Число оборотов фрезы
выбирается исходя из допустимой скорости резания:

Выбираем из гитары сменных колёс
пару 27/33 с передаточным числом равным 0,818181 (А+В = 27+33 = 60, что
соответствует условию задачи)
Проверка погрешности:
что не превышает допустимого порога
3÷5%.
2) Расчетные движения конечных звеньев кинематической цепи
обката и деления: необходимо, чтобы за каждый оборот фрезы обрабатываемое
зубчатое колесо поворачивалось на К зубьев или на К/z оборота, т.е. 1 оборот
фрезы → К/z оборотов заготовки.
1 об. фрезы →
об.
заготовки.
Уравнение
кинематического баланса и формула настройки:
,
,
где
K
= 1 - число заходов фрезы;
Z=
38 - число нарезаемых зубьев заготовки.
Откуда
Где
=
согласно
заданию.
Подбираем для гитары обката деления
сменные зубчатые колеса:
3) Расчетные движения конечных звеньев кинематической цепи
вертикальных подач:
Подача суппорта осуществляется при
включении муфт М1, М2 и М3.
об. заготовки ® S мм∙об. перемещения суппорта.
1 об. заготовки →
об.
ходового винта, где
1 об. заготовки→
tхв - шаг ходового винта,
мм;
≈ (0,15÷0,25)∙m - вертикальная подача;
m
= 2 - модуль нарезаемого зубчатого колеса.
Уравнение кинематического баланса и
формула настройки
,
.
Откуда получаем
;
= 0,2 ∙ 2 = 0,4 =
=
.
Подбираем сменные
зубчатые колеса:
зубофрезерный станок колесо
Погрешность:
что не превышает допустимого порога
3÷5%.