Автоматизация процесса обезвоживания карналлита в хлораторе

  • Вид работы:
    Курсовая работа (т)
  • Предмет:
    Другое
  • Язык:
    Русский
    ,
    Формат файла:
    MS Word
    650,45 Кб
  • Опубликовано:
    2013-11-02
Вы можете узнать стоимость помощи в написании студенческой работы.
Помощь в написании работы, которую точно примут!

Автоматизация процесса обезвоживания карналлита в хлораторе

Содержание

1. Описание технологического процесса

.1 Назначение процесса

.2 Описание технологической схемы и основных аппаратов производства

.2.1 Обоснование точек контроля, регистрации, регулирования

.2.2 Обоснование точек регистрации

.2.3 Обоснование точек регулирования

. Описание выбранной системы средств автоматизации

. Обоснование выбранной каскадной САР

Литература

1.      
Описание технологического процесса

.1       Назначение процесса

Хлорирование - процесс взаимодействия хлора с окислами элементов или их соединениями, с получением хлоридов или оксихлоридов.

Хлоратор - это аппарат для получения безводного карналлита в расплавленном состоянии. В нем производится плавление обезвоженного карналлита, хлорирование окиси магния и остаточной воды, а также очистка безводного карналлита от окиси магния и других твердых частиц и примесей.

Хлоратор состоит из трех основных узлов: плавильника, служащего для расплавления обезвоженного карналлита, хлорирующих камер, служащих для прогрева расплавленного карналлита и хлорирования окиси магния, миксера, предназначенного для накопления и осветления расплава с последующей выхода ПГС их хлоратора.

Рабочая зона хлоратора, заполненная расплавом, разделена переточным каналом, выполненным из высоко-глиноземных брусьев, на два хлорирующих отделения. За счет разности удельных весов расплава в хлорирующем отделении и переточном канале создается направленная циркуляция расплава. Для подачи хлора имеются фурменные узлы, состоящие из фурм (чугун, сталь), фурменного камня и распределительного устройства.

Для загрузки карналлита из бункера хлоратора в стенку верхней части хлоратора вмонтированы два шнековых питателя с редуктором и приводом. Для поддержания постоянного уровня расплава в хлораторе имеется узел верхнего слива. Имеется узел нижнего слива расплава с каждого хлорирующего отделения. Для поддержания температурного режима хлоратор имеет графитовые электроды в боковых стенках.

Выход ПГС осуществляется через камеру газоход. На своде имеются отверстия, закрытые специальными пробками. Отверстия служат для установки форсунок, термопар и контроля состояния верхней части хлоратора.

При высокой температуре хлор анодного хлоргаза вступает во взаимодействие с окисью магния, содержащегося в карналлите. Для связывания кислорода, входящего в состав молекулы окиси магния и смещения направления реакции вправо, используется восстановитель, углерод (полученный при сжигании природного газа). В этом случае хлорирование протекает в следующем виде:

ОНС1 + С12 + С à MgС12 + НС1 + СО

и MgО + С12 + С à MgС12 + СО

Характеристика модели:

Так как хлоратор представлен как реактор идеального смешения (перемешивания), следовательно, все частицы среды полностью перемешиваются, и все потоки, поступающие в хлоратор, мгновенно и относительно равномерно распределяются по всему объему аппарата. Концентрации растворённых веществ во всех точках аппарата и на выходе из него одинаковы. В данном случае рассмотрим модель РИС при протекании нескольких реакций.

Смоделируем процесс хлорирования, безводного карналлита:

Химический процесс:

 и  проводится в аппарате смешения.

Известны концентрации веществ во входном потоке:

, , , ;

в выходном потоке:

, ,

Константа скорости реакции:

, .

Объем реактора: V=130 .

.2 Описание технологической схемы и основных аппаратов производства

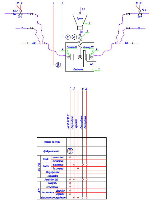
В качестве объекта автоматизации рассмотрим карналлитовый хлоратор. Целью работы хлоратора является расплавление карналлита, извлечение из расплава влаги и хлорирования окиси магния. Для определения основных регулируемых и регулирующих параметров, возмущающих воздействий необходимо составить информационную модель процесса (рис. 1.1).

Рис. 1.1. Информационная модель процесса.

Входными параметрами объекта являются:

X1- Давление природного газа

X2- Давление хлоргаза в напорных нитках

X3- Давление сжатого воздуха в магистрали

X4- Расход природного газа в напорных нитках

X5- Расход хлоргаза общий

X6- Расход сжатого воздуха общий

X7- Расход хлоргаз, природного газа, сжатого воздуха на реактор

X-8- Расход хлоргаза на фурмы

Выходными параметрами объекта являются:

Y1- Температура расплава в плавильнике

Y2- Температура расплава в хлорирующей камере

Y3- Температура в борове

Y4- Температура кожухов аппарата

Y5- Давление хлоргаза перед фурмами

Y6- Давление хлоргаза перед реактором

Y7- Давление природного газа перед реактором

Y8- Давление сжатого воздуха перед реактором

Y9- Разряжение накамерах

Y10- Концентрация MgO и MgCl в расплаве

Y11- Масса карналлита в бункере

Управляющими параметрами объекта являются:

U1- Скорость вращения шнекового питателя

U2- Изменение скорости вращения шнекового питателя

U3- Изменение расхода природного газа на реактор

U4- Управление ленточным транспортером

Возмущениями объекта являются:

Z1- Температура окружающей среды

Z2- Сила тока на электродах

Z3- Производственный отсос

1.2.1 Обоснование точек контроля, регистрации, регулирования

Контролю подлежат те параметры, по значению которых осуществляется оперативное управление технологическим процессом, а также пуск и остановка технологического оборудования. Обязательному контролю подлежат параметры, значения которых регламентированы.

Температура расплава в плавильнике. Значение температуры расплава значительно влияет на протекание химических реакций в плавильнике. Для наиболее полного хлорирования окиси магния и извлечения из карналлита влаги, необходимо постоянно контролировать и поддерживать температуру в границах от 500 до 700˚С. Термоэлектрический преобразователь ТХА Метран-201 установлен в верхней части плавильника.

Температура расплава в хлорирующих камерах. Значение температуры расплава значительно влияет на протекание химических реакций в хлорирующих камерах. Для окончательного хлорирования окиси магния, необходимо постоянно контролировать и поддерживать температуру в границах от 600 до 820˚С. Термоэлектрический преобразователь ТХА Метран-201 установлен в боковой части хлорирующих камер.

Температура на кожухе плавильника, миксера, хлорирующих камер. Наблюдение за температурой кожуха можно определить о состоянии футеровки и кожуха аппарата, так как в процессе эксплуатации на футеровку оказывает сильное влияние не только высокие температуры но и химические реакции протекающие в аппарате, что может привести к нарушению теплоизоляции и разрушению кладки и корпуса.

Вакуумметрическое давление в производственном отсосе. Данный параметр показывает насколько эффективно производится отвод газов из хлоратора.

Давление природного газа перед реакторами №№1, 2. Контроль давления обусловлен необходимостью его постоянной поддержкой для нормального протекания процесса сжигания в реакторе и предотвращения его падения ниже нормы, что может привести к снижению концентрации углерода и как следствие ухудшению показателей химических реакций, протекающих в плавильнике. Также падение давления может вызвать прекращение процесса горения и проникновение расплава в реактор.

Давление сжатого воздуха перед реакторами №№ 1, 2. Контроль давления обусловлен необходимостью его постоянной поддержкой для нормального протекания процесса сжигания в реакторе и предотвращения его падения ниже нормы, что может вызвать прекращение процесса горения и проникновение расплава в реактор.

Давление анодного хлоргаза перед реакторами №№ 1, 2. Контроль давления обусловлен необходимостью его постоянной поддержкой для нормального протекания процесса сжигания в реакторе и предотвращения его падения ниже нормы, что может привести к снижению концентрации хлористого водорода и как следствие ухудшению показателей химических реакций, протекающих в плавильнике.

Давление анодного хлоргаза на фурмы №№ 1, 2. Контроль давления обусловлен необходимостью его постоянной поддержкой для нормального протекания процесса хлорирования расплава и предотвращения его падения ниже нормы, что может привести к попаданию расплава в полость фурмы.

Расход анодного хлоргаза на фурмы №№ 1,2. Контроль расхода обусловлен необходимостью его постоянной поддержкой для нормального протекания процесса хлорирования расплава и предотвращения его падения ниже нормы, что может привести к попаданию расплава в полость фурмы.

Расход сжатого воздуха на фурмы №№ 1, 2. Контроль расхода обусловлен необходимостью его постоянной поддержкой для нормального протекания процесса хлорирования расплава и предотвращения его падения ниже нормы, что может привести к попаданию расплава в полость фурмы.

Расход природного газа на реакторы №№ 1, 2. Контроль расхода обусловлен необходимостью его постоянной поддержкой для нормального протекания процесса сжигания в реакторе и предотвращения его падения ниже нормы, что может привести к снижению концентрации углерода и как следствие ухудшению показателей химических реакций, протекающих в плавильнике. Также уменьшение расхода может вызвать прекращение процесса горения и проникновение расплава в реактор.

Расход сжатого воздуха на реакторы №№ 1, 2. Контроль расхода обусловлен необходимостью его постоянной поддержкой для нормального протекания процесса сжигания в реакторе и предотвращения его падения ниже нормы, что может вызвать прекращение процесса горения и проникновение расплава в реактор.

Расход анодного хлоргаза на реакторы №№ 1, 2. Контроль расхода обусловлен необходимостью его постоянной поддержкой для нормального протекания процесса сжигания в реакторе и предотвращения его падения ниже нормы, что может привести к снижению концентрации хлористого водорода и как следствие ухудшению показателей химических реакций, протекающих в плавильнике.

Уровень карналлита в бункере. Данный параметр позволяет в реальном времени наблюдать за протеканием процесса загрузки карналлита в плавильник.

.2.2 Обоснование точек регистрации

Регистрации подлежат все измеряемые параметры участка хлораторов. Регистрация значений параметров позволяет оценить работу системы за прошедший промежуток времени. Благодаря сохраненным данным проводятся исследования и принимаются меры по улучшению показателей протекания процессов проходящих в хлораторе. Также благодаря этим данным исследуются причины аварийных ситуаций и рассчитываются хозрасчетные показатели работы отделения.

Регистрация реализована на ПЭВМ оператора, где значения всех параметров хранятся в течение трех суток. Параллельное и более длительное хранение данных организованно на сервере первого отделения цеха металлургии магния. Данные параметров оказывающих наиболее сильное влияние на процессы и имеющие большое значение в области техники безопасности хранятся в течение трех месяцев. К ним относятся:

Температура на кожухе плавильника, миксера, хлорирующих камер.

Вакуумметрическое давление в производственном отсосе.

Расход хлоргаза на фурмы №№1,2.

Расход природного газа на реакторы №№1,2.

Расход сжатого воздуха на реакторы №№ 1,2.

Расход анодного хлоргаза на реакторы №№1,2.

.2.3 Обоснование точек регулирования

Параметры, оказывающие сильное влияние на процессы, происходящие в схеме подлежат регулированию, благодаря чему можно добиться необходимых показателей работы хлоратора. Также управлению и регулированию подлежат параметры, относящиеся к обеспечению требований техники безопасности и норм эксплуатации технологического оборудования.

Температура расплава в плавильнике. Для процесса обезвоживания карналлита и хлорирования расплава в хлораторе одним из важнейших показателей протекания процессов является температура расплава в плавильнике (3), поэтому необходимо поддерживать ее в границах от 500 до 700˚С. Этого можно достичь, изменяя скорость вращения шнекового питателя (2).

Температура расплава в хлорирующих камерах. Наиболее полное хлорирование оксида магния происходит при температуре от 600 до 820˚С. Для поддержания этой температуры реализована схема автоматического включения/отключения нагревателей в виде графитовых электродов, установленных в хлорирующих камерах.

Расход хлоргаза на фурмы. В хлорирующих камерах протекает процесс хлорирования окиси магния. На одну тонну расплава необходимо израсходовать 20 м3 хлоргаза. При изменении производительности хлоратора, т. е. изменении расхода карналлита необходимо соответственно изменять и расход хлоргаза на фурмы. Предлагается реализовать систему автоматического регулирования расхода хлоргаза в зависимости от расхода карналлита.

Расход природного газа перед реакторами. Для наиболее полного протекания химических реакций в плавильнике необходимо подавать 20 м3 природного газа на одну тонну расплава. При изменении производительности хлоратора, т. е. изменении расхода карналлита необходимо соответственно изменять и расход газовой смеси на реактор. Предлагается реализовать систему автоматического регулирования расхода природного газа в зависимости от расхода карналлита.

Расход сжатого воздуха перед реакторами. В реакторах хлористого водорода протекает процесс горения смеси газов (природного газа, анодного хлоргаза, воздуха). Для наиболее полного сжигания природного газа и максимально возможного образования хлористого водорода необходимо поддерживать соотношение газов равное 1,00:3,15:1,25 соответственно. Для этого реализована схема автоматического регулирования расходов. За основной компонент взят расход природного газа по значению, которого устанавливаются расходы хлоргаза и воздуха.

Расход анодного хлоргаза перед реакторами. В реакторах хлористого водорода (4) протекает процесс горения смеси газов (природного газа), анодного хлоргаза, воздуха ). Для наиболее полного сжигания природного газа и максимально возможного образования хлористого водорода необходимо поддерживать соотношение газов равное 1,00:3,15:1,25 соответственно. Для этого реализована схема автоматического регулирования расходов. За основной компонент взят расход природного газа по значению, которого устанавливаются расходы хлоргаза и воздуха.

Уровень карналлита в бункере. Данный параметр позволяет в реальном времени наблюдать за протеканием процесса загрузки карналлита в плавильник.

хлорирование автоматический реактор

2. Обоснование выбранной системы средств автоматизации


Переход к оптимизации производства, созданию и внедрению автоматизированных систем управления с использованием вычислительной техники предъявляют повышенные требования к применяемым средствам автоматизации. Применение автоматизированных систем управления невозможно без развитой базы контрольно-измерительных приборов, первичных преобразователей, осуществляющих связь этих систем с объектами управления, а также без надежных исполнительных механизмов, реализующих управляющее воздействие. Таким образом, внедрение автоматизированных систем управления должно сопровождаться созданием совершенных и надежных средств автоматизации.

Для измерения текущих параметров технологического процесса и преобразования их в унифицированные сигналы выбраны электрические контрольно-измерительные приборы, обладающие высокой чувствительностью, точностью регулирования, и обеспечивающие дальность связи и большую емкость каналов передачи информации.

В качестве первичных преобразователей для измерения температур более 100°С предлагается применить преобразователи термоэлектрические ТХА Метран-201-02 (рис.2.1.) с пределом измерения от -40 до 1000°С.

Рис. 2.1.

Для измерения температуры кожухов оборудования предлагается применить преобразователи термоэлектрические Метран-241-01 (рис.2.2.) с пределом измерения от -40 до 200°С (предназначен для измерения температуры поверхности твердых тел).

Рис 2.2.

В качестве средства для измерения давлений применяются преобразователи избыточного давления Метран-150CG (рис.2.3.) и Метран-150TG (рис.2.4.), а для измерения разности давлений применены Метран-150CD (рис.2.5).

Рис.2.3.

Рис.2.4.

Рис.2.5.

Общими преимуществами преобразователей Метран являются: возможность настройки на любой верхний предел измерений; повышенная стойкость выходного сигнала к изменению температуры окружающей среды; высокая стабильность выходных характеристик; стойкость к вибро- и гидроударам; выходной унифицированный сигнал 0-20 mA; передача данных на большие расстояния; возможность наблюдения величины сигнала непосредственно по месту; возможность снимать информацию и перепрограммировать прибор на месте при помощи специального калибратора. Метран-150 выбран для измерения значений параметров хлоргаза, так как при изготовлении мембраны используется стойкий к химически агрессивным средам материал.

В качестве исполнительных механизмов для управления подачей компонентов газовой смеси на реактор и хлоргаза на фурмы используется затвор дисковый с электроприводом DAPS 0030/Z011A DN 50 (рис.2.6, рис.2.7.).

Рис.2.6.

Рис.2.7.

Программно - технический комплекс базируется на SLC-500 Rockwell Automation.

Контроллеры SLC 500 имеют расширенную систему команд, включая косвенную адресацию, широкие математические возможности и вычисление выражений. Модули процессора SLC 500 серии 1746 обеспечивают надежное управление промышленными объектами. Модульная конструкция ввода - вывода, памяти и интерфейсов связи обеспечивает перестройку и расширение контроллера. При конфигурации контроллера определяется необходимое количество входов - выходов, требуемый объем памяти и тип сети связи. Впоследствии при необходимости расширения возможностей контроллера можно добавить в него вх/вых, память или интерфейсы связи. Описание контура регулирования.

3. Обоснование выбранной каскадной САР

Регулирование расхода природного газа на реактор

Для наиболее полного протекания химических реакций в плавильнике (3) необходимо подавать 20м3 природного газа (4.62) на одну тонну расплава. При изменении производительности хлоратора, т. е. изменении расхода карналлита (0.2) необходимо соответственно изменять и расход газовой смеси на реактор (4). Предлагается реализовать систему автоматического регулирования расхода природного газа (4.62) в зависимости от расхода карналлита (0.2).

Сигнал от тензометрических датчиков (поз.1-1) поступает на вторичный прибор (поз.1-2). С выхода 4-20 mA сигнал поступает на вход контроллера SLC 500, где сигналы обрабатывается согласно алгоритма и уже в виде расхода карналлита поступает на АРМ оператора для контроля и регистрации. На основании обработанного сигнала контроллер вырабатывает управляющие сигналы, поступающие на регулирующие органы DAPS 0030/Z011A (поз.15в, г-1, 15в, г-2) для изменения расхода природного газа (4.62).

На рисунке 3.1. изображена функциональная схема данного контура регулирования.

Рис. 3.1.

Каскадная система автоматического регулирования

Структурная схема такой САР выглядит следующим образом:

Рис. 4.1. Структурная схема каскадной САР.

В представленной схеме приведены следующие обозначения: Хвх - температура задания; Хвых , -Х - температура расплава в плавильнике (3); -Х1 - расход карналлита; Wр1(S) и Wр2(S) - передаточные функции стабилизирующего и корректирующего регуляторов; W1(S) и W2(S) - передаточные функции основного и внутреннего каналов объекта управления.

Рис. 4.2. Функциональная схема регулирования (каскадная САР).

Каскадной системе автоматического регулирования осуществляется стабилизация по некоторой промежуточной величине (для исследуемого объекта это расход карналлита), изменения которой оказывают дополнительное возмущающее воздействие на объект управления, что приводит к отклонению основной регулируемой величины от заданного значения.

Литература

2.         Клюев А.С. Проектирование систем автоматизации технологических процессов: Справочное пособие/А.С. Клюев, Б.В. Глазков, А.Х. Дубровский, А.А. Клюев: Под ред. А.С. Клюева. - М.: Энергоатомиздат, 1990. - 464 с.

3.         Клюев А.С. Монтаж средств измерений и автоматизации: Справочник/ А.С. Клюев. - М.: Энергоатомиздат, 1988. - 448 с.

Похожие работы на - Автоматизация процесса обезвоживания карналлита в хлораторе

 

Не нашли материал для своей работы?
Поможем написать уникальную работу
Без плагиата!
Без нейросетей!