Синтез лінійної неперервної системи автоматичного управління
Зміст
Перелік
умовних позначень, символів, одиниць, скорочень та термінів
Вступ
.
Аналіз якості лінійних безперервних САУ
1.1
Показники якості САУ
1.2
Методи побудови перехідної функції
.3
Коефіцієнти помилок
.4
Інтегральні оцінки якості
.
Розрахункова частина
.1
Вхідні дані
.2
Перетворення структурної схеми
.3
Розрахунок часових та частотних функцій та побудова частотних характеристик
системи
.4
Аналіз стійкості розімкнутої та замкнутої САУ
.4.1
Оцінка стійкості розімкнутої системи за коренями характеристичного рівняння
.4.2
Оцінка стійкості замкнутої системи за критерієм Гурвіца
.4.3
Оцінка стійкості замкнутої системи за критерієм Михайлова
.4.4
Оцінка стійкості замкнутої системи за критерієм Найквіста
.5
Показчики якості САУ
.5.1
Побудова перехідної характеристики системи
.6
Часові та частотні характеристики системи
.7
АФЧХ розімкненої системи
.8
Асимптотичні ЛАЧХ
Висновки
Перелік
посилань
Перелік умовних позначень, символів, одиниць, скорочень та
термінів
АФЧХ
- амплітудно-фазочастотна характеристика
АЧХ
- амплітудо-частотні характеристики
ФЧХ
- фазова частотна характеристика
ЕП
- елемент порівняння
САУ
- система автоматичного управління
Вступ
Теорія автоматичного управління в широкому розумінні цього
слова є теорія побудови і функціонування систем автоматичного управління.
САУ можна розділити на дві характерні групи, які
відрізняються одна від одної як за принципом управління, так і за особливостями
функціонування - розімкнуті САУ, що базуються на принципі керування за
збуренням, і замкнуті САУ, які діють на основі принципу керування за
відхиленням.
При відхиленні від стану рівноваги в надходженні і витратах
енергії через дію збурень в системі виникає відхилення регульованої величини
від заданого значення. Це призводить до включення в роботу регулятора, який
намагається його зменшити, внаслідок цього виникає перехідний процес. Основним
завданням ТАУ є оцінка поведінки САУ у перехідних режимах.
Важливим є дослідження поведінки САУ у стані рівноваги, де
визначаються статична точність та інші статичні характеристики системи.
Можна виділити основні особливості ТАУ:
) оцінка САУ в перехідних режимах за характеристиками окремих
ланок системи;
) тісний взаємозв’язок в дослідженні питань динаміки і
статики;
) вивчення САУ, різних за своїми фізичними властивостями;
Отже ТАУ можна визначити як науку, що вивчає статичні та
динамічні властивості САУ, принципи побудови структурних схем, методи вибору
параметрів на основі вимог якості системи.
Виконання курсового проекту сприяє формуванню вмінь і навичок
в області побудови математичних моделей складних САУ, алгоритмізації цих
моделей для розрахунку на електронній обчислювальній машині (ЕОМ), ефективного
застосування існуючих програмних засобів на різних етапах аналізу й синтезу
САУ; набуття навичок самостійної роботи з літературою, довідниками, стандартами
і обчислювальними засобами.
1. Аналіз якості лінійних безперервних САУ
1.1 Показники якості САУ
Кількісні оцінки якості, так звані прямі показники якості,
визначаються за кривою перехідного процесу (рис.1.1).
Рис.1.1 Перехідна функція і показники якості
Використовуються такі прямі показники якості:
) величина перерегулювання s,
(1.1)
яка характеризує максимальне відхилення регульованої величини від
її сталого значення, яке може бути визначено відповідно до теореми про кінцевий
значенні оригіналу
2) час перехідного процесу або час регулювання tp -
найменше значення часу, після якого має місце нерівність
(1.2)
де D - задана
величина, зазвичай лежить в межах D = 0.02-0.05;
3) статична помилка e сm - величина відхилення
сталого значення регульованої величини x (¥) від необхідного
значення N
(1.3)
або
- зображення помилки;
) час встановлення ty - проміжок часу, після якого
регульована величина перший раз досягає сталого значення.
Для визначення якості системи можуть використовуватися й інші
показники, що відповідають розв'язуваної задачі, наприклад, число коливань
регульованої величини за час регулювання, частота і період коливань і т.д.
У всіх випадках необхідно побудувати перехідну функцію.
1.2 Методи побудови перехідної функції
Зображення перехідної функції має вигляд
.
Оригінал перехідної функції може бути отриманий використанням
точних і наближених методів. Будемо розглядати тільки точні методи, пов'язані з
застосуванням зворотного перетворення Лапласа.
Побудова перехідної функції при використанні таблиць перетворення
Лапласа починається з представлення її зображення у вигляді твору передавальних
функцій типових ланок.
Потім цей вислів перетворюється на суму передавальних функцій з
невизначеними коефіцієнтами
(1.4)
У цьому виразі A, Bi, Ck, Dk - невизначені коефіцієнти, l i - дійсні корені рівняння D (s) = 0, а
вираження s2 + bks + ck - відповідають комплексно - сполученим коріння
характеристичного рівняння. Вираз (1.4) необхідно привести до спільного
знаменника і чисельник отриманого виразу прирівняти чисельника зображення
вихідної перехідної функції B (s). Прирівнюючи члени при однакових ступенях
опрератора s в лівій і правій частинах, отримаємо систему рівнянь щодо
невизначених коефіцієнтів. Обчисливши значення цих коефіцієнтів, звернемося до
таблиць перетворення Лапласа і визначимо оригінали доданків формули
(1.4).Зазначимо, що оригінали, що відповідають першим двом членам суми (1.4),
визначаються безпосередньо з таблиць, визначення оригіналів для третього члена
цієї суми можуть знадобитися деякі перетворення. Оригінал перехідної функції
може бути отриманий використанням формули зворотного перетворення Лапласа, так
званої формули розкладання. У загальному випадку формула розкладання має вигляд
(1.5)
де si - коріння рівняння sD(s)=0, ni-кратність коренів. У випадку
тільки простих коренів, коли серед них імются m речових коренів і l пар
комплексно - спряжених коренів, формула розкладання приймає вид
(1.6)
У цьому виразі ak и bk - речова
і уявна частини комплексно спряжених коренів, а
Амплітуда фаза коливальних складових визначаються таким чином:
При обчисленнях за цими формулами, в першу підставляється тільки
один з пари комплексно - спряжених коренів. При обчисленні фазового зсуву
необхідно враховувати квадрант, в якому знаходитися вектор Akejjk.
Приклад. Побудувати перехідну функцію замкнутої системи управління
кутом тангажа і визначити показники якості.
Передавальна функція замкнутої системи має вигляд
де всі коефіцієнти задані або обчислені раніше. Коріння
характеристичного рівняння рівні:
). Побудова перехідної функції табличним методом. Зображення
перехідної функції можна представити у вигляді:
Тут b=2a, c=a2+b2.
Наведемо отриманий вираз до спільного знаменника і прирівняємо
чисельник цього виразу до чисельника вихідного зображення перехідної функції.
Прирівнявши члени при однакових ступенях оператора s в правій і лівій частинах,
отримаємо систему лінійних рівнянь щодо невизначених коефіцієнтів. З цієї
системи відразу визначається А = 1, після чого вирішується система 4-го
порядку.
Вирішення цієї системи дає:
Три перших доданків зображення перехідної функції є таблисними.
Необхідно перетворити до табличному виду четверте доданок.
Отримані доданки є табличними. Підставивши чисельні значення
параметрів і використавши таблиці перетворення Лапласа, отримаємо вираз для
перехідної функції
). Побудова перехідної функції з використанням формули
розкладання.
Спочатку визначимо складові процесу, відповідні речовим коріння.
Для коливальної складової отримаємо.
Так як вектор цієї складової знаходиться в другому квадранті, то
Отже
Перехідні процеси, отримані різними способи збігаються з точністю
до арифметичних обчислень. Крива перехідної функції показана на рис.1.2.
Перехідний процес практично монотонний. Коливальна складова фактично ні як себе
не проявляє через украй малої амплітуди. Перерегулювання відсутнє: s = 0. Час регулювання, визначене при D = 0.05, наближено дорівнює 2.2 с., Що для
системи автоматичного регулювання кута тангажа в більшості випадків є цілком
прийнятним.
Рис.1.2 Перехідна функція системи регулювання кута тангажа
1.3 Коефіцієнти помилок
Точність САУ в усталеному режимі, при відносно повільно
змінюються впливах, може бути оцінена за допомогою коефіцієнтів помилок.
Зображення помилки визначається виразом

Розкладемо передавальну функцію системи помилково в степеневий ряд
в околиці точки s = 0. Зазначимо, що при s ® 0, t ® ¥ і саме тому ми говоримо про точність у
сталому режимі.
(1.7)
Позначимо:
і отримаємо
(1.8)
Враховуючи, що оператор s, помножений на зображення самої
величини, є символом диференціювання, можна для оригіналів записати
(1.9)
Вираз (1.9) визначає залежність помилки регулювання від різних
складових вхідного впливу і коефіцієнти Ki отримали назву коефіцієнтів помилок:
K0 - коефіцієнт помилки за положенням;
K1-коефіцієнт помилки за швидкістю;
K2 - коефіцієнт помилки щодо прискорення і т.д.
З (1.8) випливає, що
Чисельні значення коефіцієнтів помилок визначаються з цього виразу
при s ® 0.
(1.10)
Очевидно, що К0=Фe (0).
Вхідна вплив можна представити у вигляді степеневого ряду
де g0 - постійна величина, що характеризує початкове значення, g1
= const - швидкість зміни вхідного впливу, g2 = const - прискорення і т.д. Тоді
Нехай передатна функція розімкнутої системи має вигляд
де n - порядок
астатизма системи. Для передавальної функції замкнутої системи помилково
отримаємо
Зображення помилки запишеться у вигляді
Звідси випливає, що якщо порядок астатизма більше порядку старшої
похідної впливу, тобто n> m, то
помилка в сталому режимі буде дорівнює нулю. Якщо n = m, то встановилася помилка буде
дорівнює постійній величині, званої статичної помилкою. І якщо n <m, то при t ® ¥ і e ® ¥. Щодо коефіцієнтів помилок останній вираз дозволяє зробити
наступні висновки.
). Якщо система статична, тобто n = 0, то є всі складові помилки і всі коефіцієнти помилок не рівні
нулю, тому К0 = Ф e (0) ¹ 0.
). Система з астатизмом 1-го порядку, n = 1, не має помилки по положенню і К0 =
0.
). Система з астатизмом 2-го порядку, n = 2, не має помилок за становищем і за
швидкістю і К0 = 0, К1 = 0.
Цей список можна продовжити. Таким чином, підвищення порядку
астатизма підвищує точність системи в сталому режимі. Але підвищення порядку
астатизма знижує запаси стійкості, тому що введення інтегруючих ланок збільшує
фазовий запізнювання (знижує частоту w p). Тому на
практиці порядок астатизма вище другого не застосовують, а найчастіше
обмежуються астатизмом першого порядку, використовуючи для підвищення точності
інші способи.
1.4 Інтегральні оцінки якості
Інтегральні оцінки характеризують якість протікання
перехідних процесів. Найбільше поширення отримали дві інтегральні оцінки
(1.11)
(1.12)
Інтеграл (1.11) визначає площа під кривою квадрата динамічної
помилки. Чим менше цей інтеграл, тим швидше згасає перехідний процес і, отже,
інтеграл J0 служить мірою швидкодії системи. У ряді випадків система, що
задовольняє умові мінімуму J0, має значительнуюколебательность перехідного
процесу. Для зменшення коливає можна спробувати скористатися оцінкою J1. Уявімо
цей інтеграл у вигляді
Останній член в отриманому виразі є постійною величиною і, якщо
вважати, що при t ® ¥ помилка e (t) ® 0, то він
дорівнює t e 2 (0). Мінімальна значення інтеграл J1 матиме, якщо
підінтегральної вираз дорівнюватиме нулю, тобто
(1.13)
Вирішення цього диференціального рівняння буде
При подачі на вхід системи одиничного ступінчастого впливу
початкове значення помилки e (0) = 1
і можна рекомендувати наступну методику вибору величини постійної часу t.
1) виберемо з будь - яких міркувань час регулювання tp і
величину D, за рівнем якої вибирається цей час, тобто
2) визначимо логарифм натуральний від отриманого виразу
) Звідси отримаємо
Розглянемо методику обчислення інтегральних оцінок при одиничному
ступінчастому впливі на вході системи. Якщо Ф (s) = B (s) / D (s) - передатна
функція замкнутої системи, то
Якщо система стійка, то
(1.15)
У цьому виразі:
Визначник D складається з
коефіцієнтів характеристичного рівняння замкнутої системи наступним чином
Всі визначники D к (к =
0,1,... m) виходять з D заміною (m +1-
k) - го стовпця стовпцем виду (dn-1, dn, 0,0,0,0,... 0). Інтеграл J1 можна
записати у вигляді суми двох інтегралів
де
Якщо врахувати, що
то можна зробити висновок, що в новій передавальної функції
порядок чисельника збільшитися на одиницю, тобто m = m +1 і вільний член bm =
0.Для обчислення інтеграла J01 тепер можна скористатися виразом (1.15).
Недоліками інтегральних оцінок є неможливість отримання прямих
показників якості та висока складність обчислювальних процедур. Гідність - це
можливість висловити інтегральні оцінки як функції параметрів системи і,
скориставшись відомими методами пошуку екстремуму, визначити значення цих
параметрів, що дають мінімум обраної оцінці. Саме це і послужило розвитку
аналітичних методів синтезу систем автоматичного управління, заснованих на
мінімізації квадратичних інтегральних оцінок.
2. Розрахункова частина
2.1 Вхідні дані
Згідно зі своїм варіантом (варіант 27) з методичних вказівок
[1] заносимо початкові дані до таблиці 2.1.
Таблиця 2.1 - Значення параметрів САУ
|
Варіант
|
Варіант схеми
|
k1
|
k2
|
k3
|
k4
|
k5
|
T1
|
T2
|
T3
|
T4
|
T5
|
T6
|
|
|
27
|
(f)
|
14
|
25
|
9
|
7
|
|
0.5
|
0.75
|
0.25
|
0.45
|
0.4
|
0.65
|
|
Структурна схема САУ зображена на рисунку 2.1.
Рисунок 2.1 - Структурна схема САУ - варіант f
2.2 Перетворення структурної схеми
Рисунок 2.2 - Структурна схема САУ - варіант f
Перетворення здійснюється з допомогою програми MATLAB R2007b,
Спрощення структурної схеми.
Для знищення перехресних зв’язків потрібно перенести суматор
через ланку з індексом К2. В цьому разі додається ланка з передавальною
функцією, рівній передавальній функції ланки через яку переноситься ланка.
Отримаємо W4.
Етапи спрощення структурної схеми:
. Паралельне з єднання W1,W2
отримаємо WI.
2. Далі послідовне з’єднання W4,W5 отримаємо WII.
. Паралельне з єднання з зворотнім зв’язком W3,WII
отримаємо WIII.
. Далі послідовне з’єднання WI,WIII отримаємо WIV.
. Послідовне з’єднання W,WIV отримаємо WV.
. Паралельне з єднання з зворотнім зв’язком WV,W6
отримаємо WVI.
2.3 Розрахунок часових та частотних функцій та
побудова частотних характеристик системи
Частотна перехідна функція
=0,01..10
Частотні характеристики АФЧХ, АЧФ та ФЧФ
В перетвореннях Лапласса

а) б)
Часові характеристики: а)перехідна функція; б)імпульсна перехідна
функція
2.4 Аналіз стійкості розімкнутої та замкнутої САУ
2.4.1 Оцінка стійкості розімкнутої системи за
коренями характеристичного рівняння
За передаточною функцією розімкнутої системи складемо
характеристичне рівняння:
Всі коефіцієнти характеристичного рівняння одного знаку
(додатні), отже необхідна умова стійкості виконується, але так як система 4-го
порядку необхідно знайти корені рівняння. Зробимо це за допомогою програми
MatLab:
.9266
.7656 + 0.8737i
.7656 - 0.8737i
.8329
Оскільки всі корені від’ємні, за вийнятком першого, все одно
система вважається стійкою.
2.4.2 Оцінка стійкості замкнутої системи за
критерієм Гурвіца
За передаточною функцією замкнутої системи складемо
характеристичне рівняння:
Так як усі коефіцієнти характеристичного рівняння одного
знаку, то необхідна умова стійкості виконується. Для перевірки достатньої умови
побудуємо головний визначник Гурвіца:
А=10.77; А1=121.6; А2=511.2; А3=950.5; А4=625;
Викреслюючи у головному визначникові Гурвіца діагональні
мінори, отримаємо визначники Гурвіца нижчого порядку. Підрахуємо значення цих
визначників:
Згідно з необхідною та достатньою умовою стійкості по критерію
Гурвіца
випливає, що замкнута система стійка.
2.4.3 Оцінка стійкості замкнутої системи за
критерієм Михайлова
Криву Михайлова побудуємо за допомогою програми Matlab
Рисунок 2.3 - Крива Михайлова
Так як на рис. 2.3 складно однозначно сказати, чи стійка
система, необхідно для більшої точності змінити діапазони осей координат. На
рис.2.4 зображена крива Михайлова при змінених діапазонах як реальної осі, так
і уявної.
Рисунок 2.4 - Крива Михайлова при зміненому діапазоні
З графіків, зображених на рисунку 2.3 та рисунку 2.4 видно,
що крива Михайлова охоплює 4 квадрантів, що дорівнює ступені характеристичного
полінома, а також не перетинає початок координат, тому можна зробити висновок,
що замкнута система стійка.
2.4.4 Оцінка стійкості замкнутої системи за
критерієм Найквіста
В пакеті розширення Simulink програми Matlab побудували
струкурну схему зображену на рисунку 2.2. За допомогою LTI Viewer, пакету
розширення Simulink, побудуємо АФЧХ нескоригованої системи (рис. 2.5).
Рисунок 2.5 - Годограф Найквіста
Збільшимо зображення для отримання більшої точності (рисунок
2.6).
Рисунок 2.6 - Годограф Найквіста (збільшене зображення)
Так як АФЧХ замкнутої системи (рис 2.6) охоплює точку
, то можна зробити висновок, що замкнута
система є стійкою.
2.5 Показчики якості САУ
САУ повинна відповідати наступним показникам якості:
Величина перерегулювання σmax
25%,
Час пере регулювання tp<1c,
Кількість коливань М
2.
Уявимо перехідний процес синтезованої САУ та по ним виявимо
основні показники якості.
Отже,
Час пере регулювання tp=0.73
Кількість коливань М=1
Величина пере регулювання=0.832;уст=0.73;
Досягнуті показники якості відповідають дійсним.
Рисунок 2.7 - Графік перехідної характеристики
2.5.1 Побудова перехідної характеристики системи
Рисунок 2.8 - графік перехідної характеристики.
2.6 Часові та частотні характеристики системи
Схема розрахунку частотних показників по логарифмічним
частотним характеристикам.
Рисунок 2.9 - Розрахунок часових та частотних характеристик
системи
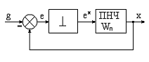
2.7 АФЧХ розімкненої системи
Між формулами для обчисленні передатної функції замкнутої
імпульсної САК і неперервної САК існує певна аналогія. Зокрема, при обчисленні
передатної функції імпульсної САК з одиничним негативним зворотним зв'язком
справедливо правило: передатна функція системи дорівнює передатної функції
прямого ланцюга, діленої на одиницю плюс (при одиничному від’ємному зворотному
зв’язку) передатна функція розімкнутої системи.
Рисунок 2.10 - Схема розімкненої системи
Рисунок 2.11 - АФЧХ розімкненої системи
2.8 Асимптотичні ЛАЧХ
лінійна безперервна система автоматичний
ЛАЧХ послідовної коригувальної ланки будуємо шляхом
графічного вирахування з ЛАЧХ бажаної системи ЛАЧХ заданої системи.
Коефіцієнт підсилення коригувальної ланки визначаємо із
співвідношення:
,
Так я L3=7, то
,
.
Для визначення передаточної фунції запишемо усі сталі часу:
)
- аперіодична функція І-го порядку (
)

)
- форсуюча функція І-го порядку (
)
)
- аперіодична функція І І -го порядку (
)
Рисунок 2.12 Графік асимптотичної ЛАЧХ
Висновки
В курсовому проекті виконано синтез лінійної неперервної
системи автоматичного управління. Проведено моделювання перехідних процесів та
корегування системи.
Було знайдено передаточні функції, побудовано структурну
схему нескоригованої системи, знайдено невідомий коефіцієнт підсилення за
допомогою області стійкості методом D-розбивки, проведено аналіз стійкості
нескоригованої системи та знайдено запаси стійкості за амплітудою і фазою.
При проектуванні системи аналіз графіків ЛАЧХ показав, що
система потребує корегування. Корегування системи виконувалася шляхом
розрахунку послідовної коригувальної ланки. Після коригування система
задовольняє заданим умовам якості.
Перелік посилань
1.
Методичні вказівки з курсового проектування з дисципліни "Теорія
автоматичного управління" для студентів денної форми навчання напряму
6.050202 - Автоматизація та комп’ютерно-інтегровані технології [Текст], /
Упоряд.
О.В. Токарєва - Харків: ХНУРЕ, 2009. - 40 с.
.
Методичні вказівки до лабораторних робіт з курсу "Теорія автоматичного
управління" для студентів напряму підготовки 6.050202 -
"Автоматизація та комп’ютерно-інтегровані технології" [Електронний
ресурс], / Упоряд. Токарєва О.В., Пономарьова Г.В. - Харків: ХНУРЕ, 2010. -
82с.
.
Попович, М.Г. Теорія автоматичного керування [Текст]: підруч./ М.Г. Попович,
О.В. Ковальчук. - К.: Либідь, 1997. - 544 с.
.
Бесекерский, В.А. Теория систем автоматического регулирования [Текст] / В. А.
Бесекерский, Е. П. Попов. - 4-е изд. - СПб.: Профессия, 2004. - 752 с.
.
Воронов, А.А. Теория автоматического управления [Текст]: учеб. / 2-е изд. Ч.1.
Теория линейных систем автоматического управления / А.А. Воронов. - М.: Высшая
школа, 1986. - 367 с.